焊锡丝说明书
- 格式:doc
- 大小:82.00 KB
- 文档页数:6
焊锡丝分类及使用全文共四篇示例,供读者参考第一篇示例:焊锡丝是一种用于电子元器件焊接的材料,通常由锡(Sn)和铅(Pb)合金组成。
根据不同的合金成分和直径大小,焊锡丝可以分为多种分类,每种都适用于不同的焊接需求。
在选择焊锡丝时,需要考虑焊接工艺、焊接材料和焊接效果等因素,才能选取合适的焊锡丝进行焊接。
下面将详细介绍焊锡丝的分类及使用方法。
一、焊锡丝的分类1. 根据合金成分:焊锡丝根据合金成分的不同,可以分为无铅焊锡丝和含铅焊锡丝两种。
无铅焊锡丝是一种环保型焊锡丝,不含有对环境和人体有害的铅元素,适用于需要高温和高强度的焊接场合。
而含铅焊锡丝的焊接性能更好,但含有对环境有害的铅元素,一般用于一般性的焊接工作。
2. 根据直径大小:焊锡丝的直径大小通常以毫米(mm)为单位。
常用的焊锡丝直径有0.3mm、0.5mm、0.8mm等多种规格,直径越小,利于焊接小型元器件和焊点。
直径越大,可以提高焊接速度和焊接强度。
3. 根据流动性:焊锡丝的流动性主要取决于其合金成分的比例,不同比例的合金成分会影响焊锡丝的流动性。
一般来说,流动性好的焊锡丝可以在焊接过程中迅速流动并覆盖整个焊点,提高焊接的质量和稳定性。
4. 根据使用环境:根据焊接的环境和需求,焊锡丝可以分为无气芯焊锡丝和有气芯焊锡丝两种。
无气芯焊锡丝适用于焊接精密电子元器件和PCB线路板等场合,焊接后不容易产生气泡和氧化。
有气芯焊锡丝适用于一般性的焊接工作,焊接后会在焊点周围形成一层气芯,保护焊点不受外界氧化和金属腐蚀。
二、焊锡丝的使用方法1. 准备焊接材料:在进行焊接之前,首先要准备好焊接材料,包括焊锡丝、焊接工具(焊台、焊接枪)、酒精棉球、焊接辅助工具等。
确保焊接材料和工具都是干净的,以免影响焊接效果。
2. 烙铁预热:在使用焊锡丝进行焊接前,必须预热烙铁,使其达到适合焊接的温度。
一般来说,电子元器件的焊接温度为250°C至300°C不等,根据元器件的尺寸和材料选择合适的温度。
不同规格焊锡丝对应的手工焊接温度手工焊接是一种常见的金属连接方法,而焊锡丝是手工焊接中常用的材料之一。
不同规格的焊锡丝有不同的焊接温度,本文将从不同规格焊锡丝对应的手工焊接温度的角度来探讨这一话题。
我们需要了解什么是焊锡丝。
焊锡丝是由锡和其他金属元素合金组成的,具有低熔点、良好的流动性和可塑性。
焊锡丝通过加热使其融化,并用于连接金属件。
不同规格的焊锡丝具有不同的成分和性能,因此需要在适当的温度下进行焊接。
对于规格为0.5mm的焊锡丝,适宜的焊接温度为220-240摄氏度。
这种焊锡丝适用于细小的焊接工作,如电子元件的连接。
在这个温度范围内,焊锡丝能够迅速熔化并与金属表面充分接触,从而实现可靠的焊接连接。
对于规格为0.8mm的焊锡丝,适宜的焊接温度为240-260摄氏度。
这种焊锡丝适用于一般的焊接工作,如电路板的焊接和金属零件的连接。
在这个温度范围内,焊锡丝能够在较短的时间内熔化,并形成均匀的焊点,确保焊接质量。
对于规格为1.0mm的焊锡丝,适宜的焊接温度为260-280摄氏度。
这种焊锡丝适用于较大的焊接工作,如金属结构的焊接和电器设备的维修。
在这个温度范围内,焊锡丝能够快速熔化并填充焊缝,形成牢固的连接。
对于规格为1.5mm的焊锡丝,适宜的焊接温度为280-300摄氏度。
这种焊锡丝适用于较粗的焊接工作,如汽车零部件的焊接和金属管道的连接。
在这个温度范围内,焊锡丝能够在较长的时间内保持熔化状态,以确保焊接质量和连接强度。
需要注意的是,以上的焊接温度仅供参考,实际应根据具体焊接材料和工作情况进行调整。
不同的焊接工艺和要求也会对焊接温度有所影响。
因此,在进行手工焊接时,操作者应根据经验和实际情况选择合适的焊接温度,以确保焊接质量和安全性。
不同规格的焊锡丝对应不同的手工焊接温度。
通过选择合适的焊接温度,可以实现良好的焊接效果和连接质量。
在进行手工焊接时,操作者应根据焊接材料和工作要求选择适当的焊接温度,并注意安全操作,以确保焊接过程的顺利进行。
焊锡丝的使用方法
嘿,你问焊锡丝咋用啊?这事儿咱可得好好说说。
先把焊锡丝拿出来瞅瞅。
看看焊锡丝有没有破损的地方,要是有断的或者变形的,那可不好用哦。
然后检查一下焊锡丝的粗细,不同的情况要用不同粗细的焊锡丝呢。
用的时候呢,得准备好工具。
比如说电烙铁、焊锡膏啥的。
电烙铁要先插上电预热一会儿,等热了才能用。
焊锡膏可以让焊接更容易,别用太多,不然会弄得脏兮兮的。
接着就可以开始焊接啦。
把要焊接的东西放在一个平稳的地方,别让它乱动。
然后用电烙铁头沾上一点焊锡膏,再去接触要焊接的部位。
等电烙铁头热了,就把焊锡丝放在电烙铁头和要焊接的部位之间。
焊锡丝会融化,把两个东西粘在一起。
在焊接的过程中,要注意控制电烙铁的温度和时间。
要是温度太高了,会把东西烧坏;要是时间太长了,也会把东西弄坏。
可以先在一些废材料上练习一下,找找感觉。
还有啊,焊接的时候要小心别烫着自己。
电烙铁很烫的
哦,要是不小心碰到了,会很疼的。
可以戴个手套或者用个夹子啥的,保护好自己。
我给你讲个事儿哈。
有一次我想修一个小电器,就拿出焊锡丝和电烙铁来试试。
一开始我不太会用,焊得乱七八糟的。
后来我看了一些教程,又练习了几次,终于学会了。
我把那个小电器修好了,可高兴了。
从那以后,我就知道了焊锡丝的使用方法。
所以啊,焊锡丝使用并不难,只要你掌握了方法,小心操作,就能把东西焊好。
以后要是需要焊接东西,就试试这些方法吧。
焊锡丝国标焊锡丝是一种常见的焊接材料,广泛用于电子产品、电路板等领域。
为了确保焊接质量和产品安全性,各国都制定了相应的国家标准。
本文将介绍焊锡丝国标的相关内容,包括其分类、技术要求和应用范围。
一、焊锡丝的分类根据材料成分和用途,焊锡丝可以分为不同的类别。
最常见的分类方式是根据焊锡丝的成分,主要有铅锡焊锡丝和无铅锡焊锡丝两种。
铅锡焊锡丝是由铅和锡两种金属元素组成的合金,具有良好的焊接性能和流动性。
然而,铅对环境和人体健康有一定的影响,因此在某些国家和地区已经禁止使用铅锡焊锡丝。
为了替代铅锡焊锡丝,无铅锡焊锡丝应运而生。
无铅锡焊锡丝通常由锡、银、铜等元素组成,具有较高的熔点和较好的焊接性能。
二、焊锡丝的技术要求焊锡丝国标对焊锡丝的技术要求进行了详细规定,以确保焊接质量和产品安全性。
这些要求包括焊锡丝的化学成分、外观质量、物理性能等方面。
焊锡丝的化学成分要符合国家标准的要求。
例如,铅锡焊锡丝的铅含量应在一定范围内,同时还要求控制其他金属元素的含量。
无铅锡焊锡丝的元素含量也有相应的要求,以保证其焊接性能和环境友好性。
焊锡丝的外观质量也是焊锡丝国标关注的重点。
焊锡丝的表面应光滑均匀,无明显的氧化、裂纹和杂质。
同时,焊锡丝的直径和线形度也需要符合一定的要求,以确保焊接过程的稳定性和可靠性。
焊锡丝的物理性能也是焊锡丝国标考虑的重要因素。
焊锡丝的熔点、电阻率和拉伸强度等物理性能需要符合国家标准的规定,以保证焊接质量和产品的可靠性。
三、焊锡丝的应用范围焊锡丝国标还明确了焊锡丝的应用范围。
焊锡丝主要用于电子产品、电路板和电子元器件的焊接。
例如,焊锡丝可以用于手机、电脑、电视等电子产品的焊接,以确保电子设备的正常运行和稳定性。
除了电子产品,焊锡丝还可以用于其他领域的焊接,如汽车制造、航空航天等。
在这些领域,焊锡丝的质量和性能要求更高,因此需要严格遵守焊锡丝国标的要求。
总结起来,焊锡丝国标是确保焊接质量和产品安全性的重要依据。
焊锡作业指导书一、背景焊锡是电子制造和维修过程中常见的焊接技术之一。
它广泛应用于电子产品、电路板和电缆的连接、修补和改装。
本指导书将介绍焊锡的基本知识、所需工具和操作步骤,帮助您正确并安全地进行焊锡作业。
二、所需工具和材料1. 焊锡台:用于加热焊锡的工作台,应具备稳定的温度控制和安全机制。
2. 焊锡笔或焊枪:用于加热焊锡并将其应用于连接部位。
3. 焊锡丝:用于提供焊锡材料,常见的规格为0.8mm至1.2mm。
4. 骨架支架:用于将待焊接的零件固定在工作台上。
5. 鼻子钳和剥线钳:用于固定电缆和剥去电缆绝缘层。
6. 放大镜或显微镜:用于查看并检查焊接细节。
7. 绝缘胶带:用于保护电缆和连接部位。
三、操作步骤1. 准备工作在进行焊锡作业前,请确保设备和工作区域安全。
检查焊锡台的电源和温度设置是否正确,确保操作过程中不会发生意外事故。
准备所需的工具和材料,并将其布置整齐。
2. 清洁连接部位如果待焊接的零件表面有污垢、氧化物或残留物,应先清洁。
可使用棉球蘸少量酒精或清洁剂轻轻擦拭,确保焊接处的表面光滑干净。
3. 固定工件使用骨架支架将待焊接的零件固定在工作台上,确保其稳定不会移动。
这有助于焊接的准确性和精确性。
4. 剥线和整理导线如果需要焊接电缆或导线,使用剥线钳剥去电缆绝缘层,露出足够的导线长度。
将导线按照需要的长度和形状整理好,以便进行焊接。
5. 加热焊锡笔或焊枪接通焊锡台的电源,并将焊锡笔或焊枪插入台座。
等待几分钟,让焊锡笔或焊枪预热至适全温度。
6. 焊接连接部位将预热好的焊锡笔或焊枪轻轻接触连接部位,使其受热。
热量将使焊锡熔化并覆盖连接部位。
确保焊锡涂覆均匀,并够多以提供良好的连接。
7. 冷却焊接部位在焊接完成后,等待焊接部位冷却。
不要用手触摸或移动焊接部位,以避免烫伤或损坏焊接结果。
8. 检查焊接结果使用放大镜或显微镜检查焊接结果。
焊锡应覆盖连接部位并与其紧密结合。
确保焊接点没有短路、松动或其他不良现象。
焊锡丝说明书本公司采用高科技配方的助焊剂技术,全自动焊锡丝生产流水线,结合现代电子产品小型化高精密发展需要,一直不断地投入相当多的时间与精力发展更高品质的产品,经过多年的不懈努力,已经开发了几种含锡量和线径0.3mm-9.0mm的实芯、单芯、三芯、五芯的活性、非活性树脂芯焊锡丝供广大客户选择。
◎产品种类:*实心焊锡丝*消光焊锡丝*镀镍专用焊锡丝*松香芯焊锡丝*免清洗焊锡丝*水溶性焊锡丝*电容器专用焊锡丝*灯泡专用焊锡丝*低温焊锡丝*高温焊锡丝*其它特殊用途焊锡丝◎产品优点:*锡线内松香分布均匀,连续性好。
*自动走线时锡线不会缠绕。
*烙铁残渣少,提升了工作效率*卷线整齐,美观,锡线表面光亮。
*良好的润湿性及扩展能力、有效阻止桥接、拉尖现象;*高效的去氧化膜能力;*焊接时少飞溅,烟雾小、气味感觉轻松、焊点光亮;*焊后残留物少、颜色浅且绝缘阻抗高,电性能优良,没有特殊要求可不清洗。
*焊后在焊点表面形成一层保护膜,减缓焊点的氧化反映保持焊点的光亮。
*熔点低,焊接速度快减少了应焊接对元器件造成的热冲击。
*活性好,良好的焊接性能减少工人的焊接时间提高焊接效率。
免清洗焊锡丝本公司采用SJ/T11168-98免清洗焊锡丝标准生产,满足高精密度,高可靠性电子产品的免清洗组装工艺,具有焊点光亮可靠,清洁美观。
焊后绝缘电阻高,离子污染低。
焊后线路板残留物极少等特点,本公司具有各种含锡量和线径免清洗焊锡丝供广大客户选择。
松香芯焊锡丝采用高品质松香配置而成,松香芯助焊剂分为松香助焊剂R型(松香焊剂),RMA型(弱活性松香焊剂),RA(活性松香焊剂)三种,该类产品具有焊接速度快飞溅少,焊点光亮,用途广泛等特点,适应了现代电子工业飞速发展及焊接工艺需求,本公司备有各种含锡量和线径焊锡丝供广大客户选购。
电容器专用焊锡丝采用国际先进助焊剂配方生产的电容器专用焊锡丝是应用于电容器的制造行业,电容器端面喷锌层及低熔点喷金层上直接实现焊接的高活性焊锡丝,具有焊接速度快,溶解快,光亮,焊接点牢固等特点。
焊锡丝焊接指导助焊剂的特性1、化学活性(Chemical Activity)要达到一个好的焊点,被焊物必须要有一个完全无氧化层的表面,但金属一旦曝露于空气中会生成氧化层,这中氧化层无法用传统溶剂清洗,此时必须依赖助焊剂与氧化层起化学作用,当助焊剂清除氧化层之后,干净的被焊物表面,才可与焊锡结合。
助焊剂与氧化物的化学反应有几种:1、相互化学作用形成第三种物质;2、氧化物直接被助焊剂剥离;3、上述两种反应并存。
松香助焊剂去除氧化层,即是第一中反应,松香主要成份为松香酸(Abietic Acid)和异构双萜酸(Isomeric diterpene acids),当助焊剂加热后与氧化铜反应,形成铜松香(Copper abiet),是呈绿色透明状物质,易溶入未反应的松香内与松香一起被清除,即使有残留,也不会腐蚀金属表面。
氧化物曝露在氢气中的反应,即是典型的第二种反应,在高温下氢与氧发生反应成水,减少氧化物,这种方式长用在半导体零件的焊接上。
几乎所有的有机酸或无机酸都有能力去除氧化物,但大部分都不能用来焊锡,助焊剂被使用除了去除氧化物的功能外,还有其他功能,这些功能是焊锡作业时,必不可免考虑的。
2、热稳定性(Thermal Stability)当助焊剂在去除氧化物反应的同时,必须还要形成一个保护膜,防止被焊物表面再度氧化,直到接触焊锡为止。
所以助焊剂必须能承受高温,在焊锡作业的温度下不会分解或蒸发,如果分解则会形成溶剂不溶物,难以用溶剂清洗,W/W级的纯松香在280℃左右会分解,此应特别注意。
3、助焊剂在不同温度下的活性好的助焊剂不只是要求热稳定性,在不同温度下的活性亦应考虑。
助焊剂的功能即是去除氧化物,通常在某一温度下效果较佳,例如RA的助焊剂,除非温度达到某一程度,氯离子不会解析出来清理氧化物,当然此温度必须在焊锡作业的温度范围内。
另一个例子,如使用氢气做为助焊剂,若温度是一定的,反映时间则依氧化物的厚度而定。
无铅焊锡丝参数
无铅焊锡丝的参数有以下几个方面:
1. 焊锡成分:无铅焊锡丝通常采用Sn-Ag-Cu系列合金,成分中的锡(Sn)含量一般为96%以上,银(Ag)含量在3.5-4.5%,铜(Cu)含量在0.5-0.7%。
2. 直径:无铅焊锡丝的直径一般有0.3mm、0.5mm、0.8mm等不同规格,根据具体焊接需求选择合适的直径。
3. 熔点:无铅焊锡丝的熔点一般在217-227℃之间,具体熔点取决于焊锡成分。
4. 包装形式:无铅焊锡丝通常以卷装或盘装的形式出售,长度根据需要有不同的选择。
5. 其他参数:无铅焊锡丝的抗氧化性、流动性、可焊性等性能也是选购时需要考虑的因素。
需要根据具体的焊接需求和要求选择合适的无铅焊锡丝参数。
低温焊锡其实就是含铅焊锡,高温焊锡则是无铅焊锡。
低温焊锡是63/37的比例,63%是锡,37%是铅。
之所以用铅,就是要降低锡的熔点。
因为早期的电子元器件 纯锡的熔点很高,但如果加了1%左右的银,熔点就会降下来,当然还是比63/37的锡高几十度。
63/37的锡还一个好处就是便宜,如果63/37的锡35元,纯锡就60元,加银后就65元(只是个大概)。
加了 所以高温低温,本身只是一个环保的因素。
但由于无铅焊锡的低电阻率,所以用在音响上效果会更好(感觉。
因为早期的电子元器件对高温很敏感。
以上比例的焊锡不知道用了多少年了,直到人们对铅中毒的了解越来越多。
现在很锡高几十度。
(只是个大概)。
加了银的焊锡一个好处就是电阻率低,很简单因为银的导电是最好的。
音响上效果会更好(感觉的效果)
了解越来越多。
现在很多欧洲国家已经禁止使用含铅焊锡了。
焊锡丝焊锡丝,中文名称:焊锡丝、焊锡线、锡线、锡丝,英文名称:solder wire,焊锡丝是由锡合金和助剂两部分组成,合金成份分为锡铅、无铅助剂均匀灌注到锡合金中间部位。
规格分类根据不同的情况,焊锡丝有几种分类的方法:按金属合金材料来分类:可分为锡铅合金焊锡丝,纯锡焊锡丝,锡铜合金焊锡丝,锡银铜合金焊锡丝,锡铋合金焊锡丝,锡镍合金焊锡丝及特殊含锡合金材质的焊锡丝按焊锡丝的助剂的化学成份来分类:可分为松香芯焊锡丝,免清洗焊锡丝,实芯焊锡丝,权脂型焊锡丝,单芯焊锡丝,三芯焊锡丝,水溶性焊锡丝,铝焊焊锡丝,不锈钢焊锡丝按熔解温度来分类:可分为低温焊锡丝,常温焊锡丝,高温焊锡丝标准线径● ● ● ● ● ●0.3mm 0.5mm 0.6mm 0.8mm 1.0mm 1.2mm依客订做范围为: 0.3mm - 0.5mm有铅焊锡丝规格熔点(°C)可供应产品形式实芯锡线药芯锡线锡63/铅37 183 ▲▲锡60/铅40 183-190 ▲▲锡55/铅45 183-203 ▲▲锡50/铅50 183-215 ▲▲锡45/铅55 183-227 ▲▲锡40/铅60 183-238 ▲▲锡35/铅65 183-248 ▲▲锡30/铅70 183-258 ▲▲锡25/铅75 183-266 ▲▲锡20/铅80 183-279 ▲▲锡15/铅85 183-295 ▲无铅焊锡丝规格熔点(°C)可供应产品形式实芯锡线药芯锡线99.3锡-0.7铜183 ▲▲锡-0.3银-铜183-190 ▲▲96.5锡-3.0银-0.3铜183-203 ▲▲锡-3.0银183-215 ▲▲阳极棒99.9锡183-2272无铅锡丝类别★锡铜无铅锡线/焊锡丝(Sn99.3Cu0.7)★锡银铜无铅锡线/锡丝(Sn96.5Ag3.0Cu0.5)★0.3银无铅锡线/焊锡丝(Sn99.0Ag0.3Cu0.7)★实芯型无铅锡线/焊锡丝(不含助焊剂)特点1、良好的润湿性、导电率、热导率,易上锡。
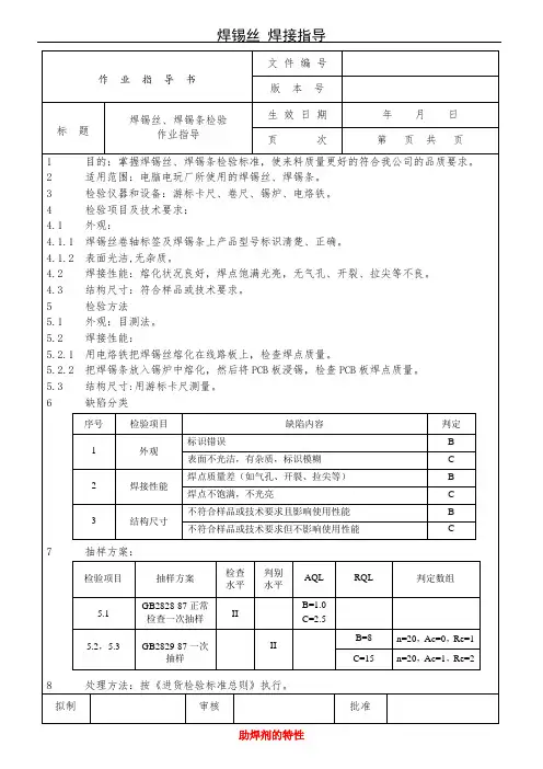
批准焊锡丝、焊锡条检验标准文件编号审核2修改状态审核1编制制(修)订日期检验项目检验要求检验工具不良等级抽样方式判定包装1、包装无破损。
2、外包装标识清晰、整洁、无错误。
3、包装箱上标识型号、数量、生产日期(生产批号)标识。
目视 A 每包Ac=0Re=1规格型号实物上标识、包装标签上的规格型号与ERP单上的规格型号一致。
目视 A 每卷Ac=0Re=1外观表面光滑、清洁,不应有裂纹、杂质等。
目视 A 每卷Ac=0 Re=1尺寸及允许偏差直径 mm 允许偏差 mm0.50.81.01.2±0.03±0.05±0.10±0.10需要按照不同品牌、厂家的实际情况进行检查。
游标卡尺 A N=10cmAc=0Re=1成分1、含铅焊锡:Sn63Pb37、Sn60Pb40;2、无铅焊锡:Sn99.3Cu0.7出厂检验报告材质报告委外测试A出厂检验报告/批次材质报告、委外测试/季度Ac=0Re=1助焊剂含量焊锡丝:1.8%~2.5%。
材质报告 A外标识材质报告/季度Ac=0Re=1重量实际重量不低于所标重量的99.5%。
电子秤 A 2卷/包Ac=0 Re=1实际使用情况1、焊锡丝:用电烙铁、不少于60cm的焊锡丝,以10cm长度截成6段,实际焊接,查看焊点效果良好,焊接过程中无焊锡飞溅、不易熔锡等现象,并且每段情况一致。
电烙铁 A不少于60cm的焊锡丝/2卷/包Ac=0Re=12、焊锡条:委托仪表事业部实际使用,溶解、焊接过程中焊点良好,无多余杂质等。
委托检验 A 实际使用无焊接不良现象。
松香焊锡丝的使用方法
松香焊锡丝是一种常用的焊接材料,它由松香和锡丝组成,具有良好的焊接性能和可塑性。
在使用松香焊锡丝时,需要注意以下几点: 1. 准备工作
在使用松香焊锡丝之前,需要准备好焊接工具和材料。
焊接工具包括焊锡丝、焊锡枪、焊接支架等,材料包括松香焊锡丝、清洁剂等。
2. 清洁表面
在焊接之前,需要将焊接表面清洁干净,以确保焊接质量。
可以使用清洁剂或者酒精等清洁剂将表面清洁干净。
3. 加热焊接表面
在焊接之前,需要将焊接表面加热至适当温度,以便焊锡丝能够充分熔化并与焊接表面结合。
一般来说,焊接表面的温度应该在200℃左右。
4. 焊接
将松香焊锡丝放在焊锡枪中,将焊锡枪对准焊接表面,轻轻按下焊锡枪的扳机,将焊锡丝熔化并涂抹在焊接表面上。
在焊接过程中,需要保持焊锡丝的稳定性,以确保焊接质量。
5. 冷却
在焊接完成后,需要等待焊接表面冷却,以便焊接表面与焊锡丝充分结合。
在冷却过程中,不要触摸焊接表面,以免影响焊接质量。
使用松香焊锡丝进行焊接需要注意以上几点,以确保焊接质量和安全性。
焊锡丝的熔点
焊锡丝是一种常用的电子焊接材料,其具有优良的电热导性能,具有优良的焊接性能,可以用于焊接电子元件,电子零件和其它电子材料等。
焊锡丝的熔点是指在指定温度下,电子焊接材料发现的一种形式变化,从这种状态转变到最后的固态形式,它可以用于焊接多种电子器件、电子模块以及其他与电子有关的材料和组件。
焊锡丝的熔点是在电子焊接材料发现的形式变化最高温度,它以热量能量的消耗来标识。
电子焊接材料的熔点要求有特定的高度。
为了达到特定高度的熔点,需要采用一种较高的焊接技术。
焊锡丝的熔点要求一定,通常在183-190摄氏度之间。
对于安装电子元件和模块,需要严格的控制焊接温度,可以使用使用热风焊接技术,热风焊接机可以控制温度,当焊接温度达到指定的焊锡丝熔点时,焊接过程结束,焊后电子元件及模块不会因为过热而受到损坏。
焊接温度控制不仅对焊接材料的熔点有较高的要求,也要求有严格的控制方法。
如果控制不当,电子元件和模块将受到损坏,尤其是重要的紧固件和焊接部件。
如果温度过低,焊接材料无法达到熔点,无法形成良好的焊接,容易导致电子元件和模块的损坏。
如果温度过高,焊接材料会熔,导致焊接后的电子元件烧坏。
为了保证焊接的质量,需要认真考虑熔点控制的问题。
在焊接过程中,需要精确控制温度,使用专业的焊接设备,能够准确测量焊接材料的温度,保证温度在指定的范围内,以保证电子元件和模块的安
全可靠。
焊锡丝的熔点是对电子焊接材料选择及实施焊接工艺要求提出的一个重要指标,在电子焊接过程中需要精确控制焊锡丝的熔点,以保证焊接后元件、器件可靠性,且可以确保焊接的质量。
焊锡丝有哪些规格分类焊锡丝怎么用怎么选购保质期多长?锡焊技术应用广泛,已经在电子产品的各个产业成功运行了几十年之久,同时也创新了更加精确的高密度技术。
而焊锡材料是由锡和铅两种金属按一定比例融合而成的,是连接元器件与线路板之间的介质,在电子行业的生产与维修工作中是必不可少的。
今天我们就来聊一聊焊锡丝。
01、焊锡丝是什么焊锡是由锡(融点232度)和铅(熔点327度)组成的合金。
由锡63%和铅37%组成的焊锡被称为共晶焊锡,这种焊锡的熔点是183度。
手工电子原器件焊接使用的焊锡丝,是由锡合金和助剂两部分组成,在电子焊接时,焊锡丝与电烙铁配合,优质的电烙铁提供稳定持续的熔化热量,焊锡丝以作为填充物的金属加到电子原器件的表面和缝隙中,固定电子原器件成为焊接的主要成分,焊锡丝的组成与焊锡丝的质量密不可分,将影响到焊锡丝的化学性质和机械性能和物理性质。
【详细】02、焊锡丝规格分类根据不同的情况,焊锡丝有几种分类的方法:按金属合金材料来分类:可分为锡铅合金焊锡丝,纯锡焊锡丝,锡铜合金焊锡丝,锡银铜合金焊锡丝,锡铋合金焊锡丝,锡镍合金焊锡丝及特殊含锡合金材质的焊锡丝;按焊锡丝的助剂的化学成份来分类:可分为松香芯焊锡丝,免清洗焊锡丝,实芯焊锡丝,权脂型焊锡丝,单芯焊锡丝,三芯焊锡丝,水溶性焊锡丝,铝焊焊锡丝,不锈钢焊锡丝;按熔解温度来分类:可分为低温焊锡丝,常温焊锡丝,高温焊锡丝。
【详细】03、焊锡丝的熔点现在常用的焊锡丝分为有铅焊锡丝和无铅焊锡丝二大类,其规格和熔点等很多参数各不相同。
其中常用的:有铅焊锡丝Sn63Pb37熔点为183度,锡铜无铅焊锡丝Sn99.3Cu0.7的熔点为227度,锡银铜无铅焊锡丝Sn96.5Ag3.0Cu0.5的熔点为217度。
【详细】04、焊锡丝的成份焊锡丝的成份焊锡丝是由锡合金和助剂两部分组成,合金成份分为锡铅、无铅助剂均匀灌注到锡合金中间部位。
焊锡丝虽然主要成份是锡,但也含有其他金属。
焊锡丝说明书本公司采用高科技配方的助焊剂技术,全自动焊锡丝生产流水线,结合现代电子产品小型化高精密发展需要,一直不断地投入相当多的时间与精力发展更高品质的产品,经过多年的不懈努力,已经开发了几种含锡量和线径0.3mm-9.0mm的实芯、单芯、三芯、五芯的活性、非活性树脂芯焊锡丝供广大客户选择。
◎产品种类:*实心焊锡丝*消光焊锡丝*镀镍专用焊锡丝*松香芯焊锡丝*免清洗焊锡丝*水溶性焊锡丝*电容器专用焊锡丝*灯泡专用焊锡丝*低温焊锡丝*高温焊锡丝*其它特殊用途焊锡丝◎产品优点:*锡线内松香分布均匀,连续性好。
*自动走线时锡线不会缠绕。
*烙铁残渣少,提升了工作效率*卷线整齐,美观,锡线表面光亮。
*良好的润湿性及扩展能力、有效阻止桥接、拉尖现象;*高效的去氧化膜能力;*焊接时少飞溅,烟雾小、气味感觉轻松、焊点光亮;*焊后残留物少、颜色浅且绝缘阻抗高,电性能优良,没有特殊要求可不清洗。
*焊后在焊点表面形成一层保护膜,减缓焊点的氧化反映保持焊点的光亮。
*熔点低,焊接速度快减少了应焊接对元器件造成的热冲击。
*活性好,良好的焊接性能减少工人的焊接时间提高焊接效率。
免清洗焊锡丝本公司采用SJ/T11168-98免清洗焊锡丝标准生产,满足高精密度,高可靠性电子产品的免清洗组装工艺,具有焊点光亮可靠,清洁美观。
焊后绝缘电阻高,离子污染低。
焊后线路板残留物极少等特点,本公司具有各种含锡量和线径免清洗焊锡丝供广大客户选择。
松香芯焊锡丝采用高品质松香配置而成,松香芯助焊剂分为松香助焊剂R型(松香焊剂),RMA型(弱活性松香焊剂),RA(活性松香焊剂)三种,该类产品具有焊接速度快飞溅少,焊点光亮,用途广泛等特点,适应了现代电子工业飞速发展及焊接工艺需求,本公司备有各种含锡量和线径焊锡丝供广大客户选购。
电容器专用焊锡丝采用国际先进助焊剂配方生产的电容器专用焊锡丝是应用于电容器的制造行业,电容器端面喷锌层及低熔点喷金层上直接实现焊接的高活性焊锡丝,具有焊接速度快,溶解快,光亮,焊接点牢固等特点。
水溶性焊锡丝符合当今取消DOS物质使用。
保证人类环境,适用与现代电子产品水清洗工艺流程,该产品焊后残留物极少用温水清洗,更符合当今的环境保护的要求。
◎可供产品型号:标准合金产品(Sn/Pb):63/37、60/40、55/45、50/50、45/55、40/60、35/65、30/70、25/75、20/80(可根据客户的量订做)◎标准规格(mm):0.5、0.8、1.0、1.2、1.5、2.0、2.3、2.5、3.0、3.2、6.0-9.0(可根据客户的量订做)◎标准包装:每卷重:0.25Kg、0.5Kg、0.907Kg(2pound)、1.0Kg、3.0Kg(可根据客户的量订做)每箱纳入量:10卷◎贮存要求:阴凉干燥处、避免潮湿环境。
焊锡丝选择指南(国家标准锡的含量是正负1度,我厂的标准是正负0.5度)不同的焊锡量焊接的温度也有所不同。
一般的高度焊锡63%,60%,55%,50%,45%,40%建议使用35-50W烙铁35%一下包括35%建议使用50W以上的烙铁。
具体要求还要根据客户的使用情况而定。
声明:一.我厂生产的焊锡产品原材料选自云南精锡和电解锡,绝对没有市场上的回收锡二手锡,并且我厂郑重承诺我们生产的焊锡绝对是明码实度,绝对不存在偷度数的现象。
而且为了确保客户的利益我们在商标上都印有焊锡的实际度数,客户可以放心选购。
二.现在市场上有很多焊锡产品价格很低,其实很多都是用回收锡和二手锡做的,这种焊锡丝不能保证您的产品使用安全。
严重的可能还会发生质量问题。
客户需要谨慎选择。
还有一些厂里为了盈利想出了偷度数的方法。
现在市场上有很多的焊锡商标上面是63%价格很低,其实他的锡含量只有30-40度一度锡相差一块多钱。
这就是为什么市场上焊锡价格相差这么大。
我厂的销售人员在您选购的同时会明确的告诉您,您选购的焊锡的实际度数。
我厂本着诚信,负责的宗旨对出厂的每一批焊锡都进行严格的检验,确保客户的使用安全和权益。
在此我厂郑重承诺一.拒绝回收锡,二手锡确保客户的使用安全。
二.明码实度,绝对不偷度数确保客户的权益。
三.诚信,专业让客户买的放心,用的舒心。
强力焊锡期待与您合作!!!!焊锡丝电烙铁的基本结构烙铁:(1)手柄、(2)发热丝、(3)烙铁头、(4)电源线、(5)恒温控制器、(6)烙铁头清洗架(图四所示)电烙铁的作用:用来焊接电子原件、五金线材及其它一些金属物体的工具。
焊锡丝手工焊接过程1、操作前检查(1)每天上班前3-5分钟把电烙铁插头插入规定的插座上,检查烙铁是否发热,如发觉不热,先检查插座是否插好,如插好,若还不发热,应立即向管理员汇报,不能自随意拆开烙铁,更不能用手直接接触烙铁头.(2)已经氧化凹凸不平的或带钩的烙铁头应更新的:1、可以保证良好的热传导效果;2、保证被焊接物的品质。
如果换上新的烙铁嘴,受热后应将保养漆擦掉,立即加上锡保养。
烙铁的清洗要在焊锡作业前实施,如果5分钟以上不使用烙铁,需关闭电源。
海绵要清洗干净不干净的海绵中含有金属颗粒,或含硫的海绵都会损坏烙铁头。
(3)检查吸锡海绵是否有水和清洁,若没水,请加入适量的水(适量是指把海绵按到常态的一半厚时有水渗出,具体操作为:湿度要求海绵全部湿润后,握在手掌心,五指自然合拢即可),海绵要清洗干净,不干净的海绵中含有金属颗粒,或含硫的海绵都会损坏烙铁头。
(4)人体与烙铁是否可靠接地,人体是否佩带静电环。
2、焊接步骤烙铁焊接的具体操作步骤可分为五步,称为五步工程法,要获得良好的焊接质量必须严格的按下图五操作。
按上述步骤进行焊接是获得良好焊点的关键之一。
在实际生产中,最容易出现的一种违反操作步骤的做法就是烙铁头不是先与被焊件接触,而是先与焊锡丝接触,熔化的焊锡滴落在尚末预热的被焊部位,这样很容易产生焊点虚焊,所以烙铁头必须与被焊件接触,对被焊件进行预热是防止产生虚焊的重要手段。
3、焊接要领(1)烙铁头与两被焊件的接触方式(图六所示)接触位置:烙铁头应同时接触要相互连接的2个被焊件(如焊脚与焊盘),烙铁一般倾斜45度,应避免只与其中一个被焊件接触。
当两个被焊件热容量悬殊时,应适当调整烙铁倾斜角度,烙铁与焊接面的倾斜角越小,使热容量较大的被焊件与烙铁的接触面积增大,热传导能力加强。
如LCD拉焊时倾斜角在30度左右,焊麦克风、马达、喇叭等倾斜角可在40度左右。
两个被焊件能在相同的时间里达到相同的温度,被视为加热理想状态。
接触压力:烙铁头与被焊件接触时应略施压力,热传导强弱与施加压力大小成正比,但以对被焊件表面不造成损伤为原则。
(2)焊丝的供给方法焊丝的供给应掌握3个要领,既供给时间,位置和数量。
供给时间:原则上是被焊件升温达到焊料的熔化温度是立即送上焊锡丝。
供给位置:应是在烙铁与被焊件之间并尽量靠近焊盘。
供给数量:应看被焊件与焊盘的大小,焊锡盖住焊盘后焊锡高于焊盘直径的1/3既可。
(3)焊接时间及温度设置A、温度由实际使用决定,以焊接一个锡点4秒最为合适,最大不超过8秒,平时观察烙铁头,当其发紫时候,温度设置过高。
B、一般直插电子料,将烙铁头的实际温度设置为(350~370度);表面贴装物料(SMC)物料,将烙铁头的实际温度设置为(330~350度)C、特殊物料,需要特别设置烙铁温度。
FPC,LCD连接器等要用含银锡线,温度一般在290度到310度之间。
D、焊接大的元件脚,温度不要超过380度,但可以增大烙铁功率。
(4)焊接注意事项A、焊接前应观察各个焊点(铜皮)是否光洁、氧化等。
B、在焊接物品时,要看准焊接点,以免线路焊接不良引起的短路4、操作后检查:(1)用完烙铁后应将烙铁头的余锡在海绵上擦净。
(2)每天下班后必须将烙铁座上的锡珠、锡渣、灰尘等物清除干净,然后把烙铁放在烙铁架上。
(3)将清理好的电烙铁放在工作台右上角。
锡点质量的评定:1、标准的锡点:(1)锡点成内弧形(2)锡点要圆满、光滑、无针孔、无松香渍(3)要有线脚,而且线脚的长度要在1-1.2MM之间。
(4)零件脚外形可见锡的流散性好。
(5)锡将整个上锡位及零件脚包围。
2、不标准锡点的判定:(1)虚焊:看似焊住其实没有焊住,主要有焊盘和引脚脏污或助焊剂和加热时间不够。
(2)短路:有脚零件在脚与脚之间被多余的焊锡所连接短路,另一种现象则因检验人员使用镊子、竹签等操作不当而导致脚与脚碰触短路,亦包括残余锡渣使脚与脚短路(3)偏位:由于器件在焊前定位不准,或在焊接时造成失误导致引脚不在规定的焊盘区域内(4)少锡:少锡是指锡点太薄,不能将零件铜皮充分覆盖,影响连接固定作用。
(5)多锡:零件脚完全被锡覆盖,及形成外弧形,使零件外形及焊盘位不能见到,不能确定零件及焊盘是否上锡良好. (6)错件:零件放置的规格或种类与作业规定或BOM、ECN不符者,即为错件。
(7)缺件:应放置零件的位置,因不正常的原因而产生空缺。
(8)锡球、锡渣:PCB板表面附着多余的焊锡球、锡渣,会导致细小管脚短路。
(9)极性反向:极性方位正确性与加工要求不一致,即为极性错误。
3、不良焊点可能产生的原因:(1)形成锡球,锡不能散布到整个焊盘?烙铁温度过低,或烙铁头太小;焊盘氧化。
(2)拿开烙铁时候形成锡尖?烙铁不够温度,助焊剂没熔化,步起作用。
烙铁头温度过高,助焊剂挥发掉,焊接时间太长。
(3)锡表面不光滑,起皱?烙铁温度过高,焊接时间过长。
(4)松香散布面积大?烙铁头拿得太平。
(5)锡珠?锡线直接从烙铁头上加入、加锡过多、烙铁头氧化、敲打烙铁。
(6)PCB离层?烙铁温度过高,烙铁头碰在板上。
(7)黑色松香?温度过高。