M7.5砌筑砂浆配合比设计说明书
- 格式:docx
- 大小:17.51 KB
- 文档页数:3
水泥砂浆配合比设计计算说明书一、设计依据1、《公路桥涵施工技术规范》JTJ041-20002、《砌筑砂浆配合比设计规程》JGJ98-20003、招标文件和图纸设计要求二、设计要求及用途1、设计标号:M7.5。
2、稠度:30-50mm。
3、使用部位:桥涵及防护工程砌体。
三、原材料选择1、水泥:河南焦作水泥厂,“坚固”牌P.O32.5水泥。
2、细集料:泌阳产河砂,中砂。
3、水:地下饮用水。
四、配合比确定步骤1、计算砂浆的试配强度f m,o(Mpa)f m,o=f2+0.645σ=7.5+0.645×2.5=11.6Mpa2、水泥用量的计算每m3砂浆中的水泥用量Q c=1000(f m,o-β)/(α*f c,e)=1000/(11.6+15.09) /(3.03×32.5)=271Kg3、砂用量每m3砂浆中的砂用量以干燥状态下砂的堆积密度计算:m s=1530Kg4、每m3砂浆中用水量:m w=310Kg。
5、每m3砂浆中原材料的质量比为m c:m s:m w =1:4.71:0.956、配合比试配、调整及确定试配以计算得出的基准配合比及其他配合比的水泥用量按基准配合比分别增加及减少10%进行试配,测定砂浆强度,选定符合要求的理论配合比(Kg/m3)为:m c:m s:m w =325:1530:310质量比为:m c:m s:m w =1:4.71:0.95水泥砂浆配合比设计计算说明书一、设计依据1、《公路桥涵施工技术规范》JTJ041-20002、《砌筑砂浆配合比设计规程》JGJ98-20003、招标文件和图纸设计要求二、设计要求及用途1、设计标号:M10。
2、稠度:50-70mm。
3、使用部位:通道/涵洞工程砌体及防护工程。
三、原材料选择1、水泥:河南焦作水泥厂,“坚固”牌P.O32.5水泥。
2、细集料:泌阳产河砂,中砂。
3、水:地下饮用水。
四、配合比确定步骤1、计算砂浆的试配强度f m,o(Mpa)f m,o=f2+0.645σ=10+0.645×2.50=11.6Mpa2、水泥用量的计算每m3砂浆中的水泥用量Q c=1000(f m,o-β)/(α*f c,e)=1000/(11.6+15.09) /(3.03×32.5)=271Kg3、砂用量每m3砂浆中的砂用量以干燥状态下砂的堆积密度计算:m s=1530Kg4、每m3砂浆中用水量:m w=310Kg。
M7.5砂浆配合比设计说明一、设计目的确定M7.5砂浆抗压强度配合比。
二、设计依据《公路工程集料试验规程》(JTG E42-2005)《公路桥涵施工技术规范》(JTJ F50-2011) 《砌筑砂浆配合比设计规程》(JGJT 98-2010)三、设计条件1、设计稠度要求:50㎜-70㎜2、水泥:(1)厂家:乳山山水水泥厂(2)品种:山水牌(P.C)(3)标号:32.53、砂子:(1)产地:乳山河产河砂(2)规格:中砂四、配合比计算步骤1、砂浆配制强度计算fm.o=f2+0.645σ根据JGJT 98-2010规程中表5.1.3查的:σ=1.88fm.o=7.5+0.645×1.88=8.7MPa2、每立方砂浆的水泥用量计算:Q c =1000*(fm,o-β)/(αfce)=1000*(8.7+15.09)/(3.03*32.5)=240㎏/m33、选取每立方米砂浆中砂的用量:Qs=1480kg4、选取每立方砂浆的用水量:根据稠度为50㎜-70㎜用水量为:=240kg/m³,水灰比为0.75,则水用量为320kg。
选用mw5、进行砂浆试配,提出基准配合比1、配料:按初步配合比拌和15L混凝土拌和物,各组成材料计算如下:水泥: 4.80㎏砂: 22.2㎏水: 3.60㎏测定拌和物的稠度为56㎜,满足设计要求确定基准配合比:320:1480:240=1:4.63:0.75五、比基准配合比水泥用量增加10%时的配比:352:1480:240=1:4.84:0.68比基准配合比水泥用量减少10%时的配比:288:1480:240=1:5.14:0.83六、测定强度,确定试验室配合比:(1)制作砂浆抗压强度试件,按基准配合比的水泥用量增加和减少10%计算另外两组砂浆配合比:即:A组Qc=352kgB组Qc=320kgC组Qc=288kg。
湖南省湘筑工程有限公司湖南省新化至溆浦高速公路第三合同段M7.5水泥砂浆配合比设计说明书施工单位:湖南省湘筑工程有限公司监理单位:广东虎门技术咨询有限公司目录一、设计说明 (01)二、设计依据 (01)三、设计要求 (01)四、原材料 (01)五、试件制取及养生方法 (01)六、配合比的计算 (01)七、试配及试验结果汇总 (05)八、配合比的选定 (06)九、施工注意事项 (06)附:1、配合比抗压强度试验报告;2、水泥性能试验报告;3、砂性能试验报告;M7.5水泥砂浆配合比设计说明书一、设计说明本水泥砂浆设计强度为M7.5。
主要用于桥梁工程的、涵洞工程的八字墙、防护工程的浆砌片石等。
现场施工时搅拌采用强制式搅拌机进行拌和。
二、设计依据1、《湖南省新化至溆浦高速公路两阶段施工图设计》2、《砌筑砂浆配合比设计规程》(JGJ 98-2000)3、《公路桥涵施工技术规范》(JTJ 041-2000)4、《公路工程集料试验规范》(JTG E42-2005)5、《公路工程水泥及水泥混凝土试验规程》(JTG E30-2005)6、《建筑用砂》(GB/T14684-2001)7、《通用硅酸盐水泥》(GB175-2007)三、设计要求1、设计强度7.5MPa,配制强度不低于8.7MPa;2、稠度要求:30~50mm;3、最小水泥用量:200kg/m3。
四、原材料1、水泥:采用湖南省海螺水泥有限公司生产“雪峰”牌P.C32.5水泥,经试验得知,该水泥各项性能均符合规范要求;(其具体性能试验指标见附件)2、砂:采用新化城坪新枫砂场生厂的河砂,经试验得知,该砂的级配符合II区中砂要求,细度模数为2.85,含泥量为1.5%,其各项性能均符合规范要求;(其具体性能试验指标见附件)3、水:采用饮用水。
五、试件制取及养生方法将用于配合比配制的各原材料混合,经搅拌机搅拌均匀后,检验水泥砂浆拌和物的稠度、分层度、及拌和物的表观密度。
M7.5砂浆配合比设计说明书一、设计依据1、JGJ/T98-2010 《砌筑砂浆配合比设计规程》2、JTG/T F50-2011 《公路桥涵施工技术规范》3、JTG E42-2005 《公路工程水泥及水泥混凝土试验规程》4、JTG E30-2005 《公路工程集料试验规程》二、设计指标该砂浆用于路基桥涵等砌筑工程施工,设计标号M7.5,设计稠度30~50mm。
三、原材料品种规格及质量1、原材料品种规格及产地水泥:P.O 42.5,产地:舟山宇锦细集料:淡化砂产地:马岙砂厂细砂。
水:自来水无杂质2、细集料试验汇总细集料各项指标试验结果汇总表(表二)试验项目细度模数含泥量(%)试验结果 1.90 0.63、水泥试验汇总p.o42.5级水泥各项指标试验结果汇总表(表三)试验细度标准稠凝结时间(min)安抗折强度抗压强度项目(%)度(%)定性(Mpa)(Mpa)初凝时间终凝时间3d 28d 3d 28d试验结果/ 28.0 185 260合格6.0 8.2 26.9 52.0四、配合比计算与确定1、计算砂浆配制强度f m,o查表选σ=1.88,K=1.20F m,o=kf2 =1.20×7.5=9.0Mpa2、计算水泥用量Q CQ C=1000(F m,o-β)/(αf ce)=1000(9.0+15.09)/(3.03×42.5)=187kg,式中水泥富余系数f ce取1.0,,,f ce=42.5×1.0=42.5Mpa,α=3.03,β=-15.09。
根据计算结果结合以往的经验,选定水泥用量为280kg。
3、确定每立方米砂子用量实测砂子的堆积密度为1378kg/cm3。
4、确定用水量为340 kg/cm3。
五、确定基准配合比:按照计算确定的配合比试拌,试验检测砂浆稠度为45mm。
砂浆的保水性和粘聚性等工作性符合要求。
据此确定基准配合比为:水泥:砂:水280 :1350 :340水灰比为1.21。
M7.5水泥砂浆配合比设计说明书编制:复核:审核:日期:二○一三年三月三十日M7.5水泥砂浆配合比设计说明一、设计要求:水泥砂浆强度等级f为M7.5 ,施工稠度为30~50 mm,使2用部位为砌筑。
二、采用质量标准1、招标文件《技术规范》2、施工设计图纸3、《砌筑砂浆配合比设计规程》JGJ/T98-20104、《公路桥涵施工技术规范》JTG/T F50-20115、《通用硅酸盐水泥》GB175-2007三、采用试验操作规程1、《公路工程水泥及水泥混凝土试验规程》JTG E30-20052、《公路工程集料试验规程》JTGE42-20052、《建筑砂浆基本性能试验方法标准》JGJ/T 70-2009四、原材料来源及试验结果1、水泥:采用湖南南方水泥有限公司生产的兆山牌P.C32.5水泥,经检验,其2、细集料采用宁響砂场生产的中砂,经检验,各项性能指标见下表:3、水:生活用水五、配合比设计 (一)、确定初步配合比 1、确定配制强度0,m f =k 2f=1.2×7.5=9.0(根据施工水平k 值取1.20)0,m f —砂浆的试配强度(MPa ),精确至0.1MPa;2f —砂浆强度等级值(MPa ),精确至0.1MPa;k —系数,按表5.1.1取值。
表5.1.1砂浆强度标准差σ及k 值2、计算水泥用量:1)每立米砂浆中的水泥用量,按下式计算:)/()(10000,ce m c f a f Q ⋅-=β=1000(9+15.09)/(3.03×32.5) =245式中:c Q ——每立方米砂浆的水泥用量(kg ),精确到1kg ;ce f ——水泥实测强度(MPa ),精确至0.1MPa ;a 、β——砂浆的特征系数,其中a 取3.03、β取-15.09。
2)、每立方米砂浆中的砂用量,干燥状态下的堆积密度为1544kg ; 3)、每立方米砂浆中的用水量,根据砂浆稠度等要求选用265kg; (二)、调整配合比调整一:c Q取220kg ,砂取1544kg ,用水量根据稠度要求作适当调整;调整二:c Q取268kg ,砂取1544kg ,用水量根据稠度要求作适当调整; (三)、试拌校正1、按第一种配合比进行试验,试配搅拌量为6升则每种材料用量为m c0:m s0:m w0=1.464:9.264:1.59,测定稠度42mm,实测容重为2040Kg,则2053Kg-2040kg=13kg小于2053*2%=41Kg,故无需进行密度校正。
M7.5砂浆配合比设计说明一、设计说明;我 XXX合同,因工程施工需要,设计水泥砂浆配合比,设计砂浆标号为M7.5。
二、设计依据;1、《公路工程水泥及水泥混凝土试验规程》JTG E30-20052、《公路工程集料试验规程》JTJ E42-20053、《通用硅酸盐水泥》GB 175-20074、《砌筑砂浆配合比设计规程》JGT98-20105、《建筑用砂》GB/T14684-20116、《XXX》施工图纸设计三、设计要求;1、细集料采用级配良好的中砂;2、设计强度:M7.5(Mpa);3、设计稠度:50-70(mm);四、材料要求;1、水泥:P·S·A 32.5(邯郸金隅太行水泥厂);2、细集料:中砂 (邢台白马河沙场);3、水:饮用水;五、配合比设计过程;1、计算砂浆试配强度:ƒm,0=ƒ2×k=7.5×1.2=9.0MPa2、水泥用量的计算:每立方米砂浆中水泥用量Qc=1000(ƒm,o-β)/(ᕃce)=1000×(9.0+15.09)/(3.03×32.5)=245kg根据经验,经我部试验室调整取每立方米砂浆中水泥用量为285kg。
每立方米河砂的密度为1500kg/m3。
每立方米砂浆中水用量取290kg。
水泥:中砂:水=285:1500:290做为基准配合比3、按基准配合比增加水泥10%,调整后比例:水泥:中砂:水=314:1500:3004、按基准配合比减少水泥10%,调整后比例:水泥:中砂:水=256:1500:280六、配合比试拌:1、每立方米砂浆材料理论用量,基准配合比:水泥:中砂:水=285:1500:290=1:5.26:1.02试拌5kg水泥,水泥:中砂:水=5:26.30:5.12、按基准配合比增加水泥10%,调整后比例:水泥:中砂:水=314:1500:300=1:4.78:0.96试拌5kg水泥,水泥:中砂:水=5:23.9:4.803、按基准配合比减少水泥10%,调整后比例:水泥:中砂:水=256:1500:280=1:5.86:1.09试拌5kg水泥,水泥:中砂:水=5:29.3:5.45经检验,从耐久性、强度和经济性综合考虑选定水泥:中砂:水=285:1500:290=1:5.26:1.02为理论配合比。
精心整理精心整理M7.5砂浆配合比设计书一、设计依据:1、设计图纸2、招标文件3、JTG/T98-2010《砌筑砂浆配合比设计规程》4、JTGE30-2005《公路工程水泥及水泥混凝土试验规程》5、JTG/TF50-2011《公路桥涵施工技术规范》6、JTGE42-2005《公路工程集料试验规程》二、设计说明:1、设计强度等级:M7.5。
2、设计施工稠度:50~70mm 。
3、水泥:海螺水泥P.O32.5。
细集料:选用策底坡石料厂0~4.75mm 砂。
拌合水:饮用水。
4、材料主要技术指标及试验结论(1:水泥)材料名称规格主要试验检测项目备注细度80μm筛余标准稠度凝结时间安定性 抗压强度MPa 抗折强度MPa 水泥 P.O32.5初凝终凝试饼法雷式夹法 3d 强度28d 强度3d 强度28d 强度后附检测报告规定值 ≤10% /≥45min ≤600min 无弯曲无裂缝<5≥17 ≥42.5 ≥3.5 ≥6.5实测测3.3 142.5g140 170 合格 1.0 23.6 42.2 4.8 8.1(2:细集料) 材料名称 规格 主要试验检测项目备注细集料0-4.75mm 细度模数 表观密度 堆积密度 空隙率含泥量压碎值后附检测报告规定值 2.3-3.0 >2500kg/m3 >1350kg/m3<47% <3.0% <30% 实测测2.762521 149240.82.726.6三、砂浆初步配合比设计精心整理精心整理1、计算配制强度砂浆设计强度:0,m f =7.5MPa砂浆配制强度:(k 值取施工水平一般1.20)0,m f =2kf 7.5×1.20=9MPa2、水泥用量计算:γc----水泥强度等级值的富余系数,取1.0)0(1000Q c β-=,fm /(αfce ⨯)=1000×[9.0-(-15.09)]/(3.03×32.5)=245kgα,β—砂浆的特征系数,其中α取3.03,β取-15.09 3、计算水用量: 4、计算砂用量依据JTG/T98-2010《砌筑砂浆配合比设计规程》表4.0.2取值为≧1900kg砂用量=1900-245-230=1425kg5、计算配合比:配合比:水泥:砂:水:=245:1425:230比例为:1:5.82:0.941、根据砂浆配合比选定要求,以基准配合比为基础,另选配两个调整配合比,其用水量与基准配合比相同,胶凝材料较基准配合比分别增加或减少10%,计算配合比材料用:序号水泥(kg ) 砂(kg )水(kg )假定容重(kg/m3) 7d 强度 28d 强度配合比 C :S :W基准 245 1425 230 1900 10.9 17.8 1:5.82:0.94 参照1270 1400 230 1900 13.1 20.6 1:5.19:0.85 参照2221144923019007.313.21:6.56:1.042、根据各选定配合比混凝土拌合物工作性能及抗压强度值,假定容重与实测容重之差少于2%,结合工地施工实际情况,拟选用申报配合比: 配合比:水泥:砂:水:=245:1425:230比例为:1:5.82:0.94。
M7.5砂浆配合比计算与说明一、使用部位及要求:泉州晋石高速公路B合同段,用于路缘石安装、集水坑、急流槽等路面附属工程及交安、管道工程;强度等级:M7.5;稠度:30-50mm,分层度:<30 mm。
二、设计依据:1、《砌筑砂浆配合比设计规程》(JGJ/T 98-2010)2、《公路桥涵施工技术规范》(JTG/T F50-2011)三、原材料:1、水泥:采用福建省谋成水泥发展有限公司生产的“豪福”牌P·B-SN-002。
2、细集料:晋江市安平芋圆砂场,河砂,细度模数为2.58,表观密度:2604kg/m3。
报告编号:B-XJ-003。
3、拌和用水:饮用水。
四、设计过程:1.砂浆试配强度计算:fm.o=kf2 =1.2×7.5=9.0MPa2、计算每m3砂浆中水泥用量:取每m3砂浆中水泥用量333 kg。
3. 依据JGJ/T 98-2010第5.1.1条,每m3砂浆的砂用量为干燥状态(含水率小于0.5%)的堆积密度,实测砂子的堆积密度为1484kg/m3。
4、依据JGJ/T 98-2010第5.1.1条,根据砂浆设计的稠度30~50 mm的要求选取每立方米砂浆用水量:m wo =290kg。
5、得出基准配合比:m c:m s: m w=333:1484:2906、以基准砂浆配合比为基础,另外采用分别增加、减小10%水泥用量定出试拌配合比:(单位:kg/m3),对拌和物性能进行检测,详见下表:五、7天及28天抗压试验结果1、7天抗压试验结果2、28天抗压试验结果六、试验结论根据试验结果,确定每立方米普通混凝土材料用量:拟采用基准配合比:C:W:S =1:0.87:4.46七、附件1、标准试验结果批复单。
2、砂浆配合比试验报告。
3、砂浆配合比试验记录、砂浆拌合物性能试验记录、砂浆立方体抗压强度试验记录。
4、原材料(砂、水泥)试验报告及记录。
工程试验有限有限公司工区项目部工地试验室M7.5水泥砌筑砂浆配合比设计说明报告编号:A5-B-SJ-一、设计依据:《公路桥涵施工技术规范》JTG/T F50-2011《建筑砂浆基本性试验方法标准》JTG/T 70-2009《砌筑砂浆配合比设计规范》JTG/T 98-2010二、原材料:P.C32.5复合水泥 产地:水泥中砂 机制砂 产地:砂石料场水 饮用水.三、(1)计算砂浆适配强度2,f k f o m ∙= k 值取施工水平一般 =k 1.2 9.07.52.1=⨯=M P a选定砂浆试配材料用量(2)选择每米立方米砂浆中的水泥用量(c Q )255 3/m kg符合《砌筑砂浆配合比设计规范》表 5.1.2—1每立方米水泥砂浆水泥用量230~260kg/m 3的要求(3)每立方米砂浆中砂用量Q s 1690 3/m kg(4)每立方米砂浆中水用量确定:M7.5水泥砌筑砂浆设计稠度为50-70mm每立方米水泥砂浆用水量为2703/m kg符合《砌筑砂浆配合比设计规范》表5.1.2—1每立方米水泥砂浆用水量270~330kg/m 3的要求072:6901:552::=w s c Q Q Q1:6.63:1.06每盘试拌7.5LQ c =1.913 kg Q s =12.675 kg Q w =2.025 kgA# M7.5水泥砂浆配合比设计按基准配合比调整递减10%水泥用量进行设计水泥Q c=255×90%=230 3kg/m砂Q s=1690 3kg/m水不变Q w=2703kg/mQ c:Q s:Q w =230:1690:270=1:7.34:1.17每盘试拌7.5LQ c=1.725 kg Q s=12.675 kg Q w=2.025 kgC# M7.5水泥砂浆配合比设计按基准配合比调整递增10%水泥用量进行设计水泥Q c=245×1.1%=281 3kg/m砂Q s=1690 3kg/m水不变Q w=2703kg/mQ c:Q s:Q w =281:1690:270=1:6.01:0.96每盘试拌7.5LQ c=2.108 kg Q s=12.675 kg Q w=2.025 kg。
M7.5砂浆配合比设计一、设计依据:1.JGJ98-2000《砌筑砂浆配合比设计规程》2.JTG E30-2005《公路工程水泥及水泥混凝土试验规程》3.JTG F10-2006《公路路基施工技术规范》4.JTGE42-2005《公路工程集料试验规程》5.JTJ041-2000《公路桥涵施工技术规范》以及设计文件进行设计。
二、概述:1.使用部位:路基防护排水工程、浆砌基础工程。
2.稠度要求:50~70mm。
3. 分层度要求:(≤30mm)。
三、材料:1.水泥:湖南长沙河田白石建材有限公司白石牌P.C32.5复合硅酸盐水泥2.河砂:株洲县渌口达安砂场,细度模数为:2.8,含泥量1.2%,属Ⅱ区中砂,堆积密度1.557g/cm3。
3.水:饮用水。
材料性能试验报告单附后四、水泥砂浆试件制取及养生方法:水泥砂浆试件采用机械搅拌,人工插捣成型。
养生方法采用标准养护,温度18~220C。
相对湿度大于95%。
五、砂浆配合比的计算:1. 砂浆设计强度f m.k=7.5MPa2. 计算砂浆配制强度f m.o=f m,k+0.645δ=7.5+0.645×1.88=8.7MPa3.计算每立方米砂浆中的水泥用量Qc=1000×(f m,o-β)/(a×f ce)= 1000×(8.7+15.09)/(3.03×32.5)=242 kg/㎥(根据经验选定水泥用量320 kg/㎥)每立方米砂浆中砂的用量,取1557 kg/㎥根据砂浆稠度为50~70mm,经试拌最佳稠度用水量为260Kg/m3初步配合比为水泥:砂:水=320:1557:260水灰比=0.81六、配合比的试拌与调整1:计算水泥砂浆试拌材料用量:按初步配合比试拌的水泥砂浆拌和物为12 L,各种材料用量为:水泥:3.84kg砂:18.68kg水:3.12kg2:实测工作性:按初步配合比拌制水泥砂浆拌和物,其稠度测定值:(70mm)(68mm)平均值:( 70mm ),实测容重:2160 Kg/m3(≥1900Kg/m3),分层度:25㎜,分层度:(≤30mm),满足施工要求。
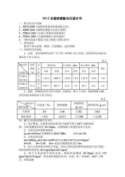
M7.5水泥砂浆配合比设计书一、配合比设计依据1、JGJ70-2009《建筑砂浆基本性能试验方法》2、JGJ98-2000《砌筑砂浆配合比设计规程》3、JTJE42-2005《公路工程集料试验规程》4、JTJ041-2000《公路桥涵施工技术规范》5、《麻竹高速大随段土建工程施工招标文件》二、使用部位拟用于排水系统、锥坡、台前铺砌、边沟挡墙。
三、原材料技术指标1、水泥采用葛洲坝水泥厂生产的三峡P.C 32.5水泥,经检验其各项技术指标如下表1所示:2、集料细集料采用马坪天然砂,经检验,属于Ⅰ区砂,细度模数3.46。
其各项技术指标如下表2所示:1、设计要求:①要求水泥砂浆28天强度不低于M7.5的配制强度。
②砂浆稠度控制在30~50mm。
③现场施工质量控制水平良好。
2、计算水泥砂浆配制强度f m,0=f2+0.645σ=7.5+0.645*1.88=8.7MPa 查表σ=1.883、计算水泥用量Qc=1000(f m,0-β)/α*fce =1000*(8.7+15.09)/3.03*32.5=242kg/m3α=3.03 β=-15.09 fce—水泥实测强度取32.5 MPa4、每立方米砂浆中的砂子用量,应按干燥状态的堆积密度值作为计算值。
黄砂的堆积密度为1655 kg/m3Qc=1655 kg/m35、每立方米砂浆中的用水量,根据砂浆稠度30~50mm选用270 kg/m3,Qw=270 kg/m3。
即水泥砂浆配合比为:水泥:砂:水=242:1655:270 五、砂浆试配根据计算水泥砂浆配合比试配其稠度为40mm,满足设计要求。
将水泥用量按水泥:砂:水=266:1655:270六、水泥砂浆配合比确定M7.5水泥砂浆配合比试验室配合比为:水泥:砂:水=266:1655:270现场施工根据砂的含水率和砂浆稠度调整用水量控制施工配合比。
M7.5水泥砂浆配合比设计书一、工程名称:路基工程二、使用部位:浆砌片石、护肩、边沟、截水沟、急流槽等三、设计强度等级:M7.5四、设计砂浆稠度:30-50㎜五、设计砂浆分层度:≯30㎜六、设计要素1.设计依据依据设计文件要求及JGJ/T 98-2010砌筑砂浆配合比设计规程。
2.所用原材料的产地与规格:(1)水泥:P.C 32.5(2)细集料:中砂(4)水:当地饮用水七、配合比计算过程1.计算试配强度:f m.o=k f2=1.5*7.5=11.3MPa (k值根据JGJ/T 98-2010规程表5.1.1施工水平差查得)2.计算单位水泥用量Q c=1000(f m.o-β)/α·f ce=1000*(11.3 +15.09)/3.03·32.5=268kg/m3α、β——砂浆的特征系数,其中α=3.03, β=-15.09f ce=у·f ce,k =1.0·32.5=32.5 MPa, у=1.0为强度等级值的富余系数,无统计资料时的取值3.每立方米砂浆中的砂子用量,按其干燥状态的堆积密度值作为计算值,取1532 kg/m34.选取用水量,根据JGJ/T 98-2010规程,选取用水量为250 kg/m35.由以上,确定初步计算配合比基准配合比水泥:河砂:水=268:1532:270………….①水泥用量加10% 水泥:河砂:水=295:1532:270………….②水泥用量减10% 水泥:河砂:水=241:1532:270………….③八.试拌调整、确定试验室理论配合比1.按基准配合比拌和砂浆10L时,称取各种材料用量如下:经拌和砂浆稠度为40㎜,分层度为12㎜,符合设计要求。
2.按水泥用量加10%拌和砂浆10L时,称取各种材料用量如下:经拌和砂浆稠度为50㎜,分层度为11㎜,符合设计要求。
3.按水泥用量减10%拌和砂浆10L时,称取各种材料用量如下:经拌和砂浆稠度为45㎜,分层度为14㎜,符合设计要求。
M7.5 砌筑砂浆配合比设计说明书一.配合比参数 1. 设计强度:M7.5 砌筑砂浆。
2. 施工稠度:要求5070mm。
3. 用途:主要用于漳州招银疏港高速公路A2 合同段砌筑工程。
二. 配合比设计依据《砌筑砂浆配合比设计规程》JGJ98-20001、《公路工程集料试验规程》JTG E42-20052、《公路工程水泥及水泥混凝土试验规程》JTG E30-20053、《公路桥涵施工技术规范》JTJ041-20004、《建筑砂浆基本性能试验方法标准》JTJ/T 70-20095、三、原材料的技术性能:1、水泥:漳平红狮水泥有限公司生产的红狮牌P.C32.5 水泥。
2、砂:安达料场的中砂,砂的细度模数为 2.91,堆积密度为1455Kg/m3,含泥量为 2.1。
3、水:饮用水。
四、配合比组成材料用量的确定: 1.确定配制强度根据现场施工水平强度标准差选定为 1.88Mpa m,计算每立方米砂浆水泥o20.645×σ 7.50.645×1.88 8.7 Mpa 2.用量:Qc 水泥强度为32.5 Mpa,砂浆特征系数A3.03,B-15.09。
Qc(1000×m,o-1000×-B)/(A×32.5)(1000×8.71000×15.09)/(3.03×32.5)242 kg 施工水平所限,采用水泥用量为298 ㎏,即Qc298 ㎏做基准配合比。
3、确定单位用砂量: 根据砂试验,砂的堆积密度为1455kg/ m3 确定每立方米砂浆中的砂子用量S 1455 kg4、确定用水量根据设计砂浆稠度为50-70mm,经多次试拌当W 310 ㎏时,砂浆稠度可以控制在50—70 ㎜范围内,可以满足。
M7.5水泥砂浆配合比设计说明
一、设计说明
M7.5水泥砂浆用护栏、挡墙、台身、铺砌、跌井,稠度50~70mm
二、设计依据
1.《砌筑砂浆配合比设计规程》JGJ98-2010 2.《建筑砂浆基本性能试验方法标准》JGJ/T70-2009
?m,0=κ?2=1.25×7.5=9.4MPa
2.水泥用量计算
QC=1000(?m,0-β)/(α·?ce)
=1000×(9.4+15.09)/(3.03×32.5)
=249㎏
根据经验适当调整,初步确定水泥用量为300Kg。
式中?ce-水泥实测强度(MPa),精确至0.1Mpa;此处取32.5MPa
α、β-为砂浆的特征系数,其中α取3.03,β取-15.09
3.每立方米砂浆中的砂用量,按干燥状态(含水率小于0.5%),的堆积密度作为计算值;砂
的实测自然堆积密度值1605kg/m3。
4.每立方米砂浆中的水用量,可根据砂浆稠度等要求选用270~330kg;此处根据砂浆细度
模数及石粉含量取310kg。
注:表观密度精确到10Kg/m3。
八、水泥砂浆力学性能试验
表5砂浆的抗压强度(MPa)
七、通过试验确定基准配合比为水泥270kg,砂1605kg,水270kg。
表6基准配合比确定。
安仁县永乐江沿江风光带项目砂浆配合比设计说明书标号:M7.5#施工单位:金光道建设工程集团公司监理单位:深圳市恒浩建工程项目管理有限公司目录一、M7.5#砂浆配合比设计说明书及配合比试验报告二、水泥性能试验报告三、砂原材料性能试验报告砂浆配合比设计书设计标号 M7.5#标准:JGL98-2000/J65-2000一、概述1、使用部位:防护工程及附属工程砌筑等2、原材料来源及性能参数配制强度等级为M7.5,稠度50 – 70mm水泥:衡南南方水泥有限公司 P.C 32.5级河砂:郴州安仁,细度模数为2.94,属中粗砂,含泥量为0.39%,表观密度2570kg/m3,堆积密度为1580kg/m33、制作与养生方法:把用于砂浆配置的多种原材料混合并人工搅拌均匀,性能测试结束符合规范要求后,制作试件,将试件放在振动平台上振实成型,24小时后拆模,再放入标准恒温恒湿养护室里进行养生。
二、配合比参数的初步确定f m,01、试配强度f m,0=f m,k+0.645σ=7.5+0.645×1.88=8.7MPa2、水泥用量的确定根据设计规程,查表5.2.1可知,取水泥用量C=330kg3、用水量的确定按JGJ98-2000 表5、2、1得 W=270kg4、砂用量的确定为其堆积密度S=1580kg5、每立方砂浆材料质量比的初步确定水泥:砂:水=330:1580:270=1:4.79:0.826、配合比试拌与调整按初步配合比,取0.01m3砂浆的材料用量进行试拌,各材料用量为:水泥:砂:水=3.3:15.8:2.7三、配合比调整与试验室配合比的确定:1、为了便于比较,增加两个关联配合比及基准配合比列于下表:不同水灰比的砂浆强度值2、确定试验室配合比:根据砂浆的强度结果,确定M7.5#砂浆试验配合比为: 水泥 : 砂 : 水=330 : 1580 : 270= 1 :4.79 : 0.82。
砂浆配合比设计计算书实验批号:试验编号:一、设计依据1、《砌筑砂浆配合比设计规程》(JGJ/T98-2010)二、设计要求1、强度等级:M7.52、砂浆种类:水泥砂浆3、砂浆稠度:50-70mm4、保水率(%):≥80三、使用部位砌筑四、原材料1、水泥:广东强盛水泥。
P.O 42.5水泥;2、细集料:白云区砂场,细度模数,堆积密度kg/m3,,表观密度g/cm3。
含泥量%,空隙率%;3、水:饮用水;五、配制强度计算1、f m,o= k f2根据《砌筑砂浆配合比设计规程》(JGJ/T98-2010)、k=1.20由此可得:f m,o= k f2 =1.2×5.0=9.0Mpa;2、计算单位水泥用量Q c=1000(f m,o-β)/α*f ce其中α=3.03,β=-15.09f ce=γ*f ce,k=1.0*42.5=42.5Mpa;由此可得:Q c=1000(f m,o-β)/α*f ce=1000*(9.0+15.09)/3.03*42.5=187kg;3、计算单位砂用量根据《砌筑砂浆配合比设计规程》(JGJ/T98-2010)中的要求,每立方米砂浆中的砂用量,应按干燥状态的堆积密度作为计算值,则:Q s= kg;4、确定单位用水量根据《砌筑砂浆配合比设计规程》(JGJ/T98-2010),每立方米砂浆用水量宜在270-330kg之间,且砂浆设计稠度为50-70mm。
因此,单位用水量Q w选定为kg;则:Q w= kg;5、确定初步配合比由以上计算可得出砂浆的初步配合比为:C : S : W= : :六、试拌1、根据计算出的初步配合比C : S : W= 进行试拌,实际用水280 kg并对砂浆进行检测,得出砂浆稠度为mm;保水率为容重为kg/m3,砂浆稠度符合设计满足施工要求。
因此调整后的配合比如下:C : S : W=2、计算另两个配合比根据计算出的基准配合比,另外两个配合比为在基准配合比的基础上分别减少水泥用量的10%,由此可得:#配合比经过试拌后,对砂浆进行检测,稠度为mm;实测容重为kg/m3。
M7.5砂浆配合比设计说明书一、设计依据1、 JGJ/T98-2010 《砌筑砂浆配合比设计规程》2、 JTG/T F50-2011 《公路桥涵施工技术规范》3、JTG E42-2005 《公路工程水泥及水泥混凝土试验规程》4、JTG E30-2005 《公路工程集料试验规程》二、设计指标该砂浆用于路基桥涵等砌筑工程施工,设计标号M7.5,设计稠度30~50mm。
三、原材料品种规格及质量1、原材料品种规格及产地水泥:P.O 42.5,产地:舟山宇锦细集料:淡化砂产地:马岙砂厂细砂。
水:自来水无杂质2、细集料试验汇总细集料各项指标试验结果汇总表(表二)3、水泥试验汇总p.o42.5级水泥各项指标试验结果汇总表(表三)四、配合比计算与确定1、计算砂浆配制强度f m,o查表选σ=1.88,K=1.20F m,o=k f2 =1.20×7.5=9.0Mpa2、计算水泥用量Q CQ C=1000(F m,o-β)/(αf ce)=1000(9.0+15.09)/(3.03×42.5)=187kg,式中水泥富余系数f ce取1.0,,,f ce=42.5×1.0=42.5Mpa,α=3.03,β=-15.09。
根据计算结果结合以往的经验,选定水泥用量为280kg。
3、确定每立方米砂子用量实测砂子的堆积密度为1378kg/cm3。
4、确定用水量为340 kg/cm3。
五、确定基准配合比:按照计算确定的配合比试拌,试验检测砂浆稠度为45mm。
砂浆的保水性和粘聚性等工作性符合要求。
据此确定基准配合比为:水泥:砂:水280 :1350 :340水灰比为1.21。
六、确定室内配合比1、试配以计算得到的基准配合比为基准,分别采用三组不同的水泥用量进行对比:270、280、290,用水量340kg,进行试拌。
分别检测砂浆拌合物的稠度等工作性。
制做砂浆试件检测砂浆抗压强度。
三组配合比材料质量比:水灰比1.26 水泥:砂:水270 :1350 :340水灰比1.21 水泥:砂:水280 :1350 :340水灰比1.17 水泥:砂:水290 :1350 :340经试拌,三个配合比的砂浆工作性均符合要求。
M7.5砌筑砂浆配合比设计说明书
一、配合比参数
1、设计强度:M7.5砌筑砂浆。
2、施工稠度:要求30-50mm。
3、用途:主要用于309国道宜川过境公路改建工程LJ-1标段砌筑工程。
二、配合比设计依据
1、《砌筑砂浆配合比设计规程》JGJ/T98-2010
2、《公路工程集料试验检测规程》JTG E42-2005
3、《公路工程水泥及水泥混凝土试验规程》JTG E30-2005
4、《公路桥涵施工技术规范》JTG/T F50-2011
5、《建筑砂浆基本性能试验方法标准》JTJ/T 70-2009
三、原材料技术性能
1、水泥:冀东水泥铜川有限公司,型号P.O42.5。
2、砂:西安市灞桥砂厂中砂。
3、水:饮用水。
四、配合比组成材料用量的确定:
1、确定配合比强度
根据现场施工水平k值为1.20
f m,0=kf2
=1.20×7.5
=9.0Mpa
2、计算每立方米砂浆水泥用量:Qc
水泥等级为42.5Mpa,砂浆特征系数α=3.03,β=-15.09。
Qc=1000(f m,0-β)/(α×f ce)
=1000×(9+15.09)/(3.03×42.5)
=187kg
施工水平有限,采用水泥用量为320kg,即Qc=320kg做基准配合比。
3、确定单位用砂量:
根据砂试验,砂的堆积密度为1530kg/m3确定每立方米砂浆中的砂子用量S=1530kg
4、确定用水量
根据设计砂浆稠度为30-50mm,经多次试拌当w=260kg时,砂浆稠度可控制在30-50mm范围内,可满足施工要求。
即基准配合比为
水泥:砂:水=320:1530:260=1:4.78:0.81
6、将拌合物拌合均匀后,进行稠度试验,测得稠度为40mm,满足设计稠度30-50mm的要求。
按照《砌筑砂浆配合比设计规程》
JGJ/T98-2010,按基准配合比水泥用量增加及减少10%,在保准稠度、分层度合格的条件下,可将用水量做相应调整。
计算方法与基准配合比的计算方法相同,计算配合比结果见表1。
三种不同水泥配合比材料用量
表1
根据试验结果得出序号为2的配合比满足试配强度及施工要求,故选用水泥:砂:水=320:1530:260的配合比。