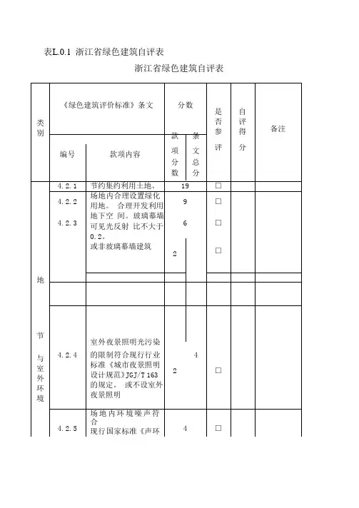
表K.0.1 浙江省绿色建筑设计表
- 格式:doc
- 大小:148.50 KB
- 文档页数:11
'*表K.0.1 项目编号:浙江省民用建筑绿色设计表项目名称建设单位(盖章)设计单位(盖章)设计负责项目设计项目校对项目审核填表时间浙江省住房和城乡建设厅制二〇一六年五月一、工程基本情况项目名称建设单位建设地点建筑类型□住宅☑公建建筑面积m2☑新建□改扩建地上建筑面积m2地下建筑面积m2建筑高度 m 建筑容积率建筑层数地上层地下层公建节能分类☑甲类建筑□乙类建筑□丙类建筑设计使用年限结构安全等级抗震设防类别抗震设防烈度结构形式空调形式项目投资(万元)可达绿色建筑设计标识等级(参照GB/T50378)☑无□一星级□二星级□三星级二、关键指标设计汇总指标单位填报数据(小数点后保留两位) 用地面积万m2建筑总面积万m2地下建筑面积m2地下面积比%透水地面面积比%建筑总能耗tce/a单位面积能耗kWh/m2a节能率%非传统水量M3/a用水总量M3/a 非传统水源利用率%建筑材料总重量t可再循环材料重量t可再循环材料利用率%可再利用材料重量t可再利用材料使用率%绿地率% 可再生能源总量tce/a 可再生能源使用比例%可再生能源产生的热水量M3/a 建筑生活热水量M3/a 可再生能源产生的热水比例% 可再生能源发电量万kWh/a 建筑用电量万kWh/a 可再生能源产生发电比例%主要能耗品种及耗能量变压器总容量(kVA)主要场所照明功率密度值(W/m2)燃气种类燃气设计总耗量(Nm3/h)燃油种类燃油设计总耗量(t/h)燃煤种类燃煤设计总耗量(t/h)热力种类热力设计总耗量(t/h)年能耗设计总量(tce)单位面积能耗设计指标(tce/(m2.a)建筑分项能耗耗能系统设计年耗能量(tce)分项能耗占总能耗百分比暖通空调系统照明、插座生活热水系统生活给水系统厨房炊事系统电梯等运输系统其他其它指标说明:1kwh=3.6*106J,1tce=29.3*109J,1tce=8.14*103kwh三、工程概况(工程性质、工程投资、用地面积、建筑面积、结构形式、开发与建设周期、解决的主要技术问题等情况)四、绿色设计内容简介绿色设计策划项目定位:建设目标:设计方案概述:技术策略:前期调研:其它:规划设计场地规划及选址情况:场地资源利用情况:用地指标:周边公共服务设施:出入口公共交通:室外环境(声、热、光、风):场地雨水规划方案:景观绿化等:透水地面:既有建筑利用:地下空间利用:其它:建筑设计被动节能设计策略:适宜的建筑朝向和体形:无障碍设计:可再生能源与建筑一体化:空间合理利用:日照和天然采光:自然通风:围护结构:(居住建筑和公共建筑围护结构节能设计应按现行国家或地方标准填写相关表格)室内环境:室内空气质量:建筑工业化及部品化:延长建筑寿命:其它:结构设计与建筑材料建筑结构体系节材策略:预拌混凝土使用:高性能混凝土及高强度钢筋使用:建筑废弃物回收利用:可循环材料和再生材料的使用:土建装修一体化设计施工:再生骨料建材使用其它:暖通空调设计属地化室内设计参数:冷热负荷分析计算:空调冷热源:输配系统(供回水系统等):末端系统:通风换气系统:自动控制系统:其它:给水排水设计水系统规划设计:节水措施:非传统水源利用:绿化灌溉:其它:建筑电气设计供配电系统:照明:电气设备节能措施:建筑设备监控系统:能耗监测系统:其它:可再生能源利用汇总可再生能源种类应用规模(m2)应用总量(kW)理论年节煤能力(tce)太阳能光热太阳能光伏太阳能光诱导土壤源热泵地表水水源热泵(含淡水、海水)空气能热泵热水系统风力发电生物质能利用其它说明余热废热利用及其他新能源利用汇总余热废热利用及其他新能源种类应用规模(m2)应用总量(kW)理论年节煤能力(tce)排风能量热回收冷凝热回收热电及其他工艺余热废热室外免费能源技术天然采光技术其它说明五、设计创新点、推广价值和综合效益分析项目创新点项目推广价值综合效益分析六、补充设计说明情况'*。
表J.0.1 项目编号:__________________浙江省民用建筑绿色设计表
项目名称________________________
建设单位________________________(盖章)
设计单位________________________(盖章)
设计负责________________________
项目设计________________________
项目校对________________________
项目审核________________________
填表时间________________________
浙江省住房与城乡建设厅制
二0一三年九月
表J、0、2 浙江省居住建筑围护结构节能设计表
浙江省居住建筑围护结构节能设计表
续表
审查结论与意见:
通过围护结构热工性能得权衡判断,该工程得全年能耗未超过参照建筑物得全年能耗,满足《夏热冬冷地区居住建筑节能设计标准》(JGJ134-2010)与《浙江省民用建筑节能设计技术管理若干规定》(2009-218文件)对节能建筑得规定及要求。
审查单位(章): 负责人: 审查人:
日期:______年____月____日表J、0、3 浙江省公共建筑围护结构节能设计表
浙江省公共建筑围护结构节能设计表
续表
审查结论与意见:
通过围护结构热工性能得权衡判断,该工程得全年能耗未超过参照建筑物得全年能耗,满足《浙江省公共建筑节能设计标准》(DB33/1036-2007)与《浙江省民用建筑节能设计技术管理若干规定》(2009-218文件)对节能建筑得规定及要求。
审查单位(章): 负责人: 审查人:
日期:______年____月____日。
表J.0.1 项目编号:__________________浙江省民用建筑绿色设计表项目名称________________________建设单位________________________(盖章)设计单位________________________(盖章)设计负责________________________项目设计________________________项目校对________________________项目审核________________________填表时间________________________浙江省住房和城乡建设厅制二0一三年九月表J.0.2 浙江省居住建筑围护结构节能设计表浙江省居住建筑围护结构节能设计表续表审查结论与意见:通过围护结构热工性能的权衡判断,该工程的全年能耗未超过参照建筑物的全年能耗,满足《夏热冬冷地区居住建筑节能设计标准》(JGJ134-2010)和《浙江省民用建筑节能设计技术管理若干规定》(2009-218文件)对节能建筑的规定及要求。
审查单位(章):负责人:审查人:日期:______年____月____日表J.0.3 浙江省公共建筑围护结构节能设计表浙江省公共建筑围护结构节能设计表气密性指标外窗:6 幕墙:3 可开启面积外窗:幕墙:续表围护结构热工性能的权衡判断参照建筑在规定条件下的全年采暖和空气调节能耗年能耗(kWh)单位能耗(kWh/m2)设计建筑在相同条件下的全年采暖和空气调节能耗工程总负责人审定审核建筑暖通院审建筑专业审查人暖通专业审查人年月日审查结论与意见:通过围护结构热工性能的权衡判断,该工程的全年能耗未超过参照建筑物的全年能耗,满足《浙江省公共建筑节能设计标准》(DB33/1036-2007)和《浙江省民用建筑节能设计技术管理若干规定》(2009-218文件)对节能建筑的规定及要求。
审查单位(章):负责人:审查人:日期:______年____月____日。
附录J 浙江省民用建筑绿色设计表J.0.1浙江省民用建筑绿色设计应填写表J.0.1。
表J.0.1 项目编号:浙江省民用建筑绿色设计表项目名称宁波市杭州湾医院工程建设单位宁波市杭州湾新区开发建设有限公司(盖章)设计单位深圳市建筑设计研究总院有限公司(盖章)设计负责项目设计项目校对项目审核填表时间浙江省住房和城乡建设厅制二〇一三年九月非传统水量M3/a 10939用水总量M3/a 455564 非传统水源利用率% 0.02%建筑材料总重量t 360487.36 可再循环材料重量t 15486.40 可再循环材料利用率% 4.30可再利用材料重量t 0.00 可再利用材料使用率% 0.00 绿地率% 30.40% 可再生能源总量tce/a可再生能源使用比例%可再生能源产生的热水量M3/a 29869 建筑生活热水量M3/a 110547 可再生能源产生的热水比例% 27.02% 可再生能源发电量万kWh/a建筑用电量万kWh/a可再生能源产生发电比例%主要能耗品种及耗能量变压器总容量(kVA)13100主要场所照明功率密度值(W/m2)治疗室、诊室:≤8W/m2;药房:≤13.5;病房:≤4.5。
燃气种类天然气燃气设计总耗量(Nm3/h)606.13 燃油种类无燃油设计总耗量(t/h)无燃煤种类无燃煤设计总耗无量(t/h)热力种类无热力设计总耗量(t/h)无年能耗设计总量(tce)7522.94 单位面积能耗设计指标(tce/(m2.a))0.0383建筑分项能耗耗能系统设计年耗能量(tce)分项能耗占总能耗百分比暖通空调系统2955.32 39.28%照明、插座1116.80 14.85%生活热水系统898.51 11.94%厨房炊事系统1142.46 15.19%电梯等运输系统273.18 3.63% 电器设备436.98 5.81% 其他699.70 9.30%其它指标说明:无三、工程概况(工程性质、工程投资、用地面积、建筑面积、结构形式、开发与建设周期、解决的主要技术问题等情况)1、项目建设单位为宁波杭州湾新区开发建设有限公司。
表J.0.1 项目编号:__________________浙江省民用建筑绿色设计表项目名称________________________建设单位________________________(盖章)设计单位________________________(盖章)设计负责________________________项目设计________________________项目校对________________________项目审核________________________填表时间________________________浙江省住房和城乡建设厅制二0一三年九月一、工程基本情况项目名称建设单位建设地点建筑类型□住宅□公建建筑面积m2□新建□改扩建地上建筑面积m2地下建筑面积m2建筑高度m 建筑容积率建筑层数地上_____层地下______层公建节能分类□甲类建筑□乙类建筑□丙类建筑设计使用年限结构安全等级抗震设防类别抗震设防烈度结构形式空调形式项目投资(万元)可达绿色建筑设计标识等级(参照GB/T 50378)□无□一星级□二星级□三星级二、关键指标设计汇总指标单位填报数据(小数点后保留两位)用地面积万m2建筑总面积万m2地下建筑面积m2地下面积比%透水地面面积比%建筑总能耗tce/a单位面积能耗kWh/m2a节能率%非传统水量m3/a用水总量m3/a非传统水源利用率%建筑材料总重量t可再循环材料重量t可再循环材料利用率%可再利用材料重量t可再利用材料使用率%绿地率%可再生能源总量tce/a可再生能源使用比例%可再生能源产生的热水量m3/a建筑生活热水量m3/a可再生能源产生的热水比例%可再生能源发电量万kWh/a建筑用电量万kWh/a可再生能源发电比例%主要能耗品种及变压器总容量(kVA )主要场所照明功率密度值(W/m2)燃气种类燃气设计总耗量(Nm3/h)耗能量燃油种类燃油设计总耗量(t/h)燃煤种类燃煤设计总耗量(t/h)热力种类热力设计总耗量(t/h)年能耗设计总量(tce)单位面积能耗设计指标(tce/(m2·a))建筑分项能耗耗能系统设计年耗能量(tce)分项能耗占总能耗百分比暖通空调系统照明、插座生活热水系统生活给水系统厨房炊事系统电梯等运输系统其他其它指标说明:三、工程概况(工程性质、工程投资、用地面积、建筑面积、结构形式、开发与建设周期、解决的主要技术问题等情况)四、绿色设计内容简介绿色设计策划项目定位:建设目标:设计方案概述:技术策略:前期调研:其它:规划设计场地规划及选址情况:场地资源利用情况:用地指标:周边公共服务设施:出入口出公共交通:室外环境(声、热、光、风):场地雨水规划方案:景观绿化等:透水地面:既有建筑利用:地下空间利用:其它:建筑设计被动节能设计策略:适宜的建筑朝向和体形:无障碍设计:可再生能源与建筑一体化:空间合理利用:日照和天然采光:自然通风:围护结构:居住建筑围护结构节能设计应填写表J.0.2;公共建筑围护结构节能设计应填写表J.0.3。
项目编号:表J. 0.1浙江省民用建筑绿色设计表项目名称_________________________建设单位_________________________ (盖章)设计单位_________________________ (盖章)设计负责_________________________项目设计_________________________项目校对_________________________项目审核_________________________填表时间_________________________浙江省住房和城乡建设厅制二o—三年九月项目创新点项目推广价值综合效益分析六、补充设讣阐明状况表J.0.2 浙江省居住建筑围护构造节能设计表浙江省居住建筑围护构造节能设计表续表审查结论与意见:通过用护构造热丄性能权衡判断,该工程全年能耗未超过参照建筑物全年能耗,满足《夏热冬冷地区居住建筑节能设计原则》(JGJ134-)和《浙江省民用建筑节能设计技术管理若干规定》(-218文献)对节能建筑规定及规定。
审查单位(章人负责人:审查人:日期:_____ 年—月—日表J.0.3 浙江省公共建筑围护构造节能设计表浙江省公共建筑围护构造节能设计表续表审查结论与意见:通过围护构造热工性能权衡判断,该工程全年能耗未超过参照建筑物全年能耗,满足《浙江省公共建筑节能设计原则》(DB3歹1036-)和《浙江省民用建筑节能设计技术管理若干规定》(-218文献)对节能建筑规定及规定。
审查单位(章):负责人:审查人:日期:_____ 年—月—日。
附录J 浙江省民用建筑绿色设计表J.0.1浙江省民用建筑绿色设计应填写表J.0.1。
表J.0.1 项目编号:浙江省民用建筑绿色设计表项目名称建设单位(盖章)设计单位(盖章)设计负责项目设计项目校对项目审核填表时间浙江省住房和城乡建设厅制二〇一三年九月1一、工程基本情况项目名称建设单位建设地点建筑类型□住宅☑公建建筑面积m2☑新建□改扩建地上建筑面积m2地下建筑面积m2建筑高度 m 建筑容积率建筑层数地上层地下层公建节能分类☑甲类建筑□乙类建筑□丙类建筑设计使用年限结构安全等级抗震设防类别抗震设防烈度结构形式空调形式项目投资(万元)可达绿色建筑设计标识等级(参照GB/T50378)☑无□一星级□二星级□三星级二、关键指标设计汇总指标单位填报数据(小数点后保留两位) 用地面积万m2建筑总面积万m2地下建筑面积m2地下面积比%透水地面面积比%建筑总能耗tce/a单位面积能耗kWh/m2a节能率%非传统水量M3/a用水总量M3/a 非传统水源利用率%建筑材料总重量t可再循环材料重量t可再循环材料利用率%可再利用材料重量t可再利用材料使用率%绿地率% 可再生能源总量tce/a 可再生能源使用比例%可再生能源产生的热水量M3/a 建筑生活热水量M3/a 可再生能源产生的热水比例% 可再生能源发电量万kWh/a 建筑用电量万kWh/a 可再生能源产生发电比例%主要能耗品种及耗能量变压器总容量(kVA)主要场所照明功率密度值(W/m2)燃气种类燃气设计总耗量(Nm3/h)燃油种类燃油设计总耗量(t/h)燃煤种类燃煤设计总耗量(t/h)热力种类热力设计总耗量(t/h)年能耗设计总量(tce)单位面积能耗设计指标(tce/(m2.a)建筑分项能耗耗能系统设计年耗能量(tce)分项能耗占总能耗百分比暖通空调系统照明、插座生活热水系统生活给水系统厨房炊事系统电梯等运输系统其他其它指标说明:1kwh=3.6*106J,1tce=29.3*109J,1tce=8.14*103kwh三、工程概况(工程性质、工程投资、用地面积、建筑面积、结构形式、开发与建设周期、解决的主要技术问题等情况)四、绿色设计内容简介绿色设计策划项目定位:建设目标:设计方案概述:技术策略:前期调研:其它:规划设计场地规划及选址情况:场地资源利用情况:用地指标:周边公共服务设施:出入口公共交通:室外环境(声、热、光、风):场地雨水规划方案:景观绿化等:透水地面:既有建筑利用:地下空间利用:其它:建筑设计被动节能设计策略:适宜的建筑朝向和体形:无障碍设计:可再生能源与建筑一体化:空间合理利用:日照和天然采光:自然通风:围护结构:1、居住建筑围护结构节能设计应填写表J.0.2;2、公共建筑围护结构节能设计应填写表J.0.3。