钣金加工零件有哪些成型方法
- 格式:doc
- 大小:23.50 KB
- 文档页数:1
钣金的加工工艺有哪些种类
钣金加工工艺有很多种类,常见的有以下几种:
1. 切割:使用切割机械对钣金材料进行切割,常用的方法包括剪切、激光切割、等离子切割和火焰切割等。
2. 弯曲:通过对钣金材料施加压力,使其弯曲成所需的形状。
常见的方法有手工弯曲、机械弯曲和液压弯曲等。
3. 冲孔:使用冲床等设备对钣金材料进行冲孔,以形成所需的孔洞和凹凸形状。
4. 压制:将钣金材料放在压力机械上,通过受力压制而改变其形状。
常见的压制方法有冲压、拉伸和压铸等。
5. 滚压:将钣金材料放入滚压机中,通过滚动压制来改变其形状和表面特性。
6. 焊接:使用焊接设备将两个或多个钣金材料的接头焊接在一起,常见的方法有焊接、点焊、激光焊接和电弧焊接等。
7. 粘接:使用胶水或胶带等材料将钣金材料的接头黏合在一起。
8. 表面处理:对钣金材料的表面进行处理,常见的方法有喷涂、电镀、抛光和
喷砂等。
这些是常见的钣金加工工艺种类,不同加工工艺适用于不同的应用领域和要求。
五种钣金成形工艺方法
钣金成形工艺方法包括剪板下料、冲裁、压延成型、拉深成型和校平。
1.剪板下料:在剪板上划线并打孔,然后用剪刀沿着划线把材料剪成所需的形状。
2.冲裁:是指用激光切割或数控冲床对工件进行冲孔的工艺过程。
3.压延成型:是应用最广的一种冲压方法。
其基本原理是利用金属塑性变形时体积不变的特点,通过施加外力使金属产生塑性变形而实现材料的分离与连接的目的。
4.拉深成型:利用凸模和凹模之间产生的摩擦力来控制零件的形状尺寸及精度的方法称为摩擦压力加工。
5.校平:将上一步得到的平面或弧面工件放在平台上进行校正使其成为符合要求的工件的方法为校直。
如需获取更具体的信息,建议咨询钣金加工行业的专业人员。
钣金成形工艺
钣金成形工艺是指通过对金属板材进行加工,将其变形成为特定形状和尺寸的工艺过程。
常用的钣金成形工艺包括剪切、冲孔、折弯、拉伸、压缩等。
1. 剪切:将金属板材通过剪切机具有相应形状的刀具剪成所需尺寸或形状。
2. 冲孔:通过冲孔机将金属板材冲出各种形状的洞孔或者其他的凹凸形状来满足生产的需要。
3. 折弯:使用折弯机或者手工操作将金属板材按照需要的角度或弧度进行折弯。
4. 拉伸:使用拉伸机将金属板材在一定范围内进行拉伸变形,实现板材的成形加工。
5. 压缩:通过坯料压缩机将板材进行卷制或者成型,将平板加工成曲面或者管形的组件。
随着科技的不断发展,钣金成形工艺也在不断的创新和完善,使得加工效率、成品质量、生产周期等方面得到了更好的提升和保障。
钣金零件的成形方法一、冲压零件的制造:冲压主要是利用冲压设备和模具实现对金属材料( 板材) 的加工分离工序:是指坯料在冲压力作用下变形部分的应力达到强度极限以后,使坯料发生断裂而产生分离分离工序主要有剪裁和冲裁等。
成形工序:指坯料在冲压力作用下,变形部分的应力达到屈服极限,但未达到强度极限,使坯料产生塑性变形成为具有定形状、尺寸与精度制件的加工工序。
成形工序主要有弯曲、拉深、翻边、旋压、胀形等。
1、冲裁:是一种封闭的剪切。
由相当于上剪刃的凸模下行并通过相当于下剪刃的凹模而完成冲裁。
冲裁按所用模具完成T 序的程度不同可分为单T 序模、连续模和复合模3 种。
单工序模:只有对凸、凹模每行程只完成个冲裁工序。
冲裁时模下行并与凹模相互用,完成冲裁。
导柱式冲裁模使用可靠精度高寿命长安装方便,在大量成批生中广泛采用。
连续模:是在毛坯的送进方向上具有两个或更多的工位次行程中在不同的工位上逐次完成两道或两道以上冲压工序每行程可获得个完整的多工序零件。
连续模比单工序模生产率高减少了模具和设备的数量工件精度高适用于大批生产的小型冲压件。
复合模:只有一个工位,一次行程中在同一工位上同时完成两道或两道以上冲压工序。
复合模按照结构分正装式复合模和倒装式复合模。
正装式复合模凸凹模在上冲孔凸模和落料凹模在下。
而倒装式复合模正好相反。
复合模生产率高但结构复杂成本高适用于生产批量大、精度要求高的零件。
2、弯曲:将平直板材或管材等型材的毛坯或半成品,用模具或其他工具弯成具有定曲率和定角度的零件的加工成形方法。
压弯:在压力机上压弯工具作直线运动的弯曲卷弯或滚弯:一些专用设备上弯曲成形工具作旋转运动的弯曲。
弯曲的主要问题是回弹。
弯曲过程是弹性和塑性变形兼有的变形过程,由于外层纤维受拉,内纤维受压,卸载后产生角度和曲率的回弹。
3、拉深:在凸模的作用下将平板毛坯变成开口空心零件的过程。
影响拉深顺利进行的主要问题是突缘起皱与筒壁拉裂。
外皱:是在拉深过程中凸缘受切向压应力失稳而产生的。
钣金件的加工方式钣金件是针对金属薄板(一般在6mm以下)使用综合冷加工工艺,冷却形成后所需要的件。
加工工艺包括剪、冲、切、复合、折、焊接、铆接、拼接、成型等。
按钣金件的基本加工方式,如下料、折弯、拉伸、成型、焊接。
1.下料下料根据加工方式的不同,可分为普冲、数冲、剪床开料、激光切割、风割,由于加工方法的不同,下料的加工工艺性也有所不同。
钣金下料方式主要为数冲和激光切割。
2.折弯材料弯曲时,其圆角区上,外层收到拉伸,内层则受到压缩。
当材料厚度一定时,内r越小,材料的拉伸和压缩就越严重;当外层圆角的拉伸应力超过材料的极限强度时,就会产生裂缝和折断,因此,弯曲零件的结构设计,应避免过小的弯曲圆角半径。
3.拉伸拉伸件底部与直壁之间的圆角半径应大于板厚,即r1≥t 。
为了使拉伸进行得更顺利,一般取r1=(3~5)t,圆角半径应小于或等于板厚的8倍,即r1≤8t。
拉伸件由于各处所受应力大小各不相同,使拉伸后的材料厚度会发生变化。
一般来说,底部中央保持原来的厚度,底部圆角处材料变薄,顶部靠近凸缘处材料变厚,矩形拉伸件四周圆角处材料变厚。
4.成型在板状金属零件上压筋,有助于增加结构刚性,百叶窗通常用于各种罩壳或机壳上起通风散热作用,其成型方法是借凸模的一边刃口将材料切开,而凸模的其余部分将材料同时作拉伸变形,形成一边开口的起伏形状。
5.焊接焊接方法主要有电弧焊、电渣焊、气焊、等离子弧焊、熔化焊、压力焊、钎焊,钣金产品焊接主要为电弧焊、气焊。
电弧焊具有灵活、机动,适用性广泛,可进行全位置焊接;所用设备简单、耐用性好、维护费用低等优点。
但劳动强度大,质量不够稳定,决定于操作者水平。
适用焊接3mm以上的碳钢、低合金钢、不锈钢和铜、铝等非铁合金气焊火焰温度和性质可以调节,于弧焊热源比热影响区宽,热量不如电弧集中,生产率低,应用于薄壁结构和小件的焊接,可焊钢,铸铁,铝,铜及其合金,硬质合金等。
钣金零件成型工艺及设计分析1 前言钣金零件是指通过钣金加工,即金属毛料通过手工或模具施加压力而产生塑性变形,达到所希望形状和尺寸而形成的零件。
按照原材料供应状态的不同,飞机钣金零件可分为挤压型材零件、板材零件及管材零件,分别由型材、薄板及管材通过相关成型工艺制作而成。
挤压型材零件主要适用于长桁、缘条、梁、支柱、连接角片类型材零件,按照型材原材料及零件特征,制造时可按照自身工艺能力选择闸压、滚弯、绕弯及拉弯工艺中的一种或几种进行。
板材零件主要适用于平板、蒙皮、框肋、口盖及整体壁板等类型零件,其主要成型工艺有闸压、液压、滚压、拉形及型辊成型。
管材零件主要适用于液压系统、氧气系统、燃油系统、空调系统中使用的各种导管以及部分管材结构零件。
钣金零件主要成型及制造方法包括冲切、剪切、铣切、闸压、液压、滚压、绕弯、拉弯、拉形及型辊成型。
2 钣金零件设计要求钣金零件设计时,所选的材料不但要考虑其使用性能(如强度、耐疲劳、抗腐蚀等),同时必须考虑材料的可成形性、材料供应商可提供金属材料的品种和规格以及零件制造供应商的设备加工能力;考虑材料性能、热处理状态及零件构型等因素,如可能,最好将零件设计成具有多种成型方法可供选择的零件。
2.1 设计时材料要求设计时应先了解适用材料的性能及其设计特性。
航空钣金零件中,最常用的材料是铝合金,其次是耐蚀钢、低合金钢及钛合金。
最终选择的材料应能保证零件满足其服役状态要求,并能最大限度地节约成本。
选材时,主要考虑以下因素。
(1)考虑材料对具体制造工艺的适用性及相关制造成本。
(2)考虑制造过程中加工硬化的速率。
(3)在满足强度要求的基础上考虑材料的成形特性。
(4)一般情况下,强度越高的零件越难成形。
(5)选择适航部门批准的材料。
(6)由于硬质合金(如镍、铁及钛合金)成型能力限制,应避免该类材料设计成小公差零件。
(7)沉淀硬化钢应在软状态成形,然后热处理至使用状态。
(8)如果可能,保证弯曲半径尽可能大,通常情况下,硬质合金应选择高温热成形以防止零件产生破裂。
钣金加工—成型篇钣金件造型中常用的成型工艺钣金件的成型工艺主要以折弯、拉伸、旋压、特种成型等为主。
其中生产过程中,最为常用的主要是折弯和拉伸工艺。
同时,也是车身生产过程中最常用的部件成型工艺。
在部件生产过程中,简单的采用折弯或拉深工艺,都会使得产品外观显得精糙,质量满足不了工艺要求,如何将二者有机结合,通过互补达到良好的产品要求,就需要对成型工艺做进一步研究和分析,总结所成型产品的造型特点,灵活运用加工技巧,从而加工出造型满足工艺要求的部件。
折弯工艺是通过将板材、型材、管材等基础材料在外力作用下,变形弯曲到设计要求的曲度或角度,从而形成所加工零件的一道工序。
在材料经过折弯加工后,在折弯处形成一个圆角R,此圆角R的大小,决定了折弯加工过程中曲面弯曲的程度。
折弯时要首先要根据图纸上的尺寸,材料厚度确定折弯时用的刀具和刀槽,避免产品与刀具相碰撞引起变形是上模选用的关键(在同一个产品中,可能会用到不同型号的上模),下模的选用根据板材的厚度来确定。
其次是确定折弯的先后顺序,折弯一般规律是先内后外,先小后大,先特殊后普通。
拉深工艺是冲压工艺的一种,是指将平板毛坏或杯形毛坏在凸模作用下拉入凹模型腔形成开口空心零件的成形工艺方法。
拉深也称压延,是板金成形的基础性工艺。
用拉深成形可以制成筒形,阶梯形、锥形、半球形、盒形和其它不规则形状的立体空心零件。
拉深零件的尺寸范围很宽,直径小至1mm,大至2 m~3 m。
拉深加工的对象广泛,材料品种繁多。
因此,在日用品、电器元件、机械零件、飞机结构件和汽车要件的成形中,有着广泛的应用。
拉深工艺生产效率高,产品尺寸均匀一致,表面光洁,可实现机械化、自动化,适合大批量生产,成本低广泛应用于航空、汽车、仪器仪表、电器等工业部门和生活日用品的生产。
钣金加工零件可以通过哪些常用的方式成形?
钣金加工这个名词倒是经常听说,但它的定义具体是什么,以及过程中钣金是如何成形的,等方面都存在疑问。
像这么专业的问题还是让无锡钣金加工厂家来介绍一下吧。
钣金是加工工艺中的一种,主要是针对金属薄板并且其厚度均一的综合冷加工,使的加工成形的零件可以满足使用的需求。
在我们生产的周围就有很多钣金加工而成的零件,最为典型的就是各种电器柜。
钣金成形通常可以通过两种方法实现,一种是变形法,另一种是分离法。
前一种工艺的特点就是板料受外力作用后,应力会超越屈从极限,但低于强度极限,最终经塑性变形后成所需的形状,这其中包括曲折、拉延、扭转等。
后一种成形方式中板料也需要受到外力的作用,但是过大的应力会使得板料发作剪裂而分离,从而得到最初的形态。
不管是哪种方式,实际上都是将钣金的平坦区曲折某一视点、圆弧状、拉伸、改变等成型的进程。
钣金加工工艺介绍1简介1.1简介按钣金件的基本加工方式,如下料、折弯、拉伸、成型、焊接。
本规范阐述每一种加工方式所要注意的工艺要求。
1.2关键词钣金、下料、折弯、拉伸、成形、排样、最小弯曲半径、毛边、回弹、打死边、焊接2下料下料根据加工方式的不同,可分为普冲、数冲、剪床开料、激光切割、风割,由于加工方法的不同,下料的加工工艺性也有所不同。
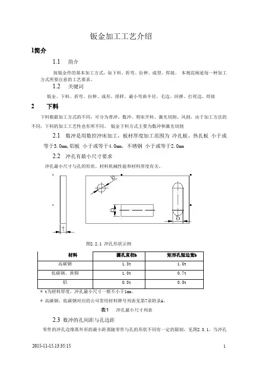
钣金下料方式主要为数冲和激光切割2.1数冲是用数控冲床加工,板材厚度加工范围为冷扎板、热扎板小于或等于3.0mm,铝板小于或等于4.0mm,不锈钢小于或等于2.0mm2.2冲孔有最小尺寸要求冲孔最小尺寸与孔的形状、材料机械性能和材料厚度有关。
图2.2.1冲孔形状示例材料圆孔直径b矩形孔短边宽b高碳钢 1.3t 1.0t低碳钢、黄铜 1.0t0.7t铝0.8t0.5t*t为材料厚度,冲孔最小尺寸一般不小于1mm。
*高碳钢、低碳钢对应的公司常用材料牌号列表见第7章附录A。
表1冲孔最小尺寸列表2.3数冲的孔间距与孔边距零件的冲孔边缘离外形的最小距离随零件与孔的形状不同有一定的限制,见图2.3.1。
当冲孔边缘与零件外形边缘不平行时,该最小距离应不小于材料厚度t;平行时,应不小于1.5t。
(图1.4)图2.3.1冲裁件孔边距、孔间距示意图2.4折弯件及拉深件冲孔时,其孔壁与直壁之间应保持一定的距离折弯件或拉深件冲孔时,其孔壁与工件直壁之间应保持一定的距离(图2.4.1)图2.4.1折弯件、拉伸件孔壁与工件直壁间的距离2.5螺钉、螺栓的过孔和沉头座螺钉、螺栓过孔和沉头座的结构尺寸按下表选取取。
对于沉头螺钉的沉头座,如果板材太薄难以同时保证过孔d2和沉孔D,应优先保证过孔d2。
表2用于螺钉、螺栓的过孔*要求钣材厚度t≥h。
表3用于沉头螺钉的沉头座及过孔表4用于沉头铆钉的沉头座及过孔2.6激光切割是用激光机飞行切割加工,板材厚度加工范围为冷扎板热扎板小于或等于20.0mm,不锈钢小于10.0mm。
v1.0 可编辑可修改
钣金加工零件有哪些成型方法
钣金加工除了采用机械制造也中普遍采用的冷冲压工艺之外,还有一些其他的特别的方式,橡皮液压成形、拉弯成形、喷丸成形:
1、橡皮液压成形:向装于容框中的橡皮胎内充高压液体,使之膨胀,从而推动毛料按照模胎的形状形成零件。
这样形成的零件准确度高,表面无压痕。
橡皮胎是一种通用的柔性凹模,所以在钣金加工的工作台上可以安放多个不同形状的模胎。
这种方法成本更低,生产效率高,一次循环之后就能够同时产出多个零件。
2、拉弯成形:先将型材毛料沿长度方向拉伸至屈服极限,然后保持拉力并使毛料按拉弯模的型面弯曲成形。
预先的拉伸可以有效地改变弯曲时毛料内部的应力分布,从而提高零件的成形准确度。
3、喷丸成形:利用压缩空气(或高速叶轮)使直径为~毫米的许多钢丸从喷嘴喷出。
高速弹流打击毛料的一侧表面,使表面层金属因受挤而面积加大,产生压应力,使毛料向未受弹丸打击的一面弯曲,成为曲面形状。
以上三种成形方法为企业很大程度上节约了成本,不仅有利于增强零件的疲劳强度,对实现高效率的生产也具有重要意义,极大推动了钣金加工的生产力的提升。
1。
以下为钣金的加工成型工艺,一起来看看吧。
钣金(通常是钢或铝材质)在建筑和制造业中起着重要的作用。
在建筑业中,它被用作建筑物和外壳或屋顶;在制造业中,钣金用于汽车零部件、重型机械等。
在制造钣金件时,制造商经常使用以下几种成形工艺。
卷边卷边是一种钣金成型工艺。
钣金最初生产后通常会带有“毛刺”的尖锐边缘,卷边目的是使锐利且粗糙的钣金边缘变得平滑,以符合项目的使用需求。
折弯折弯是另一种常见的钣金成形工艺。
制造商通常使用制动压力机或类似的机械压力机进行金属折弯,钣金被放置在模具上,冲头则向下压到钣金上,巨大的压力使钣金发生弯曲。
熨烫钣金也可以熨烫用以获得均匀的厚度。
例如,许多饮料罐是由铝制成的,铝金属板在原始状态下对于饮料罐来说太厚了,因此需要熨烫以使其更薄、更均匀。
激光切割激光切割已成为越来越普遍的钣金成型工艺。
钣金暴露在高功率高密度激光下,激光的热量使与之接触的钣金熔化或汽化,形成切割过程。
这是一种更快,更精确的切割方法,使用计算机数控激光切割机自动执行。
冲压冲压是一种常见的钣金成形工艺,使用冲压机和模具组在钣金上打孔。
加工时,钣金放置在冲头和模具之间,然后冲头向下压并穿过金属板,这样就完成了冲孔过程。
钣金零件加工成型的方法:金属板是指厚度均匀的薄金属板,通过一定的加工方法加工成符合使用要求的零件。
钣金成形:指将钣金的扁平部分以一定角度弯曲、成弧、拉伸、扭转的成形过程。
板材展开:是将成型后的板材展开成平面板材的过程。
钣金加工广泛应用于工业生产中。
钣金件的加工工艺是用手或用磨具将钣金件冲压变形,形成一定的形状和尺寸。
更复杂的零件可以通过焊接或机械加工来制造。
在钣金生产中,技术是指导钣金加工的关键。
因此,合理规范的零件加工工艺是提高钣金加工质量的关键。
钣金零件的成型方法有哪些?在实际生产中,除了冷压零件的一般加工外,还采用橡胶液压成形、拉伸成形和喷丸等特殊加工方法。
橡胶液压成型。
高压液体注入框架膨胀,使粗糙的材料推动零件形成模具形状。
钣金加工方法
钣金加工方法是一种常见的金属加工方法,主要用于制作各种零部件、机械设备、车辆等。
它涵盖了多种加工方式,如剪切、冲压、折弯、
焊接等。
下面将详细介绍这些方法。
一、剪切
剪切是将金属板材沿着一条直线切割成所需尺寸和形状的过程。
常用
的剪切方法有手动剪切和机械剪切两种。
手动剪切适用于小型板材的
加工,而机械剪切适用于大型板材和高精度要求的加工。
二、冲压
冲压是将金属板材通过模具在冲床上进行成形的过程。
常见的冲压方
式包括单向拉伸成形、多向拉伸成形和深拉伸成形。
其中深拉伸成形
是最常见的方式,可以制作出各种复杂形状的零部件。
三、折弯
折弯是将金属板材沿着一条直线或曲线进行弯曲成所需角度和形状的
过程。
常见的折弯方式包括手动折弯和机械折弯两种。
手动折弯适用
于小型板材的加工,而机械折弯适用于大型板材和高精度要求的加工。
四、焊接
焊接是将两个或多个金属材料通过熔化或压合等方式连接在一起的过程。
常见的焊接方式包括气焊、电弧焊、激光焊等。
不同的焊接方式
适用于不同类型和厚度的金属材料。
以上是钣金加工方法的主要内容,这些方法在实际生产中常常结合使用,以满足不同零部件和设备的加工需求。
钣金加工技术已经成为现
代制造业中不可或缺的一部分,其应用范围广泛,包括汽车制造、机
械制造、航空航天等领域。
如何根据钣金零件的形状选择最适合的成型工艺钣金加工是一种常见的金属加工方法,广泛应用于各个领域。
在进行钣金加工时,选择合适的成型工艺是非常重要的,它直接影响到产品质量和加工效率。
本文将介绍如何根据钣金零件的形状选择最适合的成型工艺。
一、了解钣金成型工艺的分类钣金加工的成型工艺主要包括冲压、折弯、剪切、拉伸、压铸等。
钣金成型工艺根据加工原理和方式的不同可以分为冲压成型、弯曲成型、拉伸成型和剪切成型等几种类型。
二、根据零件形状选择成型工艺1. 冲压成型工艺:如果钣金零件是平面形状,可以选择冲压成型工艺。
冲压成型可通过模具和冲压机来完成,适用于制作带有孔洞、弯曲等形状的零件。
其中,简单形状的零件可以使用单工位模具,复杂形状的零件可以使用多工位模具。
2. 弯曲成型工艺:对于需要形成弯曲形状的钣金零件,可以选择弯曲成型工艺。
弯曲成型通常采用折弯机来完成,通过将钣金材料置于折弯机中,并利用上下模来进行弯曲,从而使得零件达到所需的曲线或角度。
3. 拉伸成型工艺:拉伸成型工艺适用于制作需要拉伸、拉长的零件。
在拉伸过程中,钣金材料会发生塑性变形,从而使得零件达到所需的形状和尺寸。
拉伸成型广泛应用于汽车、航空航天等领域。
4. 剪切成型工艺:剪切成型工艺适用于制作不需要弯曲或拉伸的平面形状零件。
剪切成型利用剪切机将钣金材料按照所需形状进行切割,从而得到符合要求的零件。
三、考虑其他因素选择成型工艺除了钣金零件的形状外,还应考虑以下因素来选择最适合的成型工艺:1. 材料选择:不同的成型工艺对材料的要求不同,需根据零件的材料性质选择相应的成型工艺。
2. 产品要求:根据零件的精度要求、表面质量要求、强度要求等综合考虑,选择适合的成型工艺。
3. 生产效率:不同的成型工艺对生产效率有所影响,需考虑生产批量、工期等因素,综合选择最适合的成型工艺。
4. 成本考虑:根据成型工艺的设备、模具和人工成本等因素,综合考虑成本和效益,选择最经济的成型工艺。
.
钣金加工零件有哪些成型方法?
钣金加工除了采用机械制造也中普遍采用的冷冲压工艺之外,还有一些其他的特别的方式,橡皮液压成形、拉弯成形、喷丸成形:
1、橡皮液压成形:向装于容框中的橡皮胎内充高压液体,使之膨胀,从而推动毛料按照模胎的形状形成零件。
这样形成的零件准确度高,表面无压痕。
橡皮胎是一种通用的柔性凹模,所以在钣金加工的工作台上可以安放多个不同形状的模胎。
这种方法成本更低,生产效率高,一次循环之后就能够同时产出多个零件。
2、拉弯成形:先将型材毛料沿长度方向拉伸至屈服极限,然后保持拉力并使毛料按拉弯模的型面弯曲成形。
预先的拉伸可以有效地改变弯曲时毛料内部的应力分布,从而提高零件的成形准确度。
3、喷丸成形:利用压缩空气(或高速叶轮)使直径为0.3~2.5毫米的许多钢丸从喷嘴喷出。
高速弹流打击毛料的一侧表面,使表面层金属因受挤而面积加大,产生压应力,使毛料向未受弹丸打击的一面弯曲,成为曲面形状。
以上三种成形方法为企业很大程度上节约了成本,不仅有利于增强零件的疲劳强度,对实现高效率的生产也具有重要意义,极大推动了钣金加工的生产力的提升。
.。