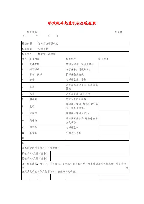
78-桥式起重机安全检查表
- 格式:doc
- 大小:60.00 KB
- 文档页数:2
起重机械安全检查表
用绳卡连接,数量不少于3个
用锲块连接,不应松动移位
用合金压缩法连接时,套筒两端不得有断丝,套筒不得有裂纹
钩头落地时,卷筒钢丝绳不应少于两圈
断丝达到《起重机械安全规程》规定数值时应报废
钢丝绳直径相对于公称直径减少7%时,应报废
钢丝绳子扭结、压扁弯折、笼状畸变、断股、波浪形、绳股或绳子芯挤出,绳芯损坏或钢丝绳在高湿环境作业引起颜色改变等现象应报废
7 扫轨板和
支撑架
大车运行机构应有扫轨板和支撑架。
扫轨板距离轨道面
小于10mm、支撑架距轨道面小于20mm、两者合为一
体验生活时小于10mm
小车运行机构的扫轨板与轨道小于10mm
8 电气系统总电源开关失压保护有效。
应设断路器、熔断器做短路保护
每个操作控制点(包括地面的控制按钮),均应设有能够断开总电源的紧急开关,或其他分段装置
重回路与控制回路电源电压不大于500V时,电气线路对地电阻不小于0.5M、潮湿环境的线路对地电阻不小于0.25M
供电系统中性点接地时,金属结构和轨道应采用保护接零。
轨道接头应有跨接线
在起重机外,零线与大车轨道应重复接地,接地电阻小于4
自动开关短路保护动作整定值,应为起重机尖峰电流的1.7~2.0倍
9 吊钩滑线托各部位连接良好,保护托架安全可靠
新吊钩应有标记和出厂合格证
不许用铸造吊钩
吊钩固定牢靠,转动部位应灵活,表面光洁,无裂纹,不得使用焊补过的吊钩
吊钩的危险断面磨损达到原损失到原尺寸的10%时应。
起重机械安全检查表
以下是起重机械安全检查表的一些常见检查项目:
1. 载重限制:检查起重机械的载重限制标志,并确认所要起重的物体是否在限制范围内。
2. 吊钩:检查吊钩的弯曲、变形、裂纹、生锈等情况,并确认吊钩是否处于良好状态。
3. 吊钩锁定器:检查吊钩锁定器的可靠性和使用情况。
4. 起重钢丝绳:检查起重钢丝绳的磨损程度、断丝、变形、腐蚀等情况,并确认钢丝绳是否在良好状态。
5. 剪切保护:检查起重机械上是否安装了剪切保护装置,并确认其可靠性。
6. 快速解锁装置:检查快速解锁装置的可靠性和使用情况。
7. 上、下限位器:检查上、下限位器的准确性和灵敏度,并确认其正常工作。
8. 棘轮制动器:检查棘轮制动器的可靠性和使用情况。
9. 主干、臂和横梁:检查主干、臂和横梁的变形、裂纹、腐蚀等情况,并确认其结构完整性。
10. 空载试运行:在操作前进行空载试运行,检查起重机械的运行状态和行走平稳性。
11. 安全装置:检查起重机械上的安全装置,如过载保护装置、起重限制装置、坠物防护装置等,并确认其正常工作。
12. 操作人员:检查操作人员是否具备合格证书,熟悉操作规程,能够安全操作起重机械。
这是一个基本的起重机械安全检查表,具体的检查项目可以根据起重机械的类型和规模进行调整和补充。
同时,要定期进行起重机械的维修和保养,并对操作人员进行安全教育和培训,以确保起重机械的安全运行。
起重机械安全检查表模版注意事项:1. 本安全检查表适用于各类起重机械的日常安全检查。
2. 在进行检查前,请确保起重机械已停止运行并处于静态状态。
3. 在进行检查时,请仔细观察起重机械的各个部位,确保不漏过任何安全隐患。
4. 如发现安全隐患,请及时采取相应措施,并报告相关负责人员进行处理。
检查项一:机械结构1. 起重机械的外观是否无损坏、无明显锈蚀?2. 起重机械的钢丝绳是否完好,无断股、断丝等现象?3. 起重机械的支脚是否完好,无变形、开裂等现象?4. 起重机械的液压系统是否正常,无泄漏、漏油等现象?5. 起重机械的传动链条是否紧固,无松动、变形等现象?检查项二:控制系统1. 起重机械的控制台是否正常工作,各个按钮是否能灵活操作?2. 起重机械的遥控器是否正常工作,各个按键是否能够控制机械运动?3. 起重机械的紧急停车装置是否可靠,是否能迅速停止机械运动?4. 起重机械的限位器是否有效,能否防止超限运行?检查项三:安全保护装置1. 起重机械的载重保护装置是否正常,能否及时报警并停止机械运行?2. 起重机械的起升高度限制器是否正常工作,能否防止起升过高?3. 如果起重机械配有安全防护网,是否完好无损,能否防止物体掉落?4. 起重机械的限位装置是否正常工作,能否防止起升超高或超低?5. 起重机械的防碰撞装置是否正常工作,能否防止碰撞事故发生?检查项四:操作环境1. 起重机械的工作环境是否干燥,无易燃易爆物品存在?2. 起重机械的工作区域是否清洁整齐,无堆放障碍物?3. 起重机械的操作平台是否牢固,无松动、变形等现象?4. 起重机械的操作区域是否有良好的照明条件,能否保证操作者的安全操作?检查项五:工作时安全措施1. 操作人员是否已经接受过相应的起重机械操作培训?2. 操作人员是否按照相关安全规定穿戴工作服、安全帽等个人防护用品?3. 操作人员是否严格按照操作规程进行操作,如按照指定吊重、工作时间等?4. 操作人员是否经常保持注意力集中,严禁操作时进行其他干扰行为?检查项六:维护保养情况1. 是否按照要求对起重机械进行定期维护保养?2. 维护保养记录是否完整,并有维护保养人员、日期等相应信息?3. 是否按照要求对起重机械进行定期检测,是否有相应的检测报告?检查项七:其他1. 是否准备好相应的应急预案,能否及时应对突发情况?2. 是否遵守相关法律法规和操作规程,如相关证照、工作操作手册?3. 是否及时上报起重机械的事故、故障情况,并采取相应的措施加以处置?以上为起重机械安全检查表的模版,大约____字。
起重机械安全检查表范本编号:_____________ 日期:_____________一、起重机械的基本情况1. 设备名称:________________2. 设备型号:________________3. 设备编号:________________4. 设备所在部门:________________5. 设备负责人:________________二、设备外观检查1. 起重机械外观是否完整、无损伤、无锈蚀或腐蚀?2. 起重机械固定连接件是否松动或缺失?3. 起重机械是否有明显的变形或裂纹?4. 起重机械的安全标志是否清晰可见?5. 起重机械是否有漏油或渗油的情况?三、电气系统检查1. 起重机械的电气控制系统是否正常工作?2. 起重机械的电缆是否损坏或有裸露的导线?3. 起重机械的插头和插座是否干净、无氧化?4. 起重机械的接地线是否良好连接?四、运行机构检查1. 起重机械的起升机构是否能正常运行?2. 起重机械的运行速度是否符合标准要求?3. 起重机械的行走机构是否能正常运行?4. 起重机械的制动装置是否可靠?5. 起重机械的限位器是否正常工作?6. 起重机械的锁紧装置是否牢固可靠?7. 起重机械的起升高度限位是否准确?五、安全保护装置检查1. 起重机械的重载保护装置是否可靠?2. 起重机械的高度限位器是否准确?3. 起重机械的安全防护门是否完好并能正常关闭?4. 起重机械的限位开关是否可靠?5. 起重机械的运行指示器是否工作正常?六、维护保养情况检查1. 起重机械的维护保养记录是否完整?2. 起重机械的润滑油是否足够?3. 起重机械的润滑部位是否正常润滑?七、操作舱内检查1. 起重机械的操作台是否整洁、无杂物?2. 起重机械的操作按钮是否完好、灵活?3. 起重机械的仪表是否清晰可读?4. 起重机械的警示灯是否能正常亮起?八、操作员培训情况1. 起重机械的操作员是否持有相应的起重机械操作证书?2. 起重机械的操作员是否接受过相关安全培训?3. 起重机械的操作员是否熟悉起重机械的操作规程和安全操作要求?九、其他问题及建议1. 检查过程中发现的其他问题及不足:____________________________2. 针对起重机械安全性能的改进建议:__________________________检查人签字:________________审核人签字:________________备注:________________________________________________ 以上是起重机械安全检查表的范本,可根据实际情况进行相应的修改和完善。