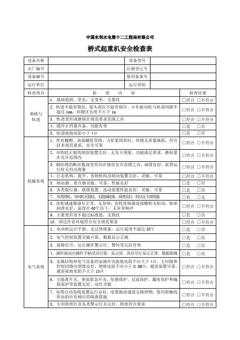
桥式起重机检查表
- 格式:doc
- 大小:94.50 KB
- 文档页数:16
桥式起重机隐患排查表
时间:检查人员:
序号检查项目检查标准车间存在隐患备注
1 吊钩1、吊钩不得出现裂纹、磨损或者变形。
2、吊钩防脱器配置齐全。
2 电动机电机与联轴器连接牢固、电缆线绝缘良好。
3 控制盘、
电缆
控制盘固定螺栓牢固、电缆
线绝缘良好
4 钢丝绳无断丝断股现象,磨损不超标,固定压板牢固,无缺油。
5 制动器制动轮无裂纹、制动力矩符合要求
6 钢丝绳卷
筒滑轮
卷筒无裂纹、底座固定螺栓
紧固、联轴器紧固
7 减速机1、减速机无缺油、断齿、固定螺栓无松动、联轴器无松动现象。
2、减速机护罩齐全完好。
8 设备主体主梁、端梁、吊车横梁等无腐蚀、变形、裂痕,焊接可靠。
9 防护装置起升高度限位器、起重量限制器、力矩限制器等失效,导致冲顶、超载。
10 管控措施隐患排查清单中涉及电气系统的风险点、危险源及管控措施落实情况。
桥式起重机检查验收表桥式起重机检查验收表附件1 桥式起重机型式试验用主要仪器设备序号仪器设备名称精度要求备注1 绝缘电阻测量仪±1.5%2 经纬仪6’’3 水准仪±3.5mm/km4 秒表0.01s5 声级器0.1dB(A)6 百分表0.01mm7 弹簧秤±0.6N8 杠杆千分尺0.02mm9 钢卷尺法定计量部门检定并且有修正值10 千分尺0.01mm11 框式水平仪0.02mm/m12 超声波探伤仪水平<1%;垂直<5%。
任意相邻12dB,误差在±1dB13 射线探伤仪计量部门按JB/T7413检定合格14 硬度仪±2%15 转速仪±1r/min16 水平偏斜专用测量仪器17 垂直偏斜专用测量仪器18 制动下滑量专用测量仪器19 动刚度测试仪±0.1Hz20 红外线测温仪21 模拟小车22 标准轨道平台23 钢板测厚仪24 应力测试设备25 激光测距仪附件2 通用桥式起重机型式试验项目、技术要求和试验方法序号项目技术要求试验方法备注1 图样检查样机图样设计应当符合GB/T14405、GB/T3811、GB6067等标准要求;样机图样应当完整,签字手续齐全;所覆盖图样应该与样机图样型号统一,签字手续齐全。
见注1 封存复核的图样存于制造单位,试验单位保存一份总图和相关部件图2 设计计算复核起重机的设计计算,主要设计和零部件的设计计算应当符合GB/T3811的规定。
见注23一般性检查起重机的结构型式、参数、规格状态是否符合图样要求检查样机的型式应当符合图样要求,复核起重机铭牌上的型式参数是否符合图样要求。
4制动器规格型号选用应该符合设计图样;所选制动器有合格证和型式试验合格证书。
复核实物和合格证是否符合图样要求,检查有无该型号制动器的试验合格证书。
5缓冲器规格型号选用应该符合设计图样;不低于标准的要求;所选缓冲器应当有试验检验报告。