各部门、各工厂质量目标考核办法
- 格式:doc
- 大小:99.00 KB
- 文档页数:7
************有限公司1.目的本办法适用于各个部门质量目标完成情况的考核。
2.适用范围本办法适用于公司所有部门的考核3.职责3.1各部门领导负责质量目标的考核;3.2相关岗位责任人负责提供考核所需的数据。
4.考核办法4.1年末对质量目标的完成情况进行考核;4.2考核采取对定性指标调查分析,对量化指标分析计算的方式进行;4.2.1量化指标计算方法a) 行政部:生产、监视测量设备完好率:数生产、监视测量设备总损坏次数)(人为一次性造成设备(全年维修次数)-⨯100%b) 商务部:物资采购及时到货率数全年计划期内采购的次次数在计划期内完成的采购 ⨯100% c) 质量部:错漏检率全年生产陀螺数全年错漏检次数 ⨯100% d)人力资源部: 培训计划完成率全年计划培训次数全年实际完成培训次数 ⨯100% e )销售部:一次交付成功率********************有限公司 100/100⨯销售交付的数量-顾客退修的数量销售交付的数量f )工艺部:工艺问题及时解决率100/100⨯工艺部处理的工艺问题生产部提出的工艺问题g )生产部:合同完成率100/100⨯按时交付的合同总的签订合同h )研发部:设计验证通过率100/100⨯总的设计项目-设计通过验证的项目总的设计项目4.2.2质量目标中的量化指标的考核将根据以上相应公式进行计算。
4.2.3对于定性指标的考核将根据全年的工作情况,采取综合评价分析的方式进行。
4.3根据考核结果,将结合质量奖惩管理办法,对质量目标实施好的部门予以激励;对未能完成年度质量目标的部门将制定相应措施进行整改。
5 .附件5.1《质量奖惩管理办法》。
质量目标考核细则为促使各部门质量分解目标得到全面落实,确保质量管理体系的有效运行,特制定本考核细则。
1:公司总目标考核:1)顾客满意率:考核周期:次/年考核办法:市场部采用随机抽样调查的方法(一般选择最近3年的客户),通过信件调查、在线调查、发放《顾客满意度调查问卷》等方式获得调查结果,按照顾客满意度指数(CSI)的统计方法进行统计。
在每年内审之前完成公司顾客满意率考核,并形成考核报告。
2)定位仪安装一年内平均故障次数;举升机安装一年内平均故障次数考核周期:次/年考核办法:客服部根据一年内定位仪、举升机故障统计,以及一年内定位仪、举升机发货总量,核算出一年内平均故障次数。
在每年内审之前完成统计,并保存统计相关数据。
2:生产部质量目标考核:1)成品、半成品一次交检合格率考核周期:次/月考核办法:质检部根据每月内成品、半成品检验记录,按照质检部制定的统计方法进行统计。
统计结果形成记录,并反馈给生产部。
2)一次安装合格率:考核周期:次/月考核办法:客服部根据售后服务工程师现场安装合格统计及月发货量统计出一次安装合格率。
统计结果形成记录,并反馈给生产部。
3:技术部质量目标考核:1)图纸、工艺差错纠正次数考核周期:次/周考核方法:内审员苑铧文在每周公司5S检查之时,到车间随机抽取若干份图纸、工艺进行检查(检查表附件一);并根据每周检查结果统计出每月图纸、工艺差错纠正次数。
2)软件差错纠正次数考核周期:次/月考核方法:技术部根据纠正信息联络单份数进行统计。
4:质检部质量目标考核:检验覆盖率考核周期:次/周考核办法:内审员苑铧文在每周公司5S检查之时,到车间、库房随机抽取若干件产品,要求质检提供相应的检验记录(检查表附件三);并根据每周检查结果统计出每月检查覆盖率。
5:供应部质量目标考核:1)采购一次交检合格率考核周期:次/ 周考核办法:质检部根据每周供应部采购产品的检验记录,进行统计,统计结果反馈供应部。
2)仓库帐、物、卡正确率考核周期:次/ 周考核方法:内审员苑铧文在每周公司5S检查之时,到库房随机抽取若干件产品,检查帐、物、卡是否一致(检查表附件三);并根据每周检查结果统计出每月仓库帐、物、卡正确率。
测量管理体系各部门质量目标分解及考核办法随着企业的发展和竞争的加剧,提高产品和服务的质量已经成为企业必须关注的重要问题。
为了确保质量的可控和持续改进,测量管理体系被广泛应用于各行各业。
测量管理体系帮助企业建立并完善质量管理体系,旨在确保产品和服务符合顾客要求,并不断提高产品和服务的质量。
在测量管理体系中,各部门的质量目标是关键的组成部分。
本文将探讨测量管理体系各部门质量目标的分解及考核办法。
一、质量目标的制定每个部门都应该制定具体的质量目标,以实现整体质量管理体系的目标。
质量目标应该根据企业的战略目标和市场需求来制定,并能够实现可衡量性和可操作性。
以下是一些制定质量目标的步骤和原则:1. 基于战略目标:质量目标应与企业的战略目标相一致。
每个部门的质量目标都应当是实现企业战略目标的一部分。
例如,如果企业在市场上的竞争优势是产品质量,那么质量目标应重点关注产品质量的提高。
2. 可衡量性:质量目标应具有明确的衡量标准。
例如,如果某个部门的质量目标是提高产品的合格率,那么可以将合格率设置为衡量质量目标达成程度的指标。
3. 可操作性:质量目标应具有可操作性,即可以通过部门内部实施的具体措施来达成。
部门应该制定相应的行动计划和措施,以确保质量目标的实现。
二、质量目标的分解质量目标的分解是将企业整体质量目标分解为各个部门和岗位的具体质量目标。
质量目标的分解有助于各部门更清晰地了解自己的职责范围,并能够有针对性地制定相应的行动计划和措施。
以下是一些分解质量目标的方法:1. 撬动效应:质量目标的分解应该具有撬动效应,即每个部门的质量目标都应与其他部门的质量目标相互关联,相互促进。
例如,生产部门的质量目标可以与研发部门的目标相一致,以确保产品符合设计要求。
2. 自上而下的分解:质量目标应自上而下地分解,即企业整体质量目标应首先分解给高层管理部门,然后再逐级分解给下属部门。
每个部门都应了解自己的质量目标,并知道如何完成。
质量目标考核办法为了保证质量目标的实现和ISO9001的有效运行,对产品全过程质量监督管理,鼓励职工尽责工作,确保为客户生产优质安全产品,制定本质量目标考核办法。
一.公司质量目标考核领导小组成员名单:组长:总经理组员:客户服务部经理、生产部记录、车间主任、质量技术部、质检主管、营销主管考核频率:每季度对公司质量目标考核一次,时间为每季度结束前5天。
二.考核前的准备1.由质量目标考核小组确定考核时间,通知总经理、小组成员和质量目标分配部门。
2.各质量目标分配部门应严格按ISO9001和每月质量检查统计数据做好汇总工作。
三.考核内容1、公司质量目标a、成品一次检验合格率99%b、合同按时完成率95%以上c、顾客满意度90分以上(头三年每年递增2,三年后达到95分以上)2、部门目标分解:a.客户服务部:培训计划实施率100%;顾客投诉及时处理率为100%(注:接到顾客2小时内必须回复处理。
省内2内上门解决,省外一周内解决。
)原辅料采购及时到货率100%b. 生产部成品一次检验合格率99%;质量安全事故为0。
c.质量技术部:漏检率为0。
四.总结评定1.每季度考核完一周内向公司中层以上管理人员汇报公司质量目标实现情况。
2.针对质量目标的缺陷,提出具体的预防措施和改进意见。
3.对质量目标有缺陷的分配部门提出整改意见,监督整改情况,复查整改效果是否达到要求。
4.提出次年公司质量目标计划,经总经理审批后发布质量目标及分配表。
五.奖励与处罚发生重大质量事故的员工和部门负责人进行质量培训,培训不合格员工调离本岗位。
六、相关记录6.1 质量目标统计分析报告。
《质量目标》分解考核规定
1.目的
为确保目标的实现,各部门将质量目标层层分解,具体落实,并对其实现情况进行考核,以便及时掌握质量目标的实现情况,对未完成的目标采取措施。
2.范围
本规定适用于本企业目标考核的控制与管理。
3.职责
1)技术质量科负责目标的分解考核;
2)各相关部门负责在企业总的质量目标基础上,制定本部门的质量目标,并采取措施组织落实。
3.考核办法
3.1考核依据
技术质量科依据企业的目标和各部门分解的目标(目标分解表》)予以考核。
3.2考核周期
技术质量科每六个月对目标进行考核一次,并公布考核结果。
3.3考核办法
对考核周期内发生的目标按照实际完成情况计算完成率或合格率或其他目标;对考核周期内未发生的质量目标视为目标完成。
3.4考核结果的处理
对各部门完成的目标要给予保持;对各相关部门未完成的目标各责任部门要及时分析原因,制定措施报总经理批准后进行实施,确保目标的完成。
3.5目标考核时特殊情况要由管代进行处理。
3.6考核结果的通报
技术质量科对各部门目标完成情况进行汇总,形成企业目标考核结果,并将考核结果通报给总经理、各部门负责人及其它必要人员。
各部门考核办法各部门考核办法为了提高企业的整体绩效和各部门的工作效率,需要对各部门的工作进行全面的、客观的评估和考核。
本文将对各部门考核的目的、过程和方法进行详细的介绍。
一、目的1. 确定工作目标:通过考核,确定各部门的工作目标,使各部门在工作中有明确的方向和目标,从而更好地完成工作任务。
2. 提高工作效率:通过考核,发现各部门在工作中存在的问题和不足,及时调整工作方向,提高工作效率和质量。
3. 评价绩效水平:通过考核,客观评价各部门的绩效水平,鼓励优秀部门和个人,惩罚表现不佳的部门和个人,推动企业整体绩效的提升。
二、过程1. 确定考核指标:根据各部门的不同特点和工作内容,确定相应的考核指标。
考核指标应体现出工作的关键点和难点,具有客观性、可量化性和可操作性。
2. 确定考核周期:一般情况下,考核周期为一年,但也可以根据实际情况进行适当调整。
3. 搜集考核材料:通过查阅文件、现场检查、谈话等方式,搜集相关的考核材料。
4. 进行评分:根据考核指标,通过评分的方式对各部门进行综合评估。
评分时应确保客观、公正、准确。
5. 反馈结果:将考核结果及时反馈给各部门,让其了解自身的优劣状况,及时调整工作方向,提高工作效率和质量。
三、方法1. 经济指标法:指以经营效益作为考核标准,如销售额、利润、成本等,适用于以盈利为主要目标的企业。
2. 质量指标法:指以产品或服务质量作为考核标准,如产品合格率、服务质量评价等,适用于注重产品或服务质量的企业。
3. 客户满意度法:指以顾客满意度作为考核标准,如顾客投诉率、回访率、客户满意度调查等,适用于服务型企业。
4. 全面预算法:指以全面预算执行情况作为考核标准,如全年预算执行情况、预算完成度等,适用于强调预算管理的企业。
5. 综合评价法:指将多种考核指标综合考虑,进行综合评价,适用于对企业整体绩效进行综合评价。
各部门的考核是企业绩效管理的重要环节,只有透明、客观、公正的考核才能提高企业整体绩效,激励员工的积极性,推动企业健康、稳定和可持续发展。
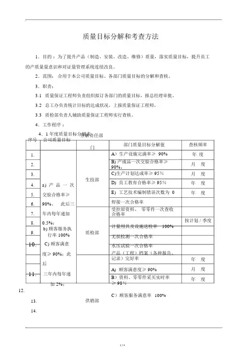
质量目标分解和考查方法1.目的:为了提升产品(制造、安装、改造、维修)质量,落实质量目标,提升员工的产质量量意识和对证量管理系统连续改良。
2.范围:合用于本公司质量目标、各部门质量目标的分解和查核。
3.职责:3.1质量保证工程师负责组织拟订各部门的质量目标,报总经理审批。
3.2总工办负责统计目标的达成状况,上报质量保证工程师。
3.3质检部负责人辅助质量保证工程师实行查核。
4.工作程序:4.1年度质量目标分解表序号公司质量目标分解责任部门1.2.3.生技部4. a) 产品一次5. 交验合格率≥6. 90%,此后三7. 年内每年递加8. 0.5%;9. b) 顾客服务执质检部行率 100%10.C) 顾客满意度≥ 90%;此后11.三年内每年递加 2%;12.13. 供销部14.部门质量目标分解值A)生产设施完满率≥ 90%B)产成品一次交验合格率≥90%,C)生产计划达成率≥ 95%D)员工教育合格率≥ 95%E)工艺技术编制错误次数为 0焊接一次合格率受控原资料、零零件一次查收合格率计量用具及设施送检率100%无损检测一次合格率水压试验一次合格率产品(工程)档案(各种报告、记录)完好率A)顾客满意度≥ 90%B)资料、零零件采买实时率≥ 98%C)顾客服务满意率100%查核频率年度月度月度年度年度按计划 / 季度年度月度年度4.2 公司质量目标的查核查核机遇:查核机遇:每半年一次,一般在每年的7 月初、下一年度 1 月初。
注:质量目标的查核在碰到第三方审查时,可适合提早。
查核计算方法:1)成品一次查验合格率= 成品一次查验项目合格数/ 成品查验项目合总数× 100%;2)顾客服务履行率 =实质顾客服务要求次数 / 顾客服务要求次数× 100%;3)顾客满意度按《质量手册顾客满意度检查》的规定进行计算;4.3 部门质量目标的查核查核机遇及频率:有时间段的按规准时间查核;其余每个月度查核一次。
十、质量目标考核办法
一、办公室:
1、负责制定各部门管理职责,人力资源、文件及记录的管理。
文件合格率100%,年底考核。
2、负责员工培训教育,为总队提供合格人员。
员工教育培训合格率达100%,年底考核。
3、办公区域、后勤环境整洁有序。
组织各部门每季度检查一次,年底考核。
二、经营部:
1、负责对顾客的要求进行评审。
合同评审率100%,对供方进行评价率100%,确定合格供方。
每年底对照考核。
2、确保顾客对产品要求得到规定,顾客异议处理率100%。
3、对顾客满意程度进行监视和测量,顾客满意率≥95%。
三、技术部:
1、负责质量体系的管理,完善各类质量文件、记录的管理。
合格率100%,年底进行考核。
2、严格产品质量检查。
保证产品漏检率为零,年底进行考核。
3、做好工程预结算工作,技术服务到位。
四、工程部:
1、按施工方案组织施工,对施工质量负责。
单项工程一次验收合格率100%,年底考核。
2、维护好设备,设备完好率≥95%。
确保安全管理制度的执行,并对故障、事故进行统计、分析。
事故为零,年底考核。
3、要安全文明生产,各种现场原材料、物件堆放整洁,产品标识清晰,防止混类。
每半年检查一次,进行考核。
五、财务部:
1、按制度规定提供真实、准确的会计报表。
2、严格遵守现金管理及报销制度。
3、每年进行成本核算,按时纳税,年底考核。
各部门产品质量责任划分及考核办法一、引言为确保公司产品质量的持续改进和提升,明确各部门在产品质量管理中的职责,制定本考核办法。
二、总则目的:确立各部门在产品质量管理中的职责,并通过考核激励各部门持续改进。
原则:公平、公正、透明,以事实为依据,以数据为支撑。
三、组织结构质量管理部:负责本办法的制定、修订、监督执行和考核。
研发部:负责产品设计质量的控制和改进。
生产部:负责生产过程质量的控制和改进。
采购部:负责原材料和外购件的质量控制。
销售部:负责收集客户反馈,协助处理质量问题。
其他部门:根据各自职能,协助质量管理部完成质量目标。
四、责任划分4.1 研发部产品设计:确保产品设计满足质量要求和客户标准。
设计验证:进行设计验证,确保设计质量。
技术支持:为生产部提供技术支持,解决生产过程中的技术问题。
4.2 生产部生产计划:按照质量要求制定生产计划。
过程控制:实施生产过程的质量控制。
不合格品处理:对生产中的不合格品进行隔离、标识和处理。
4.3 采购部供应商选择:选择符合质量要求的供应商。
原材料检验:对入厂原材料进行检验,确保原材料质量。
供应商管理:管理供应商,确保供应商提供持续稳定的质量。
4.4 销售部客户沟通:与客户沟通,了解客户需求和反馈。
市场信息收集:收集市场信息,为产品质量改进提供参考。
售后服务:提供售后服务,处理客户的质量问题。
4.5 其他部门根据各自职能,配合质量管理部,共同完成产品质量目标。
五、考核办法5.1 考核指标产品质量合格率:产品出厂合格率作为主要考核指标。
客户投诉率:客户投诉次数和处理效率。
内部质量事故:生产过程中的质量事故次数。
改进措施实施:各部门提出并实施的质量改进措施。
5.2 考核周期月度考核:每月对各部门的产品质量进行考核。
季度考核:每季度对各部门的改进措施和效果进行考核。
年度考核:每年对各部门的整体质量表现进行综合考核。
5.3 考核结果奖励:对表现优秀的部门和个人给予奖励。
质量目标分解及考核办法
规范
1.目的:
1.1明确公司各科室的质量分目标。
1.2明确对公司各科室质量分目标完成情况的考核办法。
1.3确保公司质量目标的实现。
2.范围:公司
3.职责:
公司各科室负责人组成考核小组,考核小组负责对公司各科室质量分目标完成情况进行考核。
4.作业内容:
4.1质量目标的分解和考核办法
4.2质量分目标的考核说明
4.2.1考核小组由公司各部门的主管组成,每个被考核部门必须由两个考核小组成员进行考核。
4.2.2考核小组每月一次对公司各部门的质量分目标进行考核,须在每月7日以前开出考核结果。
4.2.3考核结果以分数的形式给出。
5.相关文件
无
6.相关表单
无。
部门质量目标及考核办法第一篇:部门质量目标及考核办法部门质量目标及考核办法一、供销部1、A、B类原材料报检率达到100%(按季度考核);2、A、B类原材料合格率达到95%(按季度考核);3、销售额每年递增10%(按年度考核);4、顾客满意率达到90%(按年度考核)。
二、技术开发部1、工艺、图纸等技术文件的制定和发放准确率达到100%(按季度考核);2、更改项目的评审、确认率达到100%(按年度考核)。
三、生产部1、员工培训率达到95%(按年度考核);2、设备和工装完好率达到95%(按季度考核);3、生产计划完成率达到100%(按季度考核);4、原材料利用率达到95%(按季度考核);5、产品合格率达到95%(按季度考核)。
四、质管部1、原材料检验率达到100%(按季度考核);2、设备半成品、成品检验率达到100%(按季度考核);3、监视和测量装置完好率达到100%(按年度考核)。
本质量目标分季度、年度分别考核,管理者代表考核质管部,其他部门由质管部考核。
本办法自制定之日起实施,解释权归公司。
淄博市周村江化水处理设备有限公司20年 1 月 5 日第二篇:质量目标考核办法(模版)质量目标考核办法公司规定各部门的质量目标每三个月定期考核一次完成情况,每次考核应填写纪录,予以保持。
公司质量目标的完成情况,每年检查一次,检查结果保持纪录并上报总经理。
文件管理应根据管理程序的要求,重点检查《受控文件》《外来文件》和《记录》的实际管理情况,并予以计算:符合程序要求被管理的文件与文件总数之比的百分数即为文件的有效管理率。
接受培训并且经考核达到预期效果的人员总数与计划培训人员总数(职工总人数)之比的百分数,即为培训合格率。
处于良好运行或生产状态且适宜的设备总数与公司所有设备总数之比的百分数,即为设备完好率。
经过合同评审后签订的合同与所签订的合同总数(指同一时间段内的)之比的百分数,即为合同评审率。
被执行的合同总数与所签订的合同总数之比的百分数,即为合同履约率。
2017年度质量方针和质量目标分解1.目的为确保质量体系持续不断地满足客户期望和需求,提高顾客满意率,保证质量体系具有持续的适宜性和有效性;2.适用范围适用于本公司质量管理体系;3.职责总经理:负责工厂总体质量方针和质量目标的制订和实施;各相关部门:负责本部门质量目标的制订和实施;4.质量方针和质量目标公司质量方针:遵纪守法、质量为本、信守合同、顾客满意、持续改进公司质量目标:1)产品交付合格率≥98%2)顾客满意度≥85分3 用户投诉处理率≥98%;质量目标分解细则为了确保本质量方针的贯彻与执行,确保本企业质量目标的完成与实现,现根据各部门的管理职责和工作范围,规定了各部门的质量目标,使得企业的质量目标得到进一步细化,同时也使各部门在质量管理体系中的方向和目标进一步得到清晰和明确,并通过不断的持续改进,确保的质量管理更加规范,顾客的要求充分满足,施工质量更有保证;1市场部质量目标:a 用户投诉处理率≥98%b供应商准时交货率≥95%c 采购产品合格率≥95%d 顾客满意度≥85分考核办法:1.顾客满意度=根据顾客满意度调查表得分为加权平均值得分;2.用户投诉处理率=用户投诉处理数÷用户投诉总数;3.供应商准时交货率=供应商准输交货数÷供应商交货总数;4.采购产品合格率=采购产品合格数÷采购产品总数;2 办公室质量目标:a 员工培训合格率≥96%b 培训计划完成率≥90%考核办法:员工培训合格率=已培训员工合格数÷已培训员工总数;员工培训完成率=已培训员工数÷员工总数;3 制造部:质量目标a 售后服务完成率100%考核办法1.售后服务完成率=售后服务完成数÷售后服务完成总数;4 技术质量部:质量目标a 产品交验合格率≥98%b 产品出厂合格率≥98%考核办法1.产品交验一次通过率=产品交验一次通过数÷产品交验总数;2. 产品出厂合格率=产品出厂合格数÷产品出厂总数;编写:审核:批准:2017年5月6日发布2017年5月6日起实施。
文件编号:QS/BZ-ZY31质量目标考核办法为认真贯彻各人员的质量职责,充分调动和发挥员工的积极性,做到人尽其能,各司其责,做好质量管理工作,保证产品质量,现制定本考核办法:一、考核由总经理严格按考核标准进行考核打分。
二、本办法每月考评一次,每次满分为10分,年终汇总。
三、对于玩忽职守,造成质量事故的,每发现一次扣5-10分,并要追究其责任,对造成重大质量事故的要按本公司制度进行严惩。
四、年终汇总总分低于120分的,扣除年终奖金,高于100分者,除发年终奖外,另给予物质奖励。
五、各岗位考核标准如下:1 供应部a)按计划采购原辅材料并先化验后入库,如出现不合格原料,根据批量大小扣2-6分;b)每年进行一次供方评价,确保在合格供方中进行采购;2.销售部c)销售合同按要求完成,未按要求完成扣6分;d)产品防护出现1次失误,造成经济损失的,按情节轻重扣2-10分;e)每笔销售合同都进行评审,顾客档案按要求建立并保存,每出现一次失误扣3分。
3. 品控中心a)对所进原辅材料进行检验或验证合格后再入库,1次未检或不合格即入库扣2分;b)对各工序进行巡检,无巡检记录每缺1次或不准确扣3分;c)成品检验准确率100%,质量记录完整、准确,每缺1次或不准确扣4分;d)建立检测仪器设备台帐,确保仪器设备均在有效的工作状态,每抽1台次不合格扣3分;e)文件、记录制订完整、准确,发放及时,使用正确,管理有序,每发现1人次失误扣3-5分;3 生产部a)产品出厂合格率达99%以上,每出现1批次不合格扣5分;b)严格按操作规程进行生产,每发现1人次规程执行不对扣5分;c)负责按生产计划科下达的生产计划安排生产,保质保量完成任务。
d)确保产品始终按3P进行生产加工,持续满足法律法规及客户的要求。
e)确保熟食品始终按3P要求进行生产加工,持续满足法律法规及客户的要求。
f)因失职造成各生产环节人员安排不当,浪费电源、物料的,每发现1次扣5分。
质量目标考核制度范本1.1质量目标的考核由质量负责人牵头,质量目标考核每季度进行一次,技术质量科负责考核并记录。
1.2质量目标考核按质量目标分解的内容进行,质量目标考核的结果与年终考核一并兑现。
2考核办法2.1考核对象各职能部门、生产车间、化验室及岗位操作工贯彻执行质量管理制度、质量控制措施及质量职责完成情况进行监督考核。
2.2考核责任部门2.3考核办法理化指标有一项不合格、净含量超标每次扣____元/吨,有杂质每箱扣____元。
食品添加剂的使用和微生物指标不合格,予以追回并每批扣____元,车间主任处罚金额为员工的____倍。
质量目标考核制度范本(二)____号奉节县____都出租汽车有限公司关于颁发安全生产目标考核与奖惩制度____通知公司各科室及驾驶员:一、目的为强化公司的安全管理,防事故于未然,坚持以思想教育为主,行政手段和经济手段为辅,奖惩与个人利益挂钩的原则,确保车辆、驾驶员行车安全,特制定本制度。
二、公司的安全管理采用合同式管理办法,由安全经理与总经理签订安全责任书,安全科长、安全员与安全经理签订安全责任书,驾驶员与安全科长签订安全责任书,实行安全责任制,奖惩按合同执行。
三、驾驶人员必须严格遵守交通规则,按“优质服务规范”行车。
四、制定奖惩制度,鼓励驾乘人员安全行车,尽量避免1交通事故。
五、奖励制度(一)每月进行评比,当月无任何一项违规的,给予驾驶员____元/人的奖励。
(二)每月进行统计,当月无违规车辆占总车辆____%以上,给予安全员____元/人奖励。
(三)每季度进行一次总结评比,凡在这一个季度内没有任何一项违规的,再给予驾驶员____元/人的奖励;乘务员在这一季度没有任何一项违规与投诉的再给予____元/人的奖励。
每一年再进行年度评比,凡在这一年都没有上述任何一项违规的,公司再给予____元/人的奖励。
(四)拾金不昧____元(含____元)以上的奖励____元,____元以下奖励____元。
南通航智装备科技有限公司
各部门、工厂质量指标考核办法(试行)
第一章总则
第一条为了保证产品的品质,通过细化考核标准,强化考核手段,树立“质量第一”的思想,确保我公司质量战略和质量目标的实现,特制定本考核办法。
考核采取按月考核部门绩效的方式进行。
第二章适用范围
第二条本办法适用公司各部门、各工厂。
第三章职责
第三条质量目标考核由质量安全部负责,汇总后报综合管理部,在当期各部门和各工厂月度绩效考核完成。
第四章考核细则。
第五章附则
第五条每月25日前各部门、各工厂向质量安全部提供“质量目标完成情况报表”。
第六条质量安全部根据各部门、各工厂提供的“质量目标完成情况报表”数据对照考核办法向综合管理部提出考核意见。
第七条由综合管理部汇总各部门、各工厂的各项考核数据与考核意见,提交公司绩效考核小组审定,进行考核。
第八条被考核部门如对绩效考核结果持有异议,可在3个工作日内以书面形式向管理部提交“月度绩效考核申诉表”,经管理部调查核实提出处理建议,报公司绩效考核小组审定。
第九条本办法由质量安全部负责解释与修订。
THANKS !!!
致力为企业和个人提供合同协议,策划案计划书,学习课件等等
打造全网一站式需求
欢迎您的下载,资料仅供参考。
南通航智装备科技有限公司
各部门、工厂质量指标考核办法(试行)
第一章总则
第一条为了保证产品的品质,通过细化考核标准,强化考核手段,树立“质量第一”的思想,确保我公司质量战略和质量目标的实现,特制定本考核办法。
考核采取按月考核部门绩效的方式进行。
第二章适用范围
第二条本办法适用公司各部门、各工厂。
第三章职责
第三条质量目标考核由质量安全部负责,汇总后报综合管理部,在当期各部门和各工厂月度绩效考核完成。
第四章考核细则
第四条具体考核细则如下:
第五章附则
第五条每月25日前各部门、各工厂向质量安全部提供“质量目标完成情况报表”。
第六条质量安全部根据各部门、各工厂提供的“质量目标完成情况报表”数据对照考核办法向综合管理部提出考核意见。
第七条由综合管理部汇总各部门、各工厂的各项考核数据与考核意见,提交公司绩效考核小组审定,进行考核。
第八条被考核部门如对绩效考核结果持有异议,可在3个工作日内以书面形式向管理部提交“月度绩效考核申诉表”,经管理部调查核实提出处理建议,报公司绩效考核小组审定。
第九条本办法由质量安全部负责解释与修订。