建筑工程施工质量评价标准评分表
- 格式:doc
- 大小:338.58 KB
- 文档页数:22
表4.1.1地基与基础工程性能检测项目及评分表4.2.1地基与基础工程质量记录项目及评分表4.3.1地基及基础工程允许偏差项目及评分表4.4.1地基与基础工程观感质量项目及评分表5.1.1混凝土结构工程性能检测项目及评分表5.1.3混凝土结构工程质量记录项目及评分表5.1.5混凝土结构工程允许偏差项目及评分表5.1.7混凝土结构工程观感质量项目及评分表5.2.1钢结构工程性能检测项目及评分表5.2.3钢结构工程质量记录项目及评分表5.2.5钢结构工程允许偏差项目及评分表5.2.7钢结构工程观感质量项目及评分表5.3.1砌体结构工程性能检测项目及评分表5.3.3砌体结构工程质量记录项目及评分表5.3.5砌体结构工程允许偏差项目及评分表5.3.7砌体结构工程观感质量项目及评分屋面工程性能检测项目及评分屋面工程质量记录项目及评分表6.3.1屋面工程允许偏差项目及评分屋面工程观感质量项目及评分表7.1.1装饰装修工程性能检测项目及评分表7.2.1装饰装修工程质量记录项目及评分表7.3.1装饰装修工程允许偏差项目及评分表7.4.1装饰装修工程观感质量项目及评分表8.1.1给水排水及供暖工程性能检测项目及评分表8.1.3给水排水及供暖工程质量记录项目及评分表8.1.5给水排水及供暖工程允许偏差项目及评分表8.1.7给水排水及供暖工程观感质量项目及评分表8.2.1电气工程性能检测项目及评分表8.2.3电气工程质量记录评分表表8.2.5电气工程允许偏差项目及评分表8.2.7电气工程观感质量项目及评分通风与空调工程性能检测项目及评分通风与空调工程质量记录项目及评分通风与空调工程允许偏差项目及评分通风与空调工程观感质量项目及评分电梯安装工程性能检测项目及评分电梯工程质量记录项目及评分表8.4.5电梯工程允许偏差项目及评分表8.4.7电梯工程观感质量项目及评分表8.5.1智能建筑工程性能检测项目及评分表8.5.3智能建筑工程质量记录项目及评分表8.5.5智能建筑工程允许偏差项目及评分智能建筑工程观感质量项目及评分燃气工程性能检测项目及评分表8.6.3燃气工程质量记录项目及评分表8.6.5燃气工程允许偏差项目及评分燃气工程观感质量项目及评分建筑节能工程性能检测项目及评分表9.2.1建筑技能工程质量记录项目及评分。
表4.1.1地基与基础工程性能检测项目及评分表4.2.1地基与基础工程质量记录项目及评分表4.3.1地基及基础工程允许偏差项目及评分表4.4.1地基与基础工程观感质量项目及评分表5.1.1混凝土结构工程性能检测项目及评分表5.1.3混凝土结构工程质量记录项目及评分表5.1.5混凝土结构工程允许偏差项目及评分混凝土结构工程观感质量项目及评分表5.2.1钢结构工程性能检测项目及评分表5.2.3钢结构工程质量记录项目及评分表5.2.5钢结构工程允许偏差项目及评分表5.2.7钢结构工程观感质量项目及评分表5.3.1砌体结构工程性能检测项目及评分表5.3.3砌体结构工程质量记录项目及评分表5.3.5砌体结构工程允许偏差项目及评分表5.3.7砌体结构工程观感质量项目及评分屋面工程性能检测项目及评分屋面工程质量记录项目及评分表6.3.1屋面工程允许偏差项目及评分表6.4.1屋面工程观感质量项目及评分表7.1.1装饰装修工程性能检测项目及评分表7.2.1装饰装修工程质量记录项目及评分表7.3.1装饰装修工程允许偏差项目及评分装饰装修工程观感质量项目及评分表8.1.1给水排水及供暖工程性能检测项目及评分表8.1.3给水排水及供暖工程质量记录项目及评分表8.1.5给水排水及供暖工程允许偏差项目及评分表8.1.7给水排水及供暖工程观感质量项目及评分表8.2.1电气工程性能检测项目及评分表8.2.3电气工程质量记录评分表表8.2.5电气工程允许偏差项目及评分表8.2.7电气工程观感质量项目及评分通风与空调工程性能检测项目及评分通风与空调工程质量记录项目及评分通风与空调工程允许偏差项目及评分通风与空调工程观感质量项目及评分电梯安装工程性能检测项目及评分电梯工程质量记录项目及评分表8.4.5电梯工程允许偏差项目及评分表8.4.7电梯工程观感质量项目及评分表8.5.1智能建筑工程性能检测项目及评分表8.5.3智能建筑工程质量记录项目及评分表8.5.5智能建筑工程允许偏差项目及评分智能建筑工程观感质量项目及评分燃气工程性能检测项目及评分表8.6.3燃气工程质量记录项目及评分表8.6.5燃气工程允许偏差项目及评分燃气工程观感质量项目及评分建筑节能工程性能检测项目及评分表9.2.1建筑技能工程质量记录项目及评分。
表4.2.3施工现场质量保证条件评分表表5.1.3地基及桩基工程性能检测评分表表5.2.3地基及桩基工程质量记录评分表表5.3.3地基及桩基工程尺寸偏差及限值实测评分表表5.4.3地基及桩基工程观感质量评分表表6.1.3结构工程性能检测评分表表6.2.3结构工程质量记录评分表表6.3.3 结构工程尺寸偏差及限值实测评分表表6.4.3结构工程观感质量评分表表7.1.3屋面工程性能检测评分表表7.2.3屋面工程质量记录评分表表7.3.3屋面工程尺寸偏差及限值实测评分表表7.4.3屋面工程观感质量评分表表8.1.3装饰装修工程性能检测评分表表8.2.3装饰装修工程质量记录评分表表8.3.3装饰装修工程尺寸偏差及限值实测评分表表8.4.3装饰装修工程观感质量评分表安装工程实际工作量分配表表9.1.3 建筑给水排水及采暖工程性能检测评分表表9.1.6建筑给排水及采暖工程质量记录评分表表9.1.9建筑给水排水及采暖工程尺寸偏差及限值实测评分表表9.1.12 建筑给水排水及采暖工程观感质量评分表表9.2.3建筑电气安装工程性能检测评分表表9.2.6 建筑电气安装工程质量记录评分表表9.2.9建筑电气安装工程尺寸偏差及限值实测评分表表9.2.12 建筑电气安装工程观感质量评分表表9.3.3通风与空调工程性能检测评分表表9.3.6通风与空调工程质量记录评分表表9.3.9通风与空调工程尺寸偏差及限值实测评分表表9.3.12通风与空调工程观感质量评分表表9.4.3电梯安装工程性能检测评分表表9.4.6电梯安装工程质量记录评分表表9.4.9电梯安装工程尺寸偏差及限值实测评分表表9.4.12电梯安装工程观感质量评分表表9.5.3智能建筑工程性能检测评分表表9.5.6智能建筑工程质量记录评分表表9.5.9智能建筑工程尺寸偏差及限值实测评分表表9.5.12智能建筑工程观感质量评分表表10.1.5工程结构质量综合评价表表10.2.5单位工程质量综合评价表表10.3.1单位工程质量各项目评价得分汇总表。
陕西省建筑优质结构工程
申报备案表
工程名称
申报企业(章)
申报日期年月日
陕西省建筑业协会制
申报工程概况
申报企业简况及申报理由
说明:
1、表内要求内容必须认真准确填写,工程名称、单位名称等必须填写全称并与合同公章一致
2、施工总承包单位项目副经理人数: 1至3万平方米(含3万)1个,3万平方米以上2个。
有关单位和部门对申报的意见
建筑优质结构工程认定时应提交以下文件和资料
陕西省建筑优质结构工程认定
申报表
工程名称________________
申报单位________________
申报日期_____年___月__日
陕西省建筑业协会制
单位工程质量综合评价
(续表5.2.3)
2.结构工程质量评价
续表6.2.3(结构工程质量记录评分表)
续表6.2.3(结构工程质量记录评分表)
续表6.4.3
有关单位对建筑优质结构工程意见。
表4.1.1地基与基础工程性能检测项目及评分表4.2.1地基与基础工程质量记录项目及评分表4.3.1地基及基础工程允许偏差项目及评分表4.4.1地基与基础工程观感质量项目及评分表5.1.1混凝土结构工程性能检测项目及评分表5.1.3混凝土结构工程质量记录项目及评分表5.1.5混凝土结构工程允许偏差项目及评分混凝土结构工程观感质量项目及评分表5.2.1钢结构工程性能检测项目及评分表5.2.3钢结构工程质量记录项目及评分表5.2.5钢结构工程允许偏差项目及评分表5.2.7钢结构工程观感质量项目及评分表5.3.1砌体结构工程性能检测项目及评分表5.3.3砌体结构工程质量记录项目及评分表5.3.5砌体结构工程允许偏差项目及评分表5.3.7砌体结构工程观感质量项目及评分屋面工程性能检测项目及评分屋面工程质量记录项目及评分表6.3.1屋面工程允许偏差项目及评分表7.4.3屋面工程观感质量项目及评分表7.1.1装饰装修工程性能检测项目及评分表7.2.1装饰装修工程质量记录项目及评分表7.3.1装饰装修工程允许偏差项目及评分装饰装修工程观感质量项目及评分表8.1.1给水排水及供暖工程性能检测项目及评分表8.1.3给水排水及供暖工程质量记录项目及评分表8.1.5给水排水及供暖工程允许偏差项目及评分表8.1.7给水排水及供暖工程观感质量项目及评分表8.2.1电气工程性能检测项目及评分表8.2.3电气工程质量记录评分表表8.2.5电气工程允许偏差项目及评分表8.2.7电气工程观感质量项目及评分通风与空调工程性能检测项目及评分通风与空调工程质量记录项目及评分通风与空调工程允许偏差项目及评分通风与空调工程观感质量项目及评分电梯安装工程性能检测项目及评分电梯工程质量记录项目及评分表8.4.5电梯工程允许偏差项目及评分表8.4.7电梯工程观感质量项目及评分表8.5.1智能建筑工程性能检测项目及评分表8.5.3智能建筑工程质量记录项目及评分表8.5.5智能建筑工程允许偏差项目及评分智能建筑工程观感质量项目及评分燃气工程性能检测项目及评分表8.6.3燃气工程质量记录项目及评分表8.6.5燃气工程允许偏差项目及评分燃气工程观感质量项目及评分建筑节能工程性能检测项目及评分表9.2.1建筑技能工程质量记录项目及评分。
表4.1.1地基与基础工程性能检测项目及评分表4.2.1地基与基础工程质量记录项目及评分表4.3.1地基及基础工程允许偏差项目及评分表4.4.1地基与基础工程观感质量项目及评分表5.1.1混凝土结构工程性能检测项目及评分表5.1.3混凝土结构工程质量记录项目及评分表5.1.5混凝土结构工程允许偏差项目及评分表5.1.7混凝土结构工程观感质量项目及评分表5.2.1钢结构工程性能检测项目及评分表5.2.3钢结构工程质量记录项目及评分表5.2.5钢结构工程允许偏差项目及评分表5.2.7钢结构工程观感质量项目及评分表5.3.1砌体结构工程性能检测项目及评分表5.3.3砌体结构工程质量记录项目及评分表5.3.5砌体结构工程允许偏差项目及评分表5.3.7砌体结构工程观感质量项目及评分屋面工程性能检测项目及评分屋面工程质量记录项目及评分表6.3.1屋面工程允许偏差项目及评分表7.4.3屋面工程观感质量项目及评分表7.1.1装饰装修工程性能检测项目及评分表7.2.1装饰装修工程质量记录项目及评分表7.3.1装饰装修工程允许偏差项目及评分表7.4.1装饰装修工程观感质量项目及评分表8.1.1给水排水及供暖工程性能检测项目及评分表8.1.3给水排水及供暖工程质量记录项目及评分表8.1.5给水排水及供暖工程允许偏差项目及评分表8.1.7给水排水及供暖工程观感质量项目及评分表8.2.1电气工程性能检测项目及评分表8.2.3电气工程质量记录评分表表8.2.5电气工程允许偏差项目及评分表8.2.7电气工程观感质量项目及评分通风与空调工程性能检测项目及评分通风与空调工程质量记录项目及评分通风与空调工程允许偏差项目及评分通风与空调工程观感质量项目及评分电梯安装工程性能检测项目及评分电梯工程质量记录项目及评分表8.4.5电梯工程允许偏差项目及评分表8.4.7电梯工程观感质量项目及评分表8.5.1智能建筑工程性能检测项目及评分表8.5.3智能建筑工程质量记录项目及评分表8.5.5智能建筑工程允许偏差项目及评分智能建筑工程观感质量项目及评分燃气工程性能检测项目及评分表8.6.3燃气工程质量记录项目及评分表8.6.5燃气工程允许偏差项目及评分燃气工程观感质量项目及评分建筑节能工程性能检测项目及评分表9.2.1建筑技能工程质量记录项目及评分。
表4.2.3施工现场质量保证条件评分表表5.1.3地基及桩基工程性能检测评分表表5.2.3地基及桩基工程质量记录评分表表5.3.3地基及桩基工程尺寸偏差及限值实测评分表表5.4.3地基及桩基工程观感质量评分表表6.1.3结构工程性能检测评分表表6.2.3结构工程质量记录评分表建筑工程施工质量评价标准(表格)续表6.2.3结构工程质量记录评分表6.3.3 结构工程尺寸偏差及限值实测评分表表6.4.3结构工程观感质量评分表表7.1.3屋面工程性能检测评分表表7.2.3屋面工程质量记录评分表表7.3.3屋面工程尺寸偏差及限值实测评分表表7.4.3屋面工程观感质量评分表表8.1.3装饰装修工程性能检测评分表表8.2.3 装饰装修工程质量记录评分表表8.3.3装饰装修工程尺寸偏差及限值实测评分表表8.4.3装饰装修工程观感质量评分表安装工程实际工作量分配表表9.1.3 建筑给水排水及采暖工程性能检测评分表表9.1.6建筑给排水及采暖工程质量记录评分表表9.1.9建筑给水排水及采暖工程尺寸偏差及限值实测评分表表9.1.12 建筑给水排水及采暖工程观感质量评分表表9.2.3建筑电气安装工程性能检测评分表表9.2.6 建筑电气安装工程质量记录评分表表9.2.9建筑电气安装工程尺寸偏差及限值实测评分表表9.2.12 建筑电气安装工程观感质量评分表表9.3.3通风与空调工程性能检测评分表表9.3.6通风与空调工程质量记录评分表表9.3.9通风与空调工程尺寸偏差及限值实测评分表表9.3.12通风与空调工程观感质量评分表表9.4.3电梯安装工程性能检测评分表表9.4.6电梯安装工程质量记录评分表表9.4.9电梯安装工程尺寸偏差及限值实测评分表表9.4.12电梯安装工程观感质量评分表表9.5.3智能建筑工程性能检测评分表表9.5.6智能建筑工程质量记录评分表表9.5.9智能建筑工程尺寸偏差及限值实测评分表表9.5.12智能建筑工程观感质量评分表表10.1.5工程结构质量综合评价表表10.2.5单位工程质量综合评价表表10.3.1单位工程质量各项目评价得分汇总表工程施工现场质量管理及质量责任制度审查表表3-1工程主要工序明细表表3-2地基及桩基工程性能检测评分表表4-17。
单位工程核查评分汇总
单位工程(结构工程)质量评价结果项目名称:
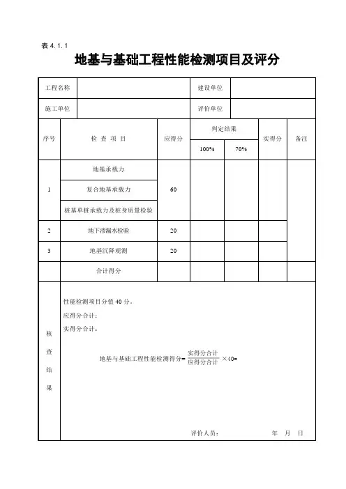
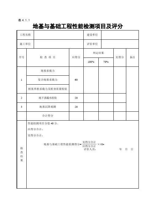
地基与基础工程性能检测项目及评分
地基与基础工程质量记录项目及评分
地基与基础工程允许偏差项目及评分
地基与基础工程观感质量项目及评分
混凝土结构工程性能检测项目及评分
混凝土结构工程质量记录项目及评分
混凝土结构工程允许偏差项目及评分
混凝土结构工程观感质量项目及评分
钢结构工程性能检测项目及评分
钢结构工程质量记录项目及评分
钢结构工程允许偏差项目及评分
钢结构工程观感质量项目及评分
砌体结构工程性能检测项目及评分
砌体结构工程质量记录项目及评分
砌体结构工程允许偏差项目及评分
砌体结构工程观感质量项目及评分
屋面工程性能检测项目及评分
屋面工程质量记录项目及评分
屋面工程允许偏差项目及评分
屋面工程观感质量项目及评分
装饰装修工程性能检测项目及评分
装饰装修工程质量记录项目及评分
装饰装修工程允许偏差项目及评分
装饰装修工程观感质量项目及评分
给水排水及供暖工程性能检测项目及评分
给水排水及供暖工程质量记录项目及评分
给水排水及供暖工程允许偏差项目及评分
给水排水及供暖工程观感质量项目及评分
电气工程性能检测项目及评分
电气工程质量记录项目及评分
电气工程允许偏差项目及评分
电气工程观感质量项目及评分。
1.地基与基础工程质量评价
(续表523)
4
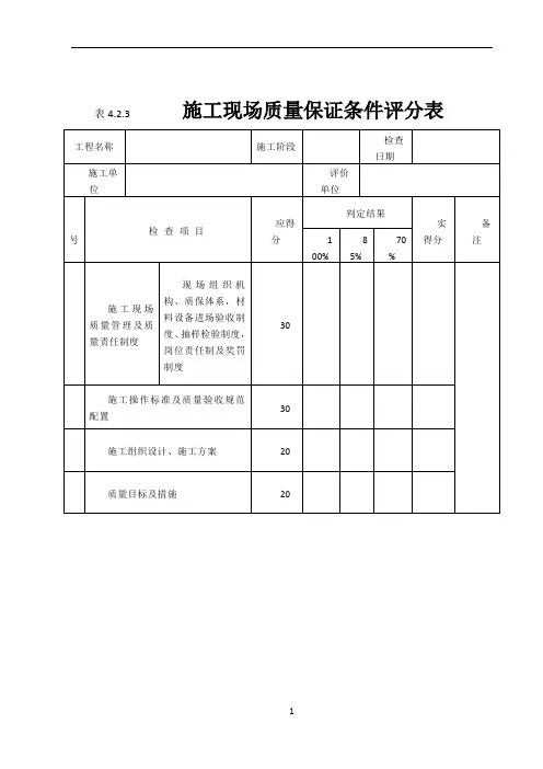
主体工程质量评价2. 施工现场质量保证条件评分表表 4.2.3
结构工程性能检测评分表表 6.1.3
8
结构工程质量记录评分表表623
续表623 (结构工程质量记录评分表)
续表623 (结构工程质量记录评分表)
13
续表6.4.3
屋面工程质量评价3.
19
装饰装修工程质量评价4.
22
23
28
安装工程实际工作量分配表
单位工程质量综合评价
31
F:为权重值计算后的直接加分,加分只限一次
1•获得部、省级及其以上科技进步奖,以及使用节能、节地、环保等
先进技术获得部、省级奖的工程可加0.5〜3分;
2•获得部、省级科技示范工程或使用先进施工技术并通过验收的工程可加0.5〜1分
33
表10.3.1单位工程质量各项目评价得分汇总
单位工程评价得分及评价分析应符合下列规定:
各工程项目系统相同项目实际评价得分(即横向部分)相加,可根据得分情况评价分析项目的质量水平程度;
各项目实际评价得分(即竖向部分)相加,可根据得分情况评价分析工程部位、系统的质量水平程度
32。
建筑工程质量检查评分表建筑工程质量检查评分表本评分表用于对建筑工程的结构实体质量进行评价。
评分采用得分率表示,先计算每大项的应得分和实得分,再计算本次检查的应得分和实得分,最后计算得分率。
结构实体检查项目包括施工技术资料、观感、结构构件实测实量、混凝土强度和钢筋的混凝土保护层厚度检验,作业面和后浇带钢筋工程,模板和支撑六大项。
每大项中包含若干子项。
第二次检查时,不再检查前次检查的资料和工程部位。
在结构检查时,针对每个子项进行扣分,子项实得分最高为应得分(满分),最低可以为负数。
根据每个子项实得分统计每大项的实得分,每大项的实得分若出现负数,按零分考虑。
大项或子项若没有检查,该大项或子项的应得分和实得分皆为零。
每个子项的扣分标准一般情况下应按表中规定执行,特殊情况下经检查组全体人员研究后可进行局部调整。
对于表中未列出的质量缺陷,可视严重程度参照表中其它缺陷的权重予以扣分。
一个项目的检查人员为4~5人,检查时间为半天~一天,检查数量一般为:钢筋分项,1个检验批;现浇结构分项,2~4个检验批;模板和支撑,1个检验批;实测实量,每项10~30点;混凝土强度回弹2层,每层8个构件,每个构件2个测区;钢筋保护层厚度量测,5~10个构件;后浇带和预留洞,5~10个;楼板厚度检验,5~10处。
检查所用的工具、仪器为:卷尺、卡尺、钢尺、吊线、2m靠尺、塞尺、小锤、回弹仪、钢筋探测仪等。
结构实体质量评价是在质量合格的基础上进行的。
在检查中发现结构实体质量不合格时,本标准的评价系统失效,该项工程须按照国家有关规范的要求进行处理,处理后可参照本标准进行评价。
表一施工现场质量保证体系检查表(50分)工程名称:序号123检查项目现场质量管理制度主要专业工种操作上岗证书分包方资质与对分包单位的管理制度施工组织设计、施工方案及审批施工现场技术规范工程质量检验制度扣分标准a.一般,扣2分;b.差,扣5分。
a.过期或不齐全,扣3分;b.无,扣5分。
建筑工程质量评价表
工程名称:
施工企业:
评价时间:
一、施工现场质量保证条件评分表
三、结构工程质量评价
续表3.2 (结构工程质量记录评分表)
续表3.2 (结构工程质量记录评分表)
续表3.4(结构工程观感质
量评分表)
程质量评价
五、装饰装修工程质量评价
六、安装工程质量评价
6.1 建筑给排水管道安装工程质量评价
6.2 建筑电气安装工程质量评价
6.3 通风与空调工程质量评价
6.4 电梯安装工程质量评价
6.5 智能建筑工程质量评价
七、单位工程质量综合评价
F
1.获得部、省级及其以上科技进步奖,以及使用节能、节地、环保等先进技术获得部、省级奖的工程可加0.5~3分;
2.获得部、省级科技示范工程或使用先进施工技术并通过验收的工程可加0.5~1分。
表7.3 单位工程质量各项目评价得分汇总
单位工程评价得分及评价分析应符合下列规定:
各工程项目、系统相同项目实际评价得分(即横向部分)相加,可根据得分情况评价分析项目的质量水平程度;
各项目实际评价得分(即竖向部分)相加,可根据得分情况评价分析工程部位、系统的质量水平程度。
单位工程核查评分汇总单位工程(结构工程)质量评价结果地基与基础工程性能检测项目及评分地基与基础工程质量记录项目及评分地基与基础工程允许偏差项目及评分地基与基础工程观感质量项目及评分混凝土结构工程性能检测项目及评分混凝土结构工程质量记录项目及评分混凝土结构工程允许偏差项目及评分混凝土结构工程观感质量项目及评分钢结构工程性能检测项目及评分钢结构工程质量记录项目及评分钢结构工程允许偏差项目及评分钢结构工程观感质量项目及评分砌体结构工程性能检测项目及评分砌体结构工程质量记录项目及评分砌体结构工程允许偏差项目及评分砌体结构工程观感质量项目及评分屋面工程性能检测项目及评分屋面工程质量记录项目及评分屋面工程允许偏差项目及评分屋面工程观感质量项目及评分装饰装修工程性能检测项目及评分装饰装修工程质量记录项目及评分装饰装修工程允许偏差项目及评分装饰装修工程观感质量项目及评分给水排水及供暖工程性能检测项目及评分给水排水及供暖工程质量记录项目及评分给水排水及供暖工程允许偏差项目及评分给水排水及供暖工程观感质量项目及评分电气工程性能检测项目及评分电气工程质量记录项目及评分电气工程允许偏差项目及评分电气工程观感质量项目及评分电梯工程性能检测项目及评分电梯工程质量记录项目及评分电梯工程允许偏差项目及评分电梯工程观感质量项目及评分注:电梯、自动扶梯、人行道应每台梯单独评价。
智能建筑工程性能检测项目及评分智能建筑工程质量记录项目及评分智能建筑工程允许偏差项目及评分智能建筑工程观感质量项目及评分建筑节能工程性能检测项目及评分建筑节能工程质量记录项目及评分建筑节能工程允许偏差项目及评分建筑节能工程观感质量项目及评分。
陕西省建筑优质结构工程
申报备案表
工程名称
申报企业(章)
申报日期年月日
陕西省建筑业协会制
申报工程概况
申报企业简况及申报理由
说明:
1、表内要求内容必须认真准确填写,工程名称、单位名称等必须填写全称并与合同公章一致
2、施工总承包单位项目副经理人数: 1至3万平方米(含3万)1个,3万平方米以上2个。
有关单位和部门对申报的意见
建筑优质结构工程认定时应提交以下文件和资料
陕西省建筑优质结构工程认定
申报表
工程名称________________
申报单位________________
申报日期_____年___月__日
陕西省建筑业协会制
单位工程质量综合评价
(续表5.2.3)
2.结构工程质量评价
续表6.2.3(结构工程质量记录评分表)
续表6.2.3(结构工程质量记录评分表)
续表6.4.3
有关单位对建筑优质结构工程意见。