《建筑工程施工质量评价标准》(评分表格)
- 格式:doc
- 大小:695.50 KB
- 文档页数:48
表4.2.3施工现场质量保证条件评分表表5.1.3地基及桩基工程性能检测评分表表5.2.3地基及桩基工程质量记录评分表表5.3.3地基及桩基工程尺寸偏差及限值实测评分表表5.4.3地基及桩基工程观感质量评分表表6.1.3结构工程性能检测评分表表6.2.3结构工程质量记录评分表……………………………………………………………精品资料推荐…………………………………………………续表6.2.3结构工程质量记录评分表6.3.3 结构工程尺寸偏差及限值实测评分表表6.4.3结构工程观感质量评分表表7.1.3屋面工程性能检测评分表表7.2.3屋面工程质量记录评分表表7.3.3屋面工程尺寸偏差及限值实测评分表表7.4.3屋面工程观感质量评分表表8.1.3装饰装修工程性能检测评分表表8.2.3 装饰装修工程质量记录评分表表8.3.3装饰装修工程尺寸偏差及限值实测评分表表8.4.3装饰装修工程观感质量评分表安装工程实际工作量分配表表9.1.3 建筑给水排水及采暖工程性能检测评分表表9.1.6建筑给排水及采暖工程质量记录评分表表9.1.9建筑给水排水及采暖工程尺寸偏差及限值实测评分表表9.1.12 建筑给水排水及采暖工程观感质量评分表表9.2.3建筑电气安装工程性能检测评分表表9.2.6 建筑电气安装工程质量记录评分表表9.2.9建筑电气安装工程尺寸偏差及限值实测评分表表9.2.12 建筑电气安装工程观感质量评分表表9.3.3通风与空调工程性能检测评分表表9.3.6通风与空调工程质量记录评分表表9.3.9通风与空调工程尺寸偏差及限值实测评分表表9.3.12通风与空调工程观感质量评分表表9.4.3电梯安装工程性能检测评分表表9.4.6电梯安装工程质量记录评分表表9.4.9电梯安装工程尺寸偏差及限值实测评分表表9.4.12电梯安装工程观感质量评分表表9.5.3智能建筑工程性能检测评分表表9.5.6智能建筑工程质量记录评分表表9.5.9智能建筑工程尺寸偏差及限值实测评分表表9.5.12智能建筑工程观感质量评分表表10.1.5工程结构质量综合评价表表10.2.5单位工程质量综合评价表表10.3.1单位工程质量各项目评价得分汇总表工程施工现场质量管理及质量责任制度审查表表3-1工程主要工序明细表表3-2地基及桩基工程性能检测评分表表4-17。
表4.1.1地基与基础工程性能检测项目及评分表4.2.1地基与基础工程质量记录项目及评分表4.3.1地基及基础工程允许偏差项目及评分表4.4.1地基与基础工程观感质量项目及评分表5.1.1混凝土结构工程性能检测项目及评分表5.1.3混凝土结构工程质量记录项目及评分表5.1.5混凝土结构工程允许偏差项目及评分表5.1.7混凝土结构工程观感质量项目及评分表5.2.1钢结构工程性能检测项目及评分表5.2.3钢结构工程质量记录项目及评分表5.2.5钢结构工程允许偏差项目及评分表5.2.7钢结构工程观感质量项目及评分表5.3.1砌体结构工程性能检测项目及评分表5.3.3砌体结构工程质量记录项目及评分表5.3.5砌体结构工程允许偏差项目及评分表5.3.7砌体结构工程观感质量项目及评分屋面工程性能检测项目及评分屋面工程质量记录项目及评分表6.3.1屋面工程允许偏差项目及评分屋面工程观感质量项目及评分表7.1.1装饰装修工程性能检测项目及评分表7.2.1装饰装修工程质量记录项目及评分表7.3.1装饰装修工程允许偏差项目及评分表7.4.1装饰装修工程观感质量项目及评分表8.1.1给水排水及供暖工程性能检测项目及评分表8.1.3给水排水及供暖工程质量记录项目及评分表8.1.5给水排水及供暖工程允许偏差项目及评分表8.1.7给水排水及供暖工程观感质量项目及评分表8.2.1电气工程性能检测项目及评分表8.2.3电气工程质量记录评分表表8.2.5电气工程允许偏差项目及评分表8.2.7电气工程观感质量项目及评分通风与空调工程性能检测项目及评分通风与空调工程质量记录项目及评分通风与空调工程允许偏差项目及评分通风与空调工程观感质量项目及评分电梯安装工程性能检测项目及评分电梯工程质量记录项目及评分表8.4.5电梯工程允许偏差项目及评分表8.4.7电梯工程观感质量项目及评分表8.5.1智能建筑工程性能检测项目及评分表8.5.3智能建筑工程质量记录项目及评分表8.5.5智能建筑工程允许偏差项目及评分智能建筑工程观感质量项目及评分燃气工程性能检测项目及评分表8.6.3燃气工程质量记录项目及评分表8.6.5燃气工程允许偏差项目及评分燃气工程观感质量项目及评分建筑节能工程性能检测项目及评分表9.2.1建筑技能工程质量记录项目及评分。
《建筑工程施工质量评价标准》(表格)(doc 45页)表4.2.3施工现场质量保证条件评分表工程名称施工阶段基础分部检查日期2009年5月13日施工单位甘肃金山建筑实业集团有限公司评价单位监理单位、建设单位序号检查项目应得分判定结果实得分备注100% 85% 70%表5.1.3地基及桩基工程性能检测评分表工程名称施工阶段基础分部检查日期2009年6月13日施工单位甘肃金山建筑实业集团有限公司评价单位监理单位、建设单位序号检查项目应得分判定结果实得分备注100% 85% 70%1地基地基强度、压实系数、注浆体强度50 90 /92.5地基承载力50 95 /2复合地基桩体强度、桩体干密度(50)/// 复合地基承载力(50)/ /3 单桩竖(50)/ / /桩基向抗压承载力桩身完整性(50)/ /检查结果权重值35分。
应得分合计:实得分合计:地基及桩基工程质量记录评分= ———×35=32.38评价实应人员: 2009年6月13日表5.2.3地基及桩基工程质量记录评分表工程名称施工阶段基础分部检查日期2009年8月12日施工单位甘肃金山建筑实业集团有限公司评价单位监理单位、建设单位序号检查项目应得分判定结果实得分备注100% 85% 70%1材料、预制桩合格证(出厂试验报告)及进场验材料合格证(出厂试验报告)及进场验收记录及钢筋、水泥复试报告30 95 / / 28.5收记录预制桩合格证(出厂试验报告)及进场验收记录(30)/ / /2施工记录地基处理、验槽、钎探施工记录30 100 / /40预制桩接头施工记录(10)/ / /打(压)桩试桩记录及施工记录(20)/ / /灌注桩成孔、钢筋笼、混凝土灌注检查记录及施工记录(30)/ / /检验批、分项、分部(子分部)工程质量验收记录10 100 / /3 施工试验灰土、砂石、注浆桩及水泥、粉煤灰、碎石桩配合比试验报告30 / / / /钢筋连接试验报告(15)95 / / 14.25混凝土试件强度试验报告(15)100 / / 15预制桩龄期及试件强度试验报告(30)/ / / /检查结果权重值35分。
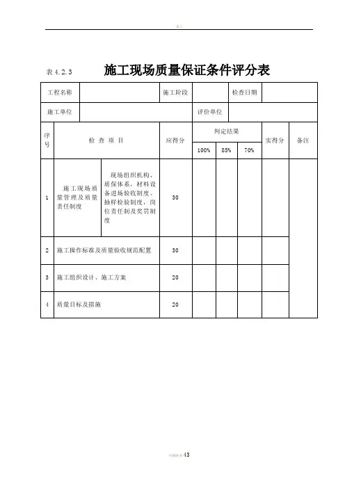
建筑工程施工质量评定标准(评分表)表4.2.3施工现场质量保证条件评分表项目名称、施工阶段检查日期、施工单位评价单位序号检查项目、预期得分、实际得分备注:100p% 1施工现场质量管理及质量责任制现场组织、质量保证体系、材料设备进场验收制度、抽样检查制度、岗位责任制及奖惩制度302施工操作标准及质量验收标准配置303施工组织设计及施工方案XXXX、日期、月份、年份、表10.2.5单位工程质量综合评价表序号检查工程基础和桩基工程评价得分结构工程评价得分(包括地下防水层) 屋面工程评定得分装饰工程评定得分安装工程评定得分备注应得分真实得分应得分真实得分应得分真实得分应得分真实得分应得分真实得分应得分真实得分应得分真实得分1现场质量保证条件1010101102性能测试353030XXXX月日期表10.3.1单位工程质量每项工程评定得分汇总表序号检查工程基础及桩基工程结构工程(包括地下防水层) 屋面工程安装装饰工程安装工程总备注1现场质量保证条件2性能检测3质量记录4尺寸偏差和限值实测5视觉质量总项目施工现场质量管理和质量责任制审查表3-1A B0.50P结==F 93.94A B1 B2 B30.50P结==F A B G 0.50P结==计价员:年月日表10.2.5单位工程质量综合评定表序号检查项目基础和桩基基础工程评价得分结构工程评价得分(包括地下防水层) 屋面工程评定得分装饰工程评定得分安装工程评定得分备注应得分真实得分应得分真实得分应得分真实得分应得分真实得分应得分真实得分应得分真实得分应得分真实得分1现场质量保证条件1010101102性能测试353030XXXX月日期表10.3.1单位工程质量每项工程评定得分汇总表序号检查工程基础及桩基工程结构工程(包括地下防水层) 屋面工程安装装饰工程安装工程总备注1现场质量保证条件2性能检测3质量记录4尺寸偏差和极限测量5外观质量总工程施工现场质量管理和质量责任制评审表3:优秀评审员:Word模型文本。
表4.2.3施工现场质量保证条件评分表表5.1.3地基及桩基工程性能检测评分表表5.2.3地基及桩基工程质量记录评分表表5.3.3地基及桩基工程尺寸偏差及限值实测评分表表5.4.3地基及桩基工程观感质量评分表表6.1.3结构工程性能检测评分表表6.2.3结构工程质量记录评分表表6.3.3 结构工程尺寸偏差及限值实测评分表表6.4.3结构工程观感质量评分表表7.1.3屋面工程性能检测评分表表7.2.3屋面工程质量记录评分表表7.3.3屋面工程尺寸偏差及限值实测评分表表7.4.3屋面工程观感质量评分表表8.1.3装饰装修工程性能检测评分表表8.2.3 装饰装修工程质量记录评分表表8.3.3装饰装修工程尺寸偏差及限值实测评分表表8.4.3装饰装修工程观感质量评分表安装工程实际工作量分配表表9.1.3 建筑给水排水及采暖工程性能检测评分表表9.1.6建筑给排水及采暖工程质量记录评分表表9.1.9建筑给水排水及采暖工程尺寸偏差及限值实测评分表表9.1.12 建筑给水排水及采暖工程观感质量评分表表9.2.3建筑电气安装工程性能检测评分表表9.2.6 建筑电气安装工程质量记录评分表表9.2.9建筑电气安装工程尺寸偏差及限值实测评分表表9.2.12 建筑电气安装工程观感质量评分表表9.3.3通风与空调工程性能检测评分表表9.3.6通风与空调工程质量记录评分表表9.3.9通风与空调工程尺寸偏差及限值实测评分表表9.3.12通风与空调工程观感质量评分表表9.4.3电梯安装工程性能检测评分表表9.4.6电梯安装工程质量记录评分表表9.4.9电梯安装工程尺寸偏差及限值实测评分表表9.4.12电梯安装工程观感质量评分表表9.5.3智能建筑工程性能检测评分表表9.5.6智能建筑工程质量记录评分表表9.5.9智能建筑工程尺寸偏差及限值实测评分表表9.5.12智能建筑工程观感质量评分表表10.1.5工程结构质量综合评价表表10.2.5单位工程质量综合评价表表10.3.1单位工程质量各项目评价得分汇总表工程施工现场质量管理及质量责任制度审查表表3-1。
表4.1.1地基与基础工程性能检测项目及评分表4.2.1地基与基础工程质量记录项目及评分表4.3.1地基及基础工程允许偏差项目及评分表4.4.1地基与基础工程观感质量项目及评分表5.1.1混凝土结构工程性能检测项目及评分表5.1.3混凝土结构工程质量记录项目及评分表5.1.5混凝土结构工程允许偏差项目及评分混凝土结构工程观感质量项目及评分表5.2.1钢结构工程性能检测项目及评分表5.2.3钢结构工程质量记录项目及评分表5.2.5钢结构工程允许偏差项目及评分表5.2.7钢结构工程观感质量项目及评分表5.3.1砌体结构工程性能检测项目及评分表5.3.3砌体结构工程质量记录项目及评分表5.3.5砌体结构工程允许偏差项目及评分表5.3.7砌体结构工程观感质量项目及评分屋面工程性能检测项目及评分屋面工程质量记录项目及评分表6.3.1屋面工程允许偏差项目及评分表6.4.1屋面工程观感质量项目及评分表7.1.1装饰装修工程性能检测项目及评分表7.2.1装饰装修工程质量记录项目及评分表7.3.1装饰装修工程允许偏差项目及评分装饰装修工程观感质量项目及评分表8.1.1给水排水及供暖工程性能检测项目及评分表8.1.3给水排水及供暖工程质量记录项目及评分表8.1.5给水排水及供暖工程允许偏差项目及评分表8.1.7给水排水及供暖工程观感质量项目及评分表8.2.1电气工程性能检测项目及评分表8.2.3电气工程质量记录评分表表8.2.5电气工程允许偏差项目及评分表8.2.7电气工程观感质量项目及评分通风与空调工程性能检测项目及评分通风与空调工程质量记录项目及评分通风与空调工程允许偏差项目及评分通风与空调工程观感质量项目及评分电梯安装工程性能检测项目及评分电梯工程质量记录项目及评分表8.4.5电梯工程允许偏差项目及评分表8.4.7电梯工程观感质量项目及评分表8.5.1智能建筑工程性能检测项目及评分表8.5.3智能建筑工程质量记录项目及评分表8.5.5智能建筑工程允许偏差项目及评分智能建筑工程观感质量项目及评分燃气工程性能检测项目及评分表8.6.3燃气工程质量记录项目及评分表8.6.5燃气工程允许偏差项目及评分燃气工程观感质量项目及评分建筑节能工程性能检测项目及评分表9.2.1建筑技能工程质量记录项目及评分。
表4.2.3施工现场质量保证条件评分表表5.1.3地基及桩基工程性能检测评分表表5.2.3地基及桩基工程质量记录评分表表5.3.3地基及桩基工程尺寸偏差及限值实测评分表表5.4.3地基及桩基工程观感质量评分表表6.1.3结构工程性能检测评分表表6.2.3结构工程质量记录评分表表6.3.3 结构工程尺寸偏差及限值实测评分表表6.4.3结构工程观感质量评分表表7.1.3屋面工程性能检测评分表表7.2.3屋面工程质量记录评分表表7.3.3屋面工程尺寸偏差及限值实测评分表表7.4.3屋面工程观感质量评分表表8.1.3装饰装修工程性能检测评分表表8.2.3 装饰装修工程质量记录评分表表8.3.3装饰装修工程尺寸偏差及限值实测评分表表8.4.3装饰装修工程观感质量评分表安装工程实际工作量分配表表9.1.3 建筑给水排水及采暖工程性能检测评分表表9.1.6建筑给排水及采暖工程质量记录评分表表9.1.9建筑给水排水及采暖工程尺寸偏差及限值实测评分表表9.1.12 建筑给水排水及采暖工程观感质量评分表表9.2.3建筑电气安装工程性能检测评分表表9.2.6 建筑电气安装工程质量记录评分表表9.2.9建筑电气安装工程尺寸偏差及限值实测评分表表9.2.12 建筑电气安装工程观感质量评分表表9.3.3通风与空调工程性能检测评分表表9.3.6通风与空调工程质量记录评分表表9.3.9通风与空调工程尺寸偏差及限值实测评分表表9.3.12通风与空调工程观感质量评分表表9.4.3电梯安装工程性能检测评分表表9.4.6电梯安装工程质量记录评分表表9.4.9电梯安装工程尺寸偏差及限值实测评分表表9.4.12电梯安装工程观感质量评分表表9.5.3智能建筑工程性能检测评分表表9.5.6智能建筑工程质量记录评分表表9.5.9智能建筑工程尺寸偏差及限值实测评分表表9.5.12智能建筑工程观感质量评分表表10.3.1单位工程质量各项目评价得分汇总表工程施工现场质量管理及质量责任制度审查表表3-1。
表4.2.3施工现场质量保证条件评分表表5.1.3地基及桩基工程性能检测评分表表5.2.3地基及桩基工程质量记录评分表表5.3.3地基及桩基工程尺寸偏差及限值实测评分表表5.4.3地基及桩基工程观感质量评分表表6.1.3结构工程性能检测评分表表6.2.3结构工程质量记录评分表表6.3.3 结构工程尺寸偏差及限值实测评分表表6.4.3结构工程观感质量评分表表7.1.3屋面工程性能检测评分表表7.2.3屋面工程质量记录评分表表7.3.3屋面工程尺寸偏差及限值实测评分表表7.4.3屋面工程观感质量评分表表8.1.3装饰装修工程性能检测评分表表8.2.3 装饰装修工程质量记录评分表表8.3.3装饰装修工程尺寸偏差及限值实测评分表表8.4.3装饰装修工程观感质量评分表安装工程实际工作量分配表表9.1.3 建筑给水排水及采暖工程性能检测评分表表9.1.6建筑给排水及采暖工程质量记录评分表表9.1.9建筑给水排水及采暖工程尺寸偏差及限值实测评分表表9.1.12 建筑给水排水及采暖工程观感质量评分表表9.2.3建筑电气安装工程性能检测评分表表9.2.6 建筑电气安装工程质量记录评分表表9.2.9建筑电气安装工程尺寸偏差及限值实测评分表表9.2.12建筑电气安装工程观感质量评分表表9.3.3通风与空调工程性能检测评分表表9.3.6通风与空调工程质量记录评分表表9.3.9通风与空调工程尺寸偏差及限值实测评分表表9.3.12通风与空调工程观感质量评分表表9.4.3电梯安装工程性能检测评分表表9.4.6电梯安装工程质量记录评分表表9.4.9电梯安装工程尺寸偏差及限值实测评分表表9.4.12电梯安装工程观感质量评分表表9.5.3智能建筑工程性能检测评分表表9.5.6智能建筑工程质量记录评分表表9.5.9智能建筑工程尺寸偏差及限值实测评分表表9.5.12智能建筑工程观感质量评分表表10.15工程结构质量综合评价表表10.2.5单位工程质量综合评价表表10.3.1单位工程质量各项目评价得分汇总表工程施工现场质量管理及质量责任制度审查表表3-1。
表 4.1.1地基与基础工程性能检测项目及评分工程名称建设单位施工单位评价单位判定结果序号检查项目应得分实得分备注100%70%地基承载力1复合地基承载力60桩基单桩承载力及桩身质量检验2地下渗漏水检验203地基沉降观测20合计得分性能检测项目分值40 分。
应得分合计:核实得分合计:查实得分合计应得分合计×40=地基与基础工程性能检测得分=结果评价人员:年月日表 4.2.1地基与基础工程质量记录项目及评分工程名称施工单位序号材料合格证、进场验1收记录及复试报告建设单位评价单位判定结果检查项目应得分实得分备注100%70%钢筋、水泥、外加剂合格证、进场验收记录及复试报告,混凝土进场塌落度测试记录预制桩合格证及进场验收记录、桩强30度试验报告防水材料合格证、进场验收记录及复试报告地基处理、验槽、钎探施工记录预制桩接头施工记录打(压)桩及试桩施工记录2施工灌注桩成孔、钢筋笼、混凝土灌注30记录桩浇筑施工记录防水层施工记录及隐蔽工程验收记录有关地基材料配合比试验报告3施工40试验压实系数、桩体及桩间土干密度试验报告钢筋连接试验报告混凝土试件强度评定报告预制桩龄期及试件强度试验报告防水材料配合比试验报告合计得分质量记录项目分值40 分。
核应得分合计:实得分合计:查地基与基础工程质量记录得分结果实得分合计=应得分合计×40=评价人员:年月日表 4.3.1地基及基础工程允许偏差项目及评分工程名称建设单位施工单位评价单位判定结果序号检查项目应得分实得分备注100%70%天然地基标高及基槽尺寸偏差复合地基桩位偏差180打(压)桩桩位偏差灌注桩桩位偏差2防水卷材、塑料板搭接宽度偏差20合计得分允许偏差项目分值10 分。
核应得分合计:实得分合计:查实得分合计地基与基础工程允许偏差得分= 应得分合计×10=结果评价人员:年月日表 4.4.1地基与基础工程观感质量项目及评分工程名称建设单位施工单位评价单位判定结果序号检查项目应得分实得分备注100%70%地基、标高、表面平整、边坡复合地基180桩头、桩顶标高、场地桩基平整表面质量、细部处理(施2地下防水工缝、变形缝、穿墙管、20预埋件、孔口、坑池等)合计得分核观感质量项目分值10 分。
表4.2.3 施工现场质量保证条件评分表
表5.1.3 地基及桩基工程性能检测评分表
表5.2.3 地基及桩基工程质量记录评分表
表5.3.3 地基及桩基工程尺寸偏差及限值实测评分表
表5.4.3 地基及桩基工程观感质量评分表
表6.1.3 结构工程性能检测评分表
表6.2.3 结构工程质量记录评分表
表6.3.3 结构工程尺寸偏差及限值实测评分表
表6.4.3结构工程观感质量评分表
表7.1.3 屋面工程性能检测评分表
表7.2.3 屋面工程质量记录评分表
表7.3.3 屋面工程尺寸偏差及限值实测评分表
表7.4.3 屋面工程观感质量评分表
表8.1.3 装饰装修工程性能检测评分表
表8.2.3 装饰装修工程质量记录评分表
表8.3.3 装饰装修工程尺寸偏差及限值实测评分表
表8.4.3 装饰装修工程观感质量评分表
安装工程实际工作量分配表
表9.1.3 建筑给水排水及采暖工程性能检测评分表
表9.1.6 建筑给排水及采暖工程质量记录评分表
表9.1.9建筑给水排水及采暖工程尺寸偏差及限值实测评分表
表9.1.12 建筑给水排水及采暖工程观感质量评分表
表9.2.3 建筑电气安装工程性能检测评分表
表9.2.6 建筑电气安装工程质量记录评分表
表9.2.9 建筑电气安装工程尺寸偏差及限值实测评分表
表9.2.12 建筑电气安装工程观感质量评分表
表9.3.3 通风与空调工程性能检测评分表
表9.3.6 通风与空调工程质量记录评分表。
表4.2.3施工现场质量保证条件评分表
表5.1.3地基及桩基工程性能检测评分表
表5.2.3地基及桩基工程质量记录评分表
表5.3.3地基及桩基工程尺寸偏差及限值实测评分表
表5.4.3地基及桩基工程观感质量评分表
表6.1.3结构工程性能检测评分表
表6.2.3结构工程质量记录评分表
表6.3.3 结构工程尺寸偏差及限值实测评分表
表6.4.3结构工程观感质量评分表
表7.1.3屋面工程性能检测评分表
表7.2.3屋面工程质量记录评分表
表7.3.3屋面工程尺寸偏差及限值实测评分表
表7.4.3屋面工程观感质量评分表
表8.1.3装饰装修工程性能检测评分表
表8.2.3 装饰装修工程质量记录评分表
表8.3.3装饰装修工程尺寸偏差及限值实测评分
表
表8.4.3装饰装修工程观感质量评分表
安装工程实际工作量分配表
表9.1.3 建筑给水排水及采暖工程性能检测评分表
表9.1.6建筑给排水及采暖工程质量记录评分表
表9.1.9建筑给水排水及采暖工程尺寸偏差及限值实测评分表
表9.1.12 建筑给水排水及采暖工程观感质量评分表
表9.2.3建筑电气安装工程性能检测评分表
表9.2.6 建筑电气安装工程质量记录评分表
表9.2.9建筑电气安装工程尺寸偏差及限值实测评分表
表9.2.12 建筑电气安装工程观感质量评分表
表9.3.3通风与空调工程性能检测评分表
表9.3.6通风与空调工程质量记录评分表
表9.3.9通风与空调工程尺寸偏差及限值实测评分表
表9.3.12通风与空调工程观感质量评分表
表9.4.3电梯安装工程性能检测评分表
表9.4.6电梯安装工程质量记录评分表
表9.4.9电梯安装工程尺寸偏差及限值实测评分表
表9.4.12电梯安装工程观感质量评分表
表9.5.3智能建筑工程性能检测评分表
表9.5.6智能建筑工程质量记录评分表
表9.5.9智能建筑工程尺寸偏差及限值实测评分表
表9.5.12智能建筑工程观感质量评分表
表10.1.5
工程结构质量综合评价表
表10.2.5单位工程质量综合评价表
表10.3.1单位工程质量各项目评价得分汇总表
工程施工现场质量管理及质量责任制度审
查表
表3-1
1项目部组织机构表施工组织设计
2质量保证体系及运行施工组织设计
3材料、构件、设备进场验收制度施工项目管理制度
4抽样检验制度施工项目管理制度
5项目部人员分工及岗位责任制度施工项目管理制度
6奖罚制度施工项目管理制度
评价结果:良
评价人:年月日。