SB静载称重模块安装使用说明书
- 格式:doc
- 大小:244.50 KB
- 文档页数:1
电子天平TB/THB/NB/NHB系列电子天平技术手册REV:C1,OCT2012 -II-TB/THB/NB/NHB系列电子天平技术手册目录第一章简介 (1)1.1概述 (1)1.2主要功能与特点 (1)1.3系统方块图 (1)第二章按键功能说明 (2)2.1TB/THB/NB/NHB按键图 (2)2.2各按键功能说明 (2)2.3指示说明 (2)第三章操作 (3)3.1使用注意事项 (3)3.2基本操作 (3)3.2.1开关机说明 (3)3.2.2超载警示 (3)3.2.3归零操作 (3)3.2.4扣重操作 (3)3.2.5百分数操作 (3)3. 2.6切换单位 (3)3.3简易计数操作 (4)3.3.1采样操作 (4)3.3.2计数操作 (4)3.4累加操作 (4)3.4.1累加操作注意事项 (4)3.4.2累加操作 (4)3.4.3累加显示操作 (4)3.4.4累加清除操作 (4)第四章参数设定及校正 (5)4.1进入参数设定 (5)4.2基本参数设定 (5)4.2.1设定使用之秤量单位 (5)4.2.2设定背光方式 (5)4.2.3设定打印参数 (5)4.2.4设定串口参数 (5)4.3进入技术参数及校正状态 (6)-Ⅰ-TB/THB/NB/NHB系列电子天平技术手册4.3.1线性校正 (6)4.3.2外部校正 (6)4.3.3显示内码 (6)4.3.4设定零点跟踪范围 (6)4.3.5设定AD转换速率 (6)4.4量程参数设定 (7)第五章打印及通讯 (8)5.1简易故障排除 (8)5.2边接 (8)5.3打印 (8)5.3.1普通打印 (8)5.3.2累加打印 (8)5.3.3计数打印 (8)5.4串行端口通讯说明 (8)第六章附录 (9)6.1简易故障排除 (9)6.2错误代码含义 (9)6.3打印格式 (9)6.3.1普通磅单 (9)6.3.2累加磅单 (9)6.3.3计数磅单 (9)6.4LP50打印样单 (10)6.4.1累加样单 (10)6.4.2普通样单 (10)6.4.3计数样单 (10)6.5功能设定明细表 (10)-IV-TB/THB/NB/NHB 系列电子天平技术手册-1-第一章简介1.1概述欢迎您使用本公司研制的TB/THB/NB/NHB 系列高精度电子天平。
称重模块使用方法由称重传感器构成的称重模块,因其组装灵活,价格便宜,在食品、化工、医药企业的应用有其独到之处。
一、称重模块及其特点1.称重模块简介称重模块是用于传感器的一种实用性结构配件,由顶板、底板、称重传感器及支承螺栓等构成。
根据顶板的不同,分为固定式、半浮动式和全浮动式三种结构,在一个称重系统中,使用一只固定模块,一只半浮动模块,其余为全浮动模块。
一般分为三只一套和四只一套,三只一套用于三点支承,四只一套用于四点支承,称重模块可以非常方便地安装在各种形状的容器上,适用于改造已有设备,无论是容器、料斗还是反应釜,加上称重模块,都可以变成称重系统。
2.称重模块的特点与现成的电子衡器相比,称重模块的最大特点是不受场地限制,组装灵活,维修方便且价格便宜。
地上衡因有秤台,要一定的占地面积,而称重模块安装在容器支承上,不需另外占地。
特别适用于多个容器并列安装而场地窄小的场合,电子衡器的量程和分度值有一定的规格,而称重模块组成的称重系统,量程和分度值可以在仪表允许的范围内,根据需要自行设置。
称重模块维修方便,若传感器损坏,可以调节支撑螺杆将秤体顶起,不必拆除称重模块,就能更换传感器。
另外,称重模块结构简单,因而由称重模块组成称重系统,投资也比较少。
二、称重模块在化工企业的应用化工企业在物料储存和生产过程中大量使用各种储槽和计量槽,但普遍遇到两个问题,一是物料的计量问题,二是生产过程的控制问题。
根据我们的实践,应用电子称重模块,可以较好的解决。
1.称重模块应用于物料计量一般来说,目前贮槽液体的计量,大部分都是采用标尺或流量计来计量的,但这两种方法都以体积计量,然后再根据液体的密度换算成重量,由于密度与温度因素有关,误差比较大,尽管目前有质量流量计,但因价格昂贵,一般很少采用,因而用电子称重模块,直接称出物料的重量比较经济实用。
2.称重模块应用于液位指示和控制液位是化工生产过程的一个重要控制参数,通常液位指示除了现场的液位指示仪表外,一般采用变送器把液位信号转换成标准电信号或汽信号远传至控制室,但这种方法,除了前面所说因密度的变化引起液位的误差外,还有可能因物料结晶、堵塞等造成假液位的情况,严重时甚至会酿成事故。
在化工企业中如何使用称重模块称重模块如何操作称重模块是工作中非常常见的称重仪器,由于与现成的电子衡器相比,最大的特点是不受场地限制,组装快捷,维护和修理便利且价格便宜。
并且称重模块的制作精度也特别高,性称重模块是工作中非常常见的称重仪器,由于与现成的电子衡器相比,最大的特点是不受场地限制,组装快捷,维护和修理便利且价格便宜。
并且称重模块的制作精度也特别高,性能稳定,应用性强。
称重模块适用于化工、石油,电力、建筑等各种行业中,可以有效的帮忙提升工作效率。
但是越来越多的化工企业都在选购称重模块,但是又不确定适不适合。
接下来讲讲在化工企业中如何使用称重模块:1、称重模块使用于物料计量:一般来说,目前贮槽液体的计量,大部分都是接受标尺或流量计来计量的。
但这两种方法都以体积计量,然后再依据液体的密度换算成重量。
由于密度与温度等因素有关,误差比较大,尽管目前有质量流量计,但因价格昂贵,一般企业很少接受,因而用电子称重模块,直接称出物料的重量是比较经济应用的。
2、称重模块使用于液位指示和掌控:液位是化工生产过程的一个紧要掌控参数。
通常液位指示除了现场的液位指示仪表外,一般接受变送器把液位信号转换成标准电信号或气信号远传到掌控室。
但这种方法,除了前面所说因密度的变化引起液位的误差外,还有可能因物料结晶、堵塞等造成假液位的情况,严重时甚至会酿成事故。
另外,因变送器的测量部分直接与被测介质接触,对于一些腐蚀性介质,则需要选用价格昂贵的耐腐蚀材料。
而称重模块不与被测介质直接接触,上述缺点均不存在。
并且称重显示仪可以选用带模拟量输出接口,接到记录仪、调整器上,实现自动记录和掌控。
3、称重模块使用于投料量有严格要求的场合:有一些生产过程对投料量有严格的要求,不少企业都把计量槽直接放在地上衡上来掌控投料量。
但地上衡检修或检定时,需要用吊装设备把计量槽吊下来,比较麻烦。
假如接受电子称重模块,因计量槽本身作为秤体,因而不存在吊装问题,检修比较便利。
一、应用准备1、人员准备人员准备包括以下几方面的内容:1. 做好与本系统相关的计算机系统管理人员、业务管理人员、业务部门操作人员的思想动员,接受计算机管理的一些基本观念,了解计算机管理和人工管理的相同点与不同点。
2. 明确划分各相关人员的权限职责。
系统管理人员负责系统的基本维护工作,如系统的安装、操作员管理、数据管理、系统基础信息设置等;业务管理人员的各种审核、查询权限;业务操作人员,可按其所处的工作岗位设置相应的权限。
如:为磅房的操作员设置录入权限,统计人员设置统计分析的权限等等。
2. 做好上岗人员的培训工作。
通过用实际业务模拟练习系统的使用。
经常阅读系统使用指南或随机帮助,在应用过程中遇到问题,及时咨询并注意积累经验,熟能生巧。
2、制度准备制度准备包括以下几方面的内容:1.制定应用方案和实施计划在使用本系统之前应全面、深入地分析企业自身的业务运作模式和流程,并熟悉本称重管理软件的指导思想、使用方法和数据流程。
应用方案主要解决三个问题:一是如何从手工业务转化为计算机的操作,二是如何有效地控制业务;三是如何实现操作方式、数据处理的标准化及规范化。
实施计划的内容主要是对本系统的安装、培训、数据准备、试运行等工作制定实施步骤。
实施计划要切实可行,企业领导对计算机管理应给予足够的重视和支持,计划实施要严格组织、有序、责任明确。
2.制定计算机管理系统的操作使用管理制度对机房的管理和上机操作等方面制定规则。
3.制定岗位职责制度根据企业的实际情况和本系统的要求,做好在实施计算机管理后有关部门和人员的分工,明确各部门的工作范畴和各个岗位人员的职责。
4.制定计算机管理系统的维护制度明确系统维护的任务、系统维护人员的权限、硬件及软件维护的内容。
建议指定具有一定计算机专业知识的人员专门负责本系统的维护工作。
5.制定业务数据档案管理制度明确业务数据档案管理的作用和内容,制定并规范业务数据档案管理的工作流程。
3、数据准备数据准备是应用准备中最直接、最具体的一环。
称重管理系统平台软件使用说明书目录23478第一节准备工作1.连接称重显示仪表和电脑。
2.插入光盘,安装至美软件的《称重管理系统》。
3.插入加密狗(无需安装驱动)。
4.运行《称重管理系统》。
5.设置“串口调试”。
设置方法:先点击“称重管理”,再点击“附加功能”菜单下的“串口调试”。
根据您当前所使用的仪表选择仪表类型,设置串口参数。
设置正确后按“确定”。
如果设置正确,此时称重界面上的重量显示屏上的数字会和仪表上的重量保持一致。
否则重量显示屏上会显示”8888.88”。
第二节快速入门●假定《称重管理系统》已经按照出厂设定值已正确安装完毕,整个系统已能正常工作。
操作步骤1.打开电脑:打开电源,启动Windows操作系统。
2.运行系统:用鼠标双击桌面上的“称重管理系统V6.0”图标。
3.核对身份:登录对话框出现后,根据”用户编号”选择操作员,输入密码后按回车,或者点击”登录”按钮。
(注:起始密码为空。
)4.称取重量、保存数据、打印标签:当车辆在磅台上停稳后(此时表头信息显示稳定,即:),先输入货物名称,车牌号等相关信息,最后依次点击系统软件会自动称重—保存—打印(需要选择,选打印就会自动打印。
(注意:车牌、货物名称、收货单位和供货单位一定要输入)(操作员可反复进行4~6的操作步骤进行下一次称重。
)5.退出系统:请注意关机前一定要退出本系统,否则可能造成数据丢失。
单击主界面上的“退出系统”,再单击“确定”,即可正常退出本系统。
(建议:系统软件定期备份)6.关闭电脑:单击“开始”菜单,再单击“关闭计算机”。
第三节基础知识称重术语毛重:加上车皮的总重量。
皮重:空车的重量。
净重:货物的重量,净重=毛重-皮重。
鼠标术语单击:按一次鼠标左键。
双击:快速、连续按两次鼠标左键。
右击:按一下鼠标右键菜单上图为菜单,每一个词为一菜单项。
如:“系统管理”,按[ALT+S]即可调用此菜单项;此操作等于在“系统”上单击鼠标。
点击“称重管理”即可调用此菜单项;此操作等于先单击“系统管理”,再单击“称重管理”。
称重模块安装作业指导书
SB0.5-3t模块安装作业指导书使用说明:SB0.5-3t静载模块(B型)依顶板结构不同分为三种安装方式:第一种为固定式、第二种为半浮动式、第三种为全浮动式,现依据半浮动式模块组装为例对安装程序作出说明(三种结构的主要区别为顶板、压头不同(参见图一),其模块组装过程相同)。
图一
三种安装结构的主要区别部件
安装程序说明:
SB0.5-3t静载称重模块(B型)半浮动式安装图解图二部件清单
图三顶板部件组装(顶板部件组装步骤一)第一页(共五页)
图四 顶板部件组装(顶板部件组装步骤二)
图五 底板部件组装(底板部件组装步骤一)
图六 底板部件组装(底板部件组装步骤二)
第二页(共五页)
图七 底板部件组装(底板部件组装步骤三)
图八 模块整体组装(整体组装步骤一)
图九 模块整体组装[整体组装步骤二(模块组装完成)]
第三页(共五页)。
称重模块的应用与安装称重原理WEIGHING PRINCIPLE以一个典型的化学反应釜秤量为例,安装在反应釜底部的三个压式称重模块将釜体的重量信号传至接线盒。
接线盒中并联各路称重模块信号,并可根据各称重模块受载情况调节角差,经过汇集后的重量信号送至称重端或重量变送器。
称重终端或重量变送器将重量信号处理成相应的重量数据。
称重模块原理PRINCIPLES OF WEIGHING MODULE■对于非专业的用户来说,直接使用称重传感器是非常困难的。
■称重模块是一种新型的称重元件,它将称重传感器、负荷传递装置和安装连接件等部件组合在一起,可以非常方便地和各种形状的机械装置相连接,如滚道、平台、立罐、槽罐、料斗等。
■安装了称重模块的系统既可以保证称重传感器的精度高,长期稳定性好的特点,又解决了因安装不当而造成的称重误差。
■使用称重模块的设备测量通常能达到优于万分之五的测重精度。
静载模块安装方式FW/GW WEIGHING MODULE INSTALLATION采用不锈钢材料,有效抵御腐蚀性物质侵蚀。
固定、浮动、半浮动三种结构,可在各种恶劣条件下使用。
动载模块安装方式CW/UW WEIGHING MODULE I NSTALLATION在采用四只动载模块的安装方式中,一般其中两只模块的三面受限位,另外两只模块只在端部限位。
称重模块应用WEIGHING MODULE APPLICATIONS称重模块应用根据称重模块在实际应用中受力特点,称重模块分为两种;静载称重模块与动载称重模块。
静载称重模块适用于只受垂直作用力的场合。
如反应釜、槽罐、储料斗的重量检测。
动载模块适用于作用力较明显的场合。
如平台、生产线、传送带的重量检测。
称重应用WEIGHING APPLIED IN反应釜电子秤反应釜电子称上海称重模块称重原理WEIGHING PRINCIPLE以一个典型的化学反应釜秤量为例,安装在反应釜底部的三个压式称重模块将釜体的重量信号传至接线盒。
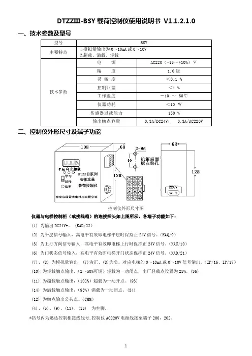
DTZZIII-BSY 载荷控制仪使用说明书V1.1.2.1.0一、技术参数及型号型号BSY主要特点⒈模拟量输出为0~10mA 或0~10V ⒉超载、满载、轻载技术参数电源AC220(-15~+10%)V精度1.0级灵敏度<0.1%控制回差<1%工作温度-10~60℃仪器功耗<10W传感器过载能力150%输出触点容量0.3A/DC24V;0.3A/AC220V二、控制仪外形尺寸及端子功能控制仪外形尺寸图仪器与电梯控制柜(或接线箱)的连接插头如上图所示,各端子功能如下:(1)为输出DC24V+。
(KAD/22)(2)为平层信号输入,高电平有效即电梯平层时保持正24V 信号。
(KAQ/9)(3)为上行方向信号输入,高电平有效即电梯上行时保持正24V 信号。
(KAU/10)(6)为门状态信号输入,高电平有效即电梯开门状态保持正24V 信号。
(KAD/21)(7)、(8)为模拟量输出,(7)为正、(8)为负。
对应电梯的0~10mA 或0~10V 信号输出。
(IP/16、IP/17)(10)为轻载触点输出,(2~50%可调)轻载为一动闭点,出厂轻载点设置为25%。
(36)(11)为超载触点输出,(102%)超载为一动开点。
(93)(14)为满载触点输出,(95%)满载为一动闭点。
(34)(12)为触点输出公共点。
(CMM)(4)、(5)、(9)、(13)、(15)为空脚。
*括号内为迅达控制柜接线线号,控制仪AC220V 电源线接至端子200,202。
控制仪控制插头端子功能与线号对照表三、控制仪的安装尺寸及安装方法a、控制柜安装b、控制仪安装配件尺寸控制仪安装尺寸图如果控制仪直接安装在电梯控制柜中,可以用M6的螺栓,按照图a直接将控制仪安装在控制柜里面;如果需要安装在别的地方,可以将两个安装附件(图b所示)固定在机箱后面(图a的两个M6螺纹),之后再将控制仪安装配件固定到需要的位置。
四、传感器的安装传感器安装图注:1.附加绳头板厚度为20~25mm,外尺寸超出孔外边30mm左右。
称重管理系统说明第一章软件的安装及使用用户设置功能:满足系统的个性设置,完成串口通讯, 用户自定义的磅单和报表格式 ,修改当前用户的登录口令, 系统设置及用户权限设置等功能。
数据库设置功能:数据库设置, 数据备份设置, 数据初始化和日志管理功能等。
数据维护功能:进行基础数据库(车皮信息, 货物名称, 规格, 收货单位, 发货单位, 运输单位, 货物流向, 地区代码, 备用字符(1-8)订单信息)的添加, 修改, 删除等维护和数据导入。
查询打印功能:提供报表查询打印, 交易数据查询打印功能等。
手工补单功能:满足在特殊情况下的手工输入称重记录的功能。
车号配对称重:第一次称重点击‘继续’按钮,清空信息录入区内容,录入车号、货品、客户,按‘‘读数’’按钮,读取重量信息到毛重框,按‘存盘’按钮,系统将数据保存到未完交易数据中。
第二次称重输入车号信息,或者双击相应的临时数据,系统自动在未完成交易数据中查找该车信息,按‘读数’按钮,系统比较2次重量的大小,将大重量显示在毛重栏,小重量显示在皮重栏,自动计算出净重并显示在净重栏,再根据需要录入其它相关信息(入出仓库,单价,扣杂等),按‘存盘’按钮,系统将数据保存到交易数据中,并删除未完交易数据库中该车的过车记录。
标准称重在数据库中已有车辆皮重的情况下,使用标准称重方式,具体操作如下:按信息录入区‘继续’按钮,清空信息录入区内容(若在快捷录入区有选择,之前的相应信息会保留)),输入车号后,系统将车辆信息库中车皮重信息读入到皮重栏中,输入货名,规格,单位等信息,按‘读数’按读数按钮,将数据采集到毛重栏。
若在备用数值字段设置了计算公式,系统会按照设置内容自动计算并显示计算结果。
按‘保存’按钮,系统将数据库保存到交易数据库中。
在数据库中无该车皮重的情况下,使用标准称重方式,与配对称重方式的操作相同。
简单称重在汽车衡上临时称量货物,或称量带包装物的货物(在仪表端置皮)的情况下,使用简单称重。
地址:宁波市江北区长兴路199号(江北投资创业园C 区) 电话:86-574-87562273 87562269 87562264 87562262
注:安装前请检查安装螺杆预紧力,如有松动请先预紧后安装!
2、安装方式
固定式半浮动式全浮动式
径向安装方式 切向安装方式 矩形安装方式
称重系统一般由一个固定模块,一个半浮动模块及若干个浮动模块组成,半浮动模块须安装在固定模块的对角;固定模块的安装支点不会产生水平位移,因此在系统设计过程中,管道和电气连接部分应靠近该点;半浮动和浮动模块使系统能围绕固定点移动,消除容器变形对称重产生的影响。
3、现场安装注意事项
安装前请检查基础状况:各安装点平面落差控制在3 mm 以内,同一基础面水平度应控制在1mm/ m 以内,基础承载能力要求大于传感器的量程。
注:设备调试过程中,若出现角差偏差过大、仪表回零较差、砝码加载后重量值偏小或无变化,请检查模块限位部分有无卡死或轻微摩擦影响;检查设备外围硬件连接有无外力影响,例如:管道的死连接对称重的影响。
称重模块安装调试一、模块介绍以及相关的安装要求(以静载悬臂模块为例、适用侧向力较小静载荷称重场合)实物图如下:安装要求:(以全浮动模式为例)1、每个称重模块的安装基础(地面或钢平台)的平面度应在3mm 以内。
2、每个模块的基础即地板应在同一水平面内在3mm以内。
(如上图A)。
3、每个模块的顶板必须在同一水平面内(如上图B,即每个模块安装后顶板到地板之间的距离C必须一致)4、在调节以上水平时通过旋转传感器承压头,始终保证承压头和上顶板贴紧状态(保证安装后良好的受力效果)。
安装后调节,以下图为例:注:此时每个模块上下板年之间的距离依旧是一致的,每个模块水平度不超过3mm1、松开支撑螺栓,保证每个模块上图1和2位置螺栓和上下板之间是活动的,可以轻松转动3位置,整个螺栓是松动的(即保证此时传感器承压头完全受力,其余部分不受力,否则将影响测试准确)2、之后根据现场情况,将两个螺母分别调整至如下图位置以防止平台倾斜或者严重过载时损坏模块。
注:上下均留有缝隙、整个螺栓依旧可以活动二、电气接线1、根据现场所采用的接线盒,上面会标注每个传感器模块对应的号码,根据说明,完成接线。
(以现场图纸为准)黑色————————E-(传感器电源负)红色————————E+(传感器电源正)绿色————————S+(传感器信号正)白色————————S-(传感器信号负)称重显示控制仪接线如上注:安装后站到线体上即对应每个模块的正上方,查看显示仪此时的数值;观察站立在不同模块上方时的数值变化,数值必须基本一致,不能相差太多。
若数值相差较多则说明安装不水平或存在其他安装问题。
三、智能显示控制仪的调校1、接线2、操作面板介绍3、仪表参数及密码一览点击set键,选择对应的密码,再次点击set键进入对应菜单的设置界面。
4、报警参数的设置点击SET进入菜单,输入密码10点击SET进入设置界面,一般均选择上限报警。
在接线时可选用对应的报警1-报警4的常开或常闭接入PLC.在程序中对超重报警做处理。
静载试验所谓桥梁静载试验,是将静止的荷载作用在桥梁上的指定位置,然后对桥梁结构的静力位移、静力应变、裂缝等参量进行测试,从而对桥梁结构在荷载作用下的工作性能及使用能力作出评价。
静载试验是桥梁结构试验中最大量、最常见的基本试验。
因为桥梁结构工作时所受的荷载主要是静力荷载,其自重当然属于静力荷载,就是荷载位置随时间而变的移动车辆荷载,在设计计算时一般也是作为静载来考虑的。
这样做的原因,一方面是:因为区分静力问题与动力问题的主要标志,并不是与结构受力状态有关的各物理量是否随时间变化,而是由结构的运动加速度引起的惯性力是否已经大到不可忽略的程度,通常由移动车辆荷载引起的结构反应的动态增量部分只占全部反应的极小部分;另一方面,将移动车辆荷载作为动力问题来考虑,分析起来过于复杂,因此,常用将静力荷载乘以冲击系数的办法来近似考虑移动车辆荷载的动力影响。
桥梁结构静载试验,一般可以通过重力或其他类型的加载设备来实现,并能满足试验要求。
静载试验的加载过程,是从零开始逐步递增,一直到预定的荷载为止。
静载试验是了解结构特性的重要手段,不仅用它来直接解决结构的静力问题,就是在进行结构动力试验时,一般也要先进行静载试验,以测定结构有关的特性参数。
静载仪器的安装及操作1、仪器的安装:1)打磨待测点表面:用砂纸或钢刷或角磨机等将待测点表面打磨干净;打磨面积以粘贴基座面为准,间距150㎜左右(因传感器标距为150mm);打磨好后,用基座模板放贴上去比一下,看基座模板放上去是否是水平的。
如果模板放上去有点翘,用铲子铲一下打磨点,调节使模板放上去大致能水平。
然后用酒精湿润过的脱脂棉擦拭打磨表面。
2)粘胶:将两个基座分别用螺丝固定在模板两端,在基座底表面捻上粘胶502;3)固定基座:将此模板轻轻扣安在欲测试体表面,约等3~5分钟,让粘胶稍微干即可,松揩螺丝,轻取下模板;(在基座四周涂上302胶可以让基座粘的更牢固)4)至此,用来固定数码应变传感器的基座粘贴完成,将数码应变传感器用螺丝固定在基座上。
第三节称重模块安装施工方案1.工程概况The Owner:Changshu Coatex Additives Co., Ltd业主:常熟高泰助剂有限公司Project Management Company:WorleyParsons China(hereafter “WP C”)工程管理公司:北京沃利帕森工程技术有限公司(以下简称WPC)Project Location:Jiangsu Hi-Tech Fluorine Chemical Industrial Park, Changshu city, Jiangsu Province项目地点:江苏省常熟市江苏高科技氟化学工业园阿科玛(常熟)孔雀项目现场Project Name:MEI work for Arkema Peacock Project项目名称:阿科玛(常熟)孔雀项目机电工程称重模块安装一览表:2.编制依据2.1 连云港美盛沃利工程有限公司提供的施工图2.2上海韦联自动化系统有限公司提供的安装说明书2.3 《石油化工工程起重施工规范》 SH/T3536-20022.4 《实用五金手册》2.5 《石油化工施工安全技术规程》 SH3505-19992.6 美盛沃利及阿科玛孔雀项目相关规定3.安装工艺3.1 基础放线在验收合格的基础上放线,本装置的设备都是由三条支腿支撑,根据设备平面布置图在基础上画出支腿的中心线和标高线,3.2称重模块假件制作将假件按称重模块图纸加工,经业主验收合格后方可使用3.3设备顶升用千斤顶将设备顶升,以10mm/次的速度顶升,同步添加垫板,以便安装称重模块。
3.3下过渡板安装根据安装使用说明书和设备平面布置图,将下过度版安装在基础预埋钢板上,三块下过渡板安装要求:标高相差1mm,中心线相差1mm.三块过渡板水平偏差为0.05mm,通过不锈钢薄铁皮将三块下过渡板安装符合要求后,将其与预埋件焊接,采用定位焊接。
3.3 称重模块假件安装将组装完成的称重模块假件安装在下过渡板上3.4上过渡板安装根据安装使用说明书,将上过渡板安装在称重模块上,再将设备吊放在上过渡板上,用不锈钢薄铁皮将上过渡板与柱脚板之间的间隙塞实,确保称重模块受力均匀。
静载试验操作指导书作者:rstang本文简要阐述了用岩海公司智能静载试验测试仪RS-JY系列做静载荷试验的操作过程,以及简明阐述了仪器监控实验过程,加压控制过程等等(一)现场踏勘收集所测试场地的地质资料,主要包括以下几个方面。
1.桩,地基或岩基的地理位置,地质概况,场地性质,以备撰写报告!2.桩基,地基的平面布置图,考察反力装置的可行性!反力装置常用的有两种,不管怎么样都应该讲求一种对称原则,一种是锚桩(杆)或地锚反力装置,如果是锚桩就得估计一下桩的侧摩擦力f和桩的自重N,以及考虑锚筋的强度,确定选用几个锚,n=G/2(f+N),1.2是一个保险系数,即一般至少是最大加载量的1.2倍以上,G为桩或地基预估极限承载力,也就是最大加载量,必要时按甲方的要求。
用桩做锚还要求把桩处理,露出一定长度的一节钢筋(即锚筋),至少要求是20cm以上,用扁担梁或者直接用螺栓拉杆,把桩上钢筋用焊接方式连到扁担梁上或拉杆上,用桩的自重和侧摩擦力做反力!锚桩反力装置多用在我国的北方地区。
因为北方的地层比较坚实,抗拔性较好,所以多用锚桩反力装置,这样不仅可以节约成本,节约开支,还可以节省时间。
但是使用这种方法,要注意观测锚桩抗拔性,以避免锚桩上拔量过大,把锚桩给破坏掉了。
200吨堆载实物示意图用地锚主要是下面这种样式,如下图2所示,前面是螺旋式的钻头,人工或机械旋进后,可加一些连杆,连杆用插梢连起来,就可以旋到需要的深度了!多少个锚要视锚的截面以及深度而定,要保证n*A*h*p=1.2G n为锚的个数,A为锚的螺旋有效截面积,h为螺旋插入,p为螺旋上层土的平均密度,G为桩或地基预估极限承载力,也就是最大加载量,必要时听甲方的要求。
地锚反力装置常用在公路路基检测中!还有一种是堆载反力装置(如图1所示),上面堆载重量也要求是G的1.2倍以上,不一定是钢锭,如砂包,钢管,水,水泥块等等均可堆载方式和锚桩反力装置。
但是不管使用那一种荷载方式都必须在搭好架子的基础上堆载,多建在比较坚实的地基上,上面垫上沙包,木头,铁块等物,这样可避免了不必要的时间、人力、物力浪费以及意外事故。