计算机联锁接口设计规范
- 格式:doc
- 大小:568.00 KB
- 文档页数:45
可编辑列控中心与联锁接口规范(报批稿)1 范围本标准规定了列控中心(以下简称TCC)与车站计算机联锁(以下简称CBI)通信接口、应用数据格式、通信异常处理,数据字典等要求。
本标准适用于客专CTCS-2级和CTCS-3级列控系统下的TCC子系统与CBI子系统之间的接口,包括与客专线路衔接的接口站。
2 规范性引用文件下列文件对于本文件的应用是必不可少的。
凡是注日期的引用文件,仅注日期的版本适用于本文件。
凡是不注日期的引用文件,其最新版本(包括所有的修改单)适用于本文件。
(1)科技运〔2008〕34号《CTCS-3级列控系统总体技术方案》(2)科技运〔2010〕138号《列控中心技术规范》(3)运基信号〔2009〕532号《RSSP-I铁路信号安全通信协议(V1.0)》(4)运基信号〔2009〕716号《无配线车站信号系统技术方案》(5)运基信号〔2009〕719号《信号系统与异物侵限监控系统接口技术条件》(6)运基信号〔2010〕532号《列控系统设备和相关设备编号规则(V1.0)》3 通信接口3.1TCC与CBI间采用RJ45以太网接口连接,设备与通信网络均按冗余配置,如图1,TCC与CBI之间数据传输采用UDP协议。
图 1 TCC与CBI连接示意图3.2TCC与CBI间通信应采用RSSP-I铁路信号安全通信协议(V1.0)。
3.3TCC与CBI间按200ms至500ms固定周期交互数据。
3.4每系每个端口与外部设备两系的对应端口(本系A口与对方两系的A口,本系B口与对方两系的B 口)均建立通信链接。
3.5双系同步时,主备系设备向外部设备的主备系发送相同的应用数据,备系数据仅用于通道检查。
3.6当中继站TCC控制无配线车站时,CBI应与该站TCC直接建立通信。
4 应用数据格式4.1CBI发送的数据包表 1 车站联锁数据包内容4.2CBI发送应用数据块4.2.1区间方向控制命令数据块表 2 区间方向控制命令数据块4.2.1.1每个发车口,CBI应向TCC发送以下信息:1)FQJ:发车请求继电器,在选路过程中吸起,进路信号开放后落下;2)FSJ:发车锁闭继电器,进路锁闭后落下,进路解锁后吸起;3)JFAJ:接车辅助按钮继电器,办理辅助接车时该继电器吸起;4)FFAJ:发车辅助按钮继电器,办理辅助发车时该继电器吸起。
计算机联锁设计分析我们现有的电气集中联锁设计,一般模式为设计单位编制设计图纸和设计说明书,主要内容包括:①运输作业配置、②设备配置、③故障安全设计、④电路原理图设计、⑤电路配线图设计、⑥房屋/环境配置等,其中①③④包含软件的概念,基本出于大站6502、6504电路的设计思想,特殊部分需要设计工程师进行现场调查,特别之处在设计说明书中指出。
但是,计算机联锁的设计则有所不同。
目前,国铁车站的计算机联锁系统核心设备是由四大研制厂家提供,原来由设计院单独承担的硬件设计和软件设计,逐渐分解为,设计单位更多地关注接口电路、场间联系、电码化电路以及室外部分等硬件电路和配线设计工作,而对涉及①③④包含软件的概念内容,如控制界面、联锁逻辑、信号机显示联系、车站操作方式、进路选排等软件设计细节,逐渐转移到计算机联锁设备研制单位。
因此设计质量的提高,转换为依赖上述两部分设计人员的共同努力和相互配合。
而完美的设计配合,能够提高设计质量,避免设计错误、防止返工等问题,从而保证系统安全运用。
2 车站计算机联锁系统的硬件设计2.1 计算机联锁系统的体系结构计算机联锁系统硬件设计质量的提高,依赖于设计单位对系统设备的详细了解,尤其是对车站计算机联锁系统的体系结构的了解。
设计过程中,需要设计者了解主要设备的组成、工作原理、站场的特殊需求、用户的特殊要求、配线方式等因素。
2.2 技术建议书设计单位的工程师,如果初次接触计算机联锁系统的设计,应该首先阅读设备投标单位编制的《技术建议书》,详细介绍了计算机联锁系统的主要功能、主要设备数量、主要技术条件、主要限制条件、主要技术参数等内容。
其中,主要功能包括设备所能实现的功能,各个设备之间的联系关系,计算机系统的工作方式是双机热备还是三取二,是否有单钩溜放或连续溜放等;主要设备数量包括设备配置、数据通道配置等;主要技术条件包括采集驱动电路原理,防雷设备工作原理、采集、驱动实现方式,接口电路设计等;主要限制条件包括房间、空调、故障-安全保证措施的处理、电源线径的选用等。
计算机联锁系统人机接口标准The standard of the human-computer interface for computer basedinterlocking systems(讨论稿)前言本标准的制定是为了规范和统一计算机联锁人机接口模式,以方便实际应用和适应铁路发展的需要。
本标准是计算计联锁的系列标准之一。
本标准由提出并归口。
本标准起草单位:同济大学,中国铁道科学研究院,北京全路通信信号研究设计院有限公司,北京交大微联科技有限公司,卡斯柯信号有限公司。
本标准的主要起草人:徐中伟,梅萌,崔新民,师秀霞,黄翌虹,莫运前,韩安平。
本标准为首次发布。
1 范围本标准规定了计算机联锁系统人机接口的设计、编制和实现的统一要求。
本标准适用于车站计算机联锁的研究、设计。
工程、运营和维修部门可参照执行。
2 规范性引用文件下列文件中的条款通过本标准的引用而成为本标准的条款。
TB/T 3027-2002《计算机联锁技术条件》TB/T 2893-1998《铁路信号彩色屏幕显示图形符号》TB/T 2307-92《电气集中各种结合电路技术条件》3 总则3.1 计算机联锁系统人机接口主要用于显示车站信号设备的拓扑结构和状态信息、操作按钮的设置与分布、站场名和相关提示与报警信息,并提供计算机联锁操作手段。
3.2 人机接口显示的一般要求:(1)清晰准确,比例协调,布局合理;(2)画面元素不能重叠无序;(3)线条不能有明显锯齿;(4)画面同一类标识字体一致;(5)画面的斜线角度基本一致;(6)表示到发线的线条间距统一。
3.3 人机接口可根据站场的规模以单屏或多屏的方式组成,并提供显示设备备用显示方案。
3.4 人机接口设计应以简洁明了为总原则,站场名通常应设置在人机接口的正上方。
3.5 人机接口的背景色为黑色,总体布局格式参见图1,人机接口主要元素的颜色和尺寸参见表1。
表1 人机接口要素说明表图1 人机接口总体布局示意图4 屏幕显示屏幕显示按站场信号平面布置图设计,值班员面对屏幕看,屏幕上模拟站场图的上、下咽喉,必须与室外实际站场的上、下行咽喉方向一致,不能相反。
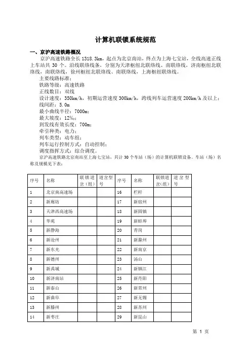
计算机联锁系统规范一、京沪高速铁路概况京沪高速铁路全长1318.3km,起点为北京南站,终点为上海七宝站,全线高速正线上车站共30个。
沿线联络线条,分别为天津枢纽北联络线、南联络线,济南枢纽北联络线,南联络线,徐州枢纽北联络线、南联络线,上海枢纽联络线。
主要线路标准;铁路等级:高速铁路正线数目:双线设计速度:350km/h,初期运营速度300km/h,跨线列车运营速度200km/h及以上;线间距:5.0m最小曲线半径:7000m;最大坡度:12‰;到发线有效长度:700m;牵引种类:电力;列车类型:动车组;列车运行控制方式:自动控制;调度指挥方式:综合调度。
京沪高速铁路北京南站至上海七宝站,共计30个车站(场)的计算机联锁设备。
车站(场)名称及规模见下表:名词术语CTCS 中国列车运行控制系统RAMS可靠性,可用性,可维护性,安全性。
可靠性在规定的工作条件下和规定的时间内,设备完成规定功能的的能力,它的概率度量是可靠度。
可用性设备在某时刻具有或维持其规定功能的能力,它的概率度量是可用度;可维护性在规定使用条件下的设备,在规定时间之内,按照规定的程序和方法进行维修时,保持或恢复到能完成规定功能状态的能力,它的概率度量是维修度;安全性设备免除不可接受的风险的能力,它的概率度量是安全度;平均故障间隔时间(MTBF)设备连续发生两次故障之间的平均间隔时间;基本进路和变通进路站内由一点向另一点运行有几条径路时,规定常用的一条径路为基本进路,其它径路为变更进路;通过进路列车经正线通过车站,进路上道岔位置均开通直向位置的列车进路。
二、设备功能需求1、主要设计原则(1)系统应满足高速铁路各种规模车站运输作业的需要,保证行车安全。
※(2)系统必须具有高可靠性,并符合故障-安全原则。
※(3)系统在一处故障时,如果发生错误办理的情况,不得产生危险侧输出。
(4)系统应能实现对区间道岔、区间中继站等远程设备的集中控制。
(5)系统应具有对区间和站内轨道电路、点式设备的编发码功能。
计算机联锁标准站信号平面布置图设计说明一、 计算机联锁标准站规模和基本联锁锁功能设联锁道岔75组,含客站、到达场、编发场三个车场。
客站到发线为6条,到达场推送线为4条。
与到发场设有L1G、L2G两条联络线,编发场设两条编发线。
基本联锁功能按技术条件要求设计。
二、 区间结合X、XF、 S、 SF口按四显示设计,设四线制改方电路,列车正向运行时为自动闭塞,反向运行时为自动站间闭塞,列车最高运行速度为200km/h。
XD口按单线双方向三显示自动闭塞设计,设四线制改方电路,列车最高运行速度为120km/h。
SX口按64D单线半自动闭塞设计,列车最高运行速度为120km/h。
全站统一按四显示设计。
三、接近锁闭区段对于列车运行速度为200km/h区段,正线进站信号机的接近锁闭区段暂按三个闭塞分区设计,为与继电联锁统一,可不区分信号显示,引导接车时,只设一个闭塞分区作为接近区段。
通过进路时,出站信号机按三个闭塞分区设计,发车时,只设股道为接近区段。
对于列车运行速度为120km/h区段,按原技术条件设计。
四、到达场与驼峰联系TF1G、TF2G、TF3G、TF4G设推送进路,可向两条推送线T1G、T2G 办理推送进路,两条推送线可同时办理推送进路,并具有预推功能,设驼峰联系电路,推送进路为列车进路,与驼峰的结合电路执行继电联锁的技术条件。
五、编发线与驼峰联系电路B1G、B2G为编发线,办理向到发场发车时,与驼峰设联系电路,结合电路执行继电联锁的技术条件。
六、两场间有列车进路,但无列车信号机防护,进路分段办理编发线及XL、X5办理向到发场(经L2G)的发车进路时,由于到发场入口只设D101调车信号机,无列车信号机防护,发车进路需分段的方式由两场分别办理。
到发场的D101信号机设虚拟列车信号,两场的进路可单独办理,但XB1、XB2、XL、X5开放信号时,需检查到发场D101的虚拟列车信号条件,并将本站的进路锁闭条件送至到发场,在进路建立起来后,若本站的进路未取消、解锁,邻站只能关闭信号,进路不能解锁。
计算机联锁接口设计规范编写—审核—___________版本—___________日期—____年___月___日一、总则 (4)二、采集、驱动信息说明 (5)(一)、基本采集信息: (5)(二)、特殊采集信息: (10)(三)、基本驱动信息: (12)(四)、防护用特殊驱动信息: (15)三、设计院需告知的内容说明 (18)(一)、轨道停电 (18)(二)、引导总锁闭 (18)(三)、发车方向继电器 (18)(四)、接近延长 (18)(五)、点灯电路 (20)四、计算机联锁系统与站内各种电路结合说明。
(22)(一)、64D半自动闭塞 (22)(二)、四线制自动闭塞 (25)(三)、场间联系 (28)(四)、站间联系 (30)(五)、道口通知 (32)(六)、机务段联系 (34)(七)、推峰进路 (36)(八)、编发线与驼峰照查电路 (38)(九)、非进路调车 (39)(十)、溜放 (40)(十一)、坡道延续进路 (41)(十二)、到发线出岔 (41)(十三)、局控道岔 (41)(十四)、跨场进路 (42)(十五)、与编组场衔接道岔照查电路 (44)一、总则为适应铁路运输生产安全的需要,提高计算机联锁厂家与设计院沟通、配合的效率,并减少因沟通不充分而产生的人为错误,因此,需要统一计算机联锁系统接口设计标准。
本规范适用于与继电电路结合的计算机联锁系统的接口设计,不适用于全电子联锁系统。
由于不同的联锁厂家对各自联锁系统会有一些特殊要求,所以本规范中所列举的采集、驱动信息可能不能做到全部体现,故还需设计院与相应联锁厂家进行必要的沟通。
不同型号的联锁系统与站内各种电路结合时,对继电器的驱动时机可能会有不同,本规范中所述为铁科院联锁系统的情况,其他联锁系统的具体情况还需设计院与相应联锁厂家沟通。
本规范分为以下几个具体部分:(一)、采集、驱动信息说明;(二)、设计院需告知的内容说明;(三)、计算机联锁系统与站内各种电路结合说明。
计算机联锁系统规范一、京沪高速铁路概略京沪高速铁路全长 1318.3km,起点为北京南站,终点为上海七宝站,全线高速正线上车站共 30 个。
沿线联系线条,分别为天津枢纽北联系线、南联系线,济南枢纽北联络线,南联系线,徐州枢纽北联系线、南联系线,上海枢纽联系线。
主要线路标准;铁路等级:高速铁路正线数目:双线设计速度: 350km/h,早期营运速度 300km/h,跨线列车营运速度200km/h 及以上;线间距: 5.0m最小曲线半径: 7000m;最大坡度: 12‰;到发线有效长度: 700m;牵引种类:电力;列车种类:动车组;列车运行控制方式:自动控制;调动指挥方式:综合调动。
京沪高速铁路北京南站至上海七宝站,合计 30 个车站(场)的计算机联锁设备。
车站(场)名称及规模见下表:序号联锁道道岔型序号联锁道道岔型名称名称岔(组)号岔(组)号1北京南高速场16栏杆2新廊坊17新宿州3天津西高速场18新固镇4华苑19新蚌埠5新静海20青岗6新沧州21新滁州7新东光22新南京8新德州23汤山9新禹城24新镇江10新济南站25新丹阳11新泰山26新常州12新曲阜27新无锡13新滕州28新苏州14新枣庄29新昆山七宝高速15新徐州站30场名词术语CTCS中国列车运行控制系统RAMS靠谱性,可用性,可保护性,安全性。
靠谱性在规定的工作条件下和规定的时间内,设备达成规定功能的的能力,它的概率胸怀是靠谱度。
可用性设备在某时辰拥有或保持其规定功能的能力,它的概率胸怀是可用度;可保护性在规定使用条件下的设备,在规准时间以内,依照规定的程序和方法进行维修时,保持或恢复到能达成规定功能状态的能力,它的概率胸怀是维修度;安全性设备免去不行接受的风险的能力,它的概率胸怀是安全度;均匀故障间隔时间( MTBF)设备连续发生两次故障之间的均匀间隔时间;基本进路和变通进路站内由一点向另一点运行有几条径路时,规定常用的一条径路为基本进路,其余径路为更改进路;经过进路列车经正线经过车站,进路上道岔地点均开通直向地点的列车进路。
计算机联锁系统技术规格书一、使用的条件:中煤新集二矿站计算机联锁设备采用硬件冗余制式计算机联锁设备,执行部分采用执行单元,控制与表示采用鼠标+显示器方式。
矿站道岔动作采用ZD6-D型转辙机,6组道岔,信号机采用色灯信号机,轨道电路采用25HZ轨道电路,满足新集二矿站铁路安全运输需要。
二、名称及数量名称:计算机联锁系统包含轨道测试盘、微机监测、电务维修机、电源屏、综合防雷系统、46Itf防静电地板的安装、调试及电缆、光缆、机柜和备件等所有相关配套设施。
数量:1套.三、技术要求(一)微机联锁技术要求1、计算机联锁系统由电源子系统、控显机子系统、联锁运算子系统、电务维修子系统和执行单元等设备构成。
计算机联锁设备是以计算机为主要技术手段实现车站联锁的信号控制设备。
计算机联锁应能满足各种车站(场)规模和运输作业的需要,应保证行车安全,并具备大信息量和联网能力,支持区域联锁功能。
2、采用全电子联锁,硬件冗余制式的硬件结构。
3、计算机联锁处理子系统采用二乘二取二的热备冗余方式。
4、计算机联锁系统接口标准符合国家铁路局发布的《调度集中与计算机联锁接口规范》。
联锁操作方式分为本地和远程控制方式,远程和本地能够自由切换,远程在一矿站操作室控制,本地在二矿站操作室操作。
通信光缆由甲方敷设。
5、计算机联锁软件通过原铁道部产品质量监督检验中心铁路车站计算机联锁检测站的第二版标准站及以上的相关检验报告。
6、联锁计算机在发生一处故障与一次错误办理同时存在的情况下,不得产生危险侧输出。
计算机联锁系统的硬件和软件结构必须实现模块化、标准化、定型化,与其他信息通信时,应遵循规定的通信协议,符合《铁路技术管理规程》(铁总科技[2014]172号)及现行技术条件、标准、规范。
(二)微机监测技术要求1、信号微机监测系统应满足运基信号[2006]317号《信号微机监测系统技术条件(暂行)》有关技术要求,符合中国铁道行业相关技术条件及行业标准的要求,并按照经规定程序批准的图样及技术文件制造,必须通过中国国家有关权威机构的认证和质量检测。
计算机联锁系统规范一、京沪高速铁路概况京沪高速铁路全长1318.3km,起点为北京南站,终点为上海七宝站,全线高速正线上车站共30个。
沿线联络线条,分别为天津枢纽北联络线、南联络线,济南枢纽北联络线,南联络线,徐州枢纽北联络线、南联络线,上海枢纽联络线。
主要线路标准;铁路等级:高速铁路正线数目:双线设计速度:350km/h,初期运营速度300km/h,跨线列车运营速度200km/h及以上;线间距:5.0m最小曲线半径:7000m;最大坡度:12‰;到发线有效长度:700m;牵引种类:电力;列车类型:动车组;列车运行控制方式:自动控制;调度指挥方式:综合调度。
京沪高速铁路北京南站至上海七宝站,共计30个车站(场)的计算机联锁设备。
车站(场)名称及规模见下表:名词术语CTCS 中国列车运行控制系统RAMS可靠性,可用性,可维护性,安全性。
可靠性在规定的工作条件下和规定的时间内,设备完成规定功能的的能力,它的概率度量是可靠度。
可用性设备在某时刻具有或维持其规定功能的能力,它的概率度量是可用度;可维护性在规定使用条件下的设备,在规定时间之内,按照规定的程序和方法进行维修时,保持或恢复到能完成规定功能状态的能力,它的概率度量是维修度;安全性设备免除不可接受的风险的能力,它的概率度量是安全度;平均故障间隔时间(MTBF)设备连续发生两次故障之间的平均间隔时间;基本进路和变通进路站内由一点向另一点运行有几条径路时,规定常用的一条径路为基本进路,其它径路为变更进路;通过进路列车经正线通过车站,进路上道岔位置均开通直向位置的列车进路。
二、设备功能需求1、主要设计原则(1)系统应满足高速铁路各种规模车站运输作业的需要,保证行车安全。
※(2)系统必须具有高可靠性,并符合故障-安全原则。
※(3)系统在一处故障时,如果发生错误办理的情况,不得产生危险侧输出。
(4)系统应能实现对区间道岔、区间中继站等远程设备的集中控制。
(5)系统应具有对区间和站内轨道电路、点式设备的编发码功能。
计算机联锁工程设计(毕业设计)摘要计算机联锁系统是保证行车安全的信号基础设备,必须保证工作可靠,并符合“故障—安全”原则。
实现联锁的基本功能,完成列车进路建立、锁闭、解锁、道岔控制、信号机控制,完成轨道电路和信号设备状态的监督,实现铁路系统特殊的联锁功能,确保列车进路正确和列车运行的安全。
本工程设计所选站场为一个虚拟车站—酒泉站的上行咽喉,设计内容包括:信号平面布置图,该图能正确反映计算机联锁系统室外主要设备的布置情况,主要完成道岔、警冲标、信号机坐标的计算并确定其位置;双线轨道电路图,站内采用25Hz轨道电路,完成轨道电路的极性配置、扼流变压器的设置以及送受电端的布置;联锁表,包括基本进路的选择、敌对信号的确定、轨道区段侵限检查等;电缆径路和电缆网络图,根据公式计算电缆长度,选择电缆径路以及计算所需芯线数;系统结构图,可以了解所采用的的系统硬件构成以及其工作原理;接口柜排列表,可以反映出各个设备所属的组合以及驱动电路和采集电路所需的继电器类型;室内布置图,即室内各种设备的布置情况。
关键词:计算机联锁;极性交叉;联锁表AbstractComputer interlocking system ensure the safety of traffic operation signal infrastructure so it must ensure working reliably and according to the “fail-safe”principle. The basic function of the interlocking is to create, lock, release, switch control, signal control the completion of the train route, to complete the supervision of the state of track circuits and signaling equipment, and use special interlocking rail system to ensure the correct of the train route and the safety of the train operation.The design selected for a virtual train station—Jiuquanstation up direction throat, the design elements includes. The signal layout map, which accurately reflect the setting circs of the main outdoor facilities, the main task to complete are the switch, police marked red and the calculation of the coordinates of the signal and determination of their locations. Double rail track circuit map, the station uses 25Hz track circuit, to complete are the track circuit polarity configuration settings, impedance transformer and the arrangement of the end of sending or receiving power console. Disk map, including the cell types of selection and the arrangement of the various buttons. Cable pathways and cable network, according to formula to calculate the length of cables, select cable pathways and calculate the required number of cored wire. We can understand the system hardware as well as its working principle by using system structure picture. The interface cabinet row of the list can reflect each device belongs to the portfolio and the drive circuit or the relay type whichacquisition circuits required for. The layout variety of indoor equipment constitute the indoor layout map.Key Words: Computer interlocking, Polar transposition, Interlocking table。
计算机联锁接口设计规范编写—审核—___________版本—___________日期—____年___月___日一、总则 (3)二、采集、驱动信息说明 (4)(一)、基本采集信息: (4)(二)、特殊采集信息: (8)(三)、基本驱动信息: (10)(四)、防护用特殊驱动信息: (11)三、设计院需告知的内容说明 (14)(一)、轨道停电 (14)(二)、引导总锁闭 (14)(三)、发车方向继电器 (14)(四)、接近延长 (14)(五)、点灯电路 (15)四、计算机联锁系统与站内各种电路结合说明。
(17)(一)、64D半自动闭塞 (17)(二)、四线制自动闭塞 (19)(三)、场间联系 (21)(四)、站间联系 (22)(五)、道口通知 (24)(六)、机务段联系 (25)(七)、推峰进路 (27)(八)、编发线与驼峰照查电路 (29)(九)、非进路调车 (29)(十)、溜放 (30)(十一)、坡道延续进路 (30)(十二)、到发线出岔 (31)(十三)、局控道岔 (31)(十四)、跨场进路 (32)(十五)、与编组场衔接道岔照查电路 (33)一、总则为适应铁路运输生产安全的需要,提高计算机联锁厂家与设计院沟通、配合的效率,并减少因沟通不充分而产生的人为错误,因此,需要统一计算机联锁系统接口设计标准。
本规范适用于与继电电路结合的计算机联锁系统的接口设计,不适用于全电子联锁系统。
由于不同的联锁厂家对各自联锁系统会有一些特殊要求,所以本规范中所列举的采集、驱动信息可能不能做到全部体现,故还需设计院与相应联锁厂家进行必要的沟通。
不同型号的联锁系统与站内各种电路结合时,对继电器的驱动时机可能会有不同,本规范中所述为铁科院联锁系统的情况,其他联锁系统的具体情况还需设计院与相应联锁厂家沟通。
本规范分为以下几个具体部分:(一)、采集、驱动信息说明;(二)、设计院需告知的内容说明;(三)、计算机联锁系统与站内各种电路结合说明。
计算机联锁接口设计规范1.引言2.设计原则a.开放性:接口应该是开放的,允许其他系统能够访问和使用接口提供的功能。
b.互操作性:接口应该兼容多个系统,并且能够以一种无缝、统一的方式进行通信和协作。
c.可扩展性:接口应该具备可扩展性,能够方便地增加和修改功能,以应对系统的变化和需求的改变。
d.安全性:接口应该具备一定的安全机制,保护用户的隐私和系统的安全。
e.易用性:接口应该易于使用,提供简洁、清晰的操作界面和良好的用户体验。
3.接口设计要素接口设计包括以下要素:a.接口协议:定义接口的通信协议,包括数据格式、传输方式、通信协议等。
b.接口方法:定义接口提供的功能和操作,包括输入参数、输出结果和异常处理等。
c.接口参数:定义接口使用的参数,包括输入参数、输出结果和异常处理等。
d.接口安全:定义接口的安全机制,包括用户权限、身份验证和数据加密等。
e.接口文档:编写接口文档,用于指导开发人员使用和实现接口。
4.接口设计流程接口设计应遵循以下流程:a.需求分析:分析系统需求,确定系统间的通信和协作方式。
b.接口规范:制定接口规范,包括协议、功能、参数和安全等。
c.接口实现:根据规范实现接口,包括编写代码、配置参数和测试等。
d.接口调试:对接口进行测试和调试,确保接口的正确性和稳定性。
e.接口文档:编写接口文档,包括接口说明、参数说明和示例代码等。
f.接口发布:发布接口,供其他系统使用,并提供技术支持和维护服务。
5.接口设计实例以下是一个接口设计实例,用于展示接口设计规范的应用:接口名称:用户认证接口接口功能:验证用户的身份和权限输入参数:用户名、密码输出结果:验证成功或失败异常处理:用户名或密码错误安全机制:使用HTTPS协议进行加密传输6.总结计算机联锁接口设计规范是确保系统之间能够有效通信和协作的关键。
设计接口时应遵循原则,包括开放性、互操作性、可扩展性、安全性和易用性。
接口设计应包括接口协议、接口方法、接口参数、接口安全和接口文档等要素,并应遵循设计流程进行实现和发布。
. . . .CTCS-3级列控系统标准规范项目名称:无线闭塞中心(RBC)接口规范第一分册无线闭塞中心/计算机联锁接口规范主编单位:北京全路通信信号研究设计院参编单位:*2008年5月1.版本历史2.目录1.版本历史 (1)2.目录 (2)3.引言 (5)3.1.围 (5)3.2.缩略语 (5)3.3.参考文献 (6)4.总则 (7)5.RBC/IL接口结构 (7)5.1.RBC/IL接口通信网络 (7)5.2.RBC/IL接口通信协议结构 (8)5.3.RBC/IL接口实现过程 (9)6.RBC/IL接口应用层 (10)6.1.RBC/IL接口连接和通信 (10)6.2.RBC/IL接交互信息 (11)6.3.对象信息 (12)6.3.1.信号授权对象(SA Object) (12)6.3.2.信号授权消息(SAM)格式 (12)6.3.3.SAM信息字段说明 (13)6.3.4.列车信息消息(TIM)格式 (16)6.3.5.TIM信息字段说明 (17)6.3.6.紧急停车区 (18)6.3.7.通用应用层 (18)6.3.8.通用对象层(GAL)消息格式 (19)7.RBC/IL接口安全层 (20)7.1.安全层概述 (20)7.2.安全应用中间子层 (21)7.2.2.安全应用中间子层服务定义 (21)7.2.3.安全应用中间子层(SAI)通信协议 (24)7.3.欧洲无线安全层(ER SL) (28)7.3.2.欧洲无线安全层(ER SL)的连接服务 (29)7.3.3.欧洲无线安全层(ER SL)安全通信协议 (29)7.3.4.DES加密 (33)8.RBC/IL接口传输层 (34)8.1.功能特性 (34)8.1.1.服务功能 (35)8.1.2.服务类型 (35)8.2.接口定义与映射 (35)8.2.1.ALE消息结构 (35)8.2.2.通信协议 (36)8.2.3.服务和地址映射 (37)8.3.冗余管理 (38)图索引图 1 RBC/IL系统连接方式 (7)图 2 RBC/IL接口通信协议结构 (8)图 3 SAI连接建立 (19)图 4 SAI断开连接 (19)图 5 SAI时间戳初始化 (22)图 6 SAIEC初始化 (23)图7 ALE建立连接 (32)3.引言3.1.围本规范规定了客运专线CTCS-3级中RBC/IL接口实现的规则和原理,适用于客运专线CTCS-3级列车控制系统中RBC/IL接口的研究、开发、配置、调试和工程实施;维护和运营部门可参照执行。
计算机联锁技术条件中华人民共和国铁道行业标准TB/T 3027—2002计算机联锁技术条件2002—02—09发布 2002—07—01实施中华人民共和国铁道部发布次目1 范围2 引用标准3 定义4 总则5 工作环境6 联锁功能7 计算机联锁的硬件系统8 计算机联锁的软件系统9 接口与通道10 操作与表示11 供电及电源设备12 电磁兼容与雷电防护13 监测与报警14 应急盘附录A(标准的附录)用词说明附录B(标准的附录)联锁功能操作方法中华人民共和国铁道行业标准 TB/T 3027-2002计算机联锁技术条件1 范围本范围规定了计算机联锁的术语定一、总则、工作环境、联锁功能、可靠与安全性、硬件与软件结构、接口与通道、操作与表示、供电及电源设备、电磁兼容与雷电防护、监测与报警,以及应急盘的激素条件。
本标准适用于车站计算机联锁的研究和设计。
工程、运营和维修部门可参照执行。
2 引用标准下列标准所包含的条文,通过在本标准中引用而构成为本标准的条文。
本标准出版时,所示版本均为有效。
所有标准都会被修订,使用本标准的各方应探讨使用下列标准最新版本的可能性。
GB/T 3047.2-1992 高度进制为44.45mm的面板、机架和机柜的基本尺寸系列GB 10493-1989 铁路站内道口信号设备技术条件TB/T 2307-1992 电气集中各种结合电路技术条件TB/T 2496-2000 信号微机监测系统技术条件TB/T 2499-1994 调度集中和调度监督的数据通信系统终端接口和链路控制规程 TB/T 2893-1998 铁路信号彩色屏幕图形符号EN 50128 铁路控制和防护系统软件 Railway Applications: Software for Railway Controland Protection Systems, February,1994 EN 50129 铁路安全电子系统Railway Applications:Safety Related Electronic3 定义本标准采用下列定义:3.1 联锁计算机只计算机联锁中实现联锁功能和安全性输入输出的计算机系统,包括硬件、软件和接口。
计算机联锁系统的主要特点及主要设计原则系统构成计算机联锁系统由联锁计算机、接口部分、防雷设备、UPS电源、监控工作站、联锁专用控制台、电务维护终端、打印机等组成,不设置应急后备盘。
联锁计算机在工作机出现故障时可自动转换到备用机,倒换过程不影响联锁系统的正常工作。
电务维护终端设备用以监督、记录系统工作的状态,当系统故障时可提供诊断结果。
维护终端应配置远程诊断接口(Modem)和软件,可实现通过远程拨号方式对系统进行状态检测和故障诊断。
系统应提供客户端监控诊断软件。
监控工作站采用双机热备方式,两台监控计算机之间切换可自动切换,也可人工切换。
联锁输出应采用板级动态驱动技术(输出为静态,不设外置动态驱动盒),输入采用动态采集技术。
应在电源、计算机、数据通讯线路、输入输出接口、机架结构及地线设置等方面采取电磁兼容和防雷设计,包括元器件的选用和印刷电路板的设计制作。
系统设备应具有防雷电能力。
(一)计算机联锁系统的主要特点1.最大限度地利用软、硬件资源,对直接危及行车安全的联锁逻辑处理和执表机提出更高的故障---安全要求,采用联锁软件冗余及其他容错技术,大大提高了系统的安全性和可靠性。
2.计算机联锁容量不受限制(通过增设执表机柜满足容量要求)。
3.采用分离式的控制台和大屏幕显示,操作简便、舒适,显示清晰。
4.大屏幕彩色监视器能显示6502电气集中所有的表示,还增加了时间、音响和汉字提示,如“始端……x x x,终端……x x x”、“按钮有误”、“有要点”、“道岔x x 扳不动”等等,此外,还给出设备错误号,供维修人员诊断故障用。
5.采用双套互为备用(热备)的微机系统,系统有人工、自动切换两种方式,备用系统有脱机、联机、联机同步三种工作状念。
6.设备维修简便,微机设备均采用模块插接件结构,便于更换;在机房内可通过电务维修机的监视器监视现场设备和列车运行情况;设于机柜上的测试孔和指示灯,供维修人员分析和判断故障。
计算机联锁接口信息码位安全设计
韩安平;刘鹏;李红侠
【期刊名称】《铁道标准设计》
【年(卷),期】2022(66)8
【摘要】计算机联锁系统为了完成联锁逻辑运算功能并实现对信号基础设备的控
制与状态采集,设置了特定的接口继电器并设计有相应的接口实现电路。
计算机通
过固定的接口信息码位获取信号基础设备的状态信息,并给出控制命令。
接口信息
码位的设计一方面影响到接口功能的实现,另一方面也会影响到接口信息的安全性。
接口信息间的混线故障会带来不同程度的安全风险。
为了减小混线后带来的风险,
在研究分析接口继电器的设置目的和接口电路设计原理的基础上,通过分析接口信
息的软件处理原则、接口信息码位排列对接口安全的影响,提出优化措施和接口信
息码位安全设计方法,以达到对混线故障的及时发现,也有利于现场的维护。
提出的
优化措施及方法对其他铁路信号控制系统的接口安全设计也具有借鉴意义。
【总页数】7页(P156-162)
【作者】韩安平;刘鹏;李红侠
【作者单位】中国铁道科学研究院集团有限公司通信信号研究所;中铁工程设计咨
询集团有限公司
【正文语种】中文
【中图分类】U284.91
【相关文献】
1.轨道交通信号系统计算机联锁采集接口电路安全性分析
2.计算机联锁输入接口的安全性分析
3.基于安全信息传输网的分布式计算机联锁系统设计
4.计算机联锁安全接口防护技术的运用和研究
5.计算机联锁与TCC接口自动化测试的研究和设计
因版权原因,仅展示原文概要,查看原文内容请购买。
计算机联锁接口设计规编写—审核—___________版本—___________日期—____年___月___日一、总则 (4)二、采集、驱动信息说明 (5)(一)、基本采集信息: (5)(二)、特殊采集信息: (11)(三)、基本驱动信息: (12)(四)、防护用特殊驱动信息: (15)三、需告知的容说明 (18)(一)、轨道停电 (18)(二)、引导总锁闭 (18)(三)、发车方向继电器 (18)(四)、接近延长 (18)(五)、点灯电路 (20)四、计算机联锁系统与站各种电路结合说明。
(23)(一)、64D半自动闭塞 (23)(二)、四线制自动闭塞 (26)(三)、场间联系 (29)(四)、站间联系 (31)(五)、道口通知 (33)(六)、机务段联系 (35)(七)、推峰进路 (37)(八)、编发线与驼峰照查电路 (39)(九)、非进路调车 (40)(十)、溜放 (41)(十一)、坡道延续进路 (42)(十二)、到发线出岔 (42)(十三)、局控道岔 (42)(十四)、跨场进路 (43)(十五)、与编组场衔接道岔照查电路 (45)一、总则为适应铁路运输生产安全的需要,提高计算机联锁厂家与沟通、配合的效率,并减少因沟通不充分而产生的人为错误,因此,需要统一计算机联锁系统接口设计标准。
本规适用于与继电电路结合的计算机联锁系统的接口设计,不适用于全电子联锁系统。
由于不同的联锁厂家对各自联锁系统会有一些特殊要求,所以本规中所列举的采集、驱动信息可能不能做到全部体现,故还需与相应联锁厂家进行必要的沟通。
不同型号的联锁系统与站各种电路结合时,对继电器的驱动时机可能会有不同,本规中所述为铁科院联锁系统的情况,其他联锁系统的具体情况还需与相应联锁厂家沟通。
本规分为以下几个具体部分:(一)、采集、驱动信息说明;(二)、需告知的容说明;(三)、计算机联锁系统与站各种电路结合说明。
二、采集、驱动信息说明(一)、基本采集信息:基本采集信息为计算机联锁对于道岔、信号机、轨道区段以及各种结合电路所必须要采集的信息,不同型号的联锁系统,该部分采集信息基本一致。
基本采集信息可分为两个部分,一是与联锁关系有关的采集信息,二是与联锁关系无关的报警采集信息。
1、与联锁关系有关的基本采集信息(注:继电器名称后带有“H”表示采集后接点,无“H”则表示采集前接点):1)道岔:定表继电器DBJ,反表继电器FBJ;采集DBJ、FBJ、SJ(交大)定表继电器DBJ,反表继电器FBJ;(卡斯柯)2)调车信号机:灯丝继电器DJ,调车信号继电器DXJ;灯丝继电器DJ;(卡斯柯)3)进站信号机:灯丝继电器DJ,列车信号继电器LXJ,引导信号继电器YXJ,正继电器ZXJ,通过信号继电器TXJ ,绿黄信号继电器LUXJ;灯丝继电器2DJ(交大)灯丝继电器DJ、2DJ;(卡斯柯)4)接发车进路信号机:灯丝继电器DJ,调车信号继电器DXJ,列车信号继电器LXJ,引导信号继电器YXJ,正继电器ZXJ,通过信号继电器TXJ,绿黄信号继电器LUXJ;灯丝继电器2DJ(交大)灯丝继电器DJ、2DJ;(卡斯柯)5)出发信号机:灯丝继电器DJ,调车信号继电器DXJ,列车信号继电器LXJ,方向继电器AFJ、BFJ、CFJ等;灯丝继电器2DJ(交大)如果驱动LJ、LUJ,采集LJ、LUJ(交大)。
灯丝继电器DJ;(卡斯柯)6)轨道区段:轨道继电器GJ;轨道继电器后接点GJ-H(交大)轨道继电器GJ;(卡斯柯)7)64D半自动闭塞:锁闭继电器SJ, 事故按钮继电器SGAJ,开通继电器KTJ,照查继电器ZCJH,表示灯JUD、JHD、JLD、FUD、FHD、FLD;采集:KTJ-Q、KTJ-H、XZJ、TCJ、HDJ、FDJ、BSJ、TJJ、GDJ、JSBJ、ZXJ、FXJ(交大)采集:ZXJ、ZXJ-H、FXJ、FXJ-H;(卡斯柯)8)四线制方向电路:出发继电器CFJ,开信号继电器KXJ,发车锁闭继电器FSJH,表示灯FZD、JD、FD、JQD、JQDS;采集:FJ-Q、FJ-H、JQJ、JFJ、FFJ、DJ、FSJ、KFJ-Q、KFJ-H(交大)采集:FJ1、FJ1H、JQJ、FGFJ、FJ2;(卡斯柯)9)机务段联系:机同按钮继电器JTAJ,机同继电器JTJ;注:JTAJ须采用JWXC-H340型继电器(交大)采集:机同继电器JTJ;(卡斯柯)10)道口通知:接车通知继电器JTJ,发车通知继电器FTJ,调车通知继电器DTJ;不采集;(卡斯柯)11)溜放闪光电路:闪光监督继电器SNJJ;不采集;(卡斯柯)12)场间联系电路:本场终端继电器ZJ,照查继电器ZCJH,轨道检查继电器GJJ;临站调车通知继电器DTJ,临站照查继电器ZCJH,临站接近轨道继电器JGJ以及临站把头信号机的DXJF、LXJF、LUXJF、TXJF等;采集:对方ZCJ、DTJ、JYJ(对方)、信号复示(交大)。
采集:对方ZCJ、DTJ、JGJ(对方)、信号复示;(卡斯柯)13)站间联系电路:1照查继电器1ZCJH,接近预告继电器JYGJ,发车锁闭继电器FSJH,事故按钮继电器SGAJ,轨道检查继电器GJJ,表示灯LQ、LJK、JFX、FFX、LFK、JJ;采集:JJ、JYGJ、2ZCJ、JQJ、1ZCJ、JGJF(站联轨)(交大)采集:1ZCJ、JYGJ、FSJ、JJ、JQJ;(卡斯柯)14)到达场与驼峰联系电路:绿灯继电器LJ,绿闪继电器LSJ,白灯继电器BJ,白闪继电器BSJ,黄灯继电器UJ,黄闪继电器USJ,后退继电器HTJ,溜空继电器LKJ,允许推送继电器YTJ,信号总辅助继电器XZFJ,本场照查继电器DZCJ,驼峰场照查继电器TZCJ,反轨道继电器FDGJ;采集:每条推送线:XZFJ、LKJ、TZJ、ZCJ、(LXJ、ZTJ、GHJ)LJ、LSJ、BJ、BSJ、UJ、USJ、HTJ、YTJ、TGJF、TFDGJ、ZCJ(对方)每一股道驼峰复示信号机:TFKJ、TSGJ、TLJ、TBJ(交大)采集:每条推送线:LJ、LSJ、BJ、BSJ、UJ、USJ、HTJ、YTJ、TSNJ、TZCJ、FDGJ;(卡斯柯)15)编发线与驼峰照查电路:同意发车继电器TFJ,信号反复示继电器LXFJ;采集:同意发车继电器TFJ;(卡斯柯)16)与编组场衔接道岔照查电路:同意动岔继电器TCJ,驼峰场把头调车信号机DXJF。
2、与联锁关系无关的报警采集信息:1) 轨道停电监督继电器通常情况下,上、下行咽喉各设一个轨道停电监督继电器,即采集XGTJ,SGTJ的前接点,但特殊情况下,每个咽喉还可增设轨道停电监督继电器,此时需要采集XGTJ1,XGTJ2…,SGTJ1,SGTJ2…。
轨道停电监督继电器常态吸起,落下代表轨道停电。
注意:联锁对采集的停电监督要做延时处理。
2) 灯丝报警继电器灯丝报警继电器分站灯丝报警和区间灯丝报警,站灯丝报警分咽喉设置,每个咽喉设一个报警继电器,即XDSBJ,SDSBJ;区间灯丝报警通常只设一个,即QDSBJ。
联锁需采集灯丝报警继电器的前接点。
站、区间灯丝报警继电器常态通常为落下,吸起代表灯丝断丝。
3) 熔丝报警继电器站统一设一个熔丝报警继电器RBJ,联锁采集前接点。
RBJ常态为落下,吸起代表熔丝报警。
4) 主副电源监督继电器为监督电源屏的工作状态,每个车站设置两个监督继电器,即主电源继电器ZDYJ和副电源继电器FDYJ,联锁采集前接点。
ZDYJ常态吸起,FDYJ常态落下,代表正常情况下为主电源工作,如ZDYJ落下,FDYJ吸起,则表示此时为副电源工作。
5) 其他以上为计算机联锁系统固定采集的报警信息,另外还有一些报警信息需特殊情况下特殊处理,包括移频报警YPBJ,区间移频报警QYPBJ,电源报警屏DYBJ,区间电源屏报警QDYBJ,区间主电源QZDY,区间副电源QFDY,电码化报警DMBJ、等等。
(二)、特殊采集信息:特殊采集信息为各型号联锁可能会有区别的地方,此处仅以铁科院联锁为例进行说明。
1)道岔:为了保证对道岔表示继电器的可靠采集,应增加对DBJ与FBJ后接点的串接DFH的采集,即当采集到DBJ或FBJ的同时,DFH不应采到,如在采集到DBJ或FBJ的同时采集到DFH,则应将道岔视为无表示。
2)信号机:进站信号机及接发车进路信号机YXJ的采集是通过YXJ与2DJ前接点串接的方式采集的,不单独采集2DJ。
3)轨道区段:为了保证对轨道继电器的可靠采集,应增加对轨道继电器后接点GJH的采集,即GJQ采集到的同时,GJH不应采到,否则视为轨道占用(安全侧);4)64D半自动闭塞:为了保证信号开放万无一失,KTJ应增采后接点,只有在KTJQ采集到,而KTJH采集不到的情况下,信号才能开放;另外,ZCJ也应增加前接点的采集,只有当ZCJQ采集不到,而ZCJH采集到的情况下,才可以认为ZCJ可靠落下;5)四线制方向电路:同64D半自动情况类似,KXJ也应增加后接点的采集,只有当KXJQ采集到,而KXJH采集不到的情况下,信号才能开放;另外,FSJ也应增加前接点的采集,情况同64D中的ZCJ;6)场间联系电路:ZCJ应增采前接点,只有当ZCJQ采集不到,而ZCJH采集到的情况下,才可以认为ZCJ可靠落下;另外,接近轨道继电器JGJ也应增采后接点,理由同轨道区段后接点的采集;7)站间联系电路:站间联系电路中的1ZCJ、FSJ应增加对前接点的采集,理由同上;另外,JYGJ也应增采后接点,理由同场间联系电路中JGJ后接点的采集;8)到达场与驼峰联系电路:DZCJ、TZCJ应增采前接点,理由同上;9)其他情况:出发信号机的2DJ通常情况下不单独采集,但在客专线路中,出发信号机的2DJ需单独采集;另外客专线路中,进、出站信号机需采集开灯继电器KDJ,出发信号机还要增加引白继电器YBJ的采集。
(三)、基本驱动信息:基本驱动信息为计算机联锁对于道岔、信号机以及各种结合电路所必须要驱动的信息,不同型号的联锁系统,该部分驱动信息基本一致。
1) 道岔:定操继电器DCJ,反操继电器FCJ;驱动:FCJ、DCJ、SJ(交大)驱动:FCJ、DCJ、SJ(卡斯柯)2) 调车信号机:调车信号继电器DXJ;3) 进站信号机:列车信号继电器LXJ,引导信号继电器YXJ,正线继电器ZXJ,通过信号继电器TXJ ,绿黄信号继电器LUXJ;4) 接发车进路信号机:列车信号继电器LXJ,调车信号继电器DXJ,引导信号继电器YXJ,正线继电器ZXJ,通过信号继电器TXJ ,绿黄信号继电器LUXJ;5) 出发信号机:列车信号继电器LXJ,调车信号继电器DXJ,方向继电器AFJ、BFJ、CFJ等;如果需要需驱动LJ、LUJ。