特种设备安装改造维修告知书(质检办特函【2013】684号)
- 格式:doc
- 大小:41.00 KB
- 文档页数:2
《特种设备安装改造修理施工告知书》填写说明1. 告知书编号:由接收告知书的机构填写。
2. 施工单位名称:与《特种设备生产许可证》、《特种设备制造许可证》或《特种设备安装改造修理(维修)许可证》一致。
3. 统一社会信用代码:与《营业执照》一致。
4. 施工类别:必须选择具体的施工类别,多项施工分别告知。
5. 设备安装地点:设备安装的详细地址。
6. 施工项目联系人:填写施工单位本项目的负责人。
7. 施工项目办公地址:施工队(项目)实际所在办公地址。
《锅炉安装改造修理施工告知书明细表》填写说明术监察规程》的规定执行。
改造:是指锅炉发生结构变化或者锅炉燃烧方式发生变化的改造。
重大修理:(1)A级锅炉重大修理:锅筒、启动(汽水)分离器、减温器和集中下降管的更换以及主焊缝的补焊;整组受热面50%以上的更换;外径大于273mm的集箱、管道和管件的更换、挖补以及纵(环)焊缝补焊;大板梁焊缝的修理。
(2)B级及以下锅炉重大修理:锅筒、封头、管板、炉胆、炉胆顶、回燃室、下脚圈和集箱等主要受压元件的更换、挖补;受热面管子的更换,数量大于该类受热面管(其分类分为水冷壁、对流管束、过热器、省煤器、烟管等)的10%,且不少于10根;直流、贯流锅炉整组受热面更换。
(3)锅炉燃烧器的改造或更换,按照《质检总局办公厅关于燃气锅炉风险警示的通告》(2017年第2号)的要求,应当按照锅炉修理的规定履行有关施工告知程序。
2、产品名称:按照锅炉制造单位提供的《锅炉质量证明书》填写。
3、产品型号:按照锅炉制造单位提供的《锅炉质量证明书》填写。
4、额定出口(工作)压力:按照锅炉制造单位提供的《锅炉质量证明书》填写。
5、额定蒸发量:持《特种设备(锅炉)制造许可证》,拟安装本企业制造的整(组)装出厂的锅炉或改造本企业制造的蒸汽锅炉,“额定蒸发量”为必填项目。
6、额定出水温度:持《特种设备(锅炉)制造许可证》,拟安装或改造本企业制造的热水锅炉,“额定出水温度”为必填项目。
特种设备安装改造维修告知书施工单位:(公章)告知书编号:特种设备安装改造维修告知书填写说明1、施工单位公章:加盖与许可证单位名称一致的单位公章。
2、设备名称:按所安装、改造、维修特种设备的实际名称填写。
3、台数:按实际安装、改造、维修特种设备的数量填写。
4、制造编号:填写所安装、改造、维修特种设备出厂时的制造编号(产品编号)。
两台以上的,此栏填“详见设备情况附页”;安装、改造、维修压力管道的,此栏填写施工总长度,单位:米。
5、设备制造单位全称:填写所安装、改造、维修的特种设备制造单位的全称。
6、制造许可证编号:填写所安装、改造、维修特种设备制造单位的制造许可证编号。
7、设备地点:填写特种设备实际安装、使用的详细地点。
8、安装、改造、维修日期:填写所安装、改造、维修项目的开工日期。
9、施工单位全称:填写承担施工工程的施工单位全称,必须与取得施工许可资格的单位名称一致。
10、施工类别:按实际施工类别划勾。
11、许可证编号:填写施工单位的《特种设备安装改造维修许可证》的编号。
12、许可证有效期:填写施工单位的《特种设备安装改造维修许可证》上显示的有效期。
13、联系人:填写施工单位的现场负责人或联系人姓名。
并填写其公司固定电话、个人移动电话及公司传真号码。
14、地址:填写施工单位的详细地址。
并填写所在地邮编。
15、使用单位全称:填写特种设备使用单位的全称。
16、联系人:填写使用单位的项目负责人或联系人姓名。
并填写其公司固定电话、个人移动电话及公司传真号码。
17、地址:填写使用单位的详细地址。
并填写所在地邮编。
设备情况附页:(从事多台设备施工的,填写此页)1、序号:从事多台设备、或多段管道的施工,按顺序号填写。
2、设备类别(级别):按实际安装设备类别填写。
如:锅炉、压力容器、压力管道、电梯、起重机械、大型游乐设施、索道等。
并填写设备所属的级别。
3、设备名称:按所安装、改造、维修特种设备的实际名称填写。
4、设备型号(参数):填写所安装、改造、维修特种设备的型号或者参数。
特种设备安装改造维修告知单告知单编号:施工单位:(加盖公章)设备名称设备制造单位全称设备安装地点许可证编号安装日期施工单位全称施工类别联系人许可证编号电话分别填固定和许可证有效期传真移动电话地址邮编使用单位全称联系人电话传真地址邮编1: 。
关于简化《特种设备安装改造维修告知书》的通知(质检办特函〔 2009〕1186 号)各省、自治区、直辖市质量技术监督局:根据《特种设备安全监察条例》规定,为了进一步方便企业,简化手续,规范特种设备安装改造维修告知行为,现对特种设备安装改造维修告知及接受告知的特种设备安全监督管理部门提出如下要求:一、告知性质根据《特种设备安全监察条例》规定,特种设备安装、改造、维修的施工单位(以下简称:施工单位)以书面形式告知直辖市或设区的市的特种设备安全监督管理部门后即可施工,告知不属于行政许可。
二、告知方式和内容(一)告知方式主要包括 送达、邮寄、传真、电子邮件或网上告知(二)施工单位应填写《特种设备安装改造维修告知单》(见附件)。
三、接受告知的特种设备安全监督管理部门职责(一)接受告知的特种设备安全监督管理部门应公布告知机构的地址、邮编、传真或电子邮件地址。
有条件的应建立网上接受告知系统,可采取网上接受告知。
(二)安全监督管理部门收到告知后,应及时审查,对无问题的将告知文件存档,并将有关情况通知负责办理使用登记的机构和按照特种设备安全技术规范规定需要监检的检验机构即可。
(三)对于不符合要求的,应立即与施工单位联系,确认其违反规定的,应责令停止施工,必须在有关问题纠正后,才可继续施工。
(四)安全监督管理部门在处理告知时应当便利施工单位为原则,不得任意增加本通知附件以外的告知内容。
自本通知发出之日起,施工单位在从事特种设备安装改造维修时,可以按照附件内容进行告知。
此前关于特种设备安装改造维修告知要求与本文不一致的,以此为准。
请各省、自治区、直辖市质量技术监督局将此通知转发有关单位。
TSZS003-2003特种设备安装改造维修告知书施工类别主要施工项目设备种类设备类别设备级别设备品种(型式)设备名称设备型号(参数)设备代码单位内编号设备地点制造编号设备制造单位组织机构代码制造日期使用单位使用单位地址使用单位负责人电 话合同编号合同签订日期施工单位许可证编号许可证有效期施工单位法定代表人组织机构代码施工现场负责人电 话现场技术负责人移动电话施工机构地址土建工程施工单位工程设计单位工程计划施工日期开始工程总预算(万元)土建竣工设备在此,我申明:所告知的内容真实;在施工过程中,严格执行《特种设备安全监察条例》及其相关规定,保证施工质量,接受监督管理和施工监督检验。
施工单位法定代表人: (单位公章) 日期:施工现场负责人: 日期: 现场技术负责人: 日期:安全监察机构意见接受告知书人员:日期:意见:意见通知书编号:发出意见书日期:分包单位施工项目分包单位名称组织机构代码提交的文件资料序 号文件资料名称篇幅或页数现场管理、专业、作业人员情况作业项目姓 名身份证编号持证作业类别(方法)级别(项目)国家质量监督检验检疫总局制特种设备安装改造维修告知书填写说明1 适用范围特种设备安装改造维修告知书分为两种形式。
本表(TSZS002-2003)适用下列情况:(1)额定蒸汽压力大于等于2.5MPa(表压)的蒸汽锅炉安装;(2)压力管道的安装;(3)客运索道的安装;(4)同时安装、改造、维修设备同种类数量在5台(包括5台)以上;(5)与土建工程同时施工的电梯、大型游乐设施的安装、改造、维修;(6)与土建工程同时施工的压力管道的改造、维修。
本告知书的送达和意见的通知都应当采取可靠的方式,以便能够做到有据可查。
2 封面2.1 施工单位:填写承担施工工程的施工单位全称,必须与取得施工许可资格的单位名称一致,并盖公章。
2.2 设备种类:按锅炉、压力容器、压力管道、电梯、起重机械、客运索道、大型游乐设施,分设备的种类填写。
特种设备安装改造维修告知书
注:1、告知书按每台设备填写,一式二份,如设备数量超过3台或多条压力管道时,可填写一页告知书并附《特种设备安装改造维修告知汇总表》一式二份(告知书上的设备信息栏填写“见汇总表”,告知书填写的内容不可以涂改,但可以正反面打印。
2. 施工单位应提供特种设备许可证书复印件(加盖单位公章)。
3、告知后施工前,施工单位应及时向检验机构申请监督检验,。
填写说明(此页不用打印)
告知书编号:由施工单位自行编制,在同一施工单位不能有重复;
设备名称:按产品合格证填写,压力管道按介质填写,如:蒸汽管道;
型号(参数):按产品合格证填写,压力管道按“Φ108*4.0*29M”填写;
设备代码:按产品合格证填写,产品合格证上没有的按照《特种设备目录》填写;
产品编号:即制造编号或出厂编号,按产品合格证填写;
设备地点:是指设备在使用单位内的具体地点,如:XX车间XX 生产线,若设备所在地非使用单位注册地址则应加填设备的详细地址,如:河源市高新区科技五路1号;
安装改造维修日期:按照XXXX年XX月XX日至XXXX年XX 月XX
日填写;
联系人:施工单位联系人填写施工现场的负责人;
电话:需同时填写固定电话和手机号码,外市固定电话需加区号;使用单位全称:按营业执照、组织机构代码证填写,个人的则填写全名;
组织机构代码:按组织机构代码证填写,有营业执照但无组织机构代码证的填营业执照编号,个人的则填身份证编号;
地址:按营业执照、组织机构代码证填写,使用单位为个人的则填设备的具体地址。
特种设备
安装改造维修告知书
施工单位:
设备种类:
施工类别:
告知日期:
国家质量监督检验检疫总局制
序号 1 设备类别
设备级别设备品种(型式)设备名称设备型号(参数)设备代码单位内编号设备地点制造编号
设备制造单位
组织机构代码制造日期序号 2 设备类别
设备级别设备品种(型式)设备名称设备型号(参数)设备代码单位内编号设备地点制造编号
设备制造单位
组织机构代码制造日期序号 3 设备类别
设备级别设备品种(型式)设备名称设备型号(参数)设备代码单位内编号设备地点制造编号
设备制造单位
组织机构代码制造日期序号 4 设备类别
设备级别设备品种(型式)设备名称设备型号(参数)设备代码单位内编号设备地点制造编号
设备制造单位
组织机构代码制造日期
土建工程施工单位
项目名称单位名称组织机构代码
土建工程监理或验收单位
监理或验收项目单位名称组织机构代码
提交的文件资料
序号文件资料名称篇幅或页数
现场管理、专业、作业人员情况
持证作业
作业项目姓名身份证编号
类别(方法)级别(项目)
在此,我申明:所告知的内容真实;在施工过程中,严格执行《特种设备安全监察条例》及其相关规定,保证施工质量,接受监督管理和施工监督检验。
施工单位法定代表人:日期:
施工现场负责人:日期:
现场技术负责人:日期:
备注
安全监察机构意见
接受告知书人员:日期:意见:
意见通知书编号:发出意见书日期:。
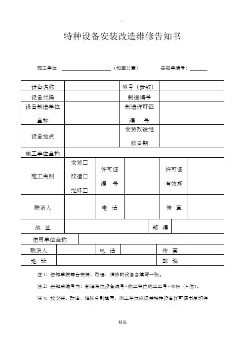
精心整理特种设备安装改造维修告知书
注:1
告知书并附《特种设备安装改造维修告知汇总表》一式二份(告知书上的设备信息栏填写“见汇总表”,告知书填写的内容不可以涂改,但可以正反面打印。
2.施工单位应提供特种设备许可证书复印件(加盖单位公章)。
3、告知后施工前,施工单位应及时向检验机构申请监督检验,。
填写说明(此页不用打印)
告知书编号:由施工单位自行编制,在同一施工单位不能有重复;
精心整理
设备名称:按产品合格证填写,压力管道按介质填写,如:蒸汽管道; 型号(参数):按产品合格证填写,压力管道按“Φ108*4.0*29M ”填写; 设备代码:按产品合格证填写,产品合格证上没有的按照《特种设备目录》填写;
产品编号:即制造编号或出厂编号,按产品合格证填写; XX。