实验三 电容式传感器静、动态特性实验
- 格式:doc
- 大小:54.00 KB
- 文档页数:3
传感器实验指导书
一、实验目的
本实验旨在帮助学生了解和掌握各种传感器的原理及应用,通过实际操作加深对传感器技术的理解,提高实践能力和创新思维。
二、实验器材
电阻式传感器
电容式传感器
电感式传感器
压电式传感器
磁电式传感器
热电式传感器
光电式传感器
光纤传感器
化学传感器
生物传感器
三、实验步骤与操作方法
电阻式传感器实验:
(1)将电阻式传感器接入电路,测量其阻值;
(2)改变被测物体的电阻值,观察电路中电压或电流的变化;
(3)记录实验数据,分析电阻式传感器的输出特性。
电容式传感器实验:
(1)将电容式传感器接入电路,测量其电容值;
(2)改变被测物体的介电常数,观察电路中电压或电流的变化;
(3)记录实验数据,分析电容式传感器的输出特性。
电感式传感器实验:
(1)将电感式传感器接入电路,测量其电感值;
(2)改变被测物体的磁导率,观察电路中电压或电流的变化;
(3)记录实验数据,分析电感式传感器的输出特性。
压电式传感器实验:
(1)将压电式传感器接入电路,测量其输出电压;(2)施加压力或振动,观察电路中电压的变化;(3)记录实验数据,分析压电式传感器的输出特性。
磁电式传感器实验:
(1)将磁电式传感器接入电路,测量其输出电压;(2)改变磁场强度,观察电路中电压的变化;
(3)记录实验数据,分析磁电式传感器的输出特性。
电容式传感器特性实验报告实验目的本实验旨在通过对电容式传感器特性的研究,了解其基本原理和特性,并通过实验数据验证电容式传感器的性能。
实验器材和原理实验器材•Arduino开发板•电容式传感器•电阻•连接线原理简介电容式传感器是一种常见的传感器类型,基于电容的变化来测量目标物体的某种特性,如压力、湿度等。
其原理是利用物体与传感器之间的电容变化来反映目标物体的特性。
实验步骤步骤一:准备实验器材首先,准备所需要的实验器材,包括Arduino开发板、电容式传感器、电阻和连接线。
步骤二:连接电路将Arduino开发板与电容式传感器以及电阻进行连接。
具体的连接方式如下:1.将电容式传感器的VCC引脚连接至Arduino开发板的3.3V引脚。
2.将电容式传感器的GND引脚连接至Arduino开发板的GND引脚。
3.将电容式传感器的OUT引脚连接至Arduino开发板的模拟输入引脚A0。
步骤三:编写Arduino代码在Arduino开发环境中,编写代码以读取电容式传感器的数值。
const int sensorPin = A0;void setup() {Serial.begin(9600);}void loop() {int sensorValue = analogRead(sensorPin);Serial.println(sensorValue);delay(1000);}步骤四:上传代码并观察结果将编写好的代码上传至Arduino开发板,并在串口监视器中观察传感器数值的变化。
步骤五:实验数据记录与分析通过观察串口监视器中的传感器数值变化,记录不同条件下的电容式传感器数值,例如发生压力变化或温度变化时的数值变化。
根据实验数据,进行数据分析,例如绘制传感器数值与特性之间的关系曲线,以验证电容式传感器的性能。
结果与讨论根据实验数据的分析,我们可以得出一些结论和讨论:1.电容式传感器的数值随着目标物体的特性变化而变化。
传感器与检测技术山东省高等教育自学考试《传感器与检测技术》02202考试大纲第一部分学习过程评价部分考核大纲一、学习过程评价的课程性质及课程设置的目的、课程基本要求(一)课程性质与学习过程评价的设置目的传感器与检测技术是机电一体化工程专业的一门专业基础课。
本课程阐述如何利用传感器将机电一体化系统典型被测物理量转换成与之有确切对应关系并且容易检测、传输、处理的信号,通过计算机数据处理,得到有关被测系统的有用信息。
传感器与检测技术是机电一体化系统的关键技术之一。
“传感器与检测技术”是一门综合性、实践性很强的课程,在自学过程中必须做一定数量的基本实验,才能掌握课程的基本内容,培养考生分析问题和解决问题的能力。
考生应高度重视实验环节。
这是学习过程评价目的之一;另外,作一定数量的习题、思考题对学好本课程也非常必要,这是学习过程评价目的之二。
(二)学习过程评价基本要求考生在学习过程中进行必要的教学实验:(1)通过电阻应变式传感器实验,掌握电阻应变式传感器工作原理和输出特性。
(2)通过电感式传感器实验,掌握电感式传感器工作原理和输出特性 (3)通过电容式传感器实验,掌握电容式传感器工作原理和输出特性 (4)通过滤波器特性实验,了解无源滤波器和有源滤波器的类型、工作原理,掌握滤波器特性及其测试方法。
(5)通过压力传感器静态标定实验,掌握压力传感器静态标定方法,学习标定数据处理及传感器特性指标的计算。
(6)通过温度传感器校准实验,掌握温度传感器的使用方法和校准方法。
(7)通过振动测试实验,了解其固有频率、阻尼比及各阶振型的测试方法;了解非接触式和接触式测振传感器的特点;附加传感器质量对测试结果的影响;了解激振、测振系统的基本组成和选择。
(8)通过切削力测量实验,了解八角换车削测力仪的结构、应变片的粘贴和组桥方法以及测力仪工作原理掌握八角环测力仪的静态标定方法。
考生在学习过程中必须完成一定数量的习题、思考题。
二、学习过程评价的课程内容和考核要求(一) 实验内容与要求实验1 电阻应变式传感器实验。
实验一直流激励时霍尔传感器位移特性实验一、实验目的:了解霍尔式传感器原理与应用。
二、基本原理:金属或半导体薄片置于磁场中,当有电流流过时,在垂直于磁场和电流的方向上将产生电动势,这种物理现象称为霍尔效应。
具有这种效应的元件成为霍尔元件,根据霍尔效应,霍尔电势 U H= K H IB ,当保持霍尔元件的控制电流恒定,而使霍尔元件在一个均匀梯度的磁场中沿水平方向移动,则输出的霍尔电动势为U H kx ,式中k—位移传感器的灵敏度。
这样它就可以用来测量位移。
霍尔电动势的极性表示了元件的方向。
磁场梯度越大,灵敏度越高;磁场梯度越均匀,输出线性度就越好。
三、需用器件与单元:霍尔传感器实验模板、霍尔传感器、±15V 直流电源、测微头、数显单元。
四、实验步骤:1、将霍尔传感器安装在霍尔传感器实验模块上,将传感器引线插头插入实验模板的插座中,实验板的连接线按图9-1进行。
1、 3 为电源±5V , 2、4 为输出。
2、开启电源,调节测微头使霍尔片大致在磁铁中间位置,再调节Rw1 使数显表指示为零。
图 9-1直流激励时霍尔传感器位移实验接线图3、测微头往轴向方向推进,每转动0.2mm 记下一个读数,直到读数近似不变,将读数填入表 9-1。
表9- 1 X( mm)V(mv)作出 V-X 曲线,计算不同线性范围时的灵敏度和非线性误差。
五、实验注意事项:1、对传感器要轻拿轻放,绝不可掉到地上。
2、不要将霍尔传感器的激励电压错接成±15V ,否则将可能烧毁霍尔元件。
六、思考题:本实验中霍尔元件位移的线性度实际上反映的时什么量的变化?七、实验报告要求:1、整理实验数据,根据所得得实验数据做出传感器的特性曲线。
2、归纳总结霍尔元件的误差主要有哪几种,各自的产生原因是什么,应怎样进行补偿。
实验二集成温度传感器的特性一、实验目的:了解常用的集成温度传感器基本原理、性能与应用。
二、基本原理:集成温度传器将温敏晶体管与相应的辅助电路集成在同一芯片上,它能直接给出正比于绝对温度的理想线性输出,一般用于-50℃-+ 150℃之间测量,温敏晶体管是利用管子的集电极电流恒定时,晶体管的基极—发射极电压与温度成线性关系。
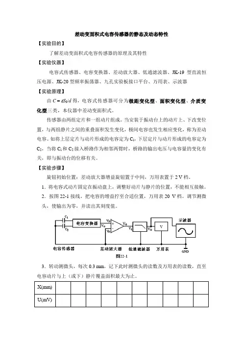
差动变面积式电容传感器的静态及动态特性【实验目的】了解差动变面积式电容传感器的原理及其特性【实验仪器】电容式传感器、电容变换器、差动放大器、低通滤波器、JK-19型直流恒压电源、JK-20型频率振荡器、九孔实验板接口平台、万用表、示波器【实验原理】由C = S0/d得,电容式传感器可分为极距变化型、面积变化型、介质变化型三类,本仪器中差动变面积式。
传感器由两组定片和一组动片组成。
当安装于振动台上的动片上、下改变位置,与两组静片之间的重叠面积发生变化,极间电容也发生相应变化,称为差动电容。
如将上层定片与动片形成的电容定为C l,下层定片与动片形成的电容定为C2,当将C l和C2接入桥路作为相邻两臂时,桥路的输出电压与电容量的变化有关,即与振动台的位移有关。
【实验步骤】旋钮初始位置:差动放大器增益旋钮置于中间,万用表置于2 V档。
1.将电容式动片固定在振动盘上,调整好动片与静片的位置,不能相互接触。
2.按图22-1接线。
把电容的增益拧至合适位置,万用表20 V档。
调节测微头,使输出为零,并读出其刻度值。
3.转动测微头,每次0.3 mm,记下此时测微头的读数及万用表的读数,直至电容动片与上(或下)静片覆盖面积最大为止。
X()mmU(mV)退回测微头至初始位置,并开始以相反方向旋动,同上法,记下)(mVUmm(X及)值。
4.计算系统灵敏度S。
X=(式中U∆为电压变化,X∆U/S∆∆为相应的两端位移变化),并作出XU关系曲线。
~5.卸下测微头,断开万用表,接通激振器,用示波器观察输出波形。
改变激振频率,测量3种波形的电压、频率和周期。
《传感器技术》实验指导书权义萍南京工业大学自动化学院目录实验一金属箔式应变片单臂、半桥、全桥性能比较实验 (3)实验二直流全桥的应用――电子秤实验 (7)实验三电容式传感器的位移特性实验 (9)实验四压电式传感器振动实验 (11)实验五直流激励时霍尔式传感器位移特性实验 (13)实验六电涡流传感器综合实验 (15)实验七光纤传感器的位移特性实验 (18)实验一金属箔式应变片单臂、半桥性能比较实验一、实验目的:了解金属箔式应变片的应变效应,电桥工作原理和性能。
二、基本原理:电阻丝在外力作用下发生机械变形时,其电阻值发生变化,这就是电阻应变效应,描述电阻应变效应的关系式为:ΔR/R=Kε式中ΔR/R为电阻丝电阻相对变化,K为应变灵敏系数,ε=Δl/l为电阻丝长度相对变化,金属箔式应变片就是通过光刻、腐蚀等工艺制成的应变敏感元件,通过它转换被测部位受力状态变化、电桥的作用完成电阻到电压的比例变化,电桥的输出电压反映了相应的受力状态。
,对单臂电桥输出电压U o1= EKε/4。
不同受力方向的两只应变片接入电桥作为邻边,电桥输出灵敏度提高,非线性得到改善。
当应变片阻值和应变量相同时,其桥路输出电压U O2=EKε/2。
三、需用器件与单元:应变式传感器实验模板、应变式传感器-电子秤、砝码、数显表、±15V电源、±4V电源、万用表(自备)。
四、实验步骤:1、根据图(1-1)应变式传感器(电子秤)已装于应变传感器模板上。
传感器中各应变片已接入模板的左上方的R1、R2、R3、R4。
可用万用表进行测量判别,R1=R2=R3=R4=350Ω,加热丝阻值为50Ω左右图1-1 应变式传感器安装示意图2、接入模板电源±15V(从主控台引入),检查无误后,合上主控台电源开关,将实验模板调节增益电位器R W3顺时针调节大致到中间位置,再进行差动放大器调零,方法为将差放的正负输入端与地短接,输出端与主控台面板上数显表输入端V i相连,调节实验模板上调零电位器R W4,使数显表显示为零(数显表的切换开关打到2V档)。
电容式传感器的位移特性实验报告资料一、实验内容:1、使用电容式传感器进行位移测量;2、采用锁相放大器,对位移测量进行信号检测,输出交流(AC)信号幅度和相位;3、掌握电容式传感器的阻抗和信号特性。
二、实验原理:1、电容式传感器:是将测量物体与一个接地电极分离,形成一个独立的电容二极管。
当测量物体发生位移时,该二极管电容Cc变化,即Cc=f(d),d是测量位移。
在保持传感器静态工作点C0不变的情况下,当Cc发生变化时,不受测物位移的干扰。
因此,电容式传感器可以实现高精度、无接触、无磨损位移测量。
2、锁相放大器:是一种适用于相位、频率、振幅等参数检测的精密电子测量仪器。
它可以对微弱的交流信号检测并输出信号幅度和相位。
三、实验器材:2、锁相放大器;3、信号调理器;4、多路开关;5、示波器。
四、实验过程:1、在传感器静态工作点时,接触传感器,调整微调电容,使电压稳定在一个固定值;2、调整开关,将传感器所测量的位移信号输入信号调理器内,进行信号调理,可以得到一个幅度为1V、频率为10kHz左右、带有微弱噪声的交流信号;3、将调理后的信号连接至锁相放大器的输入端,将锁相放大器的参考输入端连接至信号调理器输出端,调节锁相放大器的参考信号相位,使锁相放大器输出的交流信号幅度和参考信号相位一致;4、通过示波器连接至锁相放大器输出端,调节示波器测量参数,可以得到锁相放大器输出信号的AC幅度和相位值;5、通过多路开关改变传感器输入的位移值,重复以上步骤,得到传感器的位移特性曲线。
五、实验结果:在不同的测量点进行测量,在锁相放大器中得到具有不同幅度和相位的AC信号,通过信号处理以及调制,最终得到有关电容式传感器位移特性曲线,从中发现电容性传感器在不同测量点上具有不同的灵敏度,以及对于位移值的反应截然不同,这也是电容式传感器的特点,需要在实际应用中进行合理的选择和设计。
六、实验分析:通过实验,我们发现电容式传感器的测量值和测量量并非简单的线性关系,仅仅是对于位移变化而产生的电容变化,同时也受到感应现象、环境噪声的影响。
工程测试技术基础教学大纲适用专业:机械设计制造及自动化课程学时:40(理论学时:34,实验学时:6 )一、课程性质、目的与任务机械工程测试技术是机械工程类本科生的一门重要专业基础课。
本课程主要教学内容有:机械工程测试中常用的传感器和相应的调理电路的工作原理;测量装置(仪器及系统)静态、动态特性的评价方法;动态信号的描述、分析处理;常见机械制造工程领域中各类静态、动态物理信号的测试分析方法。
通过本课程的学习,使学生了解信号的特征;能较正确地选用传感器等测试元件构成测试仪器及系统;掌握测试的基本理论、基本方法及基本试验技能,为进一步学习和研究测试领域的实际问题打下基础,为机械制造自动化工程服务。
二、课程教学内容(有☆号者为选讲)(一)理论教学第一部分绪论(2学时)介绍测试技术在工业自动化、环境监测、楼宇控制、医疗、家庭和办公室自动化等领域的应用情况和测试技术的发展趋势。
第二部分信号分析基础(4学时)介绍信号的分类,信号时域分析、幅值域分析、频谱分析、相关分析原理及应用。
包括:1. 基本概念:信号的分类、信号的描述方法、信号分析的内容2. 周期信号与离散频谱:正弦信号表示法、复杂周期信号的分解、周期信号的强度分析、周期信号的频谱分析3. 非周期信号与连续频谱:傅里叶变换简述、非周期信号的频谱分析、几种典型非周期信号的频谱4. 相关分析第三部分传感器及应用原理(8学时)介绍电阻式传感器、电感式传感器、电容式传感器、压电式传感器、磁电式传感器、热电式传感器、半导体传感器等常用传感器的工作原理、测量电路和传感器的特性以及在制造业中的应用。
1.概述:传感器的作用及组成、传感器的分类、对传感器性能的要求简介2.电阻式传感器:电位器式电阻传感器、电阻应变式电阻传感器。
3.电感式传感器:自感型电感传感器、变压器式电感传感器、涡流式传感器4.电容式传感器:电容式传感器的类型及变换原理、实际测量电路5.压电式传感器:压电效应、压电式传感器及其等效电路、测量电路6.磁电式传感器:动圈式磁电传感器、磁阻式磁电传感器7.热电式传感器:热电偶、热电阻传感器8.半导体传感器:磁电转换元件、光电转换元件☆9.其它新型传感器简介第四部分测试系统特性(4学时)介绍测试系统基本组成,测试系统的静态、动态特性,不失真测量条件,滤波器及应用,测试系统特性的评定方法。
电容式传感器的位移特性实验电容式位移传感器实验是一种重要的引导应用考核技术,它要求用户在复杂的实验环境中结合理论知识和实际操作,使用电容式位移传感器来测量和检验其变化。
电容式位移传感器具有灵敏度高、稳定性好、良好的鲁棒性等优点,在工业控制领域中得到广泛应用。
实验 content一、研究内容1、电容式位移传感器介绍:介绍电容式位移传感器的原理工作原理、接线结构以及精度要求等。
2、等效电路仿真:使用电路仿真软件,仿真输入电压的变化对电容式位移传感器的影响。
3、实验素材:利用工业电容式位移传感器,测量传感器的位移特性,探查其非线性特性以及如何改善精度。
4、仪器设备:利用函数发生器、数字万用表、模拟量信号示波器等常用仪器设备,分别检测典型电容器位移传感器的精度。
5、结论性评价:评价:分析电容式位移传感器的特性,对它的优缺点进行总结,指出如何提高其精度,进一步建立相关的计算模型。
二、实验原理1、电容式位移传感器由两个电容构成,其原理是由于特定环境改变时,电容之间的介质改变,会在电容上形成电容电势差而发生变化,从而使电容式位移传感器的内部电路受到影响,最终通过电容变化改变其输出电压。
2、实验中利用函数发生器产生跨越输入电压,观察输出电压的变化,研究电容式位移传感器的补偿特性和灵敏度。
3、设置正反向斜率的步进电压,控制正反向补偿电压间隔,观察其非线性特性,探究其实际特性。
4、模拟量信号示波器给出电容式位移传感器的不同输出电压,观察实际精度,辅助分析结果。
三、实验结果1、经过仿真计算,确定电容式位移传感器补偿特性曲线,补偿范围较大,灵敏度及时响应速度较快,补偿特性良好。
2、观察实验电路中电容式位移传感器的输出电压,发现其在正反向补偿斜率步进电压下,相应的响应有非线性变化,合理,可靠。
3、通过模拟量信号示波器的输出,可分析典型电容式位移传感器的精度,表明电容式位移传感器的精度较高,可以满足应用要求。
四、结论1、电容式位移传感器具有灵敏度高、稳定性优、较好的精度等特点,在工业控制领域具有广泛应用。
电容式传感器测位移特性实验电容式传感器是一种常用的位移传感器,采用电容式将小的位移量变化,转变成模拟电压来发送,以实现检测和测量的目的,其具有快速响应、高精度和反应稳定的特点,被广泛应用到航空、航天、工业控制仪表等领域。
本实验将通过实验设备进行测量电容式传感器的位移特性,以更加深入的了解电容式传感器的工作特性。
实验装置是一台专业的电容测试仪,此外还配有一个线性位移模拟器、一个电容式传感器、一些实验电缆和接口线等辅助设备。
实验可分为三个步骤:绘制拟合曲线前的实验前准备工作、将电容式传感器的位移信号变为模拟电压的转换过程以及拟合测得的曲线。
1、实验前准备工作:首先,将位移模拟器接线连接到实验装置;随后,将电容式传感器接入实验装置,并将电容传感器安装在位移模拟器上;最后,调节电容测试仪偏置电路,矫正偏置电压,以设定有效位移信号范围。
2、将电容式传感器的位移信号变为模拟电压的转换过程:在实验中,将位移模拟器的调置电位从最小值(0mm)调至最大值(50mm),从而控制位移模拟器产生不同的位移量。
每次顺序调节时,实验装置将其位移量所产生的信号作为输入,经过转换后将电容式传感器的位移信号变成一定失真程度的模拟电压信号,从而可进行数据获取。
3、拟合测得的曲线:由于电容式传感器的反应特性的确定,在本实验中选择了一种标准的二次曲线进行拟合,以便更好地了解其工作原理。
在拟合曲线以及拟合曲线的过程中,采用的是软件的拟合算法,计算出最佳的参数并绘制拟合曲线。
实验结果表明,本次实验证明了电容式传感器位移特性测试实验使用电容式传感器和实验装置进行测量均具有可行性和准确性,为此类传感器的应用提供了足够的参考。
此外,本次实验也体现了软件算法拟合准确性以及实验数据在绘制曲线过程中的重要性等。
一、实训目的电容式传感器实训旨在使学生了解电容式传感器的基本原理、结构、工作特性以及在实际应用中的重要性。
通过本次实训,学生应掌握电容式传感器的安装、调试、测试方法,并能够根据实际需求设计和应用电容式传感器。
二、实训内容1. 理论部分- 电容式传感器的基本原理:电容式传感器是利用电容变化来检测物理量的传感器。
其基本原理是通过测量电容的变化来检测被测量的物理量,如位移、振动、压力等。
- 电容式传感器的结构:电容式传感器主要由敏感元件、测量电路和信号处理电路组成。
- 电容式传感器的工作特性:电容式传感器具有高灵敏度、高精度、抗干扰能力强等特点。
2. 实践部分- 安装与调试1. 根据实验要求,将电容式传感器安装到相应的测试平台上。
2. 调整传感器与测试平台的距离,确保传感器能够正确地检测到被测量的物理量。
3. 调整传感器的灵敏度,使其在检测范围内达到最佳性能。
- 测试与数据分析1. 利用实验设备对电容式传感器进行测试,记录测试数据。
2. 分析测试数据,评估传感器的性能,如灵敏度、线性度、重复性等。
3. 根据测试结果,对传感器进行调整和优化。
3. 应用设计- 根据实验要求,设计一个应用实例,如位移测量、振动检测等。
- 分析应用实例中电容式传感器的需求,选择合适的传感器型号和参数。
- 设计电路,实现电容式传感器的信号采集、处理和输出。
三、实训结果与分析1. 测试结果通过实验,我们得到了以下测试结果:- 传感器的灵敏度为0.1mm/V,线性度为0.5%,重复性为0.3%。
- 在测试范围内,传感器能够稳定地检测到被测量的物理量。
2. 数据分析根据测试结果,我们可以得出以下结论:- 电容式传感器具有较高的灵敏度和线性度,能够满足实际应用的需求。
- 传感器的重复性好,稳定性高,适用于长时间连续工作。
3. 应用设计根据实验结果,我们设计了一个位移测量系统。
该系统采用电容式传感器作为测量元件,通过信号采集、处理和输出,实现了对位移的精确测量。
机械工程《传感器与检测技术》测试技术实验指导书机械工程测试技术实验指导书——传感器与检测技术罗烈雷编机械工程系机械工程测试技术实验指导书——传感器与检测技术一、测试技术实验的地位和作用《传感器与检测技术》课程,在高等理工科院校机械类各专业的教学打算中,是一门重要的专业基础课,而实验课是完成本课程教学的重要环节。
其要紧任务是通过实验巩固和消化课堂所讲授理论内容的明白得,把握常用传感器的工作原理和使用方法,提高学生的动手能力和学习爱好。
其目的是使学生把握非电量检测的差不多方法和选用传感器的原则,培养学生独立处理问题和解决问题的能力。
二、应达到的实验能力标准1、通过应变式传感器实验,把握理论课上所讲授的应变片的工作原理,并验证单臂、半桥、全桥的性能及相互之间关系。
2、通过差动变压器静态位移性能测试和差动变压器零点残余电压的补偿电路设计,把握理论课上所讲授的差动变压器的工作原理和零点残余电压的补偿措施。
3、通过电涡流式传感器的静态标定和被测体材料对电涡流式传感器特性的阻碍实验,把握理论课上所讲授的电涡流式传感器的原理及工作性能,验证不同性质被测体材料对电涡流式传感器性能的阻碍。
4、通过差动面积式电容传感器的静态及动态特性测试,了解差动面积式电容传感器的工作原理及其特性。
5、通过磁电感应式传感器的性能和霍尔式传感器直流静态位移特性的测试方法,把握磁电感应式传感器的工作原理及其性能和霍尔式传感器的工作原理及其特能。
6、通过压电式传感器的动态响应和引线电容对电压放大器与电荷放大器的阻碍实验,把握压电式传感器的原理、结构及应用和验证引线电容对电压放大器的阻碍,了解电荷放大器的原理和使用方法。
7、通过光敏三极管和光敏电阻的性能测试,把握光电传感器的原理与应用方法。
8、热电偶和热敏电阻的性能测试的方法,把握热电偶的原理和 NTC 热敏电阻的工作原理和使用方法,并对传感器灵敏度线性度进行分析。
9、通过差动放大器和低通滤波器设计和测试,把握差动放大器和滤波器的设计方法和性能测试方法。
实验一电阻应变片式传感器一、实验目的:了解金属箔式应变片的应变效应,单臂电桥,半桥和全桥的工作原理和性能。
二、实验仪器:应变传感器实验模块、托盘、砝码、数显电压表、±15V、±4V 电源、万用表(自备)。
三、实验原理:1、单臂电桥:电阻丝在外力作用下发生机械变形时,其电阻值发生变化,这就是电阻应变效应,描述电阻应变效应的关系式为:ΔR/R=Kε,式中ΔR/R为电阻丝电阻相对变化,K为应变灵敏系数,ε=Δl/l为电阻丝长度相对变化。
金属箔式应变片就是通过光刻、腐蚀等工艺制成的应变敏感组件,如图1-1所示,四个金属箔应变片分别贴在弹性体的上下两侧,弹性体受到压力发生形变,应变片随弹性体形变被拉伸,或被压缩。
图1-1图1-2通过这些应变片转换被测部位受力状态变化、电桥的作用完成电阻到电压的比例变化,如图1-2所示R5、R6、R7为固定电阻,与应变片一起构成一个单臂电桥,其输出电压 Uo=R R R R E ∆⋅+∆⋅211/4 (1-1)E 为电桥电源电压,R 为固定电阻值,式1-1表明单臂电桥输出为非线性,非线性误差为L=%10021⋅∆⋅-R R 。
2、半桥不同受力方向的两只应变片接入电桥作为邻边,如图1-3。
电桥输出灵敏度提高,非线性得到改善,当两只应变片的阻值相同、应变数也相同时,半桥的输出电压为Uo=EKε/2 =R R E ∆⋅2(1-2)E 为电桥电源电压,式1-2表明,半桥输出与应变片阻值变化率呈线性关系。
图1-3 3、全桥全桥测量电路中,将受力性质相同的两只应变片接到电桥的对边,不同的接入邻边,如图1-4,当应变片初始值相等,变化量也相等时,其桥路输出:Uo=KEε(1-3)E为电桥电源电压,式1-3表明,全桥输出灵敏度比半桥又提高了一倍,非线性误差得到进一步改善。
图1-4四、实验内容与步骤1、单臂电桥1)图1-1应变传感器上的各应变片已分别接到应变传感器模块左上方的R1、R2、R3、R4上,可用万用表测量判别,R1=R2=R3=R4=350Ω。
电容式传感器的动态特性实验报告一、引言电容式传感器是利用电场的变化来感测外界参数的一种传感器,广泛应用于工业生产、军事科研、医疗设备等领域。
本次实验旨在探究电容式传感器的动态特性,了解其响应时间、误差等参数,以此加深对传感器的理解和应用。
二、实验原理电容式传感器是一种基于电容原理的传感器,通常由两个导电板和介质组成。
当传感器测量的物理量发生变化时,介质的电容性质发生变化,电容值也会随之改变。
在本次实验中,我们使用的是基于压电陶瓷的电容式传感器。
这种传感器的结构类似于普通电容式传感器,但是介质是压电陶瓷,可以将物理参数的变化转化为电容值的变化。
实验中测量的物理量是压电陶瓷电容的电容值。
压电陶瓷电容与外界存在一定的机械耦合关系,当传感器遭受外力冲击时,电容值会发生变化。
通过测量电容值的变化,我们可以得到传感器的响应时间和误差等参数。
三、实验步骤1. 搭建实验电路。
将电容式传感器与电容传感器信号调理模块连接,然后将模块的输出信号连接至示波器。
2. 给传感器施加冲击。
运用手掌等方式对传感器进行外力冲击,记录传感器响应的示波器输出信号。
3. 重复多次测量,获得数据。
对传感器进行多次冲击测试,记录测得的数据,计算平均值、方差等参数。
4. 对数据进行分析。
根据实验获得的数据,分析得出传感器的响应时间、误差等参数。
四、实验结果和分析1. 实验数据处理本次实验一共进行了10次测量,得到的数据如下表所示:| 序号 | 冲击时间/ms | 电容值/pF ||-----|------------|-----------|| 1 | 0.5 | 66.3 || 2 | 0.4 | 64.5 || 3 | 0.7 | 66.9 || 4 | 0.6 | 63.6 || 5 | 0.35 | 61.8 || 6 | 0.5 | 66.0 || 7 | 0.45 | 64.2 || 8 | 0.6 | 63.9 || 9 | 0.7 | 66.8 || 10 | 0.4 | 64.8 |根据以上数据,我们可以计算出传感器的平均响应时间和标准差:平均响应时间(τ)= 0.52 ms标准差(σ)= 0.12 ms(1)响应时间:从数据和计算结果可以看出,电容式传感器的响应时间较短,平均为0.52ms。
电容式传感器特性实验报告电容式传感器特性实验报告引言:电容式传感器是一种常见的传感器类型,广泛应用于工业生产、环境监测和生物医学等领域。
本实验旨在通过实际操作和数据分析,探究电容式传感器的特性和应用。
一、实验目的本实验的主要目的是研究电容式传感器的特性,包括灵敏度、线性度和响应时间等方面。
通过实验数据的收集和分析,了解电容式传感器在不同条件下的工作性能。
二、实验原理电容式传感器是通过测量电容变化来感知环境或物体的性质。
当传感器与目标物体相互接触时,电容值会发生变化,进而反映出目标物体的特性。
电容式传感器的原理基于电容的定义公式:C = εA/d,其中C为电容值,ε为介电常数,A为电容板面积,d为电容板间距。
三、实验装置和步骤实验装置:电容式传感器、信号发生器、示波器、数字万用表、电源等。
实验步骤:1. 连接实验装置,确保电路连接正确并稳定。
2. 设置信号发生器的频率和幅度,观察传感器输出信号的变化。
3. 通过示波器观察传感器输出信号的波形,并记录相应的数据。
4. 改变目标物体与传感器的距离和角度,测试传感器的灵敏度和线性度。
5. 分析实验数据,计算传感器的灵敏度和线性度。
四、实验结果和数据分析在实验过程中,我们记录了传感器输出信号的波形和数值。
通过对实验数据的分析,我们得出以下结论:1. 传感器的灵敏度随着目标物体与传感器的距离减小而增加,这是因为目标物体与传感器之间的电容值随距离的减小而增大。
2. 在一定范围内,传感器的输出信号与目标物体的角度变化呈线性关系,这表明传感器具有较好的线性度。
3. 传感器的响应时间取决于信号发生器的频率和传感器本身的特性,我们可以通过调整信号发生器的参数来控制传感器的响应时间。
五、实验误差和改进措施在实验过程中,我们注意到了一些误差和改进的空间:1. 传感器输出信号的波形可能受到外界干扰而产生噪声,这会对实验结果的准确性产生影响。
可以通过增加滤波器来降低噪声的影响。
测试技术基础实验报告班级:学号:姓名:2014-6-19实验一光栅传感器测位移实验1).实验目的1.了解光栅传感器的基本结构、特点、工作原理。
2.掌握光栅传感器测量位移的原理及方法。
2).实验原理光栅位移传感器由光源、聚光灯、标尺光栅、指示光栅和光电元件组成。
光源发出的光线经过透镜照射在光栅上,再通过光栅照射在光电元件上,把光信号转换成电信号。
光栅测量位移的工作原理是基于莫尔条纹现象。
两块栅距w相同,黑白宽度相同的长光栅,当它们的刻线面彼此平行互相靠近,且沿刻线方向保持成一个很小的夹角θ时,由于遮光效应或光的衍射作用,在a-a线上,两块光栅的黑色刻线相交,透光缝隙相重,因此形成一条亮带。
在b-b线上,一块光栅上的黑色刻线正好将另一块光栅的透光部分挡住,形成一条暗带。
这些明暗相间的条纹就是所谓的莫尔条纹。
当光栅透过的光线越多,光电元件的输出越大,当光栅透过的光线越少,输出信号与位移间的关系可近似的用正弦函数表示。
即: V=Vo+VmSin(2πx/w)式中:V --光电元件输出的电压信号;Vo--输出信号中的平均直流分量;Vm--输出正弦信号的幅值; W --栅距。
X --两光栅间的瞬时相对位移量。
由上式可见,光电元件的输出电压的大小反映了光栅瞬时位移量的大小,从而实现了位移量向电量的转换。
在实际应用中,被测物体的移动方向是经常改变的,而莫尔条纹的明暗变化只与位移有关,而与位移方向无关,为了辨别位移的方向必须增加一个观测点,然后根据两个观测点输出信号U1、U2间的相位关系来定位移的方向。
当光栅正向运动时,U1超前U2 90度,当光栅反向运动时,U2超前U1 90度,利用这一特点,便可构成简单的辨向电路。
通常采用的是“四倍频辨向电路”。
所谓四倍频电路是一种位置细分法,就是使正弦信号在0度、90度、180度、270度都有脉冲输出,可使测量精度提高四倍。
将辨向电路输出信号(Y 1、Y2)送到加、减计数电路进行记数,再通过译码驱动电路,将位移量显示出来。
电容式传感器位移特性实验报告篇一:实验十一电容式传感器的位移特性实验实验十一电容式传感器的位移特性实验一、实验目的:了解电容传感器的结构及特点二、实验仪器:电容传感器、电容传感器模块、测微头、数显直流电压表、直流稳压电源三、实验原理:电容式传感器是指能将被测物理量的变化转换为电容量变化的一种传感器它实质上是具有一个可变参数的电容器。
利用平板电容器原理:C??Sd??0??r?Sd(11-1)0真空介电常数,εr介质相对介电常数,由式中,S为极板面积,d为极板间距离,ε此可以看出当被测物理量使S、d 或εr发生变化时,电容量C随之发生改变,如果保持其中两个参数不变而仅改变另一参数,就可以将该参数的变化单值地转换为电容量的变化。
所以电容传感器可以分为三种类型:改变极间距离的变间隙式,改变极板面积的变面积式和改变介质电常数的变介电常数式。
这里采用变面积式,如图11-1两只平板电容器共享一个下极板,当下极板随被测物体移动时,两只电容器上下极板的有效面积一只增大,一只减小,将三个极板用导线引出,形成差动电容输出。
四、实验内容与步骤1.按图11-2将电容传感器安装在电容传感器模块上,将传感器引线插入实验模块插座中。
2.将电容传感器模块的输出UO接到数显直流电压表。
3.接入±15V电源,合上主控台电源开关,将电容传感器调至中间位置,调节Rw,使得数显直流电压表显示为0(选择2V档)。
(Rw确定后不能改动)4.旋动测微头推进电容传感器的共享极板(下极板),每隔记下位移量X与输出电压值V的变化,填入下表11-1五、实验报告:1.根据表11-1的数据计算电容传感器的系统灵敏度S和非线性误差δf。
六、实验数据曲线图:VX篇二:电涡流传感器的位移特性实验报告实验十九电涡流传感器的位移特性实验一、实验目的了解电涡流传感器测量位移的工作原理和特性。
二、实验仪器电涡流传感器、铁圆盘、电涡流传感器模块、测微头、直流稳压电源、数显直流电压表三、实验原理通过高频电流的线圈产生磁场,当有导电体接近时,因导电体涡流效应产生涡流损耗,而涡流损耗与导电体离线圈的距离有关,因此可以进行位移测量。
实验三电容式传感器静、动态特性实验
一、实验目的:
1. 了解电容式传感器结构及其特点。
2. 了解电容传感器的动态性能的测量原理与方法。
二、需用器件与单元:
电容传感器、电容传感器实验模板、测微头、相敏检波、低通滤波模板、数显单元、直流稳压源、双踪示波器。
三、实验步骤:
1、按实验二的图2-1安装示意图将电容传感器接于电容传感器实验模板上。
2、将电容传感器连线插入电容传感器实验模板,实验线路见图3-1。
图3-1 电容传感器位移实验接线图
3、将电容传感器实验模板的输出端V01与数显表单元V i相接(插入主控箱V i孔),R w调节到中间位置。
4、接入±15V电源,旋动测微头推进电容传感器动
极板位置,每间隔0.2mm记下位移X与输出电压值,填入表3-1。
5、根据表3-1的数据计算电容传感器的系统灵敏度S和非线性误差δf。
6、传感器安装图同实验二图2-1,按图3-1接线。
实验模板输出端V01 接滤波器输入端。
滤波器输出端V,接示波器一个通道(示波器X轴为20ms/div、Y轴示输出大小而变)。
调节传感器连接支架高度,使V01输出在零点附近。
7、主控箱低频振荡器输出端与振动源低频输入相接,振动频率选6~12Hz之间,幅度旋钮初始置0。
8、输入±15V电源到实验模板,调节低频振荡器的频率与幅度旋钮使振动台振动幅度适中,注意观察示波器上显示的波形。
9、保持低频振荡器幅度旋钮不变,改变振动频率,可以用数显表测频率(将低频振荡器输出端与数显Fin输入口相接,数显表波段开关选择频率档)。
从示波器测出传感器输出的V01峰-峰值。
保持低频振荡器频率不变,改变幅度旋钮,测出传感器输出的V01峰-峰值。
四、思考题:
1、试设计利用ε的变化测谷物湿度的传感器原理及结构?能否叙述一下在设计中应考虑哪些因素?
2、为了进一步提高电容传器灵敏度,本实验用的传感器可作何改进设计?如何设计成所谓容栅传感器?
3、根据实验所提供的电容传感器尺寸,计算其电容量
C O和移动0.5mm时的变化量,(本实验外圆半径R=8mm,内圆柱外半径r=7.25mm,外圆筒与内圆筒覆盖部分长度1=16mm。