三菱伺服异常信息一览表
- 格式:doc
- 大小:64.50 KB
- 文档页数:6
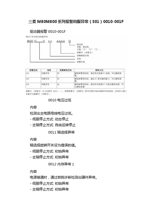
三菱M80M800系列报警伺服异常(S01)0010-001F 驱动器报警 0010-001F0010 电压过低内容检测出主电路母线电压过低。
- 伺服停止方式: 动态停止- 主轴停止方式: 自由运转停止0011 轴选择异常内容轴选择旋转开关设为错误的值。
- 伺服停止方式: 初始异常- 主轴停止方式: 初始异常0012 内存异常1内容电源接通时,通过自我诊断检测出硬件异常。
- 伺服停止方式: 初始异常- 主轴停止方式: 初始异常0013 软件处理异常1内容在软件的执行状态中检测出异常- 伺服停止方式: 动态停止- 主轴停止方式: 自由运转停止0014 软件处理异常2内容电流处理器不能正常动作。
- 伺服停止方式: 动态停止- 主轴停止方式: 自由运转停止0015 内存异常2内容电源接通时的的自检中,检测出CPU 或内存异常。
0016 初始磁极位置检测异常内容在使用绝对位置检测器的内置电机中,由于未设定磁极偏移量,伺服打开。
在初始磁极位置检测控制时,未能正确设定磁极位置。
- 伺服停止方式: 动态停止- 主轴停止方式: 自由运转停止0017 A/D 转换器异常内容检测出电流反馈中存在异常。
- 伺服停止方式: 动态停止- 主轴停止方式: 自由运转停止0018 电机端检测器初始通讯异常内容检测出与电机端检测器之间的初始通讯存在异常。
- 伺服停止方式: 初始异常- 主轴停止方式: 初始异常0019 同步控制检测器通讯异常内容在速度指令同步控制的辅助轴中,检测出通用的机床侧检测器异常。
- 伺服停止方式: 动态停止001A 机床端检测器初始通讯异常内容检测出与机床端检测器之间的初始通讯存在异常。
- 伺服停止方式: 初始异常- 主轴停止方式: 初始异常001B 机床端检测器异常1内容检测出机械侧检测器异常。
异常内容因检测器类型而异。
- 伺服停止方式: 动态停止- 主轴停止方式: 自由运转停止[ 检测器报警( 伺服驱动器)]- OSA405, OSA676, OSA105ET2A, OSA166ET2NA( 三菱电机) 内存报警- OSA24RS( 三菱电机) CPU 报警- MDS-B-HR( 三菱电机) 内存错误- MBA405W( 三菱电机) CPU 异常- AT343, AT543, AT545, ST748( 日本三丰) 初始化错误- LC193M, LC493M, LC195M, LC495M, LC291M, RCN223M, RCN227M, RCN727M, RCN827M, EIB 系列 ( 海德汉)初始化错误- MPRZ 光栅尺 ( 三菱重工) 安装精度不正确- SR67A, SR75, SR85, SR77, SR87, RU77( 索尼) 激光二极管错误- RL40N/RA 系列 ( 雷尼绍) 初始化错误[ 检测器报警 ( 主轴驱动器)]- TS5690, TS5691( 三菱电机) 内存错误- MDS-B-HR( 三菱电机) 初始化错误- OSA24RS( 三菱电机) CPU 错误- MBE405W( 三菱电机) CPU 异常- EIB 系列( 海德汉) 初始化错误- MPCI 光栅尺 ( 三菱重工) 安装精度不正确( 注) 报警的复位区别为在驱动器端全部作为PR 处理,但是根据检测器不同有时为AR。
常见的三菱伺服故障代码及故障处理方案在中国使用三菱交流伺服系统主要由三个系列:MR-ES、MR-J2S、MR-J3。
通常故障情况可由伺服驱动器上显示代码来初步判断,以下是几种常见的故障及其排查方法:1、AL.E6 -表示伺服紧急停止。
引起此故障的原因一般有两个,一个是控制回路24V电源没有接入,另一个是CN1口EMG和SG之间没有接通。
2、AL.37-参数异常。
内部参数乱,操作人员误设参数或者驱动器受外部干扰导致。
一般参数恢复成出厂值即可解决。
3、AL.16-编码器故障。
内部参数乱或编码器线故障或电机编码器故障。
参数恢复出厂值或者更换线缆或者更换电机编码器,若故障依旧,则驱动器底板损坏。
4、AL.20-编码器故障。
电机编码器故障或线缆断线、接头松动等导致。
更换编码器线或伺服电机编码器。
MR-J3系列发生此故障时,还有一种可能是驱动器CPU接地线烧断导致。
5、AL.30-再生制动异常。
若刚通电就出现报警,则驱动器内部制动回路元件损坏。
若在运行过程中出现,可检查制动回路接线,必要时外配制动电阻。
6、AL.50、AL.51-过载。
检查输出U、V、W三相相序接线是否正确,伺服电机三相线圈烧坏或接地故障。
监控伺服电机负载率是否长时间超过100%,伺服响应参数设置过高,产生共振等原因。
7、AL.E9-主回路断开。
检查主回路电源是否接入,若正常则主模块检测回路故障,须更换驱动器或配件。
8、AL.52-误差过大。
电机编码器故障或驱动器输出模块回路元件损坏,通常油污较多的使用场合此故障较多。
另外简单判断伺服电机故障方法:去掉电机所有接线后,转动电机轴承,如能感觉到明显的阻力,转动时不顺畅,则机身线圈烧坏,另外装配联轴器不当时很容易把编码器敲坏,可摇动电机编码器部分,若能听到编码器碎片的声音,则编码器被敲坏。
附上三菱伺服MR-J2S系列所有代码伺服报警的代码:——AL10 欠压——AL12 存储器异常——AL13 时钟异常——AL15 存储器异常2 ——AL16 编码器异常1 ——AL 17 电路异常2 ——AL 19 存储器异常3 ——AL 1A 电机配合异常——AL 20 编码器异常2 ——AL 24 电机接地故障——AL 25 绝对位置丢失——AL 30 再生制动异常——AL 31 超速——AL 32 过流——AL 33 过压——AL 35 指令脉冲频率异常——AL 37 参数异常——AL 45 主电路器件过热——AL 46 电机过热——AL 50 过载1——AL 51 过载2——AL 52 误差过大——AL 8A 串行通讯超时——AL 8E 串行通讯异常伺服警告代码:——AL 92 电池断线警告——AL 96 原点设定错误警告——AL 9F 电池警告——AL E0 再生制动电流过大警告——AL E1 过载警告——AL E3 绝对位置计数器警告——AL E5 ABS超时警告——AL E6 伺服电机异常停止——AL E9 主电路OFF警告——AL EA ABS伺服ON警告。
三菱伺服说明书MR-J2-B伺服放大器手册(英文)8 - 1 Alarm and warning lists 报警和警告名单When a fault occurs during operation, the corresponding alarm or warning is displayed. If any alarm or warning has occurred, refer to Section 8.2 or 8.3 and take the appropriate action.Alarms Warnings:当故障发生在操作过程中,相应的报警或显示警告。
如果任何警报或警告发生,请参阅第8.2或8.3,并采取适当的行动。
报警警告Display Name 显示名称10 Undervoltage 10欠压11 Board error 1 11 局错误112 Memory error 12内存错误113 Clock error 14时钟误差15 Memory error 2 15 内存错误216 Encoder error 1 16 编码器错误117 Board error 2 17局错误218 Board error 3 18局的错误320 Encoder error 2 20编码器错误224 Ground fault 24接地故障25 Absolute position erase 25绝对位置擦除30 Regenerative error 3 0再生错误31 Overspeed 31超速32 Overcurrent 32过流33 Overvoltage 33过压保护34 CRC error 34 CRC错误35 Command F T error 35指挥F t误差36 Transfer error 36传输错误37 Parameter error 37参数错误46 Servo motor overheat 46伺服电机过热50 Overload 1 50超载151 Overload 2 51超载252 Error excessive 52错误过多8E RS-232C error 8E型的RS - 232错误88 Watchdog 88看门狗92 Open battery cable warning 92打开电池电缆警告96 Zero setting error 96零设定错误过度负荷的E0 Excessive regenerative load warning E0再生警告E1 Overload warning E1超载警告E3 Absolute position counter warning E3展绝对位置计数器警告E4 Parameter warning E4类参数警告E6 Servo emergency stop E6伺服紧急停止E7 Controller emergency stop E7的紧急停止控制器E9 Main circuit off warning E9主回路关闭警告。
三菱伺服报警集团标准化办公室:[VV986T-J682P28-JP266L8-68PNN]使用三菱交流伺服系统主要由三个系列:MR-ES、MR-J2S、MR-J3。
通常故障情况可由伺服驱动器上显示代码来初步判断,以下是几种常见的故障及其排查方法:1、AL.E6-表示伺服紧急停止。
引起此故障的原因一般有两个,一个是控制回路24V电源没有接入,另一个是CN1口EMG和SG之间没有接通。
2、AL.37-参数异常。
内部参数乱,操作人员误设参数或者驱动器受外部干扰导致。
一般参数恢复成出厂值即可解决。
3、AL.16-编码器故障。
内部参数乱或编码器线故障或电机编码器故障。
参数恢复出厂值或者更换线缆或者更换电机编码器,若故障依旧,则驱动器底板损坏。
4、AL.20-编码器故障。
电机编码器故障或线缆断线、接头松动等导致。
更换编码器线或伺服电机编码器。
MR-J3系列发生此故障时,还有一种可能是驱动器CPU接地线烧断导致。
5、AL.30-再生制动异常。
若刚通电就出现报警,则驱动器内部制动回路元件损坏。
若在运行过程中出现,可检查制动回路接线,必要时外配制动电阻。
6、AL.50、AL.51-过载。
检查输出U、V、W三相相序接线是否正确,伺服电机三相线圈烧坏或接地故障。
监控伺服电机负载率是否长时间超过100%,伺服响应参数设置过高,产生共振等原因。
7、AL.E9-主回路断开。
检查主回路电源是否接入,若正常则主模块检测回路故障,须更换驱动器或配件。
8、AL.52-误差过大。
电机编码器故障或驱动器输出模块回路元件损坏,通常油污较多的使用场合此故障较多。
另外简单判断伺服电机故障方法:去掉电机所有接线后,转动电机轴承,如能感觉到明显的阻力,转动时不顺畅,则机身线圈烧坏,另外装配联轴器不当时很容易把编码器敲坏,可摇动电机编码器部分,若能听到编码器碎片的声音,则编码器被敲坏。
附上三菱伺服MR-J2S系列所有代码伺服报警的代码:——AL10?欠压——AL12?存储器异常——AL13?时钟异常——AL15?存储器异常2——AL16?编码器异常1——AL17?电路异常2——AL19?存储器异常3——AL1A?电机配合异常——AL20编码器异常2——AL24电机接地故障——AL25绝对位置丢失——AL30再生制动异常——AL31超速——AL32过流——AL33过压——AL35指令脉冲频率异常——AL37参数异常——AL45主电路器件过热——AL46电机过热——AL50过载1——AL51过载2——AL52误差过大——AL8A串行通讯超时——AL8E串行通讯异常伺服警告代码:——AL92电池断线警告——AL96原点设定错误警告——AL9F电池警告——ALE0再生制动电流过大警告——ALE1过载警告——ALE3绝对位置计数器警告——ALE5ABS超时警告——ALE6伺服电机异常停止——ALE9主电路OFF警告——ALEAABS伺服ON警告。
伺服报警手册中级培训〔1〕7-段显示灯电源接通A: 初始化 InitializingB:Ready OFFC:Ready ON, Servo OFFD:Servo ON根据伺服报警编号查找故障报警/警告检查阶段f1:驱动单元电源接通f2:(紧急停止)后NC电源接通f3:正常运行期间(伺服电源接通 servo ON)f4:轴移动期间(准备好指示灯点亮ready on,伺服电源断开 servo off)报警检查阶段:f1,f2检查项目检查结果处理方法经常发生更换驱动单元定期发生进行2步无异常原因更换驱动单元环境因素异常根据产生原因采取措施例:高温……检查冷却风扇未接地……接地报警检查阶段:f2,f3,f4检查项目检查结果处理方法改过更换为原版本的驱动单元未改过进行2步经常发生更换驱动单元定期发生进行3步无异常原因更换驱动单元环境因素异常根据产生原因采取措施例:高温……检查冷却风扇未接地……接地报警编号12:寄存器错误意义:驱动单元寄存IC(SRAM或FLROM)错误1是否重复发生2检查驱动单元的安装环境(例:环境温度,噪音,接地)报警编号13:软件处理错误意义:驱动单元数据处理在规定时间内未完成或输入非法的IT 1检查伺服软件版本是否更改过2是否重复发生3检查驱动单元安装环境(例:环境温度,噪音,接地)报警编号14:软件处理错误2报警检查阶段:f2,f3,f4检查项目检查结果处理方法改过更换为原版本的驱动单元未改过进行2步经常发生更换驱动单元定期发生进行3步无异常原因更换驱动单元环境因素异常根据产生原因采取措施例:高温……检查冷却风扇未接地……接地报警检查阶段:f2检查项目检查结果处理方法经常发生更换驱动单元定期发生进行2步无异常原因更换驱动单元环境因素异常根据产生原因采取措施例:高温……检查冷却风扇未接地……接地报警检查阶段:f2检查项目检查结果处理方法设定错误更正设定设定正确进行2步接头松动正确连接连接正常进行3步电缆问题更换电缆电缆正常进行4步驱动器问题更换驱动器编码器问题进行5步无异常原因更换编码器环境因素异常根据产生原因采取措施例:高温……检查冷却风扇未接地……接地意义:驱动单元数据处理、当前循环在规定时间内未完成1检查伺服软件版本是否更改过2是否重复发生3检查驱动单元安装环境(例:环境温度,噪音,接地)报警编号17:AD转换器错误意义:驱动单元AD转化时出现错误1是否重复发生2检查驱动单元安装环境(例:环境温度,噪音,接地)报警编号18:初始通讯错误意义:对于电机侧使用了高速串口编码器的系统,与编码器的初始通讯不执行1检查伺服参数(SV025)的设定值2检查(驱动侧和编码器侧)的接头是否松动。
三菱伺服说明书MR-J2-B伺服放大器手册(英文)8 - 1 Alarm and warning lists 报警和警告名单When a fault occurs during operation, the corresponding alarm or warning is displayed. If any alarm or warning has occurred, refer to Section 8.2 or 8.3 and take the appropriate action.Alarms Warnings:当故障发生在操作过程中,相应的报警或显示警告。
如果任何警报或警告发生,请参阅第8.2或8.3,并采取适当的行动。
报警警告Display Name 显示名称10 Undervoltage 10欠压11 Board error 1 11 局错误112 Memory error 12内存错误113 Clock error 14时钟误差15 Memory error 2 15 内存错误216 Encoder error 1 16 编码器错误117 Board error 2 17局错误218 Board error 3 18局的错误320 Encoder error 2 20编码器错误224 Ground fault 24接地故障25 Absolute position erase 25绝对位置擦除30 Regenerative error 3 0再生错误31 Overspeed 31超速32 Overcurrent 32过流33 Overvoltage 33过压保护34 CRC error 34 CRC错误35 Command F T error 35指挥F t误差36 Transfer error 36传输错误37 Parameter error 37参数错误46 Servo motor overheat 46伺服电机过热50 Overload 1 50超载151 Overload 2 51超载252 Error excessive 52错误过多8E RS-232C error 8E型的RS - 232错误88 Watchdog 88看门狗92 Open battery cable warning 92打开电池电缆警告96 Zero setting error 96零设定错误过度负荷的E0 Excessive regenerative load warning E0再生警告E1 Overload warning E1超载警告E3 Absolute position counter warning E3展绝对位置计数器警告E4 Parameter warning E4类参数警告E6 Servo emergency stop E6伺服紧急停止E7 Controller emergency stop E7的紧急停止控制器E9 Main circuit off warning E9主回路关闭警告。
異常信號異常原因異常排除AD75:”536”M CODE未OFF M CODE未OFF。
AD75參數若設定M CODE時,每執行完定址動作時,必須清除M CODE。
AD75:”102” 1.READY OFF。
2.驅動器未送電。
3.TB20之RESET點ON。
4.驅動器發生異常。
1.將SON與SG短路。
2.送電。
3.將RESET拆除。
4.驅動器RESET。
AD75:”956”JOG SPEED CONTROL LIMITERROR(JOG SPEED設定大於SPEED LIMIT)AD75 JOG SPEED LIMIT SPEED LIMIT修正。
AD75”106”STOP信號ON時,又啟動定址信號。
取消STOP信號。
AD75”104”AD75”105”1.前極限ON。
後極限ON。
2.AD75前/後極限信號接錯或未動作。
以JOG反方向運轉即可脫離極限開關。
CHECK AD75前/後極限接線,正常應常ON。
陽程科技股份有限公司工程名稱異 常 信 號異 常 原 因 異 常 排 除 AD75”543” 1.PLC 程式錯誤 例: TO H H K K槽位 位址2.位置啟動時START 信號(Y10、Y11、Y12)已經ON 。
1.修改程式。
2.RESET START 信號。
AD75”522”未設定速度值。
設定即可。
按下JOG +/-伺服未運轉,亦無任何異常信號。
內部或外部STOP 已ON(AD75外部STOP 配線錯誤或RY 接點顛倒。
解除STOP 信號。
AD75”206” 原點復歸Z 相COUNTER 值未設或太小。
設定參數80.81。
AD75”524” 動作位址未設定。
1.查參數1306是否有數值。
2.查程式。
陽程科技股份有限公司工程名稱異常信號異常原因異常排除AD75”300”程式內設定速度值未進入BUFFER MEMORY。
查程式JOG SPEED部份。
驅動器AL 20 EN CODER線受干擾。
三菱驱动器报警集团标准化工作小组 #Q8QGGQT-GX8G08Q8-GNQGJ8-MHHGN#常见的三菱伺服故障代码及故障处理方案在中国使用主要由三个系列:MR-ES、MR-J2S、MR-J3。
通常故障情况可由上显示代码来初步判断,以下是几种常见的故障及其排查方法:1、 -表示伺服紧急停止。
引起此故障的原因一般有两个,一个是控制回路24V电源没有接入,另一个是CN1口EMG和SG之间没有接通。
2、参数异常。
内部参数乱,操作人员误设参数或者驱动器受外部干扰导致。
一般参数恢复成出厂值即可解决。
3、编码器故障。
内部参数乱或编码器线故障或电机编码器故障。
参数恢复出厂值或者更换线缆或者更换电机编码器,若故障依旧,则驱动器底板损坏。
4、编码器故障。
电机编码器故障或线缆断线、接头松动等导致。
更换编码器线或伺服电机编码器。
MR-J3系列发生此故障时,还有一种可能是驱动器CPU接地线烧断导致。
5、再生制动异常。
若刚通电就出现报警,则驱动器内部制动回路元件损坏。
若在运行过程中出现,可检查制动回路接线,必要时外配制动电阻。
6、、过载。
检查输出U、V、W三相相序接线是否正确,伺服电机三相线圈烧坏或接地故障。
监控伺服电机负载率是否长时间超过100%,伺服响应参数设置过高,产生共振等原因。
7、主回路断开。
检查主回路电源是否接入,若正常则主模块检测回路故障,须更换驱动器或配件。
8、误差过大。
电机编码器故障或驱动器输出模块回路元件损坏,通常油污较多的使用场合此故障较多。
另外简单判断伺服电机故障方法:去掉电机所有接线后,转动电机轴承,如能感觉到明显的阻力,转动时不顺畅,则机身线圈烧坏,另外装配联轴器不当时很容易把编码器敲坏,可摇动电机编码器部分,若能听到编码器碎片的声音,则编码器被敲坏。
附上所有代码伺服报警的代码:—— AL10 欠压—— AL12 存储器异常—— AL13 时钟异常—— AL15 存储器异常2—— AL16 编码器异常1—— AL 17 电路异常2—— AL 19 存储器异常3—— AL 1A 电机配合异常—— AL 20 编码器异常2 —— AL 24 电机接地故障—— AL 25 绝对位置丢失—— AL 30 再生制动异常—— AL 31 超速—— AL 32 过流—— AL 33 过压—— AL 35 指令脉冲频率异常—— AL 37 参数异常—— AL 45 主电路器件过热—— AL 46 电机过热—— AL 50 过载1—— AL 51 过载2—— AL 52 误差过大—— AL 8A 串行通讯超时—— AL 8E 串行通讯异常伺服警告代码:—— AL 92 电池断线警告—— AL 96 原点设定错误警告—— AL 9F 电池警告—— AL E0 再生制动电流过大警告—— AL E1 过载警告—— AL E3 绝对位置计数器警告—— AL E5 ABS超时警告—— AL E6 伺服电机异常停止—— AL E9 主电路OFF警告—— AL EA ABS伺服ON警告。
三菱伺服故障代码处理故障处理!注意:报警发生时,只要当清除报警原因。
确保安全后才可以复位报警,重新报警,重新运行伺服电机。
否则可能导致损伤。
注意1:发生以下报警时,请不要用反复切断-接通控制电路电源的方法复位并继续运行。
否则可能导致伺服故障。
清除报警发生原因之后,需等待30分钟以上的冷却时间,才可再次伺服电机。
再生制动异常(AL30)过载1(AL50)过载2(AL51)报警可通过切断-接通电源或复位信号置“ON”的方法解决。
发生报警,故障信号(ALM)处于OFF 状态。
同时动态制动器开始动作。
显示器将显示报警代码请按照本节的方法消除报警原因。
也可参照可选的伺服设置软件。
显示名称内容主要原因处理方法A1。
10 欠压电源电压过低MR-J2S口A:160V以下MR-J2S口A1:83V以下1:电源电压太低。
检查电源系统。
2:控制电源瞬间停电在60ms以上。
3:由于电源容量过小,导致启电源电压下降。
4:直流母线下降到200V后恢复供电(主电路电源切断5秒以内再接通。
5:伺服放大器内部故障。
检查方法拨下的有接头再接通电源,检查是否出现报警(A1。
10)。
更换伺服放大器。
A1。
12 存储器异常1 RAM异常伺服放大器内部故障。
检查方法拨下的有接头更换伺服放大器。
A1。
13 时钟异印刷电路板异常常再接通电源,检查是否出现报警(A1。
12。
13。
15中的任何一个)。
A1。
15存储器异常2EEP ROM 异常A .1.16 编码器异常1编码器和伺服放大器之间通讯异常1:接头CN2没有连接好。
正确接线 2:编码器故障。
更换伺服电机3:编码器电缆故障。
(短路或断路)。
修理或更换电缆 A1。
17 电路板CPU 零部件异常伺服放大器内部故障。
更换伺服放大器。
异常检查方法拨下的有接头再接通电源,检查是否出现报警(A1。
17,A1。
19)。
A1。
19 存储器异常2 RO M存储器异常。
A1。
1A 电机配合异常伺服放大器和伺服电机之间配合有误。
三菱伺服驱动器报警代码――――经验心得Minas A4 驱动用具有不同的保护功能。
当其中任一功能激活时,驱动器切断电流,报警输出信号(ALM)没有输出。
显示面板上的7 段LED 会闪烁显示相应的报警代码。
保护功能报警代码故障原因应对措施控制电源欠电压11控制电源逆变器上P、N 间电压低于规定值。
1)交流电源电压太低。
瞬时失电。
2)电源容量太小。
电源接通瞬间的冲击电流导致电压跌落。
3)驱动器(内部电路)有缺陷。
丈量 L1C、L2C 和r、t 之间电压。
1)进步电源电压。
更换电源。
2)增大电源容量。
3)请换用新的驱动器。
过电压 12电源电压高过了答应输进电压的范围。
逆变器上 P、N 间电压超过了规定值。
电源电压太高。
存在容性负载或UPS(不中断电源),使得线电压升高。
1)未接再生放电电阻。
2)外接的再生放电电阻不匹配,无法吸收再生能量。
3)驱动器(内部电路)有缺陷。
丈量 L1、L2 和L3 之间的相电压。
配备电压正确的电源。
排除容性负载。
1)用电表丈量驱动器上P、B 间外接电阻阻值。
假如读数是“∞”,说明电阻没有真正地接进。
请换一个。
2)换用一个阻值和功率符合规定值的外接电阻。
3)请换用新的驱动器。
主电源欠电压13当参数Pr65(主电源关断时欠电压报警触发选择)设成1 时,L1、L3 相间电压发生瞬时跌落,但至少是参数Pr6D(主电源关断检测时间)所设定的时间;或者,在伺服使能(Servo-ON)状态下主电源逆变器P-N 间相电压下降到规定值以下。
1)主电源电压太低。
发生瞬时失电。
2)发生瞬时断电。
3)电源容量太小。
电源接通瞬间的冲击电流导致电压跌落。
4)缺相:应该输进3 相交流电的驱动器实际输进的是单相电。
5)驱动器(内部电路)有缺陷。
丈量 L1、L2、L3 端子之间的相电压。
1)进步电源电压。
换用新的电源。
排除电磁继电器故障后再重新接通电源。
2)检查Pr6D 设定值,纠正各相接线。
3)请参照“附件清单”,增大电源容量。
常见的三菱伺服故障代码及故障处理方案在中国使用三菱交流伺服系统主要由三个系列:MR-ES、MR-J2S、MR-J3。
通常故障情况可由伺服驱动器上显示代码来初步判断,以下是几种常见的故障及其排查方法:1、-表示伺服紧急停止。
引起此故障的原因一般有两个,一个是控制回路24V电源没有接入,另一个是CN1口EMG和SG之间没有接通。
2、参数异常。
内部参数乱,操作人员误设参数或者驱动器受外部干扰导致。
一般参数恢复成出厂值即可解决。
3、编码器故障。
内部参数乱或编码器线故障或电机编码器故障。
参数恢复出厂值或者更换线缆或者更换电机编码器,若故障依旧,则驱动器底板损坏。
4、编码器故障。
电机编码器故障或线缆断线、接头松动等导致。
更换编码器线或伺服电机编码器。
MR-J3系列发生此故障时,还有一种可能是驱动器CPU接地线烧断导致。
5、再生制动异常。
若刚通电就出现报警,则驱动器内部制动回路元件损坏。
若在运行过程中出现,可检查制动回路接线,必要时外配制动电阻。
6、、过载。
检查输出U、V、W三相相序接线是否正确,伺服电机三相线圈烧坏或接地故障。
监控伺服电机负载率是否长时间超过100%,伺服响应参数设置过高,产生共振等原因。
7、主回路断开。
检查主回路电源是否接入,若正常则主模块检测回路故障,须更换驱动器或配件。
8、误差过大。
电机编码器故障或驱动器输出模块回路元件损坏,通常油污较多的使用场合此故障较多。
另外简单判断伺服电机故障方法:去掉电机所有接线后,转动电机轴承,如能感觉到明显的阻力,转动时不顺畅,则机身线圈烧坏,另外装配联轴器不当时很容易把编码器敲坏,可摇动电机编码器部分,若能听到编码器碎片的声音,则编码器被敲坏。
附上三菱伺服MR-J2S系列所有代码伺服报警的代码:——AL10 欠压——AL12 存储器异常——AL13 时钟异常——AL15 存储器异常2 ——AL16 编码器异常1 ——AL 17 电路异常2 ——AL 19 存储器异常3 ——AL 1A 电机配合异常——AL 20 编码器异常2——AL 24 电机接地故障——AL 25 绝对位置丢失——AL 30 再生制动异常——AL 31 超速——AL 32 过流——AL 33 过压——AL 35 指令脉冲频率异常——AL 37 参数异常——AL 45 主电路器件过热——AL 46 电机过热——AL 50 过载1——AL 51 过载2——AL 52 误差过大——AL 8A 串行通讯超时——AL 8E 串行通讯异常伺服警告代码:——AL 92 电池断线警告——AL 96 原点设定错误警告——AL 9F 电池警告——AL E0 再生制动电流过大警告——AL E1 过载警告——AL E3 绝对位置计数器警告——AL E5 ABS超时警告——AL E6 伺服电机异常停止——AL E9 主电路OFF警告——AL EA ABS伺服ON警告。
三菱伺服異常信息一覽表
異常信號異常原因異常排除
AD75:”536”
M CODE未OFF M CODE未OFF。
AD75參數若設定M
CODE
時,每執行完定址動作
時,必須清除M CODE。
AD75:”102” 1.READY OFF。
2.驅動器未送電。
3.TB20之RESET點ON。
4.驅動器發生異常。
1.將SON與SG短路。
2.送電。
3.將RESET拆除。
4.驅動器RESET。
AD75:”956”JOG SPEED CONTROL
LIMIT ERROR(JOG SPEED
設定大於SPEED LIMIT)AD75 JOG SPEED LIMIT SPEED LIMIT修正。
AD75”106”STOP信號ON時,又啟動
定址信號。
取消STOP信號。
AD75”104”AD75”105”1.前極限ON。
後極限ON。
2.AD75前/後極限信號接錯
或未動作。
以JOG反方向運轉即可脫
離極限開關。
CHECK AD75前/後極限
接線,正常應常ON。
陽程科技股份有限公司工程名稱
USUN TECHNOLOGY CO., LTD.
圖名伺服異常信息一覽表圖號 1 核准審核設計製圖日期
三菱伺服異常信息一覽表
異常信號異常原因異常排除
AD75”543” 1.PLC程式錯誤
例:
TO H H K K
槽位位址
2.位置啟動時START信號
(Y10、Y11、Y12)已經
ON。
1.修改程式。
2.RESET START信號。
AD75”522”未設定速度值。
設定即可。
按下JOG +/-伺服未運轉,亦無任何異常信號。
內部或外部STOP已
ON(AD75外部STOP配線錯
誤或RY接點顛倒。
解除STOP信號。
AD75”206”原點復歸Z相COUNTER值
未設或太小。
設定參數80.81。
AD75”524”動作位址未設定。
1.查參數1306是否有數
值。
2.查程式。
陽程科技股份有限公司USUN TECHNOLOGY CO., LTD. 工程名稱
圖名伺服異常信息一覽表圖號 2
核准審核設計製圖日期
三菱伺服異常信息一覽表
異常信號異常原因異常排除
AD75”300”程式內設定速度值未進入
BUFFER MEMORY。
查程式JOG SPEED部份。
驅動器AL 20 EN CODER線受干擾。
使用EN CODER有-W型號把EN CODER線與動力線分開。
設定參數P20 1000 (MR) 設定參數P43 1000 (MH)
驅動器AL16 EN CODER線未接。
EN CODER掛錯馬達
查線路
AD75有送出信號,但驅動器無收到,為何不會出現異常碼。
AD75-P3插座無攻牙,無法鎖住。
驅動器AL 61
SUPPER (AL A0)
驅動器與馬達匹配錯誤更正
驅動器AL E6 TB20 EMG接點開路。
查TB20配線
驅動器AL 32 過電流如斷電後再開無法正常就
送修
驅動器LED顯示器不亮是CN1B之TB20配線錯誤
或L11,L21無接電源。
修正線路
陽程科技股份有限公司USUN TECHNOLOGY CO., LTD. 工程名稱
圖名伺服異常信息一覽表圖號 3
核准審核設計製圖日期
三菱伺服異常信息一覽表異常信號異常原因異常排除
驅動器AL 30 回生異常(電阻回生量不足)
再生晶片管損壞電阻更換送修
AD75”537”PLC READY OFF PLC程式(Y1D)無動作
驅動器AL50。
過載。
CHECK機械負載。
驅動器AL51。
1.U、V、W反相。
2.ENCODER及馬達接非同
一負載。
1.確認是否接錯相。
2.確認ENCODER及馬達是否接同一負載。
陽程科技股份有限公司USUN TECHNOLOGY CO., LTD. 工程名稱
圖名伺服異常信息一覽表圖號 4
核准審核設計製圖日期
三菱伺服異常信息一覽表
異常信號異常原因異常排除
AD75無任何顯示值。
觸控未送電(T、P接BUS模
式)。
T、P送電重開#2(PLC)即可。
運轉時AD75顯示FALT。
AD75損壞。
更換AD75即可。
DRIVER無任何顯示幕及字(送電後)。
但CHARGE燈有亮。
1.TB20損壞。
2.DR1VER之L11/L12未接
1 AC220V。
1.更換TB20。
2.CHECK結線,並與R、
S並接,重新送電。
DRIVER無備妥信號(R-OF)。
1.DRIVER異常。
2.SON未ON。
1.CHECK DRIVER。
2.CHECK結線。
陽程科技股份有限公司USUN TECHNOLOGY CO., LTD. 工程名稱
圖名伺服異常信息一覽表圖號 5
核准審核設計製圖日期。