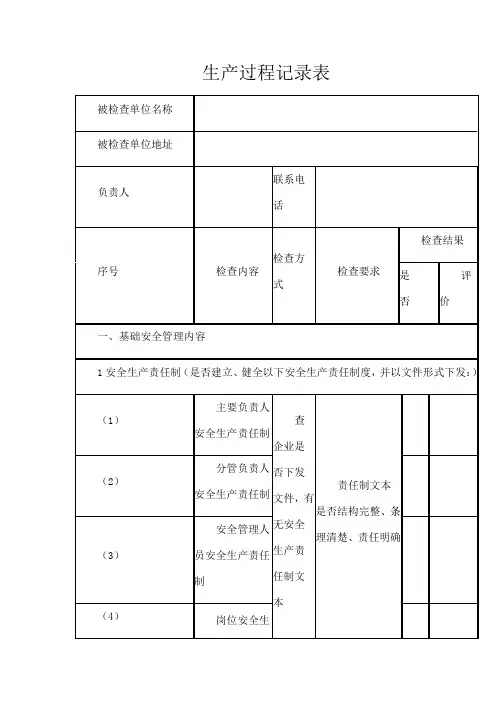
生产过程记录表
- 格式:docx
- 大小:27.30 KB
- 文档页数:15
生产过程质量检查记录表
概述
生产过程质量检查记录表是用来记录生产过程中的质量检查活动的表格。
通过记录检查的细节和结果,可以确保产品在制造过程中符合质量标准,并及时发现和纠正潜在问题。
检查内容
生产过程质量检查记录表包括以下内容:
1. 产品信息:记录被检查产品的详细信息,如产品名称、批次号等。
2. 检查项目:列出需要进行检查的项目,如外观、尺寸、功能等。
3. 检查标准:列出每个检查项目的标准要求,以便进行比对评估。
4. 检查方法:描述用于进行检查的具体方法和步骤。
5. 检查结果:记录每个检查项目的检查结果,可以是合格、不合格或需要修正。
6. 备注:记录其他相关信息或需要特别注意的事项。
填写流程
填写生产过程质量检查记录表的流程如下:
1. 选择适当的表格模板或格式。
2. 根据具体的生产过程和产品要求,填写产品信息和检查项目。
3. 根据检查标准和方法,依次进行检查,并记录检查结果。
4. 如有不合格项目,及时进行纠正,并记录修正情况。
5. 在备注栏中记录其他需要说明的事项。
重要性
生产过程质量检查记录表的重要性在于:
1. 提供了一个系统和有序的方式来记录质量检查活动,方便整
理和查阅。
2. 通过记录和分析检查结果,可以发现生产过程中的问题和缺陷,并采取相应的措施进行改进。
3. 为追踪和控制产品质量提供了有效的工具和依据。
总结
生产过程质量检查记录表是一种有效管理和监控生产过程质量
的工具。
通过正确填写和使用该表格,可以确保产品符合质量标准,并提高生产过程的质量控制能力。
生产工序记录表生产工序记录表是记录生产过程中各个工序所执行的具体步骤和操作的重要文档。
通过记录每个工序的详细信息,能够确保生产过程的顺利进行,保证产品质量和生产效率。
填写要求在填写生产工序记录表时,需注意以下几点:1.工序编号:每个工序都有一个唯一的编号,用于区分不同的工序;2.工序名称:工序的简要描述,清晰明了;3.执行人:负责执行该工序的人员姓名;4.执行时间:具体执行该工序的时间,精确到分钟级别;5.操作步骤:记录该工序的具体操作步骤,按照实际操作顺序填写;6.操作方法:描述执行该工序的具体方法和技巧;7.注意事项:列出在执行该工序时需要特别注意的事项;8.质量记录:记录该工序执行过程中的质量状况,包括合格品数量、不良品数量等;9.备注:对该工序执行过程中的特殊情况或需要说明的事项进行备注。
样例工序编号工序名称执行人执行时间操作步骤操作方法注意事项质量记录备注001 准备原材料张三8:00 检查原材料质量;称量原材料;准备加工设备使用天平称量原材料,确保准确;准备好所需的设备和工具原材料质量需符合标准要求;注意设备使用安全规范合格:100kg;不良:1kg002 原材料清洗李四9:00 使用清洁剂清洗原材料;冲洗干净;晾干选择适用的清洁剂,注意使用方法;彻底冲洗,确保无残留;晾干时间避免受伤,注意清洗剂的使用安全;确保干燥无不良总结生产工序记录表是生产过程中必不可少的文档,它记录了生产过程中每个关键工序的具体操作步骤、质量记录等重要信息,有助于提高生产效率和产品质量。
正确填写和使用生产工序记录表对于企业的生产管理具有重要意义,有助于组织和规范生产过程,确保产品质量和生产效率的提升。
饲料企业生产过程记录表
小料称量配制记录表
产品名称:配方编号:配制日期:
注:配制的中间产品应明确记录并标示。
品管员:配制员:
小料(回机料)添加记录表
品管员:添加员:
小料添加交接复核表
品管员:交班人:接班人:
大料投料记录表
投料人:组长:
中控操作记录表
配料记录表
中控员:班长:
包装记录表
填表人:班长:
标签使用记录表
填表人:班长:
巡仓记录表
回置原料记录表
设备维护保养记录表
设备维修记录表
设备基本信息表
最佳混合时间确认表
原料预混合记录表。
生产记录表生产记录表是在生产过程中记录关键数据和信息的重要工具,旨在规范生产操作、提高生产效率和质量。
它包含了诸如生产日期、生产批次、生产人员、生产环境、生产机器、原材料使用情况、产品质量等重要信息。
通过填写和管理生产记录表,企业能够更好地监控生产过程、分析生产数据、进行溯源追踪,从而优化生产流程、控制质量风险,提升企业竞争力。
首先,生产记录表的填写使用应遵循一定的标准和规范。
企业应根据其自身生产过程的特点和要求,建立相应的填写规范。
例如,对于生产日期的填写,可以采用年-月-日的格式,确保日期准确无误;对于生产批次的填写,可以采用由数字或字母组成的唯一编码,便于追溯产品;对于产品质量的记录,应注明质检人员的姓名,确保记录可靠性。
其次,生产记录表的内容应全面准确。
填写人员应仔细核对相关数据,并在填写过程中勿遗漏、勿错误。
生产记录表中的信息应包括生产过程中的每个环节,如原材料采购、运输、检验、加工、装配、包装等。
记录的内容应详尽全面,包括但不限于产品的型号、规格、数量、重量、尺寸等。
只有数据真实准确,企业才能通过数据分析找到问题的根源,采取相应措施进行改进。
此外,生产记录表的管理应严谨高效。
企业应建立健全相应的管理制度,明确生产记录表填写的责任人和权限。
责任人应定期对生产记录表进行审核,并对发现的问题及时进行整改。
同时,生产记录表应进行合理的保存和归档,以便检查和追溯。
对于过程中产生的废品、不合格品等异常情况,也应及时记录,以便对问题进行跟踪和解决。
最后,生产记录表的应用要充分发挥其作用。
通过分析生产记录表的数据,企业可以及时发现生产过程中的问题,进行追溯和整改。
同时,还可以根据生产记录表的信息进行生产计划调整和生产效率优化。
通过对记录表的长期积累和分析,企业还可以形成一套适合自身生产需求的最佳实践,提升产品质量和客户满意度。
综上所述,生产记录表在企业生产管理中具有重要的作用。
它不仅是一种规范生产过程、提高生产效率和质量的工具,更是企业管理的重要依据和决策分析的参考。
步骤
编号输出结果前期准备
项目确定目标及计划JYW-001项目推进计划表
现有工艺布局
现有工序流程图
JYW-002直列式工艺分析表
JYW-003价值流分析图
JYW-004工具配置表
JYW-005工装配置表
优化后工艺布局
优化后工艺流程图
JYW-006作业时间记录表
JYW-007问题记录表
JYW-008辅材统计表
物料配送方案
JYW-009作业指导表
优化完成的布局图
优化完成的工序流程图
JYW-010会议记录表
JYW-011精益知识受训时间记录表
JYW-012改善提案
JYW-013周报
JYW-014月报
JYW-0156S巡检表
JYW-016工时效率统计表
JYW-017
质量项点统计表(合格率)
项目总结
发布交流文档
关注对象生产周期在制品产值
质量(合格率)
产品标准工时
《精益之路》书籍编辑总结精益生产推行步骤及标准模板年度指标日常工作实施过程标准化。