实验2采购与应付管理
- 格式:doc
- 大小:19.00 KB
- 文档页数:1
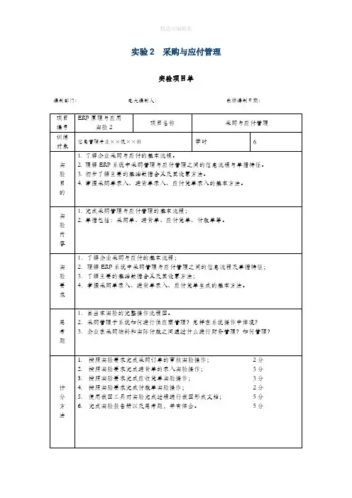
国家开放大学电大《ERP原理与应用》实验2采购与应付管理作业答案实验2 采购与应付管理本实验包括两个部分:1.采购单审核2.录入进货单3.制作应付凭单与付款单实验2 采购与应付管理实验报告教师评语教师签字日期成绩(满分16分)学生姓名涛学号班级分组实验编号实验名称采购与应付管理实验报告实验报告一、实验目的1、了解企业采购与应付的基本流程。
2、理解ERP系统中采购管理与应付管理之间的信息流程与单据特征。
3、初步了解主要的基础数据含义及其设置方法。
4、掌握采购单录入、进货单录入、应付凭单录入的基本方法。
二、实验要求本实验包括以下部分:1.采购单审核查询并审核采购单,重点注意采购单中的“单价”为实际市场价格。
2.录入进货单根据到货后验收情况制作“进货单”。
3.制作应付凭单与付款单根据采购发票和进货单,制作应付凭单。
然后根据供应商的请款要求,完成付款单制作。
三、实验内容与步骤(要求:针对实验案例的每项工作,完成实验,并分别撰写实验步骤)实验内容:本次实验中采购人员根据发放的LRP采购单通过审核采购单进行采购,货到后验收入库,根据验收单财务人员进行应付账款的处理。
本实验有效的体现了采购与应付管理之间的信息共享和关联,信息关联通过引用“前置单据”体现。
实验步骤:第一部分采购单审核第1步:查询LRP采购单。
按以下顺序操作:(1)登录系统,在“采购管理子系统”中,单击“录入采购单”模块,进入“录入采购单”界面。
(2)单击“查询”按钮,可查到两张已发放的LRP采购单的信息。
第2步:审核采购单。
核对该张采购单的详细信息,重点查看“采购单价”字段,如和市场价格不符,则需要修订,直接在单价字段对应的地方进行修改,然后单击“审核”按钮。
当采购单上显示标志,就完成采购单的审核,审核完成后关闭该界面,完成第一张采购单,。
采购管理应付共享实验心得引言采购管理是企业运营中至关重要的一环,它涉及到供应链的稳定性、成本控制以及合作伙伴关系的建立和维护。
为了更好地实践采购管理的理论知识,我们进行了一次应付共享实验,本文将详细介绍我们的实验心得和经验教训。
实验背景在采购管理的实践中,我们经常会遇到供应商付款款项的统一管理和分配的问题。
为了解决这一问题,我们决定尝试应付共享的方法。
应付共享是指将供应商应付款项汇总统一支付,然后再按比例分配给各个供应商。
实验过程我们的实验主要包括以下几个步骤:1.确定共享比例:根据供应商的重要性和采购金额,我们确定了不同供应商的共享比例。
此比例将用于分配应付款项。
2.汇总应付款项:我们收集了所有供应商的应付款项,并进行了汇总。
3.统一支付:根据应付款项的汇总金额,我们进行了统一支付。
这样做的好处是可以减少支付次数,提高效率。
4.分配付款:根据预先确定的供应商共享比例,我们计算出每个供应商应得的付款金额,然后进行分配付款。
5.跟进付款:我们跟进每个供应商的付款情况,确保他们按时收到应付金额。
实验心得提高财务效率通过应付共享的方式,我们减少了支付次数,从而提高了财务效率。
以往的支付方式,每次都需要进行单独支付,耗时耗力。
而采用应付共享后,只需一次支付,大大节省了时间和人力成本。
优化供应商关系应付共享的方式使得供应商的应付款项得到了有效管理和分配,这有助于建立更加良好的供应商关系。
供应商可以在预定的时间内收到应付金额,从而提高了他们的满意度,加深了与供应商的合作关系。
控制成本通过合理的共享比例和及时的付款跟进,我们能够更好地控制成本。
将供应商应付款项进行统一管理和分配,避免了因支付不及时而产生的罚款或滞纳金,有利于降低企业采购成本。
实验教训尽管应付共享的方式带来了很多优点,但在实验过程中我们也遇到了一些问题和教训。
定期审核供应商共享比例由于供应商的地位和采购金额可能会发生变化,因此我们需要定期审核和调整供应商的共享比例。
实验2采购与应付管理报告单一、引言采购与应付管理是企业管理中的重要环节,直接关系到企业的运营效率和成本。
本实验旨在通过模拟实际业务场景,帮助学员了解并掌握采购与应付管理流程,提高相关业务处理能力。
本报告将详细介绍实验过程、结果及分析。
二、实验目的本实验的主要目的是:1、掌握采购流程,包括供应商选择、订单下达、到货验收等环节;2、了解应付账款管理流程,包括发票管理、付款安排等;3、熟悉采购与应付管理系统的操作,提高业务处理效率。
三、实验原理采购与应付管理是企业管理中的重要环节,涉及到企业与供应商之间的合作。
采购流程包括供应商选择、订单下达、到货验收等环节,应付账款管理流程包括发票管理、付款安排等。
通过模拟实际业务场景,本实验旨在帮助学员掌握采购与应付管理流程,提高相关业务处理能力。
四、实验步骤本实验分为以下步骤:1、供应商选择:根据企业需求,筛选合适的供应商;2、订单下达:根据需求制定采购订单,并下达给供应商;3、到货验收:对到货进行检查,确保货物质量符合要求;4、发票管理:收到发票后进行核对,确保发票信息准确无误;5、付款安排:根据合同约定,安排付款时间和方式。
五、实验结果及分析通过本实验,学员们成功地模拟了采购与应付管理流程,并掌握了相关系统的操作。
以下是实验结果及分析:1、供应商选择方面,学员们能够根据企业需求和供应商实力进行筛选,选出合适的供应商;2、订单下达方面,学员们能够根据需求制定合理的采购订单,并下达给供应商;3、到货验收方面,学员们能够严格把关,确保货物质量符合要求;4、发票管理方面,学员们能够认真核对发票信息,确保准确无误;5、付款安排方面,学员们能够根据合同约定进行付款安排,确保按时按约付款。
六、结论与建议通过本实验,学员们成功地掌握了采购与应付管理流程,并能够熟练运用相关系统进行业务处理。
针对实验结果,提出以下建议:1、加强供应商管理:对供应商进行全面评估,确保供应商质量和服务水平;2、提高订单准确性:加强对订单信息的核对,避免出现错误或遗漏;3、优化验收流程:对验收流程进行优化,提高验收效率和质量;4、加强发票管理:认真核对发票信息,避免出现发票信息错误;5、合理安排付款计划:根据合同约定,合理安排付款时间和方式,确保按时按约付款。
国家开放大学开放教育课程考核说明课程名称: ERP原理与应用学生类别:专科、助力计划适用专业:计算机信息管理、信息管理启用时间: 2016年春季学期主持教师:王春凤编写日期: 2016.3修订国家开放大学考试管理部门ERP原理与应用课程考核说明一、有关说明1.考核对象国家开放大学开放教育专科计算机信息管理专业、助力计划信息管理专业学生。
2.启用时间2016年春季学期。
3.考核目标通过考核使学生理解ERP的管理思想以及ERP系统在企业中的重要作用,掌握ERP基本概念、基本原理、基本框架和核心业务流程,掌握ERP软件系统的使用,提高分析问题和解决问题的能力。
4.考核依据本课程考核说明是依据国家开放大学《ERP原理与应用课程教学大纲》、文字教材《ERP原理与应用》(第2版)(常丹主编,中央广播电视大学出版社2016年1月第2版)制定的。
本课程考核说明是课程考核命题的基本依据。
5.考核方式及计分方法本课程考核采用形成性考核与终结性考试相结合的方式。
形成性考核占课程综合成绩的50%,终结性考试占课程综合成绩的50%。
课程考核成绩统一采用百分制,即形成性考核、终结性考试、课程综合成绩均采用百分制。
课程综合成绩达到60分及以上(及格),可获得本课程相应学分。
二、考核方式与要求(一)形成性考核1.考核目的加强对学生平时自主学习过程的指导和监督,重在对学生自主学习过程进行指导和检测,引导学生按照教学要求和学习计划完成学习任务,达到掌握知识、提高能力的目标,提高学生的综合素质。
2.考核手段形成性考核成绩包括实验成绩和学习过程表现(或学习行为评价)成绩两部分,形成性作业成绩占80%,学习过程表现(或学习行为评价)成绩占20%。
学习过程表现(或学习行为评价)成绩评定由分部(省校)负责设计组织。
3.形成性考核任务的形式及计分方法形成性考核任务列表序次内容布置时间提交时间权重1 实验1订单录入与批次需求计划第8周第10周末16%2 实验2采购与应付管理第9周第12周末16%3 实验3生产管理第10周第13周末16%4 实验4销售与应收管理第11周第14周末16%5 实验5月底结账第12周第16周末16%6 学习过程表现第1周第16周末20%每次形考任务按照百分制计分,所得分数乘以对应的权重,相加的和为课程的形成性考核成绩。
ERP原理与应用实验报告模板一、实验目的了解企业采购与应付的基本流程。
理解ERP系统中采购管理与应付管理之间的信息流程与单据特征。
初步了解主要的基础数据含义及其设置方法。
掌握采购单录入、进货单录入、应付凭单录入的基本方法。
二、实验要求查询并审核采购单,重点注意采购单中的“单价”为实际市场价格。
三、实验内容与步骤(要求:针对实验案例的每项工作,完成实验,并分别撰写实验步骤)1.采购单审核第1步:查询LRP采购单。
按以下顺序操作:(1)登录系统,在“采购管理子系统”中,单击“录入采购单”模块,进入“录入采购单”界面。
(2)单击“查询”按钮,可查到两张已发放的LRP采购单的信息。
第2步:审核采购单。
核对该张采购单的详细信息,重点查看“采购单价”字段,如和市场价格不符,则需要修订,直接在单价字段对应的地方进行修改,然后单击“审核”按钮。
当采购单上显示标志,就完成采购单的审核,审核完成后关闭该界面,第一张采购单,第二张采购单采用相同操作进行处理。
2.录入进货单第1步:录入第一张进货单。
按以下顺序操作:(1)在“采购管理子系统”中,单击“录入进货单”模块。
进入“录入进货单”界面。
(2)单击“新增”按钮,选择“进货单别”:JH;选择“供应商”:JH。
(3)单击“复制”按钮,弹出对话框,在该对话框中单击前置单别右边的图标,在打开的窗口内,选择单号为20141205001的采购单,单击“确定”,进货单的单身信息将由采购单信息自动写入。
(4)单击“保存”按钮,完成供应商“嘉禾加工厂”的进货单操作。
第2步:录入第二张进货单。
类似第2步的操作顺序,完成供应商“元技加工厂”到货情况的进货单。
完成后关闭“录入进货单”界面。
第3步:在“录入进货单”界面,单击“查询”按钮,查看已完成的进货单3.制作应付凭单与付款单第1步:制作应付凭单。
按以下顺序操作:(1)从系统的主界面(如图7-1所示)左边树状结构处选择“财务管理”→“应付管理子系统”,进入“应付管理子系统”单击“应付账款管理”模块,进入“录入采购发票”界面。
三、实验成果提交
(要求:将实验结果画面复制下来,粘贴在此处。
)
1、采购单
(1)经过审核的,向“元技加工厂”采购螺丝零件包的采购单
(2)经过审核的,向“嘉禾加工厂”采购底座和坐垫的采购单
2、进货单:
(1)根据“嘉禾加工厂”采购底座和坐垫的采购单制作的进货单
(2)根据“元技加工厂”采购螺丝零件包的采购单制作的进货单
3、应付凭单:
(1)根据“嘉禾加工厂”的进货单制作的应付凭单
(2)根据“元技加工厂”的进货单制作的应付凭单
4、付款单:
(1)根据“嘉禾加工厂”的应付凭单制作的付款单
(2)根据“元技加工厂”的应付凭单制作的付款单
四、实验中遇到的难点及解决办法。
金蝶KIS 采购管理与应付业务实验实验目的本实验旨在通过金蝶KIS软件进行采购管理和应付业务的操作,加深对采购和应付业务流程的理解,并掌握金蝶KIS软件在采购和应付业务方面的使用。
实验内容1.登录金蝶KIS软件:打开电脑上安装的金蝶KIS软件并登录系统,进入主界面。
2.配置采购管理模块:进入系统设置,找到采购管理模块并进行配置。
设置供应商资料、采购订单、入库通知单等相关信息,确保采购管理模块的正常运作。
3.创建采购订单:通过采购订单模块,在系统中创建一份采购订单。
填写供应商、采购数量、采购价格等相关信息,生成采购订单。
4.采购订单审核:进入采购订单审核模块,对刚创建的采购订单进行审核。
核实采购订单信息是否正确,审批通过后进入下一步。
5.入库操作:在仓库管理模块中,进行入库操作。
根据采购订单生成的入库通知单,将采购的商品入库,确保库存数量的准确性。
6.供应商账款管理:在应付管理模块中,设置供应商的应付账款信息。
跟踪供应商的应付款项情况,确保及时支付供应商的货款。
7.支付供应商应付款:根据供应商的应付账款信息,在系统中进行付款操作。
设置付款方式、付款金额等信息,并完成付款流程。
8.应付台账管理:在应付管理模块中,查看供应商的应付台账。
对应付验收单、应付账款等信息进行管理,确保应付业务的准确记录。
实验步骤1.打开电脑上安装的金蝶KIS软件。
2.输入用户名和密码,登录金蝶KIS系统。
3.进入系统设置,找到采购管理模块,进行相关配置。
4.在采购订单模块中,点击新建采购订单按钮。
5.填写供应商信息、采购数量、采购价格等采购订单的相关信息。
6.点击保存按钮,生成采购订单。
7.进入采购订单审核模块,对刚创建的采购订单进行审核。
8.核实采购订单信息,点击审核通过按钮。
9.进入仓库管理模块,进行入库操作。
10.根据采购订单生成的入库通知单,在系统中进行入库操作。
11.在应付管理模块中,设置供应商的应付账款信息。
12.在系统中进行付款操作,支付供应商的应付款。
实验2采购与应付管理1.采购单审核第1步:查询LRP采购单。
按以下顺序操作:(1)登录系统,在“采购管理子系统”中,单击“录入采购单”模块,进入“录入采购单”界面。
(2)单击“查询”按钮,可查到两张已发放的LRP采购单的信息。
第2步:审核采购单。
核对该张采购单的详细信息,重点查看“采购单价”字段,如和市场价格不符,则需要修订,直接在单价字段对应的地方进行修改,然后单击“审核”按钮。
当采购单上显示标志,就完成采购单的审核,审核完成后关闭该界面,第一张采购单如图7-8所示,第二张采购单采用相同操作进行处理。
此处按照供应商分设两张采购单,一张是“嘉禾加工厂”提供的底座和坐垫;另一张是“元技加工厂”提供的螺丝零件包。
【实验结果】两张采购单经过审核。
审核日期:2014-12-10。
图7-8 审核采购单界面2.录入进货单第1步:录入第一张进货单。
按以下顺序操作:(1)在“采购管理子系统”中,单击“录入进货单”模块。
进入“录入进货单”界面。
(2)单击“新增”按钮,选择“进货单别”:JH;选择“供应商”:JH。
(3)单击“复制”按钮,弹出对话框,在该对话框中单击前置单别右边的图标,在打开的窗口内,选择单号为20141205001的采购单,单击“确定”,进货单的单身信息将由采购单信息自动写入。
(4)单击“保存”按钮,完成供应商“嘉禾加工厂”的进货单操作,如图7-9所示。
第2步:录入第二张进货单。
类似第2步的操作顺序,完成供应商“元技加工厂”到货情况的进货单。
完成后关闭“录入进货单”界面。
第3步:在“录入进货单”界面,单击“查询”按钮,查看已完成的进货单,如图7-9所示界面。
此处要完成两张进货单的录入。
进货单中信息是通过“前置单据”——采购单——将信息传递过来的。
进货单的“单据日”要与采购单的“预交货日”一致。
【实验结果】本实验依照两张采购单分别生成两张进货单,其中第一张如图7-9所示。
图7-9 进货单界面1.制作应付凭单与付款单第1步:制作应付凭单。
采购计划案例分析一、实验目的通过本实验项目,使学生熟悉应用采购计划表。
二、实验要求1.遵守实验室各项规章制度。
2.通过本实验案例分析,使学生能了解为企业制定战略采购计划的目标、内容及原则,并撰写分析报告。
3.实验正文用宋体、小四号字,行间距1.5倍行距。
三、实验内容任务1 采购需求调查工作任务资料:饺子馆采购问题胡家饺子馆在南肖埠小有名气,每天客人络绎不绝、生意红火,很让同行们羡慕,可谁知胡老板却高兴不起来。
原来尽管生意不错,但由于原料采购不准确,每天都有大量的剩余,造成极大的浪费,利润并不像生意那么“红火”。
三年前,胡老板在南肖埠开了第一家饺子馆,靠地道的手艺、过硬的质量和童叟无欺信誉,生意一天比一天好,到现在已经在当地成功开设20家直营连锁饺子馆。
饺子馆的成本主要来自原料、人工、房租和水电费等费用。
其他费用都好控制和计算,只有这原料采购成本不好预计,饺子的原料饺子皮还具有隔天不能使用的特点。
胡老板算起了细账:如果每份饺子10个,卖5元,直接成本为饺子馅、饺子皮、佐料和燃料,每个饺子成本成本大约2角钱。
虽然存在价差空间,可是由于每天有大量的剩余原料,这些采购原料又不能隔天使用,算上人工、水电等经营成本,饺子的成本就接近4角钱了。
如果每个店一天卖出100个饺子,同时多余500个饺子原料,相当于亏损了100元,每个饺子的物流成本最高时有1角钱,加上每年的粮食涨价,因此利润越来越薄。
最大问题是做饺子的数量挺难掌握。
做少了吧,客人来了没有馅儿,也等不及现做;做多了吧,就要剩下。
胡老板遇到的问题是一个典型的采购需求预测问题,不少企业特别是餐馆店家都在寻找快捷路径,以便合理控制进货数量,准确预测市场,有效降低采购成本,提高物流效率,这已经成为一个企业经营的关键问题。
要求:1.胡老板的问题出在哪里?2.请为胡老板制作一份市场消费需求预测表。
3.根据市场需求预测结果,制订一周的采购计划。
任务2 采购计划制定1.出于课程实训的需要,物流实训中心需要容量为2G的U盘90只,请做出一份采购计划。
第1篇一、实验背景随着我国经济的快速发展,企业间的商业往来日益频繁,应付款管理作为企业财务管理的重要组成部分,其效率和准确性对企业运营至关重要。
为了提高企业应付款管理的效率和准确性,降低财务风险,本实验旨在通过模拟操作应付管理系统,掌握应付款业务处理的操作方法,提高财务管理水平。
二、实验目的1. 熟悉应付管理系统的基本功能和使用方法。
2. 掌握应付款业务的核算、管理和分析流程。
3. 提高企业应付款管理的效率和准确性。
4. 培养财务管理人员的实际操作能力。
三、实验内容1. 系统初始化- 设置账套参数:包括启用日期、会计期间、货币种类、计量单位等。
- 设置会计科目:根据企业实际情况设置应付账款、预付账款、其他应付款等科目。
- 设置供应商信息:包括供应商名称、开户银行、银行账号、联系电话等。
- 设置职员信息:包括职员姓名、部门、联系电话等。
2. 应付款业务处理- 采购订单录入:录入采购订单信息,包括订单号、供应商、采购日期、商品信息、数量、单价、金额等。
- 入库单录入:根据采购订单信息录入入库单,确认商品入库情况。
- 应付账款录入:根据入库单和采购订单信息,录入应付账款,计算应付金额。
- 付款单录入:根据应付账款信息,录入付款单,确认付款金额和日期。
- 发票录入:根据供应商提供的发票信息,录入发票,核对应付金额。
3. 应付款管理- 应付账款查询:查询企业所有应付账款信息,包括供应商、订单号、金额、付款日期等。
- 应付账款分析:分析应付账款构成,如按供应商、商品类别、付款期限等进行分析。
- 对账:与供应商对账,核对应付账款信息,确保账实相符。
4. 报表输出- 应付账款报表:输出应付账款明细表、应付账款汇总表等报表。
- 供应商对账单:输出供应商对账单,方便与供应商核对账目。
四、实验步骤1. 系统登录:使用用户名和密码登录应付管理系统。
2. 初始化设置:按照实验内容进行系统初始化设置。
3. 应付款业务处理:按照实验内容进行应付款业务处理。
采购及付款管理流程采购管理流程对供应商进行评估考核,选择出保证质量、价格合理、按期交货、服务及商务条件良好的供应商;确保采购文件正确、有效;确保及时采购到符合规定要求的物资。
1、 归口部门采购职能1.1采购部:原辅料、包装物、化学制品、部分小五金(辅料库)、生产劳保用品等等;1.2设备支持部:生产设备、生产备件、生产用小五金(五金库);1.3市场部:各类促销用品、陈列柜及各类广告物资;1.4信息部:电脑硬件、电脑软件、电脑配件、服务器、打印机、复印机、投影仪等,包括以上各种设备用耗材;1.5公司行政办:各类办公用品及杂项(各类生活用品、后勤劳保用品、电话机等等)2、 供货商的评估及选择2.1合格供应商的条件:2.1.1有良好的质量保证体系,材料性能符合双方签订的有关技术质量协议中的规定;2.1.2价格合理,商务条件优越;2.1.3具有良好的供应能力和售后服务;2.1.4遵守合同,商誉良好;2.1.5具有相关有效的证明文件。
2.2 由归口部门采购人员根据公司物资需求信息,会同相关单位对满足条件之供应商进行评估调查,确定符合条件之供应商后,由采购人员维护「合格供货商资料表」并存档,建立完整的供应商数据。
2.3主要生产物资采购应同时选择两家以上之供应商。
2.4供应商的确定应尽可能的采取招标方式。
2.5由上海总部规定统一采购之项目应在总部指定供应商采购。
2.6供应商跟踪考核:由质量部综合判定合格与否,并由质量部不定期进行考核;采购应参考质量部对供应商之考核结果,并应注意评价过低之供应商;采购应同时参考财务部对供应商之财务信用状况考核结果,并应注意评价过低之供应商。
年终由归口部门采购填写「供应商年度评估报告」,由各部门综合对供应商进行考核,对不合格供应商应提出整改意见,必要的应终止合作。
3、商务谈判及合同的订立3.1采购人员依公司请购之需求优先选择经评鉴合格之供应商,进行商务谈判,谈判至少参考两家以上之报价,再进行比价、议价,同时参考采购历史价格,经由比价、议价达成最佳结果,确定物资采购之供应商。
采购应付管理制度第一章总则第一条为规范公司采购应付管理,保障公司资金安全,提高资金使用效率,提高公司运营效率,财务部门特制订本管理制度。
第二条本制度适用于公司的采购应付管理工作。
第三条公司领导层应加强对采购应付管理的重视,建立并完善公司采购应付管理制度。
第四条采购应付管理制度应当遵循公开、公平、公正的原则,坚持合理、合法、合规的运营方式。
第五条公司应建立完善的采购应付管理制度档案,保证档案的完整性和可操作性。
第六条公司应当建立健全的内部控制标准,明确责任和权限,确保采购应付管理工作的有效运行。
第七条公司应当建立健全的信息系统,严格授权制度,确保采购应付信息的真实、准确、完整。
第二章采购应付管理的任务第八条采购应付管理是指公司通过向供应商采购产品或者服务所形成的应付账款管理工作。
第九条公司的采购应付管理工作主要任务是对采购应付账款进行及时、准确、合规的核算、支付和管理。
第十条公司每月应按时足额支付合同规定的采购款项,确保供应商的合法权益。
第十一条公司应确保采购应付款项的真实性和准确性,提高对相关账款的核算效率。
第十二条公司应建立并规范应收应付账款的管理流程,确保公司应付账款的及时支付。
第三章采购应付管理的基本原则第十三条采购应付管理应遵循以下基本原则:(一)公开原则。
在采购应付管理中,应当遵守公开、公平、公正的原则,不得有任何歧视性待遇。
(二)合理原则。
在采购应付管理中,应当合理使用资金和资源,提高资金使用效率。
(三)合法原则。
在采购应付管理中,应当遵守国家相关法律法规,不得以任何形式进行违法操作。
(四)合规原则。
在采购应付管理中,应当遵守公司内部控制制度,确保所有操作合规。
第十四条采购应付管理应遵循财务管理的基本原则,确保采购应付账款的真实性、准确性和完整性。
第四章采购应付管理的主要内容第十五条公司的采购应付管理主要内容包括:(一)合同管理。
对公司签订的采购合同进行严格管理,确保合同的履行和支付。
一、实训背景随着企业经济活动的日益复杂化和多元化,应付款管理在企业财务管理中占据了越来越重要的地位。
为了提高学生对应付款管理的认识和实践能力,我们组织了一次应付款管理实训。
本次实训旨在使学生了解应付款管理的理论知识和实际操作方法,提高学生的财务管理能力和综合素质。
二、实训目的1. 理解应付款管理的概念、原则和作用。
2. 掌握应付款管理的流程和方法。
3. 培养学生运用财务软件进行应付款管理的实际操作能力。
4. 增强学生的团队协作和沟通能力。
三、实训内容1. 应付款管理的基本概念实训首先介绍了应付款管理的概念、原则和作用。
应付款管理是指企业对采购、生产、销售等环节中形成的应付账款进行有效控制和管理的过程。
应付款管理原则包括:真实性、合法性、及时性、准确性、节约性等。
应付款管理的作用在于:降低企业财务风险、提高资金使用效率、优化供应链关系等。
2. 应付款管理的流程和方法实训详细讲解了应付款管理的流程和方法。
主要包括以下步骤:(1)采购申请:采购部门根据生产需求或市场信息提出采购申请。
(2)审批流程:审批部门对采购申请进行审批,确定采购项目和采购金额。
(3)签订采购合同:采购部门与供应商签订采购合同,明确双方的权利和义务。
(4)物资入库:仓库部门根据采购合同接收物资,并进行验收。
(5)应付账款核算:财务部门根据入库单、验收单等凭证核算应付账款。
(6)支付应付账款:财务部门根据合同约定和资金状况,及时支付应付账款。
3. 财务软件操作实训中,学生通过实际操作财务软件,学习了应付款管理的具体操作方法。
主要包括:(1)设置应付款管理系统参数。
(2)录入供应商信息、合同信息、入库单信息等。
(3)生成应付账款凭证。
(4)审核、记账、查询应付账款等。
4. 团队协作与沟通实训过程中,学生分成小组进行应付款管理操作。
小组成员相互协作,共同完成任务。
实训还要求学生进行沟通与交流,分享各自的经验和心得。
四、实训总结1. 提高了学生对应付款管理的认识通过本次实训,学生深刻理解了应付款管理的概念、原则和作用,认识到应付款管理在企业财务管理中的重要性。