质量保证体系评价 评价表(ASES ver.1.6)
- 格式:xlsx
- 大小:63.51 KB
- 文档页数:9
1、管理职责评审表评审编号:单位名称:特种设备制造、安装、改造、维修允许质量保证体系评审表2、质量保证体系文献评审表评审编号:单位名称:特种设备制造、安装、改造、维修允许质量保证体系评审表3、文献与记录控制评审表评审编号:单位名称:4、合同控制评审表评审编号:单位名称:5、设计控制评审表评审编号:单位名称:6、材料、零部件质量控制评审表评审编号:单位名称:7、作业(工艺)控制评审表评审编号:单位名称:特种设备制造、安装、改造、维修允许质量保证体系评审表8、焊接质量控制评审表评审编号:单位名称:特种设备制造、安装、改造、维修允许质量保证体系评审表9、热解决质量控制评审表评审编号:单位名称:特种设备制造、安装、改造、维修允许质量保证体系评审表10、无损检测质量控制评审表评审编号:单位名称:特种设备制造、安装、改造、维修允许质量保证体系评审表11、理化实验质量控制评审表评审编号:单位名称:特种设备制造、安装、改造、维修允许质量保证体系评审表12、检查与实验评审表评审编号:单位名称:特种设备制造、安装、改造、维修允许质量保证体系评审表13、设备及检查实验装置控制评审编号:单位名称:特种设备制造、安装、改造、维修允许质量保证体系评审表14、不合格品处置评审表评审编号:单位名称:15、质量改进与服务评审表评审编号:单位名称:16、人员培训、考核和管理评审表评审编号:单位名称:18、执行特种设备允许制度评审表评审编号:单位名称:17、其他过程控制——锻造质量控制表评审编号:单位名称:17其他过程控制——锻造质量控制表评审编号:单位名称:。
精选质检系统质量管理体系工作评价分值表
介绍
质量管理体系是企业执行质量管理的总框架,是企业提高质量、降低成本、增强竞争力的基础。
针对精选质检系统的质量管理体系工作,制定评价分值表,对企业的质量管理体系工作进行评估,发现存在的问题,加以解决,不断推进质量管理体系的完善。
评价分值表
序
号评价指标分值范围
1 质量政策、质量目标和质量方针是否清晰明确、具体可行、有效实
施,并且得到充分理解和贯彻执行
20分2 质量组织、职责、权限是否合理,以保证企业所生产的产品或提供
的服务,适应国家、行业、企业标准和顾客需求
15分3 企业是否详细制定了各生产环节的工艺流程,并在生产过程中对工
艺流程加以监督和控制
20分4 企业是否明确品质控制点和品质记录点,以有效控制生产制程及产
品质量,确保生产符合国家相关标准和客户的要求
20分5 企业是否建立和实施了完善的质量检测机制、检验方法、检测设备
和检验人员的管理,保证产品出厂率和合格率指标的达标
15分6 企业是否建立和实施了质量控制及质量保证制度,确保产品符合相
关标准的质量要求
10分7 企业是否建立了完善的质量档案管理制度,确保质量档案有序完
整,可检索可追溯
10分
根据以上评价分值表,企业应当在各个指标方向,不断改进与优化。
或许企业还有一些不足之处,不过在不断探索与实践中,会得到发现和解决。
同时,企业应时刻关注质量管理体系的更新和改进,确保其体系的长期稳定运营,提高产品质量和企业信誉度。
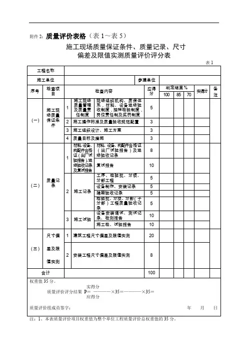
附件2:质量评价表格(表1~表5)施工现场质量保证条件、质量记录、尺寸偏差及限值实测质量评价评分表2、本表质量评价评分确定判定结果档次时,应参照GB/T50375-2006相关规定进行,根据抽查情况,分别给出一、二、三档。
性能检测评分表表2续表2性能检测最终得分为:实得分∕应得分×25分=分。
2、凡涉及该工程项目所应做的性能检测的检查内容,应在□中打“√”,打“﹡”号项目为否决项目设置。
3、检验判定结果分为三档。
凡该工程项目所应做的性能检测内容项目齐全、数据真实可靠、检测(或测试)报告(或测试记录)符合要求、检测数量满足要求的为一档,取应得分值的100%;凡涉及本表栏中设置的项目不能满足设计及规范要求的定为三档,取应得分值的70%;除一、三档外,其余的为二档(定档标准按(GB/T50375-2006)规定进行),取应得分值的85%;涉及“﹡”号否决项目的,该单位工程不能评为“水仙杯”。
4、表中打“/”的标志为没有设置二档判定结果的项目。
观感质量质量评价评分表表3注:1、观感质量评分权重值占整个单位工程质量评价权重值的40分。
最终观感质量得分为:实得分∕应得分×40分=分。
2、现场观察质量评价根据相应的子项检查内容,对所抽查到的点(处)的质量情况(抽查数量详附表),定出该点(处)观感质量“好、一般、差”的评价,再据所查的点(处)进行统计。
项目检查点(处)“好”的达到90%以上,其余检查点(处)达到“一般”的,判定结果档次为一档,取该子项应得分值的100%;项目检查点(处)“好”的达到70%以上90%以下,其余检查点(处)达到“一般”的,判定结果档次为二档,取该子项应得分值的85%;项目检查点(处)“好”的达到30%以上70%以下,其余检查点(处)达到“一般”的,判定结果档次为三档,取该子项应得分值的70%。
工程结构质量综合评价质量评价表表4结构工程质量评价情况,质量评价基础分以三家评价平均得分为基数,根据核定情况,给出一个系数(系数由核定组集体讨论确定),系数乘以平均分得出质量评价实得分。
况。
“基本符合”、“不符合”结果的应存在问题栏中详细描述存在问题。
2、根据检查记过,“鉴定评审结论”分别给出质量保证体系“已建立、健全”或“基本建立”或“未建立”。
质量保证体系“有效运行”或“基本运行”或“未运行”的评审结论.
压力管道设计许可鉴定评审综合评定表
注:1、“核查结果”、“评审结果"和“综合评价”栏内需要写:“符合”或“基本符合”或“不符合”。
2、第1、2、
3、4项结论只能是“符合”或“不符合",第33项如出现重大技术问题为“不符合”,如出现技术性问题为“基本符合”。
3、对“核查结果"栏填写了“基本符合"或“不符合"的,要在“存在主要问题"栏内写明原因。
4、对1、2、3、4、6、26、27、28、29、30、33中的任何一项的“核查结果”出现“不符合”,“评审结果”将为“不符合”。
5、“评审结果”如出现“基本符合”,则“综合评价”为“基本符合”;“评审结果”如出现“不符合",则“综合评价”为“不符合”。
将不予认证或换证或增项或升级。
受控文件目录 (6)管理文件更改通知单 (7)技术文件更改通知单 (7)工程规范更改评审单 (8)文件归档登记表 (10)文件借阅登记表 (11)文件销毁申请单 (12)文件留用申请单 (12)外来文件登记表 (13)外发文件登记表 (14)计划 (15)报告 (16)质量成本计划表 (18)__月份不良品损失统计表 (19)质量成本月报表 (20)年度培训计划 (21)培训计划(通知) (22)培训(会议)签到表 (22)培训情况记录表 (23)员工培训履历表 (24)岗位培训登记表 (25)培训有效性评价表 (26)新产品设计开发建议书 (27)多方论证小组成员表 (28)产品质量先期策划进度计划表 (30)产品设计开发任务书 (32)产品设计和开发计划 (33)设计输入清单 (34)产品设计输入评审报告 (35)设计验证报告 (36)过程流程图 (40)特殊特性表 (41)控制计划 (45)测量系统分析计划 (46)初始过程能力研究计划 (47)制造过程设计验证报告 (48)制造过程设计确认报告 (49)产品制造可行性分析报告 (50)合同评审记录表 (51)口头订单记录表 (52)合同执行情况统计表 (54)顾客档案目录 (55)零件提交保证书 (56)生产件批准——尺寸结果 (57)生产件批准——材料试验结果 (58)生产件批准——功能性能试验结果 (59)供方质量能力调查表 (61)供方选点申请 (62)合格供方名单 (63)__月采购计划 (64)采购单 (65)进货检验记录 (66)入库单 (66)供方供货执行情况表 (68)供方供货产品质量记录 (69)供方供货情况统计表 (70)供方审核报告 (71)年度供方评价表 (72)作业准备验证表 (73)补充、更改销售计划单 (74)设备购置申请书 (76)设备开箱验收记录单 (77)设备履历卡 (78)设备台帐 (79)设备点检卡 (80)关键设备备件一览表 (81)设备维修保养计划 (82)设备修理记录单 (83)设备总效率统计表 (84)设备报废单 (85)顾客信息记录表 (86)产品流转卡 (87)成品检验记录 (88)库房检查记录 (89)量具购置申请单 (90)监视测量设备一览表 (90)量具周期检定计划表 (91)量具失效评价表 (92)量具报废单 (93)顾客满意度调查表 (94)员工满意度调查表 (95)年度内部审核计划 (96)日程表 (97)检查表 (98)不合格报告 (99)紧急放行申请单 (100)首检记录单 (101)型式试验报告 (102)委托测试报告单 (102)不合格品评审单 (103)纠正/预防措施报告 (106)退货产品分析表 (107)8—D报告 (108)文件发放/回收记录表格代号:AX-BG-01-01受控文件目录表格代号:AX-BG-01-02管理文件更改通知单表格代号:AX-BG-01-03编制:审核:批准:技术文件更改通知单表格代号:AX-BG-01-04编制:审核:批准:工程规范更改评审单表格代号:AX-BG-01-05文件归档登记表表格代号:AX-BG-01-06文件借阅登记表表格代号:AX-BG-01-07文件销毁申请单表格代号:AX-BG-01-08申请人:审批:文件留用申请单表格代号:AX-BG-01-09表格代号:AX-BG-01-10表格代号:AX-BG-01-11表格代号: AX-BG-03-01表格代号:AX-BG-03-02质量成本计划表表格代号:AX-BG-04-01单位:元__月份不良品损失统计表表格代号:AX-BG-04-02注:表中不良品指返工(返修)品或废品填表人:质量成本月报表表格代号:AX-BG-04-03年度培训计划表格代号:AX-BG-05-01培训计划(通知)表格代号:AX-BG-05-02编制:审核:日期:培训(会议)签到表表格代号:AX-BG-05-03表格代号:AX-BG-05-04表格代号:AX-BG-05-05岗位培训登记表表格代号:AX-BG-05-06(注:表格不够请附页。
特种设备制造、安装、改造、维修许可质量保证体系评审表1、管理职责评审表评审编号:单位名称:特种设备制造、安装、改造、维修许可质量保证体系评审表2、质量保证体系文件评审表评审编号:单位名称:特种设备制造、安装、改造、维修许可质量保证体系评审表3、文件与记录的控制评审表评审编号:单位名称:特种设备制造、安装、改造、维修许可质量保证体系评审表4、合同控制评审表评审编号:单位名称:特种设备制造、安装、改造、维修许可质量保证体系评审表5、设计控制评审表评审编号:单位名称:特种设备制造、安装、改造、维修许可质量保证体系评审表6、材料、零部件质量控制评审表评审编号:单位名称:特种设备制造、安装、改造、维修许可质量保证体系评审表7、作业(工艺)控制评审表评审编号:单位名称:特种设备制造、安装、改造、维修许可质量保证体系评审表8、焊接质量控制评审表评审编号:单位名称:特种设备制造、安装、改造、维修许可质量保证体系评审表9、热处理质量控制评审表评审编号:单位名称:特种设备制造、安装、改造、维修许可质量保证体系评审表10、无损检测质量控制评审表评审编号:单位名称:特种设备制造、安装、改造、维修许可质量保证体系评审表11、理化试验质量控制评审表评审编号:单位名称:特种设备制造、安装、改造、维修许可质量保证体系评审表12、检验与试验评审表评审编号:单位名称:特种设备制造、安装、改造、维修许可质量保证体系评审表13、设备及检验试验装置的控制评审编号:单位名称:特种设备制造、安装、改造、维修许可质量保证体系评审表14、不合格品处置评审表评审编号:单位名称:特种设备制造、安装、改造、维修许可质量保证体系评审表15、质量改进与服务评审表评审编号:单位名称:特种设备制造、安装、改造、维修许可质量保证体系评审表16、人员培训、考核和管理评审表评审编号:单位名称:特种设备制造、安装、改造、维修许可质量保证体系评审表18、执行特种设备许可制度评审表评审编号:单位名称:特种设备制造、安装、改造、维修许可质量保证体系评审表17、其它过程控制——锻造质量控制表评审编号:单位名称:特种设备制造、安装、改造、维修许可质量保证体系评审表17其它过程控制——铸造质量控制表评审编号:单位名称:。
质量保证体系评估表---1. 评估目的本评估表旨在对质量保证体系进行全面评估,以确保组织的产品或服务能够满足客户的质量要求,并持续改进质量管理体系。
2. 评估范围本评估表适用于所有涉及到质量保证的业务流程和部门。
3. 评估流程3.1 评估准备- 确定评估的时间和地点。
- 确定评估小组成员。
- 组织评估小组初步培训。
3.2 评估实施评估小组按照以下步骤进行评估:1. 了解组织的质量方针和目标。
2. 评估组织的质量管理体系文件,包括质量手册、程序文件等。
3. 检查质量管理体系的实施情况,包括人员培训、内部审核等。
4. 针对核心流程进行现场走访,查看实施情况。
5. 对关键指标和关键过程进行数据分析,评估其有效性和可持续性。
6. 采集相关人员的意见和建议。
3.3 评估总结评估小组根据评估结果,结合质量管理标准和法规要求,形成评估报告,并提出改进意见和建议。
4. 评估指标评估指标是评估质量保证体系有效性的依据,包括但不限于以下方面:1. 组织是否明确质量方针和目标。
2. 质量管理体系是否建立和规范。
3. 质量手册和程序文件的完整性和适用性。
4. 组织人员是否熟悉质量管理体系,并按照要求执行。
5. 内部审核是否有效执行。
6. 客户投诉处理是否及时和有效。
7. 关键过程的测量和分析是否能够有效改进。
5. 评估报告评估报告应包括以下内容:1. 评估的目的、范围和流程。
2. 评估结果的详细描述。
3. 反馈的改进意见和建议。
4. 各评估指标的得分和评价。
6. 改进措施评估报告中提出的改进意见和建议应立即跟进和执行,确保改进措施的有效性和追踪。
7. 评估计划评估计划应包括以下内容:1. 评估的时间和地点。
2. 评估小组成员的安排。
3. 评估的范围和重点。
4. 评估流程和具体步骤的安排。
以上是质量保证体系评估表的内容,通过对质量管理体系进行全面评估,希望能够提高组织的产品或服务质量,满足客户需求,并持续改进质量管理体系。
质量管理体系检查评分表
企业名称:
注:*为必备条件,如果不满足,此表不得分。
抽检项每一小项中规定次数缺一次扣1分, 扣完分项分为止。
检查组长:检查人:年月日
附件2:
生产工艺条件检查评分表
企业名称:
注:*为必备条件,如果不满足,此表不得分。
抽检项每一小项中规定次数缺一次扣1分, 扣完分项分为止。
检查组长:检查人:年月日
附件3:
质量管理体系运行控制检查评分表
企业名称:
注:*为必备条件,如果不满足,此表不得分。
抽检项每一小项中规定次数缺一次扣1分, 扣完分项分为止。
检查组长:检查人:年月日
附件4:
企业质量检查评分汇总表
企业名称:
注:1.汇总表中各分项项目实得分数二汇总表中该项应得满分分值X该项检查评分表实得分/100,汇总表总得分应为表中各分项项目实得分数之和。
2.(1)优良:保证项目达标,汇总表得分分值应在85分以上;(2)合格:保证项目达标,汇总表得分分值在60分以±;(3):不合格:有一项检查分表的保证项目不达标,或汇总表得分分值不足60分。
附录A产品技术标准目录
附录B商品混凝土企业实验室设备检查表检查组长: 检查人: 年月日
检查组长: 检查人: 年
月
日
附录c商品混凝土原材料检验记录检查表
检查组长: 检查人: 年月日
附录D质量管理体系运行控制资料检查表
整改通知单NO:
检查组长: 检查人: 年
月日
备注:整改通知单一式两份,被查企业、检查组各一份。
吉安市城乡规划建设局办公室
2016年12月5日印发。