公司质量管理体系调查与评价表
- 格式:doc
- 大小:32.00 KB
- 文档页数:1
质量管理体系内部评估核查表(通用全套)引言本文档旨在为企业内部评估质量管理体系提供指导性文件。
以下为通用的核查表,应根据企业实际情况进行调整和补充。
质量管理体系内部评估核查表1. 管理责任1.1. *请填写企业管理层对质量管理体系的关注程度和认可程度,并提供相关证明材料。
**请填写企业管理层对质量管理体系的关注程度和认可程度,并提供相关证明材料。
*1.2. *请填写企业是否设立质量管理部门或委员会,并说明其职责和工作范围。
**请填写企业是否设立质量管理部门或委员会,并说明其职责和工作范围。
*1.3. *请填写企业是否制定了质量管理体系文件,并说明其内容、适用范围和审查周期。
**请填写企业是否制定了质量管理体系文件,并说明其内容、适用范围和审查周期。
*2. 质量计划2.1. *请填写企业是否制定了质量计划,并说明其内容、适用范围和编制周期。
**请填写企业是否制定了质量计划,并说明其内容、适用范围和编制周期。
*2.2. *请填写企业是否开展了质量目标和基准点的制定,并说明其制定原则和程序。
**请填写企业是否开展了质量目标和基准点的制定,并说明其制定原则和程序。
*2.3. *请填写企业是否制定了质量标准和规范,并说明其制定原则和程序。
**请填写企业是否制定了质量标准和规范,并说明其制定原则和程序。
*3. 实施和运行3.1. *请填写企业是否开展了产品或服务的过程控制和验证,并提供相关证明材料。
**请填写企业是否开展了产品或服务的过程控制和验证,并提供相关证明材料。
*3.2. *请填写企业是否开展了出现问题或客户投诉的预警和纠正措施,并说明其制定原则和程序。
**请填写企业是否开展了出现问题或客户投诉的预警和纠正措施,并说明其制定原则和程序。
*3.3. *请填写企业是否开展了内部质量审核和管理评审,并提供相关证明材料。
**请填写企业是否开展了内部质量审核和管理评审,并提供相关证明材料。
*4. 检测和量测4.1. *请填写企业是否开展了产品或服务的检测和量测,并提供相关证明材料。
质量保证体系调查表格调查目的本调查表格旨在了解贵公司的质量保证体系,并收集相关数据,以帮助提升质量保证工作的效果和效率。
公司基本信息- 公司名称:- 公司所属行业:- 公司规模:- 公司成立年份:质量保证体系概述请简要描述贵公司的质量保证体系,包括以下方面:- 质量目标和政策:- 质量组织架构:- 质量保证流程和程序:- 质量培训和提升措施:质量指标和绩效评估请列举贵公司在质量保证方面关注的指标和绩效评估方法,并填写对应数据(若有):质量改进措施请列举贵公司对质量保证方面所采取的持续改进措施,并简要描述实施情况:1. 持续培训和提升员工的质量意识和技能。
2. 建立不良品追溯机制,分析原因并采取相应措施。
3. 定期开展内部质量审计,发现并解决潜在问题。
4. 借鉴相关行业最佳实践,引进先进的质量管理工具和方法。
质量保证体系认证情况请填写贵公司质量保证体系的认证情况:- ISO9001质量管理体系认证:- 其他相关认证(如ISO环境管理体系、ISO职业健康安全管理体系):质量投诉和纠纷处理请简要描述贵公司的质量投诉和纠纷处理流程,并给出实际案例(若有):1. 投诉接收:客户投诉通过哪些渠道接收,是否有专门的投诉处理团队。
2. 投诉调查:如何进行投诉调查,采取哪些措施澄清问题和解决纠纷。
3. 投诉反馈和改进:对投诉的处理结果如何反馈给客户,并采取哪些改进措施。
其他补充说明请提供其他与质量保证体系相关的信息和补充说明。
以上为质量保证体系调查表格,请在对应的表格中填写相关数据,并及时提交。
如有任何疑问,请随时与质量管理部门联系。
感谢您的合作!*注意:以上信息将被保密,并仅用于质量保证管理目的。
*。
公司质量管理体系调查与评价表1 / 1公司概略人 员设备设备质量目标 系统文件组织机构质量信用状况评审组总结论评审员署名质量负责人审批建议供货单位质量管理系统检查与评论表公司名称(盖公章) 公司种类 允许证注册地点 经营方式库房地点食品经营允许证号 有效期至 税务登记证号 GSP/GMP 证书编号 有效期至 2015 年销售额 营业执照注册号有效期至联系电话职务 姓名学历职称法定代表人 公司负责人 公司质量负责人质量管理机构负责人职工状况职工总人数药学技术人员执业药师数人员配置、培训及健 1、各部门岗位人员配置能否切合有关法律法例规定的条件: √是 □否 2、各部门岗位人员的培训能否切合有关法律规定要求:√是 □否 康要求3、直接接触药品人员能否切合有关法律法例规定的健康要求:√是□否总面积常温库阴凉库冷库库房面积1、库房设备设备能否知足GSP/GMP 要求:√是 □否 2 、温湿度监控系统能否知足药品储藏要求:√是 □否3 、能否有计算机系统,操作功能和权限设定能否切合规定: √是□否4 、能否有安全保障(防火、防盗、监控)设备: √是□否5 、冷链运输状况:冷藏车辆,能否考证:□是 □否 冷藏保温箱 个,能否考证: □是 □否能否确立公司质量目标: √已确立,且实行□已确立,但履行不良□还没有拟订1 、质量管理系统文件状况: √已拟订且适合 □已拟订,但部分不符 □还没有拟订2 、质量管理制度履行、培训状况: √已贯彻实行 □未能所有实行□还没有拟订 能否明确职责、权限及互相关系:√已建立,权责明确□已建立,但权责不清□还没有建立公司在生产 / 经营中能否产生过不良记录:□是 √否以下为评审单位填写 1 、该单位资质能否齐备、有效: □是 □否2 、该单位质量保证系统: □健全 □基本健全 □不健全,待完美3 、该单位质量信用能力: □好 □一般 □差4 、该单位的软件及硬件设备设备能否可以保证药质量量: □是□否5 、对该单位服务质量能否满意: □是□否6 、实地观察结论:□经过评审,建议业务来往 □未经过审查,应在系统供货 / 购货方名录中临时锁定填报时间: 年 月 日审批时间: 年 月 日。
质量管理体系调查表质量管理体系调查表1、引言在质量管理体系的建立和维护过程中,对体系进行调查评估是必不可少的步骤。
本文档旨在提供一个完整的质量管理体系调查表范本,以供参考使用。
通过填写该调查表,可以全面了解质量管理体系的运作情况,从而进行必要的改进和优化。
2、质量管理体系范围在此章节中,列出质量管理体系的具体范围,包括涉及的产品、流程、活动等。
描述清楚质量管理体系的边界,以便调查人员可以针对性地进行调查。
3、质量管理体系文件对质量管理体系文件进行详细的描述,包括质量手册、程序文件、工作指导书等。
出每个文件的名称、版本、有效性等信息,并说明其在质量管理体系中的作用和应用范围。
4、质量政策和目标描述质量政策和目标的制定过程和内容。
说明质量政策和目标的对齐程度,并评估其实施和执行情况。
列出相关指标和数据,以衡量质量政策和目标的达成情况。
5、组织结构和职责详细描述质量管理体系的组织结构,包括各级部门、岗位和职责。
阐明各个职能部门在质量管理体系中的角色和责任,并评估其履行情况和协作效果。
6、资源管理调查质量管理体系中的资源管理情况,包括人员、设备、环境等。
评估资源是否满足质量管理体系的要求,并提出改进建议。
7、过程控制详细描述质量管理体系中的各个过程,包括输入、输出、操作方法、记录等。
评估过程的有效性和可控性,发现潜在的风险和问题,并提供相应的解决方案。
8、监测和测量对质量管理体系的监测和测量方法进行调查,包括检测设备、数据采集、数据分析等。
评估监测和测量的可靠性和准确性,提出改善意见。
9、非符合处理调查质量管理体系中非符合处理的流程和措施。
评估非符合处理的效果和纠正预防措施的执行情况,并提供改进建议。
10、审核和审计描述质量管理体系的审核和审计计划、方法和结果。
评估审核和审计的有效性和实施情况,提供改进意见。
11、持续改进调查质量管理体系的持续改进机制和实施情况。
评估改进措施的有效性和可行性,提供进一步改进的建议。
质量管理体系调查表样本质量管理体系调查表样本1.引言此调查表用于评估和改进组织的质量管理体系。
通过填写此调查表,您将能够全面了解质量管理体系的运作情况,并提出相应的改进建议。
2.质量方针和目标2.1 质量方针请描述组织的质量方针,包括所关注的关键因素和目标。
2.2 质量目标请列出组织的质量目标,并说明每个目标的衡量指标和达成情况。
3.组织结构和责任3.1 组织结构描述组织的结构,包括各个部门及其职责。
3.2 质量管理负责人说明质量管理负责人的职责和权力范围。
4.质量管理体系文件4.1 文件控制请说明组织如何控制和管理质量管理体系文件,包括文件的编号、修订过程和访问权限等。
4.2 体系文件清单列出组织的质量管理体系文件清单,包括文件名称、编号和版本。
5.过程管理5.1 过程流程图绘制质量管理体系的过程流程图,并对每个过程进行描述。
5.2 过程监控和改进请描述组织如何监控和改进质量管理体系的各个过程,包括采取的措施和效果评估方法。
6.设备和资源管理6.1 设备控制请说明组织如何控制和管理设备的购买、校准、维修和报废等过程。
6.2 资源管理请描述组织如何合理配置和管理资源,包括人员、设备、技术和资金等。
7.过程评估和改进7.1 内部审核说明组织的内部审核活动,包括审核计划、程序、结果和改进建议等。
7.2 外部审核请描述组织的外部审核活动,包括审核计划、程序、结果和改进建议等。
7.3 持续改进说明组织对质量管理体系的持续改进措施,并实施的具体案例和效果。
附件:附件1:质量方针和目标文件附件2:质量管理体系流程图附件3:内部审核记录附件4:外部审核报告附件5:持续改进案例分析法律名词及注释:1.质量管理体系:指按照一定的标准和程序,组织建立和实施一系列质量管理活动的体系,以确保产品或服务达到预期的质量要求。
2.质量方针:组织在质量管理体系中所确定的关注重点和质量目标。
3.质量目标:为实现质量方针而设定的具体目标,衡量组织质量绩效的指标。
16949质量管理体系审核评估表(全)1. 文档信息- 文档名称:质量管理体系审核评估表- 文档类型:审核评估表- 适用范围:适用于对企业的质量管理体系进行审核评估2. 评估目的本评估表的目的是对企业的质量管理体系进行全面的审核评估,以评估质量管理体系的合规性和有效性,发现潜在的问题并提出改进建议。
3. 评估内容3.1 审核范围- 企业的质量管理体系文件和记录- 相关部门的运作程序和流程- 质量管理体系的内部审核报告和改进措施3.2 评估要点1. 组织结构和责任:评估企业的质量管理体系是否有合理的组织结构和明确的责任分工。
2. 文件和记录控制:评估质量管理体系的相关文件和记录是否得到有效控制。
3. 审核和改进:评估内部审核和改进措施是否被有效执行和跟踪。
4. 培训和意识:评估企业的培训计划和培训效果,以及员工对质量管理体系的意识和理解。
5. 过程控制和监测:评估企业对质量管理体系运作过程的控制和监测。
6. 客户关系和满意度:评估企业与客户的沟通、反馈和满意度管理。
7. 供应商管理:评估企业对供应商的选择、评估和管理。
8. 内部通讯和沟通:评估企业内部沟通和信息共享的方式和效果。
4. 评估方法本评估将采用以下方法进行:1. 文件审核:对质量管理体系的文件和记录进行审核,核查合规性和有效性。
2. 实地调查:访问相关部门,观察质量管理体系的运作情况。
3. 面谈:与相关人员进行面谈,了解其对质量管理体系的理解和实施情况。
4. 数据分析:对相关数据进行分析,评估质量管理体系的绩效和改进情况。
5. 评估结果和建议评估结束后,将根据评估结果提出评估报告,包括对质量管理体系的合规性和有效性进行评价,指出存在的问题和风险,并提出改进建议和措施,帮助企业优化质量管理体系。
6. 评估计划和时间安排评估计划和时间安排将根据企业的实际情况进行制定,确保评估工作的顺利进行和高效完成。
7. 评估人员评估人员将由具有相关背景和经验的专业人员组成,确保评估工作的专业性和客观性。
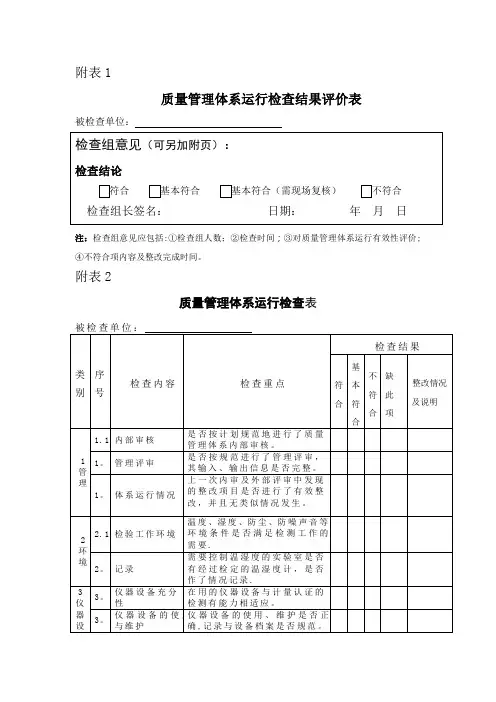
附表1
质量管理体系运行检查结果评价表
被检查单位:
注:检查组意见应包括:①检查组人数;②检查时间;③对质量管理体系运行有效性评价;
④不符合项内容及整改完成时间。
附表2
质量管理体系运行检查表
注:
错误!在评审意见相应栏内划 ;
○,2体系文件中有描述但未实施的,为不符合;体系文件中有描述但实施不规范的,为基本符合;体系文件无描述的,为缺此项.
错误!不符合、基本符合和缺此项者为整改项,应在说明栏内作相应的说明.
附表3
实验室整改项记录表
被检查单位:。
质量管理体系调查表1. 调查目的本次调查旨在评估和改进公司的质量管理体系,以确保产品或服务符合客户要求,并持续提供高品质。
2. 责任部门/人员- 主管:______________________- 项目经理:___________________- 相关部门代表:_______________3. 财务状况分析请填写以下信息:a) 公司总收入(去年度):b) 总成本(去年度):c) 净利润率(净利润除以总收入百分比):4. 客户满意度调查结果及反馈措施请根据最近一期客户满意度调查报告回答以下问题并列出相应改善计划。
a) 客户对产品/服务整体满意程度是多少?- 收集到的具体反馈内容:- 计划采取哪些行动来解决存在的问题?5. 内部流程效能评估与优化建议通过内审、工作坊等方式进行现有流程效能评估,请针对每个主要业务过程回答下面两个问题。
如果需要更详细说明,请附上相关文件。
a) 这项业务过程是否已明确定义且易于遵循?b) 是否有改进的机会?如果是,请提供具体建议。
6. 员工培训与发展计划请填写以下信息:a) 公司员工总数:b) 过去一年内参加过专业培训/学习活动的员工比例(百分比):c) 计划在未来一年内开展哪些新的培训项目?7. 产品质量控制及持续改进针对公司主要产品或服务,回答下列问题并附上相关数据和文件。
a) 是否存在常见缺陷类型?- 缺陷描述及频率统计:- 已采取何种措施减少这些缺陷出现次数?8. 外部合作伙伴评价请根据最近一期外部合作伙伴调查报告回答以下问题,并说明相应行动方案。
a) 合作夥伴满意度得分如何?b) 收集到了什么反馈内容?c ) 将采取哪些行动以解决潜在问题?9. 资源管理效能评价通过审阅人力资源、设备等方面资料进行资源管理效能评价。
请就每个领域给予简短评论,并指明是否需要优化。
10. 风险识别与预防方法鉴于公司的特定业务和行业,列出可能存在的风险,并提供相应预防措施。
11. 改进计划请根据以上调查结果制定改进计划。
企业质量管理体系调查表贵公司先生/女士您好:为了建立的质量管理体系符合贵公司的实际情况,使文件同实际一致并具有可操作,本公司特作如下调查,望贵公司能积极配合,填好后请寄***市***路****号(邮编:****)*******有限公司收。
1、企业名称:2、法人代表:总经理/手机:管理者代表/手机:联系人/手机:3、企业联系电话传真: 邮箱:4、企业网址:邮编:5、企业注册地址:6、生产经营地址:6、企业概况(应注明企业的注册资金、占地面积、建筑面积、产品的市场情况、企业的经营宗旨及发展方向及历年获得的荣誉等)(可附附件):7、要求申请认证的范围:8、企业主要生产的产品名称、型号规格:(1)(2)YX600(3)YX555(4)9、产品执行的标准、技术规范和包装标准的名称及编号(需附复印件):(1)(2)(3)(4)10、产品生产工艺流程图(关键工序是什么,是否存在特殊工序):11、关键和特殊工序控制的关键参数或管理控制点是什么?12、主要设施/设备的清单(包括名称、型号、数量和作用):13、监视和测量设备清单(包括名称、型号、精度、量程作用及检定周期等):13、每道工序作业指导书或工艺卡(如有附复印件):14、进货、过程和成品的检验规程(如有附复印件):15、每个生产设备安全操作规程(如有附复印件):17、主要顾客名单:18、主要原辅材料/外购件的名称、规格型号及相应供方名称、地址、联系人等(全称)。
19、本公司的外包过程/外包产品:20、公司与质量管理体系有关的人员(其中技术人员、管理人员和操作人员)的文化程度、技术职称、等级情况:21、企业的组织机构及各部门的负责人(如有附复印件):请将以上部门负责人的名单写在上面22、各部门的质量职责(如有附复印件):23、特殊工种(包括电工、电焊工、行车工、叉车工等)、检验人员和内审员名单(如有附复印件):24、企业原有的管理制度或记录表单(如有附复印件):25、企业简介。
质量管理体系评审表
一、公司信息
•公司名称:
•公司地址:
•成立时间:
•质量管理体系认证情况:
二、评审信息
•评审日期:
•评审地点:
•评审人员:
三、评审内容
1.质量方针和目标
–公司质量方针是否明确?
–公司是否设定了质量目标?目标是否具体、可衡量、可实现?
2.组织结构
–公司的组织结构是否合理?
–各部门之间是否有明确的职责和权限划分?
3.文件控制
–公司是否建立了适当的文件控制程序?
–文件版本是否得到有效控制?
4.过程控制
–公司的生产/服务过程是否符合预定的要求?
–是否有跟踪、检查、纠正措施?
5.内审
–公司是否定期组织内审?内审是否有记录?
–是否发现了不符合要求的情况并采取了纠正措施?
6.管理评审
–公司的管理层是否定期进行管理评审?
–是否对质量管理体系进行了持续改进的讨论和决策?
四、评审结论
根据以上评审内容,评审人员得出以下结论:
•公司质量管理体系执行情况良好,得到了有效落实和改进;
•存在部分不符合要求的地方,需要引起重视并及时改进;
•经评审,质量管理体系有效运行,值得肯定和继续完善。
五、改进计划
针对评审中发现的不足之处,制定相应的改进计划,并明确责任人、时间节点和跟踪措施。
以上为本次质量管理体系评审表内容,希望公司能够不断提升质量管理水平,确保产品/服务质量持续改进和客户满意度提升。
质量管理体系调查表质量管理体系调查表一、调查目的本调查表旨在评估和改进组织的质量管理体系,并提供有关组织在质量管理方面的实际情况的详细信息。
二、调查范围本调查表适用于组织的全部部门和业务流程,包括供应链管理、生产制造、产品交付和售后服务等方面。
三、调查内容3.1 可行性研究阶段1.是否在可行性研究阶段确定质量管理目标和策略?2.是否对相关法律法规、质量标准进行了调研和学习?3.是否进行了质量管理体系的相关培训和教育?3.2 质量计划及控制阶段1.是否编制了质量计划和程序文件,并得到相关人员的共识?2.是否制定了适当的检验和控制措施来确保产品和服务的质量?3.是否设立了质量控制指标和相应的监控机制?3.3 质量保证阶段1.是否建立了适当的质量保证体系?2.是否进行了产品和流程的质量评估和审查?3.是否设立了质量监督和管理机制?3.4 客户满意度调查1.是否定期进行客户满意度调查?2.是否分析调查结果,并采取相应行动来提高客户满意度?3.是否建立了客户投诉管理机制?四、附件附件1:质量管理体系调查表填写示例附件2:质量管理体系相关文件五、法律名词及注释1.《质量管理体系要求》:指GB/T 19001-2016《质量管理体系要求》标准,用于指导组织建立、实施和改进质量管理体系。
2.《产品质量法》:指中华人民共和国《产品质量法》,用于规范和管控产品质量,保护消费者权益。
3.《ISO 9001》:指国际标准化组织(ISO)的ISO 9001质量管理体系标准,用于国际质量管理体系认证。
六、结尾感谢您填写本次质量管理体系调查表。
根据您提供的信息,我们将对现有体系进行评估,并制定相应的改进计划,以提高质量管理效能。
如有任何疑问或建议,请随时与我们联系。
质量管理体系检查评分表
企业名称:
注:*为必备条件,如果不满足,此表不得分。
抽检项每一小项中规定次数缺一次扣1分, 扣完分项分为止。
检查组长:检查人:年月日
附件2:
生产工艺条件检查评分表
企业名称:
注:*为必备条件,如果不满足,此表不得分。
抽检项每一小项中规定次数缺一次扣1分, 扣完分项分为止。
检查组长:检查人:年月日
附件3:
质量管理体系运行控制检查评分表
企业名称:
注:*为必备条件,如果不满足,此表不得分。
抽检项每一小项中规定次数缺一次扣1分, 扣完分项分为止。
检查组长:检查人:年月日
附件4:
企业质量检查评分汇总表
企业名称:
注:1.汇总表中各分项项目实得分数二汇总表中该项应得满分分值X该项检查评分表实得分/100,汇总表总得分应为表中各分项项目实得分数之和。
2.(1)优良:保证项目达标,汇总表得分分值应在85分以上;(2)合格:保证项目达标,汇总表得分分值在60分以±;(3):不合格:有一项检查分表的保证项目不达标,或汇总表得分分值不足60分。
附录A产品技术标准目录
附录B商品混凝土企业实验室设备检查表检查组长: 检查人: 年月日
检查组长: 检查人: 年
月
日
附录c商品混凝土原材料检验记录检查表
检查组长: 检查人: 年月日
附录D质量管理体系运行控制资料检查表
整改通知单NO:
检查组长: 检查人: 年
月日
备注:整改通知单一式两份,被查企业、检查组各一份。
吉安市城乡规划建设局办公室
2016年12月5日印发。