涵洞检验批模板
- 格式:doc
- 大小:1.22 MB
- 文档页数:52
涵洞检验批模板⼗涵洞施⼯⽤表⽬录(⼀)、明挖基础(⼆)、粉喷桩(三)、旋喷桩(四)、就地制作涵洞洞⾝(五)、涵洞附属⼯程(⼀)、明挖基础附表:1、TA7施⼯测量放样报验单(见“原地⾯处理”中此表)2、施⼯测量⾼程放样表; 施⼯测量平⾯放样表(见“原地⾯处理”中此表)3、TA8⼯程报验申请表(见“原地⾯处理”中此表)4、基检验批质量验收记录表5、基坑检查证——铁程检-096、TA8⼯程报验申请表(见“原地⾯处理”中此表)7、模板及⽀架检验批质量验收记录表8、模板检查证——质统-7(见“重⼒式挡墙基础”中此表)9、TA8⼯程报验申请表(见“原地⾯处理”中此表)10、钢筋(原材料及加⼯)检验批质量验收记录表(Ⅰ)11、钢筋(连接及安装)检验批质量验收记录表(Ⅱ)10、钢筋检查证——铁程检-14修(见“地表排⽔”中此表)12、TA8⼯程报验申请表(见“原地⾯处理”中此表)13、混凝⼟(原材料)检验批质量验收记录表(Ⅰ)14、混凝⼟(配合⽐)检验批质量验收记录表(Ⅱ)15、混凝⼟(施⼯及养护)检验批质量验收记录表(Ⅲ)16、混凝⼟(结构外观和尺⼨偏差)检验批质量验收记录表(Ⅳ)17、混凝⼟施⼯过程检查——质统-8修1(见“过渡段”中的“基坑回填”中此表)18、混凝⼟施⼯记录(见“过渡段”中的“基坑回填”中此表)19、混凝⼟拆模检查——质统-9修1(见“重⼒式挡墙基础”中此表)20、混凝⼟养护检查——质统-10修1(见“过渡段”中的“基坑回填”中此表)换填地基检验批质量验收记录表基坑检验批质量验收记录表⼯程检查证TA8 ⼯程报验申请表注:本表⼀式3份,承包单位2份,监理单位1份。
模板及⽀架检验批质量验收记录表模板检查表TA8 ⼯程报验申请表注:本表⼀式3份,承包单位2份,监理单位1份。
钢筋(原材料及加⼯)检验批质量验收记录表(Ⅰ)钢筋(连接及安装)⼯程检验批质量验收记录表(Ⅱ)⼯程检查证编号:铁程检—14(修)TA8 ⼯程报验申请表注:本表⼀式3份,承包单位2份,监理单位1份。
涵洞总体分项工程质量检验评定表分项工程名称:盖板涵洞所属分部工程名称:排水工程所属建设项目:云南澜沧江乌弄龙场内干线公路工程工程部位:左岸高线公路Z2涵台实测分项工程质量检验评定表分项工程名称:盖板涵洞所属分部工程名称:涵洞所属建设项目:云南澜沧江乌弄龙场内干线公路工程工程部位:左岸下游进场公路Z5(桩号、墩台号、孔号) 施工单位:中国水利水电第八工程局有限公司监理单位:云南金杉工程建设监理咨询有限公司检验负责人:检测:记录:复核:年月日盖板制作分项工程质量检验评定表分项工程名称:盖板预制所属分部工程名称:涵洞所属建设项目:云南澜沧江乌弄龙场内干线公路工程工程部位:左岸下游进场公路Z5检验负责人:检测: 记录: 复核:年月日盖板安装分项工程质量检验评定表分项工程名称:盖板安装所属分部工程名称:涵洞所属建设项目:云南澜沧江乌弄龙场内干线公路工程工程部位:左岸下游进场公路Z5检验负责人:检测:记录:复核: 年月日涵洞总体检查表桩号(墩台号、孔号): 分项工程名称:圆管涵洞工程部位:左岸下游进场公路(Z5)检验负责人:检测:记录: 复核:年月日涵台实测检查表桩号(墩台号、孔号): 分项工程名称:盖板涵洞工程部位:左岸下游进场公路(Z5)检验负责人:检测:记录: 复核:年月日盖板制作检查表桩号(墩台号、孔号):分项工程名称:盖板制作工程部位:左岸下游进场公路(Z5)施工单位:中国水利水电第八工程局有限公司监理单位:云南金杉工程建设监理咨询有限公司检验负责人:检测:记录:复核:年月日盖板安装检查表桩号(墩台号、孔号):分项工程名称:盖板安装工程部位:左岸下游进场公路(Z5)施工单位:中国水利水电第八工程局有限公司监理单位:云南金杉工程建设监理咨询有限公司检验负责人:检测: 记录: 复核: 年月日一字墙和八字墙检查表桩号(墩台号、孔号):分项工程名称:盖板涵洞工程部位:左岸下游进场公路Z5施工单位:中国水利水电第八工程局有限公司监理单位:云南金杉工程建设监理咨询有限公司检验负责人:检测:记录: 复核:年月日模板安装检查表桩号(墩台号、孔号):分项工程名称:混凝土浇筑工程部位:左岸下游进场公路(Z5)施工单位:中国水利水电第八工程局有限公司监理单位:云南金杉工程建设监理咨询有限公司检查负责人:检测:记录:复核:年月日混凝土浇筑检查表桩号(墩台号、孔号):分项工程名称:跌井工程部位:左岸下游进场公路(Z5)施工单位:中国水利水电第八工程局有限公司监理单位:云南金杉工程建设监理咨询有限公司检验负责人:检测: 记录:复核:年月日混凝土浇筑分项工程质量检验评定表分项工程名称:所属分部工程名称:所属建设项目:云南澜沧江乌弄龙水电站场内左岸干线公路工程工程部位:左岸高线施工道路(Z2)(桩号、墩台号、孔号)施工单位:中国水利水电第八工程局有限公司监理单位:云南金杉工程建设监理咨询有限公司检验负责人:检测:记录:复核: 年月日钢筋加工及安装检查表桩号(墩台号、孔号):分项工程名称:盖板涵洞工程部位:左岸下游进场公路(Z5)施工单位:中国水利水电第八工程局有限公司监理单位:云南金杉工程建设监理咨询有限公司检验负责人:检测:记录:复核: 年月日工程开挖基坑检查表分项工程名称:盖板涵洞基础开挖所属分部工程名称:涵洞工程所属建设项目:云南澜沧江乌弄龙场内干线公路工程工程部位:左岸下游进场公路(Z5)(桩号、墩台号、孔号)施工单位:中国水利水电第八工程局有限公司监理单位:云南金杉工程建设监理咨询有限公司检验负责人:检测: 记录:复核: 年月日检验申请批复单承包单位:中国水利水电第八工程局有限公司合同号:WNL2010/R1编号:。
RJ[涵洞、渡槽、倒虹吸管]模板及支(拱)架工程检验批质量验收记录表一、检验概述本次检验任务为涵洞、渡槽、倒虹吸管模板及支(拱)架工程的检验批质量验收。
检验单位为建设单位、设计单位、监理单位及施工单位。
本次检验旨在对涵洞、渡槽、倒虹吸管模板及支(拱)架工程进行全面检查,确保工程质量,满足相关标准和要求。
二、检验内容1.涵洞/渡槽/倒虹吸管模板1.1 模板表面平整、无松动、变形及裂缝等缺陷。
1.2 模板预留洞口、钢筋穿透孔等符合设计要求, 建立悬挂、支撑、固定等措施牢固可靠。
1.3 模板接缝. 接头紧密、连接可靠、需符合设计衔接方式.1.4 填充材料. 填充材料能与混凝土牢固连接、不影响混凝土品质。
2.支(拱)架工程2.1 支撑架. 支撑杆是否牢固可靠、是否符合设计要求及建设规范等。
2.2 螺旋支撑与悬吊支撑. 螺旋支撑与悬吊支撑牢固、坚实、无移位等缺陷。
2.3 支撑杆、拉杆. 支撑杆、拉杆的材质、尺寸等是否符合设计要求及建设规范。
2.4 支撑环. 支撑环的数量、布置、规格、品质等是否符合设计要求及建设规范。
三、检验方法采用样本检验加现场检验相结合的方法,逐一对检验内容进行检查,实行严格控制检验流程。
四、检验记录1.涵洞/渡槽/倒虹吸管模板检验项目规格要求检验结果模板表面平整、无松动、变形及裂缝表面无松动、无裂缝、无变形,平整度≤5mm合格模板预留洞口、钢筋穿透孔预留尺寸、位置、钢筋数量符合设计要求合格模板接缝接缝紧密、连接可靠、衔接方式符合设计要求合格填充材料填充材料与混凝土之间粘结牢固,不影响混凝土品质合格2.支(拱)架工程检验项目规格要求检验结果支撑架两具支撑架之间相互平行,距离不大于6m 合格螺旋支撑与悬吊支撑钢管质量良好,牢固可靠,防移位合格支撑杆、拉杆杆距质量良好,尺寸符合设计要求及建设规范合格支撑环数量、布置、规格、品质符合设计要求及建设规范合格五、检验本次涵洞/渡槽/倒虹吸管模板及支(拱)架工程检验批质量验收合格,能够满足相关标准和要求。
XXXXXXXXXXXXXXX分部(项)工程开工申请批复单承包单位:XXXXXXXXX 合同号:A-06XXXXXXXXXXXXXXX建筑材料报验表承包单位:XXXXXXXXX 合同号:XXXXXXXXXXXXXXX施工放样报验单承包单位:XXXXXXXXX 合同号:XXXXXXXXXXXXXXXXXXXXXXXXXXXXXXXXXXXXX施工放样测量记录表承包单位:XXXXXXXXX 合同号:编号:测量工程师:记录:监理工程师:日期:XXXXXXXXXXXXXXXXXXXXXXXXXXXXXXXXXXXXX检验申请批复令承包单位:XXXXXXXXX 合同号:XXXXXXXXXXXXXXXXXXXXXX XXXXXXXXXXXXXXX中间交工证书XXXXXXXXXXXXXXXXXXXXXXXXXXXXXXXXXXXXX基坑(槽)现场质量检验报告单承包单位:XXXXXXXXX 合同号:XXXXXXXXXXXXXXXXXXXXXXXXXXXXXXXXXXXXX模板安装现场质量检验报告单承包单位:合同号:XXXXXXXXXXXXXXXXXXXXXXXXXXXXXXXXXXXXX涵台现场质量检验报告单承包单位:合同号:XXXXXXXXXXXXXXXXXXXXXXXXXXXXXXXXXXXXX混凝土施工原始记录承包单位:合同号:施工现场技术负责人:记录:监理员:日期:XXXXXXXXXXXXXXXXXXXXXXXXXXXXXXXXXXXXX桥涵墩(台)原始记录承包单位:合同号:施工现场技术负责人:记录:监理员:日期:XXXXXXXXXXXXXXXXXXXXXX工程量计算表工程名称:XXXXXXXXXXXXXXX 分部工程名称:施工单位:监理单位:审计单位:建设单位:时间:XXXXXXXXXXXXXXX分部(项)工程开工申请批复单承包单位:XXXXXXXXX 合同号:A-06XXXXXXXXXXXXXXX建筑材料报验表承包单位:XXXXXXXXX 合同号:XXXXXXXXXXXXXXXXXXXXXXXXXXXXXXXXXXXXX钢筋工程中间原始记录承包单位:合同号:施工现场技术负责人:记录:监理员:日期:XXXXXXXXXXXXXXXXXXXXXXXXXXXXXXXXXXXXX钢筋安装现场质量检验报告单承包单位:合同号:XXXXXXXXXXXXXXXXXXXXXXXXXXXXXXXXXXXXX模板安装现场质量检验报告单承包单位:合同号:XXXXXXXXXXXXXXXXXXXXXXXXXXXXXXXXXXXXX梁(板)预制现场质量检验报告单承包单位:合同号:XXXXXXXXXXXXXXXXXXXXXX马鬃岭至S208新运煤通村公路盖板安装现场质量检验报告单承包单位:合同号:XXXXXXXXXXXXXXXXXXXXXXXXXXXXXXXXXXXXX混凝土施工原始记录承包单位:合同号:施工现场技术负责人:记录:监理员:日期:XXXXXXXXXXXXXXXXXXXXXXXXXXXXXXXXXXXXX盖板安装现场质量检验报告单承包单位:XXXXXXXXX 合同号:XXXXXXXXXXXXXXXXXXXXXX工程量计算表工程名称:XXXXXXXXXXXXXXX 分部工程名称:涵洞施工单位:监理单位:审计单位:建设单位:时间:XXXXXXXXXXXXXXXXXXXXXXXXXXXXXXXXXXXXX检验申请批复令承包单位:XXXXXXXXX 合同号:XXXXXXXXXXXXXXXXXXXXXX XXXXXXXXXXXXXXX中间交工证书XXXXXXXXXXXXXXXXXXXXXXXXXXXXXXXXXXXXX分部(项)工程开工申请批复单承包单位:XXXXXXXXX 合同号:XXXXXXXXXXXXXXXXXXXXXXXXXXXXXXXXXXXXX台背回填现场质量检验报告单承包单位:XXXXXXXXX 合同号:XXXXXXXXXXXXXXXXXXXXXX工程量计算表工程名称:XXXXXXXXXXXXXXX 分部工程名称:涵洞施工单位:监理单位:审计单位:建设单位:时间:XXXXXXXXXXXXXXXXXXXXXXXXXXXXXXXXXXXXX检验申请批复令承包单位:XXXXXXXXX 合同号:XXXXXXXXXXXXXXXXXXXXXX XXXXXXXXXXXXXXX中间交工证书XXXXXXXXXXXXXXXXXXXXXX马鬃岭至S208新运煤通村公路涵洞总体现场质量检验报告单承包单位:合同号:XXXXXXXXXXXXXXX分部(项)工程开工申请批复单承包单位:XXXXXXXXX 合同号:A-06XXXXXXXXXXXXXXX建筑材料报验表承包单位:XXXXXXXXX 合同号:XXXXXXXXXXXXXXX检验申请批复令承包单位:XXXXXXXXX 合同号:XXXXXXXXXXXXXXXXXXXXXX XXXXXXXXXXXXXXX中间交工证书XXXXXXXXXXXXXXXXXXXXXX马鬃岭至S208新运煤通村公路八字墙和一字墙现场质量检验报告单承包单位:合同号:台背填土分项工程质量检验评定表分项工程名称:所属分部工程名称:所属建设项目:工程部位:(桩号、墩台号、孔号)施工单位:监理单位:监理有限公司表8.6.5检验负责人:检测:记录:复核:年月日钢筋安装分项工程质量检验评定表分项工程名称:所属分部工程名称:涵洞工程所属建设项目:工程部位:(桩号、墩台号、孔号)施工单位:监理单位:表8.3.1-1检验负责人:检测:记录:复核:年月日盖板制作分项工程质量检验评定表分项工程名称:所属分部工程名称:涵洞工程所属建设项目:检验负责人:检测:记录:复核:年月日盖板安装分项工程质量检验评定表分项工程名称:所属分部工程名称:涵洞工程所属建设项目:检验负责人:检测:记录:复核:年月日一字墙和八字墙分项工程质量检验评定表分项工程名称:所属分部工程名称:涵洞工程所属建设项目:检验负责人:检测:记录:复核:年月日涵洞总体分项工程质量检验评定表分项工程名称:所属分部工程名称:所属建设项目:检验负责人:检测:记录:复核:年月日。
涵管工程检验批质量检验记录表
工程名称分项工程名称
施工单位验收部位
项目经理专业工长施工班组长
施工执行标准及编号《市政排水管渠工程质量检验评定标准》CJJ3-90
质量验收规范的规定施工单位检查评定记录监理(建设)单位验收记录
检查项目检验依据或实测值
主控项目1 地基承载力设计要求
2 防水层材料设计要求
3 防水层铺贴质量第14.5.1.3条
4
钢筋制作及安装
质量
设计要求
5 混凝土强度设计要求
检查项目
允许偏差或
允许值(mm)
检查结果/实测点偏差值或实测值
1 2 3 4 5 6 7 8 9
一般项目
1 底板顶高程±10
2 涵管净宽±20
3 中线偏位≤10
4 顶板挠度
≤L/1000
且<10mm
5
现浇顶板底面
平整度
≤5
6
7 混凝土表面质量第14.5.1.6条
共实测点,其中合格点、不合格点,合格率 %
施工单位检查
评定结果
项目专业质量检查员:项目专业质量(技术)负责人:年月日
监理(建设)
单位验收结论
监理工程师(建设单位项目技术负责人):年月日
注: 1、本表由施工项目专业质量检查员填写,监理工程师(建设单位项目技术负责人)组织专业质量(技术)负责人等进行验收。
四川省建设厅制。
涵洞总体分项工程质量检验评定表分项工程名称:圆管涵所属分部工程名称:排水工程所属建设项目:云南澜沧江乌弄龙场内干线公路工程工程部位:左岸高线公路Z2(桩号、墩台号、孔号)施工单位:中国水利水电第八工程局有限公司监理单位:云南金杉工程建设监理咨询有限公司检验负责人:检测:记录:复核:年月日涵台实测分项工程质量检验评定表分项工程名称:盖板涵洞所属分部工程名称:涵洞所属建设项目:云南澜沧江乌弄龙场内干线公路工程工程部位:左岸下游进场公路Z5(桩号、墩台号、孔号)施工单位:中国水利水电第八工程局有限公司监理单位:云南金杉工程建设监理咨询有限公司检验负责人:检测:记录:复核:年月日管座及涵管安装分项工程质量检验评定表分项工程名称:涵管安装所属分部工程名称:涵洞所属建设项目:云南澜沧江乌弄龙场内干线公路工程工程部位:左岸高线公路Z2(桩号、墩台号、孔号)施工单位:中国水利水电第八工程局有限公司监理单位:云南金杉工程建设监理咨询有限公司检验负责人:检测:记录:复核:年月日盖板制作分项工程质量检验评定表分项工程名称:盖板预制所属分部工程名称:涵洞所属建设项目:云南澜沧江乌弄龙场内干线公路工程工程部位:左岸下游进场公路Z5(桩号、墩台号、孔号)施工单位:中国水利水电第八工程局有限公司监理单位:云南金杉工程建设监理咨询有限公司检验负责人:检测:记录:复核:年月日盖板安装分项工程质量检验评定表分项工程名称:盖板安装所属分部工程名称:涵洞所属建设项目:云南澜沧江乌弄龙场内干线公路工程工程部位:左岸下游进场公路Z5检验负责人:检测:记录:复核:年月日箱涵浇筑分项工程质量检验评定表分项工程名称:所属分部工程名称:所属建设项目:工程部位:(桩号、墩台号、孔号)施工单位:监理单位:检验负责人:检测:记录:复核:年月日涵洞总体检查表桩号(墩台号、孔号):分项工程名称:圆管涵洞工程部位:左岸高线公路Z2施工单位:中国水利水电第八工程局有限公司监理单位:云南金杉工程建设监理咨询有限公司检验负责人:检测:记录:复核:年月日涵台实测检查表桩号(墩台号、孔号):分项工程名称:盖板涵洞工程部位:左岸下游进场公路Z5施工单位:中国水利水电第八工程局有限公司监理单位:云南金杉工程建设监理咨询有限公司检验负责人:检测:记录:复核:年月日管座及涵管安装检查表桩号(墩台号、孔号):分项工程名称:涵管安装工程部位:左岸高线公路Z2施工单位:中国水利水电第八工程局有限公司监理单位:云南金杉工程建设监理咨询有限公司检验负责人:检测:记录:复核:年月日盖板制作检查表桩号(墩台号、孔号):分项工程名称:盖板制作工程部位:左岸下游进场公路Z5施工单位:中国水利水电第八工程局有限公司监理单位:云南金杉工程建设监理咨询有限公司检验负责人:检测:记录:复核:年月日盖板安装检查表桩号(墩台号、孔号):分项工程名称:盖板安装工程部位:左岸下游进场公路Z5施工单位:中国水利水电第八工程局有限公司监理单位:云南金杉工程建设监理咨询有限公司检验负责人:检测:记录:复核:年月日箱涵浇筑检查表桩号(墩台号、孔号):分项工程名称:工程部位:施工单位:监理单位:检验负责人:检测:记录:复核:年月日一字墙和八字墙检查表桩号(墩台号、孔号):分项工程名称:盖板涵洞工程部位:左岸下游进场公路Z5施工单位:中国水利水电第八工程局有限公司监理单位:云南金杉工程建设监理咨询有限公司检验负责人:检测:记录:复核:年月日混凝土浇筑检查表桩号(墩台号、孔号):分项工程名称:跌井工程部位:左岸高线公路Z2施工单位:中国水利水电第八工程局有限公司监理单位:云南金杉工程建设监理咨询有限公司检验负责人:检测:记录:复核:年月日钢筋加工及安装检查表桩号(墩台号、孔号):分项工程名称:盖板涵洞工程部位:左岸下游进场公路Z5施工单位:中国水利水电第八工程局有限公司监理单位:云南金杉工程建设监理咨询有限公司检验负责人:检测:记录:复核:年月日工程开挖基坑检查表分项工程名称:涵管基础开挖所属分部工程名称:涵洞所属建设项目:云南澜沧江乌弄龙场内干线公路工程工程部位:左岸高线公路(Z2)(桩号、墩台号、孔号)施工单位:中国水利水电第八工程局有限公司监理单位:云南金杉工程建设监理咨询有限公司检验负责人:检测:记录:复核:年月日。
十涵洞施工用表目录(一)、明挖基础(二)、粉喷桩(三)、旋喷桩(四)、就地制作涵洞洞身(五)、涵洞附属工程(一)、明挖基础附表:1、TA7施工测量放样报验单(见“原地面处理”中此表)2、施工测量高程放样表; 施工测量平面放样表(见“原地面处理”中此表)3、TA8工程报验申请表(见“原地面处理”中此表)4、基检验批质量验收记录表5、基坑检查证——铁程检-096、TA8工程报验申请表(见“原地面处理”中此表)7、模板及支架检验批质量验收记录表8、模板检查证——质统-7(见“重力式挡墙基础”中此表)9、TA8工程报验申请表(见“原地面处理”中此表)10、钢筋(原材料及加工)检验批质量验收记录表(Ⅰ)11、钢筋(连接及安装)检验批质量验收记录表(Ⅱ)10、钢筋检查证——铁程检-14修(见“地表排水”中此表)12、TA8工程报验申请表(见“原地面处理”中此表)13、混凝土(原材料)检验批质量验收记录表(Ⅰ)14、混凝土(配合比)检验批质量验收记录表(Ⅱ)15、混凝土(施工及养护)检验批质量验收记录表(Ⅲ)16、混凝土(结构外观和尺寸偏差)检验批质量验收记录表(Ⅳ)17、混凝土施工过程检查——质统-8修1(见“过渡段”中的“基坑回填”中此表)18、混凝土施工记录(见“过渡段”中的“基坑回填”中此表)19、混凝土拆模检查——质统-9修1(见“重力式挡墙基础”中此表)20、混凝土养护检查——质统-10修1(见“过渡段”中的“基坑回填”中此表)换填地基检验批质量验收记录表基坑检验批质量验收记录表工程检查证TA8 工程报验申请表工程项目名称:DK34+173 1-4m框架涵施工合同段:LSZQZH-Ⅰ标编号:注:本表一式3份,承包单位2份,监理单位1份。
模板及支架检验批质量验收记录表模板检查表编号:质统-7TA8 工程报验申请表注:本表一式3份,承包单位2份,监理单位1份。
钢筋(原材料及加工)检验批质量验收记录表(Ⅰ)钢筋(连接及安装)工程检验批质量验收记录表(Ⅱ)工程检查证编号:铁程检—14(修)TA8 工程报验申请表工程项目名称:DK34+173 1-4m 框架涵施工合同段:LSZQZH-Ⅰ标编号:注:本表一式3份,承包单位2份,监理单位1份。
十
涵洞施工用表
目录
(一)、明挖基础
(二)、粉喷桩
(三)、旋喷桩
(四)、就地制作涵洞洞身(五)、涵洞附属工程
(一)、明挖基础
附表:
1、TA7施工测量放样报验单(见“原地面处理”中此表)
2、施工测量高程放样表; 施工测量平面放样表(见“原地面处理”中此表)
3、TA8工程报验申请表(见“原地面处理”中此表)
4、基检验批质量验收记录表
5、基坑检查证——铁程检-09
6、TA8工程报验申请表(见“原地面处理”中此表)
7、模板及支架检验批质量验收记录表
8、模板检查证——质统-7(见“重力式挡墙基础”中此表)
9、TA8工程报验申请表(见“原地面处理”中此表)
10、钢筋(原材料及加工)检验批质量验收记录表(Ⅰ)
11、钢筋(连接及安装)检验批质量验收记录表(Ⅱ)
10、钢筋检查证——铁程检-14修(见“地表排水”中此表)
12、TA8工程报验申请表(见“原地面处理”中此表)
13、混凝土(原材料)检验批质量验收记录表(Ⅰ)
14、混凝土(配合比)检验批质量验收记录表(Ⅱ)
15、混凝土(施工及养护)检验批质量验收记录表(Ⅲ)
16、混凝土(结构外观和尺寸偏差)检验批质量验收记录表(Ⅳ)
17、混凝土施工过程检查——质统-8修1(见“过渡段”中的“基坑回填”中此表)
18、混凝土施工记录(见“过渡段”中的“基坑回填”中此表)
19、混凝土拆模检查——质统-9修1(见“重力式挡墙基础”中此表)
20、混凝土养护检查——质统-10修1(见“过渡段”中的“基坑回填”中此表)
换填地基检验批质量验收记录表
03020101□□□
基坑检验批质量验收记录表
03020109□□□
工程检查证
TA8 工程报验申请表
工程项目名称:DK34+173 1-4m框架涵施工合同段:LSZQZH-Ⅰ标编号:
模板及支架检验批质量验收记录表
03020110□□□
模板检查表
编号:质统-7
TA8 工程报验申请表
工程项目名称:DK34+173 1-4m 框架涵施工合同段:LSZQZH-Ⅰ标编号:
注:本表一式3份,承包单位2份,监理单位1份。
钢筋(原材料及加工)检验批质量验收记录表(Ⅰ)
钢筋(连接及安装)工程检验批质量验收记录表(Ⅱ)
工程检查证
TA8 工程报验申请表
工程项目名称:DK34+173 1-4m 框架涵施工合同段:LSZQZH-Ⅰ标编号:
注:本表一式3份,承包单位2份,监理单位1份。
[明挖基础]
混凝土(原材料)检验批质量验收记录表(Ⅰ)
[明挖基础]
混凝土(配合比)检验批质量验收记录表(Ⅱ)
[明挖基础]
混凝土(施工及养护)检验批质量验收记录表(Ⅲ)
[明挖基础]
混凝土(结构外观和尺寸偏差)检验批
03020112□□□
工程检查证
填表人:主管工程师:
混凝土施工记录
记录人:年月日施工负责人:年月日
工程检查证
填表人:主管工程师:
工程检查证
编号:质统-10修1
(四)、就地制作涵洞洞身
附表:
1、TA7施工测量放样报验单(见“原地面处理”中此表)
2、施工测量高程放样表; 施工测量平面放样表(见“原地面处理”中此表)
3、TA8工程报验申请表(见“原地面处理”中此表)
4、模板及支架检验批质量验收记录表
5、模板检查——质统-7(见“重力式挡墙基础”中此表)
6、TA8工程报验申请表(见“原地面处理”中此表)
7、钢筋(原材料及加工)检验批质量验收记录表(Ⅰ)
8、钢筋(连接及安装)检验批质量验收记录表(Ⅱ)
9、钢筋检查证——铁程检-14修(见“地表排水”中此表)
10、TA8工程报验申请表(见“原地面处理”中此表)
11、混凝土(原材料)检验批质量验收记录表(Ⅰ)
12、混凝土(配合比)检验批质量验收记录表(Ⅱ)
13、混凝土(施工及养护)检验批质量验收记录表(Ⅲ)
14、混凝土(结构外观和尺寸偏差)检验批质量验收记录表(Ⅳ)
15、混凝土施工过程检查——质统-8修1(见“过渡段”中的“基坑回填”中此表)
16、混凝土施工记录(见“过渡段”中的“基坑回填”中此表)
17、混凝土拆模检查——质统-9修1(见“重力式挡墙基础”中此表)
18、混凝土养护检查——质统-10修1(见“过渡段”中的“基坑回填”中此表)
19、防水层检验批质量验收记录表
20、检查防水层——铁程检-16
21、沉降缝检验批质量验收记录表
22、检查沉降缝——铁程检-50
TA8 工程报验申请表
注:本表一式3份,承包单位2份,监理单位1份。
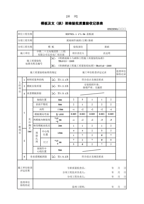
模板及支(拱)架工程检验批质量验收记录表
模板检查表
TA8 工程报验申请表
注:本表一式3份,承包单位2份,监理单位1份。
[就地制作涵洞涵身]
钢筋(原材料及加工)检验批质量验收记录表(Ⅰ)
[就地制作涵洞涵身]
钢筋(连接及安装)工程检验批质量验收记录表(Ⅱ)
工程检查证
- --
[就地制作涵洞洞身]
混凝土(原材料)检验批质量验收记录表(Ⅰ)
[就地制作涵洞洞身]
混凝土(配合比)检验批质量验收记录表(Ⅱ)
混凝土(施工及养护)检验批质量验收记录表(Ⅲ)
混凝土(结构外观和尺寸偏差)检验批质量验收记录表(Ⅳ)
[就地制作涵洞洞身]
防水层检验批质量验收记录表
工程检查证
编号:铁程检—16
[就地制作涵洞洞身]
沉降缝检验批质量验收记录
03020306口口口口
工程检查证
编号:铁程检—50
(五)、涵洞附属工程
附表:
(一)、模板及支加
(二)、钢筋工程
(三)、混凝土工程
(四)、砌体工程
(五)、栏杆
(一)、模板及支架
附表:
1、TA7施工测量放样报验单(见“原地面处理”中此表)
2、施工测量高程放样表; 施工测量平面放样表(见“原地面处理”中此表)
3、TA8工程报验申请表(见“原地面处理”中此表)
4、模板及支架检验批质量验收记录表
5、模板检查——质统-7(见“重力式挡墙基础”中此表)
[涵洞附属工程]
模板及支架检验批质量验收记录表
(二)、钢筋工程
附表:
1、TA8工程报验申请表(见“原地面处理”中此表)
2、钢筋(原材料及加工)检验批质量验收记录表(Ⅰ)
3、钢筋(连接及安装)检验批质量验收记录表(Ⅱ)
4、检查钢筋——铁程检-14修(见“路堤横向排水沟”中此表)
[涵洞附属工程]
钢筋(原材料及加工)检验批质量验收记录表(Ⅰ)
[涵洞附属工程]
钢筋(连接及安装)检验批质量验收记录表(Ⅱ)
(三)、混凝土工程附表:
1、TA8工程报验申请表(见“原地面处理”中此表)
2、混凝土(原材料)检验批质量验收记录表(Ⅰ)
3、混凝土(配合比)检验批质量验收记录表(Ⅱ)
4、混凝土(施工及养护)检验批质量验收记录表(Ⅲ)
5、混凝土(结构外观和尺寸偏差)检验批质量验收记录表(Ⅳ)
6、混凝土施工过程检查——质统-8修1(见“过渡段”中的“基坑回填”中此表)
7、混凝土施工记录(见“过渡段”中的“基坑回填”中此表)
8、混凝土拆模检查——质统-9修1(见“重力式挡墙基础”中此表)
9、混凝土养护检查——质统-10修1(见“过渡段”中的“基坑回填”中此表)
[涵洞附属工程]
混凝土(原材料)检验批质量验收记录表(Ⅰ)
[涵洞附属工程]
混凝土(配合比)检验批质量验收记录表(Ⅱ)
混凝土(施工及养护)检验批质量验收记录表(Ⅲ)
[端翼墙及附属工程]
混凝土(结构外观和尺寸偏差)检验批质量验收记录表(Ⅳ)
(四)、砌体工程
附表:
1、TA7施工测量放样报验单(见“原地面处理”中此表)
2、施工测量高程放样表; 施工测量平面放样表(见“原地面处理”中此表)
3、TA8工程报验申请表(见“原地面处理”中此表)
4、砌体工程检验批质量验收记录表
5、地基检查——铁程检-17
[涵洞附属工程]
砌体工程检验批质量验收记录表
03020604口口口。