涵洞检验批
- 格式:docx
- 大小:237.20 KB
- 文档页数:59
铁路顶进涵洞基坑检验批
铁路顶进涵洞基坑检验批是指在铁路顶进涵洞建设过程中进行的质量检验工作。
顶进涵洞是指通过掘进方法在地下修建的通道,用于铁路线路的穿越或与其他铁路线路连接。
基坑是指为顶进涵洞施工而开挖的洞口。
检验批包括以下内容:
1. 地基检验:对顶进涵洞基坑开挖前的地质情况进行调查和检测,包括土壤、岩石等地质参数的测定和分析,以评估基坑的稳定性和承载力。
2. 基坑开挖检验:对基坑开挖的位置、尺寸和形状进行测量和验收,确保符合设计要求。
包括基坑的净宽度、深度、坡度等方面的检验。
3. 地基处理检验:对基坑施工过程中采取的地基加固和土壤处理措施进行检验,确保土壤的稳定性和承载力满足要求。
4. 基坑支护检验:对基坑周围的支护结构进行检验,包括临时支撑、锚杆和喷锚等支护措施的质量和稳定性。
5. 施工质量检验:对顶进涵洞的施工质量进行检验,包括顶进掘进机的使用情况、顶进速度、施工进度等方面的检验和评估。
通过对这些工作的检验,可以确保顶进涵洞基坑的施工质量符合设计要求,保证铁路线路的安全和使用性能。
检验批质量验收记录单位工程名称东塘大道(元华路-北江滨路)道路工程验收批序号分项工程名称混凝土浇筑验收部位K0+097圆管涵右幅底板施工单位中国交通建设股份有限公司项目经理王涛分包单位/ 分包项目经理/ 专业工长杜建钢施工班组长任勇施工执行标准名称及编号公路工程质量检验评定标准(JTG F80/1-2004)施工质量验收规范的规定施工单位检查评定记录监理(建设) 单位验收记录主控项目1混凝土所用的水泥、砂、石、水、外掺剂及拌合料的质量和规格必须符合有关技术规范要求,按规定的配合比施工混凝土所用的原材料质量和规格符合有关技术规范要求,配合比符合设计要求,详见检测报告2地基承载力及基础埋置深度须满足设计要求地基承载力及基础埋置深度满足设计要求,详见检测报告:DT20141007-XC001一般项目1混凝土表面平整,棱线顺直,无严重啃边、掉角混凝土表面平整,棱线顺直,无严重啃边、掉角3 混凝土表面未出现受力裂缝混凝土表面未出现受力裂缝4 混凝土强度在合格标准内混凝土强度符合设计要求,详见检测报告DT20150129-QD0015 高度+5,-10 462 2 13 1 36 宽度±301510 -20215125157 顶板厚明涵+10,0 /暗涵不小于设计值/8 侧墙和底板厚不小于设计值/9 平整度 5 3 161 52 4 1施工单位检查评定结果专业工长(施工员) 施工班组长经查,主控项目符合设计及规范要求,一般项目检测24点,合格22点,合格率91.67%,质量评定为合格。
项目专业质量检查员:年月日。
十涵洞施工用表目录(一)、明挖基础(二)、粉喷桩(三)、旋喷桩(四)、就地制作涵洞洞身(五)、涵洞附属工程(一)、明挖基础附表:1、TA7施工测量放样报验单(见“原地面处理”中此表)2、施工测量高程放样表; 施工测量平面放样表(见“原地面处理”中此表)3、TA8工程报验申请表(见“原地面处理”中此表)4、基检验批质量验收记录表5、基坑检查证——铁程检-096、TA8工程报验申请表(见“原地面处理”中此表)7、模板及支架检验批质量验收记录表8、模板检查证——质统-7(见“重力式挡墙基础”中此表)9、TA8工程报验申请表(见“原地面处理”中此表)10、钢筋(原材料及加工)检验批质量验收记录表(Ⅰ)11、钢筋(连接及安装)检验批质量验收记录表(Ⅱ)10、钢筋检查证——铁程检-14修(见“地表排水”中此表)12、TA8工程报验申请表(见“原地面处理”中此表)13、混凝土(原材料)检验批质量验收记录表(Ⅰ)14、混凝土(配合比)检验批质量验收记录表(Ⅱ)15、混凝土(施工及养护)检验批质量验收记录表(Ⅲ)16、混凝土(结构外观和尺寸偏差)检验批质量验收记录表(Ⅳ)17、混凝土施工过程检查——质统-8修1(见“过渡段”中的“基坑回填”中此表)18、混凝土施工记录(见“过渡段”中的“基坑回填”中此表)19、混凝土拆模检查——质统-9修1(见“重力式挡墙基础”中此表)20、混凝土养护检查——质统-10修1(见“过渡段”中的“基坑回填”中此表)换填地基检验批质量验收记录表基坑检验批质量验收记录表 03020109□□□工程检查证编号:铁程检-09TA8 工程报验申请表工程项目名称:DK34+173 1-4m框架涵施工合同段:LSZQZH-Ⅰ标编号:注:本表一式3份,承包单位2份,监理单位1份。
模板及支架检验批质量验收记录表模板检查表TA8 工程报验申请表工程项目名称:DK34+173 1-4m 框架涵施工合同段:LSZQZH-Ⅰ标编号:注:本表一式3份,承包单位2份,监理单位1份。
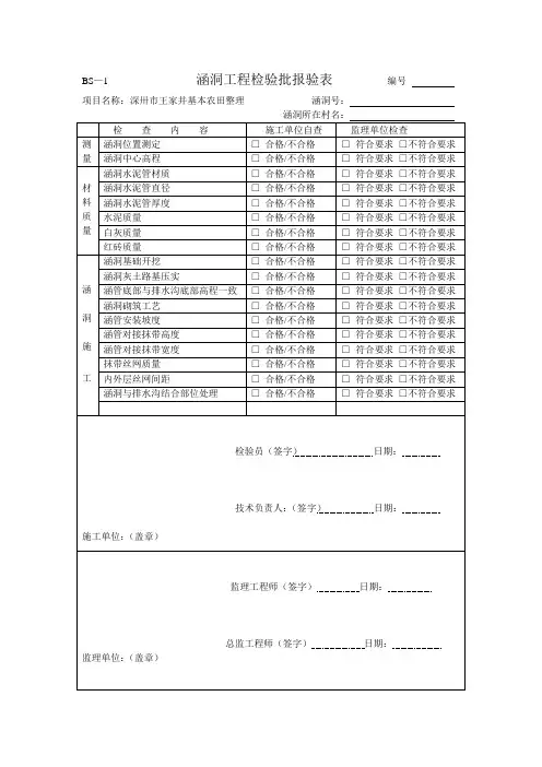
涵管工程检验批质量检验记录表
工程名称分项工程名称
施工单位验收部位
项目经理专业工长施工班组长
施工执行标准及编号《市政排水管渠工程质量检验评定标准》CJJ3-90
质量验收规范的规定施工单位检查评定记录监理(建设)单位验收记录
检查项目检验依据或实测值
主控项目1 地基承载力设计要求
2 防水层材料设计要求
3 防水层铺贴质量第14.5.1.3条
4
钢筋制作及安装
质量
设计要求
5 混凝土强度设计要求
检查项目
允许偏差或
允许值(mm)
检查结果/实测点偏差值或实测值
1 2 3 4 5 6 7 8 9
一般项目
1 底板顶高程±10
2 涵管净宽±20
3 中线偏位≤10
4 顶板挠度
≤L/1000
且<10mm
5
现浇顶板底面
平整度
≤5
6
7 混凝土表面质量第14.5.1.6条
共实测点,其中合格点、不合格点,合格率 %
施工单位检查
评定结果
项目专业质量检查员:项目专业质量(技术)负责人:年月日
监理(建设)
单位验收结论
监理工程师(建设单位项目技术负责人):年月日
注: 1、本表由施工项目专业质量检查员填写,监理工程师(建设单位项目技术负责人)组织专业质量(技术)负责人等进行验收。
四川省建设厅制。
涵洞检验批质量验收记录
一、项目概况
涵洞是道路交通建设中常见的重要构筑物之一,它承担着道路
排水和交通安全的重要功能。
为了确保涵洞的建设质量符合规范要求,进行质量验收就显得尤为重要。
本文档记录了涵洞检验批的质
量验收过程和结果,旨在记录施工质量,确保涵洞的安全和可靠性。
二、施工单位信息
施工单位名称:
施工单位负责人:
联系电话:
三、验收时间和地点
验收时间:
验收地点:
四、涵洞检验批信息
涵洞名称:
涵洞位置:
建设单位:
设计单位:
监理单位:
五、质量验收内容
1. 施工材料验收
a) 涵洞预制构件:
- 预制钢筋混凝土构件:检查构件的外观质量,包括表面平整度、裂缝和变形情况等。
- 预制钢构件:检验构件的表面质量、长度、直线度、弯曲等。
- 砼试块:取样检测砼强度、密度等指标。
b) 混凝土原材料:
- 水泥:检查水泥是否按照规定要求标示,颜色是否正常,是否有结块等。
十涵洞施工用表目录(一)、明挖基础(二)、粉喷桩(三)、旋喷桩(四)、就地制作涵洞洞身(五)、涵洞附属工程(一)、明挖基础附表:1、TA7施工测量放样报验单(见“原地面处理”中此表)2、施工测量高程放样表; 施工测量平面放样表(见“原地面处理”中此表)3、TA8工程报验申请表(见“原地面处理”中此表)4、基检验批质量验收记录表5、基坑检查证——铁程检-096、TA8工程报验申请表(见“原地面处理”中此表)7、模板及支架检验批质量验收记录表8、模板检查证——质统-7(见“重力式挡墙基础”中此表)9、TA8工程报验申请表(见“原地面处理”中此表)10、钢筋(原材料及加工)检验批质量验收记录表(Ⅰ)11、钢筋(连接及安装)检验批质量验收记录表(Ⅱ)10、钢筋检查证——铁程检-14修(见“地表排水”中此表)12、TA8工程报验申请表(见“原地面处理”中此表)13、混凝土(原材料)检验批质量验收记录表(Ⅰ)14、混凝土(配合比)检验批质量验收记录表(Ⅱ)15、混凝土(施工及养护)检验批质量验收记录表(Ⅲ)16、混凝土(结构外观和尺寸偏差)检验批质量验收记录表(Ⅳ)17、混凝土施工过程检查——质统-8修1(见“过渡段”中的“基坑回填”中此表)18、混凝土施工记录(见“过渡段”中的“基坑回填”中此表)19、混凝土拆模检查——质统-9修1(见“重力式挡墙基础”中此表)20、混凝土养护检查——质统-10修1(见“过渡段”中的“基坑回填”中此表)换填地基检验批质量验收记录表基坑检验批质量验收记录表工程检查证TA8 工程报验申请表工程项目名称:DK34+173 1-4m框架涵施工合同段:LSZQZH-Ⅰ标编号:注:本表一式3份,承包单位2份,监理单位1份。
模板及支架检验批质量验收记录表模板检查表编号:质统-7TA8 工程报验申请表注:本表一式3份,承包单位2份,监理单位1份。
钢筋(原材料及加工)检验批质量验收记录表(Ⅰ)钢筋(连接及安装)工程检验批质量验收记录表(Ⅱ)工程检查证编号:铁程检—14(修)TA8 工程报验申请表工程项目名称:DK34+173 1-4m 框架涵施工合同段:LSZQZH-Ⅰ标编号:注:本表一式3份,承包单位2份,监理单位1份。
涵洞检验批质量验收记录一、项目概述本文档为涵洞的质量验收记录,记录了涵洞工程的验收情况,以确保工程质量的合格性和安全性。
二、工程概况涵洞是一项重要的交通基础设施工程,用于解决道路交通中的水流问题。
它通常由混凝土或钢筋混凝土构成,能够稳定地通行车辆和行人。
涵洞的设计和施工需要遵循相关的标准和规范,以确保其质量和可靠性。
三、质量验收过程1. 材料验收:在涵洞施工过程中,首先对使用的材料进行验收。
材料包括混凝土、钢筋、沙石等。
验收人员根据相关标准对材料进行检查,确保其符合规定的技术要求。
2. 施工验收:涵洞施工过程中需要对施工工艺进行验收。
验收人员对施工过程进行监督,确保施工符合设计要求和技术规范,并进行相应的记录。
3. 结构验收:涵洞建成后需要进行结构验收。
验收人员对涵洞的结构进行检查,包括外观、尺寸、平整度、水平度等方面,并确保其符合设计和规范要求。
4. 防水验收:涵洞是处理水流问题的重要工程,防水性能是一个关键方面。
验收人员对涵洞的防水层进行检查,确保其质量达标,能够有效防止水流渗漏。
5. 环境验收:涵洞施工对周围环境有一定影响,因此在验收过程中需要对周围环境进行评估。
验收人员对施工现场进行检查,确保施工过程没有对环境造成严重破坏,并对必要的环境保护措施进行记录。
四、验收结果和处理措施根据以上的质量验收过程,我们得出了以下的验收结果:1. 材料验收:所有使用的材料均符合相关标准和规范。
2. 施工验收:施工过程中按照设计要求和技术规范进行,并无明显的质量问题。
3. 结构验收:涵洞结构外观平整,尺寸和水平度符合设计要求。
4. 防水验收:涵洞的防水层质量良好,能够有效阻止水流渗漏。
5. 环境验收:施工过程中采取了必要的环境保护措施,对周围环境干扰较小。
针对以上验收结果,我们对以下问题提出了处理措施:1. 材料问题:如果发现有问题的材料,应及时更换或修复。
2. 施工问题:对于施工过程中的质量问题,应及时整改和修复,并且对施工人员进行相应的培训和指导。
涵洞目录涵洞目录 (1)一、明挖基础 (2)换填地基检验批质量验收记录表 (2)挤密桩地基检验批质量验收记录表 (3)基坑检验批质量验收记录表[明挖基础] (4)模板及支架检验批质量验收记录表[明挖基础] (5)钢筋(原材料及加工)检验批质量验收记录表(Ⅰ)[明挖基础] (6)钢筋(连接及安装)工程检验批质量验收记录表(Ⅱ)[明挖基础] (7)混凝土(原材料及配合比)检验批质量验收记录表(Ⅰ)[明挖基础] (8)混凝土(施工)检验批质量验收记录表(Ⅱ)[明挖基础] (9)混凝土(养护)检验批质量验收记录表(Ⅲ)[明挖基础] (10)混凝土(结构外观和尺寸偏差)检验批质量验收记录表(Ⅳ)[明挖基础] (11)二、就地制作涵洞涵身 (12)模板及支架检验批质量验收记录表[就地制作涵洞涵身] (12)钢筋(原材料及加工)检验批质量验收记录表(Ⅰ)[就地制作涵洞涵身] (13)钢筋(连接及安装)工程检验批质量验收记录表(Ⅱ)[就地制作涵洞涵身] (14)混凝土(原材料及配合比)检验批质量验收记录表(Ⅰ)[就地制作涵洞涵身] (15)混凝土(施工)检验批质量验收记录表(Ⅱ)[就地制作涵洞涵身] (16)混凝土(养护)检验批质量验收记录表(Ⅲ)[就地制作涵洞涵身] (17)混凝土(结构外观和尺寸偏差)检验批质量验收记录表(Ⅳ)[就地制作涵洞涵身] (18)防水层检验批质量验收记录表[就地制作涵洞涵身] (19)沉降缝检验批质量验收记录表[就地制作涵洞涵身] (20)三、装配式涵洞涵节 (21)模板及支架检验批质量验收记录表[装配式涵洞涵节] (21)钢筋(原材料及加工)检验批质量验收记录表(Ⅰ)[装配式涵洞涵节] (22)钢筋(连接及安装)工程检验批质量验收记录表(Ⅱ)[装配式涵洞涵节] (23)混凝土(原材料及配合比)检验批质量验收记录表(Ⅰ)[装配式涵洞涵节] (24)混凝土(施工)检验批质量验收记录表(Ⅱ)[装配式涵洞涵节] (25)混凝土(养护)检验批质量验收记录表(Ⅲ)[装配式涵洞涵节] (26)混凝土(结构外观和尺寸偏差)检验批质量验收记录表(Ⅳ)[装配式涵洞涵节] (27)四、涵洞附属工程 (28)模板及支架检验批质量验收记录表[涵洞附属工程] (28)钢筋(原材料及加工)检验批质量验收记录表(Ⅰ)[涵洞附属工程] (29)钢筋(连接及安装)检验批质量验收记录表(Ⅱ)[涵洞附属工程] (30)混凝土(原材料)检验批质量验收记录表(Ⅰ)[涵洞附属工程] (31)混凝土(施工)检验批质量验收记录表(Ⅱ)[涵洞附属工程] (32)混凝土(养护)检验批质量验收记录表(Ⅲ)[涵洞附属工程] (33)混凝土(结构外观和尺寸偏差)检验批质量验收记录表(Ⅳ)[涵洞附属工程] (34)砌体工程检验批质量验收记录表[涵洞附属工程] (35)栏杆检验批质量验收记录表[涵洞附属工程] (36)一、明挖基础换填地基检验批质量验收记录表挤密桩地基检验批质量验收记录表基坑检验批质量验收记录表[明挖基础]模板及支架检验批质量验收记录表[明挖基础]钢筋(原材料及加工)检验批质量验收记录表(Ⅰ)[明挖基础]钢筋(连接及安装)工程检验批质量验收记录表(Ⅱ)[明挖基础]混凝土(原材料及配合比)检验批质量验收记录表(Ⅰ)[明挖基础]混凝土(结构外观和尺寸偏差)检验批质量验收记录表(Ⅳ)[明挖基础]二、就地制作涵洞涵身模板及支架检验批质量验收记录表[就地制作涵洞涵身]钢筋(原材料及加工)检验批质量验收记录表(Ⅰ)[就地制作涵洞涵身]钢筋(连接及安装)工程检验批质量验收记录表(Ⅱ)[就地制作涵洞涵身]混凝土(原材料及配合比)检验批质量验收记录表(Ⅰ)[就地制作涵洞涵身]混凝土(施工)检验批质量验收记录表(Ⅱ)[就地制作涵洞涵身]混凝土(养护)检验批质量验收记录表(Ⅲ)[就地制作涵洞涵身]混凝土(结构外观和尺寸偏差)检验批质量验收记录表(Ⅳ)[就地制作涵洞涵身]防水层检验批质量验收记录表[就地制作涵洞涵身]沉降缝检验批质量验收记录表[就地制作涵洞涵身]03020306□□□□三、装配式涵洞涵节模板及支架检验批质量验收记录表[装配式涵洞涵节]钢筋(原材料及加工)检验批质量验收记录表(Ⅰ)[装配式涵洞涵节]钢筋(连接及安装)工程检验批质量验收记录表(Ⅱ)[装配式涵洞涵节]混凝土(原材料及配合比)检验批质量验收记录表(Ⅰ)[装配式涵洞涵节]混凝土(施工)检验批质量验收记录表(Ⅱ)[装配式涵洞涵节]混凝土(养护)检验批质量验收记录表(Ⅲ)[装配式涵洞涵节]混凝土(结构外观和尺寸偏差)检验批质量验收记录表(Ⅳ)[装配式涵洞涵节]四、涵洞附属工程模板及支架检验批质量验收记录表[涵洞附属工程]钢筋(原材料及加工)检验批质量验收记录表(Ⅰ)[涵洞附属工程]钢筋(连接及安装)检验批质量验收记录表(Ⅱ)[涵洞附属工程]混凝土(原材料)检验批质量验收记录表(Ⅰ)[涵洞附属工程]混凝土(施工)检验批质量验收记录表(Ⅱ)[涵洞附属工程]混凝土(养护)检验批质量验收记录表(Ⅲ)[涵洞附属工程]混凝土(结构外观和尺寸偏差)检验批质量验收记录表(Ⅳ)[涵洞附属工程]砌体工程检验批质量验收记录表[涵洞附属工程]栏杆检验批质量验收记录表[涵洞附属工程]。
涵洞工程9。
1 一般规定9.1.1 每道涵洞为一个分部工程,包含洞身各部分构件和洞口、填土等分项工程。
9。
1.2 跨径或全长符合涵洞标准的通道,按本章的规定进行评定.9.1。
3 带有急流槽的涵洞,急流槽作为涵洞的一个分项工程,按本标准第6.10节评定。
9。
1。
4 钢筋混凝土涵洞除按本章规定评定外,还应包括钢筋加工及安装分项工程。
9.1。
5 明涵的铺装可按本标准第8.12节的有关规定评定.9.1。
6 涵台若设桩基础,按本标准第8.5。
2或8.5。
3条评定。
9。
2 涵洞总体9.2。
1 基本要求1) 涵洞施工应严格按照设计图纸、施工规范和有关技术操作规程要求进行。
2)各接缝、沉降缝位置正确,填缝无空鼓,裂缝、漏水现象:若有预制构件其接缝须与沉降缝吻合。
3)涵洞内不得遗留建筑垃圾等杂物。
9。
2.2 实测项目见表9.2。
2。
表9。
2.2 涵洞总体实测项目项次检查项目规定值或允许偏差检查方法和频率权值1 轴线偏位(mm) 明涵20,暗涵50 经纬仪:检查2处 22△流水面高程(mm) ±20 水准仪、尺量:检查洞口2处,拉线检查中间1~2处 33 涵底铺砌厚度(mm) +40,—10 尺量:检查3~5处 14 长度(mm) +100,-50 尺量:检查中心线 15△孔径(mm)±20 尺量:检查3~5处 36 净高(mm)明涵土20,暗涵±50 尺量:检查3~5处 1注:实际工程无项次3时,该项不参与评定。
9。
2。
3 外观鉴定1)洞身顺直,进出口、洞身、沟槽等衔接平顺,无阻水现象。
不符合要求时减1~3分。
2)帽石、一字墙或八字墙等应平直,与路线边坡、线形匹配,棱角分明.不符合要求时减1~3分。
3) 涵洞处路面平顺,无跳车现象。
不符合要求时减2~4分。
4)外露混凝土表面平整,色泽一致。
不符合要求时减1~3分。
9.3 涵台9.3。
1 基本要求1)所用的水泥、砂、石、水、外掺剂、混合材料及石料的强度、质量和规格必须符合有关技术规范的要求,按规定的配合比施工.2)地基承载力及基础埋置深度须满足设计要求。
涵洞检验批
文稿归稿存档编号:[KKUY-KKIO69-OTM243-OLUI129-G00I-FDQS58-
十
涵洞
施工用表
目录
(一)、明挖基础
(二)、粉喷桩
(三)、旋喷桩
(四)、就地制作涵洞洞身
(五)、涵洞附属工程
(一)、明挖基础
附表:
1、TA7施工测量放样报验单(见“原地面处理”中此表)
2、施工测量高程放样表; 施工测量平面放样表(见“原地面处理”中此表)
3、TA8工程报验申请表(见“原地面处理”中此表)
4、基检验批质量验收记录表
5、基坑检查证——铁程检-09
6、TA8工程报验申请表(见“原地面处理”中此表)
7、模板及支架检验批质量验收记录表
8、模板检查证——质统-7(见“重力式挡墙基础”中此表)
9、TA8工程报验申请表(见“原地面处理”中此表)
10、钢筋(原材料及加工)检验批质量验收记录表(Ⅰ)
11、钢筋(连接及安装)检验批质量验收记录表(Ⅱ)
10、钢筋检查证——铁程检-14修(见“地表排水”中此表)
12、TA8工程报验申请表(见“原地面处理”中此表)
13、混凝土(原材料)检验批质量验收记录表(Ⅰ)
14、混凝土(配合比)检验批质量验收记录表(Ⅱ)
15、混凝土(施工及养护)检验批质量验收记录表(Ⅲ)
16、混凝土(结构外观和尺寸偏差)检验批质量验收记录表(Ⅳ)
17、混凝土施工过程检查——质统-8修1(见“过渡段”中的“基坑回填”中此表)
18、混凝土施工记录(见“过渡段”中的“基坑回填”中此表)
19、混凝土拆模检查——质统-9修1(见“重力式挡墙基础”中此表)
20、混凝土养护检查——质统-10修1(见“过渡段”中的“基坑回填”中此表)
换填地基检验批质量验收记录表
03020101□□
□
03020109□
工程检查证
编号:铁程检-09
TA8 工程报验申请表
工程项目名称:DK34+173 1-4m框架涵施工合同段:LSZQZH-Ⅰ标编号:
注:本表一式3份,承包单位2份,监理单位1份。
模板及支架检验批质量验收记录表
模板检查表
编号:质统-7
TA8 工程报验申请表
工程项目名称:DK34+173 1-4m 框架涵施工合同段:LSZQZH-Ⅰ标编号:
注:本表一式3份,承包单位2份,监理单位1份。
钢筋(原材料及加工)检验批质量验收记录表(Ⅰ)
工程检查证
编号:铁程检—14(修)
TA8 工程报验申请表
工程项目名称:DK34+173 1-4m 框架涵施工合同段:LSZQZH-Ⅰ标编号:
注:本表一式3份,承包单位2份,监理单位1份。
[明挖基础]
混凝土(原材料)检验批质量验收记录表(Ⅰ)
03020112□
□□
[明挖基础]
混凝土(配合比)检验批质量验收记录表(Ⅱ)
03020112□□□
[明挖基础]
混凝土(施工及养护)检验批质量验收记录表(Ⅲ)
03020112□□□
[明挖基础]
混凝土(结构外观和尺寸偏差)检验批
工程检查证
编号:质统-8修1
填表人:主管工程师:
混凝土施工记录
记录人:年月日施工负责人:年月日
工程检查证
编号:质统-9修1
填表人:主管工程师:
工程检查证
编号:质统-10修1
填表人:主管工程师:
(四)、就地制作涵洞洞身
附表:
1、TA7施工测量放样报验单(见“原地面处理”中此表)
2、施工测量高程放样表; 施工测量平面放样表(见“原地面处理”中此表)
3、TA8工程报验申请表(见“原地面处理”中此表)
4、模板及支架检验批质量验收记录表
5、模板检查——质统-7(见“重力式挡墙基础”中此表)
6、TA8工程报验申请表(见“原地面处理”中此表)
7、钢筋(原材料及加工)检验批质量验收记录表(Ⅰ)
8、钢筋(连接及安装)检验批质量验收记录表(Ⅱ)
9、钢筋检查证——铁程检-14修(见“地表排水”中此表)
10、TA8工程报验申请表(见“原地面处理”中此表)
11、混凝土(原材料)检验批质量验收记录表(Ⅰ)
12、混凝土(配合比)检验批质量验收记录表(Ⅱ)
13、混凝土(施工及养护)检验批质量验收记录表(Ⅲ)
14、混凝土(结构外观和尺寸偏差)检验批质量验收记录表(Ⅳ)
15、混凝土施工过程检查——质统-8修1(见“过渡段”中的“基坑回填”中此表)
16、混凝土施工记录(见“过渡段”中的“基坑回填”中此表)
17、混凝土拆模检查——质统-9修1(见“重力式挡墙基础”中此表)
18、混凝土养护检查——质统-10修1(见“过渡段”中的“基坑回填”中此表)
19、防水层检验批质量验收记录表
20、检查防水层——铁程检-16
21、沉降缝检验批质量验收记录表
22、检查沉降缝——铁程检-50
TA8 工程报验申请表
工程项目名称:DK34+173 1-4m 框架涵施工合同段:LSZQZH-Ⅰ标
编号:
注:本表一式3份,承包单位2份,监理单位1份。
模板及支(拱)架工程检验批质量验收记录表
模板检查表
TA8 工程报验申请表
工程项目名称:DK34+173 1-4m 框架涵施工合同段:LSZQZH-Ⅰ标编号:
注:本表一式3份,承包单位2份,监理单位1份。
[就地制作涵洞涵身]
钢筋(原材料及加工)检验批质量验收记录表(Ⅰ)
钢筋(连接及安装)工程检验批质量验收记录表(Ⅱ)
工程检查证
编号:铁
程检—14(修)
[就地制作涵洞洞身]
混凝土(原材料)检验批质量验收记录表(Ⅰ)
[就地制作涵洞洞身]
混凝土(配合比)检验批质量验收记录表(Ⅱ)
[就地制作涵洞洞身]
混凝土(施工及养护)检验批质量验收记录表(Ⅲ)
[就地制作涵洞洞身]
混凝土(结构外观和尺寸偏差)检验批质量验收记录表(Ⅳ)
[就地制作涵洞洞身]
防水层检验批质量验收记录表
工程检查证
编号:铁程检—16
[就地制作涵洞洞身]
沉降缝检验批质量验收记录03020306口口口口
工程检查证
编号:铁程检—50
(五)、涵洞附属工程附表:
(一)、模板及支加
(二)、钢筋工程
(三)、混凝土工程
(四)、砌体工程
(五)、栏杆
(一)、模板及支架
附表:
1、TA7施工测量放样报验单(见“原地面处理”中此表)
2、施工测量高程放样表; 施工测量平面放样表(见“原地面处理”中此表)
3、TA8工程报验申请表(见“原地面处理”中此表)
4、模板及支架检验批质量验收记录表
5、模板检查——质统-7(见“重力式挡墙基础”中此表)
[涵洞附属工程]
模板及支架检验批质量验收记录表
(二)、钢筋工程
附表:
1、TA8工程报验申请表(见“原地面处理”中此表)
2、钢筋(原材料及加工)检验批质量验收记录表(Ⅰ)
3、钢筋(连接及安装)检验批质量验收记录表(Ⅱ)
4、检查钢筋——铁程检-14修(见“路堤横向排水沟”中此表)
[涵洞附属工程]
钢筋(原材料及加工)检验批质量验收记录表(Ⅰ)
钢筋(连接及安装)检验批质量验收记录表(Ⅱ)。