路基清表报验全套范例
- 格式:docx
- 大小:59.75 KB
- 文档页数:11
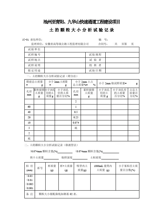
土的颗粒大小分析试验记录试-01 承包单位:编号:监理单位:安徽省高等级公路工程监理有限公司合同号:共页第页一、土的颗粒大小分析试验记录(筛分法)二、土的颗粒大小分析试验记录(移液管法)>0.074mm颗粒含量(%) <0.074mm颗粒含量(%)烘干土质量取样深度土粒密度粗粒土和巨粒土最大干密度试验记录试-02 承包单位:编号:监理单位:安徽省高等级公路工程监理有限公司合同号:共页第页路基、构造物压实度检测表(环刀法)试-03 承包单位:编号:监理单位:安徽省高等级公路工程监理有限公司合同号:共页第页路基、路面压实度检测表(核子仪法)试-04 承包单位:编号:监理单位:安徽省高等级公路工程监理有限公司合同号:共页第页注:如系监理工程师抽检则承包人自检意见栏不填写。
易溶盐总量及钙镁离子测定试验记录表试-05 承包单位:编号:监理单位:安徽省高等级公路工程监理有限公司合同号:共页第页池州至青阳、九华山快速通道工程建设项目石灰化学成分(CaO、MgO)含量试验记录表试-06 承包单位:合同号:监理单位:安徽省高等级公路工程监理有限公司编号:共页第页池州至青阳、九华山快速通道工程建设项目路基、构造物、路面击实试验记录试-07 承包单位:编号:池州至青阳、九华山快速通道工程建设项目现场CBR值测定记录表试-08 承包单位:编号:池州至青阳、九华山快速通道工程建设项目室内CBR值测定记录表(一)试-09 承包单位:编号:池州至青阳、九华山快速通道工程建设项目室内CBR值测定记录表(二)试-10 承包单位:编号:池州至青阳、九华山快速通道工程建设项目路基、路面液限、塑限联合试验记录试-11 承包单位:编号:池州至青阳、九华山快速通道工程建设项目路基、路面标准密度试验结果汇总报表试-12 承包单位:编号:监理单位:安徽省高等级公路工程监理有限公司合同号:共页第页路基、路面量砂密度检验报告试-13 承包单位:编号:路基、构造物、路面压实度检测表(灌砂法)试-14 承包单位:编号:路基、构造物、路面含水量检测记录试-15 承包单位:编号:结构物基坑承载力试验报告试-16 承包单位:编号:灰土中石灰剂量测定试验报表试-17 承包单位:编号:石灰(水泥)剂量标准曲线图试-18 承包单位:编号:池州至青阳、九华山快速通道工程建设项目混凝土抗折强度试验记录表试-19 承包单位:编号:池州至青阳、九华山快速通道工程建设项目钢筋焊接试验报告试-20 承包单位:编号:钢筋拉力及弯曲试验报告试-21 承包单位:编号:现场植筋抗拉试验报告试-22 承包单位:编号:构造物、路面用水泥物理力学性能试验报告试-23 承包单位:编号:路基、路面水泥物理力学性能试验记录试-24 承包单位:编号:无侧限抗压强度试验记录表试-25 承包单位:编号:水泥混凝土细集料技术性能试验记录(一) 试-26 承包单位:编号:水泥混凝土细集料技术性能试验记录(二) 试-27 承包单位:编号:水泥混凝土细集料技术性能试验报告试-28 承包单位:编号:监理单位:安徽省高等级公路工程监理有限公司合同号:共页第页水泥混凝土粗集料技术性能试验记录(一) 试-29 承包单位:编号:水泥混凝土粗集料技术性能试验记录(二) 试-30 承包单位:编号:水泥混凝土粗集料技术性能试验记录(三) 试-31 承包单位:编号:水泥混凝土粗集料技术性能试验报告试-32 承包单位:编号:混凝土用水、水质鉴定报告试-33 承包单位:编号:监理单位:安徽省高等级公路工程监理有限公司合同号:共页第页水泥混凝土配合比设计表(一)试-34 承包单位:编号:水泥混凝土配合比设计表(二)试-35 承包单位:编号:监理单位:安徽省高等级公路工程监理有限公司合同号:共页第页水泥混凝土(砂浆)配合比报告试-36 承包单位:编号:集(石)料的毛体积相对密度试验记录试-37 承包单位:编号:池州至青阳、九华山快速通道工程建设项目石料抗压强度试验记录试-38 承包单位:编号:监理单位:安徽省高等级公路工程监理有限公司合同号:共页第页石料试验报告试-39 承包单位:编号:集料筛分检测表试-40 承包单位:编号:池州至青阳、九华山快速通道工程建设项目集料含泥量检测表试-41 承包单位:编号:监理单位:安徽省高等级公路工程监理有限公司合同号:共页第页池州至青阳、九华山快速通道工程建设项目构造物、路面粗集料针片状颗粒含量检测表(游标卡尺法)试-42 承包单位:编号:监理单位:安徽省高等级公路工程监理有限公司合同号:共页第页池州至青阳、九华山快速通道工程建设项目构造物、路面集料压碎值检测表试-43 承包单位:编号:监理单位:安徽省高等级公路工程监理有限公司合同号:共页第页注:如系监理工程师抽检则承包人自检意见栏不填写。
沅幸路KO+550~KO+650报验申请表工程名称:茶盘洲镇保障性安居工程配套基础设施项目编号:
土方路基检验批质量检验记录
市政质检·1·1
第页,共页
沅幸路KO+550~KO+650报验申请表工程名称:茶盘洲镇保障性安居工程配套基础设施项目编号:
路肩检验批质量检验记录
市政质检·1·4
沅幸路KO+550~KO+650报验申请表工程名称:茶盘洲镇保障性安居工程配套基础设施项目编号:
砂垫层软土路基检验批质量检验记录
市政质检·1·5
第页,共页
级配砂砾(级配砂石)基层及底基层检验批质量检验记录
市政质检·1·16
第页,共页
沅幸路KO+550~KO+650报验申请表工程名称:茶盘洲镇保障性安居工程配套基础设施项目编号:
水泥稳定土类基层及底基层检验批质量检验记录
市政质检·1·15
第页,共页。
监表5 检验申请批复表承包单位: xx路桥建设有限责任公司合同号: XX 监理单位: xx工程建设监理有限公司编号:检验表1 土方路基现场质量检验报告单承包单位: xx路桥建设有限责任公司合同号:XX监理单位: xx工程建设监理有限公司编号:日期:年月日压实度试验记录(环刀法)xx 合同段第1页,共2页路04表合同段:xx合同段承包单位:xx路桥建设有限责任公司分部工程名称:路基原地面监理单位:xx工程建设监理有限公司检测人:记录:年月日合同段:xx合同段承包单位:xx路桥建设有限责任公司分部工程名称:路基原地面监理单位:xx工程建设监理有限公司检测人:记录:年月日合同段:xx合同段承包单位:xx路桥建设有限责任公司分部工程名称:路基原地面监理单位:xx工程建设监理有限公司检测人:记录:年月日承包单位:xx路桥建设有限责任公司合同号: XX监理单位:xx工程建设监理有限公司编号:质量负责人:检测人:年月日承包单位:xx路桥建设有限责任公司合同号: XX监理单位:xx工程建设监理有限公司编号:质量负责人:检测人:年月日承包单位:xx路桥建设有限责任公司合同号: XX监理单位:xx工程建设监理有限公司编号:质量负责人:检测人:年月日承包单位:xx路桥建设有限责任公司合同号: XX监理单位:xx工程建设监理有限公司编号:质量负责人:检测人:年月日承包单位:xx路桥建设有限责任公司合同号: XX监理单位:xx工程建设监理有限公司编号:质量负责人:检测人:年月日承包单位:xx路桥建设有限责任公司合同号: XX监理单位:xx工程建设监理有限公司编号:质量负责人:检测人:年月日承包单位:xx路桥建设有限责任公司合同号: XX监理单位:xx工程建设监理有限公司编号:质量负责人:检测人:年月日承包单位:xx路桥建设有限责任公司合同号: XX监理单位:xx工程建设监理有限公司编号:质量负责人:检测人:年月日承包单位:xx路桥建设有限责任公司合同号: XX监理单位:xx工程建设监理有限公司编号:质量负责人:检测人:年月日承包单位:xx路桥建设有限责任公司合同号: XX监理单位:xx工程建设监理有限公司编号:质量负责人:检测人:年月日承包单位:xx路桥建设有限责任公司合同号:XX监理单位:xx工程建设监理有限公司编号:质量负责人:检测人:年月日承包单位:xx路桥建设有限责任公司合同号:XX监理单位:xx工程建设监理有限公司编号:质量负责人:检测人:年月日承包单位:xx路桥建设有限责任公司合同号:XX监理单位:xx工程建设监理有限公司编号:质量负责人:检测人:年月日承包单位:xx路桥建设有限责任公司合同号:XX监理单位:xx工程建设监理有限公司编号:质量负责人:检测人:年月日路基平整度度检验表承包单位:xx路桥建设有限责任公司合同号:XX监理单位:xx工程建设监理有限公司编号:质量负责人:检测人:年月日横坡度检验表承包单位:xx路桥建设有限责任公司合同号:XX监理单位:xx工程建设监理有限公司编号:检测人:监理:年月日。
路基清表
测量放样→清除植被及表层土→施作截水沟及临时排水设施→挖土石方→选择符合要求的填筑材料→装载机或挖掘机装料→运至填方路段→推土机推平→测量路基标高→人工整修→检查反挖换填层摊铺厚度并调整→振动压路机碾压→修整边坡→防护工程施工→侧沟施作→检查路基标高→基面修整。
(1)基底原地面清除
施工前将路基范围内原地面的垃圾、有机杂质、淤泥、草丛、树木、池塘、河沟及各种人工构造物等进行清除,并运至指定地点以备复耕,将清理留下的坑、洞、陷穴用原土或砂性土回填压实,并按规定对基底整平压实。
(2)基底压实度
路堤基底为耕地或土质松散时,应在填筑前进行压实,采用重型压路机,其压实度不低于85%,若路基经过水稻田、湖塘等地段,一般按照特殊路基进行处理(压实度低于85%),应会同监理工程师和业主现场确认排水、清淤、换填的方案和数量。
路基清表技术交底
为方便路基边坡弃土和填土的机械施工需要,在原老路基与征地界之间修筑宽约5m的施工便道。
机械人员准备:挖机一台,装载机一台,压路机一台,平地机一台,工人5人。
现场技术员1人,安全员一人,调度一人。
测量放样:放出设计路面的坡脚线,施工中,严格按控制坡脚线施工。
待清表完成后,测量原地面数据进行收方。
现场施工:
扩建段为了防止边坡滑塌,采用由下而上随路基填筑需要,逐级清表的方式。
施工中先清表,开挖至设计标高(需换填的软土地基换填,按要求设置CFG桩,不需换填的路基压实)进行原路基坡脚逐级开挖,开挖一层,填筑一层,再对上层原路基边坡清表。
1.清理深度要求:便道清土不小于30cm,老路基边坡清破宽度不小于50cm(当边坡表层
土体压实度小于85%,需加大清坡厚度)。
具体施工依据现场情况而定,直至路基用地范围内的垃圾、有机物残留及地面以下至少100~300mm内的草皮、农作物的根系和表土予以清除(在机械施工无法清理干净时应配合人工进行清理,直至符合要求)。
场地清理完成后,应全面进行填前碾压,压实度需达到规定要求且不小于91%。
2.对原有的边沟、电缆、光缆、渗井、广告牌基座、构筑物的翼墙或护墙进行拆除。
由于
原路基边坡内存在电缆和光缆,在挖机对边坡进行清表和开挖时必须有现场技术员和安全员现场指导施工。
对于因拆除施工照成的坑穴,在杂物清除干净后,用合格填料分层回填分层压实,压实度需达到规定要求且不小于91%。
排水:结合通道位置,在扩建路段双侧设置的临时排水沟,临时排水沟位置约在坡脚线外侧5m处。
在原地面压实过程中宜施工成原地面坡脚到排水沟2%横坡,便于排水。
土方路基(路床)检验批质量验收记录单位工程名称分部工程名称分项工程名称验收部位填写具体桩号范围(路基6%灰土第一层)工程数量项目经理技术负责人序号主控项目检验依据实测值1 2 3 4 5 6 7 8 9应测点数合格点数合格率(%)1 压实度(%)应符合CJJ1-2008表6.3.12-2规定2 弯沉值不大于设计规定原则上每填筑一层应报验一次,路基顶部填写弯沉值,其它层次不填弯沉值;序号一般项目允许偏差(mm)偏差值1 2 3 4 5 6 7 8 9应测点数合格点数合格率(%)1 路床应平整、坚实,无显著轮迹、翻浆、波浪、起皮等现象,路堤边坡应密实、稳定、平顺等2 纵断高程-20,+103 中线偏位≤304 平整度≤155 宽度不小于设计规定6 横坡±0.3%且不反坡7 边坡不陡于设计规定施工单位检查评定结果质量检查员:年月日监理单位验收结论专业监理工程师:年月日粉喷桩处理软土地基检验批质量验收记录单位工程名称分部工程名称分项工程名称验收部位工程数量项目经理技术负责人序号主控项目检验依据实测值1 2 3 4 5 6 7 8 9应测点数合格点数合格率(%)1 水泥的品种、级别及石灰、粉煤灰的性能指标应符合设计要求2 桩长不小于设计规定3 复合地基承载、单桩承载力不应小于设计规定值填写要求:“见承载力检测报告,复合地基、单桩承载力结果符合设计要求”序号一般项目允许偏差(mm)偏差值1 2 3 4 5 6 7 8 9应测点数合格点数合格率(%)1 强度不小于设计值2 桩距±1503 桩径不小于设计值4 竖直度≤1.5%H施工单位检查评定结果质量检查员:年月日监理单位验收结论专业监理工程师:年月日石灰稳定土基层或底基层检验批质量验收记录对应灰土底基层,填本表;单位工程名称分部工程名称分项工程名称验收部位工程数量项目经理技术负责人序号主控项目检验依据实测值1 2 3 4 5 6 7 8 9应测点数合格点数合格率(%)1 原材料质量检验应符合规范要求2 基层、底基层7d无侧限抗压强度应符合设计要求按2000m2一组进行委托。
A4道路清表土报验申请表赫章县西城区路网及配套设施建设D1-2项目二期十一号路道路工程工程预检记录赫章县西城区路网及配套设施建设D1-1项目二期十一号路道路工程隐蔽工程检查验收记录G2—1—1 赫章县西城区路网及配套设施建设项目二期十一号路道路工程路基清表土检验批质量验收记录表赫章县西城区路网及配套设施建设C-02项目二期十一号路道路工程水准测量记录表承包单位:六盘水市市政工程公司合同号:单位工程名称赫章县西城区路网及配套设施建设项目二期工程日期年月日桩号及部位十二号道路K0+000~K0+180段路基清表土天气检测点位后视仪器高前视实测高程设计高程高程偏差(m) (m) (m) (m) (m) (mm)BM1 0.123 1531.578 1531.455ZD1 0.145 1528.569 3.154 1528.424K0+000 4.117 1524.452 1524.450K0+020 3.421 1525.148 1525.147K0+040 4.401 1524.168 1524.170K0+060 3.900 1524.669 1524.667K0+080 1.519 1527.050 1527.044ZD2 4.954 1533.44 0.082 1528.487K0+094.191 3.676 1529.765 1529.769K0+096.894 4.104 1529.337 1529.338K0+100 3.702 1529.739 1529.737K0+120 3.505 1529.936 1529.940K0+124.1910.054 1533.387 1533.388测量示意图:计算:1、实测闭合差f测=∑后视-∑前视=8.267-8.270=-3mm2、允许闭合差f允=±12√3=±12*1.732=±20.784mm水准点闭合差公式:f=±12=±12*0.18=±2.16mmL—相邻控制点间距,单位:kmC-02赫章县西城区路网及配套设施建设项目二期十一号路道路工程水准测量记录表承包单位:六盘水市市政工程公司合同号:监理单位:贵州中建建筑科研设计院有限公司编号:测量人:记录人:校核人:项目技术负责人:监理:赫章县西城区路网及配套设施建设C0-2-1项目二期十二号路道路工程原地面高程测量记录表承包单位:六盘水市市政工程公司合同号:编号:监理单位:贵州中建建筑科研设计院有限公司测量范围或桩号:十二号道路K0+000~K0+180段路基清表前高程测量赫章县西城区路网及配套设施建设C0-2-1项目二期十二号路道路工程原地面高程测量记录表承包单位:六盘水市市政工程公司合同号:编号:监理单位:贵州中建建筑科研设计院有限公司测量范围或桩号:十二号道路K0+000~K0+180段路基清表前高程测量赫章县西城区路网及配套设施建设C0-2-1项目二期十二号路道路工程路基清表辗压后断面高程测量记录表承包单位:六盘水市市政工程公司合同号:编号:监理单位:贵州中建建筑科研设计院有限公司测量范围或桩号:十二号道路K0+000~K0+180段路基清表后高程测量测量人:记录人:校核人:监理:日期:年月日赫章县西城区路网及配套设施建设C0-2-1项目二期十二号路道路工程路基清表辗压后断面高程测量记录表承包单位:六盘水市市政工程公司合同号:编号:监理单位:贵州中建建筑科研设计院有限公司测量范围或桩号:十二号道路K0+000~K0+180段路基清表后高程测量。
路基清表合同范本甲方(发包方):姓名/公司名称:______________________地址:______________________联系电话:______________________法定代表人(如有):______________________乙方(承包方):姓名/公司名称:______________________地址:______________________联系电话:______________________法定代表人(如有):______________________一、工程概况1. 工程名称:[路基清表工程具体名称]2. 工程地点:[工程具体地点]3. 工程内容:对指定路段的路基进行清表作业,包括但不限于清除杂草、树木、垃圾、障碍物等,以及对地表进行平整处理。
二、工程期限1. 开工日期:[预计开工日期]2. 竣工日期:[预计竣工日期]3. 总工期:[工期天数]天三、工程价款及支付方式1. 工程总价为:人民币[大写金额]元(小写:¥[具体金额]元)。
此价格为固定总价,包含乙方完成本工程所需的一切费用,包括但不限于人工、材料、设备、运输、管理费、利润、税金等。
2. 支付方式:合同签订后[X]个工作日内,甲方向乙方支付工程总价的[百分比]作为预付款;工程进度达到[具体节点]时,甲方向乙方支付工程总价的[百分比];工程竣工验收合格后[X]个工作日内,甲方向乙方支付工程总价的[百分比];剩余工程总价的[百分比]作为质量保证金,在质保期届满后无质量问题的情况下,甲方一次性无息支付给乙方。
四、工程质量及验收1. 乙方应严格按照国家及地方相关标准和规范进行施工,确保工程质量符合要求。
2. 工程竣工后,乙方应通知甲方进行验收。
甲方应在接到通知后的[X]个工作日内组织验收,如逾期未组织验收,则视为工程验收合格。
3. 验收合格后,双方应签署工程验收单。
如工程质量不符合要求,乙方应在规定的时间内进行整改,直至达到验收标准,整改费用由乙方承担。
A 4
道路清表土报验申请表
赫章县西城区路网及配套设施建设D1-2 项目二期十一号路道路工程
工程预检记录
赫章县西城区路网及配套设施建设
D1-1
项目二期十一号路道路工程
隐蔽工程检查验收记录
G2—1—1 赫章县西城区路网及配套设施建设项目二期十一号路道路工程
路基清表土检验批质量验收记录表
赫章县西城区路网及配套设施建设C-02
项目二期十一号路道路工程
水准测量记录表
承包单位:六盘水市市政工程公司合同号:
单位工程名称赫章县西城区路网及配套设施建设项目
二期工程
日期年月日
桩号及部位十二号道路K0+000~K0+180段路基清表土天气
检测点位后视仪器高前视实测高程设计高程高程偏差(m) (m) (m) (m) (m) (mm)
BM1
ZD1
K0+000
K0+020
K0+040
K0+060
K0+080
ZD2
K0+
K0+
K0+100
K0+120
K0+
测量示意图:计算:
1、实测闭合差f测=∑后视-∑前视=
2、允许闭合差f允=±12√3= ±12*=±
水准点闭合差公式:f=±12 =±12*=±
L—相邻控制点间距,单位:km
C-02
赫章县西城区路网及配套设施建设
项目二期十一号路道路工程
水准测量记录表
承包单位:六盘水市市政工程公司合同号:
监理单位:贵州中建建筑科研设计院有限公司编号:
测量人:记录人:校核人:项目技术负责人:监理:
赫章县西城区路网及配套设施建设 C0-2-1
项目二期十二号路道路工程
原地面高程测量记录表
承包单位:六盘水市市政工程公司合同号:编号:监理单位:贵州中建建筑科研设计院有限公司测量范围或桩号:十二号道路K0+000~K0+180段路基清表前高程测量
赫章县西城区路网及配套设施建设 C0-2-1
项目二期十二号路道路工程
原地面高程测量记录表
承包单位:六盘水市市政工程公司合同号:编号:监理单位:贵州中建建筑科研设计院有限公司测量范围或桩号:十二号道路K0+000~K0+180段路基清表前高程测量
赫章县西城区路网及配套设施建设 C0-2-1
项目二期十二号路道路工程
路基清表辗压后断面高程测量记录表
承包单位:六盘水市市政工程公司合同号:编号:监理单位:贵州中建建筑科研设计院有限公司测量范围或桩号:十二号道路K0+000~K0+180段路基清表后高程测量
测量人:记录人:校核人:监理:日期:年月日
赫章县西城区路网及配套设施建设 C0-2-1
项目二期十二号路道路工程
路基清表辗压后断面高程测量记录表
承包单位:六盘水市市政工程公司合同号:编号:监理单位:贵州中建建筑科研设计院有限公司测量范围或桩号:十二号道路K0+000~K0+180段路基清表后高程测量。