路基清表检验批
- 格式:docx
- 大小:88.82 KB
- 文档页数:2
砂垫层软土路基检验批质量检验记录
市政质检·1·5
第页,共页
反压护道路基检验批质量检验记录
市政质检·1·6
土工材料处理软土路基检验批质量检验记录
市政质检·1·7
袋装砂井检验批质量检验记录
市政质检·1·8
塑料排水板检验批质量检验记录
市政质检·1·9
第页,共页
砂桩处理软土路基检验批质量检验记录
市政质检·1·10
碎石桩处理软土路基检验批质量检验记录
市政质检·1·11
粉喷桩处理软土路基检验批质量检验记录
市政质检·1·12
湿陷性黄土强夯路基检验批质量检验记录
市政质检·1·13。
A4道路清表土报验申请表赫章县西城区路网及配套设施建设D1-2 项目二期十一号路道路工程工程预检记录赫章县西城区路网及配套设施建设D1-1项目二期十一号路道路工程G2—1—1 赫章县西城区路网及配套设施建设项目二期十一号路道路工程路基清表土检验批质量验收记录表赫章县西城区路网及配套设施建设C-02项目二期十一号路道路工程水准测量记录表承包单位:六盘水市市政工程公司合同号:测量人:记录人:校核人:C-02赫章县西城区路网及配套设施建设项目二期十一号路道路工程水准测量记录表承包单位:六盘水市市政工程公司合同号:监理单位:贵州中建建筑科研设计院有限公司编号:测量人:记录人:校核人:项目技术负责人:监理:赫章县西城区路网及配套设施建设 C0-2-1项目二期十二号路道路工程原地面高程测量记录表承包单位:六盘水市市政工程公司合同号:编号:监理单位:贵州中建建筑科研设计院有限公司测量范围或桩号:十二号道路K0+000~K0+180段路基清表前高程测量8 / 12赫章县西城区路网及配套设施建设 C0-2-1项目二期十二号路道路工程原地面高程测量记录表承包单位:六盘水市市政工程公司合同号:编号:监理单位:贵州中建建筑科研设计院有限公司测量范围或桩号:十二号道路K0+000~K0+180段路基清表前高程测量9 / 12赫章县西城区路网及配套设施建设 C0-2-1项目二期十二号路道路工程路基清表辗压后断面高程测量记录表承包单位:六盘水市市政工程公司合同号:编号:监理单位:贵州中建建筑科研设计院有限公司测量范围或桩号:十二号道路K0+000~K0+180段路基清表后高程测量10 / 12测量人:记录人:校核人:监理:日期:年月日赫章县西城区路网及配套设施建设 C0-2-1项目二期十二号路道路工程路基清表辗压后断面高程测量记录表承包单位:六盘水市市政工程公司合同号:编号:监理单位:贵州中建建筑科研设计院有限公司测量范围或桩号:十二号道路K0+000~K0+180段路基清表后高程测量11 / 1212 / 12。
路基全套检验批范本模板一、前言路基是公路工程建设的重要组成部分,为了确保路基质量符合要求,需要进行全套检验批工作。
本文将提供一份路基全套检验批范本模板,可供相关人员参考使用。
二、检验批基本信息1. 工程名称:2. 施工单位:3. 检验批编号:4. 检验日期:5. 监理单位:三、检验批内容1. 施工现场环境1.1 清理道路1.2 施工平整度1.3 排水沟设计1.4 垃圾堆放处理2. 基床层施工2.2 基床夯实情况2.3 基床平整度2.4 基床材料使用情况3. 路基填料3.1 填料种类与规格 3.2 填料夯实密度3.3 填料平整度3.4 填料厚度4. 路基边坡4.1 边坡坡度4.2 边坡土质4.3 边坡保护措施4.4 边坡排水情况5. 路基排水5.1 排水沟设计5.2 排水沟施工质量5.4 排水系统验收四、检验结果记录1. 检验批判定:- 合格- 不合格2. 不合格项记录: - 不合格项1: - 不合格原因: - 处理措施:- 复检结果:- 不合格项2: - 不合格原因: - 处理措施:- 复检结果:3. 复检批准:- 复检批准人:- 复检批准日期:五、检验批总结在本次路基全套检验批中,经检查,施工单位在施工过程中符合了相关规范和要求,路基质量得到有效控制和保证。
希望施工单位能够继续保持工程质量,确保路基的持久稳定性和使用寿命。
六、附件1. 检验批照片:- 照片1:- 照片2:- 照片3:2. 相关资料:- 路基设计图纸- 质量检测报告以上为路基全套检验批范本模板。
根据实际情况,可对各个环节进行必要的调整和补充,以确保检验批工作的准确性和全面性。
在使用模板时,请注意填写清晰、准确的信息,并妥善保存相关附件和记录,以备后续查阅和验收需要。
同时,建议在检验批结果的基础上进行持续改进,提高施工质量和工程效益。
道路清表检验批质量验收记录摘要:一、道路清表检验批质量验收的重要性二、道路清表检验批质量验收的流程三、道路清表检验批质量验收的注意事项正文:道路清表检验批质量验收是道路工程中至关重要的一环,它关乎着道路的使用寿命和行车的安全性。
本文将详细介绍道路清表检验批质量验收的重要性、流程及注意事项,以期为广大从业者提供可读性和实用性强的参考。
一、道路清表检验批质量验收的重要性道路清表是指在道路工程施工过程中,对原有路面进行清除,为后续施工创造条件的作业过程。
清表质量的优劣直接影响到道路的使用寿命和行车的安全性。
因此,对清表后的路面进行检查和验收,确保其质量达标,是道路工程中不可或缺的一环。
二、道路清表检验批质量验收的流程1.验收前的准备:验收前,应收集并整理相关的设计文件、施工方案、施工记录等资料,以确保验收的顺利进行。
2.现场验收:验收小组应严格按照设计要求和施工规范,对清表后的路面进行检查。
主要检查内容包括:路面平整度、排水系统、路基密实度等。
3.验收结果记录:验收过程中,验收人员应如实记录验收结果,包括验收部位、验收标准、存在的问题等。
4.验收结论:验收结束后,验收小组应出具验收结论,对验收结果进行总结,并提出整改要求。
三、道路清表检验批质量验收的注意事项1.严格遵循验收标准:验收过程中,应严格按照国家和行业的验收标准进行,确保验收的公正性和公平性。
2.突出验收重点:对于关键部位和易出现问题的地方,应重点检查,确保质量。
3.及时整改:对于验收中发现的问题,应要求施工方及时整改,并复查整改结果。
4.验收记录的保存:验收记录应妥善保存,以便日后查阅和追溯。
总之,道路清表检验批质量验收是保证道路工程质量的关键环节。
word 专业资料附录B (规范性附录)检验批质量验收记录表B.1 土方路基工程检验批质量验收记录表表B.4软土地基处治一一袋装砂井、塑料排水板工程检验批质量验收记录表表B.6软土地基处治一一粉喷桩工程检验批质量验收记录表表B.7 土工合成材料处治层工程检验批质量验收记录表word 专业资料表B.8盲沟工程检验批质量验收记录表表B.9护坡工程检验批质量验收记录表表B.11悬臂式和扶臂式挡土墙工程检验批质量验收记录表表B.14 土沟(排水沟)工程检验批质量验收记录表表B.15浆(干)砌边沟(排水沟)工程检验批质量验收记录表表B.16管道基础及钢筋混凝土管节安装工程检验批质量验收记录表表B. 17聚乙烯缠绕结构壁管节安装工程检验批质量验收记录表表B.18检查井(雨水口)砌筑工程检验批质量验收记录表表B. 19 开挖沟槽工程检验批质量验收记录表表B. 20 沟槽回填工程检验批质量验收记录表表B.23 沥青混凝土面层和沥青碎(砾)石面层工程检验批质量验收记录表表B.24 沥青贯入式面层工程检验枇质量验收记录表表B.25表B.26 泥(灰)结碎(砾)石面层、基层工程检验批质量验收记录表表B.27 水泥稳定土基层和底基层工程检验批质量验收记录表表B.28 水泥稳定粒料(碎石、砂砾与矿渣)基层和底基层工程检验批质量验收记录表表B.29 石灰稳定土基层、底基层工程检验批质量验收记录表表B.30 石灰稳定粒料(碎石、砂砾、矿渣)基层和底基层工程检验批质量验收记录表表B.29 石灰稳定土基层、底基层工程检验批质量验收记录表表B. 31 水泥粉煤灰土基层和底基层工程检验枇质量验收记录表表B.32 水泥粉煤灰稳定粒料(碎石、砂砾)基层和底基层工程检验批质量验收记录表表B.33石灰粉煤灰土基层和底基层工程检验批质量验收记录表表B.34 石灰粉煤灰稳定粒料(碎石、砂砾)基层和底基层工程检验批质量验收记录表表B.33石灰粉煤灰土基层和底基层工程检验批质量验收记录表表B.35级配碎(砾)石基层和底基层工程检验批质量验收记录表表B.36 填隙碎石(矿渣)基层和底基层工程检验批质量验收记录表word 专业资料表B.47 防眩设施工程检验批质量验收记录表。
道路清表检验批质量验收记录摘要:一、引言二、道路清表检验批质量验收记录的定义和作用三、道路清表检验批质量验收记录的内容四、道路清表检验批质量验收记录的填写要求和注意事项五、总结正文:一、引言道路清表检验批质量验收记录是道路施工过程中的一项重要文件,用于记录施工过程中各个检验批的质量验收情况,为道路工程的质量管理提供依据。
本文将对道路清表检验批质量验收记录进行详细介绍。
二、道路清表检验批质量验收记录的定义和作用道路清表检验批质量验收记录,简称验收记录,是在道路工程施工过程中,对已完成的道路清表检验批进行质量验收的记录。
它详细记录了检验批的质量验收结果,包括检验批的工程量、验收标准、验收方法、验收结果等,是施工质量管理的依据,也是工程竣工验收、质量保证的重要资料。
三、道路清表检验批质量验收记录的内容验收记录主要包括以下内容:1.工程名称、工程地点、工程部位、施工单位、监理单位等基本信息。
2.检验批的工程量,包括清表面积、厚度等。
3.验收标准,包括国家相关标准、设计要求、施工方案等。
4.验收方法,包括抽样检验、全数检验等。
5.验收结果,包括合格、不合格的项目及数量,检验批的质量等级等。
四、道路清表检验批质量验收记录的填写要求和注意事项1.验收记录应由施工单位和监理单位共同填写,双方签字盖章。
2.验收记录应真实、完整、准确,不得涂改、伪造。
3.验收记录应随工程进度及时填写,不得滞后。
4.验收记录应与工程实际相符,如发现不符,应及时纠正。
五、总结道路清表检验批质量验收记录是道路工程施工质量的重要管理手段,对保证工程质量具有重要意义。
土方路基检验批质量检验记录市政质检·1·1第页,共页第页,共页第页,共页路肩检验批质量检验记录市政质检·1·4第页,共页砂垫层软土路基检验批质量检验记录市政质检·1·5第页,共页反压护道路基检验批质量检验记录市政质检·1·6第页,共页土工材料处理软土路基检验批质量检验记录市政质检·1·7第页,共页袋装砂井检验批质量检验记录市政质检·1·8第页,共页塑料排水板检验批质量检验记录市政质检·1·9第页,共页砂桩处理软土路基检验批质量检验记录市政质检·1·10第页,共页碎石桩处理软土路基检验批质量检验记录市政质检·1·11第页,共页粉喷桩处理软土路基检验批质量检验记录市政质检·1·12第页,共页湿陷性黄土强夯路基检验批质量检验记录市政质检·1·13第页,共页石灰稳定土,石灰、粉煤灰稳定砂砾(碎石),粉煤灰稳定钢渣基层及底基层检验批质量检验记录市政质检·1·14第页,共页水泥稳定土类基层及底基层检验批质量检验记录市政质检·1·15第页,共页级配砂砾(级配砂石)基层及底基层检验批质量检验记录市政质检·1·16第页,共页级配碎石及级配碎砾石基层和底基层检验批质量检验记录市政质检·1·17第页,共页沥青混合料(沥青碎石)基层检验批质量检验记录市政质检·1·18第页,共页沥青贯入式基层检验批质量检验记录市政质检·1·19第页,共页热拌沥青混合料检验批质量检验记录市政质检·1·20第页,共页第页,共页第页,共页第页,共页第页,共页第页,共页沥青贯入式面层检验批质量检验记录市政质检·1·26第页,共页沥青表面处治施工检验批质量检验记录市政质检·1·27第页,共页水泥混凝土面层原材料检验批质量检验记录市政质检·1·28页,共页混凝土面层检验批质量检验记录市政质检·1·29第页,共页铺砌式料石面层检验批质量检验记录市政质检·1·30第页,共页铺砌式预制混凝土砌块面层检验批质量检验记录市政质检·1·31第页,共页广场与停车场料石面层检验批质量检验记录市政质检·1·32第页,共页广场与停车场预制混凝土砌块面层检验批质量检验记录市政质检·1·33第页,共页第页,共页第页,共页料石铺砌人行道面层检验批质量检验记录市政质检·1·36第页,共页混凝土预制铺砌人行道(含盲道)面层检验批质量检验记录市政质检·1·37第页,共页沥青混凝土铺筑人行道面层检验批质量检验记录市政质检·1·38第页,共页人行地道结构地基检验批质量检验记录市政质检·1·39第页,共页人行地道结构防水层检验批质量检验记录市政质检·1·40第页,共页人行地道结构基础模板安装检验批质量检验记录市政质检·1·41第页,共页人行地道结构钢筋加工、成型与安装检验批质量检验记录市政质检·1·42第页,共页人行地道结构基础混凝土检验批质量检验记录市政质检·1·43第页,共页墙与顶板模板安装检验批质量检验记录市政质检·1·44第页,共页墙与顶板混凝土检验批质量检验记录市政质检·1·45第页,共页市政质检·1·46 第页,共页市政质检·1·47 第页,共页墙板、顶板安装检验批质量检验记录市政质检·1·48第页,共页砌筑墙体、钢筋混凝土顶板人行地道结构墙体砌筑检验批质量检验记录市政质检·1·49第页,共页挡土墙地基检验批质量检验记录市政质检·1·50第页,共页。
土方路基检验批质量检验记录市政质检·1·1第页,共页第页,共页第页,共页路肩检验批质量检验记录市政质检·1·4第页,共页砂垫层软土路基检验批质量检验记录市政质检·1·5第页,共页反压护道路基检验批质量检验记录市政质检·1·6第页,共页土工材料处理软土路基检验批质量检验记录市政质检·1·7第页,共页袋装砂井检验批质量检验记录市政质检·1·8第页,共页塑料排水板检验批质量检验记录市政质检·1·9第页,共页砂桩处理软土路基检验批质量检验记录市政质检·1·10第页,共页碎石桩处理软土路基检验批质量检验记录市政质检·1·11第页,共页粉喷桩处理软土路基检验批质量检验记录市政质检·1·12第页,共页湿陷性黄土强夯路基检验批质量检验记录市政质检·1·13第页,共页石灰稳定土,石灰、粉煤灰稳定砂砾(碎石),粉煤灰稳定钢渣基层及底基层检验批质量检验记录市政质检·1·14第页,共页水泥稳定土类基层及底基层检验批质量检验记录市政质检·1·15第页,共页级配砂砾(级配砂石)基层及底基层检验批质量检验记录市政质检·1·16第页,共页级配碎石及级配碎砾石基层和底基层检验批质量检验记录市政质检·1·17第页,共页沥青混合料(沥青碎石)基层检验批质量检验记录市政质检·1·18第页,共页沥青贯入式基层检验批质量检验记录市政质检·1·19第页,共页热拌沥青混合料检验批质量检验记录市政质检·1·20第页,共页第页,共页第页,共页第页,共页第页,共页第页,共页沥青贯入式面层检验批质量检验记录市政质检·1·26第页,共页沥青表面处治施工检验批质量检验记录市政质检·1·27第页,共页水泥混凝土面层原材料检验批质量检验记录市政质检·1·28页,共页混凝土面层检验批质量检验记录市政质检·1·29第页,共页铺砌式料石面层检验批质量检验记录市政质检·1·30第页,共页铺砌式预制混凝土砌块面层检验批质量检验记录市政质检·1·31第页,共页广场与停车场料石面层检验批质量检验记录市政质检·1·32第页,共页广场与停车场预制混凝土砌块面层检验批质量检验记录市政质检·1·33第页,共页第页,共页第页,共页料石铺砌人行道面层检验批质量检验记录市政质检·1·36第页,共页混凝土预制铺砌人行道(含盲道)面层检验批质量检验记录市政质检·1·37第页,共页沥青混凝土铺筑人行道面层检验批质量检验记录市政质检·1·38第页,共页人行地道结构地基检验批质量检验记录市政质检·1·39第页,共页人行地道结构防水层检验批质量检验记录市政质检·1·40第页,共页人行地道结构基础模板安装检验批质量检验记录市政质检·1·41第页,共页人行地道结构钢筋加工、成型与安装检验批质量检验记录市政质检·1·42第页,共页人行地道结构基础混凝土检验批质量检验记录市政质检·1·43第页,共页墙与顶板模板安装检验批质量检验记录市政质检·1·44第页,共页墙与顶板混凝土检验批质量检验记录市政质检·1·45第页,共页市政质检·1·46 第页,共页市政质检·1·47 第页,共页墙板、顶板安装检验批质量检验记录市政质检·1·48第页,共页砌筑墙体、钢筋混凝土顶板人行地道结构墙体砌筑检验批质量检验记录市政质检·1·49第页,共页挡土墙地基检验批质量检验记录市政质检·1·50第页,共页。
道路工程检验批表格范本市政质检·1·1第页,共页第页,共页第页,共页路肩检验批质量检验记录市政质检·1·4第页,共页砂垫层软土路基检验批质量检验记录市政质检·1·5第页,共页反压护道路基检验批质量检验记录市政质检·1·6第页,共页土工材料处理软土路基检验批质量检验记录市政质检·1·7第页,共页袋装砂井检验批质量检验记录市政质检·1·8第页,共页塑料排水板检验批质量检验记录市政质检·1·9第页,共页砂桩处理软土路基检验批质量检验记录市政质检·1·10第页,共页碎石桩处理软土路基检验批质量检验记录市政质检·1·11第页,共页粉喷桩处理软土路基检验批质量检验记录市政质检·1·12第页,共页湿陷性黄土强夯路基检验批质量检验记录市政质检·1·13第页,共页石灰稳固土,石灰、粉煤灰稳固砂砾(碎石),粉煤灰稳固钢渣基层及底基层检验批质量检验记录市政质检·1·14第页,共页水泥稳固土类基层及底基层检验批质量检验记录市政质检·1·15第页,共页级配砂砾(级配砂石)基层及底基层检验批质量检验记录市政质检·1·16第页,共页级配碎石及级配碎砾石基层与底基层检验批质量检验记录市政质检·1·17第页,共页沥青混合料(沥青碎石)基层检验批质量检验记录市政质检·1·18第页,共页沥青贯入式基层检验批质量检验记录市政质检·1·19第页,共页热拌沥青混合料检验批质量检验记录市政质检·1·20第页,共页热拌沥青混合料面层检验批质量检验记录市政质检·1·21第页,共页冷拌沥青混合料面层检验批质量检验记录市政质检·1·22第页,共页沥青混合料面层透层检验批质量检验记录市政质检·1·23沥青混合料面层粘层检验批质量检验记录市政质检·1·24第页,共页沥青混合料面层封层检验批质量检验记录市政质检·1·25第页,共页沥青贯入式面层检验批质量检验记录市政质检·1·26第页,共页沥青表面处治施工检验批质量检验记录市政质检·1·27水泥混凝土面层原材料检验批质量检验记录市政质检·1·28页,共页混凝土面层检验批质量检验记录市政质检·1·29第页,共页铺砌式料石面层检验批质量检验记录市政质检·1·30第页,共页铺砌式预制混凝土砌块面层检验批质量检验记录市政质检·1·31广场与停车场料石面层检验批质量检验记录市政质检·1·32广场与停车场预制混凝土砌块面层检验批质量检验记录市政质检·1·33第页,共页广场与停车场沥青混合料面层检验批质量检验记录市政质检·1·34广场与停车场水泥混凝土面层检验批质量检验记录市政质检·1·35料石铺砌人行道面层检验批质量检验记录市政质检·1·36混凝土预制铺砌人行道(含盲道)面层检验批质量检验记录市政质检·1·37沥青混凝土铺筑人行道面层检验批质量检验记录市政质检·1·38人行地道结构地基检验批质量检验记录市政质检·1·39人行地道结构防水层检验批质量检验记录市政质检·1·40第页,共页人行地道结构基础模板安装检验批质量检验记录市政质检·1·41第页,共页人行地道结构钢筋加工、成型与安装检验批质量检验记录市政质检·1·42人行地道结构基础混凝土检验批质量检验记录市政质检·1·43现浇钢筋混凝土人行地道结构墙与顶板模板安装检验批质量检验记录市政质检·1·44第页,共页现浇钢筋混凝土人行地道结构墙与顶板混凝土检验批质量检验记录市政质检·1·45预制钢筋混凝土人行地道结构墙板检验批质量检验记录市政质检·1·46预制钢筋混凝土人行地道结构顶板检验批质量检验记录市政质检·1·47预制钢筋混凝土人行地道结构墙板、顶板安装检验批质量检验记录市政质检·1·48砌筑墙体、钢筋混凝土顶板人行地道结构墙体砌筑检验批质量检验记录市政质检·1·49挡土墙地基检验批质量检验记录市政质检·1·50。
道路清表检验批质量验收记录摘要:1.道路清表检验批质量验收记录的概述2.道路清表检验批质量验收记录的内容3.道路清表检验批质量验收记录的重要性4.如何编制道路清表检验批质量验收记录5.结论正文:1.道路清表检验批质量验收记录的概述道路清表检验批质量验收记录,是指在道路工程施工过程中,对清表检验批的质量进行验收的记录。
清表检验批是道路工程中的一个重要环节,主要是对路基表面进行清理,为后续施工打下坚实的基础。
道路清表检验批质量验收记录对于确保工程质量、督促施工单位按标准施工具有重要意义。
2.道路清表检验批质量验收记录的内容道路清表检验批质量验收记录主要包括以下内容:(1)工程概况:包括工程名称、工程地点、建设单位、设计单位、施工单位、监理单位等基本信息。
(2)验收依据:主要包括国家和地方的相关法律法规、标准、规范等。
(3)验收范围:指本次验收所涉及的道路清表检验批的具体范围。
(4)验收标准:根据国家和地方的相关标准、规范,对清表检验批的质量进行评价。
(5)验收方法:采用现场观察、实测数据、资料审查等方法,对清表检验批的质量进行验收。
(6)验收结果:根据验收标准和方法,对清表检验批的质量进行评价,得出合格或不合格的结论。
(7)验收结论:对本次验收进行总结,提出改进意见和建议。
3.道路清表检验批质量验收记录的重要性道路清表检验批质量验收记录对于确保工程质量、督促施工单位按标准施工具有重要意义。
首先,它可以确保道路工程的质量,提高道路使用寿命;其次,它可以督促施工单位按照国家和地方的相关标准、规范进行施工,减少质量问题的发生;最后,它还可以为后续工程施工提供参考,为工程的顺利进行打下基础。
4.如何编制道路清表检验批质量验收记录编制道路清表检验批质量验收记录应按照以下步骤进行:(1)收集资料:收集与道路清表检验批相关的设计文件、施工记录、检验报告等资料。
(2)现场检查:对清表检验批进行现场检查,核实资料的真实性、准确性。
路基检验批划分
路基工程施工质量验收划分为单位工程、分部工程、分项工程和检验批。
单位工程应按一个完整工程或一个相当规模的施工范围划分,并按下列原则确定:
1、长度小于10km的一段区间路基或一个车站的正线路基为一个单位工程。
2、一个施工单位担负的路基施工长度为一个单位工程。
3、特别大型的支挡结构可作为一个单位工程。
分部工程应按一个完整部位或主要结构及施工阶段划分。
分项工程应按工种、工序、材料、施工工艺等划分。
检验批可根据施工及质量控制和验收需要按施工段或部位等划分。
路基工程的分部工程、分项工程和检验批的划分及编号应符合下列各表的规定:
路基分部工程、分项工程和检验批的划分及编号
(路基单位工程编号0201)。
路基清表--实用检验批.docx
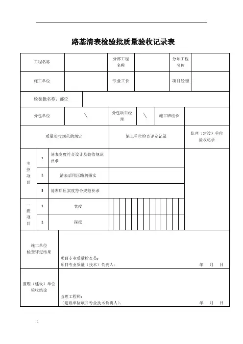
路基清表检验批质量验收记录表
分部工程分项工程工程名称
名称名称施工单位专业工长项目经理检验批名称、部位
\分包项目经
分包单位\施工班组长
理
监理(建设)单位质量验收规范的规定施工单位检查评定记录验收记录
主
1清表宽度符合设计及验收规范要求
控
项
2清表后用压路机碾实
目3清表后压实度符合规范要求
一
1宽度
般
项
2深度
目
施工单位
检查评定结果
项目专业质量检查员:
项目专业质量(技术)负责人:年月日
监理(建设)单位
验收结论
监理工程师:
(建设单位项目专业技术负责人):年月日
(此文档部分内容来源于网络,如有侵权请告知删除,文档可自行编辑修改内容,供参考,感
谢您的配合和支持)。
市政工程路基检验批完整资料第五章路基工程路基工程施工质量验收划分为单位工程、分部工程、分项工程和检验批。
单位工程应按一个完整工程或一个相当规模的施工范围划分,并按下列原则确定:(1)一个区间或一个车站的正线路基为一个单位工程。
(2)一个施工单位担负的路基施工长度为一个单位工程。
(3)特别大型的支挡结构可作为一个单位工程。
分部工程应按一个完整部位或主要结构及施工阶段划分。
分项工程应按工种、工序、材料、施工工艺等划分。
检验批可根据施工及质量控制和验收需要按施工段或部位等划分。
路基工程的分部工程、分项工程和检验批的划分及编号应符合下列各表的规定:路基分部工程、分项工程和检验批的划分及编号(路基单位工程编号0201)原地面平整、碾压检验批质量验收记录表说明主控项目1.设计不作特别处理的地基,经平整、夯压后,其表面应无杂草、树根、腐殖土。
地下水出露处的处理应满足设计要求。
检验数量:施工单位、监理单位全部检查。
检验方法: 观察、核对。
2.当路堤高度小于2.5 m时,其地基压实质量(除块石类混合料外)应采用双指标控制,压实质量标准应符合下表的规定;不同种类地基土的控制指标应符合下列规定:(1)细粒土和黏砂土,应采用压实系数和地基系数;(2)砂类土(黏砂土除外)应采用相对密度和地基系数;(3)砾石类土和碎石类土,应采用孔隙率和地基系数;(4)块石类混合料,应采用地基系数。
路基基床的压实标准注:①K h为重型击实试验的压实系数。
②K30为30 cm直径荷载板试验得出的地基系数,一般取下沉量为0.125 cm时的荷载强度。
检验数量:施工单位每100 m等间距检验4个点。
监理单位每200 m见证检验2个点。
检验方法:根据地基土的种类,按下表规定的方法检验。
压实质量的检测方法一般项目1.地面横坡陡于1∶5时,应按设计在原地面开挖台阶,台阶宽度不小于1 m。
检验数量:施工单位检验9个点。
检验方法:尺量,水准测量。
换填地基检验批质量验收记录表说明主控项目1.换填所用的填料种类、质量、使用范围应符合设计要求。