三角带带轮、轮槽尺寸最新版本
- 格式:doc
- 大小:470.50 KB
- 文档页数:9
三角带轮槽尺寸规格参数资料一、三角带轮槽的概念和应用三角带轮槽是一种常用的传动零部件,用于传递动力和扭矩。
它主要用于带动旋转设备,例如电动机、泵、风机等。
三角带轮槽通常由金属材料制成,具有特殊的槽形,可以与三角带配合使用。
三角带轮槽传动具有结构简单、传动效率高、寿命长等优点。
二、三角带轮槽的尺寸规格1.带轮外径(D):带轮外径是指三角带轮槽的最大直径。
根据不同的应用需求,带轮外径的尺寸可以有所变化。
一般来说,带轮外径的大小范围在100毫米到1000毫米之间。
2.带轮宽度(B):带轮宽度是指三角带轮槽的宽度。
带轮宽度的大小决定了带轮槽的传动能力和传动稳定性。
常见的带轮宽度尺寸包括16毫米、20毫米、25毫米等。
3.槽深(h):槽深是指三角带轮槽的深度。
槽深的大小与带的截面尺寸直接相关。
常见的槽深尺寸包括10毫米、12.5毫米、16毫米等。
4.槽宽(b):槽宽是指三角带轮槽的宽度。
槽宽的大小与带的截面尺寸直接相关。
常见的槽宽尺寸包括4毫米、5毫米、6毫米等。
以上是三角带轮槽的常见尺寸规格参数,根据不同的使用要求和带的规格,这些参数的具体数值可能会有所不同。
三、选择三角带轮槽尺寸的注意事项在选择三角带轮槽尺寸时1.功率和转速:根据传动的功率和转速要求,选择合适的带轮外径和带轮宽度。
2.带的规格:根据带的规格尺寸,选择适配的槽深和槽宽。
3.空间约束:考虑设备的安装空间和布局,选择合适大小尺寸的三角带轮槽。
4.负荷情况:根据负荷情况选择合适的带轮宽度和槽深,以确保传动的稳定性和寿命。
总结三角带轮槽的尺寸规格参数是选择和应用三角带轮槽的重要参考依据。
根据不同的使用要求和带的规格,可以选择适配的尺寸规格。
在选择三角带轮槽尺寸时,需要根据功率、转速、带的规格、空间约束和负荷情况等因素进行综合考虑,以确保传动的效果和可靠性。
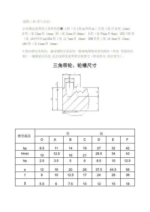
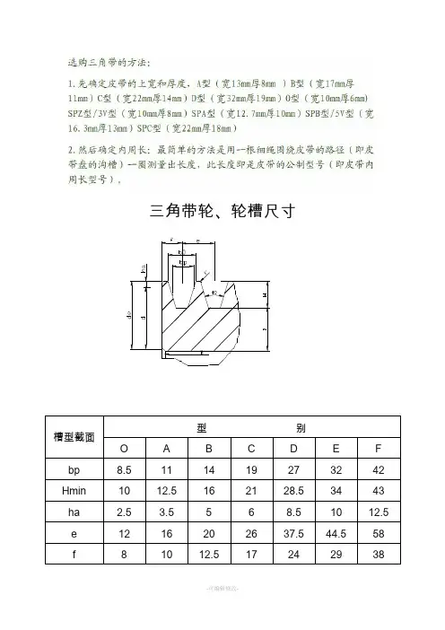
选购三ft帚%方法:
1•先确定皮带的上宽和辱度■ 4型(宣1帥m厚師m )呂型{宽17血厚11mm )C型(宽22nm厚14mm)刚(寛32mm厚19mm)0型(宽Wnim厚6mm) SFZ^!/3V型(宽10㈣俘別uni SPA型(宽12. 7mm厚10mm) SPB型型(宽16. 3mm厚13mm)SPC型(宽22mm厚18mm)
2.然后硝定内周氏:龜尙凳的方決是用一根细绳围绕皮带的路径(即皮带盘的沟棺)一圈测量出长度.此长度即是皮带的公制垄号(即皮带內周长型号)
e
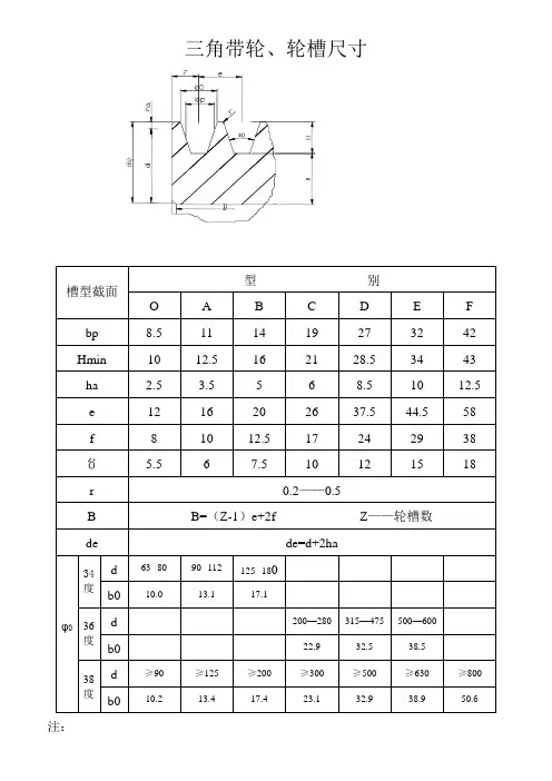
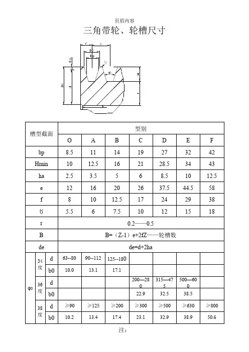
三角带轮、轮槽尺寸
注:
1. 尺寸b0的偏差按h1
2.
2. 槽角©的偏差对O, A, B型为正负1度,C, D, E, F型为正负30分
3. 轮槽工作表面光洁度▽ 5 (d>300毫米)或^ 6 (d< 300毫米)。
4. 对于活络三角胶带为使螺钉头不与槽底相碰,H应适当加大。
活络二角带小皮带轮最小直径d min (毫米)
活络三角带单根胶带所能传递的功率P0
(千瓦)
注:P0值尚无可靠资料,表中数值仅供参考
活络三角胶带带轮见三角带带轮部分。
三角胶带带轮最小直径d min (毫米)
三角带轮的计算直径
注:++――优先选用,+ ――可以选用
三角带轮材料
1.铸铁,钢,铝合金以及工程塑料
2.应用灰口铸铁最广,一般为
HT1 33,在重要场
合或带轮速度较高时,可用HT2 40
三角胶带型号及截面尺寸(按GB117-—74)
L. ____ I _____ 一。
三角带轮、轮槽尺
寸
注:
1.尺寸b0的偏差按h1
2.
2.槽角φ0的偏差对O,A,B型为正负1度,C,D,E,F型为正负30分。
3.轮槽工作表面光洁度▽5(d>300毫米)或▽6(d≤300毫米)。
4.对于活络三角胶带为使螺钉头不与槽底相碰,H应适当加大。
活络三角带小皮带轮最小直径d min(毫米)
活络三角带单根胶带所能传递的功率P0 (千瓦)
注:P0值尚无可靠资料,表中数值仅供参考。
活络三角胶带带轮见三角带带轮部分。
三角胶带带轮最小直径 d min (毫米)
三角带轮的计算直径
注:++——优先选用, +——可以选用。
三角带轮材料
1.铸铁,钢,铝合金以及工程塑料,
2.应用灰口铸铁最广,一般为HT15——33,在重要场合或带轮速
度较高时,可用HT20——40。
三角胶带型号及截面尺寸(按GB1171——74
)mm。
V带轮设计1.主要采用铸铁,牌号HT150或HT200、转速高时用铸钢2.带轮结构尺寸当D≤(2.5 3)d(轴径)时,可用实心式当D≤300mm时,可用腹板式、当D≥300mm时,可用轮辐式三角带轮、轮槽尺寸注:1.尺寸b0的偏差按h12.2.槽角φ0的偏差对O,A,B型为正负1度,C,D,E,F型为正负30分。
3.轮槽工作表面光洁度▽5(d>300毫米)或▽6(d≤300毫米)。
4.对于活络三角胶带为使螺钉头不与槽底相碰,H应适当加大。
活络三角带小皮带轮最小直径dmin (毫米)活络三角带单根胶带所能传递的功率P0 (千瓦)三角胶带带轮最小直径 dmin (毫米)三角带轮的计算直径三角带轮材料1.铸铁ZT200,钢,铝合金以及工程塑料,2.应用灰口铸铁最广,一般为HT15——33,在重要场合或带轮速度较高时,可用HT20——40。
三角胶带型号及截面尺寸(按GB1171——74)型号截面尺寸截面积尺寸单位长度质量b h ′A,mm ha hp q ,kg/mO A B C D E F 101317223238506810.513.51923.53040°478113823047669211702.12.84.14.86.98.311.08.5111418.52732420.06120.1020.1740.3030.6340.9181.55皮带型号顶宽高度角度标测长度外周长Z10640ºLi (内周长)Li+38mm A13840ºLi Li+50mm B171140ºLi Li+69mm C221440ºLi Li+88mm D322040ºLi Li+119mm 详细尺寸SPZ10840ºLp (节圆长)Lp+13mm SPA131040ºLp Lp+18mm SPB171340ºLp Lp+20mm SPC221840ºLp Lp+30mm 详细尺寸3V9.7840ºLa (外周长)5V161440ºLa8V252340ºLa详细尺寸标准三角带A,B,C,D,Z* 防油,抗静电* 工作温度: -18℃至+70℃* 最大线性速度: 30米/ 秒。
三角带轮、轮槽尺寸
型别
槽型截面
O A B C D E F bp111419273242 Hmin1016213443 ha5610
e1216202658 f81017242938〥610121518
注:
1.尺寸b0的偏差按h1
2.
2.槽角φ0的偏差对O,A,B型为正负1度,C,D,E,F型为正负30分。
3.轮槽工作表面光洁度▽5(d>300毫米)或▽6(d≤300毫米)。
4.对于活络三角胶带为使螺钉头不与槽底相碰,H应适当加大。
活络三角带小皮带轮最小直径d min(毫米)
活络三角带单根胶带所能传递的功率P0
(千瓦)
注:P0值尚无可靠资料,表中数值仅供参考。
活络三角胶带带轮见三角带带轮部分。
三角胶带带轮最小直径 d min (毫米)
三角带轮的计算直径
注:++——优先选用, +——可以选用。
三角带轮材料
1.铸铁,钢,铝合金以及工程塑料,
2.应用灰口铸铁最广,一般为HT15——33,在重要场
合或带轮速度较高时,可用HT20——40。
三角胶带型号及截面尺寸(按GB1171——74
)。
三角带轮、轮槽尺寸注:1.尺寸b0的偏差按h12.2.槽角φ0的偏差对O,A,B型为正负1度,C,D,E,F型为正负30分。
3.轮槽工作表面光洁度▽5(d>300毫米)或▽6(d≤300毫米)。
4.对于活络三角胶带为使螺钉头不与槽底相碰,H应适当加大。
活络三角带小皮带轮最小直径d min(毫米)活络三角带单根胶带所能传递的功率P0 (千瓦)活络三角胶带带轮见三角带带轮部分。
三角胶带带轮最小直径 d min (毫米)三角带轮的计算直径注:++——优先选用, +——可以选用。
三角带轮材料1.铸铁,钢,铝合金以及工程塑料,2.应用灰口铸铁最广,一般为HT15——33,在重要场合或带轮速度较高时,可用HT20——40。
三角胶带型号及截面尺寸(按GB1171——74)mm普通型O A B C D E 3V 5V 8V,普通加强型AX BX CX DX EX 3VX 5VX 8VX,窄V带SPZ SPA SPB SPC,强力窄V带XPA XPB XPC;三角带的每一个型号规定了三角带的断面尺寸,A型三角带的断面尺寸是:顶端宽度13mm、厚度为8mm;B型三角带的断面尺寸是:顶端宽皮带轮度17MM,厚度为10.5MM;C型三角带的断面尺寸是:顶端宽度22MM,厚度为13.5MM;D型三角带的断面尺寸是:顶端宽度21.5MM,厚度为19MM;E型三角带的断面尺寸是:顶端宽度38MM,厚度为25.5MM。
对应尺寸(宽*高):O(10*6)、A(12.5*9)、B(16.5*11)、C(22*14)、D(21.5*19)、E(38*25.5)。
国家标准规定了三角皮带的型号有O、A、B、C、D、E、F七种型号,相应的皮带轮轮槽角度有三种34°、36°、38°,同时规定了每种型号三角带对应每种轮槽角度的小皮带轮的最小直径,大皮带轮未作规定。
皮带轮的槽角分为32度34度36度38度,具体的选择要根据带轮的槽型和基准直径选择;皮带轮的槽角跟皮带轮的直径有关系,不同型号的皮带轮的槽角在不同直径范围下的推荐皮带轮槽角度数如下:O型皮带轮在带轮直径范围在50mm~71mm时为34度;在71mm~90mm时为36度,>90mm时为38度;A 型皮带轮在带轮直径范围在71mm~100mm时为34度,100mm~125mm时为36度;>125mm时为38度;B型皮带轮在带轮直径范围在125mm~160mm时为34度;160mm~200mm时为36度,>200mm时为38度;C型皮带轮在带轮直径范围在200mm~250mm时为34度,250mm~315mm时为36度,>315mm时为38度;D型皮带轮在带轮直径范围在355mm~450mm时为36度,>450mm时为38度;E型500mm~630mm时为36度,>630mm时为38度。
V带轮设计
1.主要采用铸铁,牌号HT150或HT200、转速高时用铸钢
2.带轮结构尺寸
当D≤(2.5 3)d(轴径)时,可用实心式
当D≤300mm时,可用腹板式、
当D≥300mm时,可用轮辐式
三角带轮、轮槽尺寸
注:
1.尺寸b0的偏差按h1
2.
2.槽角φ0的偏差对O,A,B型为正负1度,C,D,E,F型为正负30分。
3.轮槽工作表面光洁度▽5(d>300毫米)或▽6(d≤300毫米)。
4.对于活络三角胶带为使螺钉头不与槽底相碰,H应适当加大。
活络三角带小皮带轮最小直径dmin (毫米)
)
活络三角带单根胶带所能传递的功率P0 (千瓦
三角带轮的计算直径
三角带轮材料
1.铸铁ZT200,钢,铝合金以及工程塑料,
2.应用灰口铸铁最广,一般为HT15——33,在重要场合或带轮速度较高时,可用HT20——40。
)
三角胶带型号及截面尺寸(按GB1171——74
标准三角带A,B,C,D,Z。
三角带轮、轮槽尺寸
注:
1.尺寸b0的偏差按h1
2.
2.槽角φ0的偏差对O,A,B型为正负1度,C,D,E,F型为正负30
分。
3.轮槽工作表面光洁度▽5(d>300毫米)或▽6(d≤300毫米)。
4.对于活络三角胶带为使螺钉头不与槽底相碰,H应适当加大。
活络三角带小皮带轮最小直径d min(毫米)
活络三角带单根胶带所能传递的功率P0
(千瓦)
注:P0值尚无可靠资料,表中数值仅供参考。
活络三角胶带带轮见三角带带轮部分。
三角胶带带轮最小直径d min (毫米)
三角带轮的计算直径
注:++——优先选用,+——可以选用。
三角带轮材料
1.铸铁,钢,铝合金以及工程塑料,
2.应用灰口铸铁最广,一般为HT15——33,在重要场
合或带轮速度较高时,可用HT20——40。
三角胶带型号及截面尺寸(按GB1171——74)
mm。
三角带轮、轮槽尺寸
型别
槽型截面
O A B C D E F bp 8.5 11 14 19 27 32 42 Hmin 10 12.5 16 21 28.5 34 43 ha 2.5 3.5 5 6 8.5 10 12.5
e 12 16 20 26 37.5 44.5 58
f 8 10 12.5 17 24 29 38
〥 5.5 6 7.5 10 12 15 18
注:
1.尺寸b0的偏差按h1
2.
2.槽角φ0的偏差对O,A,B型为正负1度,C,D,E,F型为正负30分。
3.轮槽工作表面光洁度▽5(d>300毫米)或▽6(d≤300毫米)。
4.对于活络三角胶带为使螺钉头不与槽底相碰,H应适当加大。
活络三角带小皮带轮最小直径d min(毫米)
活络三角带单根胶带所能传递的功率P0
(千瓦)
注:P0值尚无可靠资料,表中数值仅供参考。
活络三角胶带带轮见三角带带轮部分。
三角胶带带轮最小直径 d min (毫米)
三角带轮的计算直径
注:++——优先选用, +——可以选用。
三角带轮材料
1.铸铁,钢,铝合金以及工程塑料,
2.应用灰口铸铁最广,一般为HT15——33,在重要场
合或带轮速度较高时,可用HT20——40。
三角胶带型号及截面尺寸(按GB1171——74
)。
V带轮设计
1.主要采用铸铁,牌号HT150或HT200、转速高时用铸钢
2.带轮结构尺寸
当D≤(2.5 3)d(轴径)时,可用实心式
当D≤300mm时,可用腹板式、
当D≥300mm时,可用轮辐式
三角带轮、轮槽尺寸
注:
1.尺寸b0的偏差按h1
2.
2.槽角φ0的偏差对O,A,B型为正负1度,C,D,E,F型为正负30分。
3.轮槽工作表面光洁度▽5(d>300毫米)或▽6(d≤300毫米)。
4.对于活络三角胶带为使螺钉头不与槽底相碰,H应适当加大。
活络三角带小皮带轮最小直径dmin (毫米)
)
活络三角带单根胶带所能传递的功率P0 (千瓦
三角带轮的计算直径
注:++——优先选用, +——可以选用。
三角带轮材料
1.铸铁ZT200,钢,铝合金以及工程塑料,
2.应用灰口铸铁最广,一般为HT15——33,在重要场合或带轮速度较高时,可用HT20——40。
三角胶带型号及截面尺寸(按GB1171——74
)
标准三角带A,B,C,D,Z。
V带轮设计1. 主要采用铸铁,牌号HT150或HT20Q转速高时用铸钢2. 带轮结构尺寸当* (2.5 -3)d(轴径)时,可用实心式当*300mm寸,可用腹板式、当D> 300mm寸,可用轮辐式D, = 0.$(D| + 如C —{ ~ ) BL -(I B<1 5J L if式申;P-帽朮的功宇.hw#片-增轮两转連■汀加亦扌产"竹一工)£才为蚊的直锂■ft x = 0-昨h Ijfi s0i 2A |三角带轮、轮槽尺寸注:1. 尺寸bO的偏差按h12.2. 槽角旳的偏差对O, A, B型为正负1度,C, D, E, F型为正负30分3. 轮槽工作表面光洁度▽ 5(d>300毫米)或^ 6 (d< 300毫米)。
4. 对于活络三角胶带为使螺钉头不与槽底相碰,H应适当加大。
活络三角带小皮带轮最小直径dmin (毫米)活络三角带单根胶带所能传递的功率P0 (千瓦)注:P0值尚无可靠资料,表中数值仅供参考三角胶带带轮最小直径dmi n (毫米)三角带轮的计算直径注:++――优先选用,+ ――可以选用二角带轮材料1. 铸铁ZT200,钢,铝合金以及工程塑料,2. 应用灰口铸铁最广,一般为HT1 33,在重要场合或带轮速度较高时,可用HT2 40。
三角胶带型号及截面尺寸(按GB1171―― 74)I标准三角带A,B,C,D,Z*防油,抗静电*工作温度:-18 C至+70 C *最大线性速度:30米/秒型号D120 D122 D126 D134 D136 D138 Li 型号 mm D145 D152 D158 200 D173 404 D174 D180 454 505 D183 581 3099 T20Li mm 3683 3861 4013 4394 4420 4572 4648 顶宽:32mm 高度:20mm角度:40 °型号 D220 D230 D248 D250 D264 D265 D270Li mm 5588 5842 6299 6350 6706 6731 6858*最小轮径:355mm * Li (内长)=La (外长)-119mm* Li (内长)=Lp (节园长)-79mm型号 D298 D300 D303 D314 D342 D355 D358 Li mm 7569 7620 7696 7976 8687 9017 9093 \*—1 o —H V 丄Type Z*顶宽:10mm *最小轮径:50mm * 高度:6mm * Li (内长)=La (外长)-38mm *角度:40 °* Li (内长)=Lp (节园长)-22mm型号 Li mm型号Li mm型号Li mm型 号 Li mm Z11 279Z28 1/2724Z431092Z631600 Z12305 Z29737Z43 1/21105Z64 1626 Z13.5 343Z30762Z441118Z651651 Z14356 Z31787Z451143Z66 1676 Z15 381Z32813Z461168Z681727 Z17 432Z33838Z481219Z69 1753 Z18 457Z33.5851Z491245Z701778 Z19 483Z34864Z501270Z71 1803 Z19 3/4 502Z35889Z51L1295Z721829 Z20 508Z35 1/2902Z52 11321Z73 1854 Z21 533Z36914Z541372Z751905 Z21 1/4 540Z38965Z55 1397Z78 1981 Z22 559Z38 1/2978Z561422Z792007 Z23 584Z39991Z571448Z80 2032 Z24 610Z401016Z581473Z882235 Z25 635Z40 1/21029Z591499Z932362Z26 660Z41 121054Z60152428711Z421067Z621575D141 D2005080D280 7112D3609144。
三角带轮、轮槽尺寸
注:
1.尺寸b0的误差按h1
2.
2.槽角φ0的误差对O,A,B型为正负1度,C,D,E,F型为正负30分。
3.轮槽工作表面光洁度▽5(d>300毫米)或▽6(d≤300毫米)。
4.对于活络三角胶带为使螺钉头不与槽底相碰,H应适当加大。
活络三角带小皮带轮最小直径d min(毫米)
活络三角带单根胶带所能传递的功率P0
(千瓦)
注:P0值尚无靠得住资料,表中数值仅供参考。
活络三角胶带带轮见三角带带轮部份。
三角胶带带轮最小直径 d min (毫米)
三角带轮的计算直径
注:++——优先选用, +——能够选用。
三角带轮材料
1.铸铁,钢,铝合金和工程塑料,
2.应用灰口铸铁最广,一般为HT15——33,在重要场
合或带轮速度较高时,可用HT20——40。
三角胶带型号及截面尺寸(按GB1171——74)
mm。
三角带带轮轮槽尺寸
Modified by JEEP on December 26th, 2020.
选购三角带的方法:
1 .先确雯皮带的上宽和厚度,A型(宽13mm48mm ) B型(宽17mm厚11mm) C
型(宽22mm厚14mm) D型(宽32mm厚19mm) 0型(宽10mm厚6mm) SPZ 型/3V型(宽lOram厚8mm) SPA型(宽12. 7mm厚10mm) SPB型/5V型(宽16. 3mm厚13mm) SPC型(宽22mm厚18mm)
2.然后确定内周长:最简单的方法是用一根细绳围绕皮帯的路径(即皮带盘的沟槽)一圏测量出长度,此长度即是皮带的公制型号(即皮带內周长型号)。
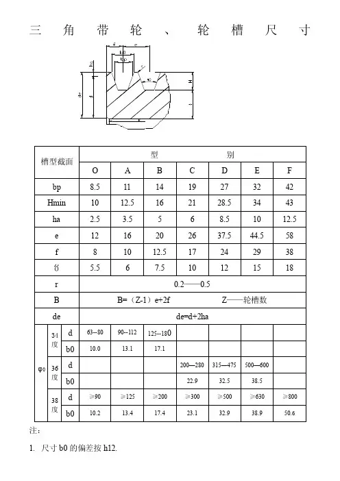
三角带轮、轮槽尺寸
注:
1.尺寸bO的偏差按hl
2.
2.槽角(po的偏差对0, A, B型为正负1度,C. D, E, F型为正负30
分。
3.轮槽工作表面光洁度貯5 (d> 300毫米)或貯6 (dW300毫米)。
4.对于活络三角胶带为使螺钉头不与槽底相碰,H应适当加大。
活络三角带小皮带轮最小直径dmin (毫米)
活络三角带单根胶带所能传递的功率Po
(千瓦)
注:Po值尚无可靠资料,表中数值仅供参考。
活络三角胶带带轮见三角带带轮部分。
三角胶带带轮最小直径dmin (毫米)
三角带轮的计算直径
注:++——优先选用,+——可以选用。
三角带轮材料
1.铸铁,钢,铝合金以及工程塑料,
2.应用灰口铸铁最广,一般为HT15——33,在重要场合或带轮速
度较高时,可用HT20——40。
三角胶带型号及截面尺寸(按GB1171—74)。
V带轮设计1.主要采用铸铁,牌号HT150或HT200、转速高时用铸钢2.带轮结构尺寸当D≤(2.5 3)d(轴径)时,可用实心式当D≤300mm时,可用腹板式、当D≥300mm时,可用轮辐式三角带轮、轮槽尺寸槽型截面型别O A B C D E Fbp 8.5 11 14 19 27 32 42 Hmin 10 12.5 16 21 28.5 34 43 ha 2.5 3.5 5 6 8.5 10 12.5e 12 16 20 26 37.5 44.5 58f 8 10 12.5 17 24 29 38 〥 5.5 6 7.5 10 12 15 18 r 0.2——0.5B B=(Z-1)e+2f Z——轮槽数de de=d+2haφ034度d 63--80 90--112 125--180b0 10.0 13.1 17.136度d 200—280 315—475 500—600b0 22.9 32.5 38.538度d≥90≥125 ≥200 ≥300 ≥500 ≥630 ≥800 b0 10.2 13.4 17.4 23.1 32.9 38.9 50.6注:1.尺寸b0的偏差按h12.2.槽角φ0的偏差对O,A,B型为正负1度,C,D,E,F型为正负30分。
3.轮槽工作表面光洁度▽5(d>300毫米)或▽6(d≤300毫米)。
4.对于活络三角胶带为使螺钉头不与槽底相碰,H应适当加大。
活络三角带小皮带轮最小直径dmin (毫米))活络三角带单根胶带所能传递的功率P0 (千瓦三角带轮的计算直径三角带轮材料1.铸铁ZT200,钢,铝合金以及工程塑料,2.应用灰口铸铁最广,一般为HT15——33,在重要场合或带轮速度较高时,可用HT20——40。
三角胶带型号及截面尺寸(按GB1171——74)型号截面尺寸截面积尺寸单位长度质量b h ′A,mm ha hp q ,kg/mO A B C D E F 101317223238506810.513.51923.53040°478113823047669211702.12.84.14.86.98.311.08.5111418.52732420.06120.1020.1740.3030.6340.9181.55皮带型号顶宽高度角度标测长度外周长Z10640ºLi (内周长)Li+38mm A13840ºLi Li+50mm B171140ºLi Li+69mm C221440ºLi Li+88mm D322040ºLi Li+119mm 详细尺寸SPZ10840ºLp (节圆长)Lp+13mm SPA131040ºLp Lp+18mm SPB171340ºLp Lp+20mm SPC221840ºLp Lp+30mm 详细尺寸3V9.7840ºLa (外周长)5V161440ºLa8V252340ºLa详细尺寸标准三角带A,B,C,D,Z* 防油,抗静电* 工作温度: -18℃至+70℃* 最大线性速度: 30米/ 秒* 顶宽: 13mm * 最小轮径: 75mm* 高度: 8mm * Li(内长)= La(外长)-50mm* 角度: 40°* Li(内长)= Lp(节园长)-36mm 型号Li mm 型号Li mm 型号Li mm 型号Li mm A15 381 A42 1067 A72 1829 A96 2438 A18 457 A43 1092 A74 1880 A98 2489 A20 508 A43 1/2 1105 A75 1905 A99 2515 A22 559 A44 1118 A76 1930 A101 2565 A23 584 A45 1143 A77 1956 A102 2591 A23 1/2 597 A45 1/2 1156 A78 1727 A103 2616 A24 610 A46 1168 A79 1753 A104 2642 A25 635 A46 1/2 1181 A80 1778 A105 2667 A26 660 A47 1194 A81 1803 A107 2718 A27 686 A48 1219 A83 1854 A108 2743 A28 711 A49 1245 A85 1905 A110 2794 A29 737 A50 1270 A86 1930 A112 2845 A29 1/2 749 A51 1295 A87 1956 A113 2870 A30 762 A52 1321 A88 1981 A114 2896 A31 787 A53 1346 A89 2007 A115 2921 A32 813 A55 1397 A91 2057 A118 2997 A32 1/2 826 A56 1422 A92 2083 A120 3048 A33 838 A57 1448 A83 2108 A124 3150 A34 864 A58 1473 A83 1/2 2121 A125 3175 A34 1/2 876 A59 1499 A84 2134 A126 3200 A35 889 A60 1524 A84 1/2 2146 A128 3251 A35 1/2 902 A61 1549 A85 2159 A130 3302 A36 914 A62 1575 A86 2184 A132 3353 A37 940 A63 1600 A87 2210 A140 3556 A38 965 A65 1651 A89 2261 A148 3759 A38 1/2 978 A66 1676 A90 2286 A154 3912 A39 991 A67 1702 A91 2311 A162 4115 A40 1016 A68 1727 A92 2337 A167 4242 A41 1041 A70 1778 A94 2388 A192 4877 A41 1/2 1054 A71 1803 A95 2413 A197 5004* 顶宽: 17mm * 最小轮径: 125mm* 高度: 11mm * Li(内长)= La(外长)-69mm* 角度: 40°* Li(内长)= Lp(节园长)-43mm 型号Li mm 型号Li mm 型号Li mm 型号Li mm B23 584 B52 1321 B89 2261 B132 3353 B24 610 B53 1346 B90 2286 B136 3454 B25 635 B53 1/2 1359 B91 2311 B140 3556 B26 660 B55 1397 B92 2337 B142 3607 B26 1/2 673 B56 1422 B93 2362 B146 3708 B27 686 B57 1448 B94 2388 B150 3810 B28 711 B58 1473 B94 1/2 2400 B151 3835 B29 737 B59 1499 B95 2413 B152 3861 B31 787 B60 1524 B96 2438 B155 3937 B32 813 B62 1575 B96 1/2 2451 B158 4013 B33 838 B63 1600 B98 2489 B160 4064 B341/2 876 B64 1626 B99 2515 B162 4115 B35 889 B65 1651 B101 2565 B164 4166 B37 940 B66 1676 B103 2616 B167 4242 B37 1/2 953 B67 1702 B104 2642 B168 4267 B38 965 B68 1727 B106 2692 B173 4394 B39 991 B69 1/2 1765 B108 2743 B179 4547 B40 1016 B70 1778 B109 2769 B180 4572 B41 1041 B71 1803 B110 2794 B187 4750 B41 1/2 1054 B73 1854 B111 2819 B191 4851 B42 1067 B74 1880 B114 2896 B208 5283 B43 1092 B78 1981 B116 2946 B226 5740 B44 1118 B79 2007 B117 2972 B236 5994 B45 1143 B81 2057 B118 2997 B238 6045 B45 1/2 1156 B82 2083 B119 3023 B40 6096 B46 1168 B83 2108 B120 3048 B248 6299 B48 1219 B85 2159 B125 3175 B280 7112 B49 1245 B86 2184 B126 3200 B298 7569 B50 1270 B88 2235 B128 3251 B345 8763* 顶宽: 22mm * 最小轮径: 120mm* 高度: 14mm * Li(内长)= La(外长)-88mm* 角度: 40°* Li(内长)= Lp(节园长)-56mm 型号Li mm 型号Li mm 型号Li mm 型号Li mm C38 965 C75 1905 C110 2794 C160 4064 C43 1092 C78 1981 C111 2819 C166 4216 C47 1194 C80 2032 C112 2845 C168 4267 C48 1219 C81 2057 C114 2896 C173 4394 C49 1245 C83 2108 C115 2921 C180 4572 C50 1270 C84 2134 C116 2946 C185 4699 C51 1295 C85 2159 C117 2972 C187 4750 C53 1346 C86 2184 C120 3048 C190 4826 C54 1372 C87 2210 C122 3099 C198 5029 C57 1448 C88 2235 C126 3200 C200 5080 C59 1499 C89 2261 C130 3302 C204 5182 C60 1524 C90 2286 C132 3353 C208 5283 C62 1575 C91 2311 C136 3454 C210 5334 C63 1600 C92 2337 C138 3505 C220 5588 C64 1626 C93 2362 C140 3556 C225 5715 C65 1651 C95 2413 C142 3607 C238 6045 C66 1676 C96 2438 C144 3658 C240 6096 C67 1702 C99 2515 C146 3708 C264 6706 C68 1727 C101 2565 C148 3759 C280 7112 C69 1753 C102 2591 C149 3785 C295 7493 C70 1778 C104 2642 C150 3810 C320 8128 C71 1803 C105 2667 C152 3861 C328 8331 C72 1829 C106 2692 C153 3886 C418 10617 C74 1880 C108 2743 C158 4013 C658 16713* 顶宽: 32mm * 最小轮径: 355mm* 高度: 20mm * Li(内长)= La(外长)-119mm * 角度: 40°* Li(内长)= Lp(节园长)-79mm型号Limm型号Li mm 型号Limm型号Li mmD112 2845 D145 3683 D220 5588 D298 7569D120 3048 D152 3861 D230 5842 D300 7620D122 3099 D158 4013 D248 6299 D303 7696D126 3200 D173 4394 D250 6350 D314 7976D134 3404 D174 4420 D264 6706 D342 8687D136 3454 D180 4572 D265 6731 D355 9017D138 3505 D183 4648 D270 6858 D358 9093D141 3581 D200 5080 D280 7112 D360 9144* 顶宽: 10mm * 最小轮径: 50mm* 高度: 6mm * Li(内长)= La(外长)-38mm* 角度: 40°* Li(内长)= Lp(节园长)-22mm型号Limm型号Li mm 型号Limm型号Li mmZ11 279 Z28 1/2 724 Z43 1092 Z63 1600Z12 305 Z29 737 Z431/21105 Z64 1626Z13.5 343 Z30 762 Z44 1118 Z65 1651 Z14 356 Z31 787 Z45 1143 Z66 1676 Z15 381 Z32 813 Z46 1168 Z68 1727 Z17 432 Z33 838 Z48 1219 Z69 1753 Z18 457 Z33.5 851 Z49 1245 Z70 1778 Z19 483 Z34 864 Z50 1270 Z71 1803 Z19 3/4 502 Z35 889 Z51 1295 Z72 1829 Z20 508 Z35 1/2 902 Z52 1321 Z73 1854 Z21 533 Z36 914 Z54 1372 Z75 1905 Z21 1/4 540 Z38 965 Z55 1397 Z78 1981 Z22 559 Z38 1/2 978 Z56 1422 Z79 2007 Z23 584 Z39 991 Z57 1448 Z80 2032 Z24 610 Z40 1016 Z58 1473 Z88 2235 Z25 635 Z40 1/2 1029 Z59 1499 Z93 2362 Z26 660 Z41 12 1054 Z60 152428 711 Z42 1067 Z62 1575【本文档内容可以自由复制内容或自由编辑修改内容期待你的好评和关注,我们将会做得更好】。