角带带轮轮槽尺寸
- 格式:docx
- 大小:54.66 KB
- 文档页数:8
三角带轮槽尺寸规格参数资料一、三角带轮槽的概念和应用三角带轮槽是一种常用的传动零部件,用于传递动力和扭矩。
它主要用于带动旋转设备,例如电动机、泵、风机等。
三角带轮槽通常由金属材料制成,具有特殊的槽形,可以与三角带配合使用。
三角带轮槽传动具有结构简单、传动效率高、寿命长等优点。
二、三角带轮槽的尺寸规格1.带轮外径(D):带轮外径是指三角带轮槽的最大直径。
根据不同的应用需求,带轮外径的尺寸可以有所变化。
一般来说,带轮外径的大小范围在100毫米到1000毫米之间。
2.带轮宽度(B):带轮宽度是指三角带轮槽的宽度。
带轮宽度的大小决定了带轮槽的传动能力和传动稳定性。
常见的带轮宽度尺寸包括16毫米、20毫米、25毫米等。
3.槽深(h):槽深是指三角带轮槽的深度。
槽深的大小与带的截面尺寸直接相关。
常见的槽深尺寸包括10毫米、12.5毫米、16毫米等。
4.槽宽(b):槽宽是指三角带轮槽的宽度。
槽宽的大小与带的截面尺寸直接相关。
常见的槽宽尺寸包括4毫米、5毫米、6毫米等。
以上是三角带轮槽的常见尺寸规格参数,根据不同的使用要求和带的规格,这些参数的具体数值可能会有所不同。
三、选择三角带轮槽尺寸的注意事项在选择三角带轮槽尺寸时1.功率和转速:根据传动的功率和转速要求,选择合适的带轮外径和带轮宽度。
2.带的规格:根据带的规格尺寸,选择适配的槽深和槽宽。
3.空间约束:考虑设备的安装空间和布局,选择合适大小尺寸的三角带轮槽。
4.负荷情况:根据负荷情况选择合适的带轮宽度和槽深,以确保传动的稳定性和寿命。
总结三角带轮槽的尺寸规格参数是选择和应用三角带轮槽的重要参考依据。
根据不同的使用要求和带的规格,可以选择适配的尺寸规格。
在选择三角带轮槽尺寸时,需要根据功率、转速、带的规格、空间约束和负荷情况等因素进行综合考虑,以确保传动的效果和可靠性。
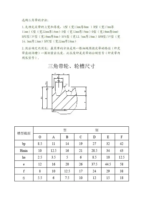
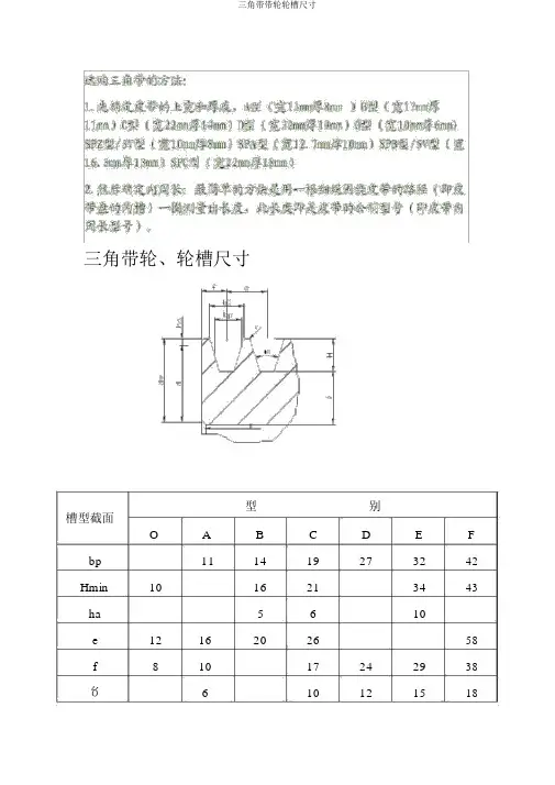
三角带轮、轮槽尺寸型别槽型截面O A B C D E F bp111419273242 Hmin1016213443 ha5610e1216202658 f81017242938〥610121518rBde34d度b036dφ0 度b038d度b0——B=(Z-1 )e+2f Z ——轮槽数de=d+2ha63--8090--112125--180200— 280315— 475500—600≥ 90≥ 125≥200≥300≥500≥630≥800注:1.尺寸 b0 的误差按 h12.2.槽角φ0的误差对O,A,B型为正负1度,C,D,E,F型为正负30分。
3.轮槽工作表面光洁度▽ 5(d>300毫米)或▽ 6(d≤300毫米)。
4.关于活络三角胶带为使螺钉头不与槽底相碰, H应适合加大。
活络三角带小皮带轮最小直径d min( 毫米 )型别O A B C D Ed5075125200300500 min活络三角带单根胶带所能传达的功率P0(千瓦)型别O A B C D EP0注: P0值还没有靠谱资料,表中数值仅供参照。
活络三角胶带带轮见三角带带轮部分。
三角胶带带轮最小直径 d min(毫米 )型别O A B C D E F d71(63)100(90)140(125)200315500800 min三角带轮的计算直径计算直径O A BCD计算直径A BCDE Fd mm d mm63+++++++++375+++++++++ 67++++400+++++++++ 71++++++++425+++++++++ 75++++450+++++++++ 80++++++++475+++++++++ 90++++500++++++++ 95++++++++530++++++++ 100+++++560+++++++ 106+++++++600++++++ 112+++++630+++++++++ 118++++670+++++ 125+++++710++++++++++ 132+++++750++++ 140++++800++++++++ 150+++900+++160++1000++++++170+1060++ 180++1120++++ 200+1250++ 2121400++++ 2241500+2361600++25018002651900280200030022403152500355注: ++——优先采用,+ ——能够采用。
V带轮设计
1.主要采用铸铁,牌号HT150或HT200、转速高时用铸钢
2.带轮结构尺寸
当D≤(2.5 3)d(轴径)时,可用实心式
当D≤300mm时,可用腹板式、
当D≥300mm时,可用轮辐式
三角带轮、轮槽尺寸
注:
1.尺寸b0的偏差按h1
2.
2.槽角φ0的偏差对O,A,B型为正负1度,C,D,E,F型为正负30分。
3.轮槽工作表面光洁度▽5(d>300毫米)或▽6(d≤300毫米)。
4.对于活络三角胶带为使螺钉头不与槽底相碰,H应适当加大。
活络三角带小皮带轮最小直径dmin (毫米)
)
活络三角带单根胶带所能传递的功率P0 (千瓦
三角带轮的计算直径
三角带轮材料
1.铸铁ZT200,钢,铝合金以及工程塑料,
2.应用灰口铸铁最广,一般为HT15——33,在重要场合或带轮速度较高时,可用HT20——40。
)
三角胶带型号及截面尺寸(按GB1171——74
标准三角带A,B,C,D,Z。
三角带轮、轮槽尺寸
注:
1.尺寸b0的偏差按h1
2.
2.槽角φ0的偏差对O,A,B型为正负1度,C,D,E,F型为正负30分。
3.轮槽工作表面光洁度▽5(d>300毫米)或▽6(d≤300毫米)。
4.对于活络三角胶带为使螺钉头不与槽底相碰,H应适当加大。
活络三角带小皮带轮最小直径d min(毫米)
活络三角带单根胶带所能传递的功率P0
(千瓦)
注:P0值尚无可靠资料,表中数值仅供参考。
活络三角胶带带轮见三角带带轮部分。
三角胶带带轮最小直径 d min (毫米)
三角带轮的计算直径
注:++——优先选用, +——可以选用。
三角带轮材料
1.铸铁,钢,铝合金以及工程塑料,
2.应用灰口铸铁最广,一般为HT15——33,在重要场
合或带轮速度较高时,可用HT20——40。
三角胶带型号及截面尺寸(按GB1171——74)
mm。
V带轮设计1.主要采用铸铁,牌号HT150或HT200、转速高时用铸钢2.带轮结构尺寸当D≤(2.5 3)d(轴径)时,可用实心式当D≤300mm时,可用腹板式、当D≥300mm时,可用轮辐式三角带轮、轮槽尺寸注:1.尺寸b0的偏差按h12.2.槽角φ0的偏差对O,A,B型为正负1度,C,D,E,F型为正负30分。
3.轮槽工作表面光洁度▽5(d>300毫米)或▽6(d≤300毫米)。
4.对于活络三角胶带为使螺钉头不与槽底相碰,H应适当加大。
活络三角带小皮带轮最小直径dmin (毫米)活络三角带单根胶带所能传递的功率P0 (千瓦)三角胶带带轮最小直径 dmin (毫米)三角带轮的计算直径三角带轮材料1.铸铁ZT200,钢,铝合金以及工程塑料,2.应用灰口铸铁最广,一般为HT15——33,在重要场合或带轮速度较高时,可用HT20——40。
三角胶带型号及截面尺寸(按GB1171——74)型号截面尺寸截面积尺寸单位长度质量b h ′A,mm ha hp q ,kg/mO A B C D E F 101317223238506810.513.51923.53040°478113823047669211702.12.84.14.86.98.311.08.5111418.52732420.06120.1020.1740.3030.6340.9181.55皮带型号顶宽高度角度标测长度外周长Z10640ºLi (内周长)Li+38mm A13840ºLi Li+50mm B171140ºLi Li+69mm C221440ºLi Li+88mm D322040ºLi Li+119mm 详细尺寸SPZ10840ºLp (节圆长)Lp+13mm SPA131040ºLp Lp+18mm SPB171340ºLp Lp+20mm SPC221840ºLp Lp+30mm 详细尺寸3V9.7840ºLa (外周长)5V161440ºLa8V252340ºLa详细尺寸标准三角带A,B,C,D,Z* 防油,抗静电* 工作温度: -18℃至+70℃* 最大线性速度: 30米/ 秒。
V 带轮设计1. 主要采用铸铁,牌号HT150或HT20Q 转速高时用铸钢2. 带轮结构尺寸当* (2.5 -3)d (轴径)时,可用实心式 当*300mm 寸,可用腹板式、当D > 300mm 寸,可用轮辐式D, = 0.$(D| + 如C — {~) BL - (IB<1 5J L if式申;P-帽朮的功宇.hw#片-增轮两转連■汀加亦■ft x = 0-昨 h Ijfi s 0i 2A |三角带轮、轮槽尺寸注:1. 尺寸bO的偏差按h12.2. 槽角旳的偏差对O, A, B型为正负1度,C, D, E, F型为正负30分3. 轮槽工作表面光洁度▽ 5(d>300毫米)或^ 6 (d< 300毫米)。
4. 对于活络三角胶带为使螺钉头不与槽底相碰,H应适当加大。
活络三角带小皮带轮最小直径dmin (毫米)活络三角带单根胶带所能传递的功率P0 (千瓦)注:P0值尚无可靠资料,表中数值仅供参考三角胶带带轮最小直径dmi n (毫米)三角带轮的计算直径注:++――优先选用,+ ――可以选用二角带轮材料1. 铸铁ZT200,钢,铝合金以及工程塑料,2. 应用灰口铸铁最广,一般为HT1 33,在重要场合或带轮速度较高时,可用HT2 40。
三角胶带型号及截面尺寸(按GB1171―― 74)I标准三角带A,B,C,D,Z*防油,抗静电*工作温度:-18 C至+70 C *最大线性速度:30米/秒型号 D120 D122 D126 D134 D136 D138 Li 型号 mm D145 D152 D158 200 D173 404 D174 D180 454 505 D183 581 3099 T20Li mm 3683 3861 4013 4394 4420 4572 4648 顶宽:32mm 高度:20mm 角度:40 °型号 D220 D230 D248 D250 D264 D265 D270Li mm 5588 5842 6299 6350 6706 6731 6858*最小轮径:355mm* Li (内长)=La (外长)-119mm * Li (内长)=Lp (节园长)-79mm型号 D298 D300 D303 D314 D342 D355 D358 Li mm 7569 7620 7696 7976 8687 9017 9093 \*—1 o —H V 丄Type Z*顶宽:10mm *最小轮径:50mm * 高度:6mm * Li (内长)=La (外长)-38mm *角度:40 °* Li (内长)=Lp (节园长)-22mm型号 Li mm型号Li mm型号Li mm型 号Li mm Z11 279Z28 1/2724Z431092Z63 1600 Z12305 Z29737Z43 1/21105Z641626 Z13.5 343Z30762Z441118Z65 1651 Z14356 Z31787Z451143Z661676 Z15 381Z32813Z461168Z68 1727 Z17 432Z33838Z481219Z691753 Z18 457Z33.5851Z491245Z70 1778 Z19 483Z34864Z501270Z711803 Z19 3/4 502Z35889Z51 L1295Z72 1829 Z20 508Z35 1/2902Z5211321Z731854 Z21 533Z36914Z54 1372Z75 1905 Z21 1/4 540Z38965Z551397Z781981 Z22 559Z38 1/2978Z56 1422Z79 2007 Z23 584Z39991Z571448Z802032 Z24 610Z401016Z581473Z88 2235 Z25 635Z40 1/21029Z591499Z932362Z26 660Z41 121054Z60152428711Z421067Z621575D141 D2005080D280 7112D3609144。
三角带轮、轮槽尺寸
型别
槽型截面
O A B C D E F bp111419273242 Hmin1016213443 ha5610
e1216202658 f81017242938〥610121518
注:
1.尺寸b0的偏差按h1
2.
2.槽角φ0的偏差对O,A,B型为正负1度,C,D,E,F型为正负30分。
3.轮槽工作表面光洁度▽5(d>300毫米)或▽6(d≤300毫米)。
4.对于活络三角胶带为使螺钉头不与槽底相碰,H应适当加大。
活络三角带小皮带轮最小直径d min(毫米)
活络三角带单根胶带所能传递的功率P0
(千瓦)
注:P0值尚无可靠资料,表中数值仅供参考。
活络三角胶带带轮见三角带带轮部分。
三角胶带带轮最小直径 d min (毫米)
三角带轮的计算直径
注:++——优先选用, +——可以选用。
三角带轮材料
1.铸铁,钢,铝合金以及工程塑料,
2.应用灰口铸铁最广,一般为HT15——33,在重要场
合或带轮速度较高时,可用HT20——40。
三角胶带型号及截面尺寸(按GB1171——74
)。
三角带轮、轮槽尺寸注:1.尺寸b0的偏差按h12.2.槽角φ0的偏差对O,A,B型为正负1度,C,D,E,F型为正负30分。
3.轮槽工作表面光洁度▽5(d>300毫米)或▽6(d≤300毫米)。
4.对于活络三角胶带为使螺钉头不与槽底相碰,H应适当加大。
活络三角带小皮带轮最小直径d min(毫米)活络三角带单根胶带所能传递的功率P0 (千瓦)活络三角胶带带轮见三角带带轮部分。
三角胶带带轮最小直径 d min (毫米)三角带轮的计算直径注:++——优先选用, +——可以选用。
三角带轮材料1.铸铁,钢,铝合金以及工程塑料,2.应用灰口铸铁最广,一般为HT15——33,在重要场合或带轮速度较高时,可用HT20——40。
三角胶带型号及截面尺寸(按GB1171——74)mm普通型O A B C D E 3V 5V 8V,普通加强型AX BX CX DX EX 3VX 5VX 8VX,窄V带SPZ SPA SPB SPC,强力窄V带XPA XPB XPC;三角带的每一个型号规定了三角带的断面尺寸,A型三角带的断面尺寸是:顶端宽度13mm、厚度为8mm;B型三角带的断面尺寸是:顶端宽皮带轮度17MM,厚度为10.5MM;C型三角带的断面尺寸是:顶端宽度22MM,厚度为13.5MM;D型三角带的断面尺寸是:顶端宽度21.5MM,厚度为19MM;E型三角带的断面尺寸是:顶端宽度38MM,厚度为25.5MM。
对应尺寸(宽*高):O(10*6)、A(12.5*9)、B(16.5*11)、C(22*14)、D(21.5*19)、E(38*25.5)。
国家标准规定了三角皮带的型号有O、A、B、C、D、E、F七种型号,相应的皮带轮轮槽角度有三种34°、36°、38°,同时规定了每种型号三角带对应每种轮槽角度的小皮带轮的最小直径,大皮带轮未作规定。
皮带轮的槽角分为32度34度36度38度,具体的选择要根据带轮的槽型和基准直径选择;皮带轮的槽角跟皮带轮的直径有关系,不同型号的皮带轮的槽角在不同直径范围下的推荐皮带轮槽角度数如下:O型皮带轮在带轮直径范围在50mm~71mm时为34度;在71mm~90mm时为36度,>90mm时为38度;A 型皮带轮在带轮直径范围在71mm~100mm时为34度,100mm~125mm时为36度;>125mm时为38度;B型皮带轮在带轮直径范围在125mm~160mm时为34度;160mm~200mm时为36度,>200mm时为38度;C型皮带轮在带轮直径范围在200mm~250mm时为34度,250mm~315mm时为36度,>315mm时为38度;D型皮带轮在带轮直径范围在355mm~450mm时为36度,>450mm时为38度;E型500mm~630mm时为36度,>630mm时为38度。
V带轮设计
1.主要采用铸铁,牌号HT150或HT200、转速高时用铸钢
2.带轮结构尺寸
当D≤(2.5 3)d(轴径)时,可用实心式
当D≤300mm时,可用腹板式、
当D≥300mm时,可用轮辐式
三角带轮、轮槽尺寸
注:
1.尺寸b0的偏差按h1
2.
2.槽角φ0的偏差对O,A,B型为正负1度,C,D,E,F型为正负30分。
3.轮槽工作表面光洁度▽5(d>300毫米)或▽6(d≤300毫米)。
4.对于活络三角胶带为使螺钉头不与槽底相碰,H应适当加大。
活络三角带小皮带轮最小直径dmin (毫米)
)
活络三角带单根胶带所能传递的功率P0 (千瓦
三角带轮的计算直径
注:++——优先选用, +——可以选用。
三角带轮材料
1.铸铁ZT200,钢,铝合金以及工程塑料,
2.应用灰口铸铁最广,一般为HT15——33,在重要场合或带轮速度较高时,可用HT20——40。
三角胶带型号及截面尺寸(按GB1171——74
)
标准三角带A,B,C,D,Z。
V带轮设计
1.主要采用铸铁,牌号HT150或HT200、转速高时用铸钢
2.带轮结构尺寸
当D≤(2.53)d(轴径)时,可用实心式
当D≤300mm时,可用腹板式、
当D≥300mm时,可用轮辐式
三角带轮、轮槽尺寸
注:
1.尺寸b0的偏差按h1
2.
2.槽角φ0的偏差对O,A,B型为正负1度,C,D,E,F型为正负30分。
3.轮槽工作表面光洁度▽5(d>300毫米)或▽6(d≤300毫米)。
4.对于活络三角胶带为使螺钉头不与槽底相碰,H应适当加大。
活络三角带小皮带轮最小直径dmin (毫米)
)
活络三角带单根胶带所能传递的功率P0 (千瓦
三角带轮的计算直径
三角带轮材料
1.铸铁ZT200,钢,铝合金以及工程塑料,
2.应用灰口铸铁最广,一般为HT15——33,在重要场合或带轮速度较高时,可用HT20——40。
)
三角胶带型号及截面尺寸(按GB1171——74
标准三角带 A,B,C,D,Z。
三角带轮、轮槽尺寸
注:
1.尺寸b0的偏差按h1
2.
2.槽角φ0的偏差对O,A,B型为正负1度,C,D,E,F型为正负30
分。
3.轮槽工作表面光洁度▽5(d>300毫米)或▽6(d≤300毫米)。
4.对于活络三角胶带为使螺钉头不与槽底相碰,H应适当加大。
活络三角带小皮带轮最小直径d min(毫米)
活络三角带单根胶带所能传递的功率P0
(千瓦)
注:P0值尚无可靠资料,表中数值仅供参考。
活络三角胶带带轮见三角带带轮部分。
三角胶带带轮最小直径d min (毫米)
三角带轮的计算直径
注:++——优先选用,+——可以选用。
三角带轮材料
1.铸铁,钢,铝合金以及工程塑料,
2.应用灰口铸铁最广,一般为HT15——33,在重要场
合或带轮速度较高时,可用HT20——40。
三角胶带型号及截面尺寸(按GB1171——74)
mm。
V带轮设计1.主要采用铸铁,牌号HT150或HT200、转速高时用铸钢2.带轮结构尺寸当D≤ 3)d(轴径)时,可用实心式当D≤300mm时,可用腹板式、当D≥300mm时,可用轮辐式三角带轮、轮槽尺寸注:1.尺寸b0的偏差按h12.2.槽角φ0的偏差对O,A,B型为正负1度,C,D,E,F型为正负30分。
3.轮槽工作表面光洁度▽5(d>300毫米)或▽6(d≤300毫米)。
4.对于活络三角胶带为使螺钉头不与槽底相碰,H应适当加大。
活络三角带小皮带轮最小直径dmin (毫米))活络三角带单根胶带所能传递的功率P0 (千瓦三角带轮的计算直径注:++——优先选用, +——可以选用。
三角带轮材料1.铸铁ZT200,钢,铝合金以及工程塑料,2.应用灰口铸铁最广,一般为HT15——33,在重要场合或带轮速度较高时,可用HT20——40。
三角胶带型号及截面尺寸(按GB1171——74)型号截面尺寸截面积尺寸单位长度质量b h ′A,mm ha hp q ,kg/mO A B C D E F 1013172232385068193040°478113823047669211701114273242皮带型号顶宽高度角度标测长度外周长10640o Li (内周长)Li+38mm13840o Li Li+50mm171140o Li Li+69mm221440o Li Li+88mm322040o Li Li+119mm10840o Lp (节圆长)Lp+13mm131040o Lp Lp+18mm171340o Lp Lp+20mm221840o Lp Lp+30mm840o La (外周长)161440o La252340o La标准三角带A,B,C,D,Z。
三角带带轮、轮槽尺寸V带轮设计1.主要采用铸铁,牌号HT150或HT200、转速高时用铸钢2.带轮结构尺寸当D≤(2.5 3)d(轴径)时,可用实心式当D≤300mm时,可用腹板式、当D≥300mm时,可用轮辐式三角带轮、轮槽尺寸槽型截面型别O A B C D E Fbp 8.5 11 14 19 27 32 42 Hmin 10 12.5 16 21 28.5 34 43 ha 2.5 3.5 5 6 8.5 10 12.5e 12 16 20 26 37.5 44.5 58f 8 10 12.5 17 24 29 38 〥 5.5 6 7.5 10 12 15 18 r 0.2——0.5B B=(Z-1)e+2f Z——轮槽数de de=d+2haφ034度d 63--80 90--112 125--180b0 10.0 13.1 17.136度d 200—280 315—475 500—600b0 22.9 32.5 38.538度d≥90≥125 ≥200 ≥300 ≥500 ≥630 ≥800 b0 10.2 13.4 17.4 23.1 32.9 38.9 50.6注:1.尺寸b0的偏差按h12.2.槽角φ0的偏差对O,A,B型为正负1度,C,D,E,F型为正负30分。
3.轮槽工作表面光洁度▽5(d>300毫米)或▽6(d≤300毫米)。
4.对于活络三角胶带为使螺钉头不与槽底相碰,H应适当加大。
活络三角带小皮带轮最小直径dmin (毫米))活络三角带单根胶带所能传递的功率P0 (千瓦三角胶带带轮最小直径 dmin (毫米)三角带轮的计算直径280 300 315 355 ++++++++++++++++ ++200022402500++ ++++++++++注:++——优先选用, +——可以选用。
三角带轮材料1.铸铁ZT200,钢,铝合金以及工程塑料,2.应用灰口铸铁最广,一般为HT15——33,在重要场合或带轮速度较高时,可用HT20——40。
三角带轮槽尺寸规格参数资料
三角带轮槽尺寸规格参数资料是指用于传动机械的三角带的槽的尺寸规格参数。
三角带轮槽的尺寸规格参数直接影响着传动效果的稳定性和传动功率的大小。
下面将从尺寸规格、材质、加工精度等几个方面,详细介绍三角带轮槽尺寸规格参数资料。
1.尺寸规格:
(1)轮槽深度:轮槽深度是指轮槽的深度,也就是三角带和轮槽之间的距离。
轮槽深度越大,三角带与轮槽的嵌合度越好,传动能力越强。
(2)轮槽圆弧半径:轮槽圆弧半径是指轮槽底部和侧壁之间的圆弧半径。
正确地选择轮槽圆弧半径可以提高传动效率和传动稳定性。
(3)轮槽底部宽度:轮槽底部宽度指的是轮槽底部的宽度(即在槽底的水平线上测量)。
轮槽底部宽度要确保与三角带的基准宽度匹配,以确保传动效率。
(4)圆弧直径:圆弧直径是指轮槽侧壁和底部圆弧之间的距离。
合适的圆弧直径能够使三角带充分嵌入轮槽,提高传动效率。
2.材质:
3.加工精度:
三角带轮槽的加工精度是保证三角带和轮槽紧密咬合的关键。
加工精度包括槽口直线度、槽口平整度、槽口角度以及槽口间距等几个方面。
合适的加工精度能够确保三角带在传动过程中不会产生滑动或跳动现象,提高传动效率。
以上是关于三角带轮槽尺寸规格参数资料的介绍。
三角带轮槽的尺寸规格参数对于传动效果的稳定性和传动功率的大小都有重要的影响,因此在实际应用中需要根据具体机械传动的需求选择合适的尺寸规格参数,并注意材质和加工精度的要求。
V带轮设计
1.主要采用铸铁,牌号HT150或HT200、转速高时用铸钢
2.带轮结构尺寸
当D≤ 3)d(轴径)时,可用实心式
当D≤300mm时,可用腹板式、
当D≥300mm时,可用轮辐式
三角带轮、轮槽尺寸
注:
1.尺寸b0的偏差按h1
2.
2.槽角φ0的偏差对O,A,B型为正负1度,C,D,E,F型为正负30分。
3.轮槽工作表面光洁度▽5(d>300毫米)或▽6(d≤300毫米)。
4.对于活络三角胶带为使螺钉头不与槽底相碰,H应适当加大。
活络三角带小皮带轮最小直径dmin (毫米)
)
活络三角带单根胶带所能传递的功率P0 (千瓦
三角带轮的计算直径
注:++——优先选用, +——可以选用。
三角带轮材料
1.铸铁ZT200,钢,铝合金以及工程塑料,
2.应用灰口铸铁最广,一般为HT15——33,在重要场合或带轮速度较高时,可用HT20——40。
三角胶带型号及截面尺寸(按GB1171——74)
型号
截面尺寸截面积尺寸单位长度质量b h ′A,mm ha hp q ,kg/m
O A B C D E F 10
13
17
22
32
38
50
6
8
19
30
40°
47
81
138
230
476
692
1170
11
14
27
32
42
皮带型号顶宽高度角度标测长度外周长10640o Li (内周长)Li+38mm
13840o Li Li+50mm
171140o Li Li+69mm
221440o Li Li+88mm
322040o Li Li+119mm
10840o Lp (节圆长)Lp+13mm
131040o Lp Lp+18mm
171340o Lp Lp+20mm
221840o Lp Lp+30mm
840o La (外周长)
161440o La
252340o La
标准三角带A,B,C,D,Z。