医疗器械临床试验检查要点及判定原则
- 格式:doc
- 大小:91.00 KB
- 文档页数:6
医疗器械临床试验机构监督检查的要点包括以下几个方面:●试验机构资质审查:监督检查应对临床试验机构的资质进行审查,包括机构的设施条件、人员配备、质量管理体系等是否符合相关法规和规范的要求。
●试验方案审核:监督检查应对临床试验机构提交的试验方案进行审核。
包括试验设计、样本量计算、试验流程、伦理审查等是否符合科学合理性和伦理要求。
●管理和记录:监督检查应检查试验机构对试验过程中的管理和记录是否符合规定。
包括试验数据的完整性、真实性、可追溯性等。
●受试者权益保护:监督检查应关注试验机构对受试者权益的保护情况,包括知情同意的取得、试验风险的评估和控制、试验过程中的监护和关爱等。
●安全报告和不良事件处理:监督检查应对试验机构提交的安全报告和不良事件处理情况进行审查,确保试验机构能及时有效地采取措施保障受试者的安全。
●监督检查记录和报告:监督检查应详细记录检查过程和结果,并及时编制检查报告。
报告应包括发现的问题、整改要求和期限等。
在进行监督检查时,判定原则可以按照以下几个方面进行考量:◆法规和规范遵守情况:判定机构是否严格按照国家和地区的法规和规范进行操作和管理。
是否存在重大违规行为或违反伦理要求的情况。
◆质量管理体系:判定机构的质量管理体系是否健全,包括管理流程、文件记录、培训计划等。
是否能有效地控制试验的质量和风险。
◆数据的完整性和可靠性:判定机构提交的试验数据是否完整、真实可靠,并能够进行核查和复核。
是否存在数据篡改或操纵的情况。
◆受试者权益保护:判定机构对受试者权益的保护情况,包括知情同意的获得、试验过程中的监护和关爱等。
是否存在侵害受试者权益的行为。
◆安全报告和不良事件处理:判定机构对安全报告和不良事件的处理是否及时、有效。
是否存在未能及时发现和采取措施的情况。
判定原则应综合考虑以上要点,并根据实际情况进行评估。
同时,监督检查应公正、客观、公开,并依法对发现的问题进行整改和处理。
欧迪特(北京)医学研究有限公司作为一家临床试验稽查公司和医之邦(北京)医学研究有限公司作为一家CRO公司,在医疗器械注册临床试验稽查方面有丰富的经验,对于质量的控制也能把握的恰到好处。
医疗器械临床试验检查要点及判定原则医疗器械临床试验是评价医疗器械安全性和有效性的重要手段之一。
在进行临床试验时,需要进行一系列的检查和评估,以确保试验的可靠性和有效性。
下面将介绍医疗器械临床试验的检查要点和判定原则。
1.研究对象的选择研究对象是医疗器械临床试验的关键因素之一,应根据试验的目的和研究对象的特点进行选择。
通常选择的对象包括患者、健康志愿者或医务人员等。
在选择研究对象时,应考虑试验的目的、疾病的严重程度、患者的特点等因素。
2.试验设计试验设计是指确定试验的标准、流程和方法。
常见的试验设计包括随机对照试验、单盲试验和双盲试验等。
在设计试验时,应考虑试验的目的、样本量、试验组与对照组的比较等因素。
3.试验方案和操作规范试验方案是指明确试验的目的、方法和步骤的文件,操作规范是指明确各操作程序和标准的文件。
试验方案和操作规范应详细描述试验的目的、方法、实施步骤、样本选择方法、试验终点指标等,并指导试验人员进行操作。
4.数据收集和管理数据收集是指对试验期间产生的相关数据进行整理和记录。
在数据收集过程中,应制定科学合理的数据收集表格,并进行数据核对和整理。
数据管理是指对数据进行分类、整理和归档,并建立相应的数据库。
5.安全性评估安全性评估是评价医疗器械在临床试验中安全性的主要指标之一。
安全性评估主要包括不良事件的发生率和严重性评估等。
在进行安全性评估时,应设立专门的安全性评估委员会,并根据国家相关规定编制安全性评估报告。
6.有效性评估有效性评估是评价医疗器械在临床试验中疗效的主要指标之一。
有效性评估主要包括临床疗效指标、临床终点指标和效果评价等。
在进行有效性评估时,应根据试验的目的和研究对象的特点选择适当的评估指标。
7.数据分析和结果判定数据分析是根据试验数据进行统计分析的过程。
数据分析应采用科学合理的统计方法,并综合考虑结果的可靠性和显著性。
结果判定是根据数据分析的结果来评价试验的效果和结论。
8.伦理审查和知情同意伦理审查是指对试验方案和操作规范进行伦理道德审查的过程。
医疗器械临床试验检查要点及判定原则(征求意见稿)为保证医疗器械临床试验检查质量,统一检查范围和判定标准,根据《医疗器械监督管理条例》《医疗器械注册与备案管理办法》《体外诊断试剂注册与备案管理办法》和《医疗器械临床试验质量管理规范》(以下简称GCP)等法规文件及相关指导原则,制定《医疗器械临床试验检查要点及判定原则》。
一、检查目的医疗器械临床试验检查目的主要是通过对注册申报资料与临床试验原始记录和基本文件的核对和/或实地确证,评价试验实施、数据记录和结果报告是否符合试验方案和医疗器械临床试验相关法规,确认医疗器械临床试验实施过程的规范性,核实相关申报资料的真实性、完整性、准确性和可溯源性,同时关注受试者权益和安全。
二、适用范围本检查要点适用于由国家药品监督管理局启动、由国家药品监督管理局食品药品审核查验中心组织实施的医疗器械临床试验现场检查。
各省、自治区、直辖市药品监督管理部门对本行政区域内的临床试验现场检查参照本检查要点执行。
三、检查要点内容《医疗器械临床试验检查要点》共分为临床试验条件与合规性、受试者权益保障、临床试验方案、临床试验实施过程、临床试验数据记录溯源与报告、试验医疗器械管理六个部分,其中将临床试验过程细分为受试者筛选入组、临床试验方案执行、安全性信息处理与报告等三个部分。
医疗器械临床试验检查要点共计72条,详见附表1。
《体外诊断试剂临床试验检查要点》共分为临床试验条件与合规性、受试者权益保障、临床试验方案、临床试验实施、试验用体外诊断试剂相关试剂和仪器管理、临床试验记录、临床试验报告七个部分。
体外诊断试剂临床试验检查要点共计52条,详见附表2。
四、检查结果判定原则对临床试验过程中原始记录和数据进行核实确认,根据检查发现的问题,检查结果按以下原则判定:(一)检查发现以下情形之一的,判定为存在真实性问题:1.编造或者无合理解释地修改受试者信息、主要试验过程记录、研究数据、检测数据等临床试验数据,以及试验医疗器械信息;2.以对照医疗器械替代试验医疗器械、以试验医疗器械替代对照医疗器械,或者以其他医疗器械替代自行研制的试验医疗器械,以及以其他方式使用虚假试验医疗器械;3.隐瞒试验数据,无合理解释地弃用试验数据,以其他方式违反试验方案选择性使用试验数据;4.瞒报与试验医疗器械相关的严重不良事件和可能导致严重不良事件的医疗器械缺陷;5•瞒报试验方案禁用的合并药物或医疗器械;6.故意损毁、隐匿临床试验数据或者数据存储介质;7.关键临床试验活动、临床试验数据不能溯源,如入选排除标准、主要疗效指标、重要的安全性指标等,且无合理解释等应被视为其他故意破坏医疗器械临床试验真实性的情形。
医疗器械临床试验检查要点及判定原则征求意见稿[引言]医疗器械临床试验是确保医疗器械安全有效的重要环节,而试验检查是其中不可或缺的步骤。
本文旨在征求各方意见,就医疗器械临床试验中的检查要点及判定原则进行探讨。
[一、试验前检查]医疗器械临床试验前的检查是确保试验的可行性和有效性的前提。
以下是一些试验前检查的要点和判定原则。
1. 试验目的明确:在开始试验前,要明确试验的目的和研究问题,确保试验的科学性和可行性。
2. 试验设计合理:试验设计是试验的基础,要按照临床试验的各项规范和准则进行设计,确保试验的准确性和可靠性。
3. 研究人员资质:试验团队的研究人员应具备相应的专业知识和技能,有能力进行试验,并保证试验过程的科学性和规范性。
[二、试验中检查]试验中的检查是确保试验进展和数据质量的关键环节。
以下是一些试验中检查的要点和判定原则。
1. 实施方案严格执行:试验方案是试验的指导文件,应严格按照方案进行试验操作,确保试验的一致性和可比性。
2. 记录完整准确:试验过程中应做好试验记录,并确保记录的完整性和准确性。
试验记录是对试验结果进行评估和分析的重要依据。
3. 数据质量控制:试验过程中应进行数据质量控制,如数据清洗、数据验证等,确保试验数据的准确性和可靠性。
[三、试验后检查]试验后的检查是对试验结果进行评价和总结的环节。
以下是一些试验后检查的要点和判定原则。
1. 数据分析与解释:对试验结果进行科学的数据分析和解释,并结合其他相应的数据进行综合评估,得出客观准确的结论。
2. 安全性评估:对试验中出现的可能的不良反应和安全问题进行评估,并确保试验过程中尽可能最大限度地保障受试者的安全。
3. 结果报告与公开:试验结果应进行完整详实的结果报告,并确保公开透明。
试验结果的公开对于改进医疗器械性能、推动临床实践具有重要意义。
[结语]医疗器械临床试验检查要点和判定原则对于确保试验的可靠性和有效性至关重要。
本文提出了一些试验前、试验中和试验后的检查要点和判定原则,希望能够为进一步完善医疗器械临床试验提供参考和指导。
医疗器械临床试验机构监督检查要点及判定原则
医疗器械临床试验机构监督检查要点及判定原则包括以下几个方面:
1. 试验机构管理制度:检查是否建立了科学、完整的管理制度,包括试验人员组织管理、合同管理、数据管理等方面的规定。
2. 试验人员资质和培训:核查试验人员的从业资格和相关培训情况,确保试验人员具备必要的专业知识和技能。
3. 试验设备与环境条件:检查试验机构是否配备了合适的试验设备,并保持设备的正常运行状态,同时考察试验环境是否符合相关要求。
4. 试验主体和研究方案:审查试验机构的筛选和招募试验对象的方法是否符合要求,同时检查研究方案的科学性和合理性。
5. 试验过程和数据管理:检查试验机构是否按照规定的试验程序进行试验,同时评估数据的完整性和准确性。
6. 试验结果和报告:核查试验结果的真实性和可靠性,审查试验报告的合规性和完整性。
判定原则主要包括:
1. 合规性原则:根据法律法规和监管要求,判断试验机构是否符合相关的管理规定和标准。
2. 严谨性原则:评估试验机构的试验设计、数据采集和分析,判断其科学性和方法的严谨性。
3. 可操作性原则:评估试验机构是否具备开展试验所需的设备、人员和技术条件,判断其能否按照规定的程序进行试验。
4. 有效性原则:评估试验结果的可信度和有效性,判断试验是否能够提供有关医疗器械安全性和有效性的科学依据。
以上是医疗器械临床试验机构监督检查的要点及判定原则,通过严格监督和检查,可以确保试验机构的合规性和试验结果的可信度,提高医疗器械临床试验的质量和安全性。
医疗器械临床试验检查要点及判定原则随着医疗技术的不断进步,医疗器械在临床试验中扮演着重要角色。
为确保试验的科学性、可靠性和安全性,临床试验的检查要点及判定原则变得至关重要。
本文将介绍医疗器械临床试验的主要检查要点及判定原则,以帮助读者更好地了解这个领域。
一、检查要点在医疗器械临床试验过程中,以下是一些常见的检查要点:1. 试验对象的选择:医疗器械临床试验通常需要选择适合的试验对象,如病患、健康志愿者等。
试验对象的选择需要符合试验目的和样本量要求。
2. 检查项目的确定:试验过程中,需要明确试验所要检查的项目。
这些项目可能包括生理参数、症状评估、实验室检查等。
确保检查项目的准确性和全面性对于试验结果的可靠性至关重要。
3. 检查方法的标准化:为了保证试验的可比性和准确性,临床试验需要制定标准化的检查方法。
这些方法应当明确试验人员、设备以及试验环境的要求,以确保试验的可重复性和一致性。
4. 数据记录和管理:在试验过程中,应当建立严格的数据记录和管理系统。
这包括确保数据的完整性、准确性以及保密性,以及及时进行数据的整理和统计。
二、判定原则判定原则是评估医疗器械临床试验结果的依据。
以下是一些常见的判定原则:1. 安全性评估:医疗器械的安全性在临床试验中是首要考虑的因素之一。
通过对试验对象的观察和监测,评估医疗器械使用过程中的安全性,包括可能的副作用、并发症等。
2. 疗效评估:医疗器械的疗效评估常常是临床试验的重点之一。
根据试验目的和设计,评估医疗器械在治疗、预防或诊断疾病方面的疗效。
3. 可行性评估:医疗器械的临床试验还需要考虑其可行性。
试验一个新的医疗器械可能需要投入大量的资金、人力和时间。
因此,需要评估试验的可行性和必要性,确保试验的科学性和有效性。
4. 伦理监管:医疗器械临床试验需要符合伦理原则和监管要求。
试验过程应当符合伦理委员会的评估和监管,保证试验的合法性和道德性。
综上所述,医疗器械临床试验的检查要点及判定原则是确保试验结果准确、可靠和安全的重要依据。
医疗器械临床试验检查要点及判定原则各省、自治区、直辖市食品药品监督管理局(药品监督管理局),核查中心:为加强医疗器械临床试验过程的监督管理,指导监管部门开展医疗器械临床试验监督检查工作,根据《医疗器械注册管理办法》和《医疗器械临床试验质量管理规范》要求,国家药品监督管理局组织制定了《医疗器械临床试验检查要点及判定原则》,现予以发布。
国家药监局综合司2018年11月19日医疗器械临床试验检查要点及判定原则根据《医疗器械注册管理办法》和《医疗器械临床试验质量管理规范》等要求制定本检查要点及判定原则,用于指导医疗器械临床试验现场检查工作。
一、检查要点二、判定原则根据检查发现的问题,检查结果按以下原则判定:(一)有以下情形之一的,判定为存在真实性问题:1.编造受试者信息、主要试验过程记录、研究数据、检测数据等临床试验数据,影响医疗器械安全性、有效性评价结果的;2.临床试验数据,如入选排除标准、主要疗效指标、重要的安全性指标等不能溯源的;3.试验用医疗器械不真实,如以对照用医疗器械替代试验用医疗器械、以试验用医疗器械替代对照用医疗器械,以及以其他方式使用虚假试验用医疗器械的;4.瞒报与临床试验用医疗器械相关的严重不良事件和可能导致严重不良事件的医疗器械缺陷、使用方案禁用的合并用药或医疗器械的;5.注册申请的临床试验报告中数据与临床试验机构保存的临床试验报告中的数据不一致,影响医疗器械安全性、有效性评价结果的;6.注册申请的临床试验统计分析报告中数据与临床试验统计数据库中数据或分中心临床试验小结中数据不一致,影响医疗器械安全性、有效性评价结果的;7.其他故意破坏医疗器械临床试验数据真实性的情形。
(二)未发现真实性问题的,但临床试验过程不符合医疗器械临床试验相关规定要求的,判定为存在合规性问题。
(三)未发现上述问题的,判定为符合要求。
【导言】1. 医疗器械的研发与生产需要经过严格的临床试验和检查,以确保其符合安全、有效的标准,能够保障病患的健康和生命安全。
2. 为了规范医疗器械临床试验检查工作,制定了本次征求意见稿,旨在明确医疗器械临床试验检查的要点和判定原则。
【要点一:医疗器械临床试验检查的要点】3. 临床试验的目的:明确医疗器械的安全性、有效性和适用性,评价其临床价值。
4. 试验设计和方案:确保试验设计科学合理,方案详细完善,包括试验对象、试验分组、随访时间等。
5. 试验数据采集和监测:监测试验对象的生理指标、病情变化等数据,确保数据的准确性和完整性。
6. 不良事件和并发症的记录和报告:及时记录试验过程中出现的不良事件和并发症,并按规定报告相关部门。
7. 试验报告的撰写和提交:撰写详细、准确的试验报告,并按规定提交相关部门审核。
【要点二:医疗器械临床试验检查的判定原则】8. 安全性评价:评估医疗器械使用过程中可能对患者造成的风险,包括但不限于感染、过敏等。
9. 有效性评价:验证医疗器械的临床治疗效果,确保其具有预期的疗效。
10. 适用性评价:评价医疗器械在临床实际应用中的适用性和可行性,确保其能够满足临床需要。
11. 审查和批准:对医疗器械临床试验结果进行审查,依据相关法律法规和标准,做出批准或拒绝的决定。
【结语】12. 医疗器械临床试验检查是保障患者用药安全的重要环节,严格遵循试验要点和判定原则,有利于确保医疗器械的质量和安全性。
希望各界人士积极就本次征求意见稿提出宝贵意见,共同完善医疗器械临床试验检查制度,促进医疗器械行业的良性发展。
医疗器械临床试验检查是医疗器械研发和生产过程中至关重要的环节。
临床试验的目的在于评估医疗器械的安全性、有效性和适用性,以确保其在临床实际应用中能够符合预期的疗效并且不会对患者造成不良影响。
试验的设计和方案、数据采集和监测、不良事件和并发症的记录和报告,以及试验报告的撰写和提交都至关重要。
医疗器械临床试验检查要点及判定原则医疗器械临床试验是在人体上进行的试验,旨在评估器械的安全性和有效性。
在试验过程中,检查要点和判定原则起着至关重要的作用。
以下是关于医疗器械临床试验检查要点及判定原则的详细说明。
一、检查要点1.研究设计检查要点:研究设计是临床试验的基础,包括试验设计、样本大小估计、入选和排除标准等。
研究设计的合理性对于试验的可靠性和科学性至关重要。
2.数据收集检查要点:数据收集是临床试验的核心。
在试验过程中,需要收集各种数据,包括患者的基本信息、疾病的严重程度、器械的使用情况等。
数据的收集要点包括数据的形式、时间点、频率和质量控制等。
3.安全监测检查要点:在临床试验过程中,安全监测是非常重要的一项工作。
需要对患者的安全情况进行监测,及时发现和处理可能的不良反应或并发症。
安全监测的要点包括监测的频率、终点事件的定义、不良事件的分类和分级等。
4.数据分析检查要点:数据分析是对试验结果进行统计处理和解释的过程。
数据分析的要点包括统计方法的选择、数据的清理和整理、结果的解释等。
二、判定原则1.安全性判定原则:安全性是医疗器械临床试验的首要考量。
在试验过程中,需要评估器械对患者的安全性。
如果发现试验治疗组与对照组之间出现严重不良事件的差异,需要对治疗方案进行调整或者终止试验。
2.有效性判定原则:有效性是评估医疗器械是否具有临床应用价值的关键指标。
在试验过程中,需要评估器械对预定终点事件的影响。
如果发现试验治疗组与对照组之间出现统计学上的显著差异,可以认定器械具有一定的临床疗效。
3.可行性判定原则:可行性是评估医疗器械是否具有实际应用可能性的重要因素。
在试验过程中,需要评估器械的操作性、费用效益、患者满意度等指标。
如果发现器械在实际临床中存在较大局限性或者不切实际,可以认定其不具备实际应用的可行性。
4.可接受性判定原则:可接受性是评估医疗器械是否符合伦理和法律要求的重要依据。
在试验过程中,需要遵循伦理原则和法律法规,确保试验的道德性和合法性。
器械临床试验核查要点
器械临床试验核查要点
以下是关于医疗器械临床试验核查要点的简要说明:
为了加强医疗器械临床试验过程的监督管理,指导监管部门开展医疗器械临床试验监督检查工作,国家药监局和各省、自治区、直辖市的食品药品监督管理局发布了《医疗器械临床试验检查要点及判定原则》文件。
该文件主要从医疗器械试验的各个环节入手,对如何进行监督检查提出了要求。
包括:临床试验方案的设计、伦理审批、受试者的选取、试验可行性分析、试验药品的质量控制、数据收集等方面均有要求。
同时对医疗器械临床试验中可能存在的不合理行为和问题,以及如何判定试验过程中出现的安全隐患和违规行为等内容也做出了详细的要求和规定。
需要注意的是,该文件是对医疗器械临床试验监督检查工作的指导性文件,并不代表具有法律效力。
在实践中,相关企业和机构需要根据实际情况制定相应的操作规程和管理制度,确保医疗器械临床试验过程的合法、合规、安全和有效。
医疗器械临床试验指导原则
医疗器械临床试验的指导原则包括以下几点:
1.伦理原则:临床试验必须符合伦理原则,尊重试验对象的权益和安全,确保试验的科学性、可靠性和质量。
2.安全性评价:临床试验必须评价医疗器械的安全性,包括器械使用过程中的不良事件和副作用,必要时需要对可能的风险进行预警和管理。
3.效果评价:临床试验必须评价医疗器械的效果和疗效,包括器械对患者诊断、治疗和康复效果的影响,必要时需要与其他常规治疗方法进行比较。
4.样本选择:临床试验必须合理选择试验样本,包括对试验对象的定义、入组和排除标准的确定,以及样本数量的计算,旨在保证试验结果的准确性和可靠性。
5.随访与记录:临床试验必须对试验对象进行长期随访,包括对治疗效果和安全性的评估,同时必须完整和准确记录试验过程和结果,以便进行数据分析和结果验证。
6.合作与沟通:临床试验必须加强合作与沟通,包括与相关监管机构、医疗机构、试验研究人员和患者之间的合作与沟通,共同推动临床试验的开展和发展。
以上是医疗器械临床试验的一般指导原则,具体的原则和要求
可能会因不同的国家、地区或试验目的而有所差异。
在进行临床试验前,应该确保遵守相关的法规和规章,并咨询专业人士或相关机构的意见和指导。
医疗器械临床试验原则医疗器械临床试验原则一、引言医疗器械临床试验是评估和验证医疗器械安全性和有效性的重要环节,对于保障患者的用药安全和提高医疗器械的临床应用价值具有重要作用。
本文将介绍医疗器械临床试验的原则,以确保试验结果的科学性和可靠性。
二、确立研究目的和问题医疗器械临床试验的首要任务是明确研究目的和问题。
在设计试验方案之前,研究者必须明确试验的目的,比如评估医疗器械的疗效、安全性、适用范围等。
同时,还需要明确试验中可能出现的问题,如不良反应、效果不明显等。
三、确定研究设计和样本量医疗器械临床试验的研究设计是保证试验结果的可靠性和科学性的基础。
常见的研究设计包括随机对照试验、非随机对照试验等。
在选择研究设计时,需考虑到试验目的和问题,确保研究设计的合理性。
样本量的确定是医疗器械临床试验中的重要环节。
合理的样本量可以提高试验结果的统计学可靠性。
样本量的确定需要考虑试验目的、试验设计、统计方法等因素,并通过统计学方法进行计算。
四、试验方案的制定和实施试验方案的制定是医疗器械临床试验的核心环节。
试验方案应包括试验设计、入选标准、排除标准、随访方案、评价指标、统计分析方法等内容。
试验方案的制定需要充分考虑试验的科学性、可操作性和可行性。
试验方案的实施需要遵循相关的伦理准则和法律法规,保障试验过程的安全性和患者的权益。
试验过程中需进行严格的数据管理,确保数据的真实性和完整性。
五、数据分析和结论医疗器械临床试验结束后,需要对试验数据进行合理的统计分析。
数据分析的目的是验证试验假设和回答试验问题。
常用的统计分析方法包括描述性统计、参数检验、生存分析等。
数据分析结果应该基于统计学的原则和方法,确保分析结果的科学性和可靠性。
根据数据分析的结果,研究者需要给出结论。
结论应该基于试验数据和分析结果,客观、准确地回答试验的目的和问题。
结论的表述应该清晰明确,避免歧义和错误信息。
六、结果的解读和应用医疗器械临床试验的结果应该经过科学的解读,以便指导临床实践和决策。
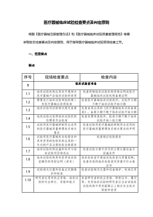
医疗器械临床试验检查要点及判定原则根据《医疗器械注册管理办法》和《医疗器械临床试验质量管理规范》等要求制定本检查要点及判定原则,用于指导医疗器械临床试验现场检查工作。
一、检查要点现场检查要点检查内容临床试验前准备1.1 临床试验机构应具有开展相关医疗器械产品临床试验的资质检查药物临床试验机构资格证明或医疗器械临床试验机构备案证明1.2 需要进行临床试验审批的第三类医疗器械应获得批准检查医疗器械临床试验批件,且批件日期不晚于临床试验开始日期1.3 临床试验项目按相关规定备案检查省局出具的《医疗器械临床试验备案表》,备案日期不晚于临床试验开始日期1.4 临床试验应获得临床试验机构伦理委员会批准检查伦理审查批件,批准日期不晚于临床试验开始入组日期1.5 试验用医疗器械研制符合适用的医疗器械质量管理体系相关要求检查试验用医疗器械的研制符合适用的医疗器械质量管理体系相关要求的声明1.6 试验用医疗器械有自检报告和具有资质的检验机构出具的一年内的产品注册检验合格报告检查相应检验报告1.7 临床试验机构设施和条件与临床试验项目相适应检查试验方案中涉及的主要仪器设备及设施条件1.8 临床试验机构具有医学或实验室操作的质控证明(若有)临床检验室开展临床检验室内质量控制,检查有效的临床检验室间质量评价合格证书1.9 试验相关仪器和设备应定期维护和校准检查试验相关仪器和设备维护、校准记录1.10 研究者应具有执业资格、临床试验的专业特长、资格和能力检查研究者的执业资格、职称证书、履历等。
负责临床试验的研究者应当在该临床试验机构中具有副高以上相关专业技术职称和资质1.11 研究者经过临床试验方案和试验用医疗器械使用和维护的培训检查研究者临床试验方案和试验用医疗器械使用和维护的培训记录,培训日期不晚于临床试验开始日期1.12 临床试验签署临床试验协议/合同检查申办者/代理人与临床试验机构签订的协议/合同,规定了各自职责1.13 协议/合同内容与试验用医疗器械信息相符检查协议/合同与临床试验方案,相关信息一致2受试者权益保障2.1伦理审查2.1.1 伦理委员会委员经过培训检查伦理委员会委员培训记录或培训证书2.1.2 伦理审查内容符合相关规范、指导原则和SOP要求检查伦理审查内容应当符合《医疗器械临床试验质量管理规范》(以下简称医疗器械GCP)第17、33条,相关指导原则和医院伦理SOP的要求2.1.3 伦理审查记录应完整检查伦理委员会保存的资料的完整性,应当具有审查材料、审查表格、签到表、表决票、会议记录、审查批件等SOP中规定的文件2.1.4 伦理委员会表决符合相关规范、指导原则和SOP要求检查伦理审查意见、伦理委员会成员组成、表决记录,应当符合医疗器械GCP第30、32、35条,指导原则和SOP的要求2.1.5 临床试验方案、知情同意书等文件的修订、请求偏离、恢复已暂停临床试验,应获得伦理委员会的书面批准检查相关情况的伦理委员会批准文件2.1.6 伦理委员会对已批准的临床试验进行跟踪监督检查临床试验的跟踪记录2.2知情同意2.2.1 知情同意书内容符合相关规范、指导原则和SOP要求检查知情同意书内容,应当符合医疗器械GCP第22条、指导原则和SOP的要求2.2.2 临床试验前受试者或者其监护人和研究者均在知情同意书上签署姓名和日期,符合相关规范、指导原则和SOP要求检查受试者筛选表和签名的知情同意书,人数应当一致,应当由受试者本人或者其监护人/见证人和研究者在参与临床试验前签署2.2.3 已签署的知情同意书版本与伦理审查通过的版本一致检查知情同意书版本和内容,签署的知情同意书应当与伦理审查通过的版本和内容应一致2.2.4 知情同意书内容更新,应再次获得临床试验中受影响的受试者或者其监护人知情同意检查知情同意书更新版本,更新后,试验中受影响的受试者或者其监护人应当重新签署新版本的知情同意书3临床试验方案3.1 临床试验方案有所有中心研究者和申办者确认检查临床试验方案中研究者的确认情况,临床试验方案应当获得所有中心研究者和申办者签字,加盖临床试验机构公章3.2 执行的临床试验方案内容与伦理审查的临床试验方案内容一致检查临床试验方案与伦理委员会保存的临床试验方案,版本和内容应当一致3.3 多中心临床试验各中心执行的试验方案为同一版本检查各临床试验中心保存并执行的临床试验方案版本,应当为同一版本3.4 注册申请提交的临床试验方案内容应与临床试验机构保存的临床试验方案内容一致检查注册申请提交的临床试验方案和临床试验机构保存的临床试验方案,版本和内容应一致4临床试验过程4.1 临床试验相关人员应获得主要研究者授权和相关培训检查分工授权表和研究者培训记录、签名4.2 临床试验相关的医疗决定应由研究者负责检查人员履历和人员分工表,分工表中人员授权应当合理,原始文件中的医疗决定由研究者签字4.3 具有病例筛选入选记录检查病例筛选入选记录,筛选入选记录中受试者筛选失败应当明确记录其原因,研究者可提供受试者鉴认文件4.4 受试者鉴认文件或筛选入选、体检等原始记录涵盖受试者身份鉴别信息检查受试者鉴认文件或筛选入选、体检等原始记录,记录包含受试者身份证号、姓名等身份鉴别信息4.5 研究者应遵守临床试验的随机化程序(如适用)检查受试者入选号、随机号的分配,应当符合临床试验方案4.6 受试者体检和实验室等辅助检查项目应与试验方案一致检查原始病历中的体检和实验室等辅助检查项目,应当与临床试验方案要求一致,偏离方案的检查应当进行记录4.7 实验室等辅助检查是否在方案规定的时间范围内检查实验室等辅助检查时间,应当在临床试验方案规定的时间范围内,偏离时间范围的应当进行记录4.8 受试者入组符合试验方案的入选与排除标准检查原始病历中的病史、用药史、实验室检查、诊断等,受试者应当符合临床试验方案中的全部入选与排除标准4.9 试验用医疗器械使用有原始记录检查原始病历、器械使用记录、受试者日记卡,应当记录试验用医疗器械使用情况4.10 试验用医疗器械产品名称、规格型号、使用方法(如日期、时间、状态等)与临床试验方案和研究者手册、说明书一致检查原始病历、器械使用记录、受试者日记卡中记录的试验用医疗器械产品名称、规格型号、使用方法(如日期、时间、状态等),应当与临床试验方案和研究者手册、说明书一致4.11 观察随访点与方案一致,应如实记录未能做到的随访、未进行的试验、未做的检查检查原始病历中的随访记录,与病例报告表(以下简称CRF)中的数据一致,偏离方案的应当进行记录4.12 紧急情况下偏离方案,应以书面形式报告检查紧急情况下偏离方案的情况,应当有记录,并检查提交给申办者、伦理委员会和临床试验机构的医疗器械临床试验管理部门的报告情况4.13 受试者任何原因退出与失访应记录并详细说明检查筛选入选表、原始病历、CRF或分中心临床试验小结中受试者完成试验情况,退出与失访应当记录并详细说明4.14 安全性、有效性评价应符合试验方案要求检查原始病历中的安全性、有效性评价方法应当按照临床试验方案要求执行,原始数据与CRF一致4.15 研究者应对显著偏离临床试验方案或者在临床可接受范围以外的数据进行核实检查检验报告单,研究者对其中的异常值应当进行判定4.16 合并使用药品、医疗器械情况应按照试验方案记录,不应有违反试验方案要求的合并用药品、医疗器械(如适用)检查原始病历、医院HIS系统,研究者对合并使用药品、医疗器械情况应当进行记录,并与CRF、临床试验统计数据库中数据一致4.17 不良事件、并发症和器械缺陷应记录检查原始病历、医院HIS系统,研究者对不良事件、并发症和器械缺陷应当进行记录,并与CRF和临床试验统计数据库中数据一致4.18 及时治疗和处理严重不良事件/不良事件(SAE/AE),跟踪随访检查原始病历或严重不良事件/不良事件报告表,严重不良事件/不良事件处理应当及时,并进行跟踪随访4.19 严重不良事件(SAE)和可能导致严重不良事件的器械缺陷在规定时间内报告给规定部门检查严重不良事件报告表,记录应当完整,证明研究者在24小时内书面报告相应的伦理委员会以及临床试验机构所在地省、自治区、直辖市药品监督管理部门和卫生计生主管部门。
检查器械缺陷报告情况,证明器械缺陷已经临床试验机构医疗器械临床试验管理部门报伦理委员会审查4.20 暂停或者终止临床试验时,受试者应得到适当治疗和随访检查原始病历,受试者有适当治疗和随访4.21 盲法试验按照试验方案的要求进行揭盲(若有)检查揭盲记录,核实揭盲符合方案规定4.22 申办方对临床试验实施监查检查监查员的监查记录,研究者对监查发现的问题应当及时采取改正措施5记录与报告5.1临床试验记录5.1.1 临床试验记录的填写准确、完整、清晰、及时检查原始病历、CRF,记录应当准确、完整、清晰、及时5.1.2 对错误、遗漏做出纠正检查原始病历中的修改记录、数据质疑表及应答记录,对错误、遗漏应当做出纠正5.1.3 临床试验记录的修改应说明理由,修改者签名并注明日期,保持原始记录清晰可辨检查原始病历修改记录,修改应当符合要求,并记录修改理由5.1.4 检验科、影像科、心电室、内镜室等检查检验结果可溯源检查医院LIS、PACS等系统,相关辅助检查数据应当可在系统中溯源5.1.5 CRF中的数据与原始病历一致检查CRF和原始病历,数据应当一致5.1.6 电子临床数据库或者远程电子临床数据系统,应确保临床数据的受控、真实,并有完整的验证文件(如适用)检查电子临床数据库或者远程电子临床数据系统,应当有培训记录、独立账号、使用权限、数据审核、验证文件,有审计追踪功能5.2临床试验报告5.2.1 多中心临床试验结束后,各分中心有临床试验小结或临床试验报告检查各分中心临床试验小结或临床试验报告,应当保存完整5.2.2 临床试验小结或临床试验报告有研究者签名、注明日期,有临床试验机构审核意见、注明日期并加盖临床试验机构印章检查临床试验小结或临床试验报告,应当有研究者签名、注明日期,有临床试验机构审核意见、注明日期并加盖临床试验机构印章5.2.3 用于统计的数据库数据或分中心临床试验小结数据与CRF一致抽查CRF临床试验统计与数据库中的数据,数据应当一致5.2.4 临床试验报告或统计分析报告与用于统计的数据库数据或分中心临床试验小结数据一致检查临床试验报告或统计分析报告与临床试验统计数据库或分中心临床试验小结数据,数据应当一致5.2.5 注册申请提交的临床试验报告内容与临床试验机构保存的临床试验报告内容一致检查注册申请提交的临床试验报告和临床试验机构保存的临床试验报告,版本、内容应当一致6试验用医疗器械管理6.1 保存信息包括名称、型号、规格、接收日期、生产日期、产品批号或者序列号等检查试验用医疗器械交接单或其他相关记录,应当有名称、型号、规格、接收日期、生产日期、产品批号或者序列号、数量等信息6.2 与检测报告、临床试验报告中的产品名称、规格型号一致检查临床实际使用、检测报告、临床试验报告中试验用医疗器械的规格型号,信息应当一致6.3 运输、接收、储存、分发、回收与处理等记录应完整检查运输、接收、储存、分发、回收与处理等记录,内容应当完整,数量不一致的记录原因6.4 运输条件、储存条件、储存时间、有效期等是否符合要求检查运输、接收、储存记录,运输条件、储存条件、储存时间、有效期等应当符合要求6.5 所使用的、废弃的或者返还的数量与申办者提供的数量一致检查接收、使用、废弃、回收记录,数量应当与申办者提供的数据一致6.6 特殊医疗器械保存和使用情况与总结报告内容一致检查有特殊场地保存要求的医疗器械(如需放射防护、需低温冷藏等),保存条件和使用情况应当与总结报告内容一致二、判定原则根据检查发现的问题,检查结果按以下原则判定:(一)有以下情形之一的,判定为存在真实性问题:1.编造受试者信息、主要试验过程记录、研究数据、检测数据等临床试验数据,影响医疗器械安全性、有效性评价结果的;2.临床试验数据,如入选排除标准、主要疗效指标、重要的安全性指标等不能溯源的;3.试验用医疗器械不真实,如以对照用医疗器械替代试验用医疗器械、以试验用医疗器械替代对照用医疗器械,以及以其他方式使用虚假试验用医疗器械的;4.瞒报与临床试验用医疗器械相关的严重不良事件和可能导致严重不良事件的医疗器械缺陷、使用方案禁用的合并用药或医疗器械的;5.注册申请的临床试验报告中数据与临床试验机构保存的临床试验报告中的数据不一致,影响医疗器械安全性、有效性评价结果的;6.注册申请的临床试验统计分析报告中数据与临床试验统计数据库中数据或分中心临床试验小结中数据不一致,影响医疗器械安全性、有效性评价结果的;7.其他故意破坏医疗器械临床试验数据真实性的情形。