汽车产品型号(1)
- 格式:ppt
- 大小:732.00 KB
- 文档页数:45
汽车产品型号编制规则汇总汽车产品型号编制规则我国于1988年制定了新的国家标准GB9417一88《汽车产品型号编制规则》,用简单的汉语拼音字母和阿拉伯数字编号来表示国产汽车的企业代号、车辆类型代号、主要特征参数代号、产品序号和企业自定代号等。
□□○○○○■■■a b c d ea:企业名称代号;b:车辆类别代号;c:主参数代号;d:产品序号;e:专用汽车企业自定代号□:用汉语拼音字母表示○:用阿拉伯数字表示■:用汉语拼音字母或阿拉伯数字均可1、首部“a”:由2个或3个汉语拼音字母组成,是识别企业名称的代号。
企业名称代号车辆种类企业名称代号车辆种类EA 二汽东风ZZ 重汽CA 一汽解放HN 华菱BJ 北京福田ND 北奔HFC 江淮SX 陕西陕汽2、中部“b、c、d”:由四位阿拉伯数字组成。
第一位数字“b”代表车辆类别代号,如下表:车辆类别代号车辆种类车辆类别代号车辆种类1 载货汽车 6 客车2 越野汽车7 轿车3 自卸汽车8 --4 牵引汽车9 半挂车及专用半挂车5 专用汽车注:上表也适用于所列车辆的底盘。
第二、三位数字“c”代表各类汽车的主要特征参数:载货车用总质量(t)、客车用总长度(0.1mm)、轿车用排量(0.1L)第四位数字“d”则代表产品的序号。
“0”为第一代产品;“1”为第二代产品3 、尾部“e”是专用汽车企业自定代号,表示不同的驾驶室型式、轴距和发动机。
可用汉语拼音字母和阿拉伯数字表示,位数也由企业自定。
·一汽集团代号车辆种类代号车辆种类代号车辆种类代号车辆种类A 有空调客车底盘B 自卸车底盘 C 牵引车底盘 D 公共汽车底盘E 高拦板F 后轮单轮货车底盘G 高动力性能汽车H 豪华轿车J 检阅用轿车K 柴油车L 长轴距M 高原车N 液化煤汽车P 平头车Q 起重车底盘R 双排座或卧铺S 加油车底盘T 非4×2的驱动形式U 客货两用车V 厢式货车W 运木材车X 消防车底盘Y 右置转向盘车Z 出口车·例:解放牌CA1258P11K2L7T1型6×4平头柴油载货汽车:CA-表示一汽1-表示货车25-表示总质量25吨P-表示平头K-表示柴油发动机L-表示长轴距T1-表示驱动型式为6×4·二汽东风汽车集团企业自定代号构成如下:□□■■○○□a b c d e f ga-驾驶室或三类底盘长头:E-平,单/F-曲,单/B-平,1.5/A-曲,1.5/M-平,双/H-曲,双平头:D-平,单/T-曲,单/P-平,1.5/G-曲,1.5/C-平,双/N-曲,双 S-普通三类底盘客车专用底盘发动机前置(短前悬)KS SC KA发动机前置(长前悬)KT发动机后置 KR RCb-客车、挂车、半挂列车或专用汽车分类代号用一位汉语拼音表示:P-普通客车 L-旅游客车 B-半挂车 Q-全挂车 L-半挂列车X-厢式 G-罐式 Z-自卸 T-特种结构 C-仓栅 J-起重举升 c-发动机特征代号d-车箱型式或二类底盘特征代号1A-后开式高栏板车箱 2A-三开式高栏板车箱 3A-三开式低栏板车箱4A-后开式自卸车箱 5A-三开式自卸车箱 J-二类底盘e-高原车特征代号(用阿拉伯数字“0”表示,非高原车则代号省略)f-顺序号。
陕西重型汽车有限公司质量管理部汽车、总成产品编号知识规则(汽车产品型号部分、参考使用)陕西重型汽车有限公司质量管理部汇编一、汽车产品型号编制规则1 汽车产品型号编号规则(GB9417-88)及SQB1051-08-90相关规则(仅供参考)1.1 汽车产品型号的构成:汽车的产品型号由企业名称代号、车辆类别代号、主参数代号、产品序号组成。
必要时附加企业自定代号(图1)。
对于专用汽车及专用半挂车还应增加专用汽车分类代号(图2)。
□□○○○○■■企业名称代号企业自定代号车辆类别代号产品序号主参数代号(图1)专用汽车产品型号的构成□□○○○○□□□■■企业名称代号企业自定代号车辆类别代号专用汽车分类代号主参数代号产品序号(图2)SQB1051-06-90相关规则(图3)□□○○○○■■■企业名称代号企业自定代号车辆类别代号产品序号主参数代号□用汉语拼音字母表示○用阿拉伯数字表示■用汉语拼音字母或阿拉伯数字表示(图3)注意:为了避免与数字混淆,不应采用汉语拼音字母中的“I”和“O”1.2 企业名称代号:企业名称代号位于产品型号的第一部分,用代表企业名称的两个或三个汉语拼音字母表示。
我厂采用“SX”表示,即代表——陕西汽车集团有限责任公司(原:陕西汽车制造总厂)。
1.3 车辆类别代号:各类汽车的类别代号位于产品型号的第二部分,用一位用阿拉伯数字表示(按表1规定)。
表1 车辆类别代号注:表1也适用于所列车辆的底盘1.4 主参数代号:各类汽车的主参数代号位于产品型号的第三部分,用两位阿拉伯数字表示。
1.4.1 载货汽车、越野汽车、自卸汽车、牵引汽车、专用汽车与半挂车的主参数代号为车辆的总之量(t),牵引汽车的总质量包括牵引座上的最大质量。
当总质量在100t以上时,允许用三位数字表示。
1.4.2 客车及半挂客车的主参数为车辆长度(m)。
当车辆长度小于10m时,应精确到小数点后一位,并以长度(m)值的十倍数值表示。
1.4.3 轿车的主参数代号为发动机排量(L)应精确到小数点后一位,并以其值的十倍数值表示。
以下是一些常见的型号编码规则:
汽车产品型号编码规则:
企业名称代号:由企业自行选择,通常用2-3个汉语拼音字母表示。
车辆类别代号:表示汽车所属分类的代号,如1代表普通货车、2代表越野汽车、3代表普通自卸汽车等。
主参数代号:表示汽车主要特性的代号,如对于普通载货汽车、越野汽车、普通自卸汽车等,主参数代号为车辆的总质量(单位:t);对于客车,主参数代号为车辆的长度(单位:m)等。
产品序号:企业自定的表示类别代号和主参数代号相同的车辆的序号,用阿拉伯数字表示。
专用汽车分类代号:识别专用汽车的结构类别和用途的代号,依据GB/T17350-2009《专用汽车和专用半挂车术语》的规定。
企业自定义代号:企业按需要自行规定的补充代号。
其他产品型号编码规则:通常由一系列字母、数字或其他字符组成,用于标识产品的型号、版本、批次等信息。
这些编码规则通常由企业自行制定,以符合其特定的需求。
性标识。
这些规则通常由一系列字母、数字或其他字符组成,用于标识产品的型号、版本、批次等信息。
这些规则有助于企业管理和跟踪其产品,并确保其符合相关标准和法规的要求。
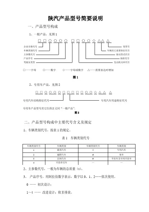
陕汽产品型号简要说明
一、产品型号构成
1、一般产品,见图1
变型号 产品序号
□——字母 ○——数字 ◇——字母或数字 △——需要表达时增加
图1
2、专用车产品,见图2
□ □ ○ △
专用车产品型号其它位的含义同“一般产品”。
图2
二、产品型号构成中主要代号含义及规定
1、车辆类别代号,按表1的规定。
表1 车辆类别代号
2、主参数代号,一般为车辆的总质量(t )。
3、 产品序号,用阿拉伯数字表示,数字以0、1、2……依次使用。
0 —— 初次设计;
1~4 —— 改进设计;欧Ⅱ排放。
5 ——改进设计;国Ⅲ排放。
国Ⅲ的德龙F2000、奥龙等车辆用“5”标识。
6 ——改进设计;国Ⅳ排放
7 ——改进设计;国Ⅲ排放的F3000、M3000、X3000。
8 ——改进设计;国V排放。
4、驾驶室类型代号
表2 驾驶室类型代号
5、发动机功率代号
表3 发动机功率代号
6、驱动型式代号
表4 驱动型式代号。
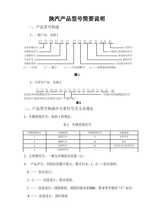
陕汽产品型号简要说明
一、产品型号构成
1、一般产品,见图1
变型号 产品序号
□——字母 ○——数字 ◇——字母或数字 △——需要表达时增加
图1
2、专用车产品,见图2
□ □ ○ △
图2
二、产品型号构成中主要代号含义及规定
1、车辆类别代号,按表1的规定。
表1 车辆类别代号
2、主参数代号,一般为车辆的总质量(t )。
3、 产品序号,用阿拉伯数字表示,数字以0、1、2……依次使用。
0 —— 初次设计;
1~4 —— 改进设计;欧Ⅱ排放。
5 —— 改进设计;国Ⅲ排放。
国Ⅲ的德龙F2000、奥龙等车辆用“5”标识。
6 —— 改进设计;国Ⅳ排放
7 ——改进设计;国Ⅲ排放的F3000、M3000、X3000。
8 ——改进设计;国V排放。
4、驾驶室类型代号
表2 驾驶室类型代号
5、发动机功率代号
表3 发动机功率代号
6、驱动型式代号
表4 驱动型式代号。
汽车产品型号的构成汽车的产品型号由企业名称代号、车辆类别代号、主参数代号、产品序号组成。
必要时附加企业自定代号。
对于专用汽车及专用半挂车还应增加专用汽车分类代号。
企业名称代号位于产品型号的第一部分,用代表企业名称的两个汉语拼音字母表示。
□□○○○○■■a b c d ea:企业名称代号;b:车辆类别代号;c:主参数代号;d:产品序号;e:企业自定代号□□○○○○□□□■■a b c d e fa:企业名称代号;b:车辆类别代号;c:主参数代号d:产品序号;e:专用汽车分类代号;f:企业自定代号□:用汉语拼音字母表示○:用阿拉伯数字表示■:用汉语拼音字母或阿拉伯数字均可车辆类别代号位于产品型号的第二部分,用一位阿拉伯数字表示。
注:上表也适用于所列车辆的底盘。
主参数代号位于产品型号的第三部分,用两位阿拉伯数字表示。
(1)载货汽车、越野汽车、自卸汽车、牵引汽车、专用汽车与半挂车的主参数),牵引汽车的总质量包括牵引座上的最大质量.当总代号为车辆的总质量(t质量在100t以上时,允许用三位数字表示。
(2)客车及半挂车的主参数代号为车辆长度(m)。
当车辆长度小于10m时,应精确到小数点后一位,并以长度(m)值的十倍数值表示。
(3)轿车的主参数代号为发动机排量(L)应精确到小数点后一位,并以其值的十倍数值表示。
(4)专用汽车及专用半挂车的主参数代号,当适用定型汽车底盘或定型半挂车底盘改装时,若其主参数与定型底盘原车的主参数之差不大于原车的10%,则应沿用原车的主参数代号。
(5)主参数的数字修约按《数字修约规则》的规定。
(6)主参数不足规定位数时,在参数前以“0”占位。
产品序号位于产品型号的第四部分,用阿拉伯数字表示,数字由0、1、2……依次使用。
当车辆主参数有变化,但不大于原定型设计主参数的10%时,其主参数代号不变,大于10%时,应改变主参数代号,若因为数字修约而主参数代号不变时,则应改变其产品序号。
专用汽车分类代号位于产品型号的第五部分,用反映车辆结构和用途特征的三个汉语拼音表示,结构特征代号按下表规定:用途特征代号另行规定:□□□| |专用汽车结构特征代号_| |__专用汽车用途特征代号企业自定代号位于产品型号的最后部分,同一种汽车结构略有变化而需要区别时(例如汽油、柴油发动机,长、短轴距,单、双排座驾驶室,平、凸头驾驶室,左、右置方向盘等),可用汉语拼音字母和阿拉伯数字表示,位数也由企业自定。
陕西重型汽车有限公司质量管理部汽车、总成产品编号知识规则(汽车产品型号部分、参考使用)陕西重型汽车有限公司质量管理部汇编一、汽车产品型号编制规则1 汽车产品型号编号规则(GB9417-88)及SQB1051-08-90相关规则(仅供参考)1.1 汽车产品型号的构成:汽车的产品型号由企业名称代号、车辆类别代号、主参数代号、产品序号组成。
必要时附加企业自定代号(图1)。
对于专用汽车及专用半挂车还应增加专用汽车分类代号(图2)。
□□○○○○■■企业名称代号企业自定代号车辆类别代号产品序号主参数代号(图1)专用汽车产品型号的构成□□○○○○□□□■■企业名称代号企业自定代号车辆类别代号专用汽车分类代号主参数代号产品序号(图2)SQB1051-06-90相关规则(图3)□□○○○○■■■企业名称代号企业自定代号车辆类别代号产品序号主参数代号□用汉语拼音字母表示○用阿拉伯数字表示■用汉语拼音字母或阿拉伯数字表示(图3)注意:为了避免与数字混淆,不应采用汉语拼音字母中的“I”和“O”1.2 企业名称代号:企业名称代号位于产品型号的第一部分,用代表企业名称的两个或三个汉语拼音字母表示。
我厂采用“SX”表示,即代表——陕西汽车集团有限责任公司(原:陕西汽车制造总厂)。
1.3 车辆类别代号:各类汽车的类别代号位于产品型号的第二部分,用一位用阿拉伯数字表示(按表1规定)。
表1 车辆类别代号注:表1也适用于所列车辆的底盘1.4 主参数代号:各类汽车的主参数代号位于产品型号的第三部分,用两位阿拉伯数字表示。
1.4.1 载货汽车、越野汽车、自卸汽车、牵引汽车、专用汽车与半挂车的主参数代号为车辆的总之量(t),牵引汽车的总质量包括牵引座上的最大质量。
当总质量在100t以上时,允许用三位数字表示。
1.4.2 客车及半挂客车的主参数为车辆长度(m)。
当车辆长度小于10m时,应精确到小数点后一位,并以长度(m)值的十倍数值表示。
1.4.3 轿车的主参数代号为发动机排量(L)应精确到小数点后一位,并以其值的十倍数值表示。
附件:车辆生产企业及产品(第255批)第一部分新产品一、汽车生产企业序号企业名称《目录》序号商标产品名称产品型号1中国第一汽车集团公司1 一汽牌多用途乘用车CA6462轿车CA7209、CA7189解放牌天然气载货汽车CA1160、CA1140天然气载货汽车底盘CA1160、CA1140越野载货汽车底盘CA2060载货汽车CA1240、CA1250、CA1134载货汽车底盘CA1240、CA1250、CA1134自卸汽车底盘CA3062客车CA6750、CA6900、CA6110客车底盘CA6100、CA6860、CA6730厢式运输车CA5120X、CA5021X、CA5140X、CA5310X、CA5220X、CA5240X、CA5250X、CA5160X、CA5134X 厢式运输车底盘CA5120X、CA5160X越野厢式运输车CA2060仓栅式运输车CA5134CCY、CA5160CCY、CA5140CCY、CA5250CCY、CA5240CCY教练车CA5120X教练车底盘CA5120X牵引汽车CA4180、CA4250畜禽运输车CA5160CCQ、CA5140CCQ、CA5240CCQ、CA5250CCQ自卸式垃圾车CA5310ZLJ、CA5250ZLJ越野汽车底盘CA2060运油车底盘CA5140GYY、CA5160GYY、CA5250GYY、CA5120GYY随车起重运输车CA5250JSQ2长春一汽轻型车厂 1 华凯牌多用途货车CA1020、CA10303一汽吉林汽车有限公司1 解放牌载货汽车底盘CA1024厢式运输车CA5026X序号仓栅式运输车CA5022CCY4一汽-大众汽车有限公司2 大众牌轿车FV7164、FV71605东风小康汽车有限公司3 东风牌载货汽车EQ1021载货汽车底盘EQ1021厢式运输车DXK5020X、EQ5026X、EQ5024X、EQ5022X、EQ5021X仓栅式运输车EQ5021CCY多用途乘用车DXK6440、EQ6451、EQ64116东风汽车公司 3 东风牌载货汽车EQ1162、EQ1250载货汽车底盘EQ1250、EQ1140、EQ1166自卸汽车EQ3160厢式运输车EQ5258X、EQ5250X、EQ5162X仓栅式运输车EQ5250CCY、EQ5162CCY、EQ5122CCY冷藏车EQ5161X吸污车EQ5111GXW平板运输车EQ5168TPB混凝土搅拌运输车EQ5140GJB随车起重运输车EQ5168JSQ华神牌轻型载货汽车底盘DFD1020厢式运输车DFD5020X餐厨垃圾车DFD5032TCA神宇牌自卸汽车DFS3310平板运输车DFS5168TPB、DFS5251TPB风神牌两用燃料轿车DFM71507东风汽车有限公司 3 东风日产牌多用途乘用车DFL6461东风牌载货汽车底盘EQ1060客车底盘EQ6760、EQ6189、EQ6570、EQ6870平板运输车EQ5120TPB、EQ5160TPB牵引汽车DFH4240、DFH42508东风汽车股份有限公司3 东风牌轻型载货汽车DFA1030、DFA1031轻型载货汽车底盘DFA1030、DFA1031载货汽车DFA1140、DFA1120载货汽车底盘DFA1140、DFA1120自卸汽车EQ3042、EQ3038、EQ3036自卸汽车底盘EQ3042、EQ3038、EQ3036客车底盘EQ6488、EQ6888、EQ6720、EQ6530、EQ6918、EQ6800序号厢式运输车DFA5030X、DFA5100X、DFA5120X、DFA5140X、EQ5040X、DFA5031X厢式运输车底盘DFA5100X仓栅式运输车DFA5031CCY、DFA5120CCY、DFA5140CCY、DFA5030CCY中小学生专用校车DFA6938冷藏车DFA5040X、DFA5080X、DFA5070X小学生专用校车DFA6918幼儿专用校车DFA6518护栏清洗车DFA5086GQX检测车DFA5040X沥青洒布车DFA5160GLQ自卸式垃圾车DFA5041ZLJ车厢可卸式垃圾车DFA5041ZXX雏禽运输车DFA5120X9东风特种汽车有限公司3 东风牌自卸汽车EQ3310客车EQ6660、EQ6668、EQ6770工程车EQ5060X10神龙汽车有限公司 4 东风标致牌多用途乘用车DC6422轿车DC7165、DC7164、DC7237、DC7205、DC7162、DC7163、DC7203、DC7204、DC7207东风雪铁龙牌轿车DC7165、DC7160、DC7237、DC7183、DC7205、DC7163、DC7162、DC720711上海大众汽车有限公司5 大众汽车(VOLKSWAGEN)牌多用途乘用车SVW6451、SVW6440轿车SVW7141、SVW7181、SVW7161、SVW7201、SVW7147、SVW7167、SVW7301斯柯达(SKODA)牌多用途乘用车SVW6432、SVW6452轿车SVW7141、SVW7161、SVW7148、SVW7149、SVW7209、SVW7189、SVW7168明锐(Octavia)牌轿车SVW7146、SVW7166、SVW7186、SVW720612上海通用东岳汽车有限公司6 别克(BUICK)牌轿车SGM7141、SGM7183、SGM7182、SGM7162、SGM7163 雪佛兰轿车SGM7121、SGM7180、SGM7143、序号(CHEVROLE T)牌SGM7141、SGM7142、SGM7120、SGM7162、SGM7140、SGM716313上海通用汽车有限公司6 凯迪拉克(CADILLAC)牌轿车SGM7363、SGM7203别克(BUICK)牌混合动力轿车SGM7240轿车SGM7241、SGM7150、SGM7200、SGM7161、SGM7201、SGM7300、SGM7240雪佛兰(CHEVROLET)牌轿车SGM7242、SGM7202、SGM716214北京北方华德尼奥普兰客车股份有限公司7 北方牌豪华旅游客车BFC6105、BFC6112旅居车BFC5050X15金华青年汽车制造有限公司7 青年牌客车JNP6120豪华客车JNP610016北京汽车制造厂有限公司9 北京牌载货汽车底盘BJ1031厢式运输车BJ5032X普通货车BJ103117北汽福田汽车股份有限公司9 福田牌载货汽车BJ1026、BJ1109、BJ1169载货汽车底盘BJ1026、BJ1149、BJ1109、BJ1169自卸汽车BJ3095、BJ3315、BJ3165、BJ3035、BJ3045、BJ3032、BJ3102、BJ3255自卸汽车底盘BJ3315、BJ3032、BJ3102城市客车BJ6180、BJ6112插电式混合动力城市客车BJ6105、BJ6123混合动力城市客车BJ6123纯电动城市客车BJ6123轻型客车BJ6526厢式运输车BJ5169X、BJ5129X、BJ5026X、BJ5036X、BJ5109X、BJ5089X 厢式运输车底盘BJ5129X、BJ5089X仓栅式运输车BJ5109CCY、BJ5165CCY、BJ5169CCY、BJ5026CCY医疗废物转运车BJ5049X多用途乘用车BJ6486、BJ6526平板运输车BJ5149TPB序号教练车BJ5027X汽车起重机BJ5302JQZ、BJ5332JQZ洗扫车BJ5072TXS混凝土泵车BJ5540THB清洗车BJ5042GQX特种作业车底盘BJ5072TXS背罐车BJ5130ZBG自卸式垃圾车BJ5315ZLJ、BJ5255ZLJ18北京汽车股份有限公司11 北京牌混合动力轿车BJ7080纯电动轿车BJ7000、BJ7002纯电动邮政车BJ5020X两用燃料多用途乘用车BJ6400、BJ6450越野乘用车BJ202019北京福田戴姆勒汽车有限公司12 欧曼牌载货汽车底盘BJ1313、BJ1113、BJ1319厢式运输车底盘BJ5163X低密度粉粒物料运输车BJ5319GFL、BJ5313GFL混凝土搅拌运输车BJ5319GJB、BJ5259GJB混凝土搅拌运输车底盘BJ5319GJB、BJ5259GJB混凝土泵车底盘BJ5540THB邮政车BJ5113X、BJ5163X20北汽银翔汽车有限公司12 北京牌售货车BJ5020X餐车BJ5020X21长城汽车股份有限公司15 长城牌多用途货车CC1031旅居车CC5031X22天津一汽丰田汽车有限公司18 丰田(TOYOTA)牌轿车TV7151、TV7133 朗世牌纯电动轿车TV700023天津一汽夏利汽车股份有限公司18 夏利牌轿车TJ7103、TJ713324河北中兴汽车制造有限公司19 田野牌多用途货车BQ1023、BQ1030教练车BQ5022X25河北长安汽车有限公司22 长安牌载货汽车SC1027载货汽车底盘SC1027轻型客车SC6483厢式运输车SC5027X仓栅式运输车SC5027CCY商务车SC5045X囚车SC5027X多用途乘用车SC6406救护车SC5027X序号桶装垃圾运输车SC5035CTY邮政车SC5027X26荣成华泰汽车有限公司23 华泰元田牌轿车SDH718127包头北奔重型汽车有限公司27 北奔牌载货汽车底盘ND1310自卸汽车ND3310客车底盘ND677028一汽客车(大连)有限公司28 解放牌城市客车CA612529丹东黄海汽车有限责任公司29 黄海牌城市客车DD6125、DD6892客车DD6109客车底盘DD6109、DD6125、DD6862中小学生专用校车DD6800多用途货车DD103030常州黄海汽车有限公司29 黄海牌城市客车DD6120、DD6110客车底盘DD6120、DD611031山东凯马汽车制造有限公司31 凯马牌载货汽车KMC1046载货汽车底盘KMC1046厢式运输车KMC5046X仓栅式运输车KMC5046CCY32上海通用(沈阳)北盛汽车有限公司33 别克(BUICK)牌多用途乘用车SGM6520、SGM6531雪佛兰(CHEVROLET)牌多用途乘用车SGM6470轿车SGM7180、SGM7160、SGM716133华晨汽车集团控股有限公司33 中华牌轿车SY715334沈阳华晨金杯汽车有限公司33 金杯牌载货汽车SY1020轻型客车SY6548、SY6498审判车SY5038X35沈阳金杯车辆制造有限公司33 金杯牌多用途货车SY103836广汽日野(沈阳)汽车有限公司35 广汽牌城市客车SFQ6110客车底盘SFQ611037大连黄海汽车有限公司36 黄海牌冷藏车DD5042X商务车DD5040X宣传车DD5040X工程车DD5042X旅居车DD5040X运兵车DD5040X邮政车DD5042X序号38中国第一汽车集团哈尔滨轻型车厂38 解放牌冷藏车CA5041X 39哈飞汽车股份有限公司39 哈飞牌邮政车HFJ5026X40长春华奥汽车制造有限公司40 金华奥牌客车底盘CCA6820、CCA6101、CCA6490、CCA6540小学生专用校车CCA6570、CCA6740、CCA6108幼儿专用校车CCA6570、CCA674041上海汽车商用车有限公司41 大通牌载货汽车SH1041载货汽车底盘SH1041、SH1042客车SH6602、SH6571、SH6521、SH6591、SH6501、SH6601厢式运输车SH5040X、SH5041X、SH5042X、SH5043X商务车SH5041X多用途乘用车SH6571、SH6521、SH6591、SH6501汇众(SHAC)牌客车SH6530、SH6492、SH6531商务车SH5030X、SH5031X多用途乘用车SH649142上海申沃客车有限公司42 申沃牌客车底盘SWB6107纯电动城市客车SWB670243南京汽车集团有限公司44 依维柯牌纯电动客车NJ6607纯电动客车底盘NJ6587多功能乘用车NJ6494多用途乘用车NJ6494多用途乘用车底盘NJ6474救险车NJ5044X流动服务车NJ5044X载货车NJ1044载货车底盘NJ1044邮政车NJ5044X畅达牌下水道疏通清洗车NJ5123GQX护栏抢修车NJ5060TQX救护车NJ5040X救险车NJ5101X跃进牌载货汽车NJ1121、NJ1021、NJ1081、NJ1041载货汽车底盘NJ1121、NJ1250、NJ1200自卸汽车NJ3200、NJ3250客车底盘NJ6121、NJ6102、NJ6122序号厢式运输车NJ5071X、NJ5121X仓栅式运输车NJ5021CCY44东风悦达起亚汽车有限公司47 起亚牌轿车YQZ716945扬州亚星客车股份有限公司49 亚星牌客车YBL6758、YBL6885、YBL6101、YBL6106、YBL6805混合动力客车YBL6110小学生专用校车JS657046浙江飞碟汽车制造有限公司51 飞碟牌载货汽车FD1088、FD1148载货汽车底盘FD1088、FD1148自卸汽车FD3086仓栅式运输车FD5088CCY、FD5022CCY、FD5148CCY47上海华普汽车有限公司52 康迪牌纯电动轿车SMA7000英伦牌轿车SMA724248浙江吉利汽车有限公司52 吉利美日牌轿车MR7152、MR713249浙江豪情汽车制造有限公司52 吉利牌两用燃料轿车JL7182教练车JL5022X轿车JL7152帝豪牌轿车JL7202、JL7242沃尔沃牌轿车VCC720450安徽安凯汽车股份有限公司55 安凯牌客车HFF6901插电式混合动力城市客车HFF6127纯电动城市客车HFF612651安徽江淮汽车股份有限公司56 江淮牌纯电动载货汽车底盘HFC1020轻型载货汽车HFC1030、HFC1020轻型载货汽车底盘HFC1030、HFC1027、HFC1020载货汽车HFC1141、HFC1201、HFC1160、HFC1140、HFC1151、HFC1161、HFC1120、HFC1092载货汽车底盘HFC1141、HFC1201、HFC1160、HFC1140、HFC1040、HFC1151、HFC1161、HFC1070、HFC1120、HFC1092、HFC1062自卸汽车HFC3041、HFC3120、HFC3311、HFC3160、HFC3251、HFC3201自卸汽车底盘HFC3040、HFC3120、HFC3160、HFC3251、HFC3201客车底盘HFC6470、HFC6703序号厢式运输车HFC5161X、HFC5020X、HFC5160X、HFC5141X、HFC5030X、HFC5120X、HFC5047X、HFC5140X、HFC5151X、HFC5201X、HFC5092X厢式运输车底盘HFC5161X、HFC5141X翼开启厢式车HFC5161X、HFC5311X、HFC5241X仓栅式运输车HFC5141CCY、HFC5161CCY、HFC5120CCY、HFC5151CCY、HFC5092CCY、HFC5030CCY、HFC5020CCY、HFC5201CCY、HFC5140CCY、HFC5160CCY冷藏车HFC5040X压缩式垃圾车HFC5161ZYS舞台车HFC5161X轿车HFC715152东南(福建)汽车工业有限公司58 东南牌轿车DN7158、DN7183、DN715653福建新龙马汽车股份有限公司58 福建牌多用途乘用车FJ641054福建新福达汽车工业有限公司58 福达(FORTA)牌载货汽车底盘FZ1041自卸汽车FZ3041城市客车FZ6109、FZ6119客车底盘FZ6109、FZ611955江铃汽车股份有限公司61 江铃全顺牌厢式运输车JX5040X江铃牌多用途货车JX1030、JX1020多用途货车底盘JX1030、JX1020工程车JX5033X56江西江铃集团晶马汽车有限公司62 晶马牌客车JMV6771、JMV6770客车底盘JMV6751、JMV6551厢式运输车JMV5040X囚车JMV5040X指挥车JMV5040X救护车JMV5040X畜禽运输车JMV5311CCQ57中国重型汽车集团有限公司63 豪沃牌客车底盘ZZ6117黄河牌城市客车ZZ6106、ZZ6126客车ZZ612858中国重汽集团济南卡车股份有限公司63 豪沃牌载货汽车底盘ZZ1257自卸汽车ZZ3317、ZZ3257自卸汽车底盘ZZ3317、ZZ3257序号厢式运输车底盘ZZ5167X翼开启厢式车ZZ5167X、ZZ5257X牵引汽车ZZ4187车厢可卸式汽车ZZ5167ZKX59中国重汽集团济南商用车有限公司63 斯达-斯太尔牌载货汽车ZZ1313载货汽车底盘ZZ1313、ZZ1253自卸汽车ZZ3251、ZZ3313、ZZ3253、ZZ3311自卸汽车底盘ZZ3251、ZZ3313、ZZ3253、ZZ3311厢式运输车ZZ5313X仓栅式运输车ZZ5313CCY混凝土搅拌运输车ZZ5253GJB牵引汽车ZZ4223、ZZ4253、ZZ4183自卸式垃圾车ZZ5313ZLJ、ZZ5253ZLJ 汕德卡牌载货汽车底盘ZZ1256厢式运输车ZZ5256X黄河牌自卸汽车ZZ3127、ZZ3167自卸汽车底盘ZZ3127、ZZ316760中国重汽集团福建海西汽车有限公司63 豪曼牌载货汽车底盘ZZ1258自卸式垃圾车ZZ5128ZLJ、ZZ5168ZLJ、ZZ5318ZLJ牵引汽车ZZ4258自卸式垃圾车ZZ5258ZLJ、ZZ5048ZLJ61一汽解放青岛汽车有限公司64 解放牌载货汽车CA1145、CA1125载货汽车底盘CA1163、CA1145、CA1125天然气自卸汽车CA3256厢式运输车CA5125X、CA5163X、CA5118X、CA5145X仓栅式运输车CA5125CCY、CA5145CCY牵引汽车CA4085、CA4227、CA422862山东唐骏欧铃汽车制造有限公司68 欧铃牌自卸汽车ZB3120自卸汽车底盘ZB3120混凝土泵车ZB5160THB混凝土泵车底盘ZB5160THB随车起重运输车ZB5120JSQ、ZB5042JSQ63郑州宇通客车股份有限公司71 宇通牌城市客车ZK6825、ZK6852客车底盘ZK6785、ZK6800纯电动城市客车ZK6125指挥车ZK5033X救护车ZK5043X序号流动服务车ZK5041X64郑州日产汽车有限公司72 东风牌两用燃料多用途乘用车ZN6441纯电动多用途乘用车ZN6494多用途货车ZN1034纯电动工程车ZN5034XGC福祉车ZN5021X65湖北新楚风汽车股份有限公司73 楚风牌载货汽车底盘HQG1161城市客车HQG6661客车HQG6900平板运输车HQG5161TPB牵引教练车HQG5101X牵引汽车HQG416066湖北三环专用汽车有限公司76 十通牌载货汽车底盘STQ1318、STQ1161、STQ1319自卸汽车STQ3251、STQ3318、STQ3312、STQ3311、STQ3314、STQ3310、STQ3315、STQ3250自卸汽车底盘STQ3312、STQ3311、STQ3314、STQ3310、STQ3315、STQ3250平板运输车STQ5319TPB洒水车STQ5161GSS67湖北三江航天万山特种车辆有限公司78 万山牌自卸汽车底盘WS3311、WS325368比亚迪汽车工业有限公司79 比亚迪牌轿车BYD7100腾势牌纯电动轿车QCJ700769三一汽车制造有限公司80 三一牌汽车起重机SYM5161JQZ、SYM5102JQZ、SYM5112JQZ混凝土搅拌运输车SYM5255GJB、SYM5311GJB、SYM5312GJB混凝土泵车SYM5428THB、SYM5337THB、SYM5442THB70安徽华菱汽车有限公司81 华菱之星牌自卸汽车HN3250、HN3160、HN3251自卸汽车底盘HN3250、HN3160牵引汽车HN425071湖南江南汽车制造有限公司84 众泰牌多用途货车底盘JNJ102172深圳东风汽车有限公司85 东风牌流动服务车SE5070X自装卸式垃圾车EQ5100ZZZ73广州汽车集团乘用车有限公司89 猎豹牌轿车GCM7180 74广州汽车集团客车有限公司89 广汽牌纯电动城市客车GZ6120序号75广汽本田汽车有限公司89 歌诗图(Crosstour)牌轿车HG7300、HG724076桂林客车工业集团有限公司90 五菱牌客车GL6520桂林牌客车GL6129、GL612277东风柳州汽车有限公司91 东风牌多用途乘用车LZ6521、LZ643178上汽通用五菱汽车股份有限公司92 五菱牌厢式运输车LZW5028X多用途乘用车LZW6413 宝骏牌轿车LZW715079上汽依维柯红岩商用车有限公司94 红岩牌自卸汽车CQ3255自卸汽车底盘CQ3255牵引汽车CQ4186、CQ425680重庆长安汽车股份有限公司96 长安牌厢式运输车SC5028X多用途乘用车SC6397纯电动轿车SC7001轿车SC7149、SC7106、SC714181重庆长安铃木汽车有限公司96 长安牌轿车SC716282成都新大地汽车有限责任公司99 吉利全球鹰牌多用途乘用车RX6453 帝豪牌多用途乘用车RX6483英伦牌多用途乘用车RX645383中国重汽集团成都王牌商用车有限公司101 王牌牌平板运输车CDW5161TPB、CDW5040TPB混凝土搅拌运输车CDW5110GJB邮政车CDW5030X84成都大运汽车集团有限公司101 大运牌载货汽车CGC1100、CGC1120载货汽车底盘CGC1100、CGC1120自卸汽车CGC3313、CGC3160、CGC3120、CGC3100自卸汽车底盘CGC3313、CGC3160厢式运输车CGC5100X、CGC5120X仓栅式运输车CGC5100CCY、CGC5120CCY85东风云南汽车有限公司104 东风牌载货汽车底盘EQ1042、EQ1043、EQ1161城市客车EQ6721、EQ6609、EQ6668、EQ6608客车EQ6668客车底盘EQ6680仓栅式运输车EQ5161CCY、EQ5042CCY、EQ5043CCY86云南力帆骏马车辆106 凯沃达牌洒水车LFJ5160GSS序号有限公司混凝土搅拌运输车LFJ5120GJB、LFJ5160GJB力帆牌自卸汽车LFJ3120、LFJ3160自卸汽车底盘LFJ3120、LFJ3160斯卡特牌载货汽车LFJ1040载货汽车底盘LFJ1040自卸汽车LFJ3040、LFJ3070自卸汽车底盘LFJ3040、LFJ3070厢式运输车LFJ5040X仓栅式运输车LFJ5040CCY压缩式垃圾车LFJ5090ZYS洒水车LFJ5090GSS车厢可卸式垃圾车LFJ5047ZXX格奥雷牌自卸汽车LFJ3315自卸汽车底盘LFJ3315混凝土搅拌运输车LFJ5250GJB、LFJ5257GJB87一汽红塔云南汽车制造有限公司107 解放牌载货汽车CA1030载货汽车底盘CA1030厢式运输车CA5030X仓栅式运输车CA5030CCY88比亚迪汽车有限公司108 比亚迪牌轿车BYD7150、BYD7153、BYD715689陕西汽车集团有限责任公司110 陕汽牌载货汽车底盘SX1140、SX1251、SX1206自卸汽车SX3125、SX3312、SX3316、SX3311、SX3165、SX32565、SX33165、SX3310、SX3256、SX3205、SX3105自卸汽车底盘SX3125、SX3316、SX3165、SX32565、SX33165、SX3310、SX3256、SX3105、SX3205城市客车SX6851、SX6771、SX6731、SX6111客车底盘SX6104、SX6825、SX6705、SX6745厢式运输车SX5206X仓栅式运输车SX5206CCY洒水车SX5256GSS、SX5166GSS混凝土搅拌运输车SX5316GJB、SX5140GJB混凝土搅拌运输车底盘SX5316GJB绿化喷洒车SX5120GPS自卸式垃圾车SX5256ZLJ序号运油沙漠车SX5246TSM运油车底盘SX5316GYY90金龙联合汽车工业(苏州)有限公司112 海格牌客车KLQ6802、KLQ6902、KLQ6852、KLQ6882混合动力城市客车KLQ6129、KLQ6109、KLQ6119纯电动城市客车KLQ6129、KLQ6109纯电动客车KLQ6702中小学生专用校车KLQ6896救险车KLQ5032X、KLQ5020X91东风新疆汽车有限公司115 东风牌供水沙漠车EQ5251TSM92四川现代汽车有限公司118 南骏牌轻型载货汽车CNJ1020、CNJ1030轻型载货汽车底盘CNJ1020、CNJ1030自卸汽车CNJ3030、CNJ3040、CNJ3060自卸汽车底盘CNJ3030、CNJ3040、CNJ3060客车CNJ6760、CNJ6800、CNJ6670厢式运输车CNJ5030X仓栅式运输车CNJ5030CCY、CNJ5020CCY93奇瑞商用车(安徽)有限公司119 集瑞联合牌牵引汽车SQR4251、SQR425294奇瑞汽车股份有限公司119 奇瑞牌轿车SQR7163、SQR7162、SQR7080、SQR7100、SQR7101、SQR7151、SQR7150开瑞牌多用途乘用车SQR6441、SQR6401、SQR644295西安西沃客车有限公司120 西沃牌采血车XW5172X96上海汽车集团股份有限公司122 上海牌轿车CSA7241、CSA7301、CSA7201 名爵牌轿车CSA7183、CSA7152、CSA7182、CSA7131、CSA7151荣威牌插电混合动力轿车CSA7154轿车CSA7241、CSA7301、CSA7181、CSA7201、CSA7182、CSA7151运动型乘用车CSA647297厦门金龙联合汽车工业有限公司123 金龙牌客车XMQ6901轻型客车XMQ6501、XMQ6530、XMQ6552、XMQ6531厢式运输车XMQ5031X、XMQ5040X、XMQ5030X工程车XMQ5031X救护车XMQ5040X、XMQ5030X98厦门金龙旅行车有限公司124 金旅牌城市客车XML6745客车XML6902混合动力城市客车XML6115、XML6125序号厢式运输车XML5036X、XML5033X、XML5035X厕所车XML5117X、XML5153X救护车XML5036X、XML5035X邮政车XML5036X、XML5035X99中通客车控股股份有限公司125 中通牌城市客车LCK6722、LCK6669、LCK6100、LCK6117、LCK6910、LCK6606客车LCK6890、LCK6118客车底盘LCK6735、LCK6865、LCK6104、LCK6894小学生专用校车LCK6930教练车LCK5110X100河南少林客车股份有限公司126 少林牌混凝土搅拌运输车SLG5140GJB101重庆恒通客车有限公司127 恒通客车牌城市客车CKZ6127、CKZ6926客车底盘CKZ6899102海马轿车有限公司128 海马牌轿车HMA7151103上海申龙客车有限公司129 申龙牌城市客车SLK6939、SLK6109、SLK6809客车底盘SLK6999、SLK6109、SLK6909、SLK6779104深圳市五洲龙汽车有限公司131 五洲龙牌纯电动城市客车FDG6103、FDG6801、FDG6113二、民用改装车企业序号企业名称《目录》序号商标产品名称产品型号1北京北重汽车改装有限公司(一)03 北重电牌清障车BZD5070TQZ 2北京载通视音频广播技术有限公司(一)09 载通牌通信车BZT5161X3北京天坛海乔客车有限责任公司(一)11 天坛牌指挥车BF5050X4北京汽车集团有限公司(一)14 北京牌排爆器材运输车BCS5051X5北京探矿机械厂(一)17 京探牌钻机车BT5160TZJ6北京三兴汽车有限公司(一)21 三兴牌旅居车BSX5041X、BSX5042X测井车BSX5161TCJ清洗车BSX5070GQX高空作业车BSX5112JGK7北京华林特装车有(一)31 华林牌压缩式垃圾车HLT5164ZYS序号限公司车厢可卸式垃圾车HLT5020ZXX、HLT5166ZXX 8北京市清洁机械厂(一)31 亚洁牌下水道疏通清洗车BQJ5101GQX洒水车BQJ5023GSS9北京事必达汽车有限责任公司(一)32 驰远牌自卸式垃圾车BSP5100ZLJ、BSP5041ZLJ除雪车BSP5160TCX10北京环达汽车装配有限公司(一)33 环达牌气瓶运输车BJQ5160TQP11北京北铃专用汽车有限公司(一)37 北铃牌冷藏车BBL5041X检测车BBL5045X12北京凯特专用汽车有限公司(一)38 凯特牌救险车BKC5250X13北京诚志北分机电技术有限公司(一)39 诚志牌救护车BCF5030X通信车BCF5033X14北京天路通科技有限责任公司(一)44 天路牌吸尘车BTL5160TXC洗扫车BTL5163TXS清洗车BTL5161GQX除雪车BTL5162TCX餐厨垃圾车BTL5082TCA15北京中卓时代消防装备科技有限公司(一)46 中卓时代牌水罐消防车ZXF5280GXF泡沫消防车ZXF5280GXF16天津市天工工程机械有限公司(二)07 天通牌清洗洒水车TJG5120GXS17中天高科特种车辆有限公司(二)08 中天之星牌爆破器材运输车TC5070X18天津清源电动车辆有限责任公司(二)22 清源牌纯电动垃圾车QY5021ZLJ纯电动邮政车QY5021X19张家口大地专用汽车制造有限责任公司(三)01 张拖牌车厢可卸式垃圾车ZTC5070ZXX20唐山亚特专用汽车有限公司(三)03 亚特重工牌旅居车TZ5044X混凝土搅拌运输车TZ5250GJB21河北力钧长恒专用汽车制造有限公司(三)06 飞花牌摆臂式垃圾车HBX5120ZBS车厢可卸式垃圾车HBX5040ZXX22河北昌骅专用汽车有限公司(三)07 昌骅牌半挂车HCH940223唐山市鸿达汽车改装有限公司(三)09 仙达牌混凝土搅拌运输车XT5250GJB、XT5310GJB、XT5313GJB运油车XT5310GYY24廊坊京联汽车改装有限公司(三)25 驼马牌清障车JLC5082TQZ、JLC5073TQZ、JLC5121TQZ雏禽运输车JLC5049X序号25新凯汽车集团有限公司(三)26 新凯牌商务车HXK5030X 26保定北奥石油物探特种车辆制造有限公司(三)34 沙驼牌钻机车WTC5180TZJ27石家庄煤矿机械有限责任公司(三)37 石煤牌清障车SMJ5080TQZ随车起重运输车SMJ5250JSQ、SMJ5160JSQ高空作业车SMJ5050JGK28汇达重工股份有限公司(三)42 汇达牌半挂车YHD940629肥乡县远达车辆制造有限公司(三)44 永康牌压缩式垃圾车CXY5161ZYS吸污车CXY5070GXW、CXY5160GXW扫路车CXY5063TSL、CXY5060TSL洗扫车CXY5070TXS绿化喷洒车CXY5250GPS除雪车CXY5160TCX、CXY5250TCX、CXY5251TCX30河北渤海石油装备专用车有限公司(三)52 油龙牌供液车YLL5250TGY洗井清蜡车YLL5182TXL31中国重型汽车集团邢台华通专用汽车有限公司(三)54 华任牌加油车XHT5070GJY32秦皇岛市思嘉特专用汽车制造有限公司(三)55 思嘉特牌沥青洒布车SJT5141GLQ、SJT5080GLQ、SJT5102GLQ33河北华旗专用汽车制造有限公司(三)57 旗林牌冷藏车QLG5043X加油车QLG5043GJY34中国重型汽车集团唐山市宏远专用汽车有限公司(三)67 立一牌道路检测车THY5161TLJ35河北安旭专用汽车有限公司(三)70 安旭牌扫路车AX5062TSL自装卸式垃圾车AX5070ZZZ36榆次通用挂车制造有限公司(四)15 榆公牌自卸汽车YCG325537内蒙古北方重工业集团有限公司(五)08 北方重工牌混凝土搅拌运输车BZ5317GJB、BZ5253GJB、BZ5255GJB、BZ5318GJB蓄能供热车BZ5160TXN38包头北方创业专用汽车有限责任公司(五)11 北地牌厢式运输车ND5042X39铁岭陆平专用汽车有限责任公司(六)08 陆平机器牌低密度粉粒物料运输车LPC5310GFL加油车LPC5080GJY、LPC5090GJY、LPC5100GJY序号运油车LPC5250GYY、LPC5311GYY40鞍山衡业专用汽车制造有限公司(六)09 鲸象牌扫路车AS5162TSL洒水车AS5163GSS41沈阳捷通消防车有限公司(六)20 金猴牌举高喷射消防车SXT5301JXF登高平台消防车SXT5322JXF42辽宁天信专用汽车制造有限公司(六)36 天信牌绿化综合养护车LTX5041TYH路面养护车LTX5120TYH除雪车LTX5021TCX43铁岭黄海专用车制造有限公司(六)37 黄海牌半挂车THH9400、THH940144沈阳北方交通工程公司(六)46 凯帆牌高空作业车KFM5058JGK、KFM5081JGK、KFM5160JGK45辽宁际华三五二三特种装备有限公司(六)48 风华牌商务车FH5031X救护车FH5030X46鞍山森远路桥股份有限公司(六)51 森远牌路面养护车AD5091TYH 47丹东黄海特种专用车有限责任公司(六)60 黄海牌半挂车DD919048一汽四平专用汽车有限公司(七)10 雄风牌半挂车SP940449通化石油化工机械制造有限责任公司(七)13 通石牌修井机THS5420TXJ、THS5281TXJ前臵式采油车THS5232TCY洗井车THS5230TJC50吉林石油集团有限责任公司机械厂(七)21 清泉牌锅炉车JY5233TGL51长春双龙专用汽车制造有限公司(七)30 龙帝牌混凝土搅拌运输车CSL5250GJB、CSL5310GJB52四平雄风专用汽车有限公司(七)31 吉平雄风牌平板运输车XF5169TPB53哈尔滨龙江客车制造有限公司(八)03 龙江牌城市客车LJK610554大庆汽车改装厂(八)11 野驼牌供水车DQG5257GGS运砂车DQG5312TYA55黑龙江龙华汽车有限公司(八)16 黑龙江牌城市客车HLJ6106扫路车HLJ5040TSL纯电动扫路车HLJ5070TSL56哈尔滨万客特种车设备有限公司(八)22 一工牌洒水车HWK5080GSS、HWK5060GSS鲜奶运输车HWK5250GNY、HWK5071GNY57上海冰熊专用汽车有限公司(九)05 冰熊牌冷藏车BXL5251X58上海华东建筑机械(九)07 华建牌混凝土搅拌运输车HDJ5257GJB、HDJ5314GJB序号厂有限公司59江苏登达汽车有限公司(十)106 钻石牌城市客车SGK666060上海汽车改装厂有限公司(九)21 申星牌混凝土泵车SG5432THB、SG5392THB、SG5366THB61上海浦东一汽解放专用车有限公司(九)37 速通牌翼开启厢式车PDZ5161X畜禽运输车PDZ5050CCQ62上海鸿得利重工股份有限公司(九)38 城市猎豹牌车载式混凝土泵车HDL5120THB63上海鑫百勤专用车辆有限公司(九)40 百勤牌散装饲料运输车XBQ5160ZSL64南京客车制造厂(十)02 雨花牌指挥车NJK5034X救护车NJK5032X、NJK5043X、NJK5040X、NJK5038X检测车NJK5038X电源车NJK5160X65镇江飞驰汽车集团有限责任公司(十)03 飞球牌冷藏车ZJL5048X、ZJL5071X 66牡丹汽车股份有限公司(十)04 牡丹牌客车MD666867南京金龙客车制造有限公司(十)15 东宇牌城市客车NJL6859客车NJL6111纯电动城市客车NJL6100纯电动客车NJL6600轻型客车NJL6530、NJL6600厢式运输车NJL5040X救护车NJL5049X、NJL5039X68江苏常隆客车有限公司(十)17 常隆牌城市客车YS6122马可牌客车YS6602、YS670269江苏卡威专用汽车制造有限公司(十)19 卡威牌工具车KWZ5031X工程车KWZ5031X救险车KWZ5031X混凝土搅拌运输车KWZ5256GJB路政车KWZ5032X、KWZ5031X70镇江专用汽车制造厂(十)20 华通牌路面养护车ZJY5120TYH 71江苏极东特装车有限公司(十)21 极东牌车载式混凝土泵车NYC5120THB72淮安市苏通市政机械有限公司(十)32 苏通牌下水道疏通清洗车HAC5072GQX清淤车HAC5072TQY73航天晨光股份有限(十)34 三力牌加油车CGJ5065GJY序号公司74常熟华东汽车有限公司(十)36 华东牌半挂车CSZ9210展示车CSZ5251X、CSZ5252X车厢可卸式垃圾车CSZ5250ZXX运钞车CSZ5031X、CSZ5032X75镇江市特种车辆厂有限公司(十)37 奥赛牌通信车ZJT5051X 76江阴市汽车改装厂(十)41 神探牌勘察车JYG5040X指挥车JYG5050X流动办公车JYG5040X运兵车JYG5041X 77江苏友谊汽车有限公司(十)45 友谊牌小学生专用校车ZGT692078江苏卡威汽车工业集团有限公司(十)46 卡威牌厢式运输车JNQ5031X工具车JNQ5031X邮政车JNQ5031X79徐州工程机械集团有限公司(十)48 徐工牌同步碎石封层车XZJ5311TFC扫路车XZJ5060TSL桥梁检测车XZJ5250JQJ沥青洒布车XZJ5251GLQ、XZJ5161GLQ混凝土搅拌运输车XZJ5250GJB、XZJ5312GJB路面养护车XZJ5161TYH随车起重运输车XZJ5160JSQ、XZJ5257JSQ、XZJ5250JSQ、XZJ5310JSQ、XZJ5252JSQ高空作业车XZJ5140JGK80苏州市捷达消防车辆装备有限公司(十)49 捷达消防牌干粉泡沫联用消防车SJD5260TXF81江苏九州车业有限公司(十)52 九州牌工程车SYC5045X绿化喷洒车SYC5042GPS82无锡交通汽车股份有限公司(十)56 金南牌城市客车XQX6920厢式运输车XQX5040X自装卸式垃圾车XQX5040ZZZ83江苏中意汽车有限公司(十)61 中意牌救护车SZY5033X救险车SZY5073X电源车SZY5051X、SZY5250X84常林股份有限公司(十)63 常林牌自装卸式垃圾车CHL5250ZZZ85苏州江南航天机电工业公司(十)67 航天牌净水车SJH5200X抢险救援照明车SJH5150X86江苏银宝专用车有限公司(十)68 银宝牌自装卸式垃圾车SYB5060ZZZ随车起重运输车SYB5311JSQ、SYB5162JSQ、序号SYB5254JSQ、SYB5253JSQ、SYB5161JSQ、SYB5310JSQ、SYB5041JSQ87江苏悦达专用车有限公司(十)69 悦达牌洒水车YD5071GSS88鸿运汽车有限公司(十)71 宏运牌下水道疏通清洗车HYD5123GQX、HYD5072GQX冷藏车HYD5044X工程车HYD5054X、HYD5044X抓斗式垃圾车HYD5122ZZD、HYD5070ZZD摆臂式垃圾车HYD5071ZBS救护车HYD5037X、HYD5047X救险车HYD5101X、HYD5071X流动服务车HYD5054X89江苏英田专用车制造有限公司(十)72 英田牌平板运输车YTP5080TPB90常州中汽商用汽车有限公司(十)76 常奇牌清障车ZQS5250TQZ、ZQS5100TQZ、ZQS5120TQZ、ZQS5310TQZ、ZQS5089TQZ91张家港韩中深冷科技有限公司(十)77 韩中深冷牌半挂车ZHJ9401、ZHJ9400、ZHJ9408、ZHJ9407低温液体加注车ZHJ5241GDJ低温液体运输车ZHJ5291GDY、ZHJ5300GDY92镇江康飞机器制造有限公司(十)78 康飞牌售货车KFT5020X93南京金长江交通设施有限公司(十)82 路鑫牌大流量排水抢险车NJJ5161TPS挖掏式管道疏通车NJJ5061TWG除雪车NJJ5060TCX94徐州天地重型机械制造有限公司(十)86 鑫天地重工牌低密度粉粒物料运输车XTD5250GFL高空作业车XTD5061JGK、XTD5067JGK95溧阳二十八所系统装备有限公司(十)102 中驰威牌监测车CEV5030X通信车CEV5070X、CEV5030X96扬州三源机械有限公司(十)103 三联牌散装饲料运输车YSY5310ZSL97杭州爱知工程车辆有限公司(十一)04 爱知牌高空作业车HYL5095JGK98湖州客车厂(十一)05 东方牌工具车HZK5036X99杭州市政机械制造有限公司(十一)10 双箭牌路面养护车HZJ5165TYH100杭州越西客车制造有限公司(十一)23 悦西牌客车ZJC6601、ZJC6660序号101浙江卡尔森汽车有限公司(十一)28 中誉牌指挥车ZZY5040X 102浙江美通筑路机械股份有限公司(十一)31 浙通牌路面养护车LMT5162TYH 103宁波凯福莱特种汽车有限公司(十一)34 凯福莱牌救护车NBC5054X 104浙江万丰汽车制造有限公司(十一)36 万丰牌多用途货车ZWQ1021105中汽商用汽车有限公司(杭州)(十一)37 中汽牌自卸汽车ZQZ3041宣传车ZQZ5079X、ZQZ5049X舞台车ZQZ5166X路面养护车ZQZ5030TYH106安徽冀东华夏专用车有限公司(十二)02 华夏牌自卸汽车AC3311客车AC6751107安徽江淮客车有限公司(十二)03 合客牌中小学生专用校车HK6801幼儿专用校车HK6741108安徽江淮安驰汽车有限公司(十二)07 江淮牌多用途货车MC1022109安徽省广通汽车制造有限公司(十二)20 安通牌城市客车CHG6663客车CHG6663、CHG6603110安徽江淮扬天汽车股份有限公司(十二)22 江淮扬天牌自卸式垃圾车CXQ5031ZLJ111明光市浩淼消防科技发展有限公司(十二)25 光通牌举高喷射消防车MX5330JXF水罐消防车MX5260GXF泡沫消防车MX5260GXF112安徽开乐专用车辆股份有限公司(十二)27 开乐牌半挂车AKL9401下灰车AKL5310GXH113利辛县江淮扬天汽车有限公司(十二)32 金皖牌车厢可卸式垃圾车LXQ5020ZXX114安徽江淮专用汽车有限公司(十二)35 江淮牌冷藏车HFC5091X自卸式垃圾车HFC5030ZLJ115合肥市富园汽车改装有限公司(十二)36 富园牌宣传车HFY5048X、HFY5049X116滁州市恒信工贸有限公司(十二)37 恒信致远牌下灰车CHX5310GXH、CHX5311GXH117厦门厦工重工有限公司(十三)14 厦工牌混凝土搅拌运输车XXG5312GJB绿化喷洒车XXG5021GPS118福建龙马环卫装备股份有限公司(十三)16 福龙马牌压缩式垃圾车FLM5163ZYS吸污车FLM5070GXW扫路车FLM5071TSL桶装垃圾运输车FLM5071CTY。
汽车产品型号编制规则汽车产品型号编制规则是指在汽车工业中,为了对不同款式、配置和参数的车辆进行区分和命名,而制定的一套统一的规则和标准。
这些规则和标准包括了一系列的字母、数字和符号的组合,用于准确描述车辆的重要特征。
下面是一些常见的汽车产品型号编制规则。
1. 品牌标识:汽车品牌通常在车辆型号的命名中起到了重要的角色。
每个汽车品牌都有自己独特的标识符号,常见的有奥迪(Audi)的“A”、宝马(BMW)的“B”、雪佛兰(Chevrolet)的“C”等。
该标识通常位于车辆型号名称的前面。
2. 级别标识:车辆的级别标识用于区分不同档次或者级别的车型。
常见的级别标识有常用的字母和数字,如“S”表示豪华版,而“R”则表示跑车。
有些汽车品牌还使用了特殊的名称,如雷克萨斯(Lexus)的“ES”代表豪华轿车系列。
3. 车型标识:每个车型都有自己的唯一标识符,用于区分不同的款式和配置。
车型标识通常由一串数字和/或字母组成,并在车型名称的中间或者末尾的位置。
例如,丰田(Toyota)的卡罗拉(Corolla)型号在车型标识中可能是“20”,而日产(Nissan)的途乐(Patrol)型号的车型标识可能是“Y62”。
4.动力标识:汽车动力系统的类型和能力在车型编制中也起着重要的作用。
常见的动力标识包括了“V”表示汽油发动机,而“D”则表示柴油发动机。
一些高性能车型可能还会使用“T”表示涡轮增压。
如果车辆是混合动力或电动汽车,常见的标识有“H”表示混合动力和“E”表示纯电动。
5. 细分市场标识:为了更好地满足市场需求和细分市场的要求,一些车型可能在车型标识中加入了特定的标识符。
这些标识符可能代表了不同的配置或少量改动。
例如,丰田(Toyota)的卡罗拉(Corolla)型号在车型标识中加入了“X”表示豪华配置,而日产(Nissan)的途乐(Patrol)型号在车型标识中加入了“Armada”表示适用于北美市场。
总之,汽车产品型号编制规则是汽车工业中为了区分不同款式、配置和参数的车辆而制定的一套规则和标准。
汽车产品型号(车辆型号)编码规则汽车产品型号(车辆型号),是为了识别车辆而制定的由一组汉语拼音字母和阿拉伯数字组成的编号。
我国对汽车产品型号的编制是根据GB9417-88《汽车产品型号编制规则》。
其基本型号由两位或三位汉语拼音字母和四至五位数字组成。
为了避免与数字混淆,不应采用汉语拼音字母中的“I”和“O”。
企业名称代号用企业名称或所在地名称的两个或三个汉语拼音字母表示。
企业名称代号用企业名称或所在地名称的两个或三个汉语拼音字母表示。
企业名称代号对照表企业名称代号对照表车辆类型代号对照表主参数代号:载货汽车、越野汽车、自卸汽车、牵引汽车、专用汽车与半挂车的主参数代号为车辆的总质量,都以“吨”为单位。
牵引汽车的总质量包括牵引座上的最大质量。
当总质量在100吨以上,允许用三位数字表示。
客车以及半挂客车的主参数代号为车辆长度,以“米”为单位,当车辆长度小于10米时应精确到小数点后一位,并以长度(米)值的十倍数表示。
轿车的主参数代号为发动机排量,以“升”为单位,应精确到小数点后一位,并以其值的十倍数值表示。
专用汽车及专用半挂车的主参数代号,当采用定型汽车底盘或定型半挂车底盘改装时,若其主参数与定型底盘原车的主参数之差不大于10%,则应沿用原车的主参数代号。
主参数不足规定位数时,在参数前以“0”占位。
产品序号:各类汽车的产品序号位于产品型号的第四部分,用阿拉伯数字表示,数字由0、1、2……依次使用。
企业自定代号:企业自定代号位于产品型号的最后部分,同一汽车结构略有变化而需要区别时(例如汽油、柴油发动机,长、短轴距,单、双排座驾驶室,平、凸头驾驶室,左、右置方向盘等),可用汉语拼音字母和阿拉伯数字表示,位数也由企业自定。
供用户选装的零部件(如暖风装置、收音机、地毯、纹盘等)不属结构特征变化,应不给予企业自定代号。
车辆型号编码规则实例例1:东风EQ1090F2D1表示东风汽车股份有限公司生产的货车,车辆总质量9吨例2:北京BJ2020T表示北京吉普汽车有限公司生产的越野车,总质量2吨例3:解放CA3160表示第一汽车集团公司生产的自卸车,车辆总质量16吨例4:解放CA4138K2R5A5表示第一汽车集团公司生产的牵引车,车辆总质量13吨例5:三一SY5291THB表示三一重工股份有限公司生产的混凝土泵车,车辆总质量29吨例6:松花江HFJ6350表示哈飞汽车股份有限公司生产的松花江牌客车,车身总长3.5米例7:雅阁HG7240表示广州本田汽车有限公司生产的雅阁轿车,发动机排量2.4升例8:万事达CSQ9380表示梁山东岳挂车制造有限公司生产的半挂车,总质量38吨进口车行驶证型号规则例1:车型中文名称+车型的VIN码中的前八位 (厂商为美洲的、日本在美国工厂制造的等)例如:市民1HGEJ116例2:车型中文名称+车型的VIN码中的前十一位(欧洲、大洋洲、日本本土制造的等),(行使证登记方式)例如:梅赛德斯-奔驰WDCBB86E15A例3:车型中文名称+车型的VIN码的第一部分(日本本土,既没有VIN码也没有铭牌) 例如:卡姆利VCV10例4:车型中文名称+车辆的发动机排量(进口关单登记方式)例如:奥迪3597CC越野车 Q7 汽油型可以根据以上规律对拿到的行驶证、合格证、进口货物证明书等相关资料,与展业人员提供的型号进行核实以提高界定车型的准确率,提高查找车型的速度。
车辆型号解析汽车的产品型号由企业名称代号、车辆类别代号、主参数代号、产品序号组成。
对于专用汽车及专用半挂车还应增加专用汽车分类代号。
必要时附加企业自定代号。
企业名称代号:位于产品型号的第一部分,用代表企业名称的两个汉语拼音字母表示。
(①)车辆类别代号:位于产品型号的第二部分,用一位阿拉伯数字表示。
(②)主参数代号:位于产品型号的第三部分,用两位阿拉伯数字表示。
(③)产品序号:位于产品型号的第四部分,用阿拉伯数字表示,数字由0、1、2……依次使用。
(④)□□○○○○■■①②③④⑤例:新飞XKC 5 09 2 XBW A3保温车①②③ ④⑤企业名称代号①:XKC车辆类别代号②:5主参数代号③:09产品序号④:2专用汽车分类及企业自定义代号⑤:XBW A3数字“1“代表载货汽车类,如:英田YTA1163R1C1载货汽车数字“2“代表越野汽车类,如:东风EQ2056M7越野汽车数字“3”代表自卸汽车类,如:中实QY3236P1K2T1自卸汽车数字“4”代表牵引汽车类,如:十通STQ4220L5A7S牵引汽车数字“5”代表专用汽车类,如:新飞XKC5092XBWA3保温车数字“6”代表客车类,如:开瑞SQR6361K007多用途乘用车数字“7”代表轿车类,如:大众FV7204TATG轿车数字“9”代表挂车类,如:湖挂HBG9134半挂车(1)载货汽车、越野汽车、自卸汽车、牵引汽车、专用汽车与半挂车的主参数代号为车辆的总质量(t),牵引汽车的总质量包括牵引座上的最大质量.当总质量在100t以上时,允许用三位数字表示。
例1、货车类英田YTA1163R1C1载货汽车品牌:英田YTA车型:YTA1163R1C1车型类别:载货汽车说明:红色数字“1”代表载货汽车类,蓝色数字“16”代表该车总质量为16000kg。
(2)客车的主参数代号为车辆长度(m)。
当车辆长度小于10m时,应精确到小数点后一位,并以长度(m)值的十倍数值表示。