路基分项划分
- 格式:xls
- 大小:561.50 KB
- 文档页数:3
公路分部分项工程划分方案一、引言公路是连接城市与城市、乡村与乡村的重要交通枢纽,对于保障人民群众的出行需求,促进经济社会发展具有重要意义。
而公路建设则是保障公路畅通与安全的重要保障。
公路工程建设是一个复杂的系统工程,需要多种不同的工程分项协同合作完成。
因此,对公路工程进行合理的分部分项工程划分,对于提高工程建设的科学性、合理性、高效性具有重要意义。
二、公路分部分项工程概述公路工程是指为了实现陆路交通运输需要、确保道路交通的安全畅通及服务经济社会发展的需求而进行的基础设施建设与改造工程。
公路工程的建设包括设计、施工、监理、设备供应等多个方面,需要多个工程分项协同合作才能完成。
根据工程建设的要求,需要对公路工程进行合理的分部分项工程划分,以便于更好地组织实施工程建设,提高工程建设的效率和质量。
1. 公路工程建设的主要分部分项工程(1)路基工程:路基工程是指在公路工程中铺设路面的基础工程,包括路基填筑、路基压实、路基排水等多样的工程内容。
(2)路面工程:路面工程是指在公路工程中铺设路面的施工工程,包括路面铺设、路面修复、路面养护等多种施工过程。
(3)桥梁工程:桥梁工程是指在公路工程中建设桥梁的工程,包括桥梁设计、桥梁施工、桥梁检修等多种工程内容。
(4)隧道工程:隧道工程是指在公路工程中修建隧道的工程,包括隧道设计、隧道施工、隧道排水等诸多方面的工程内容。
2. 分部分项工程划分的重要性合理的分部分项工程划分对于提高公路工程建设的效率和质量具有重要意义。
一方面,分部分项工程划分可以更好地组织施工过程,明确各个工程分项的职责和任务,有利于施工进度的控制与管理;另一方面,分部分项工程划分可以科学地组织施工队伍和施工设备,提高施工效率,减少施工成本。
三、分部分项工程划分原则1. 经济性原则:分部分项工程划分应当以节约成本为目的,避免工程部分重叠、重复。
2. 专业性原则:分部分项工程划分应当按照工程专业性进行,使得各项工程任务明确,有利于施工工序的衔接和整体进度的控制。
公路工程单位分部分项工程划分方法
公路工程是指建设、改建、扩建和维护公路的工程项目,是基础设施
建设的重要组成部分。
在进行公路工程的设计和施工时,需要对工程进行
细分,以便进行施工组织和管理。
单位分部分项工程划分方法是将整个公
路工程划分为若干个具有独立功能的单位和分部分项,以便于组织和管理
施工工作。
单位分部分项工程划分方法主要包括以下几个步骤:
1.区域划分:根据公路工程的地理位置和规模,在整个工程范围内进
行区域划分。
通常将大的公路工程划分为若干个区域,每个区域包含若干
个单位和分部分项工程。
2.功能划分:根据公路工程的功能需求,在每个区域内对工程进行功
能划分。
例如,将公路工程分为路基工程、路面工程、桥梁工程、隧道工程、交通设施工程等。
3.单位工程划分:在每个功能区域内进一步划分单位工程。
单位工程
是具有独立功能和施工特点的工程单元,通常对应于一段路段、一座桥梁
或一个隧道等。
例如,将路基工程划分为路基填筑、边坡保护、排水设施
等单位工程。
4.分部分项工程划分:在每个单位工程内进一步划分分部分项工程。
分部分项工程是对单位工程进行细分的工作单位,通常对应于具体的施工
工序或构造要素。
例如,在路基填筑单位工程中,可以划分为平整填筑、
压实、强夯等分部分项工程。
根据以上划分方法,可以将公路工程从整体上进行分解和划分,使每
个单位和分部分项工程都具有相对独立的施工任务,可以专门组织和管理。
同时,单位分部分项工程划分方法还可以为公路工程的施工计划、工期计算、资源配置和质量控制等提供依据。
单位、分部及分项工程区分方法区分依据:《公路工程质量检验评定标准》(JTGF80/1-2017)及施工图纸。
一、单位工程区分单位工程包括路基、桥梁、地道等,其中:路基每一合同段的为一个单位工程,桥梁(小桥及互通立交的桥梁除外)、地道为每座(处)为一个单位工程。
单位工程编号为 D,路基工程作为第一个单位工程编号为D01,桥梁工程为 D02, 地道工程工程为 D03(每单洞作为一个单位工程),后续动工项目单位工程编号顺延。
二、分部工程区分分部工程编号为B,依据评定标准附录A-1 序次依次编号为B01、B02Bnn。
(一)路基工程分部区分分为路基土石方、排水、小桥人行天桥渡槽、涵洞通道、防护支档、大型挡土墙工程等,其中:路基土石方1Km为一个路段及不同样的施工任务区分分部工程。
排水、通涵、防范每1~ 3Km 为一个路段及不同样的施工任务区分分部工程。
小桥渡槽、大型挡土墙每处为一个分部工程。
1、路基土石方工程每自然段(构造物断开处)或最长每 1 公里路段作为一个分部工程,编号为 B01 B0n;排水工程每自然段(构造物断开处)或最长每 3 公里路段作为一个分部工程,编号接路基土石方工程序次编号;小桥及吻合小标准的通道、人行天桥、渡槽,每座作为一个分部工程,编号接排水工程序次编号;涵洞通道每自然段(构造物断开处)或最长每 3 公里路段作为一个分部工程,编号接小桥、人行天桥、渡槽序次编号;防范支档工程每自然段(构造物断开处)或最长每 3 公里路段作为一个分部工程,编号接涵洞通道工程序次编号;大型挡土墙、组合式挡土墙每座作为一个分部工程,编号接防范支档工程序次编号。
(二)桥梁工程分部区分桥梁工程以墩台为单位并结合构造部位区分分部工程,1、特大、大、中桥依据评定标准附录A-1序次依次进行划分,编号为B01、 B02B0n。
2、特大桥每墩、台作为一个分部工程。
大、中桥每2-3 个墩台为一个分部工程。
3、桥梁上部构造预制和安装,特大桥每跨作为一个分部工程,大中桥 2-3 跨作为一个分部工程;上部构造现浇,特大桥每跨作为一个分部工程,大中桥 2-3 跨作为一个分部工程。
道路分部分项工程划分表道路分部分项工程划分表是指对道路工程项目按照不同的施工内容和特点进行划分,将整个工程划分为若干个具体的部分,以方便组织和管理工程施工。
以下是一个例子:一、道路基础工程1.地基处理:包括土方开挖、填筑和夯实等工作,以满足道路基础的要求。
2.路基处理:包括路基填筑、压实和平整等工作,以确保道路基础的稳定性。
二、路面工程1.路面结构:包括设置路基、基层、面层等不同层次的结构,以保证道路的承载能力和平顺性。
2.路面铺装:包括沥青混凝土、水泥砼等材料的铺装施工,以确保路面的平整和耐久性。
3.路面标线:包括道路标线、交通标志等的划设,以保证道路交通的顺畅和安全。
三、桥梁工程1.桥梁基础:包括桥墩、桥台等基础的施工,以支撑和保证桥梁的稳定性。
2.桥梁上部结构:包括梁、板、墩、台等上部结构的安装和构建,以满足桥梁的承载要求。
3.桥梁装饰:包括桥梁护栏、栏杆等的安装和装饰,以提高桥梁的美观性和使用性。
四、交通设施工程1.交通信号灯:包括红绿灯、黄灯等交通信号灯的设置和调试,以保障道路交通的有序性。
2.路灯设置:包括路灯杆的安装和灯具的设置,以提供道路行车和行人的光照。
3.隧道通风设施:包括隧道通风机组、烟气排放系统等的安装和运行,以确保隧道内的空气质量。
五、排水工程1.雨水排水:包括设置雨水管道、排水沟等,以确保道路在降雨时能够顺利排水。
2.污水处理:包括设置污水收集和处理设施,以保护环境和道路周边的水源。
以上只是一个示例,实际的道路分部分项工程划分表会根据具体的工程要求和施工内容进行调整和补充。
在编制划分表时,需要考虑工程的实际情况,合理划分各个工程部分,以便进行施工进度的控制和质量的保证。
同时,划分表也是对工程项目进行梳理和归类的一种方法,有助于提高项目管理的效率和工程质量的控制。
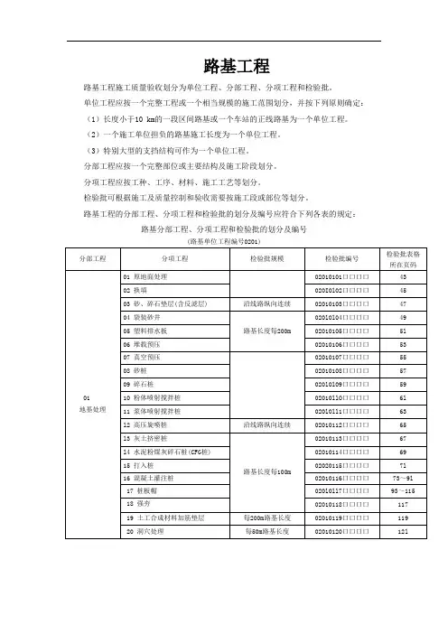
路基工程
路基工程施工质量验收划分为单位工程、分部工程、分项工程和检验批。
单位工程应按一个完整工程或一个相当规模的施工范围划分,并按下列原则确定:(1)长度小于10 km的一段区间路基或一个车站的正线路基为一个单位工程。
(2)一个施工单位担负的路基施工长度为一个单位工程。
(3)特别大型的支挡结构可作为一个单位工程。
分部工程应按一个完整部位或主要结构及施工阶段划分。
分项工程应按工种、工序、材料、施工工艺等划分。
检验批可根据施工及质量控制和验收需要按施工段或部位等划分。
路基工程的分部工程、分项工程和检验批的划分及编号应符合下列各表的规定:
路基分部工程、分项工程和检验批的划分及编号
续表
续表。
市政道路部分分部分项划分分部分项划分一、道路工程1、路基土石方开挖2、路基回填二、支护工程挡墙支护工程(片石砼挡墙C15) 1、基槽开挖2、挡墙模板安装3、挡墙墙身砼浇筑4、挡墙模板拆除5、挡墙墙背回填挂网喷混凝土支护工程(K0+250-K0+351.39、K0+762.351-K0+820 段右侧)1、挂网混凝土工程锚杆钻孔2、锚杆钢筋制安3、锚孔灌浆4、挂网混凝土钢筋网片绑扎、泄水孔安装5、喷射C20小石混凝土拱形骨架边坡防护1、基槽开挖2、M7.5浆砌片石锚杆框格梁工程1、锚杆钻孔2、锚杆钢筋制安3、锚孔灌浆4、框格梁模板安装5、框格梁砼浇筑6、框格梁模板拆除三、排水工程检查井浇筑1、基坑开挖2、检查井钢筋制安3、检查井模板安装4、检查井砼浇筑5、检查井模板拆除6、检查井基坑回填雨水管网工程1、沟槽开挖2、管道垫层浇筑3、管道铺设4、管道回填偏沟式双篦雨水口工程 1、基坑开挖2、双篦雨水口钢筋制安3、双篦雨水口模板安装4、双篦雨水口砼浇筑5、双篦雨水口模板拆除6、双篦雨水口基坑回填污水管网工程1、沟槽开挖2、管道垫层浇筑3、管道铺设4、管道回填四、电力通信工程通信井、电力标志井、通信标志井1、基坑开挖2、钢筋制安3、模板安装4、砼浇筑5、模板拆除6、基坑回填电力管网工程1、沟槽开挖2、管道垫层浇筑3、管道模板安装4、管道砼浇筑(包封)5、管道模板拆除6、管道回填。
路基工程路基工程施工质量验收划分为单位工程、分部工程、分项工程和检验批。
单位工程应按一个完整工程或一个相当规模的施工范围划分,并按下列原则确定:(1)长度小于10 km的一段区间路基或一个车站的正线路基为一个单位工程。
(2)一个施工单位担负的路基施工长度为一个单位工程。
(3)特别大型的支挡结构可作为一个单位工程。
分部工程应按一个完整部位或主要结构及施工阶段划分。
分项工程应按工种、工序、材料、施工工艺等划分。
检验批可根据施工及质量控制和验收需要按施工段或部位等划分。
路基工程的分部工程、分项工程和检验批的划分及编号应符合下列各表的规定:路基分部工程、分项工程和检验批的划分及编号(路基单位工程编号0201)续表续表宜城市2018年中考适应性考试试题数学一、选择题: 1.12,0,2这四个数中,绝对值最大的数是( )B.12C.0D.2-2.如图,AB ∥EF ,点D 是AB 上一点,且DC ⊥BE 于点C , 若∠A=36°,则∠ADC 的度数( )A .106°B .116°C .126°D .136°FE DC3.下列计算正确的是( ) A .22)(a a =- B .ab b a 22=+C .326a a a =÷D .623a a a =⋅4. “中国天眼”即500米口径球面射电望远镜(FAST ),是具有我国自主知识产权、世界最大单口径、最灵敏的射电望远镜,由4600个反射单元组成一个球面,把4600表示成na 10⨯(其中,1≤a <10,n 为整数)的形式,则n 为( ) A.2 B.3 C. 4 D. 55. 由7个大小相同的正方体搭成的几何体如图所示,则以下结论:①主视图既是轴对称图形又是中心对称图形②俯视图是轴对称图形但不是中心对称图形; ③左视图既不是轴对称图形,也不是中心对称图形;其中正确结论是( ) A. ① B. ② C.③ D. 以上都不对6.一个不透明的袋子里装有质地、大小都相同的3个红球和1个绿球;随机从中摸出一球,不再放回,充分搅均后再随机摸出一球,则两次摸到一红一绿的概率是( ) A .31 B .32 C .21 D .41 7. 下列命题是真命题的是( )A .四边相等的四边形是矩形B .菱形的对角线相等C .对角线互相垂直的平行四边形是正方形D .对角线相等的平行四边形是矩形 8.已知a ,b ,c 为△ABC 的三边长,关于x 的一元二次方程(a +c )x 2+2bx +(a ﹣c )=0有两个相等的实数根,则△ABC 为( )A .等腰三角形B .等边三角形C .直角三角形D .等腰直角三角形 9.如图,已知AB 是⊙O 直径,BC 是弦,∠ABC=40°,过圆心O 作OD ⊥BC 交弧BC 于点D ,连接DC ,则∠DCB 为( ) A.15° B.20° C.25° D.30° 10. 如图,在平面直角坐标系中,A (1,2),B (1,-1),C (2,2),抛物线2ax y = (a ≠0)经过△ABC 区域(包括边界),则a 的取值范围是( ) A. a ≤-1或a ≥2B.21≤a ≤2 C. -1≤a <0或1<a ≤21D.-1≤a <0或0<a≤2二、填空题(本大题共6道小题,每小题3分,共18分) 11. 计算:273+=_________. 12.不等式组⎩⎨⎧--01203>>x x 的解集是______.13.已知关于x 的一元二次方程0122=+-x kx 有实数根,若k 为非负整数,则k 等于 . 14.五个正整数从小到大排列,若这组数据的中位数是4,唯一众数是5,则这五个正整数的和最小为 .15. 如图,在Rt △ABC 中,∠B=90°,∠C=30°,BC=32,以点B 为圆心,AB 为半径作 弧交AC 于点E ,则图中阴影部分面积是 .16.如图,在△ABC 中,BC =AC =5,AB =8,CD 为AB 边的高,点A 在x 轴上,点B 在y 轴上,点C 在第一象限,若A 从原点出发,沿x 轴向右以每秒4个单位长的速度运动,则点B 随之沿y 轴下滑,并带动△ABC 在平面内滑动,设运动时间为t 秒,当B 到达原点时停止运动.当△ABC 的边与坐标轴平行时,t = .三、解答题(9小题,共72分)17.(6分)化简)23442(43222--+--÷--x x x x x x x ,并从1,2,3,−2四个数中取一合适的数为x 值代入求值.18.(本题满分6分)某商店在2016年至2018年期间销售一种礼盒.2016年,该商店用3500元购进了这种礼盒并且全部售完;2018年,这种礼盒的进价比2016年下降了11元/盒,该商店用2400元购进了与2016年相同数量的礼盒也全部售完,礼盒的售价均为60元/盒. (1)2016年这种礼盒的进价是多少元/盒?(2)若该商店每年销售这种礼盒所获利润的年增长率相同,问年增长率是多少?19.(6分)如图,大楼AB 右侧有一障碍物,在障碍物的旁边有一幢小楼DE ,在小楼的顶端D 处测得障碍物边缘点C 的俯角为30°,测得大楼顶端A 的仰角为45°(点B ,C ,E 在同一水平直线上),已知AB=80m ,DE=10m ,求障碍物B ,C 两点间的距离(精确到0.1m )(≈1.414,≈1.732)第16题第15题第10题图第9题图 OD CBA。
公路工程单位、分部及分项工程划分公路工程的划分主要包括分部工程和分项工程。
其中,分部工程包括路基土石方工程、排水工程、小桥及符合小桥路基、涵洞、挡土墙等。
而分项工程则包括土方路基、石方路基、软土路基、管节预制、管道基础及管节安装、检查排水工程等。
路基土石方工程是公路工程的基础工程之一,包括土方路基、石方路基、软土路基、土工合成材料处治层等。
排水工程则包括井砌筑、土沟、浆砌排水沟、盲沟、跌水、急流槽、水簸箕、排水泵站等。
小桥及符合小桥路基则包括基础及下部构造、上部构造预制、安装或浇筑、工程标准的通道、人行天桥、坡槽等。
涵洞是公路工程中的一项重要工程,包括基础及下部构造、主要构件预制、安装或浇筑、填土、总体等。
挡土墙则包括大型挡土墙、合式挡土墙、筋带、锚杆、拉杆、总体等。
这些工程都是公路工程中不可或缺的组成部分。
路面工程是公路工程中的重要组成部分,包括底基层、基层、面层、垫层、联结层、路缘石、人行道、路肩、路面、边缘排水系统等。
扩大基础、桩基、地下连续墙、承台、沉井等也是公路工程中不可或缺的基础及下部构造。
桥梁工程是公路工程中的重要组成部分,包括基础及下部构造、主要构件预制、其他构件预制、钢筋加工及安装、预应力筋的加工和张拉、梁板安装、悬臂拼装、桥梁工程上部构造预制和顶推施工梁、拱圈节预制、拱的安装、转体施工安装等。
附属工程则包括护坡、护岸、导流工程、石笼防护、砌石工程等。
引导工程是公路工程中的重要组成部分,包括路基、路面、挡土墙、小桥、涵洞、护栏等。
而互通立交则包括桥梁总体、基础及下部构造、上部构造预制和安装、支座安装、搭板、伸缩缝安装、栏杆安装、混凝土护栏、人行道铺设、灯柱安装等。
这些工程的划分和规划对于公路工程的建设至关重要。
XXX casting of each bridge。
support pads。
bridge deck paving。
guardrails。
and XXX facilities.Unit engineering is divided into sub-engineering。
分部分项划分一、道路工程1、路基土石方开挖2、路基回填二、支护工程挡墙支护工程(片石砼挡墙C15)1、基槽开挖2、挡墙模板安装3、挡墙墙身砼浇筑4、挡墙模板拆除5、挡墙墙背回填挂网喷混凝土支护工程(K0+250-K0+351.39、K0+762.351-K0+820段右侧)1、挂网混凝土工程锚杆钻孔2、锚杆钢筋制安3、锚孔灌浆4、挂网混凝土钢筋网片绑扎、泄水孔安装5、喷射C20小石混凝土拱形骨架边坡防护1、基槽开挖2、M7.5浆砌片石锚杆框格梁工程1、锚杆钻孔2、锚杆钢筋制安3、锚孔灌浆4、框格梁模板安装5、框格梁砼浇筑6、框格梁模板拆除三、排水工程检查井浇筑1、基坑开挖2、检查井钢筋制安3、检查井模板安装4、检查井砼浇筑5、检查井模板拆除6、检查井基坑回填雨水管网工程1、沟槽开挖2、管道垫层浇筑3、管道铺设4、管道回填偏沟式双篦雨水口工程1、基坑开挖2、双篦雨水口钢筋制安3、双篦雨水口模板安装4、双篦雨水口砼浇筑5、双篦雨水口模板拆除6、双篦雨水口基坑回填污水管网工程1、沟槽开挖2、管道垫层浇筑3、管道铺设4、管道回填四、电力通信工程通信井、电力标志井、通信标志井1、基坑开挖2、钢筋制安3、模板安装4、砼浇筑5、模板拆除6、基坑回填电力管网工程1、沟槽开挖2、管道垫层浇筑3、管道模板安装4、管道砼浇筑(包封)5、管道模板拆除6、管道回填。
路基工程
路基工程施工质量验收划分为单位工程、分部工程、分项工程和检验批。
单位工程应按一个完整工程或一个相当规模的施工范围划分,并按下列原则确定:(1)长度小于10 km的一段区间路基或一个车站的正线路基为一个单位工程。
(2)一个施工单位担负的路基施工长度为一个单位工程。
(3)特别大型的支挡结构可作为一个单位工程。
分部工程应按一个完整部位或主要结构及施工阶段划分。
分项工程应按工种、工序、材料、施工工艺等划分。
检验批可根据施工及质量控制和验收需要按施工段或部位等划分。
路基工程的分部工程、分项工程和检验批的划分及编号应符合下列各表的规定:路基分部工程、分项工程和检验批的划分及编号
(路基单位工程编号0201)
续表
续表
我也始终相信,你每天的认真付出总会有回报,生命不息,努力不止,好运总会来!我不信命,因为我的命掌握在自己手中!。
公路工程之单位工程、分部工程、分项工程划分公路工程之单位工程、分部工程、分项工程划分2018年公路工程单位/分部/分项单位工程分部工程(子分部工程)分项工程(子分项工程)1.路基工程(LJ )1.1路基土石方工程(A)1.1.1桩号按3公里路段为单元划分子分部(A01,A02…)1.1.1.1土方路基(A)按自然段或整公里1.1.1.2石方路基(B)按自然段或整公里1.1.1.3软土地基(C)按自然段或整公里1.1.1.4土工合成材料处治层(D)按自然段或整公里1.2排水工程1.2.2桩号按3公里1.2.2.1管道基础及按自然段或整公里(B) 路段为单元划分子分部(B01,B02…) 管节安装(A)1.2.2.2检查(雨水)井砌筑(B)按自然段或整公里1.2.2.3土沟(C)按自然段或整公里1.2.2.4边沟(D)按自然段或整公里1.2.2.5排水沟(E)1.2.2.6截水沟(F)按自然段或整公里1.2.2.7盲沟(G)按自然段或整公里1.2.2.8渗沟(H)按自然段或整公里1.2.2.9跌水(I)按自然段或整公里1.2.2.10急流槽(J)按自然段或整公里1.2.2.11按自然段或整水簸箕(K) 公里1.2.2.12排水泵站(L) 按自然段或整公里1.2.2.13集水井(M)1.2.2.14坡体排水(N)1.3小桥及符合小标准的通道、人行天桥、渡槽工程( C )1.3.1桩号每座为单元划分子分部(C01,C02…)1.3.1.1基础及下部构造(A)1.3.1.2上部构造预制、安装或浇筑(B)1.3.1.3桥面(C)1.3.1.4栏杆(D)1.3.1.5人行道(E)1.4涵洞、通道(桩号按3公里)(D)1.4.1每座为单元划分子分部子分部(D01,D02…)1.4.1.1基础及下部构造(A)1.4.1.2上部构造预制、安装或浇筑(B)1.4.1.3填土(C)1.4.1.4总体(D)1.5砌筑工程(E) 1.5.1桩号按3公里路段为单元划分子分部(E01,E02….)1.5.1.1挡土墙(A)每处为单元(自然段起止桩号)1.5.1.2墙背填土(B)每处为单元(自然段起止桩号)1.5.1.3抗滑桩(C)每处为单元(自然段起止桩号)1.5.1.4锚喷支护每处为单元(自然段起止(D) 桩号) 1.5.1.5锥、护坡(E)每处为单元(自然段起止桩号) 1.5.1.6导流工程(F)每处为单元(自然段起止桩号)1.5.1.7石笼防护(G)每处为单元(自然段起止桩号)单位工程 分部工程 (子分部工程)分项工程 (子分项工程) 2.路基工程 (LJ )2.1大型挡土墙,组合式挡土墙(F)2.1.1桩号每处为单元划分子分部(F01,F02…)2.1.1.1基础(A) 2.1.1.2墙身(B) 2.1.1.3墙背填土(C) 2.1.1.4构件预制(D)2.1.1.5构件安装(E)2.1.1.6筋带(F)2.1.1.7锚杆(G)2.1.1.8拉杆(H)2.1.1.9总体(I)3.路面工程(LM)3.1路面工程(A)桩号按3公里路段3.1.1为单元划分子分部(A01,A02……)3.1.1.1底基层(A)按整公里左右幅分3.1.1.2基层(B)按整公里左右幅分3.1.1.3面层(C)按整公里左右幅分3.1.1.4垫层(D)按整公里左右幅分3.1.1.5联结层(E)按整公里左右幅分3.1.1.6路缘石(F) 按整公里左右幅分3.1.1.7路肩(G) 按整公里左右幅分3.1.1.8路面边缘排水设施(H) 按整公里左右幅分4.桥梁工程(桩号)(Q 1,Q2…)4.1基础及下部构造(A)4.1.1以每个墩台为单元划分子分部(A01,A02…)4.1.1.1明挖基础(A)明挖基础4.1.1.2桩基(B)桩基钢筋加工及安装桩基4.1.1.3系梁(C)系梁钢筋加工及安装系梁4.1.1.4侧墙(D)侧墙钢筋加工及安装侧墙4.1.1.5台(墩)身、柱(E)台(墩)身、柱钢筋加工及安装台(墩)身、柱4.1.1.6台(墩)帽(F) 台(墩)帽钢筋加工及安装台(墩)帽4.1.1.7盖梁(G) 盖梁钢筋加工及安装盖梁台背填土(H)支座垫石和挡块(I) 承台(J)单位工程分部工程(子分部工程)分项工程(子分项工程)5.桥梁工程(Q1,Q2…)5.1预制和安装(B)5.1.1每个孔为单元划分子分部(B01,B02…)5.1.1.1主要构件(梁、板)预制(A)5.1.1.2其他构件预制(B)5.1.1.3梁板安装(C)5.1.1.4钢筋加工及安装(D)5.1.1.5预应力筋的加工和张拉(E)5.2现场浇筑(C)5.2.1每个孔为单元划分子分部(C01,C02…)5.2.1.1预应力筋的加工和张拉(A)5.2.1.2主要构件浇筑 (B)5.2.1.3主要构件浇筑钢筋加工及安装(C)5.2.1.4其他构件浇筑 (D)5.2.1.5其他构件浇筑钢筋加工及安装(E)5.3总体及桥面(D)5.3.1总体及桥面(每座)(D01)5.3.1.1桥梁总体(A)5.3.1.2桥面防水层施工(B)5.3.1.3桥面铺装钢筋加工及安装(C)5.3.1.4桥面铺装(D)5.3.1.5支座安装(E)5.3.1.6搭板钢筋加工及安装(F)5.3.1.7搭板(G)5.3.1.8伸缩缝安装钢筋加工及安装(H)5.3.1.9伸缩缝安装(I)5.3.1.10砼护栏钢筋加工及安装(J)5.3.1.11护栏(K)5.3.1.12栏杆(L)5.3.1.13人行道铺设(M) 5.3.1.14灯柱安装(N)5.4防护工程(E)5.4.1每座左右(E01,E02)5.4.1.1护坡(A)5.4.1.2护岸(B)5.4.1.3导流工程(C)5.4.1.4石笼防护(D)5.4.1.5砌石防护(E)5.4.1.6砌石工程(F)单位工程分部工程(子分部工程)分项工程(子分项工程)6.1 6.1 6.1. 6.1.1.1号 6.1.1.1.1明挖拱桥(Q1,1 2…)基础及下部构造(A)1以每个墩台为单元划分子分部(A01,A02..)台、拱座(A)基础6.1.1.1.2桩基钢筋加工及安装6.1.1.1.3桩基6.1.1.1.4拱座钢筋加工及安装6.1.1.1.5拱座浇筑6.1.1.1.6台(墩)身钢筋加工及安装6.1.1.1.7台(墩)身6.1.1.1.8台(墩)帽钢筋加工及安装6.1.1.1.9台(墩)帽6.1.1.1.10台背填土6.2预制6.2.1每个6.2.1.1预制主拱桥面板资料较多,可分梁板和安装 (B) 孔为单元划分子分部 (B01,B02..) 钢筋加工及安装(B) 6.2.1.2预应力筋的加工和张拉(C) 6.2.1.3预制主拱桥面板(D) 6.2.1.4预应力筋的加工和张拉(E) 6.2.1.5预制引孔桥面板钢筋加工及安装(F) 6.2.1.6预制引孔桥面板(G) 6.2.1.7预制拱肋腹板钢筋加工及安装(H)6.2.1.8预制拱肋腹板(I)6.2.1.9预制拱肋隔板钢筋加工及安装(J)6.2.1.10预制拱肋隔板(K)6.2.1.11预制肋间系梁钢筋加工及安装(L)6.2.1.12预制肋间系梁(M)6.2.1.13梁板安装(N)6.3现场浇筑(C) 6.3.1每个孔为单元划分子分部(C01,C6.3.1.1立柱(梁板)(A)6.3.1.1.1拱圈钢筋加工及安装6.3.1.1.2拱圈现浇砼6.3.1.1.3主拱立柱钢筋加工及02…) 安装6.3.1.1.4主拱立柱6.3.1.1.5引孔立柱钢筋加工及安装6.3.1.1.6引孔立柱6.3.1.1.7主拱立柱系梁钢筋加工及安装6.3.1.1.8主拱立柱系梁6.3.1.1.9引孔立柱系梁钢筋加工及安装6.3.1.1.10引孔立柱系梁6.3.1.1.11主拱立柱盖梁钢筋加工及安装6.3.1.1.12主拱立柱盖梁6.3.1.1.13引孔立柱盖梁钢筋加工及安装6.3.1.1.14引孔立柱盖梁单位工程分部工程(子分部工程)分项工程(子分项工程)7.隧道工程(S1,S 2…)7.1总体(A)7.1.1一个分部7.1.1.1隧道总体(A)7.2明洞(B)7.2.1明洞浇筑(A)7.2.2明洞防水层(B)7.2.3明洞回填(C)7.3洞口工程(C)7.3.1洞口开挖(A)7.3.2洞口边仰坡防护(B)7.3.3洞门和翼墙的浇(砌)筑(C)7.3.4截水沟(D)7.3.5洞口排水沟(E) 7.4洞身开挖(D)7.4.1一个分部7.4.1.1以100m为单元分段划分分项(A)洞身开挖(分段7.5洞身衬砌(E)7.5.1一个分部7.5.1.1喷射砼(A)以100m为单元分段划分子分项7.5.1.2锚喷支护(B)7.5.1.3钢筋网(C)7.5.1.4仰拱(D)7.5.1.5衬砌砼(E)7.5.1.6钢支撑(F)7.5.1.7衬砌钢筋(G) 以100m为单元分段划分子分项7.6防排水(F) 7.6.1一个分部7.6.1.1防水层(A)7.6.1.2止水带(B)7.6.1.3排水沟(C)7.7隧道路面(G)7.7.1一个分部7.7.1.1基层(A)以3km为单位(左右幅分开)7.7.1.2面层(B)以3km为单位(左右幅分开)7.8装饰(H)7.8.1装饰工程(A)7.9辅助施工7.9.1超前锚杆(A)7.9.2超前措施(L)钢管(B)8.绿化与环保工程(LH )8.1声屏障(A)8.1.1每处8.1.1.1声屏障(A)8.2绿化工程(B)8.1.21-3km路段或每处8.1.2.1中央分隔带绿化(A)8.1.2.2路侧绿化(B)8.1.2.3互通立交绿化(C)8.1.2.4服务区绿化(D)8.1.2.5取弃土场绿化(E)单位工程分部工程(子分部工程)分项工程(子分项工程)9.交通安全设施工程(JA) 9.1标志(A)9.1.1按5-1 0公里路段为单元标志(A)(资料左右幅分开)9.2标线、突起路标(B)9.2.1按5-1 0公里路段为单元标线(A)突起路标(B)9.3护栏、轮廓标(C)9.3.1按5-1 0公里路段为单元波形梁护栏(A)缆索护栏(B)砼护栏(C)轮廓标(D)9.4防眩设施(D)9.4.1按5-1 0公里路防眩板、网(A)段为单元划分子分部9.5隔离栅、防落网(E)9.5.1按5-1 0公里路段为单元隔离栅、防落网(A)10.机电工程(JD) 10.1监控设施(A)10.1.1车辆检测器(A)10.1.2气象检测器(B)10.1.3闭路电视监视系统(C)10.1.4可变标志(D)10.1.5光电缆线路(E)10.1.6监控(分)中心设备安装及软件调测(F)(A)10.1.7大屏幕投影系统(G)10.1.8地图板(H)10.1.9计算机监控软件与网络(I)10.2通信设施(B)10.2.1通信管道与光电缆线路(A)10.2.2光纤数字传输系统(B)10.2.3数字程控交换系统(C)10.2.4紧急电话系统(D)10.2.5无线移动通信系统(E)10.2.6通信电源(F)10.3收费系统(C)10.3.1入口车道设备(A)10.3.2出口车道设备(B)10.3.3收费站设备与软件(C)10.3.4收费中心设备及软件(D)10.3.5IC 卡及发卡编号系统(E)10.3.6闭路电视监视系统(F)10.3.7内部有线对讲及紧急报警系统(G)10.3.8收费站内光、电缆及塑料管道(H)10.3.9收费系统计算机网络(I)单位工程分部工程(子分部工程)分项工程(子分项工程)11.机电工程(JD)11.1低压配电设施(D)11.1.1中心(站)内低压配电设备(A)11.1.2外场设备电力电缆线路(B)11.2照明设施(E)11.2.1照明设施(A)11.3隧道机电设施以座为单位11.3.1车辆检测器(A)11.3.2气象检测器(B)11.3.3闭路电视监视系(F) 统(C)11.3.4紧急电话系统(D)11.3.5环境检测设备(E)11.3.6报警与诱导设施(F)11.3.7可变标志(G)11.3.8通风设施(H)11.3.9照明设施(I)11.3.10消防设施(J)11.3.11本地控制器(K)11.3.12隧道监控中心计算机控制系统(L)11.3.13隧道监控中心计算机网络(M)11.3.14低压供配电(N)12.房建工程(FJ)12.1服务系统及房屋建筑(A)12.1.1以处为单位(A01,A02..)12.1.1.1服务系统及房屋建筑(A)处(A01,A02…)。