路虎维修手册电路图
- 格式:pdf
- 大小:70.94 KB
- 文档页数:5
----------电气系统412-01供暖和通风412-01控制部件412-01空气分配和过滤412-02燃油式中间加热器412-02电子中间加热器413-01仪表组413-08信息和消息中心413-09分段保养消息发送策略413-09警告设备413-13停车助手414-00蓄电池和充电系统 - 一般信息414-00静态放电414-02B带集成式启动机发电机414-03皮带驱动一体式启动机发电机414-03直流到直流转换器417-01外部照明417-02车内照明417-04白天行驶灯418-00通信网络419-01A防盗–主动419-01B防盗–被动419-10乘员监测模块已发布: 20-十一月-20182020.0 NEW RANGE ROVER EVOQUE (LZ), 412-01自动空调系统供暖和通风(G2301065)说明和操作部件位置部件位置 - 1/1注意:图示为右侧驾驶 (RHD) 车辆左侧驾驶 (LHD) 车辆与之类似。
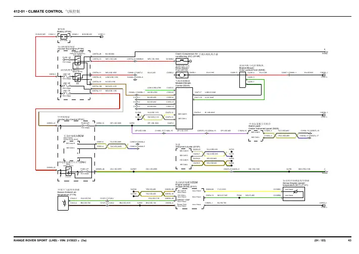
项目说明1车颈盖板2气候控制总成3HVAC控制模块4出口通风口概述加热和通风系统由以下部件组成:一个车颈盖板。
HVAC 控制模块。
一个带进口和出口的气候控制总成。
后部出口通风口。
新鲜或再循环空气从进气管流入气候控制总成。
鼓风机以及车辆移动时产生的冲压效应,可强制空气通过气候控制总成。
乘客舱的空气通过后部出口通风口排出。
HVAC 控制模块通过鼓风机控制模块控制鼓风机的运行。
鼓风机控制模块安装在气候控制总成壳体的隔板侧。
双区气候控制系统为乘客舱左右两侧提供不同的温度设置。
进一步信息请参阅: 空调 - 车辆配备:非电动车/MHEV (412-01 自动空调系统, 说明和操作).进一步信息请参阅: 空气分配和过滤(412-01 自动空调系统, 说明和操作).进一步信息请参阅: 控制部件 - [+] InControl 智能驭领尊享触控(412-01 自动空调系统, 说明和操作).进一步信息请参阅: 控制部件 - [+] InControl 智能驭领双屏尊享触控(412-01 自动空调系统, 说明和操作).说明车颈盖板车颈盖板连接到隔板的前部,在空气进气管的新鲜空气进气口周围。
LGW,0.35D,2785YN,0.5D,450YB,0.5D,490W,4.0,240YG,0.5D,1735BN,0.5D,100YW,0.5D,1115YU,0.5D,1115OG,1.5D,2555GP,1.0D,1620N,0.5D,2785B,0.5D,290B,0.5D,290B,0.5D,290WR,1.5D,1000B,0.5D,690GP,0.5D,1360YU,0.5D,2465YW,0.5D,2465NR,6.0D,1155BN,0.5D,740YG,0.5D,740OG,1.5D,3075BN,0.5D,1635R,35.0D,345NS,6.0D,1155NR,4.0D,1050LGW,0.5D,1195GP,1.0D,1060N,0.5D,1195WR,1.5D,1280B,50.0D,235Y,0.5,1630NG,0.5,485GB,1.5D,1180NG,0.5,1145YW,0.35D,915YU,0.35D,915YN,0.5D,645YB,0.5D,645GB,0.75D,1195R,4.0,385B,1.0D,2815YW,0.35D,460YU,0.35D,460B,4.0,395LGB,0.5,1645G,0.5,1645GP,0.5D,460GP,0.5D,3315B,4.0D,820Module (BCM) (D207)Body Control-FUSE 62P 10.0 AmpsLINK 17E 50.0 AmpsFUSE 21P 10.0 AmpsFUSE 11E 15.0 AmpsLINK 18E 50.0 Amps C1168L-15 C1166L-15Junction box-Central (P101)C2443-5 C2444L-5Ignition (R211)Relay-PCB (R16)C3127-1 C3126-1C3127-2 C3126-2temperature (T119)Sensor-Ambient air-(A/C) (R180)Relay-Air conditioning-R14MINIJunction-box engine (P108)LINK 12E 40.0 Amps Blower (R176)Relay-R16MINIC2996L-2 C2997-2C2443-4 C2444L-4C2240L-2 C2238L-2C2240L-1 C2238L-1C1270-2C1270-3C1270-112.0 VoltsBattery (P100)C3070L-8 C3069M-8Instrument cluster (D107)module (ECM) (D131)Engine control-C0047L-9 C0223L-9C Sheet2temperature (ECT) (T121)Sensor-Engine coolant-Center Instrument panel (S425)Switch pack-Front (M132)Motor-Blower-motor control-Front (D258)Module-Blower-C2053TL-15 C2054L-15Control (D243)Module-Climate conditioning (A/C) (D149)Clutch-Compressor-Air-TYPE 3C2997-1 C2996L-1TYPE 3C2054L-16 C2053TL-16C2054L-17 C2053TL-17BSheet2C0581-4MS CAN LC0583L-22C0585L-46C0412-1C0412-2SJ939SJ1005SJ1024SJ396T C0583L-21C0570L-11C0632-1C0582-13C0581-5MS CAN H C0570L-117C0570L-30C0570L-186C0570L-33SJ553SJ1028SJ1026C1661-1C1641-1C0045-1C0570L-28C0570L-10C0634-68Silver PlatedC0634-13Silver PlatedC0635L-58Silver Plated HS CAN H C0635L-45Silver PlatedHS CAN LC0635L-4Silver PlatedSensor Gnd C0635L-29Silver Plated AMBIENT TEMPC0230-23MS CAN H C0230-21HS CAN H C0230-5HS CAN LC0230-7MS CAN L PIS44SJ862SJ731SJ852SJ730C0169B-2Gold PlatedC0169B-1Gold PlatedSJ199C1629L-4MS CAN LC1629L-3MS CAN H C0056-2+C0056-1-C2281-4C2281-5C3470-13MS CAN LC3470-12MS CAN H C3470-1C3470-6C3510-6C3510-4C3510-11C3510-13C3470-5C3471-7C3471-19C1629L-10C2281-1C2281-3C0182M-1C2606L-1C2629L-1蓄电池发动机舱集线盒空调继电器鼓风机继电器中央集线盒车身控制模块BCM供电继电器乮点火开关ON 时乯环境空气温度传感器发动机控制模块ECM仪表空调压缩机离合器前鼓风机马达前鼓风机马达控制模块气候控制模块中央仪表板开关组合发动机冷却液温度传感器B,4.0D,1645O,0.5,825GY,0.5,855RG,0.5,355O,0.5,670Y,0.5,920GY,0.5,700O,0.5,350O,0.5,310U,0.5,600GY,0.5,340GY,0.5,380RY,0.5,1015P,0.5,180NB,0.5,1110BG,0.5D,830N,0.5,1505RW,0.5,1505GB,0.5,1505YB,0.5,1505P,0.5,930BG,0.5D,2020BR,0.5D,2785BG,0.5D,1775O,0.5D,2785BG,0.5D,730UY,0.5D,1445GB,0.75D,1195P,0.5,575B,0.5D,3690B,0.5D,3690B,0.5D,3690B,0.5D,3065B,0.5D,3690B,0.5D,690BG,0.5D,2055O,0.5,390GY,0.5,360RY,0.5,200Control (D243)Module-Climate Sensor-Evaporator (T165)C Sheet1Humidity (T315)Sensor-Temperature/Intake air door motor (M138)MA Sheet3D Sheet3Sensor-Air quality (T306)B Sheet1C2240L-4 C2238L-4C2240L-3 C2238L-3C2240L-5 C2238L-5C2240L-6 C2238L-6door motor (M279)Face/feet air distribution Mdoor motor (M204)RH air temperature door motor (M203)LH air temperature MMdoor motor (M259)Screen air distribution MTYPE 2C0417-1C0417-2C3471-5SJ3C0419-5C0419-1C0419-3C0419-6RECC0419-7FRSC1443L-1C1443L-2C2683-2HC/COC2683-1C2683-3BATTC2683-6GNDC2683-4NOX SJ173C3471-17C3471-3C3471-26C3471-9C3471-21C3470-16SJ550C3470-15C3470-26C3470-14C3471-1C3471-25C3471-11SJ1SJ2SJ4C2133-4C2130-2ININOUTC2133-2C2133-6C2130-4C2130-5C2130-6INOUT C2131-4C2131-5C2131-2C2131-6INOUTC2134-4C2134-5C2134-6C2134-2C0560L-1空气质量传感器气候控制模块温度/湿度传感器空气进入门马达蒸发器温度传感器风档空气分流门马达右侧空气温度门马达左侧空气温度门马达脸部/脚部空气分流门马达RU,0.5D,2785BU,0.5D,2785GW,0.5D,1795WU,0.5D,1795WR,0.5D,1795R,0.5D,2365(DIESEL 3.0L)UN,0.5D,2365(DIESEL 3.0L)UN,0.5D,2345(PV8)R,0.5D,2345(PV8)R,0.5D,2390(DV8)UN,0.5D,2390(DV8)UN,0.5D,940RG,0.5D,940BG,0.5D,830WU,0.5D,2365(DIESEL 3.0L)WU,0.5D,2345(PV8)WU,0.5D,2390(DV8)BG,0.5D,1775P,1.0,1995(PV8NA)P,1.0,1995(PV8NA)S,1.0,2330(DV8)W,1.0,2330(DV8)BG,1.0,2145PW,1.0,2145BG,0.5D,1145(PV8)S,0.5D,1145(DIESEL-NON 3.0L)RG,0.5D,1145(PV8)W,0.5D,1145(DIESEL-NON 3.0L)S,0.5D,1215(DIESEL 3.0L)W,0.5D,1215(DIESEL 3.0L)C2238L-7 C2240L-7C2238L-11 C2240L-11Control (D243)Module-Climate C2443-7 C2444L-7C2443-9 C2444L-9Sunlight (T166)Sensor-Refrigerant (T278)Sensor-Pressure-Refrigerant (T278)Sensor-Pressure-Refrigerant (T278)Sensor-Pressure-C2444L-8 C2443-8D Sheet2A Sheet2C2274L-7C3070L-9 C3069M-9C3070L-17 C3069M-17C2725L-3C2725L-4C2724-4C2724-3C2273E-7C2273E-11C2274L-11valve (D332)Refrigerant solenoid valve (D332)Refrigerant solenoid valve (D332)Refrigerant solenoid C3470-22C3470-17C3470-23C3470-24C3470-25C3470-9+C3470-10-C1465-2V OUTC1465-3 5 V C1465-1GNDC3529-2V OUTC3529-3 5 V C3398-2V OUTC3398-3 5 V C3529-1GNDC3398-1GNDC0790L-3RC0790L-4C0790L-1LC0790L-2C0999M-2C0999M-1C0128-1C0128-2C0127E-2C0127E-1气候控制模块制冷剂电磁阀制冷剂电磁阀制冷剂电磁阀柴油-除3.0升汽油V8柴油3.0升日光传感器制冷剂压力传感器制冷剂压力传感器制冷剂压力传感器。
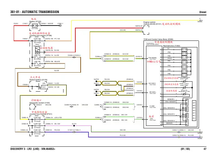
R,0.5DRN,0.5DRN,0.5D Y,0.5DB,0.5D N,0.5DY,0.5DBG,0.5DG,0.5DR,0.5DPU,0.5D R,0.5DGK,0.5DRN,0.5DBG,0.5DBG,0.5DR,0.5DR,0.5D R,0.5D R,0.5D R,0.5D N,0.5DY,0.5DRY,0.5D RB,0.5D RU,0.5D RW,0.5D RG,0.5D R,0.5D N,0.5DY,0.5DR,0.5DR,0.5DY,0.5DG,0.5DR,0.5DY,0.5DG,0.5DRN,0.5DRN,0.5DB,0.5D RN,0.5DRN,0.5DB,0.5DB,0.5DRN,0.5DB,2.5D B,0.5DRN,0.5DN,0.5H(DV6EU4)N,0.5H(DV6EU3)Y,0.5H (DV6EU4)Y,0.5H(DV6EU3)BG,0.5H (DV6EU4)RN,0.5D B,2.5D R,0.5H(DV6EU3)BG,0.5H(DV6EU3)G,0.5H (DV6EU4)G,0.5H(DV6EU3)Y,0.5H (DV6EU4)Y,0.5H(DV6EU3)R,0.5H (DV6EU4)C2365L-9C2365L-11C2365L-7C2365L-15C2365L-13C2365L-14selector indicator (B113)Lamp-Automatic gearbox-selector indicator (B113)Lamp-Automatic gearbox-Gearshift mechanism (D308)C Sheet1B Sheet1switch (S100)Lighting control position (T331)Sensor-PCB/PRND-C2674L-2 C2675L-2C0903-10 C0868-10C2790-4 C2791-4C2790-6 C2791-6C2790-5 C2791-5C2790-3 C2791-3C2790-2 C2791-2C2790-1 C2791-1C0903-18 C0868-18C0903-11 C0868-11C2674L-4 C2675L-4C2674L-3 C2675L-3C0903-9 C0868-9C0903-20 C0868-20C0903-19 C0868-19C2674L-6 C2675L-6C2674L-5 C2675L-5C2674L-1 C2675L-1C1167-9 C1165L-9C0868-23 C0903-23control module (D307)Transmission-TCM and Control Valve Body (D306)C2366C-9C2366H-9C2366H-11C2366C-11C2366H-7C2791-7 C2790-7C2791-8 C2790-8C0903-24 C0868-24Type 3C2366C-14C2366H-13C2366C-7C2366H-15C2366C-15C2366C-13C2366H-14C2657-2SPORT/MANUAL LEDC2656-7ILLUMC2656-6GNDC2658-8BATT C2658-7AUXC0041-9ILLUMSJ117C2657-1ILLUM/BATTC2658-15SPORT/MANUAL LEDC2658-3ILLUM C2658-16ILLUM/BATTC2658-14D LEDC2658-13N LED C2658-12R LED C2658-11P LED C2658-10SHIFTLOCK -C2658-9SHIFTLOCK +C2658-2P LOCKC2658-1GND C2658-4S/MC2658-6STEP -C2658-5STEP +SJ973C2656-4 D LED C2656-5ILLUM/BATTC2656-3N LED C2656-2R LED C2656-1P LED C2657-3GNDC2657-4ILLUMSJ52C2598-1SPORT/MANUALC0193-1Silver PlatedC0193-5Silver PlatedC0193-4Silver PlatedSJ2000SJ2001SJ301SJ300STEP -STEP +C0193-7Silver PlatedC0193-11Silver PlatedC0193-12Silver PlatedSHIFTLOCK +/KEYLOCK +P LOCK CONFIRMATIONSHIFTLOCK -换档位置传感器换挡杆位指示灯泡灯光控制开关TCS及车身阀变速箱模块换挡杆装置锁止开关PY,1.0H(DV6EU4)PY,1.0H(DV6EU3)PY,1.5D B,1.0H(DV6EU4)PY,1.0HB,1.0H(DV6EU3)B,1.0H(DV6EU4)B,1.0H(DV6EU4)B,1.0H(DV6EU3)B,1.0H(DV6EU3)PY,1.0HPY,1.0HPY,1.0HB,1.0H(DV6EU4)B,1.0H(DV6EU3)B,1.5DB,4.0D A Sheet1C2366H-1C2366C-1C2365L-1control module (D307)Transmission-TCM and Control Valve Body (D306)Capacitor (G158)C2366C-10C2366H-10C2365L-10TYPE 3C0193-14Silver PlatedC0193-16Silver PlatedGNDSJ6409BATTC1324-2SJ2410SJ6410C1324-1C0193-13Silver PlatedGNDSJ2409C0560L-1SJ173电容TCM及车身阀变速箱模块电源接地接地R,0.5DRN,0.5DRN,0.5D Y,0.5DB,0.5D N,0.5DY,0.5DBG,0.5DG,0.5DR,0.5D R,0.5DPU,0.5D GK,0.5DRN,0.5DBG,0.5DBG,0.5DR,0.5DR,0.5D R,0.5D R,0.5D R,0.5D N,0.5DY,0.5DRY,0.5D RB,0.5DRU,0.5D RW,0.5D RG,0.5D R,0.5D N,0.5DY,0.5DR,0.5DR,0.5DY,0.5DG,0.5DR,0.5DY,0.5DG,0.5DRN,0.5DRN,0.5DB,0.5D RN,0.5DRN,0.5DB,0.5DB,0.5DRN,0.5D B,2.5D B,0.5DRN,0.5D N,0.5H(PV8NA)N,0.5H(PV6)Y,0.5H (PV8NA)Y,0.5H(PV6)BG,0.5H (PV8NA)RN,0.5D B,2.5D R,0.5H(PV6)BG,0.5H(PV6)G,0.5H (PV8NA)G,0.5H(PV6)Y,0.5H (PV8NA)Y,0.5H(PV6)R,0.5H (PV8NA)C2365L-9C2365L-11C2365L-7C2365L-15C2365L-13C2365L-14selector indicator (B113)Lamp-Automatic gearbox-selector indicator (B113)Lamp-Automatic gearbox-C2790-6 C2791-6Gearshift mechanism (D308)C Sheet1B Sheet1switch (S100)Lighting control position (T331)Sensor-PCB/PRND-C2674L-2 C2675L-2C0903-10 C0868-10C2790-3 C2791-3C2790-5 C2791-5C2790-4 C2791-4C2790-2 C2791-2C2790-1 C2791-1C0903-18 C0868-18C0903-11 C0868-11C2674L-4 C2675L-4C2674L-3 C2675L-3C0903-9 C0868-9C0903-20 C0868-20C0903-19 C0868-19C2674L-6 C2675L-6C2674L-5 C2675L-5C2674L-1 C2675L-1C1167-9 C1165L-9C0868-23 C0903-23TCM and Control Valve Body (D306)control module (D307)Transmission-C2366A-9C2366B-9C2366B-11C2366A-11C2366B-7Type 3C2791-7 C2790-7C2791-8 C2790-8C0903-24 C0868-24C2366A-14C2366B-13C2366A-7C2366B-15C2366A-15C2366A-13C2366B-14C2657-2SPORT/MANUAL LEDC2656-7ILLUMC2656-6GNDC2658-15SPORT/MANUAL LEDC2658-7AUXC2658-3ILLUM C2658-8BATT C0041-9ILLUMSJ117C2657-1ILLUM/BATTC2658-16ILLUM/BATTC2658-14D LED C2658-13N LED C2658-12R LED C2658-11P LED C2658-10SHIFTLOCK -C2658-9SHIFTLOCK +C2658-2P LOCKC2658-1GND C2658-4S/MC2658-6STEP -C2658-5STEP +SJ973C2656-4 D LED C2656-5ILLUM/BATTC2656-3N LED C2656-2R LED C2656-1P LED C2657-3GNDC2657-4ILLUMSJ52C2598-1C0193-1Silver PlatedC0193-5Silver PlatedC0193-4Silver PlatedSJ2000SJ2001SJ301SJ300STEP -STEP +SPORT/MANUALC0193-7Silver PlatedC0193-11Silver PlatedC0193-12Silver PlatedSHIFTLOCK +/KEYLOCK +P LOCK CONFIRMATIONSHIFTLOCK -选档杆装置选档杆位置传感器灯控制开关档位杆指示灯TCM及车身阀变速箱模块锁止开关PY,1.0H(PV8NA)PY,1.0H(PV6)PY,1.5D B,1.0H(PV8NA)PY,1.0HB,1.0H(PV6)B,1.0H(PV8NA)B,1.0H(PV8NA)B,1.0H(PV6)B,1.0H(PV6)PY,1.0HPY,1.0HPY,1.0HB,1.0H(PV8NA)B,1.0H(PV6)B,1.5DB,4.0D A Sheet1C2366B-1C2366A-1C2365L-1control module (D307)Transmission-TCM and Control Valve Body (D306)Capacitor (G158)C2366A-10C2366B-10C2365L-10TYPE 3C0193-14Silver PlatedC0193-16Silver PlatedGNDSJ409BATTC1324-2SJ1410SJ410C1324-1C0193-13Silver PlatedGNDSJ1409SJ173C0560L-1TCM控制阀电容变速箱模块。
----------电气系统412-01供暖和通风412-01控制部件412-01空气分配和过滤412-02燃油式中间加热器412-02电子中间加热器413-01仪表组413-08信息和消息中心413-09分段保养消息发送策略413-09警告设备413-13停车助手414-00蓄电池和充电系统 - 一般信息414-00静态放电414-02B带集成式启动机发电机414-03皮带驱动一体式启动机发电机414-03直流到直流转换器417-01外部照明417-02车内照明417-04白天行驶灯418-00通信网络419-01A防盗–主动419-01B防盗–被动419-10乘员监测模块已发布: 20-十一月-20182020.0 NEW RANGE ROVER EVOQUE (LZ), 412-01自动空调系统供暖和通风(G2301065)说明和操作部件位置部件位置 - 1/1注意:图示为右侧驾驶 (RHD) 车辆左侧驾驶 (LHD) 车辆与之类似。
项目说明1车颈盖板2气候控制总成3HVAC控制模块4出口通风口概述加热和通风系统由以下部件组成:一个车颈盖板。
HVAC 控制模块。
一个带进口和出口的气候控制总成。
后部出口通风口。
新鲜或再循环空气从进气管流入气候控制总成。
鼓风机以及车辆移动时产生的冲压效应,可强制空气通过气候控制总成。
乘客舱的空气通过后部出口通风口排出。
HVAC 控制模块通过鼓风机控制模块控制鼓风机的运行。
鼓风机控制模块安装在气候控制总成壳体的隔板侧。
双区气候控制系统为乘客舱左右两侧提供不同的温度设置。
进一步信息请参阅: 空调 - 车辆配备:非电动车/MHEV (412-01 自动空调系统, 说明和操作).进一步信息请参阅: 空气分配和过滤(412-01 自动空调系统, 说明和操作).进一步信息请参阅: 控制部件 - [+] InControl 智能驭领尊享触控(412-01 自动空调系统, 说明和操作).进一步信息请参阅: 控制部件 - [+] InControl 智能驭领双屏尊享触控(412-01 自动空调系统, 说明和操作).说明车颈盖板车颈盖板连接到隔板的前部,在空气进气管的新鲜空气进气口周围。
路虎神行者2外部照明维修手册摘要:一、路虎神行者2外部照明系统概述二、照明系统的组件和功能1.大灯2.雾灯3.转向灯4.倒车灯5.刹车灯6.牌照灯三、照明系统的维修方法1.故障诊断2.组件更换3.系统调整四、维修注意事项正文:## 一、路虎神行者2外部照明系统概述路虎神行者2的外部照明系统是汽车夜间行驶和安全行驶的重要保障。
该系统包括大灯、雾灯、转向灯、倒车灯、刹车灯、牌照灯等组件,它们各自承担着不同的照明任务,共同构成了车辆的夜间行驶视野。
## 二、照明系统的组件和功能### 1.大灯大灯是车辆外部照明系统中最重要的组件,负责照亮车辆前方的道路。
大灯的设计和使用寿命应符合道路照明标准和车辆安全要求。
### 2.雾灯雾灯位于车辆前方两侧,用于在雾天、雨天等能见度较低的情况下提供辅助照明,提高车辆行驶安全性。
### 3.转向灯转向灯位于车辆侧面和尾部,用于在车辆转弯时向其他道路使用者发出信号,提醒其注意行驶方向变化。
### 4.倒车灯倒车灯位于车辆尾部,用于在倒车时照亮车辆后方,提醒其他道路使用者注意车辆倒行。
### 5.刹车灯刹车灯位于车辆尾部,当驾驶员踩下刹车时,刹车灯亮起,向后方的车辆发出减速信号,提高行车安全性。
### 6.牌照灯牌照灯位于车辆尾部,用于照亮车辆牌照,便于其他道路使用者识别车辆信息。
## 三、照明系统的维修方法### 1.故障诊断在外部照明系统出现故障时,首先进行故障诊断。
可以通过观察灯光是否亮起、灯光亮度是否正常、灯光照射角度是否正确等方法来判断故障部位。
### 2.组件更换当诊断出故障组件时,需要进行相应的更换。
更换前,请确保购买的配件质量合格,并按照安装说明书进行安装。
### 3.系统调整在更换组件后,需要对整个照明系统进行调整。
包括调整灯光照射角度、亮度等,以确保照明效果符合标准。
## 四、维修注意事项1.在进行照明系统维修时,请务必关闭电源,避免触电事故。
2.更换组件时,请使用合适的工具,避免对组件造成损坏。
路虎维修手册电路图语言:中文Chinese 、英文English。
D.路虎2015年路虎Discovery Sport L550原厂维修手册2014-2015年路虎Freelander2 L359原厂维修手册2014-2015年路虎Range Rover Sport L494原厂维修手册2012-2013年路虎Range Rover Sport L320 原厂维修手册2013-2015年路虎Range Rover L405原厂维修手册2013-2015年路虎Discovery4 L319原厂维修手册2012-2015年路虎Range Rover Evoque L538原厂维修手册2009-2015年路虎卫士Defender L316原厂维修手册2008-2015年路虎Freelander2 L359原厂维修手册2007-2012年路虎Range Rover Sport L320原厂维修手册2005-2007年路虎Discovery3 L319原原厂维修手册2006-2012年路虎Range Rover L322原厂维修手册2008-2009年路虎Discovery3 L319原厂维修手册2011-2012年路虎Discovery 4 L319原厂维修手册2009-2015年路虎系列车型修数据规格资料2015年路虎年Discovery Sport车型DTC故障代码及诊断帮助信息2012-2015年Range Rover Evoque车型DTC故障代码及诊断帮助信息2010-2015年路虎Discovery4车型DTC故障代码及诊断帮助信息2008-2015年Range Rover Sport车型DTC故障代码及诊断帮助信息2008-2015年Freelander2车型DTC故障代码及诊断帮助信息JLR维修手册(第一册)描述与运作JLR维修手册(第二册)修理指南JLR维修手册(第三册)电路图2006-2015路虎Range Rover Sport电路图与电器元件维修信息说明2006-2014年路虎Discovery电路图与电器元件维修信息说明2008-2015路虎Freelander2电路图与电器元件维修信息说明2012-2015年Range Rover Evoque电路图与电器元件维修信息说明2015年Discovery Sport/L550原厂电路图2015路虎卫士Defender/L316原厂电路图2015路虎Range Rover Sport/L494原厂电路图2015年路虎Range Rover/L405原厂电路图2015路虎Range Rover Evoque/L538原厂电路图2015年路虎Freelander2/L359原厂电路图2015路虎Discovery4/L319原厂电路图2014Range Rover Evoque/L538原厂电路图2014年Range Rover (All New)/L405原厂电路图2014年Range Rover Sport/L494原厂电路图2013年Range Rover Evoque/L538电路图2013年Discovery4原厂电路图2013年Freelander2原厂电路图2013年Range Rover Sport电路图2012年Range Rover Evoque汽油机原厂电路图2012年Range Rover Evoque柴油机原厂电路图2006年New Range Rover原厂电路图2007年New Range Rover原厂电路图2008年New Range Rover原厂电路图2009年Range Rover Sport原厂电路图2010年Range Rover Sport原厂电路图2011年New Range Rover原厂电路图2012年New Range Rover原厂电路图2012年Range Rover Sport原厂电路图2006年Discovery3原厂电路图2007年Discovery3原厂电路图2008年Discovery3原厂电路图2009年Discovery3原厂电路图2011年Discovery4原厂电路图2010年Discovery4原厂电路图2011年Discovery4原厂电路图2012年Discovery4 原厂电路图2008年Freelander2原厂电路图2009年Freelander2原厂电路图2011年Freelander2原厂电路图2012年Freelander2柴油机原厂电路图2012年Freelander2汽油机原厂电路图2006年Freelander2原厂电路图2007年Defender原厂电路图2011年Defender原厂电路图2012年Defender原厂电路图路虎一级技师培训-路虎车型介绍路虎一级技师培训--路虎电路图知识技术培训路虎一级技师培训- IDS诊断与测试技术培训路虎一级技师培训-路虎SDD诊断电脑使用技术培训路虎一级技师培训-路虎底盘系统技术培训路虎一级技师培训--路虎发动机技术培训路虎一级技师培训--路虎变速箱技术培训路虎一级技师培训-路虎车身电器系统技术培训路虎一级二级技师测评复习试题路虎二级技师培训--路虎新揽胜极光技术介绍路虎二级技师培训--路虎胎压监测系统技术培训路虎二级技师培训--路虎四轮驱动系统技术培训路虎二级技师培训--路虎数据总线网络管理技术培训路虎二级技师培训--路虎汽油机技术培训路虎二级技师培训--路虎柴油机技术培训路虎二级技师培训--路虎空调系统技术培训路虎二级技师培训--路虎空气悬挂系统技术培训路虎二级技师培训--路虎电控发动机管理系统技术培训路虎三级技师培训--JLR新款发动机电子管理系统诊断技术培训路虎三级技师培训--路虎ABS、TCS系统技术培训(包含内训及考题)路虎三级技师培训--路虎TPMS系统技术培训(包含内训及考题)路虎三级技师培训--路虎ZF与JATCO自动变速器技术培训(包含内训及考题)路虎三级技师培训--路虎底盘悬挂与制动系统技术培训(包含内训及考题)路虎三级技师培训--路虎电子驻车制动系统技术培训(包含内训及考题)路虎三级技师培训--路虎分动器及差速器技术培训(包含内训及考题)路虎三级技师培训--路虎空调系统技术培训(包含内训及考题)路虎三级技师培训--路虎全地形反馈系统技术培训(包含内训及考题)路虎三级技师培训--路虎自适应巡航ACC系统技术培训(包含内训及考题)路虎差速器分动箱后桥全地形反馈系统培训路虎揽胜运动LR538培训手册JLR D4无钥匙进入系统内训师课程新型路虎技术特训课程JLR 导航专题培训JLR认证技师自学课程发现三全车诊断高级电器培训路虎新款发动机管理系统培训1路虎新款发动机管理系统培训2路虎新款发动机管理系统培训3路虎诊断电脑使用方法技师培训L405上市培训神行者2培训路虎极光全车系统培训路虎揽胜运动版培训路虎发动机培训路虎技师基础培训路虎的电路图基础知识培训路虎车载导航系统安装培训路虎底盘及空气悬挂培训路虎车身电器系统培训JLR柴油车电气系统培训路虎柴油产品自学手册路虎变速箱系统培训路虎V8发动机培训JLR新型柴油机技术培训新型柴油机技术研讨英文版路虎培训资料路虎技术视频JLR简写代码JLR防盗匹配改装2010年路虎区域案例研讨2011年路虎区域案例研讨2012年路虎区域案例研讨2007年路虎技术通报2008年路虎技术通报2009年路虎技术通报2010年路虎技术通报2011年路虎技术通报2012年路虎技术通报2013年路虎技术通报2014年路虎技术通报2015年路虎技术通报E.奥迪奥迪A1技术培训学习手册奥迪A2技术培训学习手册奥迪A3技术培训学习手册奥迪A4L技术培训学习手册奥迪A5技术培训学习手册奥迪A6LC6技术培训学习手册奥迪A6LC7技术培训学习手册奥迪A7技术培训学习手册奥迪A8D3技术培训学习手册奥迪A8LD4技术培训学习手册奥迪Q3技术培训学习手册奥迪Q5技术培训学习手册奥迪Q7技术培训学习手册奥迪R8技术培训学习手册奥迪RS技术培训学习手册奥迪S8技术培训学习手册奥迪TT技术培训学习手册奥迪工厂技师基础培训奥迪技师考试资料奥迪防盗系统高级培训新款奥迪A4L A6L A7技术高级培训新款奥迪Q3 Q5技术高级培训新款奥迪A8L Q7 技术高级培训新款奥迪编码、匹配、数据流新款奥迪SVM行动升级代码奥迪V AS、ODIS诊断技术培训新款奥迪系列发动机技术高级培训新款奥迪系列变速箱技术高级培训新款奥迪系列底盘技术高级培训新款奥迪混合动力技术培训新款奥迪系列空调技术高级培训新款奥迪系列电器技术基础培训新款奥迪系列电器诊断技术高级培训奥迪A5 ITV多媒体视频培训奥迪Q5 ITV多媒体视频培训奥迪Q7 ITV多媒体视频培训奥迪A7 ITV多媒体视频培训奥迪新A6L ITV多媒体视频培训奥迪新A8L ITV多媒体视频培训奥迪新型电器系统ITV多媒体视频培训新款奥迪防盗系统ITV多媒体视频培训新款奥迪双离合变速箱ITV多媒体视频培训2011年SOST专题培训第一期+TPI通告2011年SOST专题培训第二期+TPI通告2012年SOST专题培训第一期+TPI通告2012年SOST专题培训第二期+TPI通告2012年SOST专题培训第三期+TPI通告2013奥迪SOST专题培训第一期+TPI通告2013奥迪SOST专题培训第二期+TPI通告2013奥迪SOST专题培训第三期+TPI通告2014奥迪SOST专题培训+TPI通告奥迪车辆重要TPI(技术经理现场看车)奥迪年度重点技术议题汇总寶馳名車國際服務中心Bao Chi Super luxury car International Service Center ==持久更新。