制动液加注机校准规范(WD-7.6-QAM-004-025)
- 格式:pdf
- 大小:55.46 KB
- 文档页数:1
制动液质量要求与正确使用最近一个时期,劣质制动液成为人们关注的焦点。
据公安部交通管理局统计,2005年我国共发生道路交通事故45万起,近10万人死亡。
这些交通事故中,三成是制动失效造成的,而劣质制动液又是造成制动失效的重要原因。
人们在震惊之余,对制动液的质量也更加关注。
一、制动系统工作原理和制动液质量要求制动液是汽车制动系统的工作介质。
不同汽车制动系统的结构各不相同,但它们的工作原理是一样的。
图1所示是单管路液压制动传动装置。
其工作原理是:制动液充满贮液室和制动液管路中,当脚踏制动踏板时,作用力通过制动推杆推动主缸活塞运动,活塞压力通过制动液传递到轮缸活塞,推动制动蹄向外张开,利用制动蹄与轮毂之间的摩擦,起到制动作用.单纯从制动液的作用来讲,似乎对其质量要求并不高,因为任何液体都可以起到传力作用。
但事实上,由于制动液的特殊用途和工作环境,对其质量要求是十分严格的。
在制动液标准中,对制动液的质量要求多达十几项,其中对制动可靠工作至关重要的性能要求主要有以下几个方面:1. 较高的沸点。
现代汽车速度快,载重量大,在行驶中制动比较频繁。
制动过程中,制动鼓(盘)因摩擦产生大量热量,使制动液温度不断升高。
如果制动液沸点较低,当油温达到沸点时,制动液管路中就会产生蒸汽,从而导致制动失效,这种现象称为气阻。
因此制动液必须有较高的沸点。
(注:制动液的沸点用平衡回流沸点来表示。
我国的制动液主要根据平衡回流沸点分为3个牌号HZY3、HZY4和HZY5,它们的平衡回流沸点分别不低于205℃、230℃和260℃。
)2. 吸湿后沸点降低较小。
由于制动液都有较强的吸水性,容易从外界吸水而使沸点降低。
为了保证使用中不发生气阻,在标准中还规定了湿平衡回流沸点,即水含量为3.7%时的平衡回流沸点。
3.良好的低温流动性。
虽然制动液在频繁制动的情况下温度会升高,但由于制动液管路暴露在空气中,在冬季汽车刚启动时或制动频率较小的情况下,制动液也可能处于很低的温度。
制动液使用注意事项作者:来源:《农民科技培训》2008年第11期制动液俗称“刹车油”,它是机动车液压制动系统中传递压力的介质。
为了保障行车安全,应按使用说明书的要求选用合适的制动液。
一、选用机车制动液制动液应具备以下性能:1.良好的化学稳定性。
2.对金属机件无腐蚀,且吸收的水分能完全溶解,不引起分层和沉淀。
3.有适宜的粘度和低温流动性。
4.传递液压力性能好。
我国车用制动液有以下三种类型:1.醇型,以精制的蓖麻油加乙醇或正丁醇制成。
2.合成型,由醚、醇、酯等加添加剂制成。
3.矿物油型,用凝点低、初馏点大于210℃的馏分油加增粘剂、抗氧剂、防锈剂和染色剂调合而成。
根据农用机车的使用特点,可选用以下两种:1.醇型制动液1号、3号,其中1号适用于一般地区车辆,3号适用于高温地区高速、重载车辆。
2.矿物油型制动液9号、7号,其中9号用于-25℃以上地区,7号用于寒冷地区。
二、使用制动液注意事项1.醇型制动液不宜用于严寒地区和炎热的山区。
2.机车制动液在添加前必须检查,如发现白色沉淀、含有杂质等,应过滤后再用。
3.不同类型的制动液不能混存和混用。
4.换新制动液时,要将制动系统洗净擦干。
5. 使用矿物油型制动液时,要将制动系统的皮碗、软管更换成耐油橡胶制品,以免受到侵蚀,影响安全。
6.合成型制动液易于吸水,有些牌号对油漆有溶解作用,使用时要严格密封和防止滴落在车身外壳上。
7.注意防火,制动液不宜露天存放,以防其变质、失效。
8.制动液一般在更换皮碗活塞的同时更换,一般的换油期为1~2年。
三、识别真假制动液如今市场上假冒伪劣制动液较多,如果驾驶员买到这种制动液,将为行车埋下事故隐患。
现介绍一种识别真假制动液的简便方法:倒少许制动液在手掌上,真制动液一般会先感到有些凉,片刻后又会感到有些热,且不易挥发;如果感觉到制动液异常的凉,没有热的感觉,而且会慢慢挥发掉,则很可能是假制动液,不可购买和使用。
四、制动液减少的措施机动车在行驶途中,如果制动器因制动系统储液罐缺油而失灵时,驾驶员应做到以下几点:1.切不可匆匆忙忙添加不同型号的制动液。
机动车辆制动液产品质量监督抽查实施规范(试行)1 范围本规范适用于交通运输部机动车辆制动液产品质量监督抽查,地方交通运输主管部门组织的监督抽查可参照执行。
本规范内容包括产品种类、术语和定义、检验依据、抽样、检验要求、判定原则、异议处理复检、复查、附则及附录。
2 产品种类机动车辆制动液产品包括用于机动车辆液压制动和液压离合系统的非石油基制动液,涉及四个产品种类,具体如下:1)HZY3;2)HZY4;3)HZY5;4)HZY6。
分别对应国际标准ISO4925:2005中Class3、Class4、Class5.1、Class6,其中HZY3、HZY4、HZY5对应于美国交通运输部制动液类型的DOT3、DOT4、DOT5.1。
3 术语和定义下列术语和定义适用于本规范。
3.1 制动液机动车辆液压制动和液压离合系统所采用的传递压力的工作介质。
3.2 复检对检验结果有异议时,为了验证检验结果的有效性,重新进行试验。
3.3 复查发现的问题处理后,重新进行的检验行为。
3.4 备用样品复检时使用的样品。
4 检验依据下列引用的文件,其最新版本或修改单均适用于本规范。
GB 12981 机动车辆制动液GB/T 265 石油产品运动粘度测定法和动力粘度计算法- 1 -SH/T 0430 刹车液平衡回流沸点测定法交科技发[2012]32号交通运输产品质量行业监督抽查管理办法(试行)5 抽样5.1 抽样型号或规格抽样产品应是GB 12981标准中规定的同一型号、同一规格、同一批次产品。
5.2 抽样方法、基数及数量5.2.1 抽样方法在生产企业或经销企业随机抽取同一生产企业有效期内生产的产品,抽查的产品应具有生产企业的质量检验合格证明。
抽样人员不应少于2人。
5.2.2 抽样基数在生产企业抽样时,抽样基数应不少于100kg;在经销企业抽样时,抽样基数应不少于4L。
5.2.3 抽样数量同型号、同规格、同批次的产品中抽取总量不小于4L的样品,平均分成两份,一份作为检验样品,另一份作为备用样品。
制动液定量真空加注机技术协议甲方:GGGG汽车有限公司乙方:GGGG电气有限公司经甲、乙双方友好协商,就乙方向甲方提供制动液定量真空加注机达成如下技术协议:二、主要技术指标和工艺参数三、主要功能特点1.加注枪多通道电液气一体化,操作简单,便于维护加注枪是设备动作的最终执行元件,设备的真空管路、加注管路、回吸管路、真空检测管路、电控制线、气控制管均通过波纹管汇集一束,所有通道相互独立,彼此不干涉。
2.模拟轮边真空检测,使检测值更加贴近实际独立的真空检测管,由加注枪返回到加注设备,并在末端安装真空传感器,真空传感器位于了整个管路系统的最远端,使真空值能真实反映车辆轮边制动管路系统的抽真空情况,使检测值更加贴近实际。
3.全程防滴漏功能✧回吸定液面,摘枪防滴漏:独立的回吸管路与加注管路在真空加注枪上汇合,并通过加注阀回吸阀控制。
保证从枪架上取枪开始准备加注、移动加注头到加注点、开始加注、停止加注、取下加注枪到枪架整个过程全部防滴漏设计,无液体滴漏现象,保持现场的洁净。
✧在加注枪架上设有检测传感器,枪架下方设有储液仓,用于在非工作状态放置加注枪,防止设备在调试或维修时有液体洒落现场。
✧加注枪采用先进的微阀机构设计,将真空、加注、回吸控制阀全部集装在枪体上,外型小巧,结构紧凑,从根本上解决了其他加注枪难以解决的滴漏问题。
4.独立的脱水脱气双罐保证脱水气更充分保证制动液的含水量达到0.2%的指标,采用双层罐配置,保证下罐在加注的时候,上罐始终保持脱水状态,保证充足的脱水性能。
在液位较低时在两罐在相互切换补液,保证加注节拍的连续性。
配置无热再生干燥系统处理真空加注中使用的压缩空气,以保证对进入加注系统的压缩空气是干燥无水的气体,以避免在潮湿季节,在真空加注系统吹气回吸过程中,未经干燥的压缩空气中残余水气再次与加入的制动液混合,导致制动液二次吸水气后造成软刹的现象。
脱水脱气(预除气)罐设置专门的真空压力开关及观察孔,用于控制脱水脱气罐中的真空度,使其保持在20-30mBar,这样既能有利于水气的分离,又不会导致脱水过深,引起制动液的挥发。
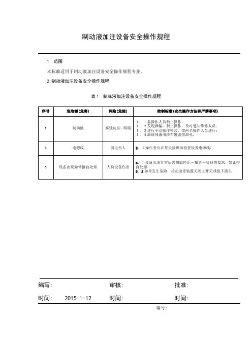
制动液更换加注操作规程1. 简介本文档旨在提供制动液更换加注的操作规程。
制动液是车辆制动系统中至关重要的液体介质,需要定期更换和加注以保持制动系统的正常运行。
正确的操作规程不仅能确保制动液更换加注的质量,还能提高操作效率和安全性。
2. 环境准备在进行制动液更换加注前,需要准备以下工具和材料:•清洁布或纸巾•防护手套•直尺和标定筒(用于量取制动液)•各种规格的扳手和扳手套件•空气折流器(用于排除制动系统中的空气)•合适规格的制动液3. 操作步骤3.1. 准备工作•将车辆停在平坦的地面,并拉起手刹。
•将发动机熄火,并保持车辆在静止状态。
•确保制动系统冷却,以免热液温度造成危险。
3.2. 倒置法更换制动液1.打开车辆前车轮的螺母,以便更换制动液。
2.使用扳手拧松刹车液罐盖。
3.用清洁布或纸巾清理刹车液罐口的污垢和油迹。
4.将标定筒插入刹车液罐口,并将刹车液迅速倒入标定筒中。
5.查看标定筒上制动液的液面标记,确保液面在合适范围内。
6.如液面低于标记线,用合适规格的制动液加注至标记线上。
7.将刹车液罐盖固定紧,并拧紧螺母。
3.3. 排出法更换制动液1.打开车辆前车轮的螺母,以便更换制动液。
2.使用扳手拧松刹车液罐盖。
3.使用扳手拧松制动系统中制动回油管路的螺栓,放出一定数量的制动液。
4.启动车辆,并轻踩多次制动踏板,以将制动液排出制动系统中的空气。
5.持续排气并监测排出的制动液颜色,直至排出纯净的制动液为止。
6.关闭制动系统中制动回油管路的螺栓,并使用扳手固定紧密。
7.用清洁布或纸巾清理刹车液罐口的污垢和油迹。
8.将标定筒插入刹车液罐口,并将刹车液迅速倒入标定筒中。
9.查看标定筒上制动液的液面标记,确保液面在合适范围内。
10.如液面低于标记线,用合适规格的制动液加注至标记线上。
11.将刹车液罐盖固定紧,并拧紧螺母。
4. 安全建议•在操作过程中,注意防护手套的佩戴,以防止接触制动液对皮肤的刺激。
•制动液具有腐蚀性,避免让制动液接触到车身或其他涂层表面,避免损坏。
制动液更换加注操作规程(最新版)编制人:__________________审核人:__________________审批人:__________________编制单位:__________________编制时间:____年____月____日序言下载提示:该文档是本店铺精心编制而成的,希望大家下载后,能够帮助大家解决实际问题。
文档下载后可定制修改,请根据实际需要进行调整和使用,谢谢!并且,本店铺为大家提供各种类型的安全管理制度,如通用安全、交通运输、矿山安全、石油化工、建筑安全、机械安全、电力安全、其他安全等等制度,想了解不同制度格式和写法,敬请关注!Download tips: This document is carefully compiled by this editor. I hope that after you download it, it can help you solve practical problems. The document can be customized and modified after downloading, please adjust and use it according to actual needs, thank you!In addition, this shop provides you with various types of safety management systems, such as general safety, transportation, mine safety, petrochemical, construction safety, machinery safety, electrical safety, other safety, etc. systems, I want to know the format and writing of different systems ,stay tuned!制动液更换加注操作规程准确加注与改换制动液囊括两个形式.一是准确选用与车辆制动零碎技能功能相分歧的制动液货物;二是运用准确办法将制动液加到制动零碎中去正在肯定了制动液货物当前,注或者改换制动液可采纳以次两种办法.(1)运用充抽机加注或者改换制动液将克抽机连到制动液耀上把踏板压具紧紧的压正在制功踏板上,再按后右轮刹车、后左轮刹车、前右轮刹车、前左轮刹车的次第,翻开放气螺塞,让制动液从每个放气塞上流出,而后拧紧每个螺塞.加注终了后,将充抽机从制动储液耀取下,撤除踏板压具,使劲踏多少下踏板,徐查制动状况.(2)野生加注或者改换制动液办法。
制动液测试制动液检测制动液指标检测——科标能源检测中心一:制动液(003)制动液又称刹车油,有三种类型。
在选购时要选择可靠的厂家,并且级别越高越好。
它的制动工作压力一般为2MPa高的可达4~5MPa。
所有液体都有不可压缩特性,在密封的容器中或充满液体的管路中,当液体受到压力时,便会很快地、均匀地把压力传导液体的各个部分。
液压制动便是利用这个原理来进行工作的。
二:制动液部分检测标准GB/T 265 石油产品运动枯度测定法和动力粘度计算法GB/T 514 石油产品试验用液体温度计技术条件GB/T710 优质碳素结构钢热轧厚钢板和宽钢带GB/T 2520 冷轧电镀锡薄钢板GB/T 3190 变形铝及铝合金化学成分GB/T 4756 石油液体手工取样法GB/T 5231 加工铜及铜合金化学成分和产品形状GB/T 7304 石油产品和润滑剂酸值测定法(电位滴定法)GB/T 8926 用过的润滑油不溶物测定法GB/T 9439 灰铸铁件GB/T 13818压铸锌合金SHIT 0086 发动机冷却液的浓缩液中水含量测定法(卡尔·费休法)SH 0164石油产品包装、贮运及交货验收规则SH/T 0430 刹车液平衡回流沸点测定法HG 2865 汽车制动橡胶皮碗QC/T 77 汽车液压制动分泵技术条件QC/T 311 汽车液压制动主缸技术条件三:制动液的检测项目辛烷值、抗爆指数、铅含量、馏程、蒸气压、实际胶质、诱导期、硫含量、博士试验或硫醇硫含量、铜片腐蚀、水溶性酸或碱、机械杂质及水分、苯含量、芳烃含量、烯烃含量、氧含量、甲醇含量、锰含量、铁含量。
运动粘度、倾点、表观粘度达150PaS时的温度、闪点、成沟点、粘度指数、起泡性、腐蚀试验、机械杂质、水分、戊烷不溶物、硫酸盐灰分、硫、磷、氮、钙、贮存稳定性、锈蚀试验、抗擦伤实验、承载能力、热氧化稳定性科标能源检测中心着力于制动液检测、制动液成分检测、制动液测试、制动液性能检测等方面!(2.11)。
刹车油加注机操作与维修提示设备维修档案系列技术资料刹车液加注机是一套非常特殊的设备,由于它用于汽车刹车油的加注,其工作状况将关联到汽车行驶的安全性,因此维护人员需要认真点检和精心维护。
一.设备操作方法(一)启动前检查1.确认打开压缩空气气源。
2.确认所有加注枪在枪架中放置到位。
(二)启动设备1.松开加注机急停按钮。
2.主电源开关送电。
3.等待加注机及ABS开关装置WINDOWS启动。
4.当两个屏幕进入生产画面后,按“运转准备”按钮,“运转准备”灯亮。
5.检查“气压”、“电脑运行”(PLC运行)、“安全电脑运行”(系统电源)指示灯点亮。
6.如果ABS开关装置出现“COMM1 FAULTS(通讯故障)”,按“异常复位”按钮清除。
7.检查各红色异常灯不点亮,如点亮要检查处理或通知维修人员,然后按“异常复位”按钮消除报警。
8.检查“原位置”灯点亮,如不在原位置,请检查加注头是否放回支架。
(三)操作方法A.生产操作1.“连接/单动/各个”开关拨到“连接”位置。
2.按“连接运转”按钮,按钮灯点亮,“动力开”指示灯亮。
3.在控制柜面“车型选择”根据工艺车型对应关系,按车型按钮1或2。
4.从支架取下ABS电缆,插到车身ABS插口。
5.在加注头支架取下加注头,插到车身加注口。
6.按枪上的“夹紧”按钮,枪夹紧在罐口。
7.按加注枪上的“启动”按钮,加注开始。
8.加注过程中,竹节黄灯闪烁。
完成后,竹节绿灯灯点亮,设备播放音乐。
9.按枪上的“夹紧”按钮,枪从罐口松开。
10.取下加注枪,放回托架。
11.取下ABS电缆,挂回托架。
B.手动操作1.“连接/单动/各个”开关拨到“单动”位置。
2.“异常复位”按钮为异常处理完毕后的异常报警复位。
3.“出”按钮为手动加注。
4.“返回”按钮为手动加注停止。
C.其它操作1.出现紧急危险情况下,可以按急停按钮停止设备。
2.“保全呼叫”按钮没有作用。
(四)关闭设备1.确认把加注枪放回枪架。
2.将操作台急停按钮按下,使设备停止。
一术语和定义1.1 制动液 brake fluid机动车液压制动系统所采用的传递压力的工作介质。
1.2 石油基制动液 petroleum-based brake fluid由多种烃类为原料加工而成的制动液。
1.3 非石油基制动液 non- petroleum-based brake fluid以合成液体为基础液并加有多种添加剂制成的制动液。
汽车合成制动液分为V一3,v一4两个级别。
v是汽车的英文“vehicle”的缩写,数字是区分各标准的标记,无具体含义。
(2002年到2003年公司轻卡、乘用车大范围切换了V-3-QC/T 670制动液,轻卡建议不采用D0T3和DOT4制动液。
)1.4 制动液耐存储性从未开封的原包装在室温条件下至少存放三年后仍能满足各种制动液要求。
1.5 湿平衡回流沸点 wet equilibrium reflux boiling point(WERBP)在制动液的试样中按一定的方法增湿后测得的该溶液的平衡回流沸点。
二标记2.1 标识2.1.1 类别标识2.1.1.1 容器上应有制动液的类别及所执行的标准编号。
2.1.1.2 容器上还应有符合附录A 的图形标志。
图形标志应位于容器上(不包括容器盖)的醒目部位。
每只制动液容器上,至少有一个醒目的图形标志。
企业可以在图形标志下面加注文字说明,但要在框外。
2.1.1.3 装用非石油基制动液的容器上,还要以摄氏度标注产品的平衡回流沸点和最低湿平衡回流沸点。
2.1.2 企业信息2.1.2.1 容器上应有包装企业或分装企业及制动液生产企业的名称和地址。
2.1.2.2 容器上应有包装批号和包装日期。
2.1.2.3 容器上应有生产许可证编号。
2.1.3 安全警告2.1.3.1 容器上应标识如下安全警告:——按汽车制造厂的推荐加注制动液。
——保持制动液清洁。
尘土、水或其他物质的污染会引起制动失效或增加维修费用。
——只许用原来的容器存储制动液。
保持容器的清洁和密封。
机动车辆制动液产品质量国家监督抽查实施细则(2023年版)1 抽样方法以随机抽样的方式在被抽样生产者、销售者的待销产品中抽取。
随机数一般可使用随机数表等方法产生。
每批次产品抽取不少于2个独立包装、总量不小于1.6kg的样品,其中1/2作为检验样品,1/2作为备用样品。
2 检验依据执行企业标准、团体标准、地方标准的产品,检验项目参照上述内容执行。
凡是注日期的文件,其随后所有的修改单(不包括勘误的内容)或修订版不适用于本细则。
凡是不注日期的文件,其最新版本适用于本细则。
3 判定规则3.1依据标准GB 12981—2012 机动车辆制动液现行有效的企业标准、团体标准、地方标准及产品明示质量要求3.2判定原则经检验,检验项目全部合格,判定为被抽查产品所检项目未发现不合格;检验项目中任一项或一项以上不合格,判定为被抽查产品不合格。
若被检产品明示的质量要求高于本细则中检验项目依据的标准要求时,应按被检产品明示的质量要求判定。
若被检产品明示的质量要求低于本细则中检验项目依据的强制性标准要求时,应按照强制性标准要求判定。
若被检产品明示的质量要求低于或包含本细则中检验项目依据的推荐性标准要求时,应以被检产品明示的质量要求判定。
若被检产品明示的质量要求缺少本细则中检验项目依据的强制性标准要求时,应按照强制性标准要求判定。
若被检产品明示的质量要求缺少本细则中检验项目依据的推荐性标准要求时,该项目不参与判定。
4 附则本细则代替《国家市场监督管理总局关于发布玩具等62种产品质量国家监督抽查实施细则的公告》(2021年第15号)中的《机动车辆制动液产品质量国家监督抽查实施细则》。
有关机动车制动液的使用隋艾玲发布时间:2021-09-20T09:00:34.999Z 来源:《中国科技人才》2021年第16期作者:隋艾玲刘洲冯振霆[导读] 制动液选用是否正确,直接影响汽车制动系统工作的可靠性和汽车行驶的安全性。
笔者结合新的国家标准GB12981-2012在对制动液的质量分级对比的基础上,提出制动液正确选用的方法和注意事项。
辽宁中北方正检测服务有限公司 110027摘要:制动液选用是否正确,直接影响汽车制动系统工作的可靠性和汽车行驶的安全性。
笔者结合新的国家标准GB12981-2012在对制动液的质量分级对比的基础上,提出制动液正确选用的方法和注意事项。
关键词:机动车制动液作用分类使用引言:随着汽车工业的迅猛发展,很多职场人士都有了自己的爱车。
由于大多数车主对制动液的有关知识缺乏了解,在选择和使用时存在不少问题,由此造成的交通事故经常可见。
有关资料显示,2005年我国有近10万人不幸丧生于各类交通事故,其中三成是制动失效造成的,而制动液不合格又是造成制动失效的重要原因。
因此,必须大力普及这方面的知识,正确使用制动液,确保行车安全。
一、机动车制动液的作用制动液是保证机动车制动系统稳定、灵敏操作和机动车行驶安全的重要物质,是机动车用特种液之一,其在制动系统中的作用表现在以下四个方面:1.传递能量作用:传递制动能量,驱动制动装置正常可靠的工作。
2.冷却降温作用:制动装置执行制动刹车时,摩擦零部件温度会迅速升高,制动液可在一定程度上起到冷却降温作用。
3.防锈防腐作用:制动系统的金属件在空气中很容易产生锈蚀,防腐蚀性能优良的制动液可以延缓金属件的锈蚀。
4.润滑作用:制动液可以对制动泵的运动部件起到润滑作用。
二、制动液的类型就制动液的原料来源而言,汽车制动液大体分为醇型、矿物油型、合成型三类。
其中醇型与矿物油型已经淘汰,市面上常见的制动液为合成型制动液。
1.醇型制动液醇型制动液是由低炭醇类和蓖麻油配制而成,经沉淀获得无色或浅黄色清澈透明的液体。
监视和测量设备校准规范
监视和测量设备校准规范编号:WD-7.6-QAM-004-025 版本:3.00
设备名称制动液加注机型号供货厂家DURR 存放地点集中供液校准地点总装使用环境要求常温校准周期12个月
1. 引言:
“制动液加注机校准方法”,适用于本公司在用的制动液加注机的校准。
2. 概述:
2.1 一套组合式带3个移动单元的ABS制动器/ 空调器加注设备组成:
2套制动液基本单元;1套空调加注基本单元.;3套组合式ABS制动器/空调加注移动单元;3套制动器自动夹紧加注头;3套空调器加注头;3套跟踪设备;3套电机驱动及同步设施;1套组合设备电控柜
2.2 制动液加注机工作原理:
-自动操作模式(大批量生产):按下加注头上启动按钮,自动过程开始→加注头夹紧→ABC通讯开始→正压测试→真空检测→渗漏检测→再抽真空→加注→回吸→取下加注头→取下OBD接口(ABS 通讯结束)
-手动操作模式(分步操作):制动液加注机通过模式选择器选择手动操作,该操作的加注循环与自动操作模式一样,只是执行每一步骤都需操作者手动确认。
操作者按加注头上“绿色”按钮,从一个步骤结束,开始下一步骤的操作。
2.3本校准方法是通过比较设备显示值和实际测量值的差值是否符合技术条件及评审指标来判断设备
是否合格。
3. 技术条件及评审指标
3.1 真空度:≤3±0.2mbar
3.2 加注量:700±10ml
4. 测试设备
真空压力变送器
自校测试瓶
量筒
5. 校准方法:
5.1 将真空压力变送器连接在制动液加注机的标定接口上,进行系统真空的标定。
5.2 按动加注循环开始按钮,进行加注,加注完毕后按动加注循环结束按钮,取下加注头,将自校测
试瓶中的制动液放入量筒,读取实际加注值。
5.3 重复上述过程测试5次,记录测试数据。
6. 校准结果处理和校准周期
6.1 校准合格后签发测试报告,贴上准用标签,不合格则发不合格通知书,由总装车间负责追溯,并
对设备帖上停用证。
6.2 校准周期:12个月。
编制/日期王林超20110216 审核/日期刘宁仪20110216 批准/日期赵志远20110216。