运筹学建模例题和判断题
- 格式:docx
- 大小:52.19 KB
- 文档页数:8
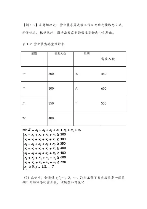
【例1-2】某商场决定:营业员每周连续工作5天后连续休息2天,轮流休息。
根据统计,商场每天需要的营业员如表1-2所示。
表1-2 营业员需要量统计表123456714567125671236712347123452345634567min 3003003504004806005500,1,2,,7jZ x x x x x x x x x x x x x x x x x x x x x x x x x x x x x x x x x x x x x x x x x x x j =++++++⎧++++≥⎪++++≥⎪⎪++++≥⎪++++≥⎪⎨++++≥⎪⎪++++≥⎪++++≥⎪⎪≥=⎩(2)在例1.2中,如果设x j (j=1,2,…,7)为工作了5天后星期一到星期日开始休息的营业员,该模型如何变化.123456723456345671456712567123671234712345min 3003003504004806005500,1,2,,7jZ x x x x x x x x x x x x x x x x x x x x x x x x x x x x x x x x x x x x x x x x x x x j =++++++⎧++++≥⎪++++≥⎪⎪++++≥⎪++++≥⎪⎨++++≥⎪⎪++++≥⎪++++≥⎪⎪≥=⎩【例1-3】合理用料问题。
某汽车需要用甲、乙、丙三种规格的轴各一根,这些轴的规格分别是1.5,1,0.7(m ),这些轴需要用同一种圆钢来做,圆钢长度为4 m 。
现在要制造1000辆汽车,最少要用多少圆钢来生产这些轴?10112345134678924578910min 221000243210002324510000,1,210j jj Z x x x x x x x x x x x x x x x x x x x x x j ==⎧++++≥⎪++++++≥⎪⎨+++++≥⎪⎪≥=⋯⎩∑, 如果要求余料最少,数学模型如何变化;23457891012345134678924578910min 0.30.50.10.40.30.60.20.5221000243210002324510000,1,210j Z x x x x x x x x x x x x x x x x x x x x x x x x x x x x j =+++++++⎧++++≥⎪++++++≥⎪⎨+++++≥⎪⎪≥=⋯⎩,【例1-4】配料问题。
中南大学网络教育课程考试复习题及参考答案运筹学一、判断题:1.图解法与单纯形法虽然求解的形式不同,但从几何上理解,两者是一致的。
[ ]2.线性规划问题的每一个基本解对应可行解域的一个顶点。
[ ]3.任何线性规划问题存在并具有惟一的对偶问题。
[ ]4.已知y i*为线性规划的对偶问题的最优解,若y i*>0,说明在最优生产计划中第i种资源已完全耗尽。
[ ]5.单纯形迭代中添加人工变量的目的是为了得到问题的一个基本可行解。
[ ]6.订购费为每订一次货所发生的费用,它同每次订货的数量无关。
[ ]7.如果线性规划问题存在最优解,则最优解一定可以在可行解域的顶点上获得。
[ ]8.用单纯形法求解Max型的线性规划问题时,检验数Rj>0对应的变量都可以被选作入基变量。
[ ]9.对于原问题是求Min,若第i个约束是“=”,则第i个对偶变量yi≤0。
[ ]10.用大M法或两阶段法单纯形迭代中若人工变量不能出基(人工变量的值不为0),则问题无可行解。
[ ]11.如图中某点vi有若干个相邻点,与其距离最远的相邻点为vj,则边[vi,vj]必不包含在最小支撑树内。
[ ] 12.在允许缺货发生短缺的存贮模型中,订货批量的确定应使由于存贮量的减少带来的节约能抵消缺货时造成的损失。
[ ] 13.根据对偶问题的性质,当原问题为无界解时,其对偶问题无可行解,反之,当对偶问题无可行解时,其原问题具有无界解。
[ ] 14.在线性规划的最优解中,若某一变量xj为非基变量,则在原来问题中,改变其价值系数cj,反映到最终单纯形表中,除xj的检验数有变化外,对其它各数字无影响。
[ ] 15.运输问题是一种特殊的线性规划问题,因而其求解结果也可能出现下列四种情况之一:有惟一最优解,有无穷多最优解,无界解,无可行解。
[ ]16.动态规划的最优性原理保证了从某一状态开始的未来决策独立于先前已做出的决策。
[ ]17.一个动态规划问题若能用网络表达时,节点代表各阶段的状态值,各条弧代表了可行方案的选择。
运筹学习题判断题及答案(通用篇)一、判断题1. 线性规划问题中,目标函数必须是线性函数。
()答案:错误。
线性规划问题的目标函数可以是线性函数,也可以是非线性函数。
但是,当目标函数为非线性函数时,该问题就不再是线性规划问题。
2. 在目标规划中,若决策变量有上界和下界,则称为有界决策变量。
()答案:正确。
在目标规划中,有界决策变量是指决策变量具有上界和下界限制。
3. 对偶问题与原问题具有相同的可行域。
()答案:错误。
对偶问题与原问题具有相同的解,但可行域一般不同。
4. 在整数规划中,若决策变量取值为整数,则该问题一定为整数规划问题。
()答案:错误。
整数规划问题要求决策变量取整数值,但并非所有决策变量取整数值的问题都是整数规划问题。
例如,线性规划问题的决策变量也可以取整数值。
5. 在动态规划中,最优子结构的性质是指一个问题的最优解包含了其子问题的最优解。
()答案:正确。
动态规划的最优子结构性质是指问题的最优解可以通过求解子问题的最优解来构造。
6. 网络流问题是图论中的一个特殊问题,它涉及到图中各顶点之间的流量分配。
()答案:正确。
网络流问题确实是图论中的一个特殊问题,主要研究如何在图中各顶点之间进行流量分配,使得整个网络的流量达到最大。
7. 在排队论中,顾客到达率和服务率是描述排队系统性能的关键指标。
()答案:正确。
顾客到达率和服务率是排队论中描述排队系统性能的两个重要指标,它们分别表示单位时间内到达系统的顾客数和单位时间内服务完毕的顾客数。
8. 在库存管理中,经济订货批量(EOQ)模型适用于确定最优订货量和订货周期。
()答案:正确。
经济订货批量(EOQ)模型是库存管理中的一种重要模型,用于确定最优订货量和订货周期,以降低库存成本。
9. 在非线性规划中,库恩-塔克(KKT)条件是判断约束非线性规划问题最优解的必要条件。
()答案:正确。
库恩-塔克(KKT)条件是约束非线性规划问题最优解的必要条件,它提供了一种求解约束非线性规划问题的方法。
运筹学建模例题和判断题集团标准化工作小组 #Q8QGGQT-GX8G08Q8-GNQGJ8-MHHGN#【例1-2】某商场决定:营业员每周连续工作5天后连续休息2天,轮流休息。
根据统计,商场每天需要的营业员如表1-2所示。
表1-2 营业员需要量统计表j业员,该模型如何变化.【例1-3】合理用料问题。
某汽车需要用甲、乙、丙三种规格的轴各一根,这些轴的规格分别是,1,(m),这些轴需要用同一种圆钢来做,圆钢长度为4 m。
现在要制造1000辆汽车,最少要用多少圆钢来生产这些轴如果要求余料最少,数学模型如何变化;【例1-4】配料问题。
某钢铁公司生产一种合金,要求的成分规格是:锡不少于28%,锌不多于15%,铅恰好10%,镍要界于35%~55%之间,不允许有其他成分。
钢铁公司拟从五种不同级别的矿石中进行冶炼,每种矿物的成分含量和价格如表1-4所示。
矿石杂质在治炼过程中废弃,现要求每吨合金成本最低在例中,若允许含有少量杂质,但杂质含量不超过1%,模型如何变化.【例1-5】投资问题。
某投资公司拟将5000万元的资金用于国债、地方国债及基金三种类型证券投资,每类各有两种。
每种证券的评级、到期年限及每年税后收益率见表1-5所示。
决策者希望:国债投资额不少于1000万,平均到期年限不超过5年,平均评级不超过2。
问每种证券各投资多少使总收益最大。
【例1-6】均衡配套生产问题。
某产品由2件甲、3件乙零件组装而成。
两种零件必须经过设备A、B上加工,每件甲零件在A、B上的加工时间分别为5分钟和9分钟,每件乙零件在A、B上的加工时间分别为4分钟和10分钟。
现有2台设备A和3台设备B,每天可供加工时间为8小时。
为了保持两种设备均衡负荷生产,要求一种设备每天的加工总时间不超过另一种设备总时间1小时。
怎样安排设备的加工时间使每天产品的产量最大在例中,假定同种设备的加工时间均匀分配到各台设备上,要求一种设备每台每天的加工时间不超过另一种设备任一台加工时间1小时,模型如何变化.【例1-13】将下例线性规划化为标准型【例3-2 】在例3-1中,假设此人还有一只旅行箱,最大载重量为12公斤,其体积是。
运筹学考试重点题型概述:单选、判断、填空、建模、计算分析第一章线性规划与单纯形法例1.某工厂在计划期内要安排生产I、II两种产品,已知生产单位产品所需的示利润,X1、X2表示产量,该计划问题的数学模型可以表示为:目标函数maxZ=2X1+3X2满足约束条件{X1+2X2<=8{4X1 <=16 X1,X2>=0{ 4X2<=12最优解是唯一的,但对于一般线性规划问题,求解结果还可能出现以下几种情况:1.无穷多最优解(多重最优解)2.无界解3.无可行解线性规划问题的标准形式为:(M1) maxZ=c1x1+c2x2+…….+cnxn下面讨论如何变换为标准型的问题。
(1)若要求目标函数实现最小化,即minZ=CX。
这时只需将目标函数最小化变换求目标函数最大化,即令Z’=-Z,于是得到maxZ’=-CX.(2)约束方程为不等式。
这里有两种情况:一种是约束方程为“<=”不等式,则可在“<=”不等式的左端加上非负松弛变量,把原“<=”不等式变为等式;另一种是约束方程为“>=”不等式,则可在“>=”不等式的左端减去一个非负剩余变量(也可称松弛变量),把不等式变为等式。
例将例1的数学模型化为标准型。
解. maxZ=2x1+3x2{X1+2X2<=8{4X1 <=16 X1,X2>=0{ 4X2<=12在各不等式中分别加上一个松弛变量x3,x4,x5,使不等式变为等式,这时得到标准型:maxZ=2x1+3x2+0x3+0x4+0x5{X1+2X2+x3 =8{4X1 +x4 =16 X1,X2>=0{ 4X2 +x5 =12 X3,X4,X5>=0其中松弛变量x3,x4,x5表示没有被利用的资源,当然也没有利润。
(3)若存在取值无约束的变量Xk,可令Xk=X’k-X’’k,其中X’k,X’’k>=0。
线性规划问题解的概念1.可行解2.基3.基可行解4.可行基线性规划问题的几个定理:定理1 若线性规划问题存在可行域,则其可行域D是凸集。
《运筹学》课程考试试卷试题(含答案)一、选择题(每题5分,共25分)1. 运筹学的核心思想是()A. 最优化B. 系统分析C. 预测D. 决策答案:A2. 在线性规划中,约束条件可以用()表示。
A. 等式B. 不等式C. 方程组D. 矩阵答案:B3. 以下哪个不是运筹学的基本模型?()A. 线性规划B. 整数规划C. 非线性规划D. 随机规划答案:D4. 在目标规划中,以下哪个术语描述的是决策变量的偏离程度?()A. 目标函数B. 约束条件C. 偏差变量D. 权重系数答案:C5. 在动态规划中,以下哪个概念描述的是在决策过程中,某一阶段的最优决策对后续阶段的影响?()A. 最优子结构B. 无后效性C. 最优性原理D. 阶段性答案:B二、填空题(每题5分,共25分)1. 运筹学是一门研究在复杂系统中的______、______和______的科学。
答案:决策、优化、实施2. 在线性规划中,若目标函数为最大化,则其标准形式为______。
答案:max z = c^T x3. 在非线性规划中,若目标函数和约束条件均为凸函数,则该规划问题为______。
答案:凸规划4. 在目标规划中,若决策变量x_i的权重系数为w_i,则目标函数可以表示为______。
答案:min Σ(w_i d_i^+ + w_i d_i^-)5. 在动态规划中,若状态变量为s_n,决策变量为u_n,则状态转移方程可以表示为______。
答案:s_{n+1} = f(s_n, u_n)三、判断题(每题5分,共25分)1. 线性规划问题的最优解一定在可行域的顶点处取得。
()答案:正确2. 在整数规划中,若决策变量为整数,则目标函数和约束条件也必须为整数。
()答案:错误3. 目标规划中的偏差变量可以是负数。
()答案:正确4. 在动态规划中,最优策略具有最优子结构。
()答案:正确5. 在非线性规划中,若目标函数为凸函数,则约束条件也必须为凸函数。
【例1-2】某商场决定:营业员每周连续工作5天后连续休息2天,轮流休息。
根据统计,商场每天需要的营业员如表1-2所示。
表1-2 营业员需要量统计表123456714567125671236712347123452345634567min 3003003504004806005500,1,2,,7jZ x x x x x x x x x x x x x x x x x x x x x x x x x x x x x x x x x x x x x x x x x x x j =++++++⎧++++≥⎪++++≥⎪⎪++++≥⎪++++≥⎪⎨++++≥⎪⎪++++≥⎪++++≥⎪⎪≥=⎩(2)在例中,如果设x j (j=1,2,…,7)为工作了5天后星期一到星期日开始休息的营业员,该模型如何变化.123456723456345671456712567123671234712345min 3003003504004806005500,1,2,,7jZ x x x x x x x x x x x x x x x x x x x x x x x x x x x x x x x x x x x x x x x x x x x j =++++++⎧++++≥⎪++++≥⎪⎪++++≥⎪++++≥⎪⎨++++≥⎪⎪++++≥⎪++++≥⎪⎪≥=⎩【例1-3】合理用料问题。
某汽车需要用甲、乙、丙三种规格的轴各一根,这些轴的规格分别是,1,(m ),这些轴需要用同一种圆钢来做,圆钢长度为4 m 。
现在要制造1000辆汽车,最少要用多少圆钢来生产这些轴10112345134678924578910min 221000243210002324510000,1,210j jj Z x x x x x x x x x x x x x x x x x x x x x j ==⎧++++≥⎪++++++≥⎪⎨+++++≥⎪⎪≥=⋯⎩∑, 如果要求余料最少,数学模型如何变化;23457891012345134678924578910min 0.30.50.10.40.30.60.20.5221000243210002324510000,1,210j Z x x x x x x x x x x x x x x x x x x x x x x x x x x x x j =+++++++⎧++++≥⎪++++++≥⎪⎨+++++≥⎪⎪≥=⋯⎩,【例1-4】配料问题。
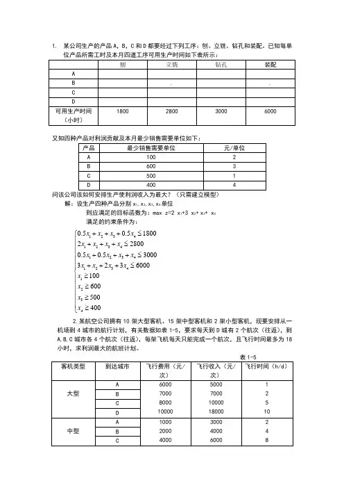
1. 某公司生产的产品A ,B ,C 和D 都要经过下列工序:刨、立铣、钻孔和装配。
已知每单又知四种产品对利润贡献及本月最少销售需要单位如下:问该公司该如何安排生产使利润收入为最大?(只需建立模型)解:设生产四种产品分别x 1,x 2,x 3,x 4单位则应满足的目标函数为:max z=2 x 1+3 x 2+ x 3+ x 4 满足的约束条件为:123412341234123412340.50.51800228000.50.530003236000100600500400x x x x x x x x x x x x x x x x x x x x +++≤⎧⎪+++≤⎪⎪+++≤⎪+++≤⎪⎨≥⎪⎪≥⎪≥⎪⎪≥⎩ 2.某航空公司拥有10架大型客机、15架中型客机和2架小型客机,现要安排从一机场到4城市的航行计划,有关数据如表1-5,要求每天到D 城有2个航次(往返),到A,B,C 城市各4个航次(往返),每架飞机每天只能完成一个航次,且飞行时间最多为18小时,求利润最大的航班计划。
建模 设大型客机飞往A 城的架次为x 1A ,中型客机飞往A 城的架次为x 2A ,小型客机飞往A 城的架次为x 3A ,其余依此类推。
资源限制 派出的大型客机架次不能超过10架,表示为111110A B C D x x x x +++≤ 同理222333152A B C A B C x x x x x x ++≤++≤班次约束 飞往各城的班次要满足1231231231234442A A AB B BC C CD D D x x x x x x x x x x x x ++=++=++=++=非负性约束 0ij x ≥ 且为整数;(i=1,2,3;j=A,B,C,D ) 目标函数为111222333max 100002000200020002000200020002000A B C A B C A B Cz x x x x x x x x x =++++++++1D -8000x +3. CRISP 公司制造四种类型的小型飞机:AR1型(具有一个座位的飞机)、AR2型(具有两个座位的飞机)、AR4型(具有四个座位的飞机)以及AR6型(具有六个座位的飞机)。
《运筹学》模拟试题及参考答案一、判断题(在下列各题中,你认为题中描述的内容为正确者,在题尾括号内写“√”,错误者写“×”。
)1. 图解法提供了求解线性规划问题的通用方法。
( )2. 用单纯形法求解一般线性规划时,当目标函数求最小值时,若所有的检验数C j-Z j ≥0,则问题达到最优。
( )3. 在单纯形表中,基变量对应的系数矩阵往往为单位矩阵。
( )4. 满足线性规划问题所有约束条件的解称为基本可行解。
( )5. 在线性规划问题的求解过程中,基变量和非基变量的个数是固定的。
( )6. 对偶问题的目标函数总是与原问题目标函数相等。
( )7. 原问题与对偶问题是一一对应的。
( )8. 运输问题的可行解中基变量的个数一定遵循m+n-1的规则。
( )9. 指派问题的解中基变量的个数为m+n。
( )10. 网络最短路径是指从网络起点至终点的一条权和最小的路线。
( )11. 网络最大流量是网络起点至终点的一条增流链上的最大流量。
( )12. 工程计划网络中的关键路线上事项的最早时间和最迟时间往往不相等。
( )13. 在确定性存贮模型中不许缺货的条件下,当费用项目相同时,生产模型的间隔时间比订购模型的间隔时间长。
( )14. 单目标决策时,用不同方法确定的最佳方案往往是一致的。
( )15. 动态规划中运用图解法的顺推方法和网络最短路径的标号法上是一致的。
( )三、填空题1. 图的组成要素;。
2. 求最小树的方法有、。
3. 线性规划解的情形有、、、。
4. 求解指派问题的方法是。
5. 按决策环境分类,将决策问题分为、、。
6. 树连通,但不存在。
四、下列表是线性规划单纯形表(求Z max ),请根据单纯形法原理和算法。
1. 计算该规划的检验数2. 计算对偶问题的目标函数值3. 确定上表中输入,输出变量五、已知一个线性规划原问题如下,请写出对应的对偶模型21max 6x x S +=⎪⎩⎪⎨⎧≥≥+≤+0,16327212121x x x x x x六、下图为动态规划的一个图示模型,边上的数字为两点间的距离,请用逆推法求出S 至F 点的最短路径及最短路长。
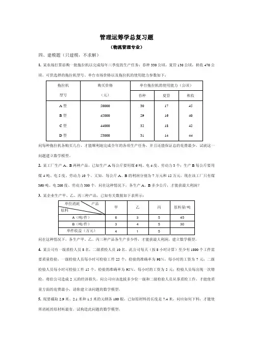
管理运筹学总复习题(物流管理专业)四、建模题(只建模,不求解)1. 某农场打算添购一批拖拉机以完成每年三季度的生产任务:春种330公顷,夏管130公顷,秋收470公顷。
可供选择的拖拉机型号、单台市场价格以及拖拉机的使用能力参数如下:单台拖拉机的使用能力(公顷) 拖拉机 型号 购买价格 (元) 春种 夏管 秋收 A 型 B 型 C 型 D 型50000 45000 44000 5300030 29 32 3117 16 18 1445 40 42 44问每种拖拉机各购买几台,才能顺利地完成全年的各项生产任务,并且还能保证总的花费最少。
试就这一问题建立数学模型。
2. 某工厂生产A 、B 两种产品,已知生产A 每公斤要用煤6吨、电4度、劳动力3个;生产B 每公斤要用煤4吨、电5度、劳动力10个。
又知,每公斤A 、B 的利润分别为7万元和12万元。
现在该工厂只有煤360吨、电200度、劳动力300个。
问在这种情况下,各生产A 、B 多少公斤,才能获最大利润?3. 某企业生产甲、乙、丙三种产品,已知有关数据如下表所示:问在这种情况下,各生产甲、乙、丙三种产品各生产多少件,才能获最大利润,建立数学模型。
4. 某公司有一级质检人员8名,二级质检人员10名。
此公司每天(按8小时计算)至少有1800个工件需要质量检验,一级检验人员每小时可检验工件25个,检验的准确率为98%,每小时的工资为7元;二级检验人员每小时可检验工件15个,检验的准确率为95%,每小时的工资为5元;检验人员每出现一次错检,将给公司造成2元的经济损失。
问公司应该选拔多少位一级和二级检验人员从事质检工作,才能使质量方面的花费最小,请你建立该问题的数学模型。
5. 现要截取2.9米、2.1米和1.5米的元钢各100根,已知原材料的长度是7.4米,问应如何下料,才能使所消耗的原材料最省。
试构造此问题的数学模型。
6. 某炼油厂生产三种牌号的汽油,70#,80#和85#汽油。
济南大学继续教育学院运筹学试卷(A)学年:学期:年级:专业:学习形式:层次:(本试题满分100分,时间90分钟)一、判断题(每小题2分,共20分)1.用层次分析法解决问题,构造好问题的层次结构图是解决问题的关键.()A.正确B.错误2.目标规划模型中的目标函数按问题要求分别表示为求min或max.()A.正确B.错误3.所谓主观概率基本上是对事件发生可能性做出的一种主观猜想和臆测,缺乏必要科学依据.()A.正确B.错误4.在任一图G中,当点集V确定后,树图是G中边数最少的连通图.()A.正确B.错误5.对于一个动态规划问题,应用顺推或者逆推解法可能会得出不同的最优解.()A.正确B.错误6.排队系统中,顾客等待时间的分布不受排队服务规则的影响.()A. 正确B. 错误7.在折中主义准则中,乐观系数a的确定与决策者对风险的偏好有关.()A.正确B.错误8.求目标函数最小值问题不可能转换为求目标函数最大值问题.()A.正确B.错误9.不平衡运输问题不一定有最优解.()A.正确B.错误10.部分变量要求是整数的规划问题称为纯整数规划.()A.正确B.错误二、单选题(每小题3分,共30分)1.关于互为对偶的两个模型的解的存在情况,下列说法不正确的是().A. 都有最优解B. 都无可行解C. 都为无界解D. 一个为无界解,另一个为无可行解2.有6个产地4个销地的平衡运输问题模型具有特征().A. 有10个变量24个约束B. 有24个变量10个约束C. 有24个变量24约束D. 有9个基变量10个非基变量3.人数大于任务数的指派问题中,应该采取的措施是().A. 虚拟人B. 虚拟任务C. 都可以D. 不需要4.容量网络的条件包括().A. 网络中有一个始点和一个终点B. 流过网络的流量都具有一定方向C. 每边(弧)都赋予了一个容量,表示容许通过该弧的最大流量D. 以上都是5.用逆序法求解资源分配问题时,为保证独立性,状态变量取值一般为().A. 各阶段分配的资源数B. 当前阶段开始时前部过程已分配的资源数C. 当前阶段开始时剩余给后部过程的资源数D. 资源的总数6.设有一单人打字室,顾客的到达为普阿松流,平均到达时间间隔为20分钟,打字时间服从指数分布,平均时间为15分钟,打字室内顾客的平均数为().A.1/4B.1/3C.4D.37.对于不确定型的决策,某人采用乐观主义准则进行决策,则应在收益表中().A. 大中取大B. 大中取小C. 小中取大D. 小中取小8.为了使各因素之间进行两两比较得到量化的判断矩阵,引入()的标度.A. 1~7B. 1~8C. 1~9D. 随便9.下列线性规划与目标规划之间错误的关系是().A. 线性规划的目标函数由决策变量构成,目标规划的目标函数由偏差变量构成第 1 页共 9 页。
一、填空题:1. 表1中给出某线性规划问题计算过程中的一个单纯形表,目标函数为654228max x x x z ++=,约束条件为≤,表中321,,x x x 为松弛变量,表中解的目标函数值为14=z 。
(1)a =______,b =______,c =______,d =______,e =______,f =______,g =______; (2)表中给出的解为___________(提示:最优解,满意解,可行解……)。
2.在单纯形法的计算中,按照最小比值θ来确定换出基的变量时,有时出现存在两个以上相同的最小比值,从而出现_______现象。
3.使用动态规划方法解决多阶段决策问题,首先要将实际问题写成动态规划模型,此时要用到5个概念:_______、_______、_______、状态转移方程和指标函数。
二、判断题1.图解法同单纯形法虽然求解的形式不同,但从几何上理解,两者是一致的。
( )2.根据对偶问题的性质,当原问题为无界解时,其对偶问题无可行解;反之,当对偶问题无可行解时,其原问题具有无界解。
( )3.运输问题时一种特殊的线性规划模型,因而求解结果也可能出现下列四种情况之一:唯一最优解、无穷多最优解、无界解、无可行解。
( )4.动态规划中,定义状态时应保证在各个阶段中所作决策的相互独立性。
( )5.求图的最小支撑树以及求图中一点至另一点的最短路问题,都可以归结为求解整数规划问题。
( )三、简答题1.简述影子价格的经济意义。
2.简述不确定型决策方法中的悲观准则。
四、计算题1.用图解法求解下列线性规划问题,并指出问题是具有唯一最优解、无穷多最优解、无界解或无可行解。
(8分)⎪⎩⎪⎨⎧≥≥+≥++=0,5.14312.46min 21212121x x x x x x st x x z 2.已知表2为求解某线性规划问题的最终单纯形表,表中4x ,5x 为松弛变量,问题的约束为≤形式。
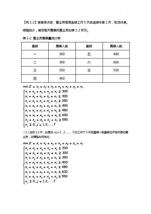
【例1-2】某商场决定:营业员每周连续工作5天后连续休息2天,轮流休息。
根据统计,商场每天需要的营业员如表1-2所示。
123456714567125671236712347123452345634567min 3003003504004806005500,1,2,,7jZ x x x x x x x x x x x x x x x x x x x x x x x x x x x x x x x x x x x x x x x x x x x j =++++++⎧++++≥⎪++++≥⎪⎪++++≥⎪++++≥⎪⎨++++≥⎪⎪++++≥⎪++++≥⎪⎪≥=⎩(2)在例1.2中,如果设x j (j=1,2,…,7)为工作了5天后星期一到星期日开始休息的营业员,该模型如何变化.123456723456345671456712567123671234712345min 3003003504004806005500,1,2,,7jZ x x x x x x x x x x x x x x x x x x x x x x x x x x x x x x x x x x x x x x x x x x x j =++++++⎧++++≥⎪++++≥⎪⎪++++≥⎪++++≥⎪⎨++++≥⎪⎪++++≥⎪++++≥⎪⎪≥=⎩【例1-3】合理用料问题。
某汽车需要用甲、乙、丙三种规格的轴各一根,这些轴的规格分别是1.5,1,0.7(m ),这些轴需要用同一种圆钢来做,圆钢长度为4 m 。
现在要制造1000辆汽车,最少要用多少圆钢来生产这些轴?10112345134678924578910min 221000243210002324510000,1,210j jj Z x x x x x x x x x x x x x x x x x x x x x j ==⎧++++≥⎪++++++≥⎪⎨+++++≥⎪⎪≥=⋯⎩∑, 如果要求余料最少,数学模型如何变化;23457891012345134678924578910min 0.30.50.10.40.30.60.20.5221000243210002324510000,1,210j Z x x x x x x x x x x x x x x x x x x x x x x x x x x x x j =+++++++⎧++++≥⎪++++++≥⎪⎨+++++≥⎪⎪≥=⋯⎩,【例1-4】配料问题。
中南大学网络教育课程考试复习题及参考答案运筹学一、判断题:1.图解法与单纯形法虽然求解的形式不同,但从几何上理解,两者是一致的。
[ ]2.线性规划问题的每一个基本解对应可行解域的一个顶点。
[ ]3.任何线性规划问题存在并具有惟一的对偶问题。
[ ]4.已知y i*为线性规划的对偶问题的最优解,若y i*>0,说明在最优生产计划中第i种资源已完全耗尽。
[ ]5.单纯形迭代中添加人工变量的目的是为了得到问题的一个基本可行解。
[ ]6.订购费为每订一次货所发生的费用,它同每次订货的数量无关。
[ ]7.如果线性规划问题存在最优解,则最优解一定可以在可行解域的顶点上获得。
[ ]8.用单纯形法求解Max型的线性规划问题时,检验数Rj>0对应的变量都可以被选作入基变量。
[ ]9.对于原问题是求Min,若第i个约束是“=”,则第i个对偶变量yi≤0。
[ ]10.用大M法或两阶段法单纯形迭代中若人工变量不能出基(人工变量的值不为0),则问题无可行解。
[ ]11.如图中某点vi有若干个相邻点,与其距离最远的相邻点为vj,则边[vi,vj]必不包含在最小支撑树内。
[ ] 12.在允许缺货发生短缺的存贮模型中,订货批量的确定应使由于存贮量的减少带来的节约能抵消缺货时造成的损失。
[ ] 13.根据对偶问题的性质,当原问题为无界解时,其对偶问题无可行解,反之,当对偶问题无可行解时,其原问题具有无界解。
[ ] 14.在线性规划的最优解中,若某一变量xj为非基变量,则在原来问题中,改变其价值系数cj,反映到最终单纯形表中,除xj的检验数有变化外,对其它各数字无影响。
[ ] 15.运输问题是一种特殊的线性规划问题,因而其求解结果也可能出现下列四种情况之一:有惟一最优解,有无穷多最优解,无界解,无可行解。
[ ]16.动态规划的最优性原理保证了从某一状态开始的未来决策独立于先前已做出的决策。
[ ]17.一个动态规划问题若能用网络表达时,节点代表各阶段的状态值,各条弧代表了可行方案的选择。
(完整word版)运筹学判断题判断题√√××⼀、线性规划1.若线性规划存在最优解则⼀定存在基本最优解√(若存在唯⼀最优解,则最优解为最优基本可⾏解(⼀个⾓顶),若存在多重最优解(由多个⾓顶的凸组合来表⽰)2.若线性规划为⽆界解则其可⾏域⽆界√(可⾏域封闭有界则必然存在最优解)3.可⾏解⼀定是基本解×(基本概念)4.基本解可能是可⾏解√(基本概念)5.线性规划的可⾏域⽆界则具有⽆界解×(有可能最优解,若函数的梯度⽅向朝向封闭的⽅向,则有最优解)6.最优解不⼀定是基本最优解√(在多重最优解⾥,最优解也可以是基本最优解的凸组合)7.x j的检验数表⽰变量x j增加⼀个单位时⽬标函数值的改变量√(检验数的含义,检验函数的变化率)8.可⾏解集有界⾮空时,则在极点上⾄少有⼀点达到最优值√(可⾏解集有界⾮空时,有可⾏解,有最优解,则⾄少有⼀个基本最优解)9.若线性规划有三个基本最优解X(1)、X(2)、X(3),则X=αX(1)+(1-α)X(3)及X=α1X(1)+α2X(2)+α3X(3)均为最优解,其中√(⼀般凸组合为X=α1X(1)+α2X(2)+α3X(3),若a3=0,则有X=αX(1)+(1-α)X(3))10. 任何线性规划总可⽤⼤M单纯形法求解√(⼈⼯变量作⽤就是⼀个中介作业,通过它来找到初始基本可⾏解)11. 凡能⽤⼤M法求解也⼀定可⽤两阶段法求解√(⼤M法和两阶段法没有本质区别)12. 两阶段法中第⼀阶段问题必有最优解√(第⼀阶段中,线性规划的可⾏域是封闭有界的,必然有最优解)13. 两阶段法中第⼀阶段问题最优解中基变量全部⾮⼈⼯变量,则原问题有最优解×(只能说有可⾏解,也有可能是⽆界解)14. 任何变量⼀旦出基就不会再进基×15. ⼈⼯变量⼀旦出基就不会再进基√(这个是算法的⼀个思想,⽬标函数已经决定了)16.普通单纯形法⽐值规则失效说明问题⽆界√17. 将检验数表⽰为λ=C B B-1A-C的形式,则求极⼤值问题时基可⾏解是最优解的充要条件是λ≥0√(各种情况下最优性判断条件)18.当最优解中存在为零的基变量时,则线性规划具有多重最优解×(退化解的概念,多重最优解和⾮基变量的检验数有关)19.当最优解中存在为零的⾮基变量时,则线性规划具唯⼀最优解×20.可⾏解集不⼀定是凸集×21.将检验数表⽰为的形式,则求极⼩值问题时,基可⾏解为最优解当且仅当λj≥0,j=1,2,…,n√22. 若线性规划存在基本解则也⼀定存在基本解可⾏解×23. 线性规划的基本可⾏解只有有限多个√24. 在基本可⾏解中基变量⼀定不为零×25.123 123123123 max34 |25|5010100,0,0Z x x xx x xx x xx x x=+-++≤-+≥≥≥≥是⼀个线性规划数学模型×⼆对偶规划1.任何线性规划都存在⼀个对应的对偶线性规划√2.原问题(极⼤值)第i个约束是“≥”约束,则对偶变量y i≥0 ×3.互为对偶问题,或者同时都有最优解,或者同时都⽆最优解√4.对偶问题有可⾏解,则原问题也有可⾏解×5.原问题有多重解,对偶问题也有多重解×在以下6~10中,设X*、Y*分别是的可⾏解6.则有CX*≤Y*b ×7.CX*是w的下界×8.当X*、Y*为最优解时,CX*=Y*b;√9.当CX*=Y*b时,有Y*X s+Y s X*=0成⽴√10.X*为最优解且B是最优基时,则Y*=C B B-1是最优解√11.对偶问题有可⾏解,原问题⽆可⾏解,则对偶问题具有⽆界解√12.原问题⽆最优解,则对偶问题⽆可⾏解×13.对偶问题不可⾏,原问题⽆界解×14.原问题与对偶问题都可⾏,则都有最优解√15.原问题具有⽆界解,则对偶问题不可⾏√16.若某种资源影⼦价格为零,则该资源⼀定有剩余×17.原问题可⾏对偶问题不可⾏时,可⽤对偶单纯形法计算×18.对偶单纯法换基时是先确定出基变量,再确定进基变量√19.对偶单纯法是直接解对偶问题的⼀种⽅法×20.对偶单纯形法⽐值失效说明原问题具有⽆界解×21.在最优解不变的前提下,基变量⽬标系数c i的变化范围可由式确定√22.在最优基不变的前提下,常数b r的变化范围可由式确定,其中为最优基B的逆矩阵第r列×23.减少⼀约束,⽬标值不会⽐原来变差√24.增加⼀个变量,⽬标值不会⽐原来变好×25.当b i在允许的最⼤范围内变化时,最优解不变×三、整数规划1.整数规划的最优解是先求相应的线性规划的最优解然后取整得到×2.部分变量要求是整数的规划问题称为纯整数规划×3.求最⼤值问题的⽬标函数值是各分枝函数值的上界√4.求最⼩值问题的⽬标函数值是各分枝函数值的下界√5.变量取0或1的规划是整数规划√6.整数规划的可⾏解集合是离散型集合√7. 0-1规划的变量有n个,则有2n个可⾏解×8. 6x1+5x2≥10、15或20中的⼀个值,表达为⼀般线性约束条件是6x1+5x2≥10y1+15y2+20y3,y1+y2+y3=1,y1、y2、y3=0或1 √9. ⾼莫雷(R.E.Gomory)约束是将可⾏域中⼀部分⾮整数解切割掉√10.隐枚举法是将所有变量取0、1的组合逐个代⼊约束条件试算的⽅法寻找可⾏解×四、⽬标规划1.正偏差变量⼤于等于零,负偏差变量⼩于等于零×2.系统约束中没有正负偏差变量√3.⽬标约束含有正负偏差变量√4.⼀对正负偏差变量⾄少⼀个⼤于零×5.⼀对正负偏差变量⾄少⼀个等于零√6.要求⾄少到达⽬标值的⽬标函数是 max Z=d+ ×7.要求不超过⽬标值的⽬标函数是min Z=d- ×8.⽬标规划没有系统约束时,不⼀定存在满意解×9.超出⽬标值的差值称为正偏差√10.未到达⽬标的差值称为负偏差√五、运输与指派问题1.运输问题中⽤位势法求得的检验数不唯⼀×2.平衡运输问题⼀定有最优解√3.不平衡运输问题不⼀定有最优解×4.产地数为3,销地数为4的平衡运输问题有7个基变量×5.m+n-1个变量组构成⼀组基变量的充要条件是它们不包含闭回路√6.运输问题的检验数就是其对偶变量×7.运输问题的检验数就是对偶问题的松驰变量√8.运输问题的位势就是其对偶变量√9.不包含任何闭回路的变量组必有孤⽴点√10.含有孤⽴点的变量组⼀定不含闭回路×11.⽤⼀个常数k加到运价矩阵C的某列的所有元素上,则最优解不变√12.令虚设的产地或销地对应的运价为⼀任意⼤于零的常数c(c>0),则最优解不变√13.若运输问题的供给量与需求量为整数,则⼀定可以得到整数最优解√14.按最⼩元素法求得运输问题的初始⽅案, 从任⼀⾮基格出发都存在唯⼀⼀个闭回路√15.运输问题中运价表的每⼀个元素都分别乘于⼀个常数,则最优解不变√16.运输问题中运价表的每⼀个元素都分别加上⼀个常数,则最优解不变√17.5个产地6个销地的平衡运输问题有11个变量×18.5个产地6个销地的平衡运输问题有30个变量√19. 5个产地6个销地的销⼤于产的运输问题有11个基变量√20. 产地数为3销地数为4的平衡运输中,变量组{x11,x13,x22,x33,x34}可作为⼀组基变量×六、⽹络模型1.容量不超过流量×2.最⼤流问题是找⼀条从起点到终点的路,使得通过这条路的流量最⼤×3.容量C ij是弧(i,j)的最⼤通过能⼒√4.流量f ij是弧(i,j)的实际通过量√5.可⾏流是最⼤流的充要条件是不存在发点到收点的增⼴链√6.截量等于截集中弧的流量之和×7.任意可⾏流量不超过任意截量√8.任意可⾏流量不⼩于任意截量×9.存在增⼴链说明还没有得到最⼤流量√10.存在增⼴链说明已得到最⼤流×11.找增⼴链的⽬的是:是否存在⼀条从发点到收点的路,使得可以增加这条路的流量√12.狄克斯屈拉算法是求最⼤流的⼀种标号算法×13.破圈法是:任取⼀圈,去掉圈中最长边,直到⽆圈√14.避圈法(加边法)是:去掉图中所有边,从最短边开始添加,加边的过程中不能形成圈,直到连通(n-1条边)√15.连通图⼀定有⽀撑树√16.P是⼀条增⼴链,则后向弧上满⾜流量f ≥0 ×17.P是⼀条增⼴链,则前向弧上满⾜流量f ij≤C ij ×18.可⾏流的流量等于每条弧上的流量之和×19.最⼤流量等于最⼤流×20.最⼩截集等于最⼤流量×七、⽹络计划1.⽹络计划中的总⼯期是⽹络图中的最短路的长度×2.紧前⼯序是前道⼯序√3.后续⼯序是紧后⼯序×4.虚⼯序不需要资源,是⽤来表达⼯序之间的衔接关系的虚设活动√5.A完⼯后B才能开始,称A是B的紧后⼯序×6. 单时差为零的⼯序称为关键⼯序×7.关键路线是由关键⼯序组成的⼀条从⽹络图的起点到终点的有向路√8.关键路线⼀定存在√9.关键路线存在且唯⼀×10.计划⽹络图允许有多个始点和终点×11.事件i的最迟时间T L(i)是指以事件i为完⼯事件的⼯序最早可能结束时间×12.事件i的最早时间T E(i)是以事件i为开⼯事件的⼯序最早可能开⼯时间√13.⼯序(i,j)的事件i与j的⼤⼩关系是i < j√14.间接成本与⼯程的完⼯期成正⽐√15.直接成本与⼯程的完⼯期成正⽐×16.×17.√18. √19. ×√20.。
运筹学建模练习题如买进的杂粮当⽉到货,但需到下⽉才能卖出,且规定“货到付款”。
公司希望本季末库存2000担,问应采取什么样的买进卖出的策略使3个⽉总的获利最⼤?2、超级市场上班的员⼯数量如果能随商城客流量⼤⼩⽽调整,则可在满⾜⼀定服务质量的前提下,减少⼈⼒资源的投⼊,从⽽可以降低运作成本。
某超市根据统计,在超市员⼯可以选择上全时班(连续⼯作8⼩时)或上半时班(连续⼯作4⼩时),但上半时班的员⼯⼈数不能超过每⼀时段使⽤员⼯总数的50%。
超市按⼯作⼩时付给员⼯⼯资,上全时班和上半时班的⼩时⼯资率相同,请为该超市构造⼀个数学模型,使每天使⽤的员⼯费⽤最⼩。
3、某种牌号的鸡尾酒酒系由三种等级的酒兑制⽽成。
已知各种等级酒的每天供应量和单位成本如下:等级i:供应量1500单位/天,成本6元/单位;等级ii:供应量2000单位/天,成本4.5元/单位;/天,成本3元/单位;等级iii:供应量1000单位pl 兑制要求配⽐必须严格满⾜;p2企业获取尽可能多的利润;p3 红⾊商标酒每天量不低于2000单位------------------- 时磊5说------ - --- --------4、某快餐店坐落在⼀个旅游景点中,这个旅游景点远离市区,平时游客不多,⽽在每个星期六游客猛增,快餐店主要为旅客提供低价位的快餐服务,该快餐店雇佣了两名正式员⼯,正式员⼯每天⼯作8个⼩时,其余⼯作由临时⼯来担任,临时⼯每天⼯作4个⼩时,在星期六,该快餐店从上午营业到下午10点关门,根据游客就餐情况,在星期六每个营业⼩时所需职⼯数(包括正式⼯和临时⼯)如表所⽰:已知⼀名正式职⼯11点开始上班,⼯作4⼩时后,休息1⼩时,⽽后再⼯作4⼩时;另⼀名正式职⼯13点开始上班,⼯作4⼩时后,休息1个⼩时,⽽后再⼯作4个⼩时,⼜知零时⼯每⼩时的⼯资为4元。
在满⾜对职⼯需求的条件下,如何安排临时⼯的班次,使得临时⼯的成本最⼩?5、某化⼯⼚⽣产两种⽤于轮船上的粘合剂A和B。
【例1-2】某商场决定:营业员每周连续工作5天后连续休息2天,轮流休息。
根据统计,商场每天需要的营业员如表1-2所示。
表1-2 营业员需要量统计表星期需要人数星期需要人数一300 五480二300 六600三350 日550四400(2)在例1.2中,如果设x j(j=1,2,…,7)为工作了5天后星期一到星期日开始休息的营业员,该模型如何变化.【例1-3】合理用料问题。
某汽车需要用甲、乙、丙三种规格的轴各一根,这些轴的规格分别是1.5,1,0.7(m),这些轴需要用同一种圆钢来做,圆钢长度为4 m。
现在要制造1000辆汽车,最少要用多少圆钢来生产这些轴?如果要求余料最少,数学模型如何变化;【例1-4】配料问题。
某钢铁公司生产一种合金,要求的成分规格是:锡不少于28%,锌不多于15%,铅恰好10%,镍要界于35%~55%之间,不允许有其他成分。
钢铁公司拟从五种不同级别的矿石中进行冶炼,每种矿物的成分含量和价格如表1-4所示。
矿石杂质在治炼过程中废弃,现要求每吨合金成本最低在例1.4中,若允许含有少量杂质,但杂质含量不超过1%,模型如何变化.【例1-5】投资问题。
某投资公司拟将5000万元的资金用于国债、地方国债及基金三种类型证券投资,每类各有两种。
每种证券的评级、到期年限及每年税后收益率见表1-5所示。
序号证券类型评级到期年限每年税后收益率(%)1 国债1 1 8 3.22 国债2 1 10 3.83 地方债券1 24 4.34 地方债券2 3 6 4.75 基金1 4 3 4.26 基金2 5 4 4.6决策者希望:国债投资额不少于1000万,平均到期年限不超过5年,平均评级不超过2。
问每种证券各投资多少使总收益最大。
【例1-6】均衡配套生产问题。
某产品由2件甲、3件乙零件组装而成。
两种零件必须经过设备A、B上加工,每件甲零件在A、B上的加工时间分别为5分钟和9分钟,每件乙零件在A、B上的加工时间分别为4分钟和10分钟。
【例1-2】某商场决定:营业员每周连续工作5天后连续休息2天,轮流休息。
根据统计,商场每天需要的营业员如表1-2所示。
表1-2 营业员需要量统计表星期需要人数星期需要人数一300 五480二300 六600三350 日550四400(2)在例1.2中,如果设x j(j=1,2,…,7)为工作了5天后星期一到星期日开始休息的营业员,该模型如何变化.【例1-3】合理用料问题。
某汽车需要用甲、乙、丙三种规格的轴各一根,这些轴的规格分别是1.5,1,0.7(m),这些轴需要用同一种圆钢来做,圆钢长度为4 m。
现在要制造1000辆汽车,最少要用多少圆钢来生产这些轴?如果要求余料最少,数学模型如何变化;【例1-4】配料问题。
某钢铁公司生产一种合金,要求的成分规格是:锡不少于28%,锌不多于15%,铅恰好10%,镍要界于35%~55%之间,不允许有其他成分。
钢铁公司拟从五种不同级别的矿石中进行冶炼,每种矿物的成分含量和价格如表1-4所示。
矿石杂质在治炼过程中废弃,现要求每吨合金成本最低在例1.4中,若允许含有少量杂质,但杂质含量不超过1%,模型如何变化.【例1-5】投资问题。
某投资公司拟将5000万元的资金用于国债、地方国债及基金三种类型证券投资,每类各有两种。
每种证券的评级、到期年限及每年税后收益率见表1-5所示。
序号证券类型评级到期年限每年税后收益率(%)1 国债1 1 8 3.22 国债2 1 10 3.83 地方债券1 24 4.34 地方债券2 3 6 4.75 基金1 4 3 4.26 基金2 5 4 4.6决策者希望:国债投资额不少于1000万,平均到期年限不超过5年,平均评级不超过2。
问每种证券各投资多少使总收益最大。
【例1-6】均衡配套生产问题。
某产品由2件甲、3件乙零件组装而成。
两种零件必须经过设备A、B上加工,每件甲零件在A、B上的加工时间分别为5分钟和9分钟,每件乙零件在A、B上的加工时间分别为4分钟和10分钟。
现有2台设备A和3台设备B,每天可供加工时间为8小时。
为了保持两种设备均衡负荷生产,要求一种设备每天的加工总时间不超过另一种设备总时间1小时。
怎样安排设备的加工时间使每天产品的产量最大在例1.6中,假定同种设备的加工时间均匀分配到各台设备上,要求一种设备每台每天的加工时间不超过另一种设备任一台加工时间1小时,模型如何变化.【例1-13】将下例线性规划化为标准型X B X N X S b X B B N I bC j-Z j C B C N0 0X B X N X S bX B I B-1N B-1B-1bλ0C N-C B B-1N-C B B-1-C B B-1b【例3-2 】在例3-1中,假设此人还有一只旅行箱,最大载重量为12公斤,其体积是0.02m3。
背包和旅行箱只能选择其一,建立下列几种情形的数学模型,使所装物品价值最大。
(1)所装物品不变;(2)如果选择旅行箱,则只能装载丙和丁两种物品,价值分别是4和3,载重量和体积的约束为物品重量(公斤/每件)体积(m3/每件)价值(元/每件)丙丁1.80.60.00150.00243约束12 0.020(1)1211121122221.20.8102 2.52inmax4310,,011,21t522i iZ x xyx yax xndyx x yegeryyiy+++=+≤≤+=≥==+或(2)12212121211211221.20.8102max43()1.80.612(2.5)()1.5220()10,,011,t25n2ii ix x Myx x MZ x xax x My bcx x My d y yx y id egeryan+≤+≤=++≤++≤++≥+===或+【例3-3】试引入0-1变量将下列各题分别表达为一般线性约束条件 (1)x 1+x 2≤6或4x 1+6x 2≥10或2x 1+4x 2≤20 (2)若x 1≤5,则x 2≥0,否则x 2≤8 (3)x 2取值0,1,3,5,7(2)21125(1)8(1)015x y M x y M y M M x x y y ≥-≤⎧⎪>--⎪⎪⎨⎪≤+-⎪+⎪=⎩或(3)2123412343571011,2,3,4jx y y y y y y y y y j ⎧=+++⎪+++⎨⎪==⎩≤或,【例3-4】企业计划生产4000件某种产品,该产品可自己加工、外协加工任意一种形式生产.已知每种生产的固定费用、生产该产品的单件成本以及每种生产形式的最大加工数量(件)限制如表3-2所示,怎样安排产品的加工使总成本最小.固定成本(元) 变动成本 (元/件) 最大加工数(件)本企业加工 500 8 1500 外协加工Ⅰ 800 5 2000 外协加工Ⅱ 600 7 不限 用分枝-隐枚举法求解下列BIP 问题解 (1)令x 2=1-x '2及x 5=1-x '5,代入模型后整理得【例4-1】某企业在计划期内计划生产甲、乙、丙三种产品。
这些产品分别需要要在设备A 、B 上加工,需要消耗材料C 、D ,按工艺资料规定,单件产品在不同设备上加工及所需要的资源、每件产品利润如表4-1所示。
已知在计划期内设备的加工能力各为200台时,可供材料分别为360、300公斤;假定市场需求无限制。
现在决策者根据企业的实际情况和市场需求,需要重新制定经营目标,其目标的优先顺序是:(1)利润不少于3200元(2)产品甲与产品乙的产量比例尽量不超过1.5 (3)提高产品丙的产量使之达到30件(4)设备加工能力不足可以加班解决,能不加班最好不加班(5)受到资金的限制,只能使用现有材料不能再购进(不能变化) 问企业如何安排生产计划才能到达经营目标。
【例4-2】某企业集团计划用1000万元对下属5个企业进行技术改造,各企业单位的投资额已知,考虑2种市场需求变化、现有竞争对手、替代品的威胁等影响收益的4个因素,技术改造完成后预测单位投资收益率((单位投资获得利润/单位投资额)×100%)如表4-2所示.集团制定的目标是:(1)希望完成总投资额又不超过预算1000万元;(2)总期望收益率达到总投资的30%;(3)投资风险尽可能最小;(4)保证企业5的投资额占20%左右.集团应如何作出投资决策.企业1 企业2 企业3 企业4 企业5 单位投资额(万元) 12 10 15 13 20单位投资收益率预测r ij 市场需求1 4.32 5 5.84 5.2 6.56 市场需求2 3.52 3.04 5.08 4.2 6.24现有竞争对手 3.16 2.2 3.56 3.28 4.08替代品的威胁 2.24 3.12 2.6 2.2 3.24期望(平均)收益率% 3.31 3.34 4.27 3.72 5.03【例4-3】车间计划生产甲、乙两种产品,每种产品均需经过A、B、C,3道工序加工.工艺资料如表所示.产品工序产品甲产品乙每天加工能力(小时)A 2 2 120B 1 2 100C 2.2 0.8 90产品售价(元/件)5070产品利润(元/件)108(1)车间如何安排生产计划,使产值和利润都尽可能高(2)如果认为利润比产值重要,怎样决策【例4-4】企业计划生产甲、乙两种产品,这些产品需要使用两种材料,要在两种不同设备上加工.工艺资料如表4-4所示.产品资源产品甲产品乙现有资源材料I 3 0 12(kg)材料II 0 4 14(kg)设备A 2 2 12(h)设备B 5 3 15(h)产品利润 (元/件)20 40企业怎样安排生产计划,尽可能满足下列目标:(1)力求使利润指标不低于80元(2)考虑到市场需求,甲、乙两种产品的生产量需保持1:1的比例(3)设备A既要求充分利用,又尽可能不加班(4) 设备B必要时可以加班,但加班时间尽可能少(5)材料不能超用。
【例5-13】DF公司在接下来的三个月内每月都要按照销售合同生产出两种产品。
表5-24中给出了在正常时间(Regular Time,缩写为RT)和加班时间(Over Time,缩写为OT)内能够生产这两种产品的总数。
月最大生产总量产品1/产品2销售产品1/产品2单位生产成本(1000元/件)单位储存成本(1000元/件)RT OT RT OT1 2 3 108103235/33/54/415/1617/1519/1718/2020/1822/221/22/1(1)对这个问题进行分析,描述成一个运输问题的产销平衡表,使之可用运输单纯形法求解.(2)建立总成本最小的数学模型并求出最优解i j 1 2 3 4 5 6 生产能力a i1月(1) 1月(2) 2(1) 2(2) 3(1) 3(2)1 1月RT x11x12x13x14x15x16102 1月OT x21x22x23x24x25x26 33 2月RT x33x34x35x3684 2月OT x43x44x45x46 25 3月RT x55x56106 3月OT x65x66 3需要量b j 5 3 3 5 4 41月(1)1月(2) 2(1) 2(2) 3(1) 3(2) 剩余能力生产能力1月RT 15 16 16 18 18 19 0 101月OT 18 20 19 22 21 23 0 32月RT M M 17 15 19 16 0 82月OT M M 20 18 22 19 0 23月RT M M M M 19 17 0 103月OT M M M M 22 22 0 3需要量 5 3 3 5 4 4 12 36【例5-17】某商业集团计划在市内四个点投资四个专业超市,考虑的商品有电器、服装、食品、家俱及计算机等5个类别.通过评估,家具超市不能放在第3个点,计算机超市不能放在第4个点,不同类别的商品投资到各点的年利润(万元)预测值见表5-31.该商业集团如何作出投资决策使年利润最大。
表5-31 地点商品 12 3 4 电器 120 300 360 400 服装 80 350 420 260 食品 150 160 380 300 家具90200-180计算机 220 260 270 -【例6-8】设备更新问题。
企业在使用某设备时,每年年初可购置新设备,也可以使用一年或几年后卖掉重新购置新设备。
已知4年年初购置新设备的价格分别为2.5、2.6、2.8和3.1万元。
设备使用了1~4年后设备的残值分别为2、1.6、1.3和1.1万元,使用时间在1~4年内的维修保养费用分别为0.3、0.8、1.5和2.0万元。
试确定一个设备更新策略,在下例两种情形下使4年的设备购置和维护总费用最小。
(1)第4年年末设备一定处理掉; (2)第4年年末设备不处理。