重型动力触探试验修正系数
- 格式:xls
- 大小:226.50 KB
- 文档页数:4
3.2.6.4动力触探试验圆锥动力触探适用于强风化、全风化的硬质岩石,各种软质岩石及各类土。
根据锤击能量可按表3-33分为轻型、重型和超重型三种。
表3-33 圆锥动力触探类型类型轻型重型超重型锤的质量(kg) 10±0.2 63.5±0.5 120±1落距(cm) 50±2 76±2 100±2直径(mm) 40 74 74锥角(°) 60 60 60探杆直径(mm) 25 42 50~60深度(cm) 30 10 10锤数 N10 N63.5 N120(1)轻型动力触探(N10)试验:适用于深度小于4m的一般粘性土、粘性素填土和砂土层。
A.试验设备:轻型动力触探设备主要由圆锥探头、触探杆、穿心落锤三部分组成(图3-6 ),落锤升降由人工操纵。
图3-6 轻型动力触探试验设备示意图1.穿心杆2.穿心锤3.锤垫4.触探杆5.探头B.试验步骤:(a)探头贯入土层之前,先在触探杆上标出从锥尖起向上每30cm的位置。
(b)一人将触探杆垂直扶正,另一人将10Kg穿心锤从锤垫顶面以上50cm处自由落体放下, 锤击速度以每分钟15-30击为宜。
(c)记录每贯入土层30cm的锤击数N10′(击/30cm)。
(d)为避免因土对触探杆的侧壁摩檫而消耗部分锤击能量,应采用分段触探的办法,即贯入一段距离后,将锥尖向上拔,使探孔壁扩径,再将锥尖打入原位置,继续试验。
或每贯入10cm,转动探杆一圈。
(e)当N10′>100或贯入15cm锤击数超过50时,可停止试验。
C.资料整理:(a)轻型动力触探由于贯入深度浅,可不作杆长修正,即N10′= N10。
(b)绘制轻型动力触探击数N10与深度h的关系曲线(图3-7)。
图3-7 轻型动力触探击数N10与深度h的关系曲线D.试验成果的应用:确定地基承载力特征值fa, 见表3-34、3-35及3-36。
表3-34 一般粘性土承载力特征值fa与N10的关系N10(击/30cm) 15 20 25 30fa(Kpa) 105 145 190 230注:本表引自《建筑地基基础规范》(GBJ7-89)表3-35 素填土承载力特征值fa与N10的关系N10(击/30cm) 10 20 30 40fa(Kpa) 85 115 135 160注:本表引自《铁路动力触探技术规范》(TBJ18-87)表3-36 含少量杂质的素填土承载力特征值fa与N10的关系N10(击/30cm) 15~20 18~25 23~30 27~35 32~40 35~50fa(Kpa) 40~70 60~90 80~120 100~150 130~180 150~200空隙比 e 1.25~1.15 1.20~1.10 1.15~1.00 1.05~0.90 0.95~0.80 <0.80本表引自西安市资料.一、地基承载力1、挡墙基础:每侧每10延米至少检测2个点,必要时可根据需要增加检测点。
动力触探技术规定(TB10018—2003)一、作业要点1.轻型动力触探作业①先用轻便钻具钻至所需测试土层的顶面,然后对该土层连续进行触②如遇密实坚硬土层,当贯入30㎝所需锤击数超过90击或贯入15㎝超过45击时,作业可停止。
2.地层强度的变化,重型和特重型动力触探可互换使用。
①当重型动力触探实测击数>50击/10㎝时,宜该用特重型。
②当重型动力触探实测击数<5击/10㎝时,不得采用特重型动力触探。
3.作业时:应保持重锤沿导杆自由下落,锤击频率每分钟15~30击4.动力触探:适用于粘性土、砂类土和碎石类土。
5.各种类型动力触探的锤座距孔口高度不宜超过1.5m,探杆应保持垂直。
二、资料整理1.轻型动力触探应以每层的实测击数之平均值,作为该层的触探击数平均值。
2.对重型动力触探实测击数=a·N(63.5=杆长击数校正系数(按下表定)〃实测击数3.对特重型动力触探的实测击数:应先N(63.5)=3×N120-0.5然后校正校正后的击数=a×N(63.5)4.取得校正后的动力触探击数之后,应绘制动力触探校正后击数与贯入度深度曲线图。
三、地基基本承载力的确定1.根据轻、重型动力触探实测击数平均值。
查表如下:2.动力触探的孔数应根据勘察场地的范围,建筑物等级及土的均匀程度综合考虑,但不宜少于2孔。
3.基本承载力用于设计时,应进行基础宽度和深度的修正。
(略))四、动力触探还可用于:⒈查明地层在垂直和水平方向的均匀程度和确定桩基持力层。
⒉动力触探划分土层并定名时,应与其他勘探测试手段相结合。
⒊确定地基承载力和变形模量时,动力触探孔数应根据场地大小、建筑物等级及土层均匀程度考虑,但同一场地不少于3孔。
重型动力触探试验方式3.2.6.4动力触探试验圆锥动力触探适用于强风化、全风化的硬质岩石,各种软质岩石及各类土。
根据锤击能量可按表3-33分为轻型、重型和超重型三种。
表3-33 圆锥动力触探类型类型轻型重型超重型锤的质量(kg) 10±0.2 63.5±0.5 120±1落距(cm) 50±2 76±2 100±2直径(mm) 40 74 74锥角(°) 60 60 60探杆直径(mm) 25 42 50~60深度(cm) 30 10 10锤数 N10 N63.5 N120(1)轻型动力触探(N10)试验:适用于深度小于4m的一般粘性土、粘性素填土和砂土层。
A.试验设备:轻型动力触探设备主要由圆锥探头、触探杆、穿心落锤三部分组成(图3-6 ),落锤升降由人工操纵。
图3-6 轻型动力触探试验设备示意图1.穿心杆2.穿心锤3.锤垫4.触探杆5.探头B.试验步骤:(a)探头贯入土层之前,先在触探杆上标出从锥尖起向上每30cm 的位置。
(b)一人将触探杆垂直扶正,另一人将10Kg穿心锤从锤垫顶面以上50cm处自由落体放下, 锤击速度以每分钟15-30击为宜。
(c)记录每贯入土层30cm的锤击数N10′(击/30cm)。
(d)为避免因土对触探杆的侧壁摩檫而消耗部分锤击能量,应采用分段触探的办法,即贯入一段距离后,将锥尖向上拔,使探孔壁扩径,再将锥尖打入原位置,继续试验。
或每贯入10cm,转动探杆一圈。
(e)当N10′>100或贯入15cm锤击数超过50时,可停止试验。
C.资料整理:(a)轻型动力触探由于贯入深度浅,可不作杆长修正,即N10′= N10。
(b)绘制轻型动力触探击数N10与深度h的关系曲线(图3-7)。
图3-7 轻型动力触探击数N10与深度h的关系曲线D.试验成果的应用:确定地基承载力特征值fa, 见表3-34、3-35及3-36。
动力触探试验圆锥动力触探适用于强风化、全风化的硬质岩石,各种软质岩石及各类土。
根据锤击能量可按表3-33分为轻型、重型和超重型三种。
表3-33 圆锥动力触探类型类型轻型重型超重型锤的质量(kg)10±±120±1落距(cm) 50±2 76±2 100±2直径(mm) 40 74 74锥角(°)60 60 60探杆直径(mm)25 42 50~60深度(cm)30 10 10锤数N10 N120(1)轻型动力触探(N10)试验:适用于深度小于4m的一般粘性土、粘性素填土和砂土层。
A.试验设备:轻型动力触探设备主要由圆锥探头、触探杆、穿心落锤三部分组成(图3-6 ),落锤升降由人工操纵。
图3-6 轻型动力触探试验设备示意图1.穿心杆2.穿心锤3.锤垫4.触探杆5.探头B.试验步骤:(a)探头贯入土层之前,先在触探杆上标出从锥尖起向上每30cm 的位置。
(b)一人将触探杆垂直扶正,另一人将10Kg穿心锤从锤垫顶面以上50cm处自由落体放下, 锤击速度以每分钟15-30击为宜。
(c)记录每贯入土层30cm的锤击数N10′(击/30cm)。
(d)为避免因土对触探杆的侧壁摩檫而消耗部分锤击能量,应采用分段触探的办法,即贯入一段距离后,将锥尖向上拔,使探孔壁扩径,再将锥尖打入原位置,继续试验。
或每贯入10cm,转动探杆一圈。
(e)当N10′>100或贯入15cm锤击数超过50时,可停止试验。
C.资料整理:(a)轻型动力触探由于贯入深度浅,可不作杆长修正,即N10′= N10。
(b)绘制轻型动力触探击数N10与深度h的关系曲线(图3-7)。
图3-7 轻型动力触探击数N10与深度h的关系曲线D.试验成果的应用:确定地基承载力特征值fa, 见表3-34、3-35及3-36。
表3-34 一般粘性土承载力特征值fa与N10的关系N10(击/30cm)15 20 25 30fa(Kpa)105 145 190 230注:本表引自《建筑地基基础规范》(GBJ7-89)表3-35 素填土承载力特征值fa与N10的关系N10(击/30cm)10 20 30 40fa(Kpa)85 115 135 160注:本表引自《铁路动力触探技术规范》(TBJ18-87)表3-36 含少量杂质的素填土承载力特征值fa与N10的关系N10(击/30cm)15~20 18~25 23~30 27~35 32~40 35~50fa(Kpa)40~70 60~90 80~120 100~150 130~180 150~200空隙比e ~ ~ ~ ~ ~ <本表引自西安市资料.(2)重型动力触探()试验:主要用于碎石土、砂土及一般粘性土。
动力触探试验圆锥动力触探适用于强风化、全风化的硬质岩石,各种软质岩石及各类土。
根据锤击能量可按表3-33分为轻型、重型和超重型三种。
表3-33 圆锥动力触探类型类型轻型重型超重型锤的质量(kg)10±±120±1落距(cm)50±2 76±2 100±2直径(mm) 40 74 74锥角(°)60 60 60探杆直径(mm)25 42 50~60深度(cm)30 10 10锤数N10N120(1)轻型动力触探(N10)试验:适用于深度小于4m的一般粘性土、粘性素填土和砂土层。
A.试验设备:轻型动力触探设备主要由圆锥探头、触探杆、穿心落锤三部分组成(图3-6 ),落锤升降由人工操纵。
图3-6 轻型动力触探试验设备示意图1.穿心杆2.穿心锤3.锤垫4.触探杆5.探头B.试验步骤:(a)探头贯入土层之前,先在触探杆上标出从锥尖起向上每30cm的位置。
(b)一人将触探杆垂直扶正,另一人将10Kg穿心锤从锤垫顶面以上50cm处自由落体放下, 锤击速度以每分钟15-30击为宜。
(c)记录每贯入土层30cm的锤击数N10′(击/30cm)。
(d)为避免因土对触探杆的侧壁摩檫而消耗部分锤击能量,应采用分段触探的办法,即贯入一段距离后,将锥尖向上拔,使探孔壁扩径,再将锥尖打入原位置,继续试验。
或每贯入10cm,转动探杆一圈。
(e)当N10′>100或贯入15cm锤击数超过50时,可停止试验。
C.资料整理:(a)轻型动力触探由于贯入深度浅,可不作杆长修正,即N10′= N10。
(b)绘制轻型动力触探击数N10与深度h的关系曲线(图3-7)。
图3-7 轻型动力触探击数N10与深度h的关系曲线D.试验成果的应用:确定地基承载力特征值fa, 见表3-34、3-35及3-36。
表3-34 一般粘性土承载力特征值fa与N10的关系N10(击/30cm)15 20 25 30fa(Kpa)105 145 190 230注:本表引自《建筑地基基础规范》(GBJ7-89)表3-35 素填土承载力特征值fa与N10的关系N10(击/30cm)10 20 30 40fa(Kpa)85 115 135 160注:本表引自《铁路动力触探技术规范》(TBJ18-87)表3-36 含少量杂质的素填土承载力特征值fa与N10的关系N10(击/30cm)15~20 18~25 23~30 27~35 32~40 35~50fa(Kpa)40~70 60~90 80~120 100~150 130~180 150~200空隙比e ~ ~ ~ ~ ~ <本表引自西安市资料.(2)重型动力触探()试验:主要用于碎石土、砂土及一般粘性土。
桥涵基坑承载力重型动力触探检测指导意见目前公路工程施工中普遍采用重型动力触探检测桥涵基坑承载力,但由于不同规范、不同手册查表所得的承载力的差别很大,使施工、监理、设计单位无法达成共识,为了使检测有一个统一的标准,以便于施工、监理单位的规范操作,我院特制定以下检测规定(本规定制定依据是(《JTJ D63-2007 公路桥涵地基基础设计规范》和《工程地质手册》(第四版)):1 一般规定1.1 试验目的:确定粉土、黏土、砂类土、碎石类土和极软岩的地基承载力基本容许值。
1.2 适用范围:适用于粉土、黏土、砂类土、碎石类土和极软岩。
2 设备重型动力触探设备主要由探头、触探杆和穿心锤组成。
探头规格如图1,穿心锤质量63.5kg,锤落距76cm,探杆外径42mm或50mm。
图1 重型动力触探探头外形尺寸3 试验要点3.1 设备检查(1)采用手动落锤装置,贯入时,穿心锤应自由下落。
(2)检查探头的完好程度,当探头直径磨损量>2mm,探头锥尖高度磨损量>2mm,探杆偏斜度>2%时,应及时更换或维修。
(3) 在设备安装过程中,部件连接处丝扣应完好,连接紧固。
3.2 试验步骤(1)检测前,基坑检测位置底部的虚土应人工清理干净;(2) 触探杆最大偏移度不应超过2%,锤击贯入应连续进行;同时防止锤击偏心、探杆倾斜和侧向晃动,保持探杆垂直度;锤击速率宜为每分钟15~30击。
(4) 由于动力触探受土体的侧向约束影响,有一个滞后反应量(一般在0.2m 左右),因此打入的前20cm不予计数,从20cm以下每10cm计数一次,直至贯入1.0m 深度(不包括不计数的20cm );当每10cm 的锤击数N63.5>50击时,可停止试验。
(5) 地层松软时,可采用测量每阵击(一般为1~5击)的贯入度,并按下式换算成重型动力触探贯入10cm 时的击数:sn N ∆=105.63 (3-1)式中:5.63N —重型动力触探击数(击/10cm);n —每阵击的击数(击);s ∆—每阵击时相应的贯入度(cm );4 资料整理与计算4.1 重型试验成果分析应包括以下内容:(1) 由于手动贯入杆长均小于2m,重型动力触探的实测击数5.63N ,按照《JTJ D63-2007 公路桥涵地基与基础设计规范》附录C,修正系数为1.00,不进行杆长修正。
动力触探试验动力触探试验1、试验目的和适用范围动力触探是利用一定的锤击能量,将一定规格的探头和探杆打(贯)入土中,根据贯入的难易程度即土的阻抗大小判别土层变化,进行力学分析,评价土的工程性质。
通常以贯入土中的一定距离所需锤击数来表征土的阻抗,以此与土的物理力学性质建立经验关系,用于工程实践。
动力触探可分为轻型、重型和特重型。
轻型动力触探可确定一般粘性土地基承载力;重型和特重型动力触探可确定中砂以上的砂类土和碎石类土地基承载力,测定圆砾土、卵石土的变形模量。
动力触探还可以用于查明地层在垂直和水平方向的均匀程度和确定桩基承载力。
2、动力触探所用主要设备1)动力触探设备类型和规格应符合表17.36的规定。
2)动力触探设备主要参数应符合下列要求:(1)轻型动力触探探头外型尺寸应符合图17.14规定。
材料应采用45号碳素钢或采用优于45号碳素钢的钢材。
表面淬火后硬度HRC=45~50.(2)重型:特重型动力触探设备应符合以下要求:①探头:外型尺寸应符合图17.14规定,材质应符合17.14.2、2)款要求。
表17.36动力触探设备类型和规格图17.14轻型动力触探探头外形尺寸图17.15重型、特重型动力触探探头外形尺寸②探杆:每米质量不宜大于7.5kg。
探杆接头外径应与探杆外径相同。
探杆和接头材料应采用耐疲劳高强度的钢材。
③锤座直径应小于锤径1/2,并大于100㎜;导杆长度应满足重锤落距的要求,锤座和导杆总质量为20~25kg。
④重锤应采用圆柱形,高径比1~2。
重锤中心的通孔直径应比导杆外径大3~4㎜。
3、试验要点1)动力触探作业前必须对机具设备进行检查,确认正常后,方可启动。
部件磨损及变形超过下列规定者,应予更换或修理。
(1)探头允许磨损量:直径磨损不得大于2mm,锥尖高度磨损不得大于5mm;(2)每节探杆非直线偏差不得大于0.6%;(3)所有部件连接处丝扣应完好,连接紧固。
2)动力触探机具安装必须稳固,在作业过程中支架不得偏移;动力触探时,应始终保持重锤沿导杆垂直下落,锤击频率应控制在15~30击/min;动力触探的锤座距孔口高度不宜超过1.5cm,探杆应保持竖直。
N120超重型动力触探试验暂行规定
中国建筑西南勘测设计院
一九九一年六月
一、适用范围
主要适用N120贯入指标大于6击(N63.5≥15)的中密、密实卵石层和含少量漂石的卵石层,不适用于砂类土和卵石层。
触探最大深度不超过20m。
二、技术规格
1、设备规格
落锤质量120kg;落距100cm,
2、动阻力以探头每贯入地层10cm时的实测锤击数经过校正后得到的锤击数表示,记作N120。
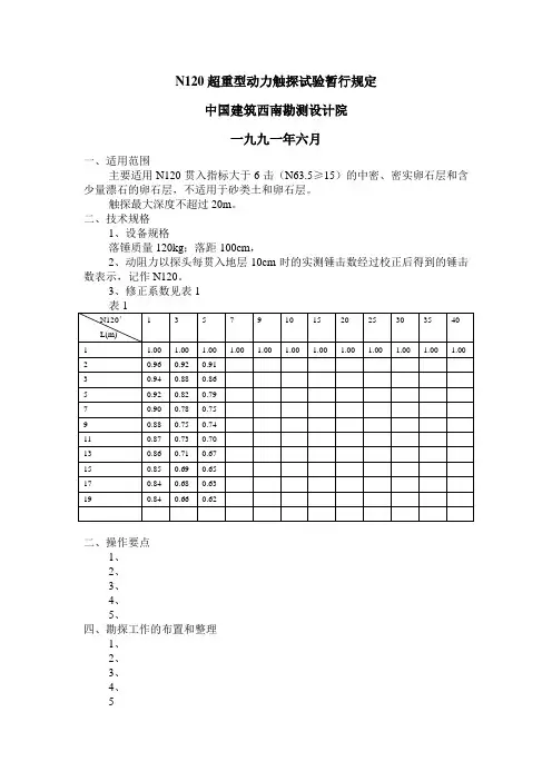
3、修正系数见表1
二、操作要点
1、
2、
3、
4、
5、
四、勘探工作的布置和整理
1、
2、
3、
4、
5
6、
7、
8、
五、地基评价
1、卵砾石地基密实度的评价可参照表2
2、成都地区卵石地基承载力标准值(fk)和变形模量(E0)可参照表3
3、成都地区卵石预制桩桩端承载力标准值(qp)可参照表4
成都地区卵石地基承载力标准值(fk)和变形模量(E0)
成都地区卵石预制桩桩端承载力标准值(qp)
震损水库工程地质现场调查表水库名称。
动力触探试验1、试验目的和适用范围动力触探是利用一定的锤击能量,将一定规格的探头和探杆打(贯)入土中,根据贯入的难易程度即土的阻抗大小判别土层变化,进行力学分析,评价土的工程性质。
通常以贯入土中的一定距离所需锤击数来表征土的阻抗,以此与土的物理力学性质建立经验关系,用于工程实践。
动力触探可分为轻型、重型和特重型。
轻型动力触探可确定一般粘性土地基承载力;重型和特重型动力触探可确定中砂以上的砂类土和碎石类土地基承载力,测定圆砾土、卵石土的变形模量。
动力触探还可以用于查明地层在垂直和水平方向的均匀程度和确定桩基承载力。
2、动力触探所用主要设备1)动力触探设备类型和规格应符合表17.36的规定。
2)动力触探设备主要参数应符合下列要求:(1)轻型动力触探探头外型尺寸应符合图17.14规定。
材料应采用45号碳素钢或采用优于45号碳素钢的钢材。
表面淬火后硬度HRC=45~50.(2)重型:特重型动力触探设备应符合以下要求:①探头:外型尺寸应符合图17.14规定,材质应符合17.14.2、2)款要求。
表17.36动力触探设备类型和规格类型及代号重锤质量(kg)重锤落距(cm)探头截面积(cm2)探杆外径(mm)动力触探击数符号单位轻型DPL 10±0.2 50±2 13 25 N10 击/30cm 重型DPH 63.5±0.5 76±2 43 42、50 N63.5 击/10cm 特重型DPSH 120±1.2 100±2 43 50 N120 击/10cm图17.14轻型动力触探探头外形尺寸图17.15重型、特重型动力触探探头外形尺寸②探杆:每米质量不宜大于7.5kg 。
探杆接头外径应与探杆外径相同。
探杆和接头材料应采用耐疲劳高强度的钢材。
③锤座直径应小于锤径1/2,并大于100㎜;导杆长度应满足重锤落距的要求,锤座和导杆总质量为20~25kg 。
④重锤应采用圆柱形,高径比1~2。
重型动力触探试验步骤及计算公式嘿,咱今儿个就来讲讲重型动力触探试验这档子事儿!你知道不,这重型动力触探试验就像是给大地做一次深入的“体检”。
那它到底咋做呢?来,咱一步步瞧。
首先得选好地儿,就跟咱挑苹果似的,得找个看着就不错的地方下手。
然后把那触探设备给架起来,这可不能马虎,得稳稳当当的。
接着呢,就开始让它往地里钻啦!就像个小钻头似的,使劲往下探。
这过程中可得仔细观察,看看它遇到啥情况了。
说到计算公式,那可就像是解开这个“体检报告”的密码。
通过一系列的数据和计算,咱就能知道这地底下的情况到底咋样。
这可不是随随便便就能搞明白的,得有点真功夫才行。
你想想,要是没有这些步骤和公式,咱咋能知道这地够不够结实,能不能撑起咱要盖的大房子、大高楼呢?这就好比咱盖房子得先有个牢固的地基一样,重型动力触探试验就是给咱找到这个牢固地基的好办法。
咱再打个比方,这就像是医生给病人看病,得先做各种检查,然后根据检查结果来判断病情,给出治疗方案。
这重型动力触探试验不也是一样嘛,通过一系列操作和计算,咱就能知道这地的“健康状况”啦!在实际操作中,可不能马马虎虎的,每一个数据都得认真对待,就跟咱对待自己的宝贝似的。
要是不小心弄错了,那可就麻烦大了,就好比你把药给吃错了一样,后果不堪设想啊!所以啊,搞重型动力触探试验的人可得细心细心再细心,认真认真再认真。
这可不是闹着玩的事儿,这关系到很多人的安全呢!咱可不能掉以轻心,你说是不是?总之,重型动力触探试验步骤和计算公式那都是相当重要的,少了哪个都不行。
咱得好好掌握这些,才能让咱的工程建得稳稳当当,让大家都能放心地在里面生活、工作。
这可不是小事儿,咱得重视起来呀!。
标准贯入试验规程(第二稿)水电水利工程动力触探与标准贯入试验规程(讨论稿)二○一○年十一月1 范围本标准规定了水电水利工程地质勘察中的动力触探试验、标准贯入试验的工作内容、试验方法和技术要求。
本标准适用于水电水利工程地质勘探中钻内测定覆盖层工程性质的动力触探试验、标准贯入试验,以及对基础处理施工质量的控制和检验。
其它行业的同类工作可参照执行。
2 规范性引用文件下列文件中的条款通过本标准的引用而成为本标准的条款。
凡是注明日期的引用文件,其随后所有的修改单(不包括勘误的内容)或修订版均不适用于本标准,然而鼓励根据本标准达成协议的各方研究是否可使用这些文件的最新版本。
凡是不注明日期的引用文件,其最新版本适用于本标准。
GB12746-2007 工试验仪器贯入仪GB/T15406—94 土工仪器的基本参数及通用技术条件第二篇:原位测试仪器DL/T5013 水电水利工程钻探规程DL/T5125 水电水利岩土工程施工及岩体测试造孔规程DL/T5355—2006 水电水利工程土工试验规程3 总则3.0.1 为规范水电水利工程动力触探试验、标准贯入试验方法,提高试验成果质量,正确反映水电水利工程场地岩土的工程地质特性参数,制定本标准。
3.0.2 动力触探试验、标准贯入试验应与钻探配合进行。
3.0.3 配合试验用的钻孔,除应符合试验的专门要求外,还应符合DL/T5013 、DL/T5125的要求。
3.0.4 钻孔动力触探试验、标准贯入试验对象应具有代表性。
试验内容、试验布置、试验条件应符合水电水利工程勘测、设计、施工以及质量控制、检验的基本要求和特性。
3.0.5 试验成果分析时,应注意仪器设备、试验方法、试验条件、土层分布等对试验的影响。
当需要估算土的工程特性参数和对工程问题作出评价时,应与室内和现场土工试验成果对比,并结合地层条件和地区经验综合考虑。
3.0.6 动力触探试验、标准贯入试验除应执行本规程外,尚应符合国家和本行业现行的有关标准、规范的规定。
2.6.4动力触探试验圆锥动力触探适用于强风化、全风化的硬质岩石,各种软质岩石及各类土。
根据锤击能量可按表3-33分为轻型、重型和超重型三种。
表3-33 圆锥动力触探类型类型轻型重型超重型锤的质量(kg) 10±0.2 63.5±0.5 120±1落距(cm) 50±2 76±2 100±2直径(mm) 40 74 74锥角(°) 60 60 60探杆直径(mm) 25 42 50~60深度(cm) 30 10 10锤数 N10 N63.5 N120(1)轻型动力触探(N10)试验:适用于深度小于4m的一般粘性土、粘性素填土和砂土层。
A.试验设备:轻型动力触探设备主要由圆锥探头、触探杆、穿心落锤三部分组成(图3-6 ),落锤升降由人工操纵。
图3-6 轻型动力触探试验设备示意图1.穿心杆2.穿心锤3.锤垫4.触探杆5.探头B.试验步骤:(a)探头贯入土层之前,先在触探杆上标出从锥尖起向上每30cm的位置。
(b)一人将触探杆垂直扶正,另一人将10Kg穿心锤从锤垫顶面以上50cm处自由落体放下, 锤击速度以每分钟15-30击为宜。
(c)记录每贯入土层30cm的锤击数N10′(击/30cm)。
(d)为避免因土对触探杆的侧壁摩檫而消耗部分锤击能量,应采用分段触探的办法,即贯入一段距离后,将锥尖向上拔,使探孔壁扩径,再将锥尖打入原位置,继续试验。
或每贯入10cm,转动探杆一圈。
(e)当N10′>100或贯入15cm锤击数超过50时,可停止试验。
C.资料整理:(a)轻型动力触探由于贯入深度浅,可不作杆长修正,即N10′= N10。
(b)绘制轻型动力触探击数N10与深度h的关系曲线(图3-7)。
图3-7 轻型动力触探击数N10与深度h的关系曲线D.试验成果的应用:确定地基承载力特征值fa, 见表3-34、3-35及3-36。
表3-34 一般粘性土承载力特征值fa与N10的关系N10(击/30cm) 15 20 25 30fa(Kpa) 105 145 190 230注:本表引自《建筑地基基础规范》(GBJ7-89)表3-35 素填土承载力特征值fa与N10的关系N10(击/30cm) 10 20 30 40fa(KPa) 85 115 135 160注:本表引自《铁路动力触探技术规范》(TBJ18-87)表3-36 含少量杂质的素填土承载力特征值fa与N10的关系N10(击/30cm) 15~20 18~25 23~30 27~35 32~40 35~50fa(Kpa) 40~70 60~90 80~120 100~150 130~180 150~200空隙比 e 1.25~1.15 1.20~1.10 1.15~1.00 1.05~0.90 0.95~0.80 <0.80本表引自西安市资料.(2)重型动力触探(N63.5)试验:主要用于碎石土、砂土及一般粘性土。
动力触探试验1、试验目的和适用围动力触探是利用一定的锤击能量,将一定规格的探头和探杆打〔贯〕入土中,根据贯入的难易程度即土的阻抗大小判别土层变化,进展力学分析,评价土的工程性质。
通常以贯入土中的一定距离所需锤击数来表征土的阻抗,以此与土的物理力学性质建立经历关系,用于工程实践。
动力触探可分为轻型、重型和特重型。
轻型动力触探可确定一般粘性土地基承载力;重型和特重型动力触探可确定中砂以上的砂类土和碎石类土地基承载力,测定圆砾土、卵石土的变形模量。
动力触探还可以用于查明地层在垂直和水平方向的均匀程度和确定桩基承载力。
2、动力触探所用主要设备1)动力触探设备类型和规格应符合表17.36的规定。
2)动力触探设备主要参数应符合以下要求:(1)轻型动力触探探头外型尺寸应符合图17.14规定。
材料应采用45号碳素钢或采用优于45号碳素钢的钢材。
外表淬火后硬度HRC=45~50.(2)重型:特重型动力触探设备应符合以下要求:①探头:外型尺寸应符合图17.14规定,材质应符合、2)款要求。
图17.14轻型动力触探探头外形尺寸图17.15重型、特重型动力触探探头外形尺寸②探杆:每米质量不宜大于7.5kg 。
探杆接头外径应与探杆外径一样。
探杆和接头材料应采用耐疲劳高强度的钢材。
③锤座直径应小于锤径1/2,并大于100㎜;导杆长度应满足重锤落距的要求,锤座和导杆总质量为20~25kg 。
④重锤应采用圆柱形,高径比1~2。
重锤中心的通孔直径应比导杆外径大3~4㎜。
3、试验要点1)动力触探作业前必须对机具设备进展检查,确认正常后,方可启动。
部件磨损及变形超过以下规定者,应予更换或修理。
(1)探头允许磨损量:直径磨损不得大于2mm ,锥尖高度磨损不得大于5mm ; (2)每节探杆非直线偏差不得大于0.6%; (3)所有部件连接处丝扣应完好,连接紧固。
2)动力触探机具安装必须稳固,在作业过程中支架不得偏移;动力触探时,应始终保持重锤沿导杆垂直下落,锤击频率应控制在15~30击/min ;动力触探的锤座距孔口高度不宜超过1.5cm ,探杆应保持竖直。
浅析强夯地基质量检测中重型动力触探法的应用摘要: 随着建设事业的日益发展,需人工处理的地基也将越来越多,强夯法作为经济高效的地基处理方法必将得到越来越广泛的应用,对强夯地基的质量作科学检测也将越来越多,应引起岩土工程人员和工程质检人员的高度重视。
动力触探试验作为一种土的原位测试技术,在国内外应用极其广泛。
着重阐述重型动力触探技术的方法、基本原理、影响因素及试验要求,并结合实践工程建设, 简谈其在地基检测中的应用。
关键词: 强夯地基; 质量检测;重型动力触探试验;应用重庆江北机场地处浅丘区,拟建设第二跑道与配套设施,为提高地基土的承载力和强度,在试验段内采用对软弱土层进行换填并作强夯加固处理,为其施工设计提供基础性资料。
我检测中心完成了该试验段强夯地基基础的重型触探试验工作。
试验段面积约2500m2,地基土为抛填的泥岩碎石土,抛填厚度约4m。
将试验段划分成A、B两个区域,分别采用两种不同的夯击能即2000kN与3000kN 强夯填土层。
A试验区面积约1300m2,填土土石比约3:7,面层块石直径大者约0.4m左右。
B试验区面积约1200m2,填土土石比约3:7~4:6,块石直径大者约0.6m 左右。
把试验段分成两个区域,意在通过两种不同夯击能强夯的重型触探试验结果对比,更清楚了解到重型触探试验效果。
触探试验是利用一定能量的落锤,将与探杆相联接的一定规格的圆锥探头打入土中,根据探头贯入土中的难易程度来探测土的工程性质的现场测试方法。
动力触探技术作为一种主要的土的原位测试技术, 具有设备简单且坚固耐用, 操作容易, 适应性广, 快速、经济、能连续测试土层等优点, 因此广泛应用于国内外的土基检测领域。
动力触探试验分为两大类型: 圆锥动力触探试验和标准贯入试验。
前者根据穿心锤的重量分为轻型、重型及超重型动力触探试验。
轻型动力触探适用于砂土、粉土、粘土或浅部素填土,重型动力触探试验适用于中密以下的碎石地基土,超重型触探试验则适用于较密实的碎石土。
动力触探与标准贯入试验实施细则一、术语圆锥动力触探:用标准质量的重锤,以一定高度的自由落距,将标准规格的圆锥型探头贯入土中,根据打入土中一定距离所需的锤击数,判定土的物理力学特性的一种原位试验方法。
圆锥动力触探也称动力触探,其类型分为轻型、重型、超重型三种。
标准科孔试验:用质量为63.5kg的蟠龙锤,以76cm落距,将标准规格的科孔器,自钻孔底部预打15cm,记录在打进30cm的大锤数,认定土的物理力学特性的一种原位试验方法。
原位测试:在岩土体所处的位置,基本保持岩土原来的结构、湿度和应力状态,对岩土体进行的测试。
二、试验目的和适用范围圆锥动力触探试验可以用作判定天然地基的地基承载力,辨别其岩土性状;判定处置土地基的地基承载力,评价其地基处置效果;检验无机地基进一步增强体的桩体成桩质量;评价弱夯转让桥头着底情况;辨别混凝土灌注桩桩底抱持力层岩土性状。
标准贯入试验可用于以下地基检测:①推定砂土、粉土、粘性土、花岗岩残积土等天然地基的基地承载力,鉴别其岩土性状;②推定非碎石土换填地基、强夯地基、预压地基、不加填料振冲加密处理地基、注浆处理地基等处理土地基的地基承载力,评价地基处理效果;③评价复合地基增强体的施工质量。
相同类型的动力触探的适用范围相同,参见表中1:表1动力触探与标准贯入试验的设备规格与适用范围类型落锤质量(kg)落距(cm)直径(mm)接收器锥角(o)轻型10.0±0.250±240±160±225±1重型63.5±0.576±274±160±242~50超重型120±1100±274±160±250~60科孔10cm的读数n120标准科孔试验63.5±0.576±2外径:51±1对出管长度:>500mm42~50科孔300cm的读数n'判定砂土、粉土、粘性土、花岗岩残判定规整碎石土、极硬岩和软岩等的地基承载力。