车站值班员例题
- 格式:doc
- 大小:56.00 KB
- 文档页数:6
车站值班员基本技能试题一、填空题(共35小题,每小题2分,共70分)1、点现在车统计时,车内货物已卸完,但未清扫,还不能用以装车或者排空,应该按____统计。
正确答案:重车2、本站是办理货运手续站,若货车07:00到达邻站,08:00由邻站调入区间卸车,卸后返回本站,并于10:00到达本站,11:00由本站发出,则本站统计____货物作业停留时间。
正确答案:h3、点现在车统计时,货物已装完,正在苫盖篷布货车,应该按____统计。
正确答案:空车4、部属车辆中,____为装运液体、液化气体及粉状货物专用车辆。
正确答案:罐车5、货车停留时间按作业性质分是____停留时间。
正确答案:货物作业及中转作业6、本站是办理货运手续站,若货车10:00到达邻站,11:00调入区间进行装车作业,又于13:00返回邻站,14:00由邻站发出,邻站统计____中转时间。
正确答案:h7、目前,我国铁道车辆走行部大都由两台____转向架组成。
正确答案:二轴8、采用计算机联锁设备实现加锁加封功能时,应该使用____操作。
正确答案:密码9、调车指挥人要求司机降低速度调车手信号,昼间是____。
正确答案:展开绿旗下压数次10、机务段为机务部分基层生产单位,货运机车机务段、折返段通常设在____上。
正确答案:区段站、编组站11、三显示自动闭塞车站控制台监督器表示良好,发出超长列车头部越过出站信号机时,其行车凭证是____。
正确答案:绿色许可以证12、根据车次判定列车种类,82751次为____列车。
正确答案:大宗直达13、对装有空重车手动调动装置车辆,当车辆总重____不足____或者空车时,按空车位调整。
正确答案:自重+载重、40T14、我国规定以道岔辙叉角£____表示道岔辙叉号数。
正确答案:余切值15、D型单线半自动闭塞,发车站请求闭塞按下闭塞按钮后,接车站同意闭塞并按下按钮时,发车站控制台上发车表示灯显示____。
正确答案:绿灯16、股道编号是II线路属于____。
铁路车站值班员考试:高级车站值班员考试资料1、单选货运列车脱轨()以上60辆以下,并中断其他线路铁路行车48h以上,为重大事故。
A、4辆B、6辆C、8辆D、9辆正确答案:B2、单选利用口笛指示(江南博哥)机车向显示人方向移动时,鸣示方式为()。
A、一长声B、一长一短声C、一短一长声D、二长声正确答案:C3、单选某站进站信号机外制动距离内,进站方向有6.2‰的下坡道,如制动距离内有长度为400m、半径为1000m的曲线时,其换算下坡度应为()。
A、6.5‰B、6.2‰C、6‰D、5.9‰正确答案:D4、单选两列同型动车组可重联运行,禁止与()列车混编。
A、旅客B、货物C、其他D、专运正确答案:C5、单选行包列车(18t轴重)每辆人力制动机的换算闸瓦压力为()。
A、40kPaB、50kPaC、60kPaD、80kPa正确答案:A6、单选军用物资列车的编组应按()规定办理。
A、列车编组计划B、《技规》C、列车运行图正确答案:D7、单选《铁路技术管理规程》规定,峰下线路采用对称道岔不得小于()。
A、6号B、7号C、9号D、12号正确答案:A8、单选电气化区段到发线接触网停电时,须经()准许并发布命令。
A、供电段调度员B、列车调度员C、变电所值班员D、接触网工区工长正确答案:C9、单选单线铁路相邻两站进站信号机之间的一段线路是()。
A、站间区间B、所间区间C、闭塞分区D、闭塞区间正确答案:A10、单选根据视觉信号基本颜色的规定,()不是视觉信号基本颜色。
A、红色B、黄色C、绿色D、月白色正确答案:D11、单选某繁忙干线调车作业发生冲突、脱轨,造成双线之一线行车中断3h15min,属于()事故。
A、一般A类B、一般B类C、一般C类D、一般D类正确答案:A12、单选64D型单线半自动闭塞,接车站承认闭塞按下闭塞按钮后,接车站接车表示灯显示()。
A、红灯B、黄灯C、绿灯正确答案:C13、单选联锁设备分为集中联锁和()两种。
车站值班员试题库一、业务技能(一)填空题1.车站值班员应严格按___________规定时机开闭信号机。
2.车站值班员下达准备接发车进路命令时,必须_____________,正确及时,讲清车次和占用线路,并要受令人复诵,核对无误。
3.显示停车手信号夜间为。
4.集中联锁车站,区段人工解锁盘的作用是和总人工解锁按钮同时按压,能解除进路上的________,使设备恢复正常状态。
5. 路票应由______________或指定的助理值班员填写。
6在站内无空闲线路的特殊情况下,只准许接入为排除故障、___________、疏解车辆等所需要的救援列车、不挂车的单机、动车及重型轨道车。
7.电务人员检修闭塞设备(包括电源屏停电检修)和联锁试验,需使用故障按钮时应在_______________________内登记。
8.施工作业完毕列车返回车站后,施工负责人在车站________________________内销记,车站值班员确认区间空闲后,方准按规定办理区间开通手续。
9. 车站值班员在发车前,检查确认进路道岔位置正确、影响进路的调车作业已经停止后,方可开放出站信号机,___________________,在旅客上下、行包装卸和列检作业完了后,指示发车或发车。
10. 车站值班员在与邻站_____________时,应先确认区间空闲。
11. 旅客列车、挂有超限货物车辆的列车,应接入________________。
12. “调度命令中调度员姓名”、“车站值班员”栏使用汉字填写姓名,不准以数字代码、___________、英文字母等代替。
13. 车站值班员接到邻站列车预告后,严格按___________规定通知有关人员到岗接车。
14.无空闲线路接车时,接车前,车站值班员应派人确认接车线____________位置.15. 接发列车时车站值班员应亲自办理闭塞、布置进路(包括听取_____________妥当的报告)、开闭信号、交接凭证、接送列车、指示发车或发车。
铁路车站值班员考试题1、填空题使用人字型复轨器,不得安装在()和腐朽枕木上。
正确答案:钢轨接头处2、单选接发车人员发现货物列车发生燃轴时,应使用列车无线调度通信设备通知司机或显示((江南博哥))手信号。
A、停车B、减速Cx通过D、互检正确答案:A3、单速摘解25k型客车前,车站须通知O.对需摘解的客车风档及电气连接线等进行处理后,方可进行。
A、列车调度员B、站长C、车站值班员D、客技站值班员或车辆乘务员正确答案:D4、单选铁路局对信息系统一类设备,()检查一次。
A、每月B、每季度C、每半年D、每年正确答案:C5、问答题什么是道口A类违纪问题?正确答案:(1)不执行班前休息制度。
(2)当班离岗、串岗。
(3)当班带酒气上岗。
(4)当班饮酒。
(5)当班做与工作无关事项。
(6)当班进行赌博、打扑克、打麻将、卜象棋等娱乐活动。
(7)当班睡觉(三班半、四班制,其它班制未按规定休息)。
(8)不按规定正确着装和使用劳动保护用品。
(9)当班用无线电台谈与工作无关的事情。
(10)行车主要场所有闲杂人员逗留。
(11)未经领导批准私自串班。
(12)无故擅自关闭或随意挪动、拆卸报(预)警设备。
6、问答题什么叫界面、法线和入射点?正确答案:两种物质相互接触的面称为界面。
垂直于界面的直线称为法线。
超声波束集中射入界面上的点称为入射点。
7、填空题列车进站后,应停于接车线警冲标内方,列车头部不得越过()。
正确答案:出站信号机8、单选车站站内分相绝缘器一端接触网停电、一端有电时,按下列规定办理:车站需在接触网停电端O上揭挂“停电”安全帽。
A、调车按钮B、闭塞按钮C、列车出站按钮D、列车进站按钮正确答案:D9、填空出铁路通信设备按两地连结按方式的不同分为有线通信和O两种。
正确答案:无线通信10、单选站内的道岔及股道,应由工务部门会同电务部门、()共同统一顺序地编号。
A、建筑部门B、水电部门C、机务部门D、车站正确答案:D11、单选货车标有红色带的货车是指专门装运O专用车。
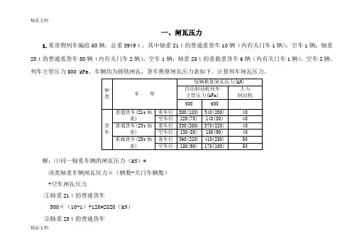
一、闸瓦压力1.某货物列车编组50辆,总重3949t,其中轴重21t的普通重货车10辆(内有关门车1辆),空车1辆;轴重23t的普通重货车30辆(内有关门车2辆),空车1辆;轴重25t的重载重货车6辆(内有关门车1辆),空车2辆。
列车主管压力500 kPa,车辆均为铸铁闸瓦,货车换算闸瓦压力表如下。
计算列车闸瓦压力。
解:⑴同一轴重车辆的闸瓦压力(kN)=该类轴重车辆闸瓦压力×(辆数-关门车辆数)+空车闸瓦压力①轴重21t的普通货车300×(10-1)+120=2820(kN)②轴重23t的普通货车精品文档330×(30-2)+130=9370(kN)③轴重25t的重载货车360×(6-1)+150×2=2100(kN)⑵列车闸瓦压力总值(kN)=各种类型的车辆闸瓦压力总和2820+9370+2100=14290(kN)⑶列车每百吨闸瓦压力(kN)=列车闸瓦压力总值÷列车总重×100=14290÷3949×100=361.8(kN)答:列车每百吨闸瓦压力361.8kN。
2.某货物列车共50辆,其中C60敞车(自重21t,标记载重60t)20辆,关门车2辆,货重60t;P62棚车(自重24t,标记载重60t)20辆,关门车2辆,货重60t;X6A平车(自重18.2t,标记载重50t)10辆,关门车1辆,货重20.8t。
列车主管压力600 kPa,车辆均为铸铁闸瓦,货车换算闸瓦压力表如下。
计算列车列车总重和闸瓦压力。
解:㈠计算列车总重:⑴C60敞车总重为:(自重+货重)×20辆=(21+60)×20=1620t⑵P62棚车总重为:(自重+货重)×20辆=(24+60)×20=1680t精品文档⑶X6A平车总重为:(自重+货重)×10辆=(18.2+20.8)×10=390t⑷列车总重为:1620t+1680t+390t=3690t㈡计算闸瓦压力:⑴《技规》第201条中规定:对装有空重车手动调整装置的车辆,当车辆总重(自重+载重)达到40 t时,按重车位调整。
铁路车站值班员考试:高级车站值班员考试1、单选军用人员列车发车前(),应通知军代表或部队清点人数。
A、5minB、10minC、8minD、15min正确答案:B2、单选铁路交通发生事故,造成()(江南博哥)以上100人以下重伤,为重大事故。
A、30人B、40人C、50人D、60人正确答案:C3、单选一切电话中断时,双线区段只准发出()列车。
A、开往区间岔线的B、区间返回的C、向区间送料的路用D、正方向的正确答案:D4、单选车挡表示器设置在线路终端的车挡上,昼间显示一个()。
A、红色圆牌B、红色方牌C、红色长方牌D、红色三角牌正确答案:B5、单选接发旅游列车时,除向列调报点外,标准用语是:()。
A、旅游×次B、旅游客车×次C、客车游×次D、游×次正确答案:C6、单选按《铁路货车统计规则》编号,货车出入登记簿是()。
A、运统1B、运统2C、运统3D、运统4正确答案:D7、单选其他障碍物系指侵入铁路界限及线路,并影响铁路行车的()物体。
A、动态B、静态C、动态及静态D、其他正确答案:C8、单选区段货物列车编组合成闸瓦的重车45辆,其中轴重21t的货车30辆,轴重23t的货车15辆,列车总重4000t,列车主管压力为500kPa,每百吨列车重量换算闸瓦压力为()。
A、220tB、210tC、222tD、212t正确答案:B9、单选货运列车脱轨1辆,构成铁路交通一般()事故。
A、A类B、B类C、C类D、D类正确答案:C10、单选接发列车时,在能进入接发列车进路的线路上无隔开设备或()时,禁止手推调车。
A、脱轨器B、安全线C、避难线D、空闲的牵出线正确答案:A11、单选车机联控时,在问路行车的情况下,车站值班员应主动呼叫司机的特殊情况是()。
A、列车接近车站B、列车全部出站C、旅客列车变更固定接车线D、列车进入大坡道前正确答案:C12、单选超长列车是指实际编成的列车长度超过了()规定的长度标准。
实用文档车站值班员技能鉴定高级工HUA system office room 【HUA16H-TTMS2A-HUAS8Q8-HUAH1688】铁路职业技能鉴定参考丛书车站值班员(第二版)第二部分高级工车站值班员高级练习题(一)、选择题1.尽端式车站的股道编号,当站舍位于线路终端时,(D)开始顺序编号。
(A)从靠站舍的线路(B)从正线(C)向终点方向由右侧(D)向终点方向由左侧2.双线区段内的车站股道,从(B)顺序编号。
(A)靠近站舍的线路起(B)正线起(C)左侧开始(D)右侧开始3.铁路线路分类中,特别用途的线路是指(C)。
(A)牵出线和调车线(B)换装线(C)安全线和避难线(D)岔线4.无站舍的车场股道编号,应顺公里标方向(B)编号。
(A)从右向左(B)从左向右(C)从南向北(D)从东向西5.某站到发线有效长830m,DF4型机车牵引,按11m换算,该到发线换算容车数为(C)。
(A)74辆(B)75辆(C)70辆(D)72辆6.某站有尽端式加冰线一条,有效长160m,以14.3m为单位计算,其容车数为(B)。
(A)11辆(B)10辆(C)12辆(D)9辆7.DF4型机车牵引区段的中间站到发线有效长850m,以14.3m为换算单位计算,其股道容车数为(D)。
(A)59辆(B)57辆(C)56辆(D)55辆8.SS3型机车牵引区段的中间站到发线有效长850m,以11m为换算单位计算,其换算容车数是(B)。
(A)66辆(B)72辆(C)68辆(D)77辆9.客货共线铁路列车运行速度大于120km/h,小于等于160km/h的区间双线,线间最小距离规定为(D)。
(A)4000mm(B)4400mm(C)5800mm(D)4200mm10.客货共线铁路,站内正线与相邻到发线(无列检作业)线间最小距离规定为(B)。
(A)5500mm(B)5000mm(C)5300mm(D)4800mm11.调车作业繁忙的车站,牵出线与其相邻线的线间最小距离规定为(C)。
车站值班员试题以及答案车站值班员试题以及答案一、多选题(共10题,共20分)1.()属于站线。
A.到发线B.调车线C.货物线D.段管线2.6502电气集中车站,()信号机当机车或车辆第一轮对越过后会自动关闭。
A.进站B.出站C.通过D.调车3.双线四显示自动闭塞区段,具备反方向按站间行车闭塞设备的车站,反方向发出货物列车的行车凭证可以为( D )。
A.路票B.调度命令C.绿色许可证D.出站信号机显示的黄、绿黄、绿色灯光4.单机挂车时,不准编挂装载()的车辆。
A.爆炸品B.长大货物C.超限货物D.鲜活货物5.电气化区段,接触网有电时,导线高度为6200mm的线路上,禁止对()进行手推调车。
A.棚车B.罐车C.平车D.敞车6.遇暴风雨雪时,禁止()。
A.列车退行B.手推调车C.跟踪出站调车D.开行轻型车辆7.遇()时,需发布调度命令。
A. 列车退行B.半自动闭塞区间使用故障按钮办理人工复原C.单线区间向不应答站发出列车D.不能在基本进路上接发动车组列车8.遇()时,不需要发布调度命令。
A.维修作业结束恢复行车B.非CTC区段自动闭塞区间发生进路信号机故障C.跟踪出站调车D.临时加开单机9.下列车机联控信息,属于重要信息的有()。
A.错呼车次B.列车无线调度通信设备故障C.通信记录装置故障D.列为装置故障10.86913 次自甲站出发后在一离去发生分离,列车后部3 辆溜逸至甲站2 号道岔处脱轨,构成()事故。
A.一般A 类B.一般B 类C.一般C类D.一般D类二、判断题(共10题,共20分)11.在封锁区间内调车作业发生事故,定调车事故。
12.线路坡道为18‰ , 长度为4km的坡道属于长达下坡道。
13.没有固定走行线或临时变更走行线时,应通知司机经路,司机按固定信号或扳道员显示进行的信号运行。
14.集中操纵的道岔可不保持定位。
15.根据日(班)计划规定的车次,按图定时分早点15分钟出发时,按列车出发正点统计。
车站值班员基本技能试题一、填空题(共35小题,每小题2分,共70分)1、回送轨道起重机,一律挂于列车____。
正确答案:中部或者后部2、根据车次判定列车种类,K36次为____旅客列车。
正确答案:跨局快速3、车站股道编号中,股道规定用罗马数字表示线路是____。
正确答案:正线4、运送成品粘油罐车,罐体外表面涂成____。
正确答案:黄色5、点现在车统计时,对卸车作业未完货车,应该按____统计。
正确答案:重车6、D型单线半自动闭塞,列车进入接车站接车轨道电路时,接车站表示灯显示____。
21964D型单线半自动闭塞,发车站发车表示灯亮绿色灯光时,表示接车站已经____。
220半自动闭塞区段,快速旅客列车从车站进入区间行车凭证是出站信号机显示____。
正确答案:红灯、同意闭塞、进行信号7、小车跟随列车后面推行时,应该与列车尾部保持大于____的距离。
正确答案:500m8、客货共线铁路运行速度大于120km/h,小于等于160km/h车站,正线与到发线间有上水作业,通常条件下其线间距是____。
正确答案:6000mm9、SS3型电力机车轴式表示是____。
正确答案:Co—Co10、股道编号是II线路属于____。
正确答案:正线11、客货共线铁路,区段站站修与相邻一条线线间最小距离规定是____。
正确答案:8000mm12、进站、出站、进路及通过信号机灯光熄灭、显示不明或者显示不正确时,均视是____。
正确答案:停车信号13、中间站牵出线有效长,通常不宜短于货物列车长度一半,困难条件下或者调车作业量不大时,也不应该短于____。
正确答案:200m14、驼峰解散车辆,变更调车计划____前,须通知司机。
正确答案:向禁溜线送车15、半自动闭塞区段出站色灯信号机,显示____,准许列车由车站出发,开往次要线路。
正确答案:两个绿色灯光16、正在检修中行车设备需要使用时,须经____同意。
正确答案:检修人员17、军用人员列车换算长度按____编组。
铁路车站值班员考试:高级车站值班员考试题库(强化练习)1、单选6502电气集中联锁设备,列车进路向占用线路上开通时,有关信号机()。
A、不可能开放B、可能开放C、不能开放引导信号D、不可能开放正确答案:D2(江南博哥)、单选列车发生火灾需要分隔甩车时,应根据风向及货物物理性质而定,一般先甩下列车()的未着火车辆,再甩下着火车辆,然后将机次未着火车辆拉至安全地段。
A、后部B、前部C、中部D、尾部正确答案:A3、单选旅客列车最高运行速度为100km/h,运行于坡度为14‰的下坡道时,每百吨重量高磷铸铁闸瓦的换算闸瓦压力应为()。
A、540kNB、580kNC、620kND、660kN正确答案:D4、单选接发列车五项工作业过程中,()必须由车站值班员亲自办理。
A、办理闭塞B、开闭信号C、布置进路D、迎送列车正确答案:C5、单选按《铁路技术管理规程》列车运行等级顺序,特快旅客列车属于()。
A、一等B、二等C、三等D、四等正确答案:A6、单选铁路交通发生事故,造成()以上50人以下重伤,为较大事故。
A、10人B、20人C、30人D、40人正确答案:A7、单选联系用的手信号中,道岔开通信号夜间显示为白色灯光()。
A、上下摇动B、下部左右摇动C、高举左右摇动D、高举头上正确答案:D8、单选车站值班员接收调度命令时,应填记在《铁路技术管理规程》()内。
A、附件7B、附件6C、附件5D、附件4正确答案:A9、单选单线半自动闭塞区间,出站信号机的开放受()控制。
A、联锁设备B、列车进路C、闭塞机D、信号按钮正确答案:C10、单选进站信号机外制动距离内,进站方向的坡度是指()坡度。
A、换算B、实际C、平均D、最大正确答案:A11、单选《铁路调车作业标准》规定,距停留车位置十车时调车速度不得超过()。
A、20km/hB、17km/hC、15km/hD、12km/h正确答案:B12、单选某班推算班计划指标时,计划装车数30车、卸车数50车,计算停时的作业次数为()。
铁路车站值班员考试测试题(题库版)1、单选列车尾部红色标志是防护列车的,对调车作业、补机及本务机连挂,()信号作用,准许挂车。
A、不起停车B、起停车C、不起连挂D、起连挂正确答案:A2、填(江南博哥)空题特快旅客列车不准挂()。
正确答案:货车3、单选在事故或灾害区间设立临时线路所的规定:车站(临时线路所)向临时线路所(车站)开行列车时,列车占用区间的行车凭证为()。
A、进(出)站信号机B、路票C、调度命令D、红色许可证正确答案:C4、单选按运行图规定列车长度小于规定换长()为欠轴列车。
A、0.1B、1.2C、1.3及其以上D、1.1正确答案:C5、单选车站对列车上坠落的货物如不能随列车装走时,应移至不妨碍行车的地点,派人看守并编制()。
A、事故记录B、普通记录C、货运记录D、货物坠落记录正确答案:B6、单选基本型号为SYZ的客车是()。
A、硬座车B、硬卧车C、双层硬座车D、双层硬座车正确答案:C7、单选散装粮食车的车种基本记号为“()”。
A、PB、LC、BD、F正确答案:B8、单选排列发车进路时,进路始端按钮表示灯熄灭表示()。
A、正在选路B、进路上的道岔正在转换C、进路上的道岔已锁闭D、进路已建立正确答案:D9、单选当出站(发车进路)信号机因故不能开放时,车站按规定准备发车进路,交付行车凭证,按规定()发车。
A、显示发车信号B、使用列车无线调度通信设备以通话方式C、开放信号D、口头通知司机正确答案:B10、单选事故现场设有临时线路所,车站值班员向封锁区间发出救援列车时,应商得()的同意。
A、线路所值班员B、列车调度员C、对方站D、救援人员正确答案:A11、单选动车组在ATP车载设备控车的模式下,运行于双线自动闭塞,CTCS2级区段时,进入闭塞分区的行车凭证为()显示的允许运行的信号。
A、出站信号机B、通过信号机C、ATP车载设备D、色灯信号机正确答案:C12、单选列车在隧道内发生火灾,应尽快将()后,再行处理。
车站值班员基本技能试题一、填空题(共35小题,每小题2分,共70分)1、自动闭塞区段出站信号机显示两个绿色灯光,表示____。
正确答案:准许列车由车站出发,开往半自动闭塞区段2、点统计时,车站现在车中,____应该按运用车统计。
正确答案:空车3、根据车次判定列车种类,K778次为____旅客列车。
正确答案:快速4、回送轨道起重机,一律挂于列车____。
正确答案:中部或者后部5、客货共线铁路运行速度大于120km/h,小于等于160km/h站内正线与相邻到发线间,有列检作业时,其线间距离,通常条件规定是____。
正确答案:6000mm6、横向划分调车区,两调车区之间应该设立不少于____的安全区。
正确答案:20m7、根据车次判定列车种类,客车单机车次为____。
正确答案:8、轻型轨道车过岔速度不得超过____,并不得与重型轨道车连挂运行。
正确答案:km/h9、部属车辆中,____属于通用货车。
正确答案:棚车10、车辆制动装置中,____制动机为以压缩空气是动力制动机。
正确答案:自动空气11、加封信号设备启封使用后,应该及时通知____部门加封。
正确答案:电务12、拧紧两端车辆人力制动机并以铁鞋____牢靠固定,为____的防溜措施。
正确答案:止轮器、防溜枕木等、中间站13、技术站编制班计划时,18:00____前各方向列车到发、到发线运用、机车交路情况由____提供。
正确答案::00、车站值班员14、四显示自动闭塞区段,特快旅客列车由车站通过时,运行前方最少应该有____闭塞分区空闲。
正确答案:二个15、单机附挂车辆调度命令,车站值班员员应该向____将会或者转达。
正确答案:司机16、两相邻车站均采用单线半自动闭塞法行车时,列车运行为以____作间隔。
正确答案:站间区间17、计算到发线容车数,按有效长度减去____长度及30m附加制动距离,除以车辆换算长度11m而求得。
正确答案:机车18、旅客列车在接近长大下坡道区间车站,为否进行列车自动制动机____试验,由铁路局规定。
铁路车站值班员考试:高级车站值班员考试题(三)1、单选铁路交通发生事故,造成人员死亡()以上,为特别重大事故。
A、30人B、40人C、50人D、60人正确答案:A2、单选货物列车由出发至运行区段的((江南博哥))站,按运行统计正晚点。
A、技术B、终点C、中间D、编组正确答案:B3、单选列车主管压力为600kPa,普通货车(21t轴重),铸铁闸瓦在重车位时,每辆换算闸瓦压力为()。
A、300kNB、330kNC、340kND、360kN正确答案:C4、单选6502型电气集中车站,信号机开放后,列车或调车车列已进入接近区段,如需办理进路解锁时,应按()解锁办理。
A、正常B、人工C、取消D、故障正确答案:B5、单选调车速度超过规定,与停留车相撞,造成重伤2人,属于铁路交通一般()事故。
A、A类B、B类C、C类D、D类正确答案:B6、单选6502型电气集中车站,轨道电路停电后,已锁闭的区段应办理()解锁后才能解锁。
A、正常B、故障C、取消D、人工正确答案:B7、单选《铁路调车作业标准》规定,距停留车位置三车时调车速度不得超过()。
A、15km/hB、12km/hC、10km/hD、7km/h正确答案:D8、单选双线自动闭塞区段列车因故退行,如列车调度员确知区间无列车,后方站无双向行车设备,车站值班员准许直接进站,列车凭()进入车站。
A、进站信号显示的绿色灯光B、引导信号机的显示状态C、引导手信号D、调车信号机显示的进行信号正确答案:C9、单选绘制列车运行实绩图时,直达特快旅客列车运行线表示为()。
A、红双线B、红单线C、红单线加红圈D、蓝双线正确答案:B10、单选车站接发列车人员夜间显示互检信号为()。
A、一长一短声B、一长二短声C、一短一长声D、一长声正确答案:B11、单选某次货物列车编组50辆重车(均为轴重21t、合成闸瓦),列车主管压力为500kPa,总重4050t,每百吨列车重量换算闸瓦压力为()。
车站值班员(答案)[五篇范例]第一篇:车站值班员(答案)车站值班员业务知识试卷一、填空题(请将正确答案填在横线空白处,每题2分,共10题)1.进站信号机应设在距最外方道岔尖轨尖端(顺向为警冲标)不少于__________m的地点。
502.调车作业中,车辆临时停在调车线警冲标外方时,__________应立即送入警冲标内方。
一批作业完了后3.岔线是指在__________接轨,通向路内外单位的专用线路。
区间或站内4.列车司机在列车运行中,应彻底瞭望,确认信号,认真执行__________,严格按信号显示要求行车,确保列车安全正点。
呼唤应答制度5.列车司机在列车运行中,等会列车时,不准__________并应将头灯灯光减弱或熄灭。
关闭空气压缩机6.在站内无空闲线路的特殊情况下,只准接入为__________疏解车辆等所需要的救援列车。
排除故障、事故救援7.运用中的车辆应按规定的周期检修。
扣修和入出厂、段的车辆应建立定时取送制度,并_______。
纳入车站日、班计划8.列车编组计划的编制,应在加强货流组织的基础上,最大限度的__________运输,合理分配各编组站、区段站的中转工作,减少列车改编次数。
组织成组、直达9.编组站、区段站货运检查人员,应检查列车中车辆装载、__________及篷布苫盖状态,以及空车的门窗关闭情况,发现异状或末关闭时,应及时处理。
加固、施封10.接触网带电部分至机车车辆或装载货物的距离,不少于__________mm。
350二、选择题(请将正确答案的代号填入括号内,每题2分,共10题)1.安全线向车挡方向不应采用下坡道,其有效长度一般不少于()m。
C(A)100(B)30(C)50(D)102.装载8~10m长的木材时,每垛木材应使用()对支柱。
C(A)2(B)3(C)4(D)53.三显示自动闭塞区段通过色灯信号机,显示一个黄色灯光要求列车()。
B(A)按规定速度运行(B)注意运行(C)减速运行(D)不准越过4.自动闭塞区段的通过信号机,以显示()为定位。
车站值班员一、单双线半自动闭塞集中联锁区段道岔失去定反位表示发车作业(一)故障现象:道岔定(反)位表示灯无表示,挤岔铃响(二)故障处理:⑴车站派人现场检查,确认道岔卡异物,处理后恢复道岔正常使用⑵通知电务、工务现场检查确认为道岔故障时①须得到工务确定的放行列车条件通知并在《行车设备检查登记簿》内销记,方可按非正常情况发车②故障处理完毕,电务、工务均销记后,方可恢复正常行车(三)闭塞方式:电话闭塞(三)确认区间空闲请求闭塞:根据《行车日志》、闭塞表示灯及各种行车表示牌确认(五)进路准备:⑴准备进路:手摇故障道岔至发车进路位置;非故障道岔室内排列调车进路(不能以排列调车进路方式操纵的道岔单操并单锁)⑵锁闭进路:室外仅对故障道岔加勾锁器,室内对进路上非故障道岔利用调车进路白色光带锁闭(单操的道岔单锁)⑶确认进路:室外现场确认故障道岔开通位置正确,室内通过调车进路白色光带(使用接通光带按钮)检查发车进路上非故障道岔开通位置正确(六)行车凭证:路票(七)要道还道:交递路票前,发车人员须与扳道员先对道(八)注意事项:⑴须向司机、运转车长交递停止基本闭塞改电话闭塞办理行车的调度命令⑵对进路上的故障分动外锁闭道岔(不论对向、顺向),均应对密贴尖轨、斥离尖轨和可动心轨使用专用勾锁器加锁二、计算、综合题1.A站位于线路允许速度<120km/h的某铁路干线,下行方向邻站为B站,上行方向邻站为C站,A站各股道平面布置图如下图所示:(1)请标注出正线、到发线线路编号及道岔编号。
(2)A站站内正线要求均需通过超限货物列车,线间最小距离为多少?(3)A站货物线为无尽头站台的货物线,有效长420米,货物线相邻的到发线有效长830米,试计算这两股道股道容车数(车辆换算长度按14.3m,牵引机车长度为22m,)(4)22:00-2:00,电务段在该站进行防雷配电盘改造, 停止该站信号、联锁、闭塞设备使用。
期间列车调度员均安排列车通过,按照施工特定行车法组织行车,请问:①该站在施工前该怎么准备进路?②怎样交付行车凭证和调度命令?③利用什么方式接车?④怎样显示接车信号?(5)6:27,下行区间45001次列车正向A站开来,站内靠近基本站台的股道上K870次办理旅客乘降待发,51002次停于站内另一到发线,此时突然降大暴雨。
2分钟后,车站接到工务报告已达到“封锁”警戒值,请求封锁上下行区间。
根据以上情况,回答以下问题:①当车站值班员接到工务达到“封锁”警戒值后,应立即通知区间运行列车机车乘务员,车机联控用语是什么?②还应及时通知哪些部门和人员?③车站值班员在什么情况下方可进行解除“封锁”?④解除“封锁”警戒值后,上行列车首先开行哪列?⑤还必须执行哪些汛期行车办法?参考答案:(1)货物线5下行牵出线 11 15 3 141 7 9 Ⅰ 12 8 23 5 13 Ⅱ 10 6 44上行A站(2)5300mm。
(3)到发线,其容车数应按有效长减去机车长度和30m安全距离计算。
指定到发线的容车数=(830-22-30)/ 14.3=54(辆)4道为无尽头站台的货物线,容车数按有效长减去10m距车挡安全距离计算。
4道容车数=(430-10)/14.3=29(辆)(4)答:①车站在施工开始前将正线进路开通,并将进路上所有(不论对向、顺向)道岔用勾锁器加锁。
每次接发列车前,必须再次对勾锁器是否紧固进行检查。
②使用列车无线调度通信设备(其通信记录装置须作用良好)将行车凭证号码(路票为电话记录号码、绿色许可证为编号)和调度命令号码通知司机,得到司机复诵正确后,方可显示通过手信号。
③使用特定引导手信号引导接车并正线通过,列车司机凭特定引导手信号的显示,以不超过60 km/h速度通过车站。
④由于施工为夜间,所以引导人员使用绿色灯光高举头上左右摇动。
((5)答:①45001次,B站至A站间进入封锁值警戒状态。
②报告列车调度员,通知站区各行车工种派员到车站信号楼(运转室)共同值班,商榷处理防洪有关事宜。
③接到雨量监测员通知解除“封锁”警戒时。
④解除封锁后,先开51002次,按不大于45km/h速度运行。
⑤按“危急”、“注意”逐级各执行不少于30分钟。
三、一切电话中断后,发出第一个列车的车站,应做好哪些工作?答:第一个列车的发车站,在发车前应查明区间已空闲,并在行车凭证《技规》附件三的通知书上记明下一个列车的发车权。
如已办妥闭塞而尚未发车的车站发车时,持有行车凭证的列车,还应发给《技规》附件三的通知书;如无行车凭证,列车应持红色许可证开往邻站。
以后开行的列车,均凭附件三通知书上记明的发车权办理。
四、某站区间封锁施工,车站值班员以越站调车方式办理轨道车到区间卸车是否违章?为什么?应如何办理?答:车站值班员以越站调车方式办理轨道车到区间卸车是违章行为。
违反了《行规》第71条,“机车(包括除轻型车外的各种动车)挂车到区间装卸作业时,或向区间岔线取送车,不得按越站调车办理”。
的规定。
应报告列车调度员封锁区间,以调度命令进入封锁区间卸车,该命令中应包括列车车次、运行速度、停车地点、到达车站的时刻等有关事项。
五、车站信号设备大中修施工,未交付车站使用前使用道岔的加锁规定?答:车站信号设备大中修施工,在电务调试期间未交付车站使用前,车站办理接发列车作业时,须对列车进路上所有道岔(不论对向、顺向)使用勾锁器加锁后方准作业,并严格执行非正常情况接发列车作业标准;电务联锁试验时,必须封锁进行,不得办理接发列车和调车作业。
六、根据机电〔2008〕166号的规定,遇机车监控装置距离误差,列车在站内停车尾部过标困难时,准许机车乘务员采取重复使用“特殊前行”模式的方法,操纵列车停车靠标。
当得到机车乘务员向车站汇报,请求开放调车信号时,车站值班员如何办理,在排列调车信号和取消调车信号有何规定?答:(一)车站值班员在得到机车乘务员机车信号误上单红灯,停车靠标困难,需开放调车信号的请求时,应取得列车调度员的同意后,方可开放调车信号。
(二)排列调车信号和取消调车信号的规定1.车站值班员(信号员)开放调车信号时,不得排列“短进路”。
2.车站值班员(信号员)取消调车信号前,应确认列车已停车,并使用列车无线调度通信设备通知司机“XX(次)X道尾部过标”。
七、在人工引导接入交会列车时,接发车顺序一经确定,并已通知引导人员引导接车的不得再进行变更。
如遇特殊原因,确需变更接车顺序时,应怎样办理?答:如遇不同时接车而特殊原因又导致变更接车顺序时,必须同时呼出两端引导人员布置变更计划,听取复诵,确认二人均已明白后,方可命令一端引导人员引导接车,并须在先接列车进入接车线警冲标内方停妥后方可命令另一端引导人员引导接车。
八、无列尾装置的小运转列车,确保行车安全的规定有哪些?(不包括全区段推挽运行的列车)答:1.编组无列尾装置的列车,调车组应保证全列车钩连结良好。
无列检作业时,软管连结和折角塞门的开启由调车组人员负责。
2.车站发车人员须在最后一辆车后端提钩杆上捆绑一面展开的红色信号旗,作为列车尾部标志。
3.列车发车前,车站发车人员必须在列车尾部进行自动制动机简略试验,确认全列通风,方可发车。
司机按规定认真进行自动制动机简略试验。
车站发车人员发车前,还应向车站值班员报告最后一辆车车号,发车站车站值班员于列车出发前向接车站通报最后一辆车车号。
4.车站接车时,接车人员必须确认列车整列进入接车线警冲标内方停妥或整列通过并向车站值班员报告,方可开通区间(自动闭塞、自动站间闭塞区段设备正常时除外)。
5.对无列尾装置的列车,原则上不应在区间,特别是区间坡道上停车。
九、车站值班员发现或得知行车设备故障时,怎样处理?答:车站值班员发现或得知行车设备故障时,应立即在《行车设备检查登记簿》内登记,除告知列车调度员和设备管理单位值班人员外,对故障影响信号、联锁、闭塞设备使用的,应停止使用故障影响范围内的有关信号、联锁、闭塞设备,按非正常情况作业;当设备故障危及行车安全时,必须立即停止使用该设备或封锁有关线路。
设备故障涉及多个部门时(停电、断轨、道岔故障、轨道电路故障等情况)车站值班员应同时通知涉及的所有部门。
十、在轨道电路分路不良区段进行调车作业有哪些规定?答:调车作业时,车站值班员(信号员)须得到调车人员现场确认列车、车列全部进入线路警冲标内方或出清轨道电路分路不良区段的报告后,方可排列调车进路。
单机、动车组、轨道车等自轮运转设备由司机确认是否进入线路警冲标内方或出清轨道电路分路不良区段,运行时必须越过进路上开放的最后一架调车信号机停车后,司机方可汇报。
车站值班员(信号员)得到司机的报告后,方可排列调车进路。
在轨道电路路不良区段调车作业时,车站值班员、调车人员、司机应严格执行铁路局调车联控的有关规定。
十一、单线半自动闭塞区段,进站信号机内方第一轨道电路区段出现红光带,如何办理接车?答:⑴车站派人现场检查⑵通知电务、工务人员处理①电务处理故障未完,须得到工务确定的放行列车条件通知并在《行车设备检查登记簿》内销记后,方可按非正常情况接车②虽未得到工务确定的放行列车条件通知,但红光带消失,电务处理故障完毕并在《行车设备检查登记簿》内销记,车站应立即恢复正常行车进路准备:⑴准备进路:排列调车进路,确认正确后取消调车进路(不能以排列调车进路方式操纵的道岔单操并单锁)⑵确认进路:使用接通光带按钮检查接车进路上道岔开通位置正确⑶锁闭进路:以引导信号开放后的进路白色光带锁闭接车方式:按压引导按钮,开放引导信号⑴继电联锁6502 控制台,须一直按压引导按钮,待确认列车头部越过进站信号机后方可松手⑵计算机联锁每隔秒须再次点压引导按钮,否则引导信号将关闭开通区间:现场确认列车整列到达或通过后,方可开通区间注意事项:不能正常复原时,相邻两站共同确认区间空闲并取得调度命令后办理区间故障复原。