人防地下室计算书
- 格式:doc
- 大小:172.00 KB
- 文档页数:29
地下室侧壁计算书RWQ1.RWQ2条件:1、土质参数:容重γ=18kN/mmγ` = 11kN/mm Ko=0.50,地下水头高度H1=1000mm;(在负一层)2、地下室参数:覆土层厚Lo=300mm,地下一层层高L1=4500mm,地下二层层高L2=500mm,地下三层层高L3=500mm;地面堆载p=10kN/mm d1=350mm;地下二层d2=500mm;地下三层d3=500mm;临水面保护层为50mm;3、材料参数:混凝土强度等级为C35,fc=16.7 N/mm fy=300N/mm计算:1、荷载计算,土压力按静止土压力计算[《全国民用建筑工程设计技术措施》2.6.2]堆载折算为土压力q1=Ko×p=0.50×10=5.00kN/mm地下水位以上土压力q2=Ko×γ×H1=0.50×18×1000×10=9.00kN/mm地下水位以下土压力q3=Ko×γ`×H2=0.50×11×4800×10=26.40kN/mm水压力q4=γw×H2=10×4800×10=48.00kN/mmqD=q1+Ko×γ×Lo=7.70kN/mmqC=q1+q2+(Ko×γ` +10)×(L1+Lo-H1)=72.90kN/mmqB=q1+q2+(Ko×γ` +10)×(L2+L1+Lo-H1)=80.65kN/mmqA=q1+q2+q3+q4=88.40kN/mm2、弯距计算,按多跨梁弯距分配法支座弯距调幅0.8计算,顶点按铰支座,其余按固支座,按静力计算手册计算Mdc=0;Mcd=1.2×(7×qD+8×qC)×L1/120=129.01 kN.mMcb=1.2×qC×L2/12+1.2×(qB-qC)×L2/30=1.90 kN.mMbc=1.2×qC×L2/12+1.2×(qB-qC)×L2/20=1.94 kN.mMba=1.2×qB×L3/12+1.2×(qA-qB)×L3/30=2.09 kN.mMab=1.2×qB×L3/12+1.2×(qA-qB)×L3/20=2.13 kN.m弯距分配:D点:C点:B点:A点:截面:1000×350 1000×500 1000×500线刚度i=I/L:0.79×1020.83×1020.83×10分配系数μ:0.03;0.97;0.50;0.50 0固端弯距:-129.01;+1.90;-1.94;+2.09;-2.13开始分配:--3.53;--123.58 -0.08;-0.08 00;-0.04;--61.79;0 -0.04+0.02;+0.04;+-30.90;+-30.900;+-15.45;+0.02;0 +-15.45--0.43;--15.02;-0.01;-0.01 00;-0.00;--7.51;0 -0.00支座弯距:∑=-125.03;∑=125.05 ∑=36.40;∑=-28.89 ∑=-17.62简化为Mc=125kN.m Mb=-29kN.m Ma=18kN.m支座调幅0.8后Mc=100kN.m Mb=-23kN.m Ma=14kN.m根据规范公式7.1.4:ξb=0.8÷{1+300÷[20000×(0.0033-<10-50>×10 )]}=0.5692根据规范公式7.2.1-1:受压区高度x=ho-(ho-2*M/α1/fc/b)xc=300-( 300- 2×100×10/1.0/16.7/1000)=18.13mm<ξb×ho=170.77mmxb=450-( 450- 2×-23×10/1.0/16.7/1000)=0.19mm<ξb×ho=256.15mmxa=450-( 450- 2×14×10/1.0/16.7/1000)=0.20mm<ξb×ho=256.15mm根据规范公式7.2.1-2:纵向受拉钢筋As=α1×fc×b×x/fyAsc=1×16.7×1000×18.13/300=1,009mmAsb=1×16.7×1000×0.19/300=10mmAsa=1×16.7×1000×0.20/300=11mm3、裂缝计算:弯距标准值:Mc=125/1.2=104kN.m Mb=-29/1.2=-24kN.m Ma=18/1.2=15kN.m实配钢筋为:负一层16@100钢筋面积As1=2,011mm负二层16@120钢筋面积As2=1,676mm负三层16@100钢筋面积As3=2,011mm带肋钢筋的相对粘结特性系数υ=1.0矩形截面受弯构件,构件受力特征系数αcr =2.1对矩形截面的受弯构件:Ate=0.5×b×h负一层:Ate1=0.5×1000×350=175000mm负二层:Ate2=0.5×1000×500=250000mm负三层:Ate3=0.5×1000×500=250000mm负一层:ρte1=As1/Ate1=2010.6176/175000=0.0115负二层:ρte2=As2/Ate2=1675.51466666667/250000=0.0067负三层:ρte3=As3/Ate3=2010.6176/250000=0.0080纵向受拉钢筋的等效应力σsk=Mk/(0.87×ho×As)负一层:σsk1=104×10/(0.87×300×2,011)=199N/mm负二层:σsk2=-24×10/(0.87×450×1,676)=-37N/mm负三层:σsk3=15×10/(0.87×450×2,011)=19N/mm 钢筋应变不均匀系数ψ=1.1-0.65×ftk/ρte/σsk负一层:ψ1=1.1-0.65×2.2/0.01/199/=0.4732负二层:ψ2=1.1-0.65×2.2/0.01/-37/=4.9965负三层:ψ3=1.1-0.65×2.2/0.01/19/=-6.5645最大裂缝宽度ωmax=αcr×ψ×σsk×(1.9×c+0.08×deq/ρte)/Es负一层:ωmax1=2.1×0.4732×199×(1.9×50+0.08×16/0.01)/200000=0.20mm4、人防计算:本工程负1层为6级人防地下室。
1. 本工程地下二层为甲类防空地下室,人防等级为核6级. 一、人防临空墙计算1、室内出入口等效静荷载为q Q =200k N /㎡ 人防临空墙厚度为300㎜材料强度综合调整系数γl =1.35 混凝土采用C35受力钢筋采用HRB400临空墙短跨方向(主要受力方向)为3.00m 考虑上、下端人防顶板和基础的约束作用 取M =101ql 2 现取宽度1.0m 板带进行计算,保护层厚度为20㎜ M =10200×3.02=180 k N •m 按建筑结构常用数据:A S = 1.35h 3601018006⨯⨯⨯= 1.35270360102.5206⨯⨯⨯=1371.74㎜ 2取C18@150,A S =1696㎜2 人防临空墙配筋:水平分布筋为D14@150 垂直分布筋为D18@150 均满足承载力计算要求。
二、门框墙计算本工程门框墙处均设有暗柱,无端柱门框墙按最大悬挑长度:l 0=700㎜ 防护密闭门门框墙:270k N /㎡,取宽度1.0m 板带进行计算 M =Pl l q 21212+⨯⨯=7.05.02.12702170.0270212⨯÷⨯⨯+⨯⨯=122.85 k N •m A S = 1.35h 3600⨯⨯M = 1.352703601085.1226⨯⨯⨯=936.21㎜2门框墙暗柱箍筋水平筋取:D14@150,满足承载力计算要求。
三、人防外墙计算地下室外墙按单向板计算 取1m 宽进行计算 1、基本资料: 截面宽度b = 1000 (mm) 截面高度h = 250 (mm) 混凝土强度等级 C45 钢筋 III 级 fy= 360 N/mm2计算长度L0= 3.000 m 计算模型为一端固接,一端铰接顶板标高-3 m室外地坪标高-0.45 m地下水位标高-1.85 m底板标高-6 m顶板至室外地坪h1 2.55 m顶板至地下水距离h2 -1.15 m水位至底板h3 4.15 m填土容重γ18 KN/m3浮容重γ’8 KN/m3地面堆载q地面10 KN/m3土内摩擦角φ19.3 °主动土压力系数K0 0.502、荷载计算:a). 土对外墙的侧压力: qt=K0(γ(h1+h2)+γ’h3)=29.3855967 kN/mb). 地下水压力: qs=γ水x h3=41.5 kN/mc). 核爆炸等效静荷载: qe= 60 kN/md). 堆载侧压力qd=K0*q地面=5.0 kN/m3、弯矩及配筋计算:取最大受力点进行计算,故取固端支座B点计算a). 平时状态下计算M=1.2*qtl2/15+1.2*qsl2/15+1.2*qsl2/8=57.83 kN.m钢筋计算fc= 21.1 N/mm2钢筋保护层厚度as 40 mm有效高度ho=h-as-10 =200mmαs=M/(fc*h02)*1000=0.069γ=1/2+1/2*SQRT(1-2*αs)=0.964AS=M/(γ*fy*h0)= 833mm2实际配筋为:Ф16@150 As= 2680 mm2b). 核爆炸作用下计算fy= 486 N/mm2M=1.2*qtl2/15+1.2*qsl2/15+1.2*qsl2/8+1.0*qel2/8= 125.330533 kN.m钢筋计算fc= 21.1 N/mm2调整后fc= 14.3x1.5=31.65N/mm2αs=M/(fc*h02)*1000=0.099γ=1/2+1/2*SQRT(1-2*αs)=0.948AS=M/(γ*fy*h0)=1360 mm2实际配筋为:Ф16@150 As= 2680 mm2跨中最大弯矩近似计算平时状态下计算a). M=1.2*(qt+qs)*l2*0.0298+1.2*qd*9/128= 26.63 kN.m钢筋计算fc= 29.6 N/mm2αs=M/(fc*h02)*1000=0.022γ=1/2+1/2*SQRT(1-2*αs)=0.989AS=M/(γ*fy*h0)=374 mm2实际配筋为:Ф16@150 As= 2680 mm2核爆炸作用下计算fy= 486 N/mm2b). M=1.2*(qt+qs)l2*0.0298+1.0*qel2*9/128+1.2*qd*9/128M= 64.60357857 kN.m钢筋计算fc= 29.6 N/mm2调整后fc= 14.3x1.5= 44.4N/mm2αs=M/(fc*h02)*1000=0.036γ=1/2+1/2*SQRT(1-2*αs)=0.981AS=M/(γ*fy*h0)==677mm2实际配筋为:Ф16@150 As= 2680 mm2三、人防顶板计算LB-1矩形板计算项目名称_____________日期_____________设计者_____________校对者_____________一、构件编号: LB-1二、示意图三、依据规范《建筑结构荷载规范》 GB50009-2001《混凝土结构设计规范》 GB50010-2010四、计算信息1.几何参数计算跨度: Lx = 4500 mm; Ly = 3800 mm板厚: h = 250 mm2.材料信息混凝土等级: C40 fc=19.1N/mm2 ft=1.71N/mm2 ftk=2.39N/mm2 Ec=3.25×104N/mm2钢筋种类: HRB400 fy = 360 N/mm2 Es = 2.0×105 N/mm2最小配筋率: ρ= 0.214%纵向受拉钢筋合力点至近边距离: as = 20mm保护层厚度: c = 10mm3.荷载信息(均布荷载)永久荷载分项系数: γG = 1.200可变荷载分项系数: γQ = 1.000准永久值系数: ψq = 1.350永久荷载标准值: qgk = 12.000kN/m2可变荷载标准值: qqk = 60.000kN/m24.计算方法:弹性板5.边界条件(上端/下端/左端/右端):固定/固定/固定/固定6.设计参数结构重要性系数: γo = 1.00泊松比:μ = 0.200五、计算参数:1.计算板的跨度: Lo = 3800 mm2.计算板的有效高度: ho = h-as=250-20=230 mm六、配筋计算(lx/ly=4500/3800=1.184<2.000 所以按双向板计算):1.X向底板钢筋1) 确定X向板底弯矩Mx = 表中系数(γG*qgk+γQ*qqk)*Lo2= (0.0155+0.0249*0.200)*(1.200*12.000+1.000*60.000)*3.82 = 21.962 kN*m2) 确定计算系数αs = γo*Mx/(α1*fc*b*ho*ho)= 1.00*21.962×106/(1.00*19.1*1000*230*230)= 0.0223) 计算相对受压区高度ξ = 1-sqrt(1-2*αs) = 1-sqrt(1-2*0.022) = 0.0224) 计算受拉钢筋面积As = α1*fc*b*ho*ξ/fy = 1.000*19.1*1000*230*0.022/360= 268mm25) 验算最小配筋率ρ = As/(b*h) = 268/(1000*250) = 0.107%ρ<ρmin = 0.214% 不满足最小配筋要求所以取面积为As = ρmin*b*h = 0.214%*1000*250 = 535 mm2采取方案12@180, 实配面积628 mm22.Y向底板钢筋1) 确定Y向板底弯矩My = 表中系数(γG*qgk+γQ*qqk)*Lo2= (0.0249+0.0155*0.200)*(1.200*12.000+1.000*60.000)*3.82 = 30.050 kN*m2) 确定计算系数αs = γo*My/(α1*fc*b*ho*ho)= 1.00*30.050×106/(1.00*19.1*1000*230*230)= 0.0303) 计算相对受压区高度ξ = 1-sqrt(1-2*αs) = 1-sqrt(1-2*0.030) = 0.0304) 计算受拉钢筋面积As = α1*fc*b*ho*ξ/fy = 1.000*19.1*1000*230*0.030/360 = 368mm25) 验算最小配筋率ρ = As/(b*h) = 368/(1000*250) = 0.147%ρ<ρmin = 0.214% 不满足最小配筋要求所以取面积为As = ρmin*b*h = 0.214%*1000*250 = 535 mm2采取方案12@180, 实配面积628 mm23.X向支座左边钢筋1) 确定左边支座弯矩M o x = 表中系数(γG*qgk+γQ*qqk)*Lo2= 0.0552*(1.200*12.000+1.000*60.000)*3.82= 59.291 kN*m2) 确定计算系数αs = γo*M o x/(α1*fc*b*ho*ho)= 1.00*59.291×106/(1.00*19.1*1000*230*230)= 0.0593) 计算相对受压区高度ξ = 1-sqrt(1-2*αs) = 1-sqrt(1-2*0.059) = 0.0614) 计算受拉钢筋面积As = α1*fc*b*ho*ξ/fy = 1.000*19.1*1000*230*0.061/360 = 738mm25) 验算最小配筋率ρ = As/(b*h) = 738/(1000*250) = 0.295%ρ≥ρmin = 0.214% 满足最小配筋要求采取方案12@180, 实配面积628 mm24.X向支座右边钢筋1) 确定右边支座弯矩M o x = 表中系数(γG*qgk+γQ*qqk)*Lo2= 0.0552*(1.200*12.000+1.000*60.000)*3.82= 59.291 kN*m2) 确定计算系数αs = γo*M o x/(α1*fc*b*ho*ho)= 1.00*59.291×106/(1.00*19.1*1000*230*230)= 0.0593) 计算相对受压区高度ξ = 1-sqrt(1-2*αs) = 1-sqrt(1-2*0.059) = 0.0614) 计算受拉钢筋面积As = α1*fc*b*ho*ξ/fy = 1.000*19.1*1000*230*0.061/360 = 738mm25) 验算最小配筋率ρ = As/(b*h) = 738/(1000*250) = 0.295%ρ≥ρmin = 0.214% 满足最小配筋要求采取方案12@180, 实配面积628 mm25.Y向上边支座钢筋1) 确定上边支座弯矩M o y = 表中系数(γG*qgk+γQ*qqk)*Lo2= 0.0630*(1.200*12.000+1.000*60.000)*3.82= 67.707 kN*m2) 确定计算系数αs = γo*M o y/(α1*fc*b*ho*ho)= 1.00*67.707×106/(1.00*19.1*1000*230*230)= 0.0673) 计算相对受压区高度ξ = 1-sqrt(1-2*αs) = 1-sqrt(1-2*0.067) = 0.0694) 计算受拉钢筋面积As = α1*fc*b*ho*ξ/fy = 1.000*19.1*1000*230*0.069/360 = 847mm25) 验算最小配筋率ρ = As/(b*h) = 847/(1000*250) = 0.339%ρ≥ρmin = 0.214% 满足最小配筋要求采取方案12@180, 实配面积628 mm26.Y向下边支座钢筋1) 确定下边支座弯矩M o y = 表中系数(γG*qgk+γQ*qqk)*Lo2= 0.0630*(1.200*12.000+1.000*60.000)*3.82= 67.707 kN*m2) 确定计算系数αs = γo*M o y/(α1*fc*b*ho*ho)= 1.00*67.707×106/(1.00*19.1*1000*230*230)= 0.0673) 计算相对受压区高度ξ = 1-sqrt(1-2*αs) = 1-sqrt(1-2*0.067) = 0.0694) 计算受拉钢筋面积As = α1*fc*b*ho*ξ/fy = 1.000*19.1*1000*230*0.069/360 = 847mm25) 验算最小配筋率ρ = As/(b*h) = 847/(1000*250) = 0.339%ρ≥ρmin = 0.214% 满足最小配筋要求采取方案12@180, 实配面积628 mm2三、人防底板计算LB-1矩形板计算项目名称_____________日期_____________设计者_____________校对者_____________一、构件编号: LB-1二、示意图三、依据规范《建筑结构荷载规范》 GB50009-2001《混凝土结构设计规范》 GB50010-2010四、计算信息1.几何参数计算跨度: Lx = 4500 mm; Ly = 3800 mm板厚: h = 250 mm2.材料信息混凝土等级: C40 fc=19.1N/mm2 ft=1.71N/mm2 ftk=2.39N/mm2 Ec=3.25×104N/mm2钢筋种类: HRB400 fy = 360 N/mm2 Es = 2.0×105 N/mm2最小配筋率: ρ= 0.214%纵向受拉钢筋合力点至近边距离: as = 20mm保护层厚度: c = 10mm3.荷载信息(均布荷载)永久荷载分项系数: γG = 1.200可变荷载分项系数: γQ = 1.000准永久值系数: ψq = 1.350永久荷载标准值: qgk = 12.000kN/m2可变荷载标准值: qqk = 45.000kN/m24.计算方法:弹性板5.边界条件(上端/下端/左端/右端):固定/固定/固定/固定6.设计参数结构重要性系数: γo = 1.00泊松比:μ = 0.200五、计算参数:1.计算板的跨度: Lo = 3800 mm2.计算板的有效高度: ho = h-as=250-20=230 mm六、配筋计算(lx/ly=4500/3800=1.184<2.000 所以按双向板计算):1.X向底板钢筋1) 确定X向板底弯矩Mx = 表中系数(γG*qgk+γQ*qqk)*Lo2= (0.0155+0.0249*0.200)*(1.200*12.000+1.000*45.000)*3.82 = 17.534 kN*m2) 确定计算系数αs = γo*Mx/(α1*fc*b*ho*ho)= 1.00*17.534×106/(1.00*19.1*1000*230*230)= 0.0173) 计算相对受压区高度ξ = 1-sqrt(1-2*αs) = 1-sqrt(1-2*0.017) = 0.0184) 计算受拉钢筋面积As = α1*fc*b*ho*ξ/fy = 1.000*19.1*1000*230*0.018/360= 214mm25) 验算最小配筋率ρ = As/(b*h) = 214/(1000*250) = 0.085%ρ<ρmin = 0.214% 不满足最小配筋要求所以取面积为As = ρmin*b*h = 0.214%*1000*250 = 535 mm2采取方案10@140, 实配面积560 mm22.Y向底板钢筋1) 确定Y向板底弯矩My = 表中系数(γG*qgk+γQ*qqk)*Lo2= (0.0249+0.0155*0.200)*(1.200*12.000+1.000*45.000)*3.82 = 23.992 kN*m2) 确定计算系数αs = γo*My/(α1*fc*b*ho*ho)= 1.00*23.992×106/(1.00*19.1*1000*230*230)= 0.0243) 计算相对受压区高度ξ = 1-sqrt(1-2*αs) = 1-sqrt(1-2*0.024) = 0.0244) 计算受拉钢筋面积As = α1*fc*b*ho*ξ/fy = 1.000*19.1*1000*230*0.024/360= 293mm25) 验算最小配筋率ρ = As/(b*h) = 293/(1000*250) = 0.117%ρ<ρmin = 0.214% 不满足最小配筋要求所以取面积为As = ρmin*b*h = 0.214%*1000*250 = 535 mm2采取方案10@140, 实配面积560 mm23.X向支座左边钢筋1) 确定左边支座弯矩M o x = 表中系数(γG*qgk+γQ*qqk)*Lo2= 0.0552*(1.200*12.000+1.000*45.000)*3.82= 47.337 kN*m2) 确定计算系数αs = γo*M o x/(α1*fc*b*ho*ho)= 1.00*47.337×106/(1.00*19.1*1000*230*230)= 0.0473) 计算相对受压区高度ξ = 1-sqrt(1-2*αs) = 1-sqrt(1-2*0.047) = 0.0484) 计算受拉钢筋面积As = α1*fc*b*ho*ξ/fy = 1.000*19.1*1000*230*0.048/360 = 586mm25) 验算最小配筋率ρ = As/(b*h) = 586/(1000*250) = 0.234%ρ≥ρmin = 0.214% 满足最小配筋要求采取方案10@130, 实配面积603 mm24.X向支座右边钢筋1) 确定右边支座弯矩M o x = 表中系数(γG*qgk+γQ*qqk)*Lo2= 0.0552*(1.200*12.000+1.000*45.000)*3.82= 47.337 kN*m2) 确定计算系数αs = γo*M o x/(α1*fc*b*ho*ho)= 1.00*47.337×106/(1.00*19.1*1000*230*230)= 0.0473) 计算相对受压区高度ξ = 1-sqrt(1-2*αs) = 1-sqrt(1-2*0.047) = 0.0484) 计算受拉钢筋面积As = α1*fc*b*ho*ξ/fy = 1.000*19.1*1000*230*0.048/360 = 586mm25) 验算最小配筋率ρ = As/(b*h) = 586/(1000*250) = 0.234%ρ≥ρmin = 0.214% 满足最小配筋要求采取方案10@130, 实配面积603 mm25.Y向上边支座钢筋1) 确定上边支座弯矩M o y = 表中系数(γG*qgk+γQ*qqk)*Lo2= 0.0630*(1.200*12.000+1.000*45.000)*3.82= 54.056 kN*m2) 确定计算系数αs = γo*M o y/(α1*fc*b*ho*ho)= 1.00*54.056×106/(1.00*19.1*1000*230*230)= 0.0543) 计算相对受压区高度ξ = 1-sqrt(1-2*αs) = 1-sqrt(1-2*0.054) = 0.0554) 计算受拉钢筋面积As = α1*fc*b*ho*ξ/fy = 1.000*19.1*1000*230*0.055/360 = 671mm25) 验算最小配筋率ρ = As/(b*h) = 671/(1000*250) = 0.269%ρ≥ρmin = 0.214% 满足最小配筋要求采取方案12@160, 实配面积706 mm26.Y向下边支座钢筋1) 确定下边支座弯矩M o y = 表中系数(γG*qgk+γQ*qqk)*Lo2= 0.0630*(1.200*12.000+1.000*45.000)*3.82= 54.056 kN*m2) 确定计算系数αs = γo*M o y/(α1*fc*b*ho*ho)= 1.00*54.056×106/(1.00*19.1*1000*230*230) = 0.0543) 计算相对受压区高度ξ = 1-sqrt(1-2*αs) = 1-sqrt(1-2*0.054) = 0.0554) 计算受拉钢筋面积As = α1*fc*b*ho*ξ/fy = 1.000*19.1*1000*230*0.055/360 = 671mm25) 验算最小配筋率ρ = As/(b*h) = 671/(1000*250) = 0.269%ρ≥ρmi n = 0.214% 满足最小配筋要求采取方案12@160, 实配面积706 mm2。
200厚填充墙线荷〔9×0.2+0.4×2〕×2.5=6.5KN/m 2普通板面荷18×0.01+20×0.02+24×0.04+0.4=1.96取2 KN/m 2卫生间厨房18×0.01+20×0.02+24×0.05+0.4=2.18取2.2 KN/m 2屋面(机房,出屋面楼梯间所在楼面层)为上人屋面。
≥24层,外墙到第二道腰线处以上弯200 门窗洞口宽度为建筑洞宽+40北外墙地下室人防核6常6,顶板q =70 KN/m 2外墙q =40 KN/m 2底板q =55 KN/m 2Q 活=10 KN/m 2Q 活侧=10/19×19×0.4=4 KN/m 2Q 覆土=19×0.875×0.4=6.65 KN/m 2 Q 土水上=19×0.125×0.4=0.95KN/m 2 Q 土水下=11×3.78×0.4=16.632 KN/m 2 Q 水=10×3.78=37.8KN/m 2人防M B K=KNm 245.768905.340822-=⨯=-ql 活M B K=KNm 624.78905.34822-=⨯=-ql 覆土M B K=KNm 676.128905.365.6822-=⨯=-ql 人防M max K=KNm 888.428905.3409128922-=⨯⨯=-ql X =4m 46.18905.3383=⨯=l 活M maxK =KNm 289.4128905.3492=⨯⨯覆土M maz K=KNm 13.7128905.3492=⨯⨯水上土活M B K=KNm 0025.05316125.095.053162222=⎪⎪⎭⎫⎝⎛-⨯-=⎪⎪⎭⎫ ⎝⎛--ααqa 905.3125.0=α R A =()KN ql qb 275.1905.378.34905.3878.395.042323=⎪⎭⎫⎝⎛-⨯⨯=-β m q R a X A 467.1=+= M maz =KNm q R a R A A 015.12=⎪⎪⎭⎫⎝⎛+ 水下土+水 M BK=⎪⎪⎭⎫⎝⎛+-⨯-=⎪⎪⎭⎫ ⎝⎛+--53342478.3432.545334242222ββββqb 96799.0905.378.3==β m qbR b a X A768.12=+=R A =KN l qb 433.1951823=⎪⎭⎫⎝⎛-β M max =KNm qb R b a R A A 713.23232=⎪⎪⎭⎫⎝⎛+ M B =1.35×(12.676+0.0025+1.807+53.737)+0.7×1.4×7.624+76.245=175.8KNmM max =1.35×(7.13+0.0047+1.015+23.713)+0.7×1.4×4.289+42.888=90.1KNm M B K=12.676+0.0025+1.807+53.737+7.624/2=72KNm M max K=7.13+0.0047+1.015+23.713+4.289/2=34KNm M B =175.8KNmC25砼 Ⅲ级钢 f c =16.7 f tk =2.201327.02305.110007.160.1108.17526=⨯⨯⨯⨯⨯=s α 9285.02211=-+=ss αγ2619062303602.19285.0108.175mm A s =⨯⨯⨯⨯=16@100(2015) M max =90.10575.02505.110007.160.1101.9026=⨯⨯⨯⨯⨯=s α9703.02211=-+=ss αγ268602503602.19703.0101.90mm A s =⨯⨯⨯⨯=12/14@150(890)As min =0.25%⨯300⨯1000=0.0134504.00134.093.1782.265.01.1⨯⨯⨯-=ϕmm mm 2.018.00134.01608.0509.110293.178504.01.25<=⎪⎭⎫⎝⎛⨯+⨯⨯⨯⨯⨯=ω以内 26/64.17525089087.01034mm N sk=⨯⨯⨯=σ 286.001.064.1752.265.01.101.0=⨯⨯-==ϕρte mm mm 2.0105.001.01308.0309.110264.175286.01.25<=⎪⎭⎫⎝⎛⨯+⨯⨯⨯⨯⨯=ω次口楼电梯临空墙C35 f c =16.7 &=300 h 0=260M B K=KNm 8.2478905.3130822=⨯=ql M maz =KNm 4.139128905.313092=⨯⨯ 外1463.02605.110007.160.1108.24726=⨯⨯⨯⨯⨯=s α 9205.02211=-+=ss αγ2623972603602.19205.0108.247mm A s =⨯⨯⨯⨯=22@150(2534) &=350外1099.03005.110007.160.1108.24726=⨯⨯⨯⨯⨯=s α 9416.02211=-+=ss αγ2620313003602.19416.0108.247mm A s =⨯⨯⨯⨯=20@150(2095), 18@125(2039)0618.03005.110007.160.1104.13926=⨯⨯⨯⨯⨯=s α968.02211=-+=ss αγ2611123003602.1968.0104.139mm A s =⨯⨯⨯⨯=14/16@150(1183)As min =0.25%⨯350⨯1000=875mm 2 &=300 内0823.02605.110007.160.1104.13926=⨯⨯⨯⨯⨯=s α957.02211=-+=ss αγ2612972603602.1957.0104.139mm A s =⨯⨯⨯⨯=16@150(1340)扩散室临空墙单向板简支KNm qM 8.158.1832=⨯=&=30001.025010005.17.160.1108.1526=⨯⨯⨯⨯⨯=s α 99.02211=-+=ss αγ261482503602.199.0108.15mm A s =⨯⨯⨯⨯=As min =750mm 212@150(1340)上简支,下固定梁式板 12@150 ,四边简支64.0905.35.2==y x l l , 7.195.23902652.0610764.02=⨯⨯⎪⎭⎫ ⎝⎛⨯+=x m6.95.2390764.06102652.02=⨯⨯⎪⎭⎫⎝⎛⨯+=y m12@150扩散室悬板活门临空墙&=300KNm MBK8.2478905.31302-=⨯-=049.045010005.17.160.1108.24726=⨯⨯⨯⨯⨯=s α 9749.02211=-+=ss αγ2613084503602.19749.0108.247mm A s =⨯⨯⨯⨯=As min =0.25%×1000×500=1250mm 2 14@100(1539)四边简支922.025002305==y x l l KNm m x 3.34305.213003606.06104357.02=⨯⨯⎪⎭⎫ ⎝⎛⨯+=KNm m y 9.29305.213004357.06103606.02=⨯⨯⎪⎭⎫⎝⎛⨯+=通道(人防主口) 侧墙:&=300上水q 水上=10×2.9=29 下水q 水下=10×3.45=34.5水上土q 土水上=19×0.75×0.4=5.7 水下土q 土水下=11×2.9×0.4=12.767 侧土q 侧土=11×3.45×0.4=15.18 活q 活=10×0.4=4 人防q 防=4085.345.3=α 1039.085.34.0==β49.675.1418.155.34523=⎪⎪⎭⎫ ⎝⎛+=αβqa R A ⎪⎭⎫ ⎝⎛-=52122αqa R A6.1547.3518.155.34531222--=⎪⎪⎭⎫⎝⎛--=αqa M B 214.1==qaR ax A 26.594.1118.155.34232max ==qa R Ra M A()4.1822.881.4167.5777.576.127.5294046883=+-=ααqa R A ()2268α-=qa R B()72.2215.1065.5124.7112.776.127.5294042822-----=--=αqa M B m qR x A44.1==27.1393.514.3057.4116.476.127.5294042max 2=-=g R M A()KNm M B K 39.21056.383.206212.772.2265.5124.7147.356.15=--=-++++-=C35 f c =16.7 &=300 h 0=230mm1588.023010005.17.160.11039.21026=⨯⨯⨯⨯⨯=s α 913.02211=-+=ss αγ2623202303602.1913.01039.210mm A s =⨯⨯⨯⨯=18@100(2545) &=350 h 0=270mm1152.027010005.17.160.11039.21026=⨯⨯⨯⨯⨯=s α9386.02211=-+=ss αγ2619222703602.19386.01039.210mm A s =⨯⨯⨯⨯=16@100(2011)()KNm M B 02.19012.70.7 4.172.2215.1065.5147.356.1535.1-=⨯⨯-++++⨯-=1561.027010005.17.160.11002.19026=⨯⨯⨯⨯⨯=s α 915.02211=-+=ss αγ2621382703602.1915.01002.190mm A s =⨯⨯⨯⨯=KNm M B K 15.139-=26/57.294201127087.01015.139mm N s ⨯⨯⨯=σ0145.010003505.02545=⨯⨯=te ρ6775.00145.076.2322.265.01.1=⨯⨯-=ψ3.00145.01608.0509.110276.2326775.01.25=⎪⎭⎫⎝⎛⨯+⨯⨯⨯⨯⨯=ω &=400 h 0=320mm1561.032010005.17.160.11002.19026=⨯⨯⨯⨯⨯=s α 941.02211=-+=ss αγ261753320360941.01002.190mm A s =⨯⨯⨯=选用 16@100(2011)0145.010004005.02011=⨯⨯=te ρ525.001.05.2482.265.01.1=⨯⨯-=ψ31.001.01608.0509.11025.248525.01.25=⎪⎭⎫⎝⎛⨯+⨯⨯⨯⨯⨯=ω 26/5.248201132087.01015.139mm N sk ⨯⨯⨯=σ选用 18@100(2545)26/4.196254532087.01015.139mm N sk⨯⨯⨯=σ 0127.010004005.02454=⨯⨯=te ρ528.00127.04.1962.265.01.1=⨯⨯-=ψ23.00127.01808.0509.11024.196528.01.25=⎪⎭⎫⎝⎛⨯+⨯⨯⨯⨯⨯=ω 人防配筋&=400 M B =210.39082.032010005.17.160.11039.21026=⨯⨯⨯⨯⨯=s α 957.02211=-+=ss αγ2615913202.1360957.01039.210mm A s =⨯⨯⨯⨯=KNm M 19.11008.211.108216.427.1393.514.3057.4126.594.11max =+=++++++=防0359.035010005.17.160.11019.11026=⨯⨯⨯⨯⨯=s α 98.02211=-+=ss αγ1000%25.07443502.136098.01019.11026=<=⨯⨯⨯⨯=bh mm A s取 16@200()KNmM 91.9316.498.027.1393.514.3026.594.1135.1max =⨯+++++⨯=0459.035010007.160.11091.9326=⨯⨯⨯⨯=s α9765.02211=-+=ss αγ267643503609765.01091.93mm A s =⨯⨯⨯=26/43.217100535087.01054.66mm N sk =⨯⨯⨯=σ 01.0=te ρ4423.001.043.2712.265.01.1=⨯⨯-=ψ mm mm 2.019.001.01608.0209.110243.2174423.01.25<=⎪⎭⎫ ⎝⎛⨯+⨯⨯⨯⨯⨯=ω。
人防及通风计算书-暖通地下室人防及通风计算书一.平时风量计算:本工程地下室汽车库建筑面积16130.92㎡,为八个防火分区。
其中防火分区一、防火分区二、防火分区三均为汽车库;防火分区四与防火分区六为设备用房;防火分区五、防火分区七以及防火分区八平时为自行车库,战时为二等人员掩蔽场所,分为两个防护单元(防火分区五为一个防护单元,防火分区七与防火分区八为一个防护单元),防护等级均为甲类核六级、常六级,防化等级均为丙级,人防部分面积为4320.7㎡.汽车库可停放汽车325辆。
汽车库平时排风系统与火灾排烟系统合用,排风机兼排烟风机。
平时排风量、排烟量均按换气次数6次/h计算。
汽车库平时排风,由机械补风和汽车坡道进行自然补风。
火灾时,排烟风机继续运行排烟,其它与消防无关通风设备关闭,此时补风方式采用机械补风,补风量不小于总排烟量的50%。
自行车库平时通风以及消防排烟参照汽车库相关规范执行,按换气次数为6次/h计算。
设置机械补风,补风量不小于总排烟量的50%。
一)人防地下室车库通风计算:人防非机动车库为三个防火分区,四个防烟分区。
面积分别为1057㎡、714㎡、922㎡、955㎡。
板下净高3.5m。
①排风、排烟量:L=1.1x(1057+714)x3.5x6=40910CMH选用风机:PYHL3-2A NO.9.5A 41000CMH 650Pa 11KW 535Kg 83dB排风机单位风量耗功率:Ws=650/(3600x0.6)=0.3W/(m^3/h)补风:按不小于50%取值,所选风机为HL3-2A NO.9A 23618CMH 362Pa 4KW 460Kg 75dB Ws=0.213②排风、排烟量:L=1.1x922x3.5x6=21298CMH选用风机:PYHL-14A NO.8A 22000CMH 540Pa 5.5KW 363Kg75dB排风机单位风量耗功率:Ws=540/(3600x0.6)=0.25W/(m^3/h)补风:按不小于50%取值,所选风机为HL-14A NO.7.5A 13668CMH 251Pa 2.2KW 295Kg 67dB Ws=0.116③排风、排烟量:L=1.1x922x3.5x6=21298CMH选用风机:PYHL-14A NO.8A 22000CMH 540Pa 5.5KW 363Kg 75dB排风机单位风量耗功率:Ws=540/(3600x0.6)=0.25W/(m^3/h)补风:按不小于50%取值,所选风机为HL-14A NO.7.5A 13668CMH 251Pa 2.2KW 295Kg 67dB Ws=0.116二.战时风量计算:战时为核6级二等人员掩蔽部,分两个防护单元。
杭州中翰建筑设计有限公司结构计算书工程编号:工程名称:项目名称: xx区地下汽车库设计阶段: xx区人防结构计算计算人:校对人:专业负责:审核人:日期: 2012.03Ⅶ区地下汽车库人防结构计算书目录一、人防主要计算依据和计算软件二、人防等效荷载及材料强度三、主要人防墙体计算(一)人防临空墙(二)非人防与人防隔墙(三)相邻人防单元隔墙(四)人防扩散室隔墙(五)人防地下室外墙四、各类门框墙、楼梯等按图集选用五、人防地下室梁、柱计算(SATWE电算)六、人防地下室顶板和底板计算(SATWE电算)人防结构计算一、主要计算依据和计算软件1、《人民防空地下室设计规范》 GB50038-20052、《防空地下室结构设计》(国家建筑标准设计图集) 07FG01~053、《防空地下室》(全国民用建筑工程设计技术措施) 20094、计算软件PKPM(2012版)A人防侧墙、临空墙、单元隔墙采用手算并结合结构计算软件Morgain 2012年版计算。
人防门框墙、扩散室悬板活门门框墙、防暴波电缆井、室外主要出入口人防楼梯等,依据国标人防图集查选。
B人防底板和顶板采用PKPM-PMCAD程序计算C人防地下室柱、地梁、顶板的梁采用PKPM-Satwe程序计算二、等效静荷载及材料强度1、本工程为甲类防空地下室,人防等级核6级常6级,人防区为大地下室Ⅶ区范围,共5个人防防护单元2、人防等效静荷载标准值确定:依据《人民防空地下室设计规范GB 50038—2005》查表,人防构件允许延性比按4.6.2条规定。
a、顶板:(梁板结构,允许延性比3.0)《规范》4.8.2条1)纯地下室部分:70kPa (不考虑上部建筑影响,覆土1.5米,板区格最大短边净跨5.7米-0.3米=5.4米)2)主楼范围地下室(-2.8米标高板):55kPa(考虑上部建筑影响,无覆土,板净跨≥3米0029b、土中外墙:(允许延性比2.0)《规范》4.8.3-2条不考虑上部建筑影响,取55kPa (饱和土中,淤泥土)c、带桩基钢筋混凝土底板,第4.8.15条,取值25kPad、相邻防护单元间隔墙,门框墙:1)6级与6级相邻每侧:50kPa2)6级与普通地下室普通地下室一侧:隔墙:110kPa ;门框墙:170kPa3)扩散室与与内部房间相邻的临空墙:39kPae、楼梯踏步与休息平台(作为战时主要出入口):正面荷载:60 kPa 反面荷载:30 kPaf、出入口直接作用门框墙和出入口临空墙:(kPa)三、主要人防墙体计算:(一)、地下室墙计算:DFQ1(人防临空墙)人防等效静荷载标准值:130kN/m2 (按均布荷载输入Morgain)混凝土强度等级为 C35,人防:f c= 16.72N/mm2x1.5=25.08 N/mm2f t= 1.575N/mm2x1.5=2.363 N/mm2f tk= 2.204N/mm2x1.5=3.306 N/mm2Ec=3.15x104 N/mm2x1.2=3.78 x104 N/mm2钢筋抗拉强度设计值(HRB400) f y= 360N/mm2x1.2=432 N/mm2E s= 20 x104 N/mm2Morgain计算如下:上下固端,不考虑裂缝控制。
人防设计计算书人防计算书一、设计依据《人民防空地下室设计规范》GB50038-2005《建筑地基基础设计规范》GB50007-2011《混凝土结构设计规范》GB50010-2010《建筑抗震设计规范》GB50011-2010(2016版)二、荷载取值人防工程为地下两层,层高均为3.6m,地下二层为甲类核6级,常6级物资库,地下一层为甲类核6级,常6级二等人员掩蔽所,荷载根据《人民防空地下室设计规范》GB50038-2005取值,按承受常规武器爆炸动荷载、核武器爆炸动荷载、静荷载组合分别作用设计,并取最不利组合配筋。
三、材料墙、柱混凝土采用C35,梁、板采用C35混凝土,钢筋:采用HRB400级。
四、结构体系本工程采用钢筋混凝土框架结构,外墙、临空墙、隔墙等采用钢筋混凝土墙体,基础采用桩基础,地下室底板为桩基础防水板,地下室顶楼盖采用无梁楼盖体系,梁、板、墙、底板构件尺寸详见图纸。
五:设计方法人防楼板及梁柱配筋采用盈建科1.8.2版,输入相应荷载进行设计。
地下室外墙,临空墙,人防隔墙等采用理正,scct等结构计算软件,按相应人防荷载进行设计。
因每层净高均小于 3.6m,门框墙根据图集《防空地下室结构设计》FG01~05进行选取。
竖井,防爆波电缆井,人防楼梯,放倒塌棚架等根据《防空地下室结构设计》FG01~05进行选取。
六:构件计算LKQ1临空墙计算3600x3600mm,双向板一、计算条件:工程名称: 工程一工程项目: 项目一临空墙编号: LKQ1临空墙的宽度L x(mm): 3600临空墙的高度L y(mm): 3600临空墙的厚度t(mm): 300临空墙等效静荷载q e(kN/m2): 160临空墙保护层厚度c(mm): 20临空墙混凝土强度等级: C35临空墙钢筋级别: HRB400内力计算采用弹性方法: 否临空墙最小配筋率(%): 0.25动荷载下构件允许延性比[ ]: 1.0进行斜截面抗剪验算: 是进行抗冲切验算: 是二、计算依据:《混凝土结构设计规范》GB50010-2010《建筑结构荷载规范》GB50009-2012《建筑结构静力计算实用手册》浙江大学编写,中国建筑工业出版社出版三、计算结果:(1)系数说明:Mx,Mxmax分别为平行于Lx方向板中心点的弯矩和板跨内最大弯矩;My,Mymax分别为平行于Ly方向板中心点的弯矩和板跨内最大弯矩;Mxo,Myo分别为固定边中点沿Lx和Ly方向的支座弯矩;(2)(3)(4)人防组合下,板斜截面抗剪计算过程如下:V = [q × (2 × Ly-Lx) × Lx / (4 × Ly)] / 1000= [160.00 × (2 × 3600 - 3600) × 3600 / (4 × 3600)] / 1000 = 144.00 kN混凝土轴心受压强度设计值:f t = 1.43 N/mm2混凝土材料综合调整系数:γd = 1.50调整后的混凝土轴心受压强度设计值: f td = f t × γd × 0.8 = 1.43 × 1.50 × 0.8 = 1.72 N/mm2截面有效高度: H0 = H-c- 10 = 300 - 20 - 10 = 270 mmβh = 1截面抗剪承载力: R = 0.7 × βh × f td × H0 = 0.7 × 1.0000 × 1.72 × 270 = 324.32 kN人防组合下, V ≤ 0.7 × βh × f td × H0 , 板斜截面抗剪验算满足要求!(5)人防组合下,板抗冲切计算过程如下:人防组合面荷载值:q = 160 kN/m2混凝土抗拉强度:f t = 1.43 N/mm2调整后的混凝土抗拉强度: f td = f t × r d = 1.43 × 1.50 = 1.72 N/mm2H0 = H-c1- 8 = 300 - 20 - 8 = 272 mmβh = 1F L = q × (Lx- 2 × H) × (Ly- 2 × H) / 1000000= 160.00 × (3600 - 2 × 300) × (3600 - 2 × 300) / 1000000 = 1440.00 kN u m = (Lx-H) × 2 + (Ly-H) × 2 = (3600 - 300) × 2 + (3600 - 300) × 2 = 13200 mmR = 0.7 × βh × f td × u m × H0 / 1000= 0.7 × 1.00 × 2.15 × 13200 × 272 / 1000 = 5390.99 kN人防组合下, F L ≤ 0.7 × βh × f t × u m × H0 , 板抗冲切验算满足要求!LKQ2 临空墙计算7200x3600 双向板一、计算条件:工程名称: 工程一工程项目: 项目一临空墙编号: LKQ1临空墙的宽度L x(mm): 7200临空墙的高度L y(mm): 3600临空墙的厚度t(mm): 300临空墙等效静荷载q e(kN/m2): 160临空墙保护层厚度c(mm): 20临空墙混凝土强度等级: C35临空墙钢筋级别: HRB400内力计算采用弹性方法: 否临空墙最小配筋率(%): 0.25动荷载下构件允许延性比[β]: 1.0进行斜截面抗剪验算: 是进行抗冲切验算: 是二、计算依据:《混凝土结构设计规范》GB50010-2010《建筑结构荷载规范》GB50009-2012《建筑结构静力计算实用手册》浙江大学编写,中国建筑工业出版社出版三、计算结果:(1)系数说明:Mx,Mxmax分别为平行于Lx方向板中心点的弯矩和板跨内最大弯矩;My,Mymax分别为平行于Ly方向板中心点的弯矩和板跨内最大弯矩;Mxo,Myo分别为固定边中点沿Lx和Ly方向的支座弯矩;(2)(3)(4)人防组合下,板斜截面抗剪计算过程如下:V = [q × (2 × Lx-Ly) × Ly / (4 × Lx)] / 1000= [160.00 × (2 × 7200 - 3600) × 3600 / (4 × 7200)] / 1000 = 216.00 kN混凝土轴心受压强度设计值:f t = 1.43 N/mm2混凝土材料综合调整系数:γd = 1.50调整后的混凝土轴心受压强度设计值: f td = f t × γd × 0.8 = 1.43 × 1.50 × 0.8 = 1.72 N/mm2截面有效高度: H0 = H-c- 10 = 300 - 20 - 10 = 270 mmβh = 1截面抗剪承载力: R = 0.7 × βh × f td × H0 = 0.7 × 1.0000 × 1.72 × 270 = 324.32 kN人防组合下, V ≤ 0.7 × βh × f td × H0 , 板斜截面抗剪验算满足要求!(5)人防组合下,板抗冲切计算过程如下:人防组合面荷载值:q = 160 kN/m2混凝土抗拉强度:f t = 1.43 N/mm2调整后的混凝土抗拉强度: f td = f t × r d = 1.43 × 1.50 = 1.72 N/mm2H0 = H-c1- 8 = 300 - 20 - 8 = 272 mmβh = 1F L = q × (Lx- 2 × H) × (Ly- 2 × H) / 1000000= 160.00 × (7200 - 2 × 300) × (3600 - 2 × 300) / 1000000 = 3168.00 kNu m = (Lx-H) × 2 + (Ly-H) × 2 = (7200 - 300) × 2 + (3600 - 300) × 2 = 20400 mmR = 0.7 × βh × f td × u m × H0 / 1000= 0.7 × 1.00 × 2.15 × 20400 × 272 / 1000 = 8331.52 kN人防组合下, F L ≤ 0.7 × βh × f t × u m × H0 , 板抗冲切验算满足要求!LKQ3 临空墙计算单向板本计算依据《人民防空地下室设计规范》GB50038-2005简称《规范》,其余规范按国家统一标准。
WQ1地下室侧壁计算书条件:1、土质参数:容重γ=18kN/mmγ` = 11kN/mm K=0.50,地下水位设防高度为5100mm;2、地下室参数:覆土层厚h1=1000mm,地下室侧墙计算跨度Lo=4800mm,临水面保护层为40mm;地面堆载q=10kN/mm d=350mm,截面有效高度ho=300mm3、材料参数:混凝土强度等级为C35,fc=16.7 N/mm fy=360N/mm 计算:1、荷载计算,土压力按静止土压力计算[《全国民用建筑工程设计技术措施》2.6.2]堆载折算为土压力q1=K×q=0.50×10=5.00kN/mm地下水位以上土压力q2=K×γ×h1=0.50×18×1.00=9.00kN/mm地下水位以下土压力q3=K×γ`×(h2 + h3)=0.50×11×(0.30+4.80)=28.05kN/mm水压力q4=γw×(h2 + h3)=10×(0.30+4.80)=51.00kN/mm2、支座弯距计算,按单向板底端固定顶端简支计算,查静力计算手册m1=q1×Lo/8=5.00×4.8/8=14.40kN.mm2=q2×Lo/15=9.00×4.8/15=13.82kN.mm3=q1×Lo/15=28.05×4.8/15=43.08kN.mm4=q1×Lo/8=51.00×4.8/15=78.34kN.m3、强度计算:土压力及水压力均按恒载考虑,[《全国民用建筑工程设计技术措施》2.6.2],按支座调幅计算m=0.80×1.35×(m1+m2+m3+m4)=161.62kN.mξb=0.8÷{1+360÷[20000×(0.0033-<35-50>×0.00001)]}=0.5257 《砼》规公式7.1.4x=ho-√(ho-2×m/α1/fc/b)=300-√(300-2×161.62×1000000/1/16.7/1000) 《砼》规公式7.2.1-1=34.21mm<ξb×ho=157.71mmAs=α1×fc×b×x/fy 《砼》规公式7.2.1-2=1×16.7×1000×34.21/360=1,587mm4、裂缝计算:弯距标准组合Mk=m1+m2+m3+m4=14.40+13.82+43.08+78.34=149.64kN.m实配钢筋为:18@75钢筋面积As=3,393mm带肋钢筋的相对粘结特性系数υ=1.0矩形截面受弯构件,构件受力特征系数αcr =2.1对矩形截面的受弯构件:Ate=0.5×b×h=0.5×1000×300=175000mmρte=As/Ate=3,393/175000=0.0194纵向受拉钢筋的等效应力σsk=Mk/(0.87×ho×As)=150×1000000/(0.87×300×3,393)=169 N/mm 钢筋应变不均匀系数ψ=1.1-0.65×ftk/ρte/σsk=1.1-0.65×2.2/0.02/169/=0.6635最大裂缝宽度ωmax=αcr×ψ×σsk×(1.9×c+0.08×deq/ρte)/Es=2.1×0.6635×169×(1.9×40+0.08×18/0.02)/200000=0.1769mm5、人防计算:本工程为6级人防地下室。
模板及支撑系统设计计算书(一)300厚现浇顶板模板支承系统验算模板采用12厚多层板和50×100方木,方木立放。
木方间距不大于200,木方下钢管小楞间距不大于800,立杆间距不大于800×800,因层高不高,立杆采用独根无接头。
立杆顶与小楞采用U型顶托联结。
自小楞下,纵横向按步距不大于1800均匀设水平拉杆,离地200设纵横扫杆一道。
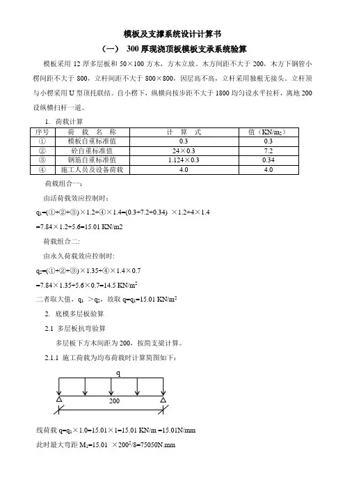
1.荷载计算荷载组合一:由活荷载效应控制时:q1=(①+②+③)×1.2+④×1.4=(0.3+7.2+0.34) ×1.2+4×1.4=7.84×1.2+5.6=15.01 KN/m2荷载组合二:由永久荷载效应控制时:q2=(①+②+③)×1.35+④×1.4×0.7=7.84×1.35+5.6×0.7=14.5 KN/m2二者取大值,q1>q2,故取q=q1=15.01 KN/m22.底模多层板验算2.1 多层板抗弯验算多层板下方木间距为200,按简支梁计算。
2.1.1 施工荷载为均布荷载时计算简图如下:200线荷载q=q1×1.0=15.01×1=15.01 KN/m =15.01N/mm此时最大弯距M1=15.01 ×2002/8=75050N.mm2.1.2 施工荷载为集中荷载时(p=2.5KN,计算简图如下:q p=2.5KN×1.4200多层板自重的均布荷载设计值q=0.066×1.0×1.2=0.08KN/m=0.08N/mm跨中集中荷载设计值P=2.5×1.4=3.5KN此时最大弯矩M2=qL2/8+pL/4=0.08×2002/8+3.5×1000×200/4=N.mm2.1.3 由于M2>M1,故多层板强度验算采用M2。
б=M2/w=/24000=7.31N/mm2<10.32N/mm2,满足要求。
⼈防地下室计算书xg⼀、概述本⼯程为地下⼀层附建式⼈防地下室,战时⽤途为核6常6级⼆等⼈员掩蔽部,平时⽤途为机动车车库;防化等级为丙级;抗震设防烈度7度,抗震分组⼀组。
⼆、计算软件顶板、顶板梁: PKPM系列墙体、门框墙:理正⼈防结构设计软件三、结构选型及计算要点:1.顶板(梁):(1)在⼈防荷载作⽤,顶板及顶板梁主要受竖向荷载控制,因此计算仅取⼀层计算内⼒,且计算不考虑风荷载及地震荷载。
(2)顶板按塑性极限分析法计算,跨中弯矩调整系数: 1.20 ⽀座弯矩调整系数: 0.80,不作活载不利布置计算。
(3)顶板梁:按考虑塑性内⼒重分布分析法计算,⽀座负弯矩调幅系数取0.85。
2.外墙:⼈防荷载作⽤下,按考虑塑性内⼒重分布分析法验算配筋,可不验算墙体最⼤裂缝值,取得的配筋与平时使⽤条件下,裂缝控制的配筋进⾏⽐较,取最⼤值。
3.门框墙、临空墙、单元隔墙:考虑塑性内⼒重分布分析法(弹塑性构件)计算。
四、荷载计算五、⼈防墙计算------------------------------------------------------------------- (1)计算项⽬: ⼈防临空墙 Q1------------------------------------------------------------------- [ 计算条件 ]墙长 = 12.00(m) 墙宽 = 3.80 (m) 墙厚 = 300 (mm)墙⾯均布荷载: 130.00 (kN/m^2)竖向均布荷载: 500.00 (kN/m)砼强度等级: C40纵筋级别: HRB400配筋计算as (mm):: 20 (mm)跨中弯矩调整系数: 1.00⽀座弯矩调整系数: 1.00⽀承条件:**** 下边右边上边左边固接固接固接固接[内⼒结果] (已乘弯矩调整系数)内⼒按塑性理论计算(适⽤于⼤偏⼼受压):跨中弯矩(kN-m/m):Ma = 0.00 Mb = 78.22垂直板边弯矩(kN-m/m):下右上左 -156.43 0.00 -156.43 0.00 [配筋结果]轴压⽐: N/(A*fc)= 0.0727竖直⽅向配筋(mm^2/m):[注意: 配筋⼩于0表⽰超筋, 荷载作⽤⾯为外侧]上截⾯:⾮荷载侧= 900 荷载侧= 1046(mm^2/m)中截⾯:⾮荷载侧= 900 荷载侧= 900(mm^2/m)下截⾯:⾮荷载侧= 900 荷载侧= 1046(mm^2/m)⽔平⽅向单侧配筋(mm^2/m):[注意: 配筋⼩于0表⽰超筋]左中右900.00 900.00 900.00------------------------------------------------------------------- (2)计算项⽬: ⼈防单元隔墙 Q2 ------------------------------------------------------------------- [ 计算条件 ]墙长 = 10.00(m) 墙宽 = 3.80 (m) 墙厚 = 250 (mm)墙⾯均布荷载: 50.00 (kN/m^2)竖向均布荷载: 500.00 (kN/m)砼强度等级: C40纵筋级别: HRB400配筋计算as (mm):: 20 (mm)跨中弯矩调整系数: 1.00⽀座弯矩调整系数: 1.00⽀承条件:**** 下边右边上边左边固接固接固接固接[内⼒结果] (已乘弯矩调整系数)内⼒按塑性理论计算(适⽤于⼤偏⼼受压):跨中弯矩(kN-m/m):Ma = 0.00 Mb = 30.08垂直板边弯矩(kN-m/m):下右上左-60.17 0.00 -60.17 0.00[配筋结果]轴压⽐: N/(A*fc)= 0.0873竖直⽅向配筋(mm^2/m):[注意: 配筋⼩于0表⽰超筋, 荷载作⽤⾯为外侧]上截⾯:⾮荷载侧= 750 荷载侧= 750(mm^2/m)中截⾯:⾮荷载侧= 750 荷载侧= 750(mm^2/m)下截⾯:⾮荷载侧= 750 荷载侧= 750(mm^2/m)⽔平⽅向单侧配筋(mm^2/m):[注意: 配筋⼩于0表⽰超筋]左中右750.00 750.00 750.00-------------------------------------------------------------------(3)计算项⽬: ⽔池墙体裂缝验算Q4-------------------------------------------------------------------1.1 基本资料1.1.1 ⼯程名称:⼯程⼀1.1.2 结构构件的重要性系数γo = 1 考虑活荷不利组合1.1.3 混凝⼟容重γc = 0kN/m箍筋间距 Sv = 200mm1.1.4 可变荷载的分项系数γQ = 1.4 可变荷载的组合值系数ψc = 0.7 可变荷载的准永久值系数ψq = 0.41.1.5 C40 混凝⼟强度: fc = 19.1N/mm ft = 1.71N/mm ftk = 2.39N/mm Ec =32600N/mm1.1.6 钢筋强度设计值: fy = 360N/mm fyv = 210N/mm Es = 200000N/mm1.1.7 梁底纵筋合⼒点⾄近边距离 as = 20mm 梁⾯纵筋合⼒点⾄近边距离 as' = 50mm 受拉钢筋最⼩配筋率ρmin =0.21%1.2 ⼏何信息最左端⽀座:固端 i ———跨号 Li ———第 i跨跨度(mm) b ———截⾯宽度(mm)h ———截⾯⾼度(mm)bf'———上翼缘⾼度(mm) hf'———上翼缘⾼度(mm) bf ———下翼缘⾼度(mm) hf ———下翼缘⾼度(mm)--------------------------------------------------------------------------i Li 截⾯ b h bf' hf' bf hf 右节点--------------------------------------------------------------------------1 3800 矩形 1000 200 固端--------------------------------------------------------------------------1.3 荷载信息i、j ———跨号、节点号 P、P1———单位:kN/m、kN M—————单位:kN·M X、X1———单位:mm1.3.1 跨中荷载-------------------------------------------------------------------i 恒、活荷荷载类型 P 或 M P1 X X1-------------------------------------------------------------------1 恒荷梯形荷载 28.00 0.00 0 2800-------------------------------------------------------------------1.4 计算结果1.4.1 梁内⼒设计值及配筋V ——剪⼒(kN),以绕截⾯顺时针为正; M ——弯矩(kN·M),以下侧受拉为正; As———纵筋⾯积(mm); Asv ———箍筋⾯积(mm)-------------------------------------------------------------------------------------------------------------------i I 1 2 3 4 56 7 J-------------------------------------------------------------------------------------------------------------------1 M - -21.0 -4.7 0.0 0.0 0.0 0.0-0.5 -5.3 -10.2As ⾯筋 400 88 0 0 0 0 10 99 190As / bho 0.27% 0.06% 0.00% 0.00% 0.00% 0.00%0.01% 0.07% 0.13%x / ho 0.050 0.011 0.000 0.000 0.000 0.0000.001 0.012 0.024裂缝宽度 0.197 0.031 0.000 0.000 0.000 0.0000.003 0.035 0.067实配⾯筋 559 88 0 0 0 0 10 99 190M + 0.0 0.0 4.5 8.1 7.5 4.1 0.0 0.0 0.0As 底筋 0 0 69 125 116 64 0 0 0As / bho 0.00% 0.00% 0.04% 0.07% 0.06% 0.04%0.00% 0.00% 0.00%x / ho 0.000 0.000 0.007 0.013 0.012 0.0070.000 0.000 0.000裂缝宽度 0.000 0.000 0.021 0.037 0.034 0.0190.000 0.000 0.000实配底筋 0 0 69 125 116 64 0 0 0V 42.8 26.4 13.0 2.6 -4.7 -8.9-10.1 -10.1 -10.1Asv 28 28 28 28 28 28 28 28 28构造配筋 As,min = 428 Asv,min = 28 Dmin =φ6 Smax = 200挠度验算截⾯ 4 : f = -1.9 f / Li = 1/2017-------------------------------------------------------------------(4)计算项⽬: 外墙裂缝验算 WQ1-------------------------------------------------------------------1.1.1 ⼯程名称:⼯程⼀1.1.2 结构构件的重要性系数γo = 1 考虑活荷不利组合1.1.3 混凝⼟容重γc = 0kN/m箍筋间距 Sv = 200mm1.1.4 可变荷载的分项系数γQ = 1.4 可变荷载的组合值系数ψc = 0.7 可变荷载的准永久值系数ψq = 0.41.1.5 C40 混凝⼟强度: fc = 19.1N/mm ft = 1.71N/mm ftk = 2.39N/mm Ec =32600N/mm1.1.6 钢筋强度设计值: fy = 300N/mm fyv = 210N/mm Es = 200000N/mm1.1.7 梁底纵筋合⼒点⾄近边距离 as = 20mm 梁⾯纵筋合⼒点⾄近边距离 as' = 50mm 受拉钢筋最⼩配筋率ρmin = 0.26%1.2 ⼏何信息最左端⽀座:固端 i ———跨号 Li ———第 i跨跨度(mm) b ———截⾯宽度(mm)h ———截⾯⾼度(mm)bf'———上翼缘⾼度(mm) hf'———上翼缘⾼度(mm) bf ———下翼缘⾼度(mm) hf ———下翼缘⾼度(mm)--------------------------------------------------------------------------i Li 截⾯ b h bf' hf' bf hf 右节点--------------------------------------------------------------------------1 3600 矩形 1000 400 固端--------------------------------------------------------------------------1.3 荷载信息i、j ———跨号、节点号 P、P1———单位:kN/m、kN M—————单位:kN·M X、X1———单位:mm1.3.1 跨中荷载-------------------------------------------------------------------i 恒、活荷荷载类型 P 或 M P1 X X1-------------------------------------------------------------------1 恒荷梯形荷载 100.80 50.40 0 36001 活荷均布荷载 5.00-------------------------------------------------------------------1.4 计算结果1.4.1 梁内⼒设计值及配筋V ——剪⼒(kN),以绕截⾯顺时针为正; M ——弯矩(kN·M),以下侧受拉为正; As———纵筋⾯积(mm); Asv———箍筋⾯积(mm)-------------------------------------------------------------------------------------------------------------------i I 1 2 3 4 56 7 J-------------------------------------------------------------------------------------------------------------------1 M - -122.9 -39.2 0.0 0.0 0.0 0.0 0.0 -40.2 -108.2As ⾯筋 1203 376 0 0 0 0 0 386 1055As / bho 0.34% 0.11% 0.00% 0.00% 0.00% 0.00%0.00% 0.11% 0.30%x / ho 0.054 0.017 0.000 0.000 0.000 0.0000.000 0.017 0.047裂缝宽度 0.197 0.047 0.000 0.000 0.000 0.0000.000 0.048 0.200实配⾯筋 1422 376 0 0 0 0 0 386 1247M + 0.0 0.0 17.7 49.4 57.8 44.5 11.2 0.0 0.0As 底筋 0 0 155 437 512 393 99 0 0As / bho 0.00% 0.00% 0.04% 0.12% 0.13% 0.10%0.03% 0.00% 0.00%x / ho 0.000 0.000 0.006 0.018 0.021 0.0160.004 0.000 0.000裂缝宽度 0.000 0.000 0.016 0.046 0.053 0.0410.010 0.000 0.000实配底筋 0 0 155 437 512 393 99 0 0V 217.0 155.5 97.8 43.9 -6.1 -52.3-94.7 -133.3 -168.0Asv 19 19 19 19 19 19 19 19 19构造配筋 As,min = 1026 Asv,min = 19 Dmin =φ6 Smax = 300挠度验算截⾯ 4 : f = -1.2 f / Li = 1/2913-------------------------------------------------------------------(5)计算项⽬: 外墙⼈防⼯况强度验算 WQ1-------------------------------------------------------------------[ 计算条件 ]墙长 = 10.00(m) 墙宽 = 3.60 (m) 墙厚 = 400 (mm)墙⾯均布荷载: 110.48 (kN/m^2)墙⾯三⾓形荷载: 60.48 (kN/m^2)竖向均布荷载: 500.00 (kN/m)砼强度等级: C40纵筋级别: HRB335配筋计算as (mm):: 50 (mm)跨中弯矩调整系数: 1.00⽀座弯矩调整系数: 1.00⽀承条件:**** 下边右边上边左边固接固接固接固接[内⼒结果] (已乘弯矩调整系数)内⼒按塑性理论计算(适⽤于⼤偏⼼受压):注意:三⾓形荷载按弹性理论计算跨中弯矩(kN-m/m):Ma = 0.00 Mb = 76.43垂直板边弯矩(kN-m/m):下右上左 -158.51 0.00 -145.45 0.00 [配筋结果]轴压⽐: N/(A*fc)= 0.0545竖直⽅向配筋(mm^2/m):[注意: 配筋⼩于0表⽰超筋, 荷载作⽤⾯为外侧]上截⾯:⾮荷载侧= 1200 荷载侧= 1200(mm^2/m)中截⾯:⾮荷载侧= 1200 荷载侧= 1200(mm^2/m)下截⾯:⾮荷载侧= 1200 荷载侧= 1200(mm^2/m)⽔平⽅向单侧配筋(mm^2/m):[注意: 配筋⼩于0表⽰超筋]左中右1200.00 1200.00 1200.00六、门框墙计算-------------------------------------------------------------------(1)、计算项⽬: ⼈防门框墙 MKQ5直接作⽤在门框墙等效静荷载标准值: 200.0 (kN/m2)由门扇传来的等效静荷载标准值:Qia = : 102.6 (N/mm)]L = 500.00(mm) L1 = 466.00 (mm) L2 = 400.00 (mm)h = 300.00 (mm)qe = 200.00 (kN/m^2)qi = 121.20 (kN/m)砼强度等级: C40配筋计算 as : 20 (mm)纵筋级别: HRB400 箍筋级别: HPB235 箍筋间距(mm): 200[ 计算结果 ]弯矩(kN-m/m): M = 72.479剪⼒(kN/m): V = 201.200*****按悬臂梁计算*****------ 抗弯拉筋构造配筋: 配筋率Us=0.20% < Us_min=0.25%抗弯受拉筋: As = 750(mm^2/m)抗剪箍筋: Av = 0(mm^2/m)]L = 895.00(mm) L1 = 861.00 (mm) L2 = 795.00 (mm)h = 300.00 (mm)qe = 200.00 (kN/m^2)qi = 121.20 (kN/m)砼强度等级: C40配筋计算 as : 20 (mm)纵筋级别: HRB400 箍筋级别: HPB235 箍筋间距(mm): 200[ 计算结果 ]弯矩(kN-m/m): M = 167.556剪⼒(kN/m): V = 280.200*****按悬臂梁计算*****抗弯受拉筋: As = 1441(mm^2/m)抗剪箍筋: Av = 0(mm^2/m)]砼强度等级: C40 配筋计算as(mm): 20 纵筋级别: HRB400箍筋级别: HPB235箍筋间距: 200 (mm)⽀座弯矩调幅系数: 25.000 %左⽀座固接右⽀座固接跨号跨长截⾯宽度(mm) 截⾯⾼度(mm) 1 1.200 400 300[ 计算结果 ]跨号: 1左中右上部弯矩( kN-m): 16.43 0.00 16.43 下部弯矩( kN-m): 0.00 16.43 0.00 剪⼒( kN ): 109.56 -0.00 -109.56上部纵筋(mm*mm): 360 360 360 下部纵筋(mm*mm): 360 360 360 抗剪箍筋(mm*mm): 156 156 156-------------------------------------------------------------------(2)、计算项⽬:⼈防门框墙 MKQ4-------------------------------------------------------------------直接作⽤在门框墙等效静荷载标准值: 200.0 (kN/m2)由门扇传来的等效静荷载标准值:Qia = : 229.6 (N/mm)]L = 675.00(mm) L1 = 641.00 (mm) L2 = 575.00 (mm)h = 600.00 (mm)qe = 200.00 (kN/m^2)qi = 186.50 (kN/m)砼强度等级: C40配筋计算 as : 20 (mm)纵筋级别: HRB400 箍筋级别: HPB235 箍筋间距(mm): 200[ 计算结果 ]弯矩(kN-m/m): M = 152.609剪⼒(kN/m): V = 301.500*****按⽜腿计算*****------ 抗弯拉筋构造配筋: 配筋率Us=0.10% < Us_min=0.25%抗弯受拉筋: As = 1500(mm^2/m)抗剪箍筋: Av = 0(mm^2/m)]L = 500.00(mm) L1 = 466.00 (mm) L2 = 400.00 (mm)h = 600.00 (mm)qe = 200.00 (kN/m^2)qi = 186.50 (kN/m)砼强度等级: C40配筋计算 as : 20 (mm)纵筋级别: HRB400 箍筋级别: HPB235 箍筋间距(mm): 200[ 计算结果 ]弯矩(kN-m/m): M = 102.909剪⼒(kN/m): V = 266.500*****按⽜腿计算*****------ 抗弯拉筋构造配筋: 配筋率Us=0.07% < Us_min=0.25%抗弯受拉筋: As = 1500(mm^2/m)抗剪箍筋: Av = 0(mm^2/m)]L = 600.00(mm) L1 = 566.00 (mm) L2 = 500.00 (mm)h = 600.00 (mm)qe = 200.00 (kN/m^2)qi = 229.60 (kN/m)砼强度等级: C40配筋计算 as : 20 (mm)纵筋级别: HRB400 箍筋级别: HPB235 箍筋间距(mm): 200[ 计算结果 ]弯矩(kN-m/m): M = 154.954剪⼒(kN/m): V = 329.600*****按⽜腿计算*****------ 抗弯拉筋构造配筋: 配筋率Us=0.10% < Us_min=0.25%抗弯受拉筋: As = 1500(mm^2/m)抗剪箍筋: Av = 0(mm^2/m)-------------------------------------------------------------------(3)、计算项⽬:⼈防门框墙 MKQ24-------------------------------------------------------------------直接作⽤在门框墙等效静荷载标准值: 200.0 (kN/m2)由门扇传来的等效静荷载标准值:Qia = : 102.6 (N/mm)]L = 950.00(mm) L1 = 916.00 (mm) L2 = 850.00 (mm)h = 300.00 (mm)qe = 200.00 (kN/m^2)qi = 121.20 (kN/m)砼强度等级: C40配筋计算 as : 20 (mm)纵筋级别: HRB400 箍筋级别: HPB235 箍筋间距(mm): 200[ 计算结果 ]弯矩(kN-m/m): M = 183.269剪⼒(kN/m): V = 291.200*****按悬臂梁计算*****抗弯受拉筋: As = 1583(mm^2/m)抗剪箍筋: Av = 0(mm^2/m)]L = 350.00(mm) L1 = 316.00 (mm) L2 = 250.00 (mm)h = 300.00 (mm)qe = 200.00 (kN/m^2)qi = 121.20 (kN/m)砼强度等级: C40配筋计算 as : 20 (mm)纵筋级别: HRB400 箍筋级别: HPB235 箍筋间距(mm): 200[ 计算结果 ]弯矩(kN-m/m): M = 44.549剪⼒(kN/m): V = 171.200*****按⽜腿计算*****------ 抗弯拉筋构造配筋: 配筋率Us=0.12% < Us_min=0.25%抗弯受拉筋: As = 750(mm^2/m)抗剪箍筋: Av = 0(mm^2/m)。
2.6 人防结构计算一、结构设计概况:1.1 本工程为六级人防地下室。
工程抗震设防烈度为六度(设计基本地震加速度为0.05g),人防地下室结构设计应结合平时和和战时统一考虑。
1.2本工程人防地下室埋于地下二层,结构设计时应考虑其外围构件的抗渗能力和抗腐蚀能力。
二、结构设计依据:2.1人民防空地下室设计规范(GB50038—2005);2.2《人民防空地下室建筑设计》 FJ01~04;2.3《人民防空地下室结构设计》 FG01~03;2.4其他规范(同结构主体设计);三、材料:3.1混凝土及钢筋的选用见结构总说明;3.2混凝土的强度等级:C35 ,强度综合调整系数=1.5;3.3钢筋种类:HPB235级钢筋 ,强度综合调整系数=1.5;HRB335级钢筋 ,强度综合调整系数=1.35;HRB400级钢筋 ,强度综合调整系数=1.2。
四、荷载选择:4.1顶板等效静荷载标准值 55kN/m;4.2 顶板荷载组合:顶板荷载:人防荷载+顶板自重+战时不拆除的设备自重;4.3外墙等效静荷载标准值 55kN/m;4.4外墙设计荷载组合:a.外墙上的垂直荷载:人防顶板传来的组合荷载,上部建筑物传来的垂直荷载;外墙自重;b.外墙上的水平荷载:核爆动荷载产生的水平动荷载、土压力。
4.5底板等效静荷载标准值 25kN/m;4.6底板设计荷载组合:考虑平时停车库的向下荷载及战时向上的等效静荷载。
4.7出入口临空墙人防等效静荷载标准值 130kN/m;4.8出入口防护密闭门门框墙等效静荷载标准值 200kN/m;4.9与普通地下室相邻隔墙人防等效静载标准值 140kN/m;4.10与普通地下室相邻门框墙人防等效静载标准值 200kN/m;4.11相邻防护单元抗力相同时,隔墙、门框墙的水平等效静载标准值 50kN/m;4.12室外出入口楼梯踏步及休息平台等效静载标准值:正面60kN/m,反面30kN/m。
四、人防构件计算:1、人防地下室外墙计算fc=C35, fy=360第 1 层外墙, 墙厚h= 350mm, 层高L=4.8m强度计算上支座跨中下支座M 0.0 21.4 -129.2As 0 192 1209人防强度计算上支座跨中下支座M 0.0 63.5 -196.6As 0 426 1363裂缝验算上支座跨中下支座M 0.0 21.4 -129.2As 0 337 2574第 2 层外墙, 墙厚h= 350mm, 层高L=5.5m强度计算上支座跨中下支座M -129.2 113.6 -246.0As 1404 1228 2796人防强度计算上支座跨中下支座M -196.6 143.2 -305.1As 1583 1139 2525裂缝验算上支座跨中下支座M -129.2 113.6 -246.0As 2562 2152 53272.人防地下室底板计算在基础底板计算时考虑人防底板何在25KN/m2。
人防地下室钢筋砼外墙计算书项目名称构件编号日期设计校对审核执行规范:《混凝土结构设计规范》(GB 50010-2010), 本文简称《混凝土规范》《建筑结构荷载规范》(GB 50009-2001), 本文简称《荷载规范》《人民防空地下室设计规范》(GB 50038-2005), 本文简称《人防规范》钢筋:d - HPB300; D - HRB335; E - HRB400; F - RRB400; G - HRB500; P - HRBF335; Q - HRBF400; R - HRBF500-----------------------------------------------------------------------1 基本资料2 计算(1)荷载计算 (2)内力计算 (3)配筋计算 (4)裂缝验算荷载说明:永久荷载:土压力荷载,上部恒载-平时,可变荷载:地下水压力,地面活载,上部活载-平时 平时组合:平时荷载基本组合 战时组合:战时荷载基本组合准永久组合:平时荷载咱•组合(用于裂缝计算)2.1 荷载计算2.1.1 墙上竖向压力平时组合(kN/m ):1.200×50.000+1.400×50.000=130.000 准永久组合(kN/m ):50.000+0.500×50.000=75.000 2.1.2 侧压荷载计算 (1) 土压力标准值(kPa)水土分算,土侧压按静止土压力计算,静止土压力系数k = 0.500 地下室顶面,标高0.000,在地面(-0.300)以上 =p 0=p w 0土压力起算位置,标高-0.300 =p 0=p w 0-1层底,标高-3.320,总埋深3.020,地下水位以上0.500,地下水位以下2.520=+=+=p k γh 1k ( )-γs a t γw h 2⨯⨯0.5180.5⨯⨯0.5( )-2010 2.52 17.1 ===p w γ w h ⨯10 2.52 25.2-2层底,标高-6.320,总埋深6.020,地下水位以上0.500,地下水位以下5.520=+=+=p k γh 1k ( )-γs a t γw h 2⨯⨯0.5180.5⨯⨯0.5( )-2010 5.52 32.1 ===p w γ w h ⨯10 5.52 55.2 地下水位处, 标高-0.800,埋深0.500 ===p k γh ⨯⨯0.5180.5 4.5=p w 0 式中:p --------土压力(kN/m 2) p w --------水压力(kN/m 2)k --------土压力系数r --------土的天然容重(kN/m3)r sat--------土的饱和容重(kN/m3)r w--------水的重度(kN/m3)h1--------地下水位以上的土层厚度(m)h2--------地下水位以下的土层厚度(m) (2)地面上活载等效土压力(标准值,kPa):p=kG k=0.500×20.000=10.000-1层顶高出外地坪面,为了简化内力计算,使用插值法修正了顶面处的侧压荷载值2.2 内力计算按连续梁计算竖向弯矩按连续梁模型计算,水平向弯矩仍按板块模型计算结果不进行调幅平时组合弯矩图准永久组合弯矩图2.3 配筋及配筋成果表2.3.1 配筋说明:(1)配筋方法水平按纯弯配筋,竖向取压弯与纯弯配筋的大值(2)单位说明:以下各表格中单位除说明外,配筋面积单位:mm2/m,裂缝宽度单位:mm,弯矩单位kN.m/m,轴力单位kN/m,配筋率:%2.4 裂缝验算按实际配筋,及相应于准永久组合的弹性内力进行计算实际配筋简图-----------------------------------------------------------------------【理正结构设计工具箱软件 6.5】计算日期: 2012-05-17 15:49:51地下室外墙计算项目名称构件编号日期设计校对审核执行规范:《混凝土结构设计规范》(GB 50010-2010), 本文简称《混凝土规范》《建筑结构荷载规范》(GB 50009-2001), 本文简称《荷载规范》《人民防空地下室设计规范》(GB 50038-2005), 本文简称《人防规范》钢筋:d - HPB300; D - HRB335; E - HRB400; F - RRB400; G - HRB500; P - HRBF335; Q - HRBF400; R - HRBF500-----------------------------------------------------------------------1 基本资料板边支撑条件表2 计算(1)荷载计算 (2)内力计算 (3)配筋计算 (4)裂缝验算荷载说明:永久荷载:土压力荷载,上部恒载-平时,可变荷载:地下水压力,地面活载,上部活载-平时 平时组合:平时荷载基本组合 战时组合:战时荷载基本组合准永久组合:平时荷载咱•组合(用于裂缝计算)2.1 荷载计算2.1.1 墙上竖向压力平时组合(kN/m ):1.200×50.000+1.400×50.000=130.000 准永久组合(kN/m ):50.000+0.500×50.000=75.000 2.1.2 侧压荷载计算 (1) 土压力标准值(kPa)水土分算,土侧压按静止土压力计算,静止土压力系数k = 0.500 地下室顶面,标高0.000,在地面(-0.300)以上 =p 0=p w 0土压力起算位置,标高-0.300 =p 0=p w 0-1层底,标高-3.320,总埋深3.020,地下水位以上0.500,地下水位以下2.520=+=+=p k γh 1k ( )-γs a t γw h 2⨯⨯0.5180.5⨯⨯0.5( )-2010 2.52 17.1 ===p w γ w h ⨯10 2.52 25.2-2层底,标高-6.320,总埋深6.020,地下水位以上0.500,地下水位以下5.520=+=+=p k γh 1k ( )-γs a t γw h 2⨯⨯0.5180.5⨯⨯0.5( )-2010 5.52 32.1 ===p w γ w h ⨯10 5.52 55.2 地下水位处, 标高-0.800,埋深0.500 ===p k γh ⨯⨯0.5180.5 4.5=p w 0 式中:p --------土压力(kN/m 2) p w --------水压力(kN/m 2)k --------土压力系数r --------土的天然容重(kN/m3)r sat--------土的饱和容重(kN/m3)r w--------水的重度(kN/m3)h1--------地下水位以上的土层厚度(m)h2--------地下水位以下的土层厚度(m) (2)地面上活载等效土压力(标准值,kPa):p=kG k=0.500×20.000=10.000-1层顶高出外地坪面,为了简化内力计算,使用插值法修正了顶面处的侧压荷载值2.2 内力计算平时组合:按弹性板计算准永久组合:按弹性板计算2.2.1 竖向压力(设计值,kN/m)平时组合:130.000准永久组合:75.0002.2.2 弯矩(1) 弯矩正负号规定内侧受拉为正,外侧受拉为负算。
目录一工程概况二设计依据三结构计算一地下室外墙计算二地下室临空墙计算三地下室门框墙计算四地下室隔墙计算五单建地下室地基计算六地下室总信息四地下室整体计算---(SATWE多、高层建筑结构空间有限元分析与设计软件)1、地下室计算图形文件一.工程概况1、该工程位于安成镇经济开发区对面,该项目主要包括2幢32层、11层住宅楼。
2、本院负责设计人防地下室部分,该地下室功能平时为小型汽车停车库,战时为甲类核6、常6级二等人员掩蔽所。
地下一层,单建人防地下室层高为3.900m,主楼部分层高为4.400m。
地下室的抗浮水位取地表下27.900m(绝对标高)。
材料强度:顶板C35;内墙C35;底板C35;外墙C35,上部落下来的剪力墙C40。
钢筋为: HRB400二设计依据《人民防空地下室设计规范》(GB 50038-2005)《混凝土结构设计规范》 (GB50010-2010)《建筑抗震设计规范》 (GB50011-2010)(2010版)《建筑结构荷载规范》 (GB 50009-2001)(2006版)《建筑地基基础设计规范》 (GB 50007-2002)《地下工程防水技术设计规范》(GB50108-2008)中国建筑科学研究院PKPM系列软件及北京理正人防工程设计结构软件RESJ。
三.结构计算1、地下室抗浮计算:1.确定抗浮水位,计算浮力根据《岩土工程勘察报告》设计抗浮水位按绝对标高27.9m考虑。
建成后的地下车库底板顶标高为24.6m,板厚400mm,顶板顶标高为28.5,板厚300mm,故地下水浮力为:Qf=(3.9+0.4-0.6) x10=37KN/m2 中柱: (以8.4x6.65=55.86为一计算单元)2.计算抗浮荷载中柱:自重=覆土重+顶板自重荷载标准值+ 柱自重荷载标准值 + 底板自重荷载标准值覆土重:1.1m(覆土最厚处) x18=19.8KN/m2顶、底板自重何载标准值:板 ( 0.3+0.4)x25=17.5KN/m2顶、底板梁自重荷载标准值:(0.65x0.55x14.9+0.6x0.5x14.9)x25/55.85=2.1KN/m2柱自重荷载标准值:0.6x0.6x2.9x25/55.86=0.46KN/m2底板面层自重荷载标准值:0.05x20=1KN/m2------------------------------------------------------------------- Qw=19.8+17.5+2.1++0.46+1=40.86KN/m2Qw/Qf =40.8/37=1.1抗浮满足要求2 底板荷载取值:P1=水压力-底板自重:(主楼部分) P1=37-0.3×25=29.5 kN/m2Pe=人防等效静载(工程桩): Pe=25 kN/m2、、Pe=人防等效静载(筏板基础): Pe=45 kN/m2、3、地下室墙体计算外墙1计算:(核6级,常6级)(层高3.9米)①.[ 地下室水土压力计算]土层情况:根据当地地质情况,取γ=18kN/m3因地下室为掘开式工程,地下室四周需采用粘土回填,粘性土 K0=0.5地下室底板顶标高24.6 地下室顶板顶标高28.5 (绝对标高)地下水位取27.9绝对标高)(依据地址报告)计算。
塔楼C21地下室侧壁(人防)计算书============================================1 计算简图:2 计算条件:荷载条件:均布恒载标准值: 0.00kN/m_活载准永久值系数: 0.50 均布活载标准值: 0.00kN/m_支座弯矩调幅系数: 100.0% 梁容重 : 25.00kN/m 3_计算时考虑梁自重: 考虑 恒载分项系数: 1.20__活载分项系数 : 1.40配筋条件:抗震等级 : 非抗震__纵筋级别 : HRB400 混凝土等级 : C30__箍筋级别 : HRB400 配筋调整系数: 1.0__上部保护层厚度 : 50mm 面积归并率 : 30.0%__下部保护层厚度 : 50mm 最大裂缝限值: 0.300mm__挠度控制系数C : 200 截面配筋方式: 单筋__按裂缝控制配筋计算3 计算结果:单位说明:弯 矩:kN.m_剪 力:kN 纵筋面积:mm 2__箍筋面积:mm 2/m 裂 缝:mm__挠 度:mm----------------------------------------------------------------------- 梁号 1: 跨长 = 4000 B ×H = 1000 × 500左 中 右 弯矩(-) : 0.000 0.000 -462.581 弯矩(+) : 0.004 675.179 0.000 剪 力: 889.999 -184.144 -847.309 上部as: 60 60 60 下部as: 60 60 60 上部纵筋: 1000 1000 3216 下部纵筋: 1000 4969 1000 箍 筋Asv: 2271 2271 2271 上纵实配: 4E20(1257) 4E22(1521) 14E25(6872) 下纵实配: 19E22(7223) 19E22(7223) 19E22(7223) 箍筋实配: 4E14@200(3079) 4E14@200(3079) 4E14@200(3079) 腰筋实配: ----(0) ----(0) ----(0) 上实配筋率: 0.25% 0.30% 1.37% 下实配筋率: 1.44% 1.44% 1.44% 箍筋配筋率: 0.31% 0.31% 0.31%裂 缝: 0.000 0.292 0.200 挠 度: 0.000 6.569 0.000 最大裂缝:0.292mm<0.300mm最大挠度:6.569mm<20.000mm(4000/200) ----------------------------------------------------------------------- 梁号 2: 跨长 = 4200 B ×H = 1000 × 400左 中 右 弯矩(-) : -462.582 0.000 0.000 弯矩(+) : 0.000 55.604 0.000 剪 力: 434.714 72.718 -64.749 上部as: 60 60 60 下部as: 60 60 60 上部纵筋: 4544 800 800 下部纵筋: 800 800 800 箍 筋Asv: 953 953 953 上纵实配: 14E25(6872) 4E18(1018) 4E20(1257) 下纵实配: 4E20(1257) 4E20(1257) 4E20(1257) 箍筋实配: 4E10@200(1571) 4E10@200(1571) 4E10@200(1571) 腰筋实配: ----(0) ----(0) ----(0) 上实配筋率: 1.72% 0.25% 0.31% 下实配筋率: 0.31% 0.31% 0.31% 箍筋配筋率: 0.16% 0.16% 0.16% 裂 缝: 0.274 0.067 0.000 挠 度: 0.000 1.144 0.000 最大裂缝:0.274mm<0.300mm最大挠度:1.144mm<21.000mm(4200/200) -----------------------------------------------------------------------塔楼C224 所有简图:----------------------------------------------------------------------- 【理正结构工具箱 V5.74】 计算日期: 2013-01-16 23:22:59 -----------------------------------------------------------------------。
目录一、工程概况 (2)二、主要设计规范及标准: (2)二、主要构件的计算 (2)2.1顶板 (2)2.2侧壁 (3)2.2.5底板 (17)2.2.6基础梁计算 (21)2.2.7基础计算 (21)2.2.8 人防楼梯计算 (21)三、地下室抗浮验算 (22)一、工程概况本工程建筑结构为框架结构,地上四层,地下一层。
建筑总高度19.6米,局部24.4米。
安全等级二级,设计使用年限50年。
地下一层为平战结合人防地下室工程,人防地下室防核武器抗力级别为6级,防常规武器抗力级别为6级。
地下室采用现浇混凝土梁板式结构。
地下室外墙、顶板底板及内墙等混凝土强度等级为C35.基础采用桩基础形式,选用 400 PHC高强度混凝土预应力管桩,单桩承载力特征值1000KN。
本工程地下水位较浅,常年稳定水位为室外地坪以下0.4米(-0.85),防水设计水位为-0.85米,抗浮设计水位-0.85米。
二、主要设计规范及标准:《建筑结构荷载规范》(GB50009—2002)《混凝土结构设计规范》(GB50010—2002)《人民防空地下室设计规范》(GB50038—2005)《建筑桩基础技术规范》(JGJ94—94)《预应力混凝土管桩基础技术规范》(DBJ/T15-22-98)二、主要构件的计算2.1顶板2.1.1恒荷载室外覆土自重:(覆土厚度850mm)20×0.85=17.02kn m,观景亭等部位取/252/kn m 。
室内部分取1.52/kn m 2.1.2活荷载室外消防车道荷载取202/kn m (双向板),室外其他部位取102/kn m ,室内顶板取5.02/kn m 。
2.1.3 战时荷载常规武器爆炸在地下室顶板产生的等效静荷载标准值(《人民防空地下室设计规范》GB50038-2005 以下简称《人防规范》4.7.2条) 覆土0.85米1ce q =352/kn m ,室内部分1ce q =452/kn m ,核武器爆炸时在地下室顶板产生的等效静荷载标准值(《人防规范》4.8.2条) 覆土0.85米1e q =702/kn m ,室内部分1ce q =602/kn m , 综合上述,室内部分取602/kn m ,室外部分取702/kn m 2.1.4 顶板计算该部分计算采用SA TWE 计算,分为两个模型,模型一不计算人防荷载,模型二计算人防荷载,取二者的大值配筋。
AT1(正向荷载作用)2020/7/15楼梯踏步与休息平台等效静荷载标准值(kN/m2)地下室类别甲类防空地下室乙类防空地下室抗力级别等效静荷载标准值抗力级别等效静荷载标准值正面荷载反面荷载室外出入口甲类室外核6B级常6级5020常6级50甲类室外核6级常6级6030常5级110甲类室外核5级常5级12060室内出入口甲类室内核6B级常6级4020常6级40甲类室内核6级常6级6030室外出入口乙类室外常6级50乙类室外常5级110室内出入口乙类室内常6级40楼梯正面作用计算简图已知条件:等效荷载(kN/m2)人防等级甲类室外核6级常6级60友情提示:1。
甲类防空地下室按等效静荷载正面与反面分别作用计算乙类防空地下室按等效经荷载正面作用计算,。
梯板几何尺寸参数及公式输入数值(mm) 2.粉色位置为输入已知条件数水平步级数n19 3.表中构件配筋建议不小于本表初始值踏步宽b1250 4等效静荷载的作用方向均与构件表面垂直梯段净高H=n2*a11633上折平台跨L20下折平台跨L30斜板厚取值h=(L'+L2+L3)/30取整200板保护层按20mm取楼梯栏板自重glb0.50平台跨度Lt2100梯砼等级C?(20,25,30,35,40)50梯梁梁跨Lb2600梯梁梁宽b b300梯梁梁高h b500垂直步级数n210梯段净跨L1=n1*b12250踢步高a1163.3楼梯斜板长L'2780梯段全跨L0=(L1+L2+L3)2250斜板厚h=(L'+L2+L3)/3093梯板荷载计算(kN/m)斜板重(标准值)g1=25*h*L'/10^611.25步级重(标准值)g2=25*0.5*a1*b1*n1/10^6 4.5920水泥沙浆面层(标准值)g3=20*20*((a1+b1)*n1+L2+L3)/10000001.4920水泥沙浆面层(标准值)g4=20*20*(L'+L2+L3)/10^6 1.11梯级面层(按大理石)容重Rm28梯级面层(按大理石30mm)自重g5=Rm*30*(a1+b1)*n1/10^6 3.12人防等效静载q185.60总荷载(设计值) 1.2G+1.0ql97.10梯板内力计算跨中弯矩M=0.1*(G+Q)*L0*L0/10^649.16梯板配筋计算砼抗压强度 1.5*fc34.65梯钢筋等级HRB335 1.35*fy(HRB335)405梯钢筋等级HRB400 1.2*fy(HRB400)432板配筋HRB335As(HRB335)732板配筋HRB400As(HRB400)687选取的板筋直径D14计算间距1000/(πD^2/4)224.1最后选定斜板筋间距@100平台配筋计算平台板厚t200平台荷载(设计值)Gt+Qt70.13平台跨中弯矩Mt=1/8*(Gt+Qt)*Lt*Lt/100000038.66平台配筋HRB400As(HRB400)537选用的板筋直径(HRB400)d(HRB400)12计算间距1000/As1/(πD^2/4)211最后选用平台板筋间距@150楼梯平台梁配筋计算kN/m梯梁自重(设计值)g5=1.2*25*b b*h b 4.50梯板传来荷载(设计值)g6=(G+Q)*L0/2/1000109.24平台传来荷载(设计值)g7=(Gt+Qt)*Lt/2/100073.63总均布荷载(设计值)q=Gb+Qb187.37栏板传来集中力(设计值)P=1.2*glb*(L'+L2+L3) 1.67梯梁支座弯矩Mb1=1/12*(Gb+Qb)*Lb*Lb/1000001105.55梯梁跨中弯矩Mb2=1/8*(Gb+Qb)*Lb*Lb+1/4*P*Lb159.42梁面纵筋(HRB400)As(HRB400)551梁底纵筋(HRB400)As(HRB400)844最后选定梁面纵筋(HRB400)条数n m4最后选定梁面纵筋(HRB400)直径Dm22最后选定梁面纵筋(HRB400)面积1521最后选定梁底纵筋(HRB400)条数nb5最后选定梁底纵筋(HRB400)直径Db22最后选定梁底纵筋(HRB400)面积1901梯梁端部剪力V=.5q*Lb+.5*P244.42梯梁截面强度验算[V]=0.7ft*b*h0270.88是否构造梁箍筋HPB235可构造配箍-26.46砼抗拉强度 1.5*ft 2.835单肢抗剪箍筋(2-100)HRB335Asv-5.62最后选定梁单肢箍筋HPB23510-100/150(2)78.54箍筋的选择请注意梁宽选择合适的肢数单肢抗剪箍筋(2-100)HRB400ASV-5.27单肢抗剪箍筋(2-100)HPB235-7.23人防楼梯计算(反向荷载作用)楼梯反面作用计算简图等效荷载(kN/m2)人防等级甲类室外核6级常6级30梯板荷载计算人防等效静载q242.80总荷载(设计值) 1.0q2-1.0G33.21梯板内力计算跨中弯矩M=0.1*(G+Q)*L0*L0/10^616.81梯板配筋计算板配筋HRB335As(HRB335)246板配筋HRB400As(HRB400)231选取的板筋直径D(HRB400)14计算间距1000/(πD^2/4)666.3最后选定斜板筋间距@100平台配筋计算平台荷载(设计值)Gt+Qt-5.60平台跨中弯矩Mt=1/8*(Gt+Qt)*Lt*Lt/1000000-3.09平台配筋HRB400As(HRB400)-42选用的板筋直径(HRB400)d(HRB400)12计算间距1000/As1/(0.785D2)-2693最后选用平台板筋间距@150楼梯平台梁配筋计算梯梁自重(设计值)g5=1.2*25*b b*h b10.10梯板传来荷载(设计值)g6=(G+Q)*L0/2/100037.37平台传来荷载(设计值)g7=(Gt+Qt)*Lt/2/1000-5.88总均布荷载(设计值)q=Gb+Qb41.59栏板传来集中力(设计值)P=1.0*glb*L'-1.39梯梁支座弯矩Mb1=1/12*(Gb+Qb)*Lb*Lb/100000123.43梯梁跨中弯矩Mb2=1/8*(Gb+Qb)*Lb*Lb+1/4*P*Lb34.24梁面纵筋(HRB400)As(HRB400)176梁底纵筋(HRB400)As(HRB400)120最后选定梁面纵筋(HRB400)条数n m3最后选定梁面纵筋(HRB400)直径Dm25最后选定梁面纵筋(HRB400)面积1472最后选定梁底纵筋(HRB400)条数nb4最后选定梁底纵筋(HRB400)直径Db25最后选定梁底纵筋(HRB400)面积1963梯梁端部剪力V=.5q*Lb+.5*P53.37梯梁截面强度验算[V]=0.7ft*b*h0276.84是否构造梁箍筋HRB300可构造配箍-223.47。
应建人防地下室面积计算书
序号
总建筑面计容建筑连接体地面计高层建筑单体的生产性用非生产性用应建人防建筑单体名称
面积
层数
首层建筑面积房面积房面积面积积容建筑面积
1
2
3
4
5
6
7
8
9
10
合计
说明:
1.连接体地面计容建筑面积指的是符合《福建省防空地下室防护标准审批管理暂行规定》第五条第三点要求的连接体地面计容建筑面积;高层建筑单体的首层建筑面积指的是建筑层数十
层(含)以上的建筑物的首层建筑面积,含裙房面积。
2.非工业用地项目,表格中的生产性用房建筑面积、非生产性用房建筑面积不须填写;
3.表格中填写的数据要和规划报建数据相一致;
4.此表格应由设计人员填写,签名并加盖设计单位公章。
项目负责人:设计单位公章:
日期:年月日人防面积计算标准:
城市规划区内新建民用建筑,城市规划区外的开发区、工业园区、保税区、高校新校区新建民用建筑,应当按照下列标准修建防空地下室:
(一)新建十层以上(含十层)的民用建筑,按照地面首层建筑面积修建防空地下室;
(二)新建十层以下的民用建筑,按照地面总建筑面积的百分之三修建防空地下室。
XXXXXX工程人防地下室计算书目录目录 (1)工程概况 (3)二、主要设计规范及标准 (3)三、结构设计计算书 (3)2.1顶板 (3)2.1.1恒荷载 (3)2.1.2活荷载 (3)2.1.3 战时荷载 (3)2.1.4 顶板计算 (4)2.2梁 (6)2.2.1符号说明 (6)2.2.2内力计算及配筋 (7)2.3柱 (12)2.3.1符号说明 (12)2.3.2内力计算及配筋 (14)2.4侧壁 (15)2.5底板 (20)2.6基础计算 (22)2.6.1荷载组合公式 (22)2.6.2符号说明: (24)2.6.3内力及配筋 (24)四、地下室抗浮验算 (29)工程概况本工程建筑结构为框架结构,地上三层,地下一层。
建筑总高度11.7米,结构安全等级二级,设计使用年限50年。
地下一层为平战结合人防地下室工程,人防地下室防核武器抗力级别为6级,防常规武器抗力级别为6级。
地下室采用现浇混凝土梁板式结构。
地下室外墙、梁、柱混凝土强度等级为C35,其它构件混凝土等级为C30。
基础采用独立基础形式,地基载力特征值140KN ,本工程地下水位较深,故不需考虑底板抗浮设计。
二、主要设计规范及标准《建筑结构荷载规范》(GB50009—2002)《混凝土结构设计规范》(GB50010—2002)《人民防空地下室设计规范》(GB50038—2005)《建筑地基基础技术规范》(DB21/907-2005)《建筑抗震设计规范》(GB 50011-2010)三、结构设计计算书2.1顶板2.1.1恒荷载覆土自重:(覆土厚度1000mm )20× 1=20.02/kn m 。
2.1.2活荷载室内顶板取3.02/kn m 。
2.1.3 战时荷载常规武器爆炸在地下室顶板产生的等效静荷载标准值(《人民防空地下室设计规范》GB50038-2005 以下简称《人防规范》4.7.2条)覆土1.2米1ce q =402/kn m核武器爆炸时在地下室顶板产生的等效静荷载标准值(《人防规范》4.8.2条)覆土1.2米1e q =752/kn m综合上述,顶板战时荷载取752/kn m2.1.4 顶板计算该部分计算采用SATWE 计算,分为两个模型,模型一不计算人防荷载,模型二计算人防荷载,取二者的大值配筋。
(1)构件截面尺寸详见结构施工图(2)战时构件内力计算及配筋计算条件:板长 = 3600.00(mm) 板宽 = 3250.00(mm) 板厚 = 250.00(mm)均布荷载(KN/M2): 75.00砼强度等级: C30配筋计算 as(mm): 30钢筋级别 : HRB400支撑条件:上边 下边 左边 右边固定 固定 固定 固定-44.10-44.10-40.88-40.8815.4518.5562562562562562562562562562562562562570.033003600冲切验算:周边墙厚按 300.0 (mm) 计算冲切力 Q = q0 * (lx - 2t - tw)*(ly -2t - tw)= 70.00 * 2.80 * 2.50= 490.00(kN)抗冲切力 Fl = 0.7 * βh * ft * um * h0= 0.7 *1.00 *2149.34 *11.60 *0.23= 4014.10 kN∴ FL > Q 冲切验算满足。
配筋计算:跨中弯矩(kN-m/m):水平:15.45 竖向:18.55跨中弯矩配筋(mm^2/m):上水平:625.00 竖向:625.00下水平:625.06 竖向:625.06支座弯矩(kN-m/m):上下左右-44.10 -44.10 -40.88 -40.88支座弯矩配筋(mm^2/m):上下左右上 625.06 625.06 625.06 625.06下 625.06 625.06 625.06 625.062.2梁2.2.1符号说明B,H --- 矩形截面宽、高(mm) Dr --- 圆柱直径(mm) B,H,U,T,D,F --- 异型截面参数(mm) U1,T1,D1,F1 --- 另一方向工字钢截面参数(mm) Hr --- 变截面时梁右端(柱为上端)高度(mm) Ac --- 截面面积(mm) Lc,Lg,Lwc,Lwb,Lb --- 分别为柱、支撑、墙柱、墙梁和梁的长度(m) N-C,N-G,N-WC,N-WB,N-B --- 分别为柱、支撑、墙柱、墙梁和梁的单元号Nfc,Nfg,Nfw,Nfwb,Nfb --- 分别为柱、支撑、墙柱、墙梁和梁的抗震等级 Nfc_kzgz,Nfg_kzgz,Nfw_kzgz,Nfwb_kzgz,Nfb_kzgz --- 分别为柱、支撑、墙柱、墙梁和梁的抗震构造措施采用的抗震等级Rcc,Rcg,Rcw,Rcwb,Rcb --- 分别为柱、支撑、墙柱、墙梁和梁的材料强度 Rsc,Rsg,Rsb --- 分别为柱、支撑和梁的钢号或复合截面的钢号Cover --- 保护层厚度(mm) Fy,Fyv --- 为构件的主筋、箍筋(墙柱为分布筋)强度设计值(Icn) --- 控制内力的内力组合号LoadCase --- 控制梁内力包络的组合号矩形(型钢)混凝土梁配筋输出符号说明:I,J --- 代表梁左、右端支座截面1,2,3,4,5,6,7 --- 代表梁跨中从左到右7个等分截面-M,+M --- 负、正弯矩包络(kN-m) Top_Ast,Btm_Ast --- 负、正弯矩的配筋包络(mm) %_Steel --- 负、正弯矩配筋的配筋率Shear --- 剪力包络(kN) Asv --- 抗剪之最小箍筋包络(mm) Rsv --- 抗剪箍筋的配筋率(Icn)Tmax&Shear --- 最大剪扭配筋的控制扭矩和剪力(kN-m,kN) Astt --- 剪扭配筋之纵筋面积(mm) Astv --- 剪扭配筋之箍筋面积(mm) Ast1 --- 剪扭配筋之纯扭双肢箍的单根箍筋面积(mm) Nmax --- 最大轴力(受拉为正)(kN) 注:梁箍筋是指间距Sb范围内的箍筋面积荷载组合分项系数说明,其中:Ncm --- 组合号V-D,V-L --- 分别为恒载、活载分项系数X-W,Y-W --- 分别为X向、Y向水平风荷载分项系数X-E,Y-E --- 分别为X向、Y向水平地震荷载分项系数Z-E --- 为竖向地震荷载分项系数R-F --- 为人防荷载分项系数2.2.2内力计算及配筋KL1:KL1= 1 (I= 487, J= 488) ( 1)B*H(mm)= 350* 750Lb= 3.25 Cover= 30 Nfb= 2 Rcb= 35.0 Fy= 360*0.5. Fyv= 300*1.5.调幅系数:0.85 扭矩折减系数:1.00 刚度系数:0.60梁属性:混凝土梁不调幅梁连梁-I- -1- -2- -3- -4- -5- -6- -7- -J- -M(kNm) 0. 0. 0. 0. 0. -22. -345. -714. -1095. LoadCase ( 0) ( 0) ( 0) ( 0) ( 0) ( 34) ( 36) ( 36) ( 36) Top Ast 2141. 1430. 656. 656. 656. 656. 1200. 2492. 4013. % Steel 0.82 0.54 0.25 0.25 0.25 0.25 0.48 1.01 1.68 +M(kNm) 1217. 1020. 811. 578. 311. 33. 17. 9. 0. LoadCase ( 36) ( 36) ( 36) ( 36) ( 36) ( 31) ( 0) ( 0) ( 0) Btm Ast 4452. 3741. 2988. 2013. 1081. 656. 656. 656. 1702. % Steel 1.86 1.57 1.25 0.81 0.44 0.25 0.25 0.25 0.65 Shear -478. -495. -539. -612. -711. -811. -884. -928. -945. LoadCase ( 36) ( 36) ( 36) ( 36) ( 36) ( 36) ( 36) ( 36) ( 36) Asv 74. 80. 96. 122. 158. 194. 220. 236. 242. Rsv 0.21 0.23 0.28 0.35 0.45 0.55 0.63 0.67 0.69 Tmax/Shear( 1)= 0.6/ -190. Astt= 0. Astv= 73.5 Ast1= 0.0非加密区箍筋面积(1.5H处) Asvm= 200.0具体配筋见结构施工图。
KL2:KL2= 2 (I= 473, J= 489) ( 1)B*H(mm)= 400* 900Lb= 3.25 Cover= 30 Nfb= 2 Rcb= 35.0 Fy= 360*1.5. Fyv= 300*1.5.调幅系数:0.85 扭矩折减系数:0.40 刚度系数:1.00梁属性:混凝土梁框架梁调幅梁-I- -1- -2- -3- -4- -5- -6- -7- -J- -M(kNm) 0. 0. 0. 0. 0. -35. -470. -954. -1455. LoadCase ( 0) ( 0) ( 0) ( 0) ( 0) ( 28) ( 36) ( 36) ( 36) Top Ast 900. 900. 900. 900. 900. 900. 1334. 2708. 4383. % Steel 0.25 0.25 0.25 0.25 0.25 0.25 0.39 0.79 1.32+M(kNm) 1554. 1303. 1035. 733. 385. 32. 24. 13. 0. LoadCase ( 36) ( 36) ( 36) ( 36) ( 36) ( 0) ( 0) ( 0) ( 0) Btm Ast 4749. 3902. 2942. 2083. 1092. 900. 900. 900. 1080. % Steel 1.43 1.17 0.86 0.61 0.32 0.25 0.25 0.25 0.30 Shear -549. -571. -627. -717. -836. -954. -1044. -1100. -1122. LoadCase ( 36) ( 36) ( 36) ( 36) ( 36) ( 36) ( 36) ( 36) ( 36) Asv 84. 84. 84. 100. 135. 171. 197. 214. 220. Rsv 0.21 0.21 0.21 0.25 0.34 0.43 0.49 0.53 0.55 Tmax/Shear( 1)= 2.6/ -235. Astt= 0. Astv= 84.0 Ast1= 0.0非加密区箍筋面积(1.5H处) Asvm= 170.6具体配筋见结构施工图。