人防各专业人防计算书1
- 格式:doc
- 大小:23.50 KB
- 文档页数:2
杭州中翰建筑设计有限公司结构计算书工程编号:工程名称:项目名称: xx区地下汽车库设计阶段: xx区人防结构计算计算人:校对人:专业负责:审核人:日期: 2012.03Ⅶ区地下汽车库人防结构计算书目录一、人防主要计算依据和计算软件二、人防等效荷载及材料强度三、主要人防墙体计算(一)人防临空墙(二)非人防与人防隔墙(三)相邻人防单元隔墙(四)人防扩散室隔墙(五)人防地下室外墙四、各类门框墙、楼梯等按图集选用五、人防地下室梁、柱计算(SATWE电算)六、人防地下室顶板和底板计算(SATWE电算)人防结构计算一、主要计算依据和计算软件1、《人民防空地下室设计规范》 GB50038-20052、《防空地下室结构设计》(国家建筑标准设计图集) 07FG01~053、《防空地下室》(全国民用建筑工程设计技术措施) 20094、计算软件PKPM(2012版)A人防侧墙、临空墙、单元隔墙采用手算并结合结构计算软件Morgain2012年版计算。
人防门框墙、扩散室悬板活门门框墙、防暴波电缆井、室外主要出入口人防楼梯等,依据国标人防图集查选。
B人防底板和顶板采用PKPM-PMCAD程序计算C人防地下室柱、地梁、顶板的梁采用PKPM-Satwe程序计算二、等效静荷载及材料强度1、本工程为甲类防空地下室,人防等级核6级常6级,人防区为大地下室Ⅶ区范围,共5个人防防护单元2、人防等效静荷载标准值确定:依据《人民防空地下室设计规范GB 50038—2005》查表,人防构件允许延性比按4.6.2条规定。
a、顶板:(梁板结构,允许延性比3.0)《规范》4.8.2条1)纯地下室部分:70kPa (不考虑上部建筑影响,覆土1.5米,板区格最大短边净跨5.7米-0.3米=5.4米)2)主楼范围地下室(-2.8米标高板):55kPa(考虑上部建筑影响,无覆土,板净跨≥3米0029b、土中外墙:(允许延性比2.0)《规范》4.8.3-2条不考虑上部建筑影响,取55kPa (饱和土中,淤泥土)c、带桩基钢筋混凝土底板,第4.8.15条,取值25kPad、相邻防护单元间隔墙,门框墙:1)6级与6级相邻每侧:50kPa2)6级与普通地下室普通地下室一侧:隔墙:110kPa ;门框墙:170kPa3)扩散室与与内部房间相邻的临空墙:39kPae、楼梯踏步与休息平台(作为战时主要出入口):正面荷载:60 kPa 反面荷载:30 kPaf、出入口直接作用门框墙和出入口临空墙:(kPa)三、主要人防墙体计算:(一)、地下室墙计算:DFQ1(人防临空墙)人防等效静荷载标准值:130kN/m2 (按均布荷载输入Morgain)混凝土强度等级为 C35,人防:f c= 16.72N/mm2x1.5=25.08 N/mm2f t= 1.575N/mm2x1.5=2.363 N/mm2f tk= 2.204N/mm2x1.5=3.306 N/mm2Ec=3.15x104 N/mm2x1.2=3.78 x104 N/mm2钢筋抗拉强度设计值(HRB400) f y= 360N/mm2x1.2=432 N/mm2E s= 20 x104 N/mm2Morgain计算如下:上下固端,不考虑裂缝控制。
人防计算书荷载一、静荷载顶板自重:(板厚500mm)25×0.5=12.5 KPa 覆土自重:(覆土厚度800mm)20×0.8=16.0 KPaq静标=12.5+16.0=28.5 Kpa 侧墙土压力:二、活荷载1、平时荷载取20T汽车查《简明设计手册》均布压力P=41.1 KPa 动力系数K=1.0顶板荷载q车标=1.0×41.1=41.1 Kpa侧墙荷载2、战时荷载(冲击波荷载)本工程为五级人防工程,地面超压峰值取ΔP m=0.1Mpa,核爆当量取15万吨。
(1)压缩波峰值压力P h=[1-h(1-δ)/c1t02]ΔP m(《规范》式-----5.4.3-1)查《规范》表5.4.2-1 c0=200m/s (粉质粘土) γc=2δ=0.1 c1= c0/γc=200/2=100m/s h=0.8m查《规范》表5.4.1 t02=0.79经计算得P h=0.099MPa=99KPa(2)结构动荷载a.顶板P c1=k P h(《规范》式-----5.5.2-1)查《规范》表5.10.4 顶板允许延性比[β]=3.0查《规范》表5.5.4 结构不利覆土厚度h m=3.393m查《规范》表5.5.3 顶板综合反射系数K=1.04经计算得P c1= k P h=1.04×99=103 KPab.侧墙P c2=ξP c(《规范》式-----5.5.2-2)查《规范》表5.5.2 侧压系数ξ=0.5(可塑粘性土)经计算得P c2=ξP c =0.5×99=49.5 KPac.底板P c3=ηP c1 (《规范》式-----5.5.2-3)查《规范》P43 η=0.7经计算得P c3=ηP c1 =0.7×103=72.1 KPa(3)结构等效静荷载a.顶板q1=K d1P c1 (《规范》式-----5.10.3-1)查《规范》表5.10.6 K d1=1.18经计算得q1=K d1P c1=1.18×103=121.8 KPab.侧墙q2=K d2P c2 (《规范》式-----5.10.3-2)查《规范》表5.10.6 K d2=1.07经计算得q2=K d2P c2=1.07×39.6=42.4 KPac.底板q3=K d3P c3 (《规范》式-----5.10.3-2)查《规范》表5.10.6 K d3=1.00经计算得q3=K d3P c3=1.00×72.1=72.1 KPa三、荷载组合1、顶板(1)平时(静荷载+汽车荷载)q平= q静+ q车=1.2×28.5+1.4×41.1=91.75 KPa(2)战时(静荷载+战时等效静荷载)q战=γ0 (γG S GK+γQ S QK)=1.0×(1.2×28.5+1.0×121.8)=156 KPa2、侧墙(1)平时汽车荷载产生的土压力远小于战时荷载,故省略计算。
结构设计计算书一、结构计算依据:1.设计相关规范:2.核工业西南勘察设计研究院有限公司2013年8月提供的《香颂城商住. 小区一期岩土工程勘察报告》(详细勘察)进行设计。
3.民用设计院提供的平时使用条件(模型及荷载)二、工程概况本工程为眉山市森林家园房产开发有限公司香颂城防空地下室,位于地下负一层和地下负二层。
共2个防护单元。
结构设计使用年限为50年。
本设计只对人防工程部分进行设计;非防护区部分不在本设计范围,按原设计(民用设计院设计)实施。
人防工程概况三、结构计算计算程序---中国建筑科学研究院PKPM(2012年6月版)材料:钢筋---HPB300(一级钢)、HRB335(二级钢)、HRB400(三级钢)混凝土--- 顶板: C30梁: C30柱: C30墙: C30底板: C301、顶板验算见附图(取平时和战时计算的最大值)2、顶板梁、柱验算见附图(取平时和战时计算的最大值)3、底板验算经验算原设计满足人防设计要求。
4、外墙验算经验算外墙人防荷载不起控制作用,外墙按裂缝控制,故外墙配筋按原设计满足人防设计要求。
5、临空墙验算******************************************************************************************** 计算项目: 临空墙-1******************************************************************************************** [计算条件]墙高 = 3900.00(mm) 墙宽 = 3200.00(mm) 墙厚 = 300.00(mm) 竖向均布荷载(KN/M): 100.00 墙面均布荷载(KN/M2): 110.00 墙面三角形荷载(KN/M2): 0.00 砼强度等级: C30 配筋计算 as(mm): 30 钢筋级别 : HRB400(RRB400) 支撑条件:**** 上边 下边 左边 右边 简支 固定 固定 固定-32.200.00-47.83-47.8326.5717.89750750750251750750750750750750750750100.0110.039003200[ 内力计算 ]:轴压比 N/(A*fc)= 0.019382 跨中弯矩(kN-m/m):水平:26.57 竖向:17.89垂直板边弯矩(kN-m/m):上下左右 0.00, -32.20, -47.83, -47.83 [ 配筋结果 ]:竖直方向配筋(mm^2/m):上截面非荷载侧:750.08 荷载侧:251.00中截面非荷载侧:750.08 荷载侧:750.12下截面非荷载侧:750.12 荷载侧:750.08水平方向配筋(mm^2/m):左中右非荷载侧 750.12, 750.08, 750.12荷载侧 750.08, 750.12, 750.08[计算条件]墙高 = 3900.00(mm) 墙宽 = 4100.00(mm) 墙厚 = 300.00(mm)竖向均布荷载(KN/M): 100.00墙面均布荷载(KN/M2): 160.00墙面三角形荷载(KN/M2): 0.00砼强度等级: C30配筋计算 as(mm): 30钢筋级别 : HRB400(RRB400)支撑条件:**** 上边下边左边右边简支固定固定固定7277775-84.610.00-76.56-76.5645.0449.7775050750517505075050507500750100.0160.039004100[ 内力计算 ]:轴压比 N/(A*fc)= 0.019382 跨中弯矩(kN-m/m):水平 :45.04 竖向 :49.77 垂直板边弯矩(kN-m/m):上 下 左 右 0.00, -84.61, -76.56, -76.56 [ 配筋结果 ]:竖直方向配筋(mm^2/m):上截面 非荷载侧 :750.08 荷载侧 :251.00 中截面 非荷载侧 :750.08 荷载侧 :750.12 下截面 非荷载侧 :750.12 荷载侧 :750.08 水平方向配筋(mm^2/m):左 中 右 非荷载侧 750.12, 750.08, 750.12 荷载侧 750.08, 750.12, 750.08******************************************************************************************** 计算项目: 临空墙-2******************************************************************************************** [计算条件]墙高 = 3900.00(mm) 墙宽 = 5800.00(mm) 墙厚 = 300.00(mm) 竖向均布荷载(KN/M): 100.00墙面均布荷载(KN/M2): 110.00 墙面三角形荷载(KN/M2): 0.00 砼强度等级: C30 配筋计算 as(mm): 30 钢筋级别 : HRB400(RRB400) 支撑条件:**** 上边 下边 左边 右边 简支 固定 固定 固定58.98927507507750-106.160.00-48.00-48.0026.67750437505175075050750750100.0110.039005800[ 内力计算 ]:轴压比 N/(A*fc)= 0.019382 跨中弯矩(kN-m/m):水平 :26.67 竖向 :58.98 垂直板边弯矩(kN-m/m):上 下 左 右 0.00, -106.16, -48.00, -48.00[ 配筋结果 ]:竖直方向配筋(mm^2/m):上截面 非荷载侧 :750.08 荷载侧 :251.00 中截面 非荷载侧 :750.08 荷载侧 :750.12 下截面 非荷载侧 :750.12 荷载侧 :943.08水平方向配筋(mm^2/m):左 中 右 非荷载侧 750.12, 750.08, 750.12 荷载侧 750.08, 750.12, 750.08******************************************************************************************** 计算项目: 临空墙-3********************************************************************************************[计算条件]墙高 = 3900.00(mm) 墙宽 = 7000.00(mm) 墙厚 = 300.00(mm) 竖向均布荷载(KN/M): 100.00 墙面均布荷载(KN/M2): 160.00 墙面三角形荷载(KN/M2): 0.00 砼强度等级: C30 配筋计算 as(mm): 30 钢筋级别 : HRB400(RRB400) 支撑条件:**** 上边 下边 左边 右边 简支 固定 固定 固定103.89127507507750-187.010.00-58.05-58.0532.259227129225175075050922750100.0160.039007000[ 内力计算 ]:轴压比 N/(A*fc)= 0.019382 跨中弯矩(kN-m/m):水平:32.25 竖向:103.89垂直板边弯矩(kN-m/m):上下左右0.00, -187.01, -58.05, -58.05[ 配筋结果 ]:竖直方向配筋(mm^2/m):上截面非荷载侧:922.08 荷载侧:251.00中截面非荷载侧:922.08 荷载侧:750.12下截面非荷载侧:922.08 荷载侧:1712.07水平方向配筋(mm^2/m):左中右非荷载侧 750.12, 750.08, 750.12荷载侧 750.08, 750.12, 750.087、人防门框墙验算选用图集07FJ048、建筑结构的总信息/////////////////////////////////////////////////////////////////////////// | 公司名称: | | | | 建筑结构的总信息 | | SATWE 中文版 | | 2012年7月20日16时15分|| 文件名: WMASS.OUT | | | |工程名称 : 设计人 : | |工程代号 : 校核人 : 日期:2013/12/ 2 | ///////////////////////////////////////////////////////////////////////////总信息 ..............................................结构材料信息: 钢砼结构混凝土容重 (kN/m3): Gc = 26.00钢材容重 (kN/m3): Gs = 78.00水平力的夹角(Degree) ARF = 0.00地下室层数: MBASE= 2竖向荷载计算信息: 按模拟施工1加荷计算风荷载计算信息: 计算X,Y两个方向的风荷载地震力计算信息: 计算X,Y两个方向的地震力“规定水平力”计算方法: 楼层剪力差方法(规范方法) 结构类别: 框架结构裙房层数: MANNEX= 0转换层所在层号: MCHANGE= 0嵌固端所在层号: MQIANGU= 1墙元细分最大控制长度(m) DMAX= 1.00弹性板与梁变形是否协调是墙元网格: 侧向出口结点是否对全楼强制采用刚性楼板假定否地下室是否强制采用刚性楼板假定: 否墙梁跨中节点作为刚性楼板的从节点是计算墙倾覆力矩时只考虑腹板和有效翼缘否采用的楼层刚度算法层间剪力比层间位移算法结构所在地区全国风荷载信息 ..........................................修正后的基本风压 (kN/m2): WO = 0.30风荷载作用下舒适度验算风压(kN/m2): WOC= 0.30地面粗糙程度: B 类结构X向基本周期(秒): Tx = 0.00结构Y向基本周期(秒): Ty = 0.00是否考虑顺风向风振: 是风荷载作用下结构的阻尼比(%): WDAMP= 5.00风荷载作用下舒适度验算阻尼比(%): WDAMPC= 2.00是否计算横风向风振: 否是否计算扭转风振: 否承载力设计时风荷载效应放大系数: WENL= 1.00体形变化分段数: MPART= 1各段最高层号: NSTi = 2各段体形系数: USi = 1.30地震信息 ............................................振型组合方法(CQC耦联;SRSS非耦联) CQC 计算振型数: NMODE= 3地震烈度: NAF = 7.00场地类别: KD =II 设计地震分组: 三组特征周期 TG = 0.45地震影响系数最大值 Rmax1 = 0.08用于12层以下规则砼框架结构薄弱层验算的地震影响系数最大值 Rmax2 = 0.50框架的抗震等级: NF = 3剪力墙的抗震等级: NW = 3钢框架的抗震等级: NS = 3抗震构造措施的抗震等级: NGZDJ =不改变重力荷载代表值的活载组合值系数: RMC = 0.50周期折减系数: TC = 0.85结构的阻尼比 (%): DAMP = 5.00中震(或大震)设计: MID =不考虑是否考虑偶然偏心: 否是否考虑双向地震扭转效应: 否按主振型确定地震内力符号: 否斜交抗侧力构件方向的附加地震数 = 0活荷载信息 ..........................................考虑活荷不利布置的层数从第 1 到2层柱、墙活荷载是否折减不折算传到基础的活荷载是否折减折算考虑结构使用年限的活荷载调整系数 1.00------------柱,墙,基础活荷载折减系数-------------计算截面以上的层数---------------折减系数1 1.002---3 0.854---5 0.706---8 0.659---20 0.60> 20 0.55调整信息 ........................................梁刚度放大系数是否按2010规范取值:是托墙梁刚度增大系数: BK_TQL = 1.00梁端弯矩调幅系数: BT = 0.85梁活荷载内力增大系数: BM = 1.00连梁刚度折减系数: BLZ = 0.60梁扭矩折减系数: TB = 0.40全楼地震力放大系数: RSF = 1.000.2Vo 调整分段数: VSEG = 00.2Vo 调整上限: KQ_L = 2.00框支柱调整上限: KZZ_L = 5.00顶塔楼内力放大起算层号: NTL = 0顶塔楼内力放大: RTL = 1.00框支剪力墙结构底部加强区剪力墙抗震等级自动提高一级:是实配钢筋超配系数 CPCOEF91 = 1.15是否按抗震规范5.2.5调整楼层地震力IAUTO525 = 1弱轴方向的动位移比例因子 XI1 = 0.00强轴方向的动位移比例因子 XI2 = 0.00是否调整与框支柱相连的梁内力 IREGU_KZZB = 0薄弱层判断方式:按高规和抗规从严判断强制指定的薄弱层个数 NWEAK = 0薄弱层地震内力放大系数 WEAKCOEF = 1.25强制指定的加强层个数 NSTREN = 0配筋信息 ........................................梁箍筋强度 (N/mm2): JB = 270柱箍筋强度 (N/mm2): JC = 270墙水平分布筋强度 (N/mm2): FYH = 270墙竖向分布筋强度 (N/mm2): FYW = 270边缘构件箍筋强度 (N/mm2): JWB = 210梁箍筋最大间距 (mm): SB = 100.00柱箍筋最大间距 (mm): SC = 100.00墙水平分布筋最大间距 (mm): SWH = 200.00墙竖向分布筋配筋率 (%): RWV = 0.25结构底部单独指定墙竖向分布筋配筋率的层数: NSW = 0结构底部NSW层的墙竖向分布配筋率: RWV1 = 0.60梁抗剪配筋采用交叉斜筋时箍筋与对角斜筋的配筋强度比: RGX = 1.00设计信息 ........................................结构重要性系数: RWO = 1.00柱计算长度计算原则: 有侧移梁端在梁柱重叠部分简化: 不作为刚域柱端在梁柱重叠部分简化: 不作为刚域是否考虑 P-Delt 效应:否柱配筋计算原则: 按单偏压计算按高规或高钢规进行构件设计: 否钢构件截面净毛面积比: RN = 0.50梁保护层厚度 (mm): BCB = 25.00柱保护层厚度 (mm): ACA = 25.00剪力墙构造边缘构件的设计执行高规7.2.16-4: 是框架梁端配筋考虑受压钢筋: 是结构中的框架部分轴压比限值按纯框架结构的规定采用:否当边缘构件轴压比小于抗规6.4.5条规定的限值时一律设置构造边缘构件: 是是否按混凝土规范B.0.4考虑柱二阶效应: 否荷载组合信息 ........................................恒载分项系数: CDEAD= 1.20活载分项系数: CLIVE= 1.40风荷载分项系数: CWIND= 1.40水平地震力分项系数: CEA_H= 1.30竖向地震力分项系数: CEA_V= 0.50温度荷载分项系数: CTEMP = 1.40吊车荷载分项系数: CCRAN = 1.40特殊风荷载分项系数: CSPW = 1.40活荷载的组合值系数: CD_L = 0.70风荷载的组合值系数: CD_W = 0.60重力荷载代表值效应的活荷组合值系数: CEA_L = 0.50重力荷载代表值效应的吊车荷载组合值系数:CEA_C = 0.50吊车荷载组合值系数: CD_C = 0.70温度作用的组合值系数:仅考虑恒载、活载参与组合: CD_TDL = 0.60考虑风荷载参与组合: CD_TW = 0.00考虑地震作用参与组合: CD_TE = 0.00 砼构件温度效应折减系数: CC_T = 0.30地下信息 ..........................................土的水平抗力系数的比例系数(MN/m4): MI = 3.00扣除地面以下几层的回填土约束: MMSOIL = 0回填土容重 (kN/m3): Gsol = 18.00回填土侧压力系数: Rsol = 0.50外墙分布筋保护厚度 (mm): WCW = 35.00室外地平标高 (m): Hout = -0.35地下水位标高 (m): Hwat = -20.00室外地面附加荷载 (kN/m2): Qgrd = 0.001层人防设计等级: Mars = 6级(常规) 人防地下室层数: Mair = 2地下室顶板竖向等效荷载 (kN/m2) QE1 =见PM定义地下室外围墙的人防水平人防等效(kN/m2) QE2 =见PM定义剪力墙底部加强区的层和塔信息.......................层号塔号1 12 1用户指定薄弱层的层和塔信息.........................层号塔号用户指定加强层的层和塔信息.........................层号塔号约束边缘构件与过渡层的层和塔信息...................层号塔号类别1 1 约束边缘构件层2 1 约束边缘构件层********************************************************** 各层的质量、质心坐标信息 **********************************************************层号塔号质心 X 质心 Y 质心 Z 恒载质量活载质量附加质量质量比(m) (m) (t) (t)2 1 61.966 98.877 7.400 42641.3 5029.80.0 2.60(>1.5)1 1 64.608 94.407 3.500 15332.8 3027.9 0.0 1.00活载产生的总质量 (t): 8057.707恒载产生的总质量 (t): 57974.102附加总质量 (t): 0.000结构的总质量 (t): 66031.812恒载产生的总质量包括结构自重和外加恒载结构的总质量包括恒载产生的质量和活载产生的质量和附加质量活载产生的总质量和结构的总质量是活载折减后的结果 (1t = 1000kg)********************************************************** 各层构件数量、构件材料和层高 **********************************************************层号(标准层号) 塔号梁元数柱元数墙元数层高累计高度(混凝土/主筋) (混凝土/主筋) (混凝土/主筋) (m) (m)1( 1) 1 3592(30/ 360) 280(30/ 360) 594(30/ 360) 3.500 3.5002( 2) 1 3505(30/ 360) 281(30/ 360) 610(30/ 360) 3.900 7.400********************************************************** 风荷载信息 **********************************************************层号塔号风荷载X 剪力X 倾覆弯矩X 风荷载Y 剪力Y 倾覆弯矩Y2 1 0.00 0.0 0.0 0.00 0.0 0.01 1 0.00 0.0 0.0 0.00 0.0 0.0===========================================================================各楼层等效尺寸(单位:m,m**2)===========================================================================层号塔号面积形心X 形心Y 等效宽B 等效高H 最大宽BMAX最小宽BMIN1 1 15178.61 63.45 90.39 90.39 171.11 171.26 90.102 1 15178.61 63.45 90.39 90.39 171.11 171.26 90.10=========================================================================== 各楼层的单位面积质量分布(单位:kg/m**2)===========================================================================层号塔号单位面积质量 g[i] 质量比 max(g[i]/g[i-1],g[i]/g[i+1])1 1 1209.65 1.002 1 3140.67 2.60===========================================================================计算信息=========================================================================== 计算日期 : 2013.12. 2 开始时间 : 18:30:25 可用内存 : 1953.00MB 第一步: 数据预处理第二步: 计算每层刚度中心、自由度、质量等信息第三步: 地震作用分析第四步: 风及竖向荷载分析第五步: 计算杆件内力结束日期 : 2013.12. 2时间 : 18:33:40总用时 : 0: 3:15=========================================================================== 各层刚心、偏心率、相邻层侧移刚度比等计算信息Floor No : 层号Tower No : 塔号Xstif,Ystif : 刚心的 X,Y 坐标值Alf : 层刚性主轴的方向Xmass,Ymass : 质心的 X,Y 坐标值Gmass : 总质量Eex,Eey : X,Y 方向的偏心率Ratx,Raty : X,Y 方向本层塔侧移刚度与下一层相应塔侧移刚度的比值(剪切刚度) Ratx1,Raty1 : X,Y 方向本层塔侧移刚度与上一层相应塔侧移刚度70%的比值或上三层平均侧移刚度80%的比值中之较小者RJX1,RJY1,RJZ1: 结构总体坐标系中塔的侧移刚度和扭转刚度(剪切刚度)RJX3,RJY3,RJZ3: 结构总体坐标系中塔的侧移刚度和扭转刚度(地震剪力与地震层间位移的比)===========================================================================Floor No. 1 Tower No. 1Xstif= 72.2977(m) Ystif= 123.6352(m) Alf = 15.0637(Degree) Xmass= 64.6079(m) Ymass= 94.4074(m) Gmass(活荷折减)= 21388.6523( 18360.7402)(t)Eex = 0.1610 Eey = 0.6085Ratx = 1.0000 Raty = 1.0000Ratx1= 2.6933 Raty1= 2.3458薄弱层地震剪力放大系数= 1.00RJX1 = 5.0771E+08(kN/m) RJY1 = 4.8663E+08(kN/m) RJZ1 = 0.0000E+00(kN/m)RJX3 = 1.5707E+08(kN/m) RJY3 = 2.6456E+08(kN/m) RJZ3 = 0.0000E+00(kN/m)---------------------------------------------------------------------------Floor No. 2 Tower No. 1Xstif= 74.9213(m) Ystif= 115.9582(m) Alf = 14.7865(Degree) Xmass= 61.9659(m) Ymass= 98.8770(m) Gmass(活荷折减)=52700.8672( 47671.0703)(t)Eex = 0.2666 Eey = 0.3493Ratx = 0.9076 Raty = 0.8945Ratx1= 1.0000 Raty1= 1.0000薄弱层地震剪力放大系数= 1.00RJX1 = 4.6079E+08(kN/m) RJY1 = 4.3530E+08(kN/m) RJZ1 = 0.0000E+00(kN/m)RJX3 = 8.3311E+07(kN/m) RJY3 = 1.6111E+08(kN/m) RJZ3 = 0.0000E+00(kN/m)---------------------------------------------------------------------------X方向最小刚度比: 1.0000(第 2层第 1塔)Y方向最小刚度比: 1.0000(第 2层第 1塔)============================================================================结构整体抗倾覆验算结果============================================================================抗倾覆力矩Mr 倾覆力矩Mov 比值Mr/Mov 零应力区(%)X风荷载 34773364.0 0.0 347733632.00 0.00Y风荷载 59527580.0 0.0 595275776.00 0.00X 地震 33155036.0 231216.8 143.39 0.00Y 地震 56757208.0 336237.0 168.80 0.00============================================================================结构整体稳定验算结果============================================================================ 层号 X向刚度 Y向刚度层高上部重量 X刚重比 Y刚重比1 0.157E+09 0.265E+09 3.50 921305. 596.70 1005.042 0.833E+08 0.161E+09 3.90 652530. 497.93 962.94该结构刚重比Di*Hi/Gi大于10,能够通过高规(5.4.4)的整体稳定验算该结构刚重比Di*Hi/Gi大于20,可以不考虑重力二阶效应*********************************************************************** 楼层抗剪承载力、及承载力比值 ***********************************************************************Ratio_Bu: 表示本层与上一层的承载力之比---------------------------------------------------------------------- 层号塔号 X向承载力 Y向承载力 Ratio_Bu:X,Y----------------------------------------------------------------------2 1 0.2493E+06 0.2262E+06 1.00 1.001 1 0.2551E+06 0.2471E+06 1.02 1.09X方向最小楼层抗剪承载力之比: 1.00 层号: 2 塔号: 1Y方向最小楼层抗剪承载力之比: 1.00 层号: 2 塔号: 19、楼梯计算梯段号:TB1,2,3(正向荷载作用)加下划线为输入数值正向等效荷载(KN/m2) 50梯板几何尺寸水平步级数n1 10垂直步级数n2 11踏步宽b1 270梯段净高H=n2*a1 1800梯段净跨L1=n1*b1 2700踢步高a1 163.6 上折平台跨L2 0下折平台跨L3 0楼梯斜板长L' 3245梯段全跨L0=(L1+L2+L3)2700斜板厚h=(L'+L2+L3)/30取整180梯板荷载计算斜板重(标准值)g1=25*h*L'/1000 14.60 步级重(标准值) g2=25*0.5*a1*n1/1000 5.52 20水泥沙浆面层(标准值)g3=20*20*(a1+b1)*n1/b1/1000 6.42 10纸筋灰底层(标准值)g4=17*10*(L'+L2+L3)/1000 0.55 梯级面层(一般为水磨石)容重Rm 0.65 梯级面层(一般为水磨石)自重g5=Rm*(a1+b1)*n1/1000 2.82 楼梯栏板自重glb 1.40 人防等效静载q1 50.00 总荷载(设计值) 1.2G+1.0Q 63.30 梯板内力计算跨中弯矩M=0.1*(G+Q)*L0*L0/1000000 46.14 梯板配筋计算梯砼等级C?(20,25,30,35,40) 30 砼抗压强度fc 21.45 梯钢筋等级HRB335fy(HRB335) 405 梯钢筋等级HRB400fy(HRB400) 432 板配筋HRB300As(HRB335) 800 板配筋HRB400As(HRB400) 750 选取的板筋直径 D 12 计算间距1000/(0.785D2) 150.8 最后选定斜板筋间距@ 150 平台配筋计算平台板厚t 150 平台跨度Lt 1600 平台荷载(设计值) Gt+Qt 63.65 平台跨中弯矩Mt=1/10*(Gt+Qt)*Lt*Lt/1000000 16.29 平台配筋HRB335As(HRB335) 345 选用的板筋直径(HRB335)d(HRB335) 10 计算间距1000/As1/(0.785D2) 228 最后选用平台板筋间距@ 150 楼梯平台梁配筋计算梯梁梁宽b b300 梯梁梁高h b500 梯梁梁跨Lb 3100-------------梯梁自重(设计值)g5=1.2*25*b b*h b 4.50 梯板传来荷载(设计值) g6=(G+Q)*L0/2/1000 85.45 平台传来荷载(设计值) g7=(Gt+Qt)*Lt/2/1000 50.92 总均布荷载(设计值)q=Gb+Qb 140.87 栏板传来集中力(设计值) P=1.2*glb*L' 5.45 梯梁支座弯矩Mb1=1/12*(Gb+Qb)*Lb*Lb/1000001 112.82 梯梁跨中弯矩Mb2=1/12*(Gb+Qb)*Lb*Lb+1/4*P*Lb 117.04 梁面纵筋(HRB400)As(HRB400) 601 梁底纵筋(HRB400)As(HRB400) 624 最后选定梁面纵筋(HRB400)条数n m 3最后选定梁面纵筋(HRB400)直径Dm 18 最后选定梁面纵筋(HRB400)面积763 最后选定梁底纵筋(HRB400)条数nb 3最后选定梁底纵筋(HRB400)直径Db 18 最后选定梁底纵筋(HRB400)面积763 梯梁端部剪力V=.5q*Lb+.5*P 221.08 梯梁截面强度验算[V]=0.7ft*b*h0 204.95 砼抗拉强度ft 2.145 是否构造配置梁箍筋计算配箍单肢抗剪箍筋HPB235(2-@100) Asv 4.50 单肢抗剪箍筋HRB335(2-@100)Asv 3.50 单肢抗剪箍筋HRB400(2-@100) Asv 3.28 最后选定梁单肢箍筋HPB23550.30-------------。
200厚填充墙线荷〔9×0.2+0.4×2〕×2.5=6.5KN/m 2普通板面荷18×0.01+20×0.02+24×0.04+0.4=1.96取2 KN/m 2卫生间厨房18×0.01+20×0.02+24×0.05+0.4=2.18取2.2 KN/m 2屋面(机房,出屋面楼梯间所在楼面层)为上人屋面。
≥24层,外墙到第二道腰线处以上弯200 门窗洞口宽度为建筑洞宽+40北外墙地下室人防核6常6,顶板q =70 KN/m 2外墙q =40 KN/m 2底板q =55 KN/m 2Q 活=10 KN/m 2Q 活侧=10/19×19×0.4=4 KN/m 2Q 覆土=19×0.875×0.4=6.65 KN/m 2 Q 土水上=19×0.125×0.4=0.95KN/m 2 Q 土水下=11×3.78×0.4=16.632 KN/m 2 Q 水=10×3.78=37.8KN/m 2人防M B K=KNm 245.768905.340822-=⨯=-ql 活M B K=KNm 624.78905.34822-=⨯=-ql 覆土M B K=KNm 676.128905.365.6822-=⨯=-ql 人防M max K=KNm 888.428905.3409128922-=⨯⨯=-ql X =4m 46.18905.3383=⨯=l 活M maxK =KNm 289.4128905.3492=⨯⨯覆土M maz K=KNm 13.7128905.3492=⨯⨯水上土活M B K=KNm 0025.05316125.095.053162222=⎪⎪⎭⎫⎝⎛-⨯-=⎪⎪⎭⎫ ⎝⎛--ααqa 905.3125.0=α R A =()KN ql qb 275.1905.378.34905.3878.395.042323=⎪⎭⎫⎝⎛-⨯⨯=-β m q R a X A 467.1=+= M maz =KNm q R a R A A 015.12=⎪⎪⎭⎫⎝⎛+ 水下土+水 M BK=⎪⎪⎭⎫⎝⎛+-⨯-=⎪⎪⎭⎫ ⎝⎛+--53342478.3432.545334242222ββββqb 96799.0905.378.3==β m qbR b a X A768.12=+=R A =KN l qb 433.1951823=⎪⎭⎫⎝⎛-β M max =KNm qb R b a R A A 713.23232=⎪⎪⎭⎫⎝⎛+ M B =1.35×(12.676+0.0025+1.807+53.737)+0.7×1.4×7.624+76.245=175.8KNmM max =1.35×(7.13+0.0047+1.015+23.713)+0.7×1.4×4.289+42.888=90.1KNm M B K=12.676+0.0025+1.807+53.737+7.624/2=72KNm M max K=7.13+0.0047+1.015+23.713+4.289/2=34KNm M B =175.8KNmC25砼 Ⅲ级钢 f c =16.7 f tk =2.201327.02305.110007.160.1108.17526=⨯⨯⨯⨯⨯=s α 9285.02211=-+=ss αγ2619062303602.19285.0108.175mm A s =⨯⨯⨯⨯=16@100(2015) M max =90.10575.02505.110007.160.1101.9026=⨯⨯⨯⨯⨯=s α9703.02211=-+=ss αγ268602503602.19703.0101.90mm A s =⨯⨯⨯⨯=12/14@150(890)As min =0.25%⨯300⨯1000=0.0134504.00134.093.1782.265.01.1⨯⨯⨯-=ϕmm mm 2.018.00134.01608.0509.110293.178504.01.25<=⎪⎭⎫⎝⎛⨯+⨯⨯⨯⨯⨯=ω以内 26/64.17525089087.01034mm N sk=⨯⨯⨯=σ 286.001.064.1752.265.01.101.0=⨯⨯-==ϕρte mm mm 2.0105.001.01308.0309.110264.175286.01.25<=⎪⎭⎫⎝⎛⨯+⨯⨯⨯⨯⨯=ω次口楼电梯临空墙C35 f c =16.7 &=300 h 0=260M B K=KNm 8.2478905.3130822=⨯=ql M maz =KNm 4.139128905.313092=⨯⨯ 外1463.02605.110007.160.1108.24726=⨯⨯⨯⨯⨯=s α 9205.02211=-+=ss αγ2623972603602.19205.0108.247mm A s =⨯⨯⨯⨯=22@150(2534) &=350外1099.03005.110007.160.1108.24726=⨯⨯⨯⨯⨯=s α 9416.02211=-+=ss αγ2620313003602.19416.0108.247mm A s =⨯⨯⨯⨯=20@150(2095), 18@125(2039)0618.03005.110007.160.1104.13926=⨯⨯⨯⨯⨯=s α968.02211=-+=ss αγ2611123003602.1968.0104.139mm A s =⨯⨯⨯⨯=14/16@150(1183)As min =0.25%⨯350⨯1000=875mm 2 &=300 内0823.02605.110007.160.1104.13926=⨯⨯⨯⨯⨯=s α957.02211=-+=ss αγ2612972603602.1957.0104.139mm A s =⨯⨯⨯⨯=16@150(1340)扩散室临空墙单向板简支KNm qM 8.158.1832=⨯=&=30001.025010005.17.160.1108.1526=⨯⨯⨯⨯⨯=s α 99.02211=-+=ss αγ261482503602.199.0108.15mm A s =⨯⨯⨯⨯=As min =750mm 212@150(1340)上简支,下固定梁式板 12@150 ,四边简支64.0905.35.2==y x l l , 7.195.23902652.0610764.02=⨯⨯⎪⎭⎫ ⎝⎛⨯+=x m6.95.2390764.06102652.02=⨯⨯⎪⎭⎫⎝⎛⨯+=y m12@150扩散室悬板活门临空墙&=300KNm MBK8.2478905.31302-=⨯-=049.045010005.17.160.1108.24726=⨯⨯⨯⨯⨯=s α 9749.02211=-+=ss αγ2613084503602.19749.0108.247mm A s =⨯⨯⨯⨯=As min =0.25%×1000×500=1250mm 2 14@100(1539)四边简支922.025002305==y x l l KNm m x 3.34305.213003606.06104357.02=⨯⨯⎪⎭⎫ ⎝⎛⨯+=KNm m y 9.29305.213004357.06103606.02=⨯⨯⎪⎭⎫⎝⎛⨯+=通道(人防主口) 侧墙:&=300上水q 水上=10×2.9=29 下水q 水下=10×3.45=34.5水上土q 土水上=19×0.75×0.4=5.7 水下土q 土水下=11×2.9×0.4=12.767 侧土q 侧土=11×3.45×0.4=15.18 活q 活=10×0.4=4 人防q 防=4085.345.3=α 1039.085.34.0==β49.675.1418.155.34523=⎪⎪⎭⎫ ⎝⎛+=αβqa R A ⎪⎭⎫ ⎝⎛-=52122αqa R A6.1547.3518.155.34531222--=⎪⎪⎭⎫⎝⎛--=αqa M B 214.1==qaR ax A 26.594.1118.155.34232max ==qa R Ra M A()4.1822.881.4167.5777.576.127.5294046883=+-=ααqa R A ()2268α-=qa R B()72.2215.1065.5124.7112.776.127.5294042822-----=--=αqa M B m qR x A44.1==27.1393.514.3057.4116.476.127.5294042max 2=-=g R M A()KNm M B K 39.21056.383.206212.772.2265.5124.7147.356.15=--=-++++-=C35 f c =16.7 &=300 h 0=230mm1588.023010005.17.160.11039.21026=⨯⨯⨯⨯⨯=s α 913.02211=-+=ss αγ2623202303602.1913.01039.210mm A s =⨯⨯⨯⨯=18@100(2545) &=350 h 0=270mm1152.027010005.17.160.11039.21026=⨯⨯⨯⨯⨯=s α9386.02211=-+=ss αγ2619222703602.19386.01039.210mm A s =⨯⨯⨯⨯=16@100(2011)()KNm M B 02.19012.70.7 4.172.2215.1065.5147.356.1535.1-=⨯⨯-++++⨯-=1561.027010005.17.160.11002.19026=⨯⨯⨯⨯⨯=s α 915.02211=-+=ss αγ2621382703602.1915.01002.190mm A s =⨯⨯⨯⨯=KNm M B K 15.139-=26/57.294201127087.01015.139mm N s ⨯⨯⨯=σ0145.010003505.02545=⨯⨯=te ρ6775.00145.076.2322.265.01.1=⨯⨯-=ψ3.00145.01608.0509.110276.2326775.01.25=⎪⎭⎫⎝⎛⨯+⨯⨯⨯⨯⨯=ω &=400 h 0=320mm1561.032010005.17.160.11002.19026=⨯⨯⨯⨯⨯=s α 941.02211=-+=ss αγ261753320360941.01002.190mm A s =⨯⨯⨯=选用 16@100(2011)0145.010004005.02011=⨯⨯=te ρ525.001.05.2482.265.01.1=⨯⨯-=ψ31.001.01608.0509.11025.248525.01.25=⎪⎭⎫⎝⎛⨯+⨯⨯⨯⨯⨯=ω 26/5.248201132087.01015.139mm N sk ⨯⨯⨯=σ选用 18@100(2545)26/4.196254532087.01015.139mm N sk⨯⨯⨯=σ 0127.010004005.02454=⨯⨯=te ρ528.00127.04.1962.265.01.1=⨯⨯-=ψ23.00127.01808.0509.11024.196528.01.25=⎪⎭⎫⎝⎛⨯+⨯⨯⨯⨯⨯=ω 人防配筋&=400 M B =210.39082.032010005.17.160.11039.21026=⨯⨯⨯⨯⨯=s α 957.02211=-+=ss αγ2615913202.1360957.01039.210mm A s =⨯⨯⨯⨯=KNm M 19.11008.211.108216.427.1393.514.3057.4126.594.11max =+=++++++=防0359.035010005.17.160.11019.11026=⨯⨯⨯⨯⨯=s α 98.02211=-+=ss αγ1000%25.07443502.136098.01019.11026=<=⨯⨯⨯⨯=bh mm A s取 16@200()KNmM 91.9316.498.027.1393.514.3026.594.1135.1max =⨯+++++⨯=0459.035010007.160.11091.9326=⨯⨯⨯⨯=s α9765.02211=-+=ss αγ267643503609765.01091.93mm A s =⨯⨯⨯=26/43.217100535087.01054.66mm N sk =⨯⨯⨯=σ 01.0=te ρ4423.001.043.2712.265.01.1=⨯⨯-=ψ mm mm 2.019.001.01608.0209.110243.2174423.01.25<=⎪⎭⎫ ⎝⎛⨯+⨯⨯⨯⨯⨯=ω。
2.6 人防结构计算一、结构设计概况:1.1 本工程为六级人防地下室。
工程抗震设防烈度为六度(设计基本地震加速度为0.05g),人防地下室结构设计应结合平时和和战时统一考虑。
1.2本工程人防地下室埋于地下二层,结构设计时应考虑其外围构件的抗渗能力和抗腐蚀能力。
二、结构设计依据:2.1人民防空地下室设计规范(GB50038—2005);2.2《人民防空地下室建筑设计》 FJ01~04;2.3《人民防空地下室结构设计》 FG01~03;2.4其他规范(同结构主体设计);三、材料:3.1混凝土及钢筋的选用见结构总说明;3.2混凝土的强度等级:C35 ,强度综合调整系数=1.5;3.3钢筋种类:HPB235级钢筋 ,强度综合调整系数=1.5;HRB335级钢筋 ,强度综合调整系数=1.35;HRB400级钢筋 ,强度综合调整系数=1.2。
四、荷载选择:4.1顶板等效静荷载标准值 55kN/m;4.2 顶板荷载组合:顶板荷载:人防荷载+顶板自重+战时不拆除的设备自重;4.3外墙等效静荷载标准值 55kN/m;4.4外墙设计荷载组合:a.外墙上的垂直荷载:人防顶板传来的组合荷载,上部建筑物传来的垂直荷载;外墙自重;b.外墙上的水平荷载:核爆动荷载产生的水平动荷载、土压力。
4.5底板等效静荷载标准值 25kN/m;4.6底板设计荷载组合:考虑平时停车库的向下荷载及战时向上的等效静荷载。
4.7出入口临空墙人防等效静荷载标准值 130kN/m;4.8出入口防护密闭门门框墙等效静荷载标准值 200kN/m;4.9与普通地下室相邻隔墙人防等效静载标准值 140kN/m;4.10与普通地下室相邻门框墙人防等效静载标准值 200kN/m;4.11相邻防护单元抗力相同时,隔墙、门框墙的水平等效静载标准值 50kN/m;4.12室外出入口楼梯踏步及休息平台等效静载标准值:正面60kN/m,反面30kN/m。
四、人防构件计算:1、人防地下室外墙计算fc=C35, fy=360第 1 层外墙, 墙厚h= 350mm, 层高L=4.8m强度计算上支座跨中下支座M 0.0 21.4 -129.2As 0 192 1209人防强度计算上支座跨中下支座M 0.0 63.5 -196.6As 0 426 1363裂缝验算上支座跨中下支座M 0.0 21.4 -129.2As 0 337 2574第 2 层外墙, 墙厚h= 350mm, 层高L=5.5m强度计算上支座跨中下支座M -129.2 113.6 -246.0As 1404 1228 2796人防强度计算上支座跨中下支座M -196.6 143.2 -305.1As 1583 1139 2525裂缝验算上支座跨中下支座M -129.2 113.6 -246.0As 2562 2152 53272.人防地下室底板计算在基础底板计算时考虑人防底板何在25KN/m2。
一、负荷统计表二、负荷统计由负荷统计表可知:战时一二级负荷:有功20.4 KW,无功12.21kvar;三、系统运行说明本工程由室外配电总箱引来一路低压外电源,战时用电由人防区域内EPS供给。
四、低压自动开关的选择1、配电线路⑴照明回路Izd1≥Kk1×Ijs以车库照明(AL)为例Pe=27.15 KWIjs=41A Kk1=1.3Izd1≥1.3×37=53.3A Izd1=63A过流脱扣器整定电流:Izd3≥Kk3×Ijs=3×41=125A⑵电动机回路以进风机为例Pe=3KW Ie=5.7A Iqd=39.9A过负荷脱扣器整定电流:Izd1≥Kjs×Ie=1.7×5.7=9.69A 即过负荷脱扣器整定电流值为:Izd1=16A瞬时过电流脱扣器整定电流:Izd2≥Kjs×Iqd=1.7×39.9=67.83A即Izd2=70A其余开关选择见“供电系统图”五、低压电缆的选择1、按电缆的载流量选择电缆的截面以战时进风机,水泵回路为例:Pe=5.15KWIjs=10A L=0.060km 开关整定电流为:Ie=20A选择BV-0.5KV 5×4 电线,其允许通过电流为21A,即:Ie1>Ie2、按允许电压损失进行校验u%= u0%×I×L=1.918×6×0.06=0.7%即电压损耗为:u%=0.7%<5%故选择BV-0.5KV 5×4 电线是可行的其它电缆选择见“低压配电系统图”六、照明1、战时进风机房照度标准:>75Lx以荧光灯照明为主,S=4.6×2.8=12.88M2,Ri=(4.6×2.8)/3.6(4.6+2.8)=0.48 查表U K=0.48E=(2×2200×0.48×0.8)/ 12.88=131Lx 满足要求2、其余房间以荧光灯照明为主按8W/M2计算。
1. 人防地下室外墙计算墙厚250mm 砼强度等级C40 钢筋级别HRB400土内摩擦角 Φ=22° 土容重 r=18KN/m 3地下室底板顶标高-5.100m ; 覆土厚1.5m地下室底板标高 –1.500m 处① 考虑地面活荷载影响(消防车) 取 q=20KN/㎡产生的土压力荷载 (折合为荷载作用高度)h=q/r=20/18=1.11mq 1=rhk 0=18×1.11×0.63=12.6 KN/㎡{ EMBED Equation.DSMT4 |0k =1-sin =0.63② 土压力产生的荷载:q 2=rhk 0=18×3.6×0.63=41KN/㎡③ 地下室顶板到室外,室内外高差300mm ,1.2m 范围内土体产生的荷载q 3=rhk 0=18×1.2×0.63=13.6KN/㎡④ 人防荷载外墙等效静荷载根据《人防规范》表4.8.3-1 湿陷性黄土考虑上部结构影响 λ=1.1 (4.8.3)25×1.1=27.52. 配筋计算<1> 战时矩形荷载:q a = 1.2×13.6+1.4×27.5×0.63=41KN/㎡三角形荷载:q b= 1.2×41=49.2KN/㎡上端:简支下端:固定左端:固定右端:固定Ly/Lx=3.6/4.8=0.75①矩形荷载作用下:Mx=0.03333×ql2=0.0333×41×3.62=17.7KN·m My=0.0107×ql2=0.0107×41×3.62=5.7KN·mMx0=-0.0748×ql2=-0.0748×41×3.62=-39.8KN·m My0=-0.0571×ql2=-0.0571×41×3.62=-30.3KN·m ②三角形荷载作用下Mx max=0.0096×49.2×3.62=6.1KN·mMy max=0.0161×49.2×3.62=10.3KN·mMx0 max=-0.0338×49.2×3.62=-2.2KN·m My0 max=-0.0482×49.2×3.62=-3.1KN·m Mx=Mx maxMy=My maxMx0 = Mx0 max弯距设计值叠加为:Mx=17.1+6.1=23.8 KN·mMx=5.7+10.3=16 KN·mMx0=-39.8-2.2=-42 KN·mMy0=-30.3-3.1=-33.4 KN·m19.1×1.5=28.65360×1.2=432X向配筋Y向配筋<2> 平时矩形荷载:q a= 1.2×13.6+1.4×12.6=34KN/㎡三角形荷载:q b= 1.2×41=49.2KN/㎡Ly/Lx=3.6/4.8=0.75①矩形荷载作用下:Mx=0.03333×ql2=0.0333×34×3.62=14.7KN·mMy=0.0107×ql2=0.0107×34×3.62=4.7KN·mMx0=-0.0748×ql2=-0.0748×34×3.62=-33KN·mMy0=-0.0571×ql2=-0.0571×34×3.62=-25.2KN·m②三角形荷载作用下Mx =0.0096×49.2×3.62=6.1KN·m+14.7=20.8 KN·mMy =0.0161×49.2×3.62=10.3KN·m+4.7=15 KN·mMx0 =-0.0338×49.2×3.62=-21.6KN·m-33=-54.6KN·mMy0 =-0.0482×49.2×3.62=-31KN·m-25.2=56.2 KN·mX向配筋12@140Y向配筋12@180。
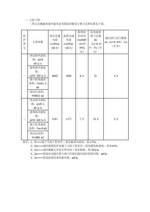
人防计算书(暖通部分)【参考文献及设计依据】《人民防空地下室设计规范》GB50038-2005《防空地下室通风设计》07FK01~02【人防概况】本工程人防等级为二等人员掩蔽所,设二个人防单元,设在地下四层,平时作汽车库用。
人防面积(m^2):3236人防掩蔽面积(m^2):2104人防掩蔽人数(人):2104【人防单元一】人防面积(m^2):1404人防掩蔽面积(m^2):913人防掩蔽人数(人):913【通风部分】:清洁通风新风指标(m^3/p):6清洁通风新风量(m^3/h):5478滤毒通风新风指标(m^3/p):3.0滤毒通风新风量(m^3/h):2739防毒通道实际换气次数(h-1):>40【防护通风】:1.清洁式通风新风量:L1=913*6=5478(m^3/h)2.滤毒式通风新风量:(1).按人数计算:LR=913*3=2739(m^3/h)(2).按保证防毒通道换气次数计算:L3=11.5*3.3*40=1520(m^3/h)保证人防工程计算漏风量:Lf=913*3.3*7%=211(m^3/h)LH=L3+Lf=1520+211=1731(m^3/h)因为LR>LH 所以滤毒通风新风量应取:L2=LR=2739(m^3/h)设计滤毒通风新风量应不小于2739(m^3/h) 【设备选型】:1.粗效过滤器:设计计算风量: 5478(m^3/h)选用:LWP-X-1600型过滤器单个处理风量:1400(m^3/h)需要油网过滤器个数:3.91实际选型个数:52.吸收器数量:设计计算风量: 2739(m^3/h)选用:RFP-1000型吸收器单台额定风量:1000(m^3/h)需要吸收器个数:2.74实际选型个数:33.自动排气阀:设计计算风量: 2739(m^3/h)选用:PS-D250排气阀单个排气量:800(m^3/h)需要排气阀个数:3.16实际选型个数:44.电动脚踏二用风机:设计计算风量: 5478(m^3/h)(清洁式通风)2739(m^3/h)(滤毒式通风) 选用:DJF-1型电动脚踏二用风机单台风量:2421(m^3/h) (清洁式通风)1225(m^3/h) (滤毒式通风) 需要电动脚踏二用风机台数:2.26/2.24实际选型台数:35.排风机:SWF-III型高效低噪声混流式通风机No.4风量:6801 (m^3/h)风压:710(Pa)功率:4.0(KW)【隔绝防护时间】:t=1000V(C-Co)/N.C1V=913x3.4=3104 m3C=2.5%Co=0.40%N=913 人C1=20 L/P.ht=3.47 h本工程需要隔绝防护时间:3h本工程实际隔绝防护时间:3.47h实际隔绝防护时间>需要隔绝防护时间,所以满足要求!【人防单元二】人防面积(m^2):1832人防掩蔽面积(m^2):1191人防掩蔽人数(人):1191【通风部分】:清洁通风新风指标(m^3/p):5.5清洁通风新风量(m^3/h):6550滤毒通风新风指标(m^3/p):2.5滤毒通风新风量(m^3/h):2977防毒通道实际换气次数(h-1):>40【防护通风】:1.清洁式通风新风量:L1=1191*5.5=6550(m^3/h)2.滤毒式通风新风量:(1).按人数计算:LR=1191*2.5=2977(m^3/h)(2).按保证防毒通道换气次数计算:L3=11.5*3.3*40=1520(m^3/h)保证人防工程计算漏风量:Lf=1191*3.3*7%=275(m^3/h)LH=L3+Lf=1520+275=1795(m^3/h)因为LR>LH 所以滤毒通风新风量应取:L2=LR=2977(m^3/h)设计滤毒通风新风量应不小于2977(m^3/h) 【设备选型】:1.粗效过滤器:设计计算风量: 6550(m^3/h)选用:LWP-X-1600型过滤器单个处理风量:1400(m^3/h)需要油网过滤器个数:4.68实际选型个数:52.吸收器数量:设计计算风量: 2977(m^3/h)选用:RFP-1000型吸收器单台额定风量:1000(m^3/h)需要吸收器个数:2.98实际选型个数:33.自动排气阀:设计计算风量:2977(m^3/h)选用:PS-D250排气阀单个排气量:800(m^3/h)需要排气阀个数:3.38实际选型个数:44.电动脚踏二用风机:设计计算风量: 6550(m^3/h)(清洁式通风)2977(m^3/h)(滤毒式通风) 选用:DJF-1型电动脚踏二用风机单台风量:2421(m^3/h) (清洁式通风)1225(m^3/h) (滤毒式通风) 需要电动脚踏二用风机台数:2.70/2.43 实际选型台数:35.排风机:SWF-III型高效低噪声混流式通风机No.4风量:6801 (m^3/h)风压:710(Pa)功率:4.0(KW)【隔绝防护时间】:t=1000V(C-Co)/N.C1V=1191x3.4=4049.4 m3C=2.5%Co=0.43%N=1191 人C1=20 L/P.ht=3.41 h本工程需要隔绝防护时间:3h本工程实际隔绝防护时间:3.41h实际隔绝防护时间>需要隔绝防护时间,所以满足要求!。
------------------------------------------------------------------- 计算项目: 人防临空墙 1------------------------------------------------------------------- [ 计算条件 ]墙长 = 4.95(m) 墙宽 = 2.90 (m) 墙厚 = 300 (mm)墙面均布荷载: 130.00 (kN/m^2)竖向均布荷载: 0.00 (kN/m)砼强度等级: C40纵筋级别: HRB400配筋计算as (mm):: 15 (mm)跨中弯矩调整系数: 1.00 支座弯矩调整系数: 1.00支承条件:**** 下边右边上边左边固接固接简支固接[内力结果] (已乘弯矩调整系数)内力按塑性理论计算(适用于大偏心受压):跨中弯矩(kN-m/m):Ma = 14.72 Mb = 43.06垂直板边弯矩(kN-m/m):下右上左 -86.11 -29.45 0.00 -29.45 [配筋结果]轴压比: N/(A*fc)= 0.0000竖直方向配筋(mm^2/m):[注意: 配筋小于0表示超筋, 荷载作用面为外侧]上截面:非荷载侧= 900 荷载侧= 900(mm^2/m)中截面:非荷载侧= 900 荷载侧= 600(mm^2/m)下截面:非荷载侧= 600 荷载侧= 900(mm^2/m) 水平方向配筋(mm^2/m):[注意: 配筋小于0表示超筋]左中右荷载侧 900 900 900非荷载侧 900 900 900------------------------------------------------------------------- 计算项目: 人防临空墙 2------------------------------------------------------------------- [ 计算条件 ]墙长 = 7.65(m) 墙宽 = 2.90 (m) 墙厚 = 400 (mm)墙面均布荷载: 130.00 (kN/m^2)竖向均布荷载: 0.00 (kN/m)砼强度等级: C40纵筋级别: HRB400配筋计算as (mm):: 15 (mm)跨中弯矩调整系数: 1.00支座弯矩调整系数: 1.00支承条件:**** 下边右边上边左边固接固接简支固接[内力结果] (已乘弯矩调整系数)内力按塑性理论计算(适用于大偏心受压):跨中弯矩(kN-m/m):Ma = 0.00 Mb = 76.87垂直板边弯矩(kN-m/m):下右上左 -136.66 0.00 0.00 0.00 [配筋结果]轴压比: N/(A*fc)= 0.0000竖直方向配筋(mm^2/m):[注意: 配筋小于0表示超筋, 荷载作用面为外侧]上截面:非荷载侧= 1200 荷载侧= 1200(mm^2/m)中截面:非荷载侧= 1200 荷载侧= 800(mm^2/m)下截面:非荷载侧= 800 荷载侧= 1200(mm^2/m) 水平方向配筋(mm^2/m):[注意: 配筋小于0表示超筋]左中右荷载侧 1200 1200 1200非荷载侧 1200 1200 1200------------------------------------------------------------------- 计算项目: 人防临空墙 1------------------------------------------------------------------- [ 计算条件 ]墙长 = 7.65(m) 墙宽 = 2.90 (m) 墙厚 = 300 (mm)墙面均布荷载: 130.00 (kN/m^2)竖向均布荷载: 0.00 (kN/m)砼强度等级: C40纵筋级别: HRB400配筋计算as (mm):: 15 (mm)跨中弯矩调整系数: 1.00支座弯矩调整系数: 1.00支承条件:**** 下边右边上边左边固接固接简支固接[内力结果] (已乘弯矩调整系数)内力按塑性理论计算(适用于大偏心受压):跨中弯矩(kN-m/m):Ma = 0.00 Mb = 76.87垂直板边弯矩(kN-m/m):下右上左 -136.66 0.00 0.00 0.00 [配筋结果]轴压比: N/(A*fc)= 0.0000竖直方向配筋(mm^2/m):[注意: 配筋小于0表示超筋, 荷载作用面为外侧]上截面:非荷载侧= 900 荷载侧= 900(mm^2/m)中截面:非荷载侧= 900 荷载侧= 600(mm^2/m)下截面:非荷载侧= 600 荷载侧= 1172(mm^2/m) 水平方向配筋(mm^2/m):[注意: 配筋小于0表示超筋]左中右荷载侧 900 900 900非荷载侧 900 900 900------------------------------------------------------------------- 计算项目: 人防临空墙 1------------------------------------------------------------------- [ 计算条件 ]墙长 = 8.40(m) 墙宽 = 2.90 (m) 墙厚 = 300 (mm)墙面均布荷载: 130.00 (kN/m^2)竖向均布荷载: 0.00 (kN/m)砼强度等级: C40纵筋级别: HRB400配筋计算as (mm):: 15 (mm)跨中弯矩调整系数: 1.00支座弯矩调整系数: 1.00支承条件:**** 下边右边上边左边固接固接简支固接[内力结果] (已乘弯矩调整系数)内力按塑性理论计算(适用于大偏心受压):跨中弯矩(kN-m/m):Ma = 0.00 Mb = 76.87垂直板边弯矩(kN-m/m):下右上左-136.66 0.00 0.00 0.00 [配筋结果]轴压比: N/(A*fc)= 0.0000竖直方向配筋(mm^2/m):[注意: 配筋小于0表示超筋, 荷载作用面为外侧]上截面:非荷载侧= 900 荷载侧= 900(mm^2/m)中截面:非荷载侧= 900 荷载侧= 600(mm^2/m)下截面:非荷载侧= 600 荷载侧= 1172(mm^2/m) 水平方向配筋(mm^2/m):[注意: 配筋小于0表示超筋]左中右荷载侧 900 900 900非荷载侧 900 900 900------------------------------------------------------------------- 计算项目: 人防单元隔墙 1------------------------------------------------------------------- [ 计算条件 ]墙长 = 6.25(m) 墙宽 = 2.90 (m) 墙厚 = 300 (mm)墙面均布荷载: 50.00 (kN/m^2)竖向均布荷载: 2000.00 (kN/m)砼强度等级: C40纵筋级别: HRB400配筋计算as (mm):: 15 (mm)跨中弯矩调整系数: 1.00支座弯矩调整系数: 1.00支承条件:**** 下边右边上边左边固接固接简支固接[内力结果] (已乘弯矩调整系数)内力按塑性理论计算(适用于大偏心受压):跨中弯矩(kN-m/m):Ma = 0.00 Mb = 29.57垂直板边弯矩(kN-m/m):下右上左-52.56 0.00 0.00 0.00[配筋结果]轴压比: N/(A*fc)= 0.2909竖直方向配筋(mm^2/m):[注意: 配筋小于0表示超筋, 荷载作用面为外侧]上截面:非荷载侧= 600 荷载侧= 900(mm^2/m)中截面:非荷载侧= 900 荷载侧= 600(mm^2/m)下截面:非荷载侧= 600 荷载侧= 900(mm^2/m)水平方向配筋(mm^2/m):[注意: 配筋小于0表示超筋]左中右荷载侧 900 900 900非荷载侧 900 900 90011。
版本号:B修改码:0哈尔滨工业大学建筑设计研究院文件人防设计计算书代码:[BR-7-13]哈尔滨工业大学建筑设计研究院人防计算书一、设计依据《人民防空地下室设计规范》GB50038-2005《建筑地基基础设计规范》GB50007-2011《混凝土结构设计规范》GB50010-2010《建筑抗震设计规范》GB50011-2010(2016版)二、荷载取值人防工程为地下两层,层高均为3.6m,地下二层为甲类核6级,常6级物资库,地下一层为甲类核6级,常6级二等人员掩蔽所,荷载根据《人民防空地下室设计规范》GB50038-2005取值,按承受常规武器爆炸动荷载、核武器爆炸动荷载、静荷载组合分别作用设计,并取最不利组合配筋。
三、材料墙、柱混凝土采用C35,梁、板采用C35混凝土,钢筋:采用HRB400级。
四、结构体系本工程采用钢筋混凝土框架结构,外墙、临空墙、隔墙等采用钢筋混凝土墙体,基础采用桩基础,地下室底板为桩基础防水板,地下室顶楼盖采用无梁楼盖体系,梁、板、墙、底板构件尺寸详见图纸。
五:设计方法人防楼板及梁柱配筋采用盈建科1.8.2版,输入相应荷载进行设计。
地下室外墙,临空墙,人防隔墙等采用理正,scct等结构计算软件,按相应人防荷载进行设计。
因每层净高均小于 3.6m,门框墙根据图集《防空地下室结构设计》FG01~05进行选取。
竖井,防爆波电缆井,人防楼梯,放倒塌棚架等根据《防空地下室结构设计》FG01~05进行选取。
六:构件计算LKQ1临空墙计算3600x3600mm,双向板一、计算条件:工程名称: 工程一工程项目: 项目一临空墙编号: LKQ1临空墙的宽度L x(mm): 3600临空墙的高度L y(mm): 3600临空墙的厚度t(mm): 300临空墙等效静荷载q e(kN/m2): 160临空墙保护层厚度c(mm): 20临空墙混凝土强度等级: C35临空墙钢筋级别: HRB400内力计算采用弹性方法: 否临空墙最小配筋率(%): 0.25动荷载下构件允许延性比[ ]: 1.0进行斜截面抗剪验算: 是进行抗冲切验算: 是二、计算依据:《混凝土结构设计规范》GB50010-2010《建筑结构荷载规范》GB50009-2012《建筑结构静力计算实用手册》浙江大学编写,中国建筑工业出版社出版三、计算结果:(1)系数说明:Mx,Mxmax分别为平行于Lx方向板中心点的弯矩和板跨内最大弯矩;My,Mymax分别为平行于Ly方向板中心点的弯矩和板跨内最大弯矩;Mxo,Myo分别为固定边中点沿Lx和Ly方向的支座弯矩;(2)(3)(4)人防组合下,板斜截面抗剪计算过程如下:V= [q× (2×Ly-Lx) ×Lx/ (4×Ly)] /1000= [160.00× (2×3600-3600) ×3600/ (4×3600)] /1000=144.00kN混凝土轴心受压强度设计值:f t=1.43N/mm2混凝土材料综合调整系数:γd=1.50调整后的混凝土轴心受压强度设计值: f td=f t×γd×0.8=1.43×1.50×0.8=1.72N/mm2截面有效高度: H0=H-c-10=300-20-10=270mmβh=1截面抗剪承载力: R=0.7×βh×f td×H0=0.7×1.0000×1.72×270=324.32kN人防组合下, V≤ 0.7×βh×f td×H0 , 板斜截面抗剪验算满足要求!(5)人防组合下,板抗冲切计算过程如下:人防组合面荷载值:q=160kN/m2混凝土抗拉强度:f t=1.43N/mm2调整后的混凝土抗拉强度: f td=f t×r d=1.43×1.50=1.72N/mm2H0=H-c1-8=300-20-8=272mmβh=1F L=q× (Lx-2×H) × (Ly-2×H) /1000000=160.00× (3600-2×300) × (3600-2×300) /1000000=1440.00kNu m= (Lx-H) ×2+ (Ly-H) ×2= (3600-300) ×2+ (3600-300) ×2=13200mmR=0.7×βh×f td×u m×H0/1000=0.7×1.00×2.15×13200×272/1000=5390.99kN人防组合下, F L≤ 0.7×βh×f t×u m×H0 , 板抗冲切验算满足要求!LKQ2 临空墙计算7200x3600 双向板一、计算条件:工程名称: 工程一工程项目: 项目一临空墙编号: LKQ1临空墙的宽度L x(mm): 7200临空墙的高度L y(mm): 3600临空墙的厚度t(mm): 300临空墙等效静荷载q e(kN/m2): 160临空墙保护层厚度c(mm): 20临空墙混凝土强度等级: C35临空墙钢筋级别: HRB400内力计算采用弹性方法: 否临空墙最小配筋率(%): 0.25动荷载下构件允许延性比[β]: 1.0进行斜截面抗剪验算: 是进行抗冲切验算: 是二、计算依据:《混凝土结构设计规范》GB50010-2010《建筑结构荷载规范》GB50009-2012《建筑结构静力计算实用手册》浙江大学编写,中国建筑工业出版社出版三、计算结果:(1)系数说明:Mx,Mxmax分别为平行于Lx方向板中心点的弯矩和板跨内最大弯矩;My,Mymax分别为平行于Ly方向板中心点的弯矩和板跨内最大弯矩;Mxo,Myo分别为固定边中点沿Lx和Ly方向的支座弯矩;(2)均布荷载下双向板系数如下:(3)人防组合下双向板计算结果如下:(4)人防组合下,板斜截面抗剪计算过程如下:V= [q× (2×Lx-Ly) ×Ly/ (4×Lx)] /1000= [160.00× (2×7200-3600) ×3600/ (4×7200)] /1000=216.00kN混凝土轴心受压强度设计值:f t=1.43N/mm2混凝土材料综合调整系数:γd=1.50调整后的混凝土轴心受压强度设计值: f td=f t×γd×0.8=1.43×1.50×0.8=1.72N/mm2截面有效高度: H0=H-c-10=300-20-10=270mmβh=1截面抗剪承载力: R=0.7×βh×f td×H0=0.7×1.0000×1.72×270=324.32kN人防组合下, V≤ 0.7×βh×f td×H0 , 板斜截面抗剪验算满足要求!(5)人防组合下,板抗冲切计算过程如下:人防组合面荷载值:q=160kN/m2混凝土抗拉强度:f t=1.43N/mm2调整后的混凝土抗拉强度: f td=f t×r d=1.43×1.50=1.72N/mm2H0=H-c1-8=300-20-8=272mmβh=1F L=q× (Lx-2×H) × (Ly-2×H) /1000000=160.00× (7200-2×300) × (3600-2×300) /1000000=3168.00kNu m= (Lx-H) ×2+ (Ly-H) ×2= (7200-300) ×2+ (3600-300) ×2=20400mmR=0.7×βh×f td×u m×H0/1000=0.7×1.00×2.15×20400×272/1000=8331.52kN人防组合下, F L≤ 0.7×βh×f t×u m×H0 , 板抗冲切验算满足要求!LKQ3 临空墙计算单向板本计算依据《人民防空地下室设计规范》GB50038-2005简称《规范》,其余规范按国家统一标准。
金佳·嘉园暖通计算书(人防)一、建筑条件:人防建筑面积:1969.00平方人防掩蔽面积: 1375.58平方掩蔽人数: 1374人防毒通道体积:V0=10x3.5=35m3密闭区容积:V=5835m3二、清洁通风计算:1.清洁通风新风指标:q1=5.4m3/h.p2.清洁通风量:LQ=N.q1 =1374x5.4=7419.6m3/h3.平时最大通风量为40000 m3/h,大于战时通风风量,采用平时最大通风量确定通风竖井面积,取通风竖井风速为6m/s,则Sj=40000/(3600x6)=1.85m2要求土建专业在设计进风井时,竖井面积Sx应大于1。
85平方,竖井室外百叶面积不小于2平方。
三、滤毒通风计算:1.滤毒通风新风指标:q2=2.1m3/h.p2.滤毒通风量:LR=N.q2 =1374x2.1=2885.4m3/h3.保持室内正压所需新风量为:LH=V0XK+V4%=35X40+5835X0.04=1433.4m3/h小于2885.4m3/h 滤毒通风量LD取LR和LH中的大值,故LD=2885.4m3/h.四、防护隔绝时间计算:t=1000V(C-C0)/NC1=1000x5835x(2.5%-0.45%)/1373x20=4.3h>3h满足规范要求五、最小防毒通道换气次数:n=L(滤毒)-0.04V/V0n=3000-0.04x5835/35n=79次/h六、超压排气活门数量计算:n=L(滤毒)-0.04V/L0n=3000-0.04x5835/800n=3.4只取四个七、进风消波设施的设计选型:本工程采用悬板防爆波活门,清洁通风量为7419.6m3/h,所选防爆波活门的战时最大通风量应大于7419.6m3/h,选用BMH8000-15,该活门战时最大通风量为8000m3/h.八、计算油网滤尘网数量:本工程采用LWP-X型油网滤尘网,单块最大通过风量为1600m3/h,n=LQ/Ly=7500/1600=4.69块考虑到便于安装,选用双数6块。
a=1700b=2200a/b=0.77γa =0.36γb =0.42q ia =122.40q ib =142.80f yd =432N/mm 2f cd =38.50N/mm 2f td =2.85N/mm 2二、受力分析及计算1.门框梁计算1.1.受力简图2. 混凝土强度等级C504. 最小配筋率0.32.0 墙厚(mm)3002. 计算查表:二、材料1. 钢筋等级HRB400 3. 保护层厚度(mm)201.8 门扇类型单扇门1.9 短边悬挑长度(mm)4001.6 门洞宽度(mm)15001.7 门洞高度(mm)20001.3 层高:3.451.4 净宽:2.1mm 1.5 qe(KN/m 2)200人防工程门框梁计算FMK16-0820(BFM0820-15)一、人防荷载1. 基本参数:1.1 部位:竖井1.2 抗力级别:甲类核610m矩计算0.3x 0.3xa=0.30m xb= 1.70m xc=0.10m q1=60.00KN/m q2=122.40KN/m q3=40.00KN/m q4=135.00KN/m M1ab =22.1KNmM1ba =22.1KNm F Q F BA1=63.0KN M2ab =49.0KNm M2ba =59.3KNm F Q F BA2=118.9KN M3ab = 1.6KNm M3ba =0.1KNm F Q F BA3=0.2KN M4ab =49.6KNm M4ba =49.6KNm F Q F BA4=141.8KN ΣM ab =122.2KNm ΣM ba =131.1KNmΣF Q F BA =323.8KNMmax=131.1KNm1.3.配筋计算h0=280mm αs=0.14474ζ=0.15707γs=0.92146As0=1176Asmin=270As=1176层高(m) 3.65计算简图选用右图门洞墙墙长(m) 2.1(门框墙自门洞两侧墙肢或墙柱以内墙长)梁截面BxH0.4x0.5(B为顺墙长方向高度)xa=0.05m xb= 2.20m xc= 1.40m q1=80.00KN/m q2=142.80KN/m q3=10.00KN/m F Q F BA =323.78KN M1ab =88.8KNm M1ba =88.8KNm M2ab =169.5KNm M2ba =78.0KNm M3ab =11.1KNm M3ba =11.1KNm M4ab =547.9KNmM4ba =952.6KNmΣM ab =817.3KNm ΣM ba =1130.5KNmMmax=1130.5KNm1.3.配筋计算h0=480mm αs=0.31861ζ=0.39769γs=0.80115As0=6805Asmin=600柱截面BxH以下部分为门框柱计算,如采用右图,以下内容无效2.门框柱计算2.1.受力简图是否设固定门槛设门槛As=6805。
附二综合楼挡土墙&人防墙计算书本工程防空地下室为甲类核5级防空地下室,设置一个防护单元(包括抗爆单元一、二)。
人防设在地下一层。
1、构件截面选型与荷载确定1)人防顶板厚度及顶板等效静荷载q e1根据《人民防空地下室设计规范》(GB50038-2005)4.8.2条规定,顶板覆土厚度≤0.5m,不考虑上部建筑影响的情况下,核武器地面爆炸时产生的顶板等效静荷载q e1取120KN/m2。
根据GB50038-2005 3.2.2条及4.11.3条规定,该工程人防顶板厚度不小于360mm。
人防顶板所处环境类别为一类。
2)人防外墙厚度及外墙等效静荷载q e2该工程地下二层的地下室底板板顶绝对标高60.0m根据湖南省勘察设计院于2008年5月提供的《岩土工程详细勘察报告》,人防地下室基本位于地下水位以下,因此应按饱和土计算。
根据GB50038-2005第4.6.2条规定,钢筋砼结构构件的允许延性比[β]取2.0;根据GB50038-2005第4.8.3条规定,饱和土中钢筋砼外墙等效静荷载标准值为115KN/m2。
根据GB50038-2005 4.11.3条规定,该工程人防外墙厚度不小于250mm,根据实际情况该工程人防外墙厚度取为400mm。
人防外墙所处环境类别为二a类。
3)人防底板厚度及底板等效静荷载q e3根据GB50038-2005第4.8.15条规定,q e3取50KN/m2。
参考GB50038-2005 4.11.3条规定,根据实际情况该工程人防底板厚度取为400mm。
人防底板所处环境类别为二a类。
4)不同抗暴单元间隔墙、门框墙厚度及等效静荷载q e根据GB50038-2005第4.8.9条规定,防护单元内不同抗暴单元间隔墙q e取100KN/m2,防护单元与普通地下室之间隔墙q e取180KN/m2,门框墙q e取320KN/m2。
参考GB50038-2005 4.11.3条规定,根据实际情况该人防工程防护单元与普通地下室之间隔墙、门框墙厚度取为400mm。
人防工程计算书1.计算清洁通风新风量L Q和滤毒通新风量L D:新风量标准:取清洁通风L1=7.0m3/(P·h),滤毒通L2=2.5m3/(P·h)(1)计算清洁通风新风量L Q、新风竖井截面面积S XL Q=L1×n=7.0m3/(P·h)×360P=2520 m3/h平时最大进风量为9000 m3/h,大于战时清洁通风新风量,应采用平时最大进风量确定进风竖井截面积S X。
取进风竖井中的进风速度为6m/s,则:S J=9000/(3600×6)m2=0.42m2因此,应确保进风竖井有效截面积大于0.42 m2。
(2)滤毒通风新风量L D的确定按掩蔽人员计算:L R= L1×n=7.0m3/(P·h)×360P=2520 m3/h防毒通道的有效容积:V F=6m2×3.0m=18m3取滤毒通风时防毒通道的换气次数:K=40次/h密闭清洁区的容积:V0=412m2×3.0m=1236m3地下室超压时的漏风量:L f= V0×4%=1236×4%=49.4m3/h保持超压所需的新风量:L H=V F×K+L f=(18×40+49.4)m3/h=769.4 m3/h 滤毒通风新风量L D应取L R和L H二者中的大值,故L D=900 m3/h2.校核计算隔绝防护时间τ能否满足要求τ=1000V0∙(C−C0)1=1000×1236×(2.5%−0.34%)=3.7 ≥3(h)满足隔绝防护时间大于或等于3h的要求。
3.进风消波设施的设计选型本工程采用悬板防爆波活门,清洁通风新风量L Q=2520 m3/h,所选防爆波活门的战时最大通风量应大于2520 m3/h,选用MH3600-6型活门,该活门战时最大通风量为3600 m3/h,门孔净面积为S m=0.5m×0.8m=0.4m2平时进风量9000 m3/h经过门孔时的风速为:v=9000/(3600×0.4)m/s=6.25 m/s,活门门孔面积可满足平时进风量的需要。
给排水人防设计计算书
1、战时人员生活用水按28升/人,口部洗消用水按5升/平方米冲洗一次,战时人员饮用水按45升/人计。
人防分区人防掩蔽人数
(人)洗消用水水箱
(T)
饮用用水水箱
(T)
28L/人45L/人
1 1238 35 56
2 1332 38 60
3 1388 39 61
4 1330 38 60
5 1260 3
6 57
每个人防分区设置战时生活洗消不锈钢水箱一只,尺寸为:L*B*H=6X4X2.5,有效容积为55m3。
在生活洗消水箱一侧设气压变频给水设备GBWS-3-32-2SLG一套,配泵SLG3*3F两台(一用一备)及气压罐一只SQL800,满足生活、洗消用水的水量及水压要求。
人防口部洗消和防毒通道均预留水龙头。
每个人防分区设置战时饮用不锈钢水箱一只,尺寸为:L*B*H=10X4X2.5m,有效容积为80m3,满足饮用水量要求,在水箱侧壁设取水龙头。
2、人防单元六:物资库
设置洗消水箱8T,尺寸为:L*B*H=2*2*2.5m
3、柴油发电机房冷却水量计算:
柴油发电机房采用风冷,发电机组采用水冷。
设置混合水池。
发电机房内设置二台120KW的柴油发电机组。
根据《全国民用建筑工程设计技术措施---防空地下室》(2009版),
柴油发电机循环冷却水量:
Q=ε*N*m*b*k/((t2-t1)*C*ρ)
=0.35*120*2*0.23*41870/((75-50)*4.19*1000)
=0.77(m³/h)
混合水池的补水量:
Qh=((t2-t1)/((t2-t))*Q
=((75-50)/75-10)*0.77
=0.3(m³/h)
循环出水温度t2取75℃,循环进水温度t1取50℃,
混合水池按2天补水量储存水量,
V=Qh*T=0.3*2*24=14(m³)
则燃油消耗量为200g/kw·h*120KW*2=48000g/h=48kg/h。
燃油的发热量为:Q=48kg/h*41900kJ/kg=2011200 kJ/h
此热量包括柴油机的散热量Q1,发电机的散热量Q2和排烟管道的散热量Qy。
本设计采用风水冷相结合的方式,其中Q2和Qy由风冷机组带走。
水冷系统需冷却带走的热量为Q1,经查《防空地下室设计手册—暖通、给排水、电气分册》,二台120KW的柴油发电机组产生的Q1值约为30KW。
30KW=30*3600 kJ/h =108000 kJ/h
冷却水补充水量为:108000 kJ/h /[4.19 kJ/kg·℃*(80-40)℃]=644kg/h=0.644m3/h=15 m3/d
其中水的比热为4.19 kJ/kg·℃循环出水温度取80℃,
循环进水温度取40℃,
电站冷却水贮水时间按无可靠内、外水源考虑,贮存2d用水,则冷却水池容积为:15*2=30 m3
4、柴油发电机房供油系统计算:
油箱的容积:V=(24*120KW*2*0.2kg/kw·h*7d)/(0.85*1000)=9.48 m3
故本设计采用2只5吨搪瓷钢板油箱。
另柴油发电机设一个日用油箱,贮存柴油机10h的用油,则V=(120kw*0.2kg/kw·h*10h)/0.85*2=564L=0.6 m3。