维修电工中级操作技能试卷
- 格式:doc
- 大小:197.50 KB
- 文档页数:5
维修电工中级操作技能考核试卷注意事项一、本试卷依据2009年颁布的《维修电工》国家职业标准命制。
二、请根据试题考核要求,完成考试内容。
三、请服从考评人员指挥,保证考核安全顺利进行。
试题1、三相异步电动机双重联锁正反转启动能耗制动控制电路的安装与调试(1)考试时间:120分钟(2)考核方式:实操+笔试(3)本题分值:35分(4)具体考核要求:按照电气安装规范,依据图1.1.5-3正确完成三相异步电动机双重联锁正反转启动能耗制动控制电路的安装、接线和调试。
图L1.5-3笔试部分:(1)正确识读给定的电路图;写出下列图形文字符号的名称。
QS( );FUl( );KMl( );KT( );SBl( )。
(2)正确使用工具;简述电工刀使用注意事项。
答:(3)正确使用仪表;简述指针式万用表电阻挡的使用方法。
答:(4)安全文明生产,回答触电事故主要有那两类?答:操部作分:(5)按照电气安装规范,依据图LL5-3正确完成三相异步电动机双重联锁正反转启动能耗制动控制线路的安装和接线;(6)通电试运行。
试题2、三相交流异步电动机变频器控制装调(1)考试时间:60分钟(2)考核方式:实操+笔试(3)本题分值:35分(4)具体考核要求:依据图2.2.1-2的控制要求,绘制三相异步电动机的变频器控制线路图;按照电气安装规范,正确完成变频调速线路的安装、接线和调试。
按下启动按钮后,电动机按照图2.2.1-2要求运行。
工作方式设置:手动时,按下手动启动按钮,完成一次工作过程;自动时,按下自动按钮,能够重复循环工作过程。
有必要的电气保护环节。
图2.2.1-2笔试部分:(1)依据控制要求,在答题纸上正确绘制三相异步电动机的变频器控制线路图,并正确设置变频器参数。
(2)正确使用工具;简述电烙铁使用注意事项。
答:(3)正确使用仪表;简述指针式万用表电阻挡的使用方法。
答:(4)安全文明生产,回答在室外地面高压设备四周的围栏上悬挂什么内容的标示牌?答:操部作分:(5)按照电气安装规范,依据绘制的三相异步电动机变频器控制线路图,正确完成变频调速线路的安装和接线;(6)正确设置变频器的参数;(7)通电试运行。
国家职业技能鉴定维修电工中级工技能鉴定理论试题(第三套)一、选择题1、测速发电机是一种将()转换为电气信号的机电式信号。
A、电磁转矩B、输入电压C、转子速度D、输出电压2、劳动者的基本义务包括()等。
A、完成劳动任务B、获得劳动报酬C、休息D、休假3、在电源内部由负极指向正极,即从()。
A、高电位指向高电位B、低电位指向低电位C、高电位指向低电位D、低电位指向高电位4、职业道德对企业起到()的作用。
A、决定经济效益B、促进决策科学化C、增强竞争力D、树立员工守业意识5、机床的电气连接时,元器件上端子的接线用剥线钳剪切出适当长度,剥出接线头,除锈,然后镀锡,(),接到接线端子上用螺钉拧紧即可。
A、套上号码套管B、测量长度C、整理线头D、清理线头6、游标卡尺测量前应清理干净,并将两量爪合并,检查游标卡尺的()。
A、贴合情况B、松紧情况C、精度情况D、平行情况7、较复杂机械设备电气控制线路调试的原则是()。
A、先闭环,后开环B、先系统,后部件C、先外环,后内环D、先阻性负载,后电机负载8、在MGB1420万能磨床晶闸管直流调速系统控制回路的辅助环节中,由R29、()、R38组成电压负反馈电路。
A、R27B、R26C、R36D、R379、电阻器反映()对电流起阻碍作用的大小。
A、电阻率B、导体C、长度D、截面积10、测速发电机可以作为()。
A、电压元件B、功率元件C、解算元件D、电流元件11、用万用表测量测量控制极和阴极之间正向阻值时,一般反向电阻比正向电阻大,正向几十欧姆以下,反向()以上。
A、数百欧姆以上B、数十欧姆以上C、数千欧姆以上D、数十千欧姆以上12、在MGB1420万能磨床的内外磨砂轮电动机控制回路中,接通电源开关QS1,220V交流控制电压通过开关( )控制接触器KM2的通断,达到内外磨砂轮电动机的启动和停止。
A、SA1B、SA2C、SA3D、SA413、潮湿和有腐蚀气体的场所内明敷或埋地,一般采用管壁较厚的()。
职业技能鉴定国家题库维修电工中级操作技能考核试卷注 意 事 项一、本试卷依据2001年颁布的《维修电工国家职业标准》命制;2、请首先按要求在试卷的标封处填写您的姓名、准考证号和所在单位的名称。
3、请仔细阅读试题的具体考核要求,并按要求完成操作或进行笔答或口答;4、操作技能考核时要遵守考场纪律,服从考场管理人员指挥,以保证考核安全顺利进行。
试题1、根据电路图安装调试电动机控制电路。
本题分占:40% 考核要求:(1)考生根据电气原理图, 在规定的时间内写出线路工作原理和进行安装接线. (2)元件布置整齐、均匀、合理和牢固。
(3)按电气原理图接线,板面整齐、清洁、美观,无架空跨接现象.(4)接点不可以松动、反圈、露铜过长、压绝缘层。
不可以损伤导线绝缘或线芯。
(5)安全文明操作,整齐穿戴劳保用品。
(6)考试时间150分钟. 原理图:考 生 答 题 不 准 超 过 此 线地 区 姓 名单 位 名 称准 考 证 号维修电工初级操作技能考核评分记录表1单位_____________ 姓名__________________ 抽签号_______ 考核工时:分钟得分_________评分人: 年月日核分人:年月日试题2、根据M7120磨床电路图,在M7120磨床考核装置上排除故障.本题分占:30%考核要求:(1)考评人员在线路上设置主回路(带电机的主回路)人为设置故障1 处,控制回路人为设置故障 1 处,让考生进行故障维修操作考核。
(2)由考生按抽签号对应的电气线路上进行故障检查、排除考核.(3)考生考核时,首选用正确方法操作试车,进行故障现象观察,并用正确方法分析,然后用虚线“—— - —”在原理图中准确标出故障回路;最后在规定时间内检查出故障点,并在线路图内用“×"符号准确标出故障点和序号.(4)安全文明操作,整齐穿戴劳保用品。
(5)考试时间20分钟.原理图:职业技能鉴定国家题库维修电工中级操作技能考核评分记录表2项目考核要求与评分标准配分扣分说明故障1、用正确方法操作试车,进行故障现象观察,若操作方法错误扣5分/每次。
职业技能鉴定国家题库统一试卷中级维修电工知识试卷0903121-001注意事项1. 请首先按要求在试卷的标封处填写您的姓名、考号和所在单位的名称。
2. 请仔细阅读各种题目的回答要求,在规定的位置填写您的答案。
3. 不要在试卷上乱写乱画,不要在标封区填写无关内容。
一、选择题(第1~60 题。
选择正确的答案,将相应的字母填入题内的括号中。
每题1.0分。
满分60分):1. 一电流源的内阻为2Ω,当把它等效变换成10V的电压源时,电流源的电流是( )。
(A) 5A (B) 2A (C) 10A (D) 2.5A2. 一正弦交流电的有效值为10A,频率为50H Z,初相位为-30°,它的解析式为( )。
(A)i=10Sin(314t+30°)A (B) i=10Sin(314t-30°)A(C) i=102Sin(314t-30°)A (D) i=102Sin(50t+30°)A3. 相量U =100e-j60°v的解析式为( )。
(A) u=1002Sin(ωt-60°)v (B) u=100Sin(ωt-60°)v(C) u=100Sin(ωt+60°)v (D) u=1002Sin(ωt+60°)v4. 在RLC串联电路中,视在功率P s,有功功率P,无功功率P qc、P ql四者的关系是( )。
(A) P s=P+P ql+P qc(B) P s=P+P ql-P qc(C) P S2=P2+(P ql-P qc) 2(D) P s=P2+(P ql+P qc) 25. 三相对称负载作三角形联接时,相电流是10A,线电流与相电流最接近的值是( )A。
(A) 14 (B) 17 (C) 7 (D) 206. 低频信号发生器的低频振荡信号由( )振荡器产生。
(A) LC (B) 电感三点式(C) 电容三点式(D) RC7. 低频信号发生器开机后( )即可使用。
中级维修电工操作技能考核试卷准考证号: 学校: 姓名:中级维修电工操作技能考核试卷 4、正确使用工具和仪表。
5、考核注意事项:A、满分40分,考核时间30分钟。
B、在考核过程中,要注意安全。
题一:安装三相异步电动机断电延时Y—?启动的控制电路。
题三:用功率表测量单相负载功率。
考核要求:1、按要求正确接线,并测量单相负载消耗的功率。
2、考核注意事项:A、满分10分,考核时间15分钟。
B、在考核过程中,要注意安全。
C、不能损坏仪表、仪器,损坏仪表、仪器扣10分。
题四:按图焊接单相可控调压电路。
考核要求:1、按要求正确焊接,并能进行调光控制,焊接要牢固,焊点光滑、无虚焊。
2、能正确判断元件好坏。
3、考核注意事项:A、满分40分,考核时间60分钟。
B、在考核过程中,要注意安全。
考核要求:1、按图纸要求正确熟练地安装,元件在配线板上布置要合理,安装正确、牢固,配线要求牢题五:在各项技能考核中,要遵守安全文明生产的有关规定。
固、美观。
正确使用工具和仪表。
考核要求: 2、电源和电动机配线,按钮线要接到端子排上。
1、劳动保护用品穿戴整齐。
3、安全文明操作。
2、电工工具佩带齐全。
4、考核注意事项:3、遵守操作规程。
A、满分30分,考核时间120分钟。
4、尊重考评员,讲文明、礼貌。
B、在考核过程中,考评员要进行监护,注意安全。
5、考试结束清理现场。
6、遵守考场纪律,不能出现重大事故。
题二:检修:铣床的电气线路故障。
7、考核注意事项: 在铣床的电气线路上,设隐蔽故障2处(控制回路)。
考生向考评员询问故障现象时,考A、本项不配分,实行倒扣,最多不超过10分。
评员可以将故障现象告诉考生,由壹名考生独自完成故障排除。
B、安全文明生产贯穿于整个技能考核的全过程。
考核要求:C、出现严重违犯考场纪律或发生重大事故,本次技能考核视为不合格。
1、从设置故障开始,考评员不得进行提示。
2、根据故障现象,在电路图上分析故障可能产生的原因,确定故障发生的范围。
总成绩表统分人:年月日试题1、设计一个两地启动、停止,用时间继电器自动控制的双速异步电动机继电接触式电路图,并按图进行安装与调试选择考核项目时应考虑的其他因素:(1)本项目满分40分。
(2)本项目考核时间限定在180~240分钟。
(3)在做通电试验时,现场应有2名考评员,其中1人任现场监护。
(4)本内容作为中级维修电工的重点考核内容之一,考核时应优先选择。
(5)本项目具有第二类否定项。
(6)综合设计内容范围的界定:①电动机种类不限,台数一般不超过4台。
②电动机各种保护齐全,这主要指短路保护、过载保护、失压保护、欠压保护、接地保护、欠流保护等。
③电动机一般控制(行程控制、速度控制、时间控制、电流控制)中选两项以下(含两项)。
④电拖基本环节(点动控制、正转自锁控制、正反转控制、降压启动控制、多地控制、制动控制等)至少在3个以上。
⑤线路绘制必须采用GB4728—84.85《电气图用图形符号》和GB7159—87《电气设备通用技术文字符号》、GB6988—86《电气制图》等有关规定。
⑥综合设计时,允许考生带《电工手册》、《物资购销手册》作为选择元器件时参考。
评分人:年月日核分人:年月日试题2、按工艺规程主持检修1000千伏安以下三相电力变压器的故障检修否定项:故障检修得分少于20分,本次技能考核视为不合格。
选择考核项目时应考虑的其他因素:(1)本项目满分40分。
(2)本项目考核时间限定在240分钟。
(3)本项目故障点仅设置1个。
(4)在做通电试验时,现场应有2名考评员,其中1人任现场监护。
(5)从事变压器维修工作的维修电工考核时应优先选择本项目。
(6)本项目为第一类否定项。
评分人:年月日核分人:年月日试题3、用两表跨相法测量三相无功功率否定项:要求不能损坏仪器、仪表。
损坏仪器、仪表,扣10分。
选择考核项目时应考虑的其他因素:(1)本项目满分10分。
(2)本项目考核时间限定在30分钟。
(3)在做通电试验时,现场应有2名考评员,其中1人任现场监护。
维修电工中级操作技能考核试卷I公司内部编号:(GOOD-TMMT-MMUT-UUPTY-UUYY-DTTI-维修电工中级操作技能考核试卷考件编号:_______姓名:________准考证号:________单位:___________试题1、安装和调试三相异步电动机正反转运行手动控制线路及通电运行(给定电机)(1)总分60分(2)考核时间:60分钟试题2、三相异步电动机的拆装、检测(1)总分40分(2)考核时间:60分钟维修电工中级操作技能考核准备通知单(考生)姓名:_________准考证号:______________单位:___________试题1、安装和调试三相异步电动机正反转运行手动控制线路及通电运行(给定电机)(由考场准备)根据考核题图在规定的时间内完成控制电路的接线、调试,达到考核题规定的要求。
试题2、三相异步电动机的拆装、检测(由考场准备)根据考核要求在规定的时间内完成电动机的拆装、调试,达到考核题规定的要求。
维修电工中级操作技能考核准备通知单(考场)试题1、安装和调试三相异步电动机正反转运行手动控制线路及通电运行(给定电机)(1)电工工具1套、电机1个、导线若干、检测仪器1套(2)正反转运行手动控制线路图:试题2、三相异步电动机的拆装、检测(1)电机1个、电工工具1套、导线若干、检测仪器1套及其他必要的器材若干维修电工中级操作技能考核试卷考件编号:_______姓名:________准考证号:________单位:___________总成绩表统分人:年月日维修电工中级操作技能考核评分记录表考件编号:_______姓名:________准考证号:________单位:___________试题1、安装和调试三相异步电动机正反转运行手动控制线路及通电运行(给定电机)完成题操作时间为60分钟,每超出1分钟从本题中扣1%,操作超过10分钟,本题为零分。
评分人:年月日核分人:年月日维修电工中级操作技能考核评分记录表考件编号:_______姓名:________准考证号:________单位:___________试题2、三相异步电动机的拆装、检测完成题操作时间为60分钟,每超出1分钟从本题中扣1%,操作超过10分钟,本题为零分。
维修电工中级操作技能考试卷星三角起动文档编制序号:[KK8UY-LL9IO69-TTO6M3-MTOL89-FTT688]职业技能鉴定国家题库 维修电工中级操作技能考核试卷注 意 事 项一、本试卷依据2001年颁布的《维修电工国家职业标准》命制; 2、请首先按要求在试卷的标封处填写您的姓名、准考证号和所在单位的名称。
3、请仔细阅读试题的具体考核要求,并按要求完成操作或进行笔答或口答;4、操作技能考核时要遵守考场纪律,服从考场管理人员指挥,以保证考核安全顺利进行。
试题1、根据电路图安装调试电动机控制电路。
本题分占:40% 考核要求:(1)考生根据电气原理图, 在规定的时间内写出线路工作原理和进行安装接线。
(2)元件布置整齐、均匀、合理和牢固。
(3)按电气原理图接线,板面整齐、清洁、美观,无架空跨接现象。
(4)接点不可以松动、反圈、露铜过长、压绝缘层。
不可以损伤导线绝缘或线芯。
(5)安全文明操作,整齐穿戴劳保用品。
(6)考试时间150分钟。
原理图:考 生 答 题 不 准 超 过 此维修电工初级操作技能考核评分记录表1单位_____________ 姓名__________________ 抽签号_______考核工时:分钟得分_________序号项目考核要求及评分标准配分扣分说明一操作应知根据所给的原理图,写出工作原理。
(1)不会写的扣10分。
(2)每写错一步扣3分。
101、由考生根据电气原理图,在150分钟内写出线路工作原理和进行安装接线。
具体时间在电气原理图上说明。
2、在监考教师同意下,考生进行不带电动机通电试车,同二元件安装1、元件布置整齐、均匀、合理,否则扣1分/每个。
2、元件安装牢固,否则扣 2分/每个。
5线路安装1、按电气原理图接线,否则扣5分。
2、板面整齐、清洁、美观,否则扣 1分/每次。
152、主控线路配线正确、齐全,否则扣2分/每根。
153、接点不可以松动、反圈、露铜过长、压绝缘层。
中级维修电工技能操作考核评分记录表考件编号姓名考号
注:每项扣分不得超过该项配分。
1、本项目的满分60分。
2、本项目的考核时间为180分钟。
评分人:年月日核分人:年月日
中级维修电工试题二技能考核评分记录表考件编号姓名考号
第二题:X62W万能铣床故障检修
2、本项目的考核时间为15分钟
3、在本项目考核中,现场应有2名考评员,其中1人任现场监护
评分人:年月日核分人:年月日
200 级维修电工试卷 A
考件编号姓名考号
**一、试题:
安装Y-△降压启动控制线路电路的安装与调试
二、考核要求:
1、本项目的满分为60分。
2、本项目的考核时间为180分钟。
3、采用板前明布线的方法进行安装。
200 级维修电工备料通知单 A
2、本项目的考核时间为180分钟。
3、采用板前明布线的方法进行安装。
试卷C
一
中级维修电工技能竞赛操作试卷 D 考件编号姓名考号
一、试题:
安装时间继电器双速电动机控制电路
二、考核要求:
1、本项目的满分为60分。
2、本项目的考核时间为180分钟。
3、采用板前明布线的方法进行安装。
注 意 事 项 一、本试卷依据2001年颁布的《维修电工》国家职业标准命制。
二、请根据试题考核要求,完成考试内容。
三、请服从考评人员指挥,保证考核安全顺利进行。
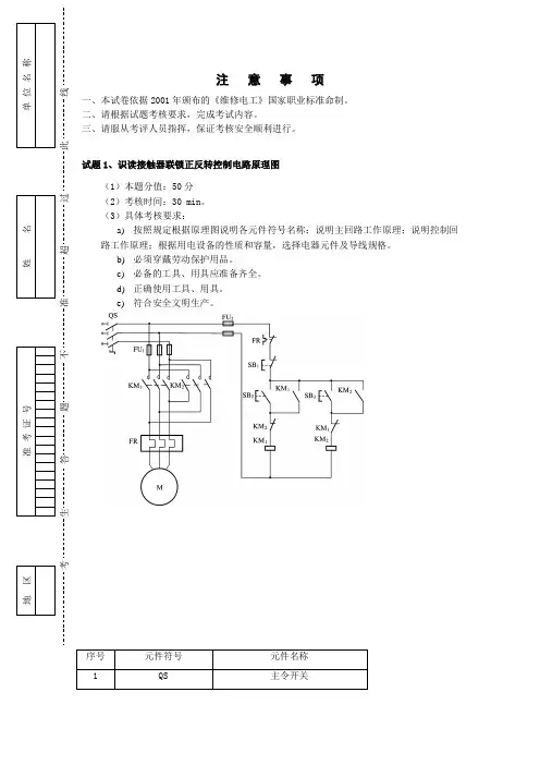
试题1、识读接触器联锁正反转控制电路原理图 (1)本题分值:50分 (2)考核时间:30 min 。
(3)具体考核要求: a) 按照规定根据原理图说明各元件符号名称;说明主回路工作原理;说明控制回路工作原理;根据用电设备的性质和容量,选择电器元件及导线规格。
b) 必须穿戴劳动保护用品。
c) 必备的工具、用具应准备齐全。
d) 正确使用工具、用具。
e) 符合安全文明生产。
考 生 答 题 不 准 超 过此线正反转控制电路工作原理一、正向启动:1、合上空气开关QS接通三相电源2、按下正向启动按钮SB2,KM1通电吸合并自锁,主触头闭合接通电动机,电动机这时的相序是L1、L2、L3,即正向运行。
二、反向启动:1、合上空气开关QS接通三相电源2、按下反向启动按钮SB3,KM2通电吸合并通过辅助触点自锁,常开主触头闭合换接了电动机三相的电源相序,这时电动机的相序是L3、L2、L1,即反向运行。
控制回路工作原理A、正转控制:按下SB2常开触头闭合KM1线圈得电KM1自锁触头闭合(实现自锁M启动连续KM1主触头闭合KM1联锁触头断开(对KM2实现联锁)B、反转控制:C、停止控制:按下SB1,整个控制电路失电,接触器各触头复位,电机M失电停转若电机为30 kW三相异步电动机:电源总开关应选择 100 A;交流接触器应选择380V 60 A;控制电路按钮应选择 5 A;若电机为30 kW三相异步电动机:主回路导线应选择截面 25 mm2 ;控制回路导线应选择截面 1.5 mm2 。
试题2、安装按钮联锁正反转控制电路(1)本题分值:50分(2)考核时间:40 min。
(3)具体考核要求:a) 按照规定绘图。
b) 必须穿戴劳动保护用品。
c) 必备的工具、用具应准备齐全。
职业技能鉴定国家题库统一试卷中级电工知识试卷(中级1)一、选择题(第1~80题。
选择正确的答案,将相应的字母填入题内的括号中。
每题1.0分。
满分80分。
)1.在解析式u=Umsin(ωt+φ)中,φ表示()。
(A)频率(B)相位(C)初相角(D)相位差2.在以(ωt)为横轴的电流波形图中,取任一角度所对应的电流值叫该电流的()。
(A)瞬时值(B)有效值(C)平均值(D)最大值3.下列关于无功功率的叙述()说法正确。
(A)电路与电源能量交换的最大规模 (B)单位时间放出的热量 (C)单位时间所做的功 (D)电感消耗的能量4.1度电相当于()。
(A)1瓦·秒 (B)1千瓦·小时 (C)1千瓦·秒 (D)1瓦·小时5.为提高功率因数常在感性负载两端()。
(A)串联一个电感(B)并联一个电感(C)并联适当电容器(D)串联一个电容器6.三相四线制供电系统中火线与中线间的电压等于()。
(A)零电压(B)相电压(C)线电压(D)1/2线电压7.异步电动机空载时的效率为()。
(A)零(B)25~30% (C)铭牌效率的30% (D)空载电流与额定电流之比8.三相电源绕组产生的三相电动势在相位上互差()。
(A)30o(B)90o(C)180o(D)120o9.3~10kW电力网,一般采用中性点()方式。
(A)接地(B)不接地(C)为零(D)直接接地10.发电机并网运行时发电机电压的有效值应等于电网电压的()。
(A)有效值(B)最大值(C)瞬时值(D)平均值11.某一交流电路其端电压为1000伏,电路总电流是20安,则其视在功率为()。
(A)1000伏安(B)2000伏安(C)20000伏安(D)500伏安12.若变压器的额定容量是P S,功率因数是0.8,则其额定有功功率是()。
(A)P S(B)1.25P S(C)0.8P S(D)0.64P S13.单相交流电路无功功率计算公式是()。
技能认证维修电工中级考试(习题卷20)第1部分:单项选择题,共67题,每题只有一个正确答案,多选或少选均不得分。
1.[单选题]晶闸管两端并联压敏电阻的目的是实现( )。
A)防止冲击电流B)防止冲击电压C)过流保护D)过压保护答案:D解析:2.[单选题]KC04集成触发电路在3脚与4脚之间的外接电容器C1上形成( )。
A)正弦波B)三角波C)锯齿波D)方波答案:C解析:3.[单选题]传导三相系统中的不平衡电流和单相电流、减少负荷中性点的电位偏移。
[]A)传导三相系统中的3次谐波电流B)连接使用相电压的单相设备C)传导三相系统中的单相电流D)连接用电设备的接地线答案:B解析:4.[单选题]软启动器的日常维护一定要由( )进行操作。
A)专业技术人员B)使用人员C)设备管理部门D)销售服务人员答案:A解析:5.[单选题]在转速、电流双闭环调速系统中,如要使主回路允许最大电流值减小,应使( )A)? 增加转速负反馈电压值B)? 减小转速调节器输出电压限幅值C)? 增加转速调节器输出电压限幅值D)? 减小转速负反馈电压值答案:D解析:6.[单选题]符合有“1”得“0”,全“0”得“1”的逻辑关系的逻辑门是( )。
A)或门答案:D解析:7.[单选题]T68型镗床主轴电动机的高速与低速之闸的互锁保护由 ( ) 实现A)速度继电器常 开 触点B)接触器常闭触点C)中间继电器常开触点D)热继电器常闭触点答案:B解析:8.[单选题]拧螺钉是应该选用 ( )。
A)规格一致的旋具B)规格大一号的旋具, 省力气C)规格小一号的旋具,效率高D)全金属的旋具,防触电答案:A解析:9.[单选题]直流双臂电桥的连接端分为( )接头。
A)电压、电阻B)电压、电流C)电位、电流D)电位、电阻答案:C解析:10.[单选题]对于每个职工来说,质量管理的主要内容有岗位的质量要求、( )、质量保证措施和质量责任等。
A)信息反馈B)质量水平C)质量记录D)质量目标答案:D解析:11.[单选题]“BATT” 变色灯是后备电源指示灯, 绿色表示正常, 红色表示 ( )。
修理电工中级电工实操试题中级电工实操试题一、安装单相三极及三相四极插座二、安装白炽灯照明电路三、用数字式万用表测量交、直流电压四、用兆欧表测量三相异步电动机绝缘电阻五:T型连接单股导线一:安装单相三极及三相四极插座1、预备要求(1)设备预备(2)材料预备( 2(1)操作程序说明:1)安装电路;2)清理现场;3)平安文明操作。
(2)考核规定说明:1)如操作违章或未按操作程序执行操作,将停止考核;2)考核采纳百分制,考核项目得分按鉴定比重进行折算。
(3)考核方式说明:该项目为实际操作(结果型),考核过程按评分标准及操作过程进行评分。
(4)测量技能说明:本项目主要测量考生对安装单相三极及三相四极插座的娴熟程度。
3、考核时限(1)预备时间:1min(不计入考核时间)。
(2)正式操作时间:10min。
(3)提前完成操作不加分,到时停止操作考核。
4、评分记录表附图单相三极及三相四极插座试题名称:安装单相三极及三相四极插座考核时间:10min 序号考核内容评分要素配分评分标准检测结果扣分得分备注1安装电路安装单相三极插座51相线位置接错扣6分零线位置接错扣6分地线位置接错扣6分相线颜色选错扣6分零线颜色选错扣6分地线颜色选错扣6分接点松动、露铜过长、压绝缘层每处扣1分(最多扣5分)损坏元件扣10分安装三相四级插座49相线位置接错扣6分零线位置接错扣6分相线颜色选错一处扣5分零线颜色选错扣6分接点松动、露铜过长、压绝缘层每处扣1分(最多扣6分)损坏元件扣10分2清理现场清理现场未清理现场从总分中扣5分3平安文明操作按国家或企业颁发有关安全规定执行操作每违反一项规定从总分中扣5分,严峻违规取消考核4考核时限在规定时间内完成到时停止操作考核合计100二:安装白炽灯照明电路(两只开关两地掌握一盏灯)1、预备要求(1)设备预备(2)材料预备)工用具预备(31)安装电路;2)通电试验;3)平安文明操作。
(2)考核规定说明:1)如操作违章或未按操作程序执行操作,将停止考核; 2)考核采纳百分制,考核项目得分按鉴定比重进行折算。
技能认证维修电工中级考试(习题卷28)第1部分:单项选择题,共67题,每题只有一个正确答案,多选或少选均不得分。
1.[单选题]下列属于位置控制线路的是( )。
A)走廊照明灯的两处控制电路B)电风扇摇头电路C)电梯的开关门电路D)电梯的高低速转换电路答案:C解析:2.[单选题]电气控制线路中的停止按钮应选用( )颜色。
A)绿B)红C)蓝D)黑答案:B解析:3.[单选题]变频器网络控制的主要内容是 ( )。
A)启停控制、 转向控制、 显示控制B)启停控制、转向控制、电动机参数控制C)频率控制、 显示控制D)频率控制、 启停控制、 转向控制答案:D解析:4.[单选题]( ) 不是PLC控制系统设计的原则。
A)只需保证控制系统的生产要求即可, 其他无须考虑B)最大限度地满足生产机械或生产流程对电气控制的要求C)在满足控制系统要求的前提下,力求使系统简单、 经济、 操作和维护方俑D)PLC的I/0点数要留有一定余量答案:A解析:5.[单选题]电气控制线路测绘中发现有掉线或接线错误时,应该首先( )。
A)做好记录B)把线接上C)断开电源 薏D)安全接地答案:A解析:6.[单选题]X62W型铣床主轴电动机的正反转互锁由( )实现。
A)接触器常闭触点D), 接触器常开触点答案:A解析:7.[单选题]主要用于开关量信息的传递、变换及逻辑处理,称为( )A)? 位元件B)? 状态转移图C)? 语句表D)? 字元件答案:A解析:8.[单选题]已知工频正弦电压有效值和初始值为380V, 则孩电压的瞬时值表达式为().A)u =380sin314t VB)u=537sin (314t+45°) vC)u=380sin (314t+90°) VD)u=380sin (314t+45°) V答案:B解析:9.[单选题]在( ),磁力线由S极指向N极。
A)磁场外部B)磁体内部C)磁场两端D)磁场一端到另一端答案:B解析:10.[单选题]高频振荡电感型接近开关的感应头附近无金属物体接近时,接近开关( )。
注 意 事 项 一、本试卷依据2009年颁布的《维修电工》国家职业标准命制。
二、请根据试题考核要求,完成考试内容。
三、请服从考评人员指挥,保证考核安全顺利进行。
试题1、三相交流异步电动机四点限位控制电路的安装与调试 (1)考试时间:120分钟 (2)考核方式:实操+笔试 (3)本题分值:35分 (4)具体考核要求:按照电气安装规范,依据图1.1.3-2正确完成三相交流异步电动机四点限位控制线路的安装、接线和调试
图1.1.3-2
笔试部分:
(1)正确识读给定的电路图;写出下列图形文字符号的名称。
考
生
答
题
不
准
超
过
此
线
地 区 姓
名 单
位
名
称
准 考 证 号
QS();FU1();KM1();
SB1();SQ1()。
(2)正确使用工具;简述低压验电笔使用注意事项。
答:
(3)正确使用仪表;简述钳形电流表的使用方法。
答:
(4)安全文明生产;回答在室外地面高压设备上工作时,工作地点四周的围栏上应悬挂什么文字的标示牌。
答:
操部作分:
(5)按照电气安装规范,依据图1.1.3-2正确完成三相交流异步电动机四点限位控制线路的安装和接线;
(6)通电试运行。
试题2、PLC控制三相异步电动机定子串自耦变压器降压启动装调
(1)考试时间:120分钟
(2)考核方式:实操+笔试
(3)本题分值:35分
(4)具体考核要求:按照电气安装规范,依据图2.1.3-3主电路和绘制的I/O接线图正确完成PLC控制异步电动机自耦变压器启动线路的安装、接线和调试。
图2.1.3-3
笔试部分:
(1)正确识读给定的电路图;将控制电路部分改为PLC控制,在答题纸上正确绘制PLC 的I/O口(输入/输出)接线图并设计PLC梯形图。
(2)正确使用工具;简述螺丝刀使用注意事项。
答:
(3)正确使用仪表;简述指针式万用表电阻挡的使用方法。
答:
(4)安全文明生产,回答何为安全电压?
答:
操部作分:
(5)按照电气安装规范,将控制电路部分改为PLC控制,依据图2.1.3-2主电路和绘制的I/O接线图正确完成PLC控制电动机自耦变压器降压启动线路的安装和接线;
(6)正确编制程序并输入PLC中;
(7)通电试运行。
试题3、317三端可调式正压输出稳压集成电路的测量与维修
(1)考试时间:60分钟
(2)考核方式:实操+笔试
(3)试卷抽取方式:由考生随机抽取故障序号
(4)本题分值:30分
(5)具体考核要求:317三端可调式正压输出稳压集成电路的测量与维修
图3.2.1-3
笔试部分:
(1)正确识读给定的电路图,回答整流桥输出右端的正负极性,为什么?
答:
(2)正确使用工具;简述电烙铁使用注意事项。
答:
(3)正确使用仪表;简述万用表检测无标志二级管的方法。
答:
(4)安全文明生产;回答合闸后可送电到作业地点的刀闸操作把手上应悬挂什么文字的标示牌?
答:
操作部分:排除3处故障,其中线路故障1处,器件故障2处。
(5)在不带电状态下查找故障点并在原理图上标注。
(6)排除故障,恢复电路功能。
(7)通电运行,实现电路的各项功能。