计算书—生化池
- 格式:doc
- 大小:158.50 KB
- 文档页数:7
矩形水池设计(沼气生化池)项目名称构件编号日期设计校对审核执行规范:《混凝土结构设计规范》(GB 50010-2002), 本文简称《混凝土规范》《建筑地基基础设计规范》(GB 50007-2002), 本文简称《地基规范》《给水排水工程构筑物结构设计规范》(GB50069-2002), 本文简称《给排水结构规范》《给水排水工程钢筋混凝土水池结构设计规程》(CECS138-2002), 本文简称《水池结构规程》-----------------------------------------------------------------------1 基本资料1.1 几何信息水池类型: 无顶盖半地上长度L=13.500m, 宽度B=5.500m, 高度H=7.000m, 底板底标高=-6.600m池底厚h3=500mm, 池壁厚t1=500mm,底板外挑长度t2=500mm注:地面标高为±0.000。
(平面图) (剖面图)1.2 土水信息土天然重度18.00 kN/m3 , 土饱和重度20.00kN/m3, 土内摩擦角10度地基承载力特征值fak=120.0kPa, 宽度修正系数ηb=0.00, 埋深修正系数ηd=1.00地下水位标高-2.500m,池内水深6.000m, 池内水重度10.00kN/m3,浮托力折减系数1.00, 抗浮安全系数Kf=1.051.3 荷载信息活荷载: 地面10.00kN/m2, 组合值系数0.90恒荷载分项系数: 水池自重1.20, 其它1.27活荷载分项系数: 地下水压1.27, 其它1.27活荷载准永久值系数: 顶板0.40, 地面0.40, 地下水1.00, 温湿度1.00不考虑温湿度作用.1.4 钢筋砼信息混凝土: 等级C35, 重度25.00kN/m3, 泊松比0.20保护层厚度(mm): 池壁(内35,外35), 底板(上45,下45)钢筋级别: HRB400, 裂缝宽度限值: 0.20mm, 配筋调整系数: 1.002 计算内容(1) 地基承载力验算(2) 抗浮验算(3) 荷载计算(4) 内力(不考虑温度作用)计算(5) 配筋计算(6) 裂缝验算(7) 混凝土工程量计算3 计算过程及结果单位说明: 弯矩:kN.m/m 钢筋面积:mm2裂缝宽度:mm计算说明:双向板计算按查表恒荷载:水池结构自重,土的竖向及侧向压力,内部盛水压力.活荷载:顶板活荷载,地面活荷载,地下水压力,温湿度变化作用.裂缝宽度计算按长期效应的准永久组合.3.1 地基承载力验算3.1.1 基底压力计算(1)水池自重Gc计算池壁自重G2=2835.00kN底板自重G3=1178.13kN水池结构自重Gc=G2+G3=4013.13 kN(2)池内水重Gw计算池内水重Gw=3375.00 kN(3)覆土重量计算池顶覆土重量Gt1= 0 kN池顶地下水重量Gs1= 0 kN底板外挑覆土重量Gt2= 1620.00 kN底板外挑地下水重量Gs2= 720.00 kN基底以上的覆盖土总重量Gt = Gt1 + Gt2 = 1620.00 kN基底以上的地下水总重量Gs = Gs1 + Gs2 = 720.00 kN(4)活荷载作用Gh顶板活荷载作用力Gh1= 111.38 kN地面活荷载作用力Gh2= 200.00 kN活荷载作用力总和Gh=Gh1+Gh2=311.38 kN(5)基底压力Pk基底面积: A=(L+2×t2)×(B+2×t2)=14.500×6.500 = 94.25 m2基底压强: Pk=(Gc+Gw+Gt+Gs+Gh)/A=(4013.13+3375.00+1620.00+720.00+311.38)/94.250= 106.52 kN/m2 3.1.2 修正地基承载力(1)计算基础底面以上土的加权平均重度rmrm=[4.100×(20.00-10)+2.500×18.00]/6.600= 13.03 kN/m3(2)计算基础底面以下土的重度r考虑地下水作用,取浮重度,r=20.00-10=10.00kN/m3(3)根据基础规范的要求,修正地基承载力:fa = fak + ηbγ(b - 3) + ηdγm(d - 0.5)= 120.00+0.00×10.00×(6.000-3)+1.00×13.03×(6.600-0.5)= 199.48 kPa3.1.3 结论: Pk=106.52 < fa=199.48 kPa, 地基承载力满足要求。
CAST生化池工艺计算书设计规模:100000m3/d进出水水质:项目进水出水COD≤250mg/L40mg/LBOD≤140mg/L20mg/LSS≤150mg/L20mg/LTKN≤40mg/L20mg/LNH3-N≤30mg/L8mg/LTP≤4mg/L1mg/L最低温度T14℃1.参数选定周期数N=6个/d周期长T=4h/周期进水时间T j=2h/周期反应时间T F=2h/周期沉淀时间T S=1h/周期排水时间T e=1h/周期池数M=8个水深H=5m安全高度H f=0.6mSVI=1202、设计流量日变化系数K d= 1.1时变化系数Kz= 1.2计算泥量的流量Q d=110000m3/d最高时流量Q h=5000m3/h单池小时进水量Q ih=1041.67m3/h/池3.反应泥龄(1)好氧泥龄θCO=8.10d(2)反应泥龄No=14.00mg/LK de=0.10kgNO3/kgBOD查表得θCO/θCO=0.325取值范围0.2~0.5θCF=12.00d(3)缺氧泥龄θCD= 3.90d在反应时段好氧TO= 1.35h缺氧TD=0.65h4、污泥产率系数Y=0.80kgSS/kgBOD5、污泥量反应污泥量X F=126667.7kg总污泥量X T=253335.3kg6.计算池容T S'= 1.83h(1)主反应器容积V=(H f+(H f2+(62400*Q h*H*T S'/X T/SVI/N))^0.5)*(X T*SVI/1300/T S')V=58737.85m3(2)选择器容积V P=5873.785m3(3)总池容V T=64611.63m37.排水深度△H=24Q H*H/N/V△H= 1.70m8.污泥浓度X H=X T/V= 4.31g/LX L=H*X H/(H-△H)= 6.54g/L由于SVI较低,可行9.单池参数单池容积V i=7342.231m3单池面积F i=1468.446m2单池贮水容积△Vi=2500m310.污泥负荷L S=0.111kgBOD/(kgMLSS.d)11.水力停留时间T=24V/Q=14.10h12.需氧量降解单位BOD需氧量= 1.12kgO2/kgBOD需降解BOD量=12000kgBOD/d需硝化的氨氮量=2000kgN/d反硝化的氮量=1400总需氧量O2=18576kgO2/d13.供气量标准条件下清水中饱和溶解氧20℃Cs=9.17mg/l(K LA)|污/清α=0.820.5~0.95β=0.90.9~0.97Co=2mg/l饱和溶解氧28℃Cs=7.92mg/l空气扩散出口压力1.013x105+9.8x103xH Pb=150300PaT=28℃Ea=0.25离开曝气池时Ot=0.166C sb(28℃)=8.896mg/lC sb(20℃)=10.300mg/lR0=RCs(20)/α[βCsb(T)-C]1.024(T-20)R0=32133.53kgO2/d(1)供气量Gs=R0/0.3Ea*100Gs=428447.01m3/d17851.96m3/h(2)最大时气量Gsmax=21422.35m3/h(3)去除每立方米污水的气量为平均时= 4.28空气/m3污水最大时= 5.14空气/m3污水(4)单池供气量Gs(ih)=5355.59m3/h14.剩余污泥剩余污泥X WT=10555.08kgSS/d最不利Q W=2447.28m3/d每池每周期排泥量Q Wi=50.98m3排泥时间T=0.5h剩余污泥泵流量=101.97m3/h15.主要设备(1)曝气器每个曝气器供气量= 2.5Nm3/h单池=2142个所有池=17136个(2)鼓风机按8个反应池两个系列工况完全相同,一组风机供4座反应池,单组2用1备考虑单台Q=5355.59m3/hP=0.6bar共6台(3)滗水器滗水量为△Vi共16台,每格2台单台Q=1250m3/h堰负荷q≤28L/s.m堰长L≥12.4m(4)潜水搅拌器N=7.3KW共4台池内部是否设搅拌器待定(5)剩余污泥泵Q=101.97m3/hH=10.00m共8台,每池1台(6)回流污泥泵Q=208.33m3/hH= 2.00m共8台,每池1台。
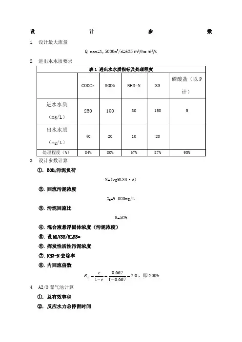
A2/O工艺设计参数1.设计最大流量3 3 3Q max=1,5000m/d=625 m /h=0.174 m Is3. 设计参数计算①.B0D5污泥负荷N=0.13kgBOD5/(kgMLSS • d)②■回流污泥浓度X R=9 000mg/L③■污泥回流比R=50%④■混合液悬浮固体浓度(污泥浓度)R0 5X X R9000 =3000mg/L1 R 1 0.5⑤■设MLVSS/MLSS=0.75⑥■挥发性活性污泥浓度X V =0.75X =0.75 3000 =2250mg/L⑦.NH3-N去除率e = S1 _ S2100%= 30 10100% =66.7%S1 30⑧.内回流倍数R内e 2.0,即200%1 -e 1-0.6674. A2/O曝气池计算② .反应水力总停留时间空=0.26d=6.15h Q 10000③ .各段水力停留时间和容积厌氧:缺氧:好氧=1: 1: 411厌氧池停留时间t 厌 6.15=1.025h ,池容V 厌 2564= 427.3m 3; 6 6 1 1 缺氧池停留时间 t 缺 6.15=1.025h ,池容 V 缺2564=427.3m 3;66好氧池停留时间 t 好 6.15=4.1h ,池容 V 好 2564=1709.3m 3。
6 6④ .反应池有效深度H=3 m取超高为1.0m,则反应池总高H =3.0 • 1.0=4.0m设厌氧池1廊道,缺氧池1廊道,好氧池4廊道,共6条廊道。
廊道宽4.5m 。
则每条廊道长度为LS 85531.7m ,取 32mbn 4.5 6 ⑦.尺寸校核查《污水生物处理新技术》,长比宽在5~10间,宽比高在1~2间 可见长、宽、深皆符合要求5. 反应池进、出水系统计算① 进水管①.总有效容积Q 平S o V 二 NX10000 100 0.13 3000=2564m 3⑤ .反应池有效面积⑥ .生化池廊道设置25643=855m 2 L 32b 4.5= 7.1,b 4.5= 1.5进水通过DN500的管道送入厌氧一缺氧一好氧池首端的进水渠道 反应池进水管设计流量Q 1二!5000-0.17m 3/s86400管道流速v ‘ =0.9m/s管道过水断面面积 A /v =0.17/0.90 =0.19m 2② 进水井井内最大水流速度反应池进水孔尺寸: 取孔口流速v =0.4m/s孔口过水断面积0.4=0425m 2A 0.425 「 n=5f 0.3 0.3③ 出水堰。
一、 工艺O A /2 设计参数1. 设计最大流量Q max=1,5000m 3/d=625 m 3/h=0.174 m 3/s2. 进出水水质要求3. 设计参数计算 ①. BOD 5污泥负荷N=0.13kgBOD 5/(kgMLSS ·d)②. 回流污泥浓度X R =9 000mg/L③. 污泥回流比R=50%④. 混合液悬浮固体浓度(污泥浓度) ⑤. 设MLVSS/MLSS=0.75 ⑥. 挥发性活性污泥浓度 ⑦. NH3-N 去除率 ⑧. 内回流倍数0.2667.01667.01=-=-=e e R 内,即200% 4. A2/O 曝气池计算 ①. 总有效容积②. 反应水力总停留时间 ③. 各段水力停留时间和容积厌氧:缺氧:好氧=1:1:4厌氧池停留时间h t 025.115.661=厌⨯=,池容33.427256461m V =厌⨯=; 缺氧池停留时间h t 025.115.661=缺⨯=,池容33.427256461m V =缺⨯=;好氧池停留时间h t 1.415.664=好⨯=,池容33.1709256464m V =好⨯=。
④. 反应池有效深度H=3m取超高为1.0m ,则反应池总高m H 0.40.10.3==+ ⑤. 反应池有效面积 ⑥. 生化池廊道设置设厌氧池1廊道,缺氧池1廊道,好氧池4廊道,共6条廊道。
廊道宽4.5m 。
则每条廊道长度为m bn S L 7.3165.4855=⨯==,取32m ⑦. 尺寸校核1.75.432==b L ,5.135.4==D b 查《污水生物处理新技术》,长比宽在5~10间,宽比高在1~2间 可见长、宽、深皆符合要求 5. 反应池进、出水系统计算 ① 进水管进水通过DN500的管道送入厌氧—缺氧—好氧池首端的进水渠道。
反应池进水管设计流量s m Q /17.0864001500031== 管道流速s m v /9.0'=管道过水断面面积2119.090.0/17.0/m v Q A === 管径m Ad 49.019.044=ππ⨯==取进水管管径DN500mm 校核管道流速s m AQ v /87.0)25.0(17.021===π,附合 ② 进水井污水进入进水井后,水流从厌氧段进入 设进水井宽为1m ,水深0.8m井内最大水流速度 反应池进水孔尺寸: 取孔口流速s m v /4.0= 孔口过水断面积孔口尺寸取0.3×0.3m ,则孔口数 ③ 出水堰。
设计参数1. 设计最大流量Q max=1,5000m 3/d=625 m 3/h= m 3/s2. 进出水水质要求3. 设计参数计算 ①. BOD 5污泥负荷N=(kgMLSS ·d)②. 回流污泥浓度X R =9 000mg/L③. 污泥回流比R=50%④. 混合液悬浮固体浓度(污泥浓度) ⑤. 设MLVSS/MLSS= ⑥. 挥发性活性污泥浓度 ⑦. NH3-N 去除率 ⑧. 内回流倍数0.2667.01667.01=-=-=e e R 内,即200% 4. A2/O 曝气池计算 ①. 总有效容积 ②. 反应水力总停留时间③. 各段水力停留时间和容积 厌氧:缺氧:好氧=1:1:4厌氧池停留时间h t 025.115.661=厌⨯=,池容33.427256461m V =厌⨯=;缺氧池停留时间h t 025.115.661=缺⨯=,池容33.427256461m V =缺⨯=;好氧池停留时间h t 1.415.664=好⨯=,池容33.1709256464m V =好⨯=。
④. 反应池有效深度H=3m取超高为,则反应池总高m H 0.40.10.3==+ ⑤. 反应池有效面积 ⑥. 生化池廊道设置设厌氧池1廊道,缺氧池1廊道,好氧池4廊道,共6条廊道。
廊道宽。
则每条廊道长度为m bn S L 7.3165.4855=⨯==,取32m ⑦. 尺寸校核1.75.432==b L ,5.135.4==D b 查《污水生物处理新技术》,长比宽在5~10间,宽比高在1~2间 可见长、宽、深皆符合要求 5. 反应池进、出水系统计算 ① 进水管进水通过DN500的管道送入厌氧—缺氧—好氧池首端的进水渠道。
反应池进水管设计流量s m Q /17.0864001500031== 管道流速s m v /9.0'=管道过水断面面积2119.090.0/17.0/m v Q A === 管径m Ad 49.019.044=ππ⨯==取进水管管径DN500mm校核管道流速s m AQ v /87.0)25.0(17.021===π,附合 ② 进水井污水进入进水井后,水流从厌氧段进入 设进水井宽为1m ,水深 井内最大水流速度 反应池进水孔尺寸: 取孔口流速s m v /4.0= 孔口过水断面积孔口尺寸取×,则孔口数 ③ 出水堰。
生化池计算书矩形水池设计(沼气生化池)项目名称构件编号日期设计校对审核执行规范:《混凝土结构设计规范》(GB 50010-2002), 本文简称《混凝土规范》《建筑地基基础设计规范》(GB 50007-2002), 本文简称《地基规范》《给水排水工程构筑物结构设计规范》(GB50069-2002), 本文简称《给排水结构规范》《给水排水工程钢筋混凝土水池结构设计规程》(CECS138-2002), 本文简称《水池结构规程》-----------------------------------------------------------------------1 基本资料1.1 几何信息水池类型: 无顶盖半地上长度L=13.500m, 宽度B=5.500m, 高度H=7.000m, 底板底标高=-6.600m池底厚h3=500mm, 池壁厚t1=500mm,底板外挑长度t2=500mm注:地面标高为±0.000。
(平面图) (剖面图)1.2 土水信息土天然重度18.00 kN/m3 , 土饱和重度20.00kN/m3, 土内摩擦角10度地基承载力特征值fak=120.0kPa, 宽度修正系数ηb=0.00, 埋深修正系数ηd=1.00地下水位标高-2.500m,池内水深 6.000m, 池内水重度10.00kN/m3,浮托力折减系数1.00, 抗浮安全系数Kf=1.051.3 荷载信息活荷载: 地面10.00kN/m2, 组合值系数0.90恒荷载分项系数: 水池自重1.20, 其它1.27活荷载分项系数: 地下水压1.27, 其它1.27活荷载准永久值系数: 顶板0.40, 地面0.40, 地下水1.00, 温湿度1.00不考虑温湿度作用.1.4 钢筋砼信息混凝土: 等级C35, 重度25.00kN/m3, 泊松比0.20保护层厚度(mm): 池壁(内35,外35), 底板(上45,下45)钢筋级别: HRB400, 裂缝宽度限值: 0.20mm, 配筋调整系数: 1.002 计算内容(1) 地基承载力验算(2) 抗浮验算(3) 荷载计算(4) 内力(不考虑温度作用)计算(5) 配筋计算(6) 裂缝验算(7) 混凝土工程量计算3 计算过程及结果单位说明: 弯矩:kN.m/m 钢筋面积:mm2裂缝宽度:mm计算说明:双向板计算按查表恒荷载:水池结构自重,土的竖向及侧向压力,内部盛水压力.活荷载:顶板活荷载,地面活荷载,地下水压力,温湿度变化作用.裂缝宽度计算按长期效应的准永久组合.3.1 地基承载力验算3.1.1 基底压力计算(1)水池自重Gc计算池壁自重G2=2835.00kN底板自重G3=1178.13kN水池结构自重Gc=G2+G3=4013.13 kN(2)池内水重Gw计算池内水重Gw=3375.00 kN(3)覆土重量计算池顶覆土重量Gt1= 0 kN池顶地下水重量Gs1= 0 kN底板外挑覆土重量Gt2= 1620.00 kN底板外挑地下水重量Gs2= 720.00 kN基底以上的覆盖土总重量Gt = Gt1 + Gt2 = 1620.00 kN基底以上的地下水总重量Gs = Gs1 + Gs2 = 720.00 kN(4)活荷载作用Gh顶板活荷载作用力Gh1= 111.38 kN地面活荷载作用力Gh2= 200.00 kN活荷载作用力总和Gh=Gh1+Gh2=311.38 kN(5)基底压力Pk基底面积: A=(L+2×t2)×(B+2×t2)=14.500×6.500 = 94.25 m2基底压强: Pk=(Gc+Gw+Gt+Gs+Gh)/A=(4013.13+3375.00+1620.00+720.00+311.38)/94.250= 106.52 kN/m2 3.1.2 修正地基承载力(1)计算基础底面以上土的加权平均重度rmrm=[4.100×(20.00-10)+2.500×18.00]/6.600= 13.03 kN/m3(2)计算基础底面以下土的重度r考虑地下水作用,取浮重度,r=20.00-10=10.00kN/m3(3)根据基础规范的要求,修正地基承载力:fa = fak + ηbγ(b - 3) + ηdγm(d - 0.5)= 120.00+0.00×10.00×(6.000-3)+1.00×13.03×(6.600-0.5)= 199.48 kPa3.1.3 结论: Pk=106.52 < fa=199.48 kPa, 地基承载力满足要求。
【课程设计计算书】A2O生化池单元(总24页)--本页仅作为文档封面,使用时请直接删除即可----内页可以根据需求调整合适字体及大小--目录设计总说明 (1)设计任务书......................................................................................... 错误!未定义书签。
一.设计任务................................................................................................ 错误!未定义书签。
二.任务目的................................................................................................ 错误!未定义书签。
三.任务要求................................................................................................ 错误!未定义书签。
四. 设计基础资料......................................................................................... 错误!未定义书签。
(一)水质 (2)(二)水量 (3)(三)设计需要使用的有关法规、标准、设计规范和资料 (3)第一章 A2/O工艺介绍............................................................................... 错误!未定义书签。
41.基本原理 (4)2.工艺特点 (5)3.注意事项 (5)第二章 A2/O工艺生化池设计 (6)1.设计最大流量 (6)2.进出水水质要求 (6)3.设计参数计算 (6)4. A2/O工艺曝气池计算 (7)5.反应池进、出水系统计算 (8)6.反应池回流系统计算 (10)7.厌氧缺氧池设备选择 (11)第三章 A2/O工艺需氧量设计 (13)1.需氧量计算 (13)2.供气量 (13)3.所需空气压力 (14)4.风机类型 (15)5.曝气器数量计算 (15)6.空气管路计算 (16)第四章 A2/O工艺生化池单元设备一览 (17)第五章参考文献 (18)第六章致谢 (19)附1 水污染课程设计感想 (20)附2 A2/O工艺生化池图纸 (22)设计总说明随着经济快速发展和城市化程度越来越高,中心城区和小城镇建设步伐不断加快,城市生活污水对城区及附近河流的污染也越来越严重。
设计参数1. 设计最大流量Q max=1,5000m 3/d=625 m 3/h=0.174 m 3/s2. 进出水水质要求3. 设计参数计算①. BOD 5污泥负荷N=0.13kgBOD 5/(kgMLSS ·d)②. 回流污泥浓度X R =9 000mg/L③. 污泥回流比R=50%④. 混合液悬浮固体浓度(污泥浓度) ⑤. 设MLVSS/MLSS=0.75 ⑥. 挥发性活性污泥浓度 ⑦. NH3-N 去除率 ⑧. 内回流倍数0.2667.01667.01=-=-=e e R 内,即200% 4. A2/O 曝气池计算①. 总有效容积②. 反应水力总停留时间 ③. 各段水力停留时间和容积 厌氧:缺氧:好氧=1:1:4厌氧池停留时间h t 025.115.661=厌⨯=,池容33.427256461m V =厌⨯=;缺氧池停留时间h t 025.115.661=缺⨯=,池容33.427256461m V =缺⨯=;好氧池停留时间h t 1.415.664=好⨯=,池容33.1709256464m V =好⨯=。
④. 反应池有效深度H=3m取超高为1.0m ,则反应池总高m H 0.40.10.3==+ ⑤. 反应池有效面积 ⑥. 生化池廊道设置设厌氧池1廊道,缺氧池1廊道,好氧池4廊道,共6条廊道。
廊道宽4.5m 。
则每条廊道长度为m bn S L 7.3165.4855=⨯==,取32m ⑦. 尺寸校核1.75.432==b L ,5.135.4==D b 查《污水生物处理新技术》,长比宽在5~10间,宽比高在1~2间 可见长、宽、深皆符合要求5. 反应池进、出水系统计算① 进水管进水通过DN500的管道送入厌氧—缺氧—好氧池首端的进水渠道。
反应池进水管设计流量s m Q /17.0864001500031== 管道流速s m v /9.0'=管道过水断面面积2119.090.0/17.0/m v Q A === 管径m Ad 49.019.044=ππ⨯==取进水管管径DN500mm校核管道流速s m AQ v /87.0)25.0(17.021===π,附合 ② 进水井污水进入进水井后,水流从厌氧段进入 设进水井宽为1m ,水深0.8m 井内最大水流速度 反应池进水孔尺寸: 取孔口流速s m v /4.0= 孔口过水断面积孔口尺寸取0.3×0.3m ,则孔口数 ③ 出水堰。
一.A 2/O 工艺设计参数 1.设计最大流量Q max=l ,5000m 3/d=625 m 3/h=0.174 m 3/s表1进出水水质指标及处理程度CODCrB0D5 NH3-N SS 磷酸盐(以Pil )进水水质(mg/L ) 250 100 30 150 5 出水水质(mg/L ) 40 20 10 20 0.5 处理程度(%)84%80%67%87%90%3. 设计参数计算©• BOD5污泥负荷N=0.13kgBOD 5/(kgMLSS • d)X R =9 OOOmg/LR=50%④ •混合液悬浮固体浓度(污泥浓度)⑤ •设 MLVSS/MLSS=0.75 ⑥ •挥发性活性污泥浓度X v = 0.75 X =0.75x3000 = 2250 mg/L⑦.NH3-N 去除率30 _xl00% =x 100 % = 66.7%30⑧.内回流倍数e0.667 r 小 HIIR =-------------=1-0.667 = 2°^ 即 2°°%4. A2/O 曝气池计算② •回流污泥浓度③ •污泥回流比0.51 + 0.5x9OOO = 3OOO 〃7g/厶V = Q1 S(): NXjooooxioo_2564/n30.13x3000② .反应水力总停留时间V 2564…t = — = ----------- = 0.26J = 6.15/? Q 10000各段水力停留时间和容积 厌氧:缺氧:好氧=1: 1: 4厌氧池停留时间如=丄x6.15=1.025A,池容人=1x2564=427.3/??; 66缺氧池停留时间G =-x6.15=1.025/?,池容匕小=-x2564=427.3/?z 3; 6 64 4 ,好氧池停留时间b =-X 6.15=4.1/7,池容= — x2564=1709.3〃,。
6 6 ④ .反应池有效深度取超高为1.0m, ⑤ .反应池有效面积®.生化池廊道设置设厌氧池1廊道,缺氧池1廊道,好氧池4廊道,共6条廊道。
一、 工艺O A /2 设计参数1. 设计最大流量Q max=1,5000m 3/d=625 m 3/h= m 3/s2. 进出水水质要求3. 设计参数计算 ①. BOD 5污泥负荷N=(kgMLSS ·d)②. 回流污泥浓度X R =9 000mg/L③. 污泥回流比R=50%④. 混合液悬浮固体浓度(污泥浓度)L mg X R R X R /300090005.015.01=⨯+=+=⑤. 设MLVSS/MLSS= ⑥. 挥发性活性污泥浓度L mg X X V /2250300075.075.0=⨯==⑦. NH3-N 去除率%7.66%100301030%100121=⨯-=⨯-=S S S e ⑧. 内回流倍数0.2667.01667.01=-=-=e e R 内,即200% 4. A2/O 曝气池计算①. 总有效容积30256430000.1310010000NX S Q m V =平⨯⨯==②. 反应水力总停留时间h d t 15.626.0100002564Q V ====③. 各段水力停留时间和容积厌氧:缺氧:好氧=1:1:4厌氧池停留时间h t 025.115.661=厌⨯=,池容33.427256461m V =厌⨯=;缺氧池停留时间h t 025.115.661=缺⨯=,池容33.427256461m V =缺⨯=;好氧池停留时间h t 1.415.664=好⨯=,池容33.1709256464m V =好⨯=。
④. 反应池有效深度H=3m取超高为,则反应池总高m H 0.40.10.3==+ ⑤. 反应池有效面积285532564m H V S ===⑥. 生化池廊道设置设厌氧池1廊道,缺氧池1廊道,好氧池4廊道,共6条廊道。
廊道宽。
则每条廊道长度为m bn S L 7.3165.4855=⨯==,取32m ⑦. 尺寸校核1.75.432==b L ,5.135.4==D b 查《污水生物处理新技术》,长比宽在5~10间,宽比高在1~2间 可见长、宽、深皆符合要求5. 反应池进、出水系统计算 ① 进水管进水通过DN500的管道送入厌氧—缺氧—好氧池首端的进水渠道。
设计参数
1. 设计最大流量
Q max=1,5000m 3/d=625 m 3/h=0.174 m 3/s
2. 进出水水质要求
3. 设计参数计算 ①. BOD 5污泥负荷
N=0.13kgBOD 5/(kgMLSS ·d)
②. 回流污泥浓度
X R =9 000mg/L
③. 污泥回流比
R=50%
④. 混合液悬浮固体浓度(污泥浓度) ⑤. 设MLVSS/MLSS=0.75 ⑥. 挥发性活性污泥浓度 ⑦. NH3-N 去除率 ⑧. 内回流倍数
0.2667
.01667.01=-=-=
e e R 内,即200% 4. A2/O 曝气池计算 ①. 总有效容积
②. 反应水力总停留时间 ③. 各段水力停留时间和容积 厌氧:缺氧:好氧=1:1:4
厌氧池停留时间h t 025.115.661=厌⨯=,池容33.427256461
m V =厌⨯=;
缺氧池停留时间h t 025.115.661=缺⨯=,池容33.427256461
m V =缺⨯=;
好氧池停留时间h t 1.415.664=好⨯=,池容33.170925646
4
m V =好⨯=。
④. 反应池有效深度
H=3m
取超高为1.0m ,则反应池总高m H 0.40.10.3==+ ⑤. 反应池有效面积 ⑥. 生化池廊道设置
设厌氧池1廊道,缺氧池1廊道,好氧池4廊道,共6条廊道。
廊道宽4.5m 。
则每条廊道长度为
m bn S L 7.316
5.4855
=⨯==
,取32m ⑦. 尺寸校核
1.75.432==b L ,5.13
5.4==D b 查《污水生物处理新技术》,长比宽在5~10间,宽比高在1~2间 可见长、宽、深皆符合要求 5. 反应池进、出水系统计算 ① 进水管
进水通过DN500的管道送入厌氧—缺氧—好氧池首端的进水渠道。
反应池进水管设计流量s m Q /17.086400
15000
31== 管道流速s m v /9.0'=
管道过水断面面积2119.090.0/17.0/m v Q A === 管径m A
d 49.019
.044=π
π⨯=
=
取进水管管径DN500mm 校核管道流速s m A
Q v /87.0)2
5.0(17.021===
π,附合 ② 进水井
污水进入进水井后,水流从厌氧段进入 设进水井宽为1m ,水深0.8m 井内最大水流速度 反应池进水孔尺寸: 取孔口流速s m v /4.0= 孔口过水断面积
孔口尺寸取0.3×0.3m ,则孔口数 ③ 出水堰。
按矩形堰流量公式: 堰上水头 式中
m b 5.4=——堰宽,
m=0.45——流量系数,
H ——堰上水头高,m
④ 出水井
设流速s m v /8.0=,则过水断面积 出水井平面尺寸取为:1.0 m×1.0m ⑤ 出水管。
反应池出水管设计流量 设管道流速s m v /8.0= 管道过水断面积 管径
取出水管管径DN1000mm 校核管道流速
s m A
Q v /76.0)2
1(595.025===
π,附合 ⑥ 剩余污泥量 降解BOD 所产生的污泥量
内源呼吸分解泥量
不可生物降解及惰性悬浮物(NVSS ) 剩余污泥量
6. 反应池回流系统计算
① .污泥回流
污泥回流比为50%,从二沉池回流过来的污泥通过1根DN200mm 的回流管道分别进入首端的厌氧段。
反应池回流污泥渠道设计流量 ② .混合液回流
混合液回流比%=内200R 混合液回流量
混合液由2条回流管回流到厌氧池 单管流量
泵房进水管设计流速采用s m v /9.0 管道过水断面积 管径
取泵房进水管管径DN500mm 7. 厌氧缺氧池设备选择 ①. 厌氧池、缺氧池搅拌设备
查《实用环境工程手册》,选取JBG-3型立式环流搅拌机,该机的性能参数及外形参数分别列于下表2中:
表2 JBG-3型立式环流搅拌机性能参数
②. 污泥回流泵
反应池回流污泥渠道设计流量
回流泵房内设2台潜污泵(1用1备),水泵扬程根据竖向流程确定。
选泵:查《实用环境工程手册》,选取200QW400-10型潜水排污泵,该泵的性能
参数表3中:
表3 200QW400-10型潜水排污泵性能参数
③. 混合液回流泵 混合液回流量
混合液由2条回流管回流到厌氧池 单管流量
在好氧池与缺氧池之间设3台潜污泵(2用1备)
选泵:查《实用环境工程手册》,选取250WL675-10.1型潜水排污泵,该泵的性
能参数表4中:
表4 250WL675-10.1型潜水排污泵性能参数
8. 需氧量计算 ①. 平均时需氧量 设a ’=0.5,b ’=0.15 ②. 最大时需氧量
③. 最大时需氧量与平均时需氧量之比 9. 供气量
采用HWB-2型微孔空气曝气器,每个扩散器的服务面积为0.352m ,敷设于池底0.2m 处,淹没深度为H=2.8m ,计算温度定为30C ο。
查表得20C ο和30C ο时,水中饱和溶解氧值为:
L mg C S /17.9)20(=;L mg C S /63.7)30(=
①. 空气扩散器出口处的绝对压力
设空气扩散器的氧转移效率A E =12%,空气离开曝气池池面时,氧的百分比 ②. 曝气池混合液中平均氧饱和度
换算为在20C ο条件下,脱氧清水的充氧量
设计中取82.0=α,95.0=β,0.1=ρ,0.2C = 平均时需氧量为 最大时需氧量为 ③. 曝气池供气量 曝气池平均时供气量为 曝气池最大时供气量为 10. 所需空气压力
式中 阻力之和—供风管到沿程与局部—m h h 2.021=+ 11. 风机选型
选离心风机3台,2用1备,则每台风机流量G f 为:
曝气器出口压力取为5.0mH 2O ,根据供气量和出口压力,选TSE-200型罗茨鼓风机,风机有关性能参数列于表5中:
表5 TSE-200型罗茨鼓风机性能参数
12. ①. 曝气器个数
式中 m -------曝气器数量,个;
S -------好氧池平面面积,257033.1709m =÷ l -------每个曝气头的服务面积,取l=0.3522m
②. 空气管路设置
设置主管道1条;在相邻的两个廊道上设置1条干管,共2条;每根干管上设置15组曝气管,共组1801215=⨯;每组曝气管上设置9个微孔曝气器,共个162091215=⨯⨯。
③. 每个曝气器的配气量 ④. 微孔曝气器选型
表6 HWB-2型微孔曝气器规格及性能参数
①供气主管道
主管道流量
设流速s
=
10
v/
m
管径
②供气次管道(双侧供气,共2条)
单管道流量
设流速s
10
=
v/
m
管径
取支管管径为DN200mm。