美标阀门型号编制方法(1)
- 格式:pdf
- 大小:273.21 KB
- 文档页数:17
一、阀门型号编制方法、阀门编号说明阀门型号通常应表示阀门类型、驱动方式、连接形式、结构特点、公称压力、密封面材料、阀体材料等要素。
阀门型号的标准化对阀门的设计、选用、经销,提供了方便。
当今阀门的类型和材料种类越来越多,阀门型号的编制也愈来愈复杂。
我国虽然有阀门型号编制的统一标准,但逐渐不能适应阀门工业发展的需要。
目前,阀门制造厂一般采用统一的编号方法;不能采用统一编号方法的,各生产厂可按自己的情况制订出编号方法。
母,按下表的规定。
第二功能作用名称代号第二功能作用名称代号保温型 B 排渣型P低温型D a快速型Q防火型 F (阀杆密封)波纹管型W缓闭型H ——a 低温型指允许使用温度低于-46℃以下的阀门。
对于气动或液动机构操作的阀门:常开式用6K、7K表示;常闭式用6B、7B表示;防爆电动装置的阀门用9B表示。
三单元:连接型式类型安全阀蝶阀隔膜阀止回阀底阀截止阀节流阀排污阀球阀疏水阀柱塞阀旋塞阀减压阀闸阀代号A D G H J L P Q S U X Y Z传动方式电磁动电磁-液动电-液动蜗轮正齿轮伞齿轮气动液动气-液动电动手柄手轮代号0 1 2 3 4 5 6 7 8 9 无代号四单元:结构型式阀门结构形式用阿拉伯数字表示,按下表规定。
闸阀结构形式代号截止阀、节流阀和柱塞阀结构形式代号球阀结构形式代号蝶阀结构形式代号隔膜阀结构形式代号旋塞阀结构形式代号止回阀结构形式代号安全阀结构形式代号减压阀结构形式代号蒸汽疏水阀结构形式代号排污阀结构形式代号五单元:密封副材料六单元:公称压力数值用阿拉伯数字直接表示,它是MPa的10倍举例:Z543H-16C 伞齿轮传动法兰连接平板闸阀,公称压力1.6MPa,阀体材料为碳钢阀门的命名阀门的名称按传动方式、连接形式、结构形式、衬里材料和类型命名。
但下面内容在命名中均予省略:(1) 连接形式中:“法兰”。
(2) 结构形式中:a:闸阀的“明杆”、“弹性”、“刚性”和“单闸板”;b:截止阀和节流阀的“直通式”;c:球阀的“浮动”和“直通式”;d:蝶阀的“垂直板式”;e:隔膜阀的“屋脊式”;f:旋塞阀的“填料”和“直通式”;g:止回阀的“直通式”和“单瓣式”;h:安全阀的“不封闭”。
阀门型号编制方法一、引言。
阀门是工业生产中常用的一种控制装置,用于控制流体的流动、压力、温度等参数。
在实际应用中,阀门的型号编制是非常重要的,它直接关系到阀门的选型、安装和维护等工作。
因此,阀门型号编制方法的研究具有重要的意义。
二、阀门型号编制的基本原则。
1. 按照国家标准和行业标准进行编制,确保阀门型号的统一和规范。
2. 考虑阀门的使用环境和工作条件,确保阀门的性能和可靠性。
3. 考虑阀门的材质、结构、连接方式等因素,确保阀门的适用性和可操作性。
三、阀门型号编制的步骤。
1. 确定阀门的类型和用途,例如截止阀、调节阀、安全阀等。
2. 根据阀门的工作压力和温度等参数,选择合适的阀门材质和密封材料。
3. 根据阀门的结构和连接方式,确定阀门的型号和规格。
4. 根据阀门的执行标准,确定阀门的执行标准编号。
5. 根据阀门的附件和配件,确定阀门的附件和配件编号。
6. 综合考虑以上因素,编制阀门的完整型号。
四、阀门型号编制的注意事项。
1. 阀门型号编制应遵循标准和规范,不得随意更改或混淆。
2. 阀门型号编制应充分考虑阀门的使用环境和工作条件,确保阀门的性能和可靠性。
3. 阀门型号编制应注意阀门的材质、结构、连接方式等因素,确保阀门的适用性和可操作性。
4. 阀门型号编制应注意阀门的执行标准和附件配件,确保阀门的符合标准和规范。
五、阀门型号编制的实例。
以一款DN50截止阀为例,其型号编制如下:1. 阀门类型,截止阀。
2. 工作压力,1.6MPa。
3. 工作温度,-20℃~200℃。
4. 阀门材质,不锈钢。
5. 结构形式,法兰连接。
6. 执行标准,GB/T 12235-2005。
7. 附件配件,手轮、法兰密封垫片。
综合考虑以上因素,该款阀门的型号编制为,Z41H-16C DN50 不锈钢法兰截止阀。
六、结论。
阀门型号编制是阀门选型、安装和维护等工作的基础,对于确保阀门的性能和可靠性具有重要的意义。
在编制阀门型号时,应遵循标准和规范,充分考虑阀门的使用环境和工作条件,确保阀门的适用性和可操作性。
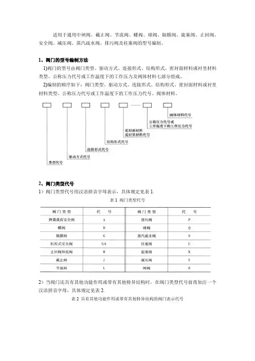
适用于通用中闸阀、截止阀、节流阀、蝶阀、球阀、隔膜阀、旋塞阀、止回阀、安全阀、减压阀、蒸汽疏水阀、排污阀及柱塞阀的型号编制。
1、阀门的型号编制方法1)阀门的型号由阀门类型、驱动方式、连接形式、结构形式、密封面材料或衬里材料类型、公称压力代号或工作温度下的工作压力及阀体材料七部分组成。
2)编制的顺序如下:阀门类型、驱动方式、连接形式、结构形式、密封面材料或衬里材料类型、公称压力代号或工作温度下的工作压力代号、阀体材料。
2、阀门类型代号1)阀门类型代号用汉语拼音字母表示,具体规定见表1.表1 阀门类型代号2)当阀门还具有其他功能作用或带有其他特异结构时,在阀门类型代号前再加注一个汉语拼音字母,具体规定见表2.表2 具有其他功能作用或带有其他特异结构的阀门表示代号*低温型指允许使用温度低于-46℃的阀门3、驱动方式代号1)驱动方式代号用阿拉伯数字表示,具体规定见表3.表3 阀门驱动方式代号*代号1、代号2及代号8是用在阀门启闭时,需有两种动力源同时对阀门进行操作。
2)安全阀、减压阀、疏水阀及手轮直接连接阀杆操作结构形式的阀门,本代号省略,不表示。
3)对于气动或液动机构操作的阀门:常开式用6K、7K表示,常闭式用6B、7B表示。
4)防爆电动装置的阀门用9B表示。
4.连接形式代号1)连接形式代号用阿拉伯数字表示,具体规定见表4。
表4 阀门连接端连接形式代号2)各种连接形式的具体结构、采用标准或方式(如法兰面形式及密封方式、焊接形式、螺纹形式及标准等),不在连接代号后加符号表示,应在产品的图样、说明书或订货合同等文件中予以详细说明。
5.阀门结构形式代号阀门结构形式用阿拉伯数字表示,具体规定见表5~表15。
表5 闸阀结构形式代号表6 截止阀、节流阀和柱塞阀结构形式代号表7 球阀结构形式代号表8 蝶阀结构形式代号表9 隔膜阀结构形式代号表10 旋塞阀结构形式代号表11 止回阀结构形式代号表12 安全阀结构形式代号表13 减压阀结构形式代号表14 蒸汽疏水阀结构形式代号表15 排污阀结构形式代号6.密封面或衬里材料代号1)除隔膜阀外,当密封副的密封面材料不同时,以硬度低的材料表示。
美标闸阀型号表示方法一、引言闸阀是一种常见的流体控制装置,广泛应用于工业生产和民用领域。
为了方便标识和识别不同型号的闸阀,美国标准协会(American National Standards Institute,ANSI)制定了一套闸阀型号表示方法。
本文将详细介绍美标闸阀型号表示方法及其应用。
二、美标闸阀型号表示方法美标闸阀型号由一系列字母和数字组成,每个字母或数字代表着闸阀的不同特性和参数。
下面将对其中常见的几个表示方式进行介绍。
1. 闸阀尺寸表示闸阀尺寸通过英寸单位表示,常见的尺寸包括1/2英寸、1英寸、2英寸等。
在型号中,尺寸通常以数字形式出现,如“1”代表1英寸。
2. 闸阀压力等级表示闸阀的压力等级表示了其能够承受的最大工作压力。
美标闸阀常见的压力等级有150磅、300磅、600磅等。
在型号中,压力等级通常以数字形式出现,如“150”代表150磅。
3. 闸阀材质表示闸阀的材质对其耐腐蚀性和耐高温性能有着重要影响。
美标闸阀常见的材质包括碳钢、不锈钢、铸铁等。
在型号中,材质通常用字母表示,如“C”代表碳钢,“S”代表不锈钢。
4. 闸阀操作方式表示闸阀的操作方式决定了其开关是否需要人工干预。
美标闸阀常见的操作方式有手动、电动、气动等。
在型号中,操作方式通常用字母表示,如“M”代表手动,“E”代表电动。
5. 闸阀设计特性表示闸阀的设计特性包括闸板结构、密封形式等。
美标闸阀常见的设计特性有非升降式闸板、金属密封等。
在型号中,设计特性通常用字母表示,如“N”代表非升降式闸板,“M”代表金属密封。
三、应用实例为了更好地理解美标闸阀型号表示方法,下面以一个实际的型号为例进行解析。
型号:Z41H-150LB-CF8M-RF解析:- “Z41H”代表闸阀型号,其中“Z”表示闸阀,“41”为闸阀设计编号,“H”为阀体形式。
- “150LB”表示闸阀的压力等级为150磅。
- “CF8M”表示闸阀的材质为不锈钢。
美标阀门型号说明1.4阀门及小型设备代号解释GATE VALVE)、截止阀(GLOBE VALVE) 1.4.1闸阀(止回阀(CHECK VALVE)、针型阀(NEEDLE GLOBE VALVE), /特殊代码(3位)见表1.4.1-8阀芯材质,见表1.4.1,7阀体材质,见表1.4.1,6连接型式,见表1.4.1,5接管壁厚,见表1.2.1,2*传动机构,见表1.4.1,4结构型式,见表1.4.1,3压力等级,见表1.4.1,2阀门类别,见表1.4.1,1注*:只有“连接型式”中为BW时才有此项表1.4.1,1,阀门类别代号类别及应用标准代号类别止回阀/CHECK VALVE 闸阀/GATE VALVE (API600/API602/API603) Z H (API600M/API602M./API603M/API594)截止阀/GLOBE VALVE 针型阀/NEEDLE GLOBE VALVE (API602M) J N (API600M/API602M/API603M)仪表测压阀(API602M) Y注:每个阀门采用什么标准由“结构型式”确定。
表1.4.1,2, 压力等级代号压力等级应用垫片应用螺栓/螺母PN(公制) CL(磅制) (最低要求) (最低要求)石棉垫片 1 1.0 35#/25#;35CrMoA/35#石棉垫片 1a 1.0 35#/25#;35CrMoA/35#石棉垫片,缠绕垫片 2 2.0 150 35#/25#;35CrMoA/35#石棉垫片,缠绕垫片 2a 1.6 35#/25#;35CrMoA/35#缠绕垫片 3 5.0 300 35CrMoA/35#;25Cr2MoVA/35CrMo;0Cr18Ni9/0Cr18Ni9缠绕垫片 3a 2.5 35CrMoA/35#;25Cr2MoVA/35CrMo;0Cr18Ni9/0Cr18Ni9缠绕垫片 4 6.8 400 35CrMoA/35#;25Cr2MoVA/35CrMo;0Cr18Ni9/0Cr18Ni9缠绕垫片 4a 4.0 35CrMoA/35#;25Cr2MoVA/35CrMo;(MF) 0Cr18Ni9/0Cr18Ni9缠绕垫片,八角形金属垫片 5 10.0 600 35CrMoA/35#;25Cr2MoVA/35CrMo;/OCTAGON TYPE RING 0Cr18Ni9/0Cr18Ni9缠绕垫片, 5a 6.3 600 35CrMoA/35#;25Cr2MoVA/35CrMo;(MF) 0Cr18Ni9/0Cr18Ni9缠绕垫片 6 800 35CrMoA/35#;25Cr2MoVA/35CrMo;0Cr18Ni9/0Cr18Ni9ASTM A194 B7/A194 2H;ASTM A194 八角形金属垫片/OCTAGON TYPE 7 15.0 900B16/A194 4;ASTM A453 660A/A194 8C RING(或缺省)ASTM A194 B7/A194 2H;ASTM A194 八角形金属垫片/OCTAGON TYPE 8 25.0 1500B16/A194 4;ASTM A453 660A/A194 8C RING(或缺省)ASTM A194 B7/A194 2H;ASTM A194 八角形金属垫片/OCTAGON TYPE 9 42.0 2500B16/A194 4;ASTM A453 660A/A194 8C RING(或缺省)CL150-CL A 800 B管道等级表编制说明C注: 每个阀门选用何种材料的垫片和螺栓、螺母由“阀体材料”确定。
美标阀门型号说明1.4阀门及⼩型设备代号解释1.4.1闸阀(GATE VALVE)、截⽌阀(GLOBE VALVE)⽌回阀(CHECK VALVE)、针型阀(NEEDLE GLOBE VALVE)-/特殊代码(3位)见表1.4.1-8阀芯材质,见表1.4.1-7阀体材质,见表1.4.1-6连接型式,见表1.4.1-5接管壁厚,见表1.2.1-2*传动机构,见表1.4.1-4结构型式,见表1.4.1-3压⼒等级,见表1.4.1-2阀门类别,见表1.4.1-1注*:只有“连接型式”中为BW时才有此项表1.4.1-1,阀门类别代号类别及应⽤标准代号类别Z闸阀/GATE VALVE(API600/API602/API603)H⽌回阀/CHECK VALVE(API600M/API602M./API603M/API594)N针型阀/NEEDLE GLOBE VALVE(API602M)J截⽌阀/GLOBE VALVE(API600M/API602M/API603M)Y仪表测压阀(API602M)注:每个阀门采⽤什么标准由“结构型式”确定。
表1.4.1-2,压⼒等级代号压⼒等级应⽤垫⽚应⽤螺栓/螺母PN(公制)CL(磅制)(最低要求)(最低要求)1 1.0⽯棉垫⽚35#/25#;35CrMoA/35#1a 1.0⽯棉垫⽚35#/25#;35CrMoA/35#2 2.0150⽯棉垫⽚,缠绕垫⽚35#/25#;35CrMoA/35#2a 1.6⽯棉垫⽚,缠绕垫⽚35#/25#;35CrMoA/35#3 5.0300缠绕垫⽚35CrMoA/35#;25Cr2MoVA/35CrMo;0Cr18Ni9/0Cr18Ni93a 2.5缠绕垫⽚35CrMoA/35#;25Cr2MoVA/35CrMo;0Cr18Ni9/0Cr18Ni94 6.8400缠绕垫⽚35CrMoA/35#;25Cr2MoVA/35CrMo;0Cr18Ni9/0Cr18Ni94a 4.0缠绕垫⽚35CrMoA/35#;25Cr2MoVA/35CrMo;(MF)0Cr18Ni9/0Cr18Ni9 510.0600缠绕垫⽚,⼋⾓形⾦属垫⽚35CrMoA/35#;25Cr2MoVA/35CrMo;/OCTAGON TYPE RING0Cr18Ni9/0Cr18Ni95a 6.3600缠绕垫⽚,35CrMoA/35#;25Cr2MoVA/35CrMo;(MF)0Cr18Ni9/0Cr18Ni9 6800缠绕垫⽚35CrMoA/35#;25Cr2MoVA/35CrMo;0Cr18Ni9/0Cr18Ni9 715.0900⼋⾓形⾦属垫⽚/OCTAGON TYPE ASTM A194B7/A1942H;ASTM A194 RING(或缺省)B16/A1944;ASTM A453660A/A1948C 825.01500⼋⾓形⾦属垫⽚/OCTAGON TYPE ASTM A194B7/A1942H;ASTM A194RING(或缺省)B16/A1944;ASTM A453660A/A1948C 942.02500⼋⾓形⾦属垫⽚/OCTAGON TYPE ASTM A194B7/A1942H;ASTM A194RING(或缺省)B16/A1944;ASTM A453660A/A1948CA CL150-CL800B注:每个阀门选⽤何种材料的垫⽚和螺栓、螺母由“阀体材料”确定。
阀门型号编制方法、阀门编号说明阀门型号通常应表示阀门类型、驱动方式、连接形式、结构特点、公称压力、密封面材料、阀体材料等要素。
阀门型号的标准化对阀门的设计、选用、经销,提供了方便。
当今阀门的类型和材料种类越来越多,阀门型号的编制也愈来愈复杂。
我国虽然有阀门型号编制的统一标准,但逐渐不能适应阀门工业发展的需要。
目前,阀门制造厂一般采用统一的编号方法;不能采用统一编号方法的,各生产厂可按自己的情况制订出编号方法。
当阀门还具有其他功能作用或带有其他特异结构时,在阀门类型代号前再加注一个汉语拼音字母,按下表的规定。
第二功能作用名称代号 第二功能作用名称代号 保温型 B 排渣型 P 低温型 D a 快速型Q 防火型 F (阀杆密封)波纹管型W 缓闭型H——a低温型指允许使用温度低于-46℃以下的阀门。
类型 安全阀 蝶阀 隔膜阀 止回阀底阀 截止阀 节流阀 排污阀 球阀 疏水阀 柱塞阀 旋塞阀 减压阀 闸阀代号 A D G H J L P Q S U X Y Z安全阀、减压阀、疏水阀、手轮直接连接阀杆操作结构形式的阀门,本代号省略,不表示;对于气动或液动机构操作的阀门:常开式用6K、7K表示;常闭式用6B、7B表示;防爆电动装置的阀门用9B表示。
三单元:连接型式四单元:结构型式阀门结构形式用阿拉伯数字表示,按下表规定。
闸阀结构形式代号截止阀、节流阀和柱塞阀结构形式代号球阀结构形式代号蝶阀结构形式代号隔膜阀结构形式代号旋塞阀结构形式代号止回阀结构形式代号安全阀结构形式代号减压阀结构形式代号蒸汽疏水阀结构形式代号排污阀结构形式代号五单元:密封副材料六单元:公称压力数值用阿拉伯数字直接表示,它是MPa的10倍举例:Z543H-16C 伞齿轮传动法兰连接平板闸阀,公称压力1.6MPa,阀体材料为碳钢阀门的命名阀门的名称按传动方式、连接形式、结构形式、衬里材料和类型命名。
但下面内容在命名中均予省略:(1) 连接形式中:“法兰”。
表1公称通径单位公称通径毫米8101520253240506580英寸1/43/81/23/411-1/41-1/222-1/23毫米90100125150175200225250275300英寸3-1/2456789101112毫米325350375400425450475500550600英寸13141516171819202224毫米650700750800850900950100010501100英寸26283032343638404244毫米1150120012501300135014001450150015501600英寸46485052545658606264毫米1650170017501800190020002100220023002400英寸66687072768084889296毫米2500260027002800290030003100320033003400英寸100104108112116120124128132136毫米350036003700380039004000英寸140144148152156160表2阀门类型代号阀门类型代号阀门类型代号闸阀Z球阀Q截止阀J隔膜阀G 截止止回阀E旋塞阀C 节流阀L蝶阀D柱塞阀U疏水阀S 旋启式止回阀H安全阀A升降式止回阀P减压阀Y 阀门类型代号前再加注一个英文字母代号其他功能作用或带有其他特异结构A全焊接阀类B波纹管型C1)船用阀类(阀门连接端和设计标准按船用阀门标准)D2)低温型F防火型(不包括球阀)G轨道阀类(球阀和旋塞阀等)H缓闭型(如带弹簧/阻力缸类缓闭型止回阀等)P排渣型Q快速型(快速开启、关闭型阀门)R燃气阀类1)如阀门按常规标准设计和制造,作船用阀门用途,此时不能使用代号“C”。
2)用于低温止回阀和低温蝶阀等。
对于低温闸阀、截止阀和球阀,可用ZL、JL和QL表示。
表3阀门结构形式代号结构形式代号1)、2)阀门类型闸阀截止/节流/柱塞阀旋启式止回阀升降式止回阀球阀旋塞阀隔膜阀蝶阀减压阀无号楔式单闸板B.B.OS&Y阀瓣非平衡式B.B.OS&YB.B B.B二体式浮动球直通堰式无偏心薄膜式A 平行双闸板—顶楔式A.OS&Y________________A_________B 平行双闸板—弹簧式A.P.OS&Y底阀______体式_____________波纹管式C楔式双闸板 A.W。
阀门型号编制方法、阀门编号说明阀门型号通常应表示阀门类型、驱动方式、连接形式、结构特点、公称压力、密封面材料、阀体材料等要素。
目前,阀门制造厂一般采用统一的编号方法;不能采用统一编号方法的,各生产厂可按自己的情况制订出编号方法。
一单元:阀门类型代号当阀门还具有其他功能作用或带有其他特异结构时,在阀门类型代号前再加注一个汉语拼音字母,按下表的规定。
第二功能作用名称代号第二功能作用名称代号保温型 B 排渣型P 类型安全阀0蝶阀隔膜阀止回阀底阀截止阀节流阀排污阀球阀疏水阀柱塞阀旋塞阀减压阀闸阀代号A D G H J L P Q S U X Y Z二单元:传动方式安全阀、减压阀、疏水阀、手轮直接连接阀杆操作结构形式的阀门,本代号省略,不表示;对于气动或液动机构操作的阀门:常开式用6K、7K表示;常闭式用6B、7B表示;防爆电动装置的阀门用9B表示。
三单元:连接型式四单元:结构型式阀门结构形式用阿拉伯数字表示,按下表规定。
闸阀结构形式代号截止阀、节流阀和柱塞阀结构形式代号球阀结构形式代号蝶阀结构形式代号隔膜阀结构形式代号旋塞阀结构形式代号止回阀结构形式代号安全阀结构形式代号减压阀结构形式代号蒸汽疏水阀结构形式代号排污阀结构形式代号五单元:密封副材料当密封副的密封面材料不同时,以硬度低的材料代号表示。
六单元:公称压力数值用阿拉伯数字直接表示,它是MPa的10倍七单元:阀体材料注:PN≤1.6MPa的灰铸铁阀体和PN≥2.5MPa的碳素钢阀体省略本代号。
举例:Z543H-16C 伞齿轮传动法兰连接平板闸阀,公称压力1.6MPa,阀体材料为碳钢阀门的命名阀门的名称按传动方式、连接形式、结构形式、衬里材料和类型命名。
但下面容在命名中均予省略:(1) 连接形式中:“法兰”。
(2) 结构形式中:a:闸阀的“明杆”、“弹性”、“刚性”和“单闸板”; b:截止阀和节流阀的“直通式”;c:球阀的“浮动”和“直通式”;d:蝶阀的“垂直板式”;e:隔膜阀的“屋脊式”;f:旋塞阀的“填料”和“直通式”;g:止回阀的“直通式”和“单瓣式”;h:安全阀的“不封闭”。
美标阀门型号说明等级表编制说明1.4阀门及小型设备代号解释1.4.1闸阀(GATE VALVE)、截止阀(GLOBE VALVE)止回阀(CHECK VALVE)、针型阀(NEEDLE GLOBE VALVE) - / 特殊代码(3位)见表1.4.1-8阀芯材质,见表1.4.1-7阀体材质,见表1.4.1-6连接型式,见表1.4.1-5接管壁厚,见表1.2.1-2*传动机构,见表1.4.1-4结构型式,见表1.4.1-3压力等级,见表1.4.1-2阀门类别,见表1.4.1-1 注*:只有“连接型式”中为BW时才有此项注:每个阀门采用什么标准由“结构型式”确定。
对CL900.1500.2500三个等级的阀门,一般采用压力密封阀盖,此时“阀盖垫片”和“阀盖螺栓”项缺省。
等级1a、2a、3a、4a、5a适用于JB标准阀门。
注: 如果阀门的结构型式为“2”、“8”和“9”,即阀盖为压力密封阀盖,则该表中的“阀盖垫片材料”和“阀盖螺栓材料”栏缺省。
如果阀门的结构型式为“5”,则该表中的“阀杆填料”栏缺省。
表1.4.1-8,特殊代码1.4.2球阀(BALL VALVE)特殊代码(3位)见表1.4.1-8阀芯材质,见表1.4.2-2阀体材质,见表1.4.1-6连接型式,见表1.4.1-5接管壁厚,见表1.2.1-2*传动机构,见表1.4.1-4结构型式,见表1.4.2-1压力等级,见表1.4.1-2阀门类别:球阀/BALL VALVE,代号-Q1.4.3 旋塞阀(PLUG VALVE)阀芯材质,见表1.4.3-2阀体材质,见表1.4.1-6连接型式,见表1.4.1-5接管壁厚,见表1.2.1-2*传动机构,见表1.4.1-4结构型式,见表1.4.3-1压力等级,见表1.4.1-2阀门类别:旋塞阀/PLUG VALVE,代号-P1.4.4 蝶阀(BUTTERFLY VALVE)阀芯材质,见表1.4.4-2阀体材质,见表1.4.1-6连接型式,见表1.4.1-5接管壁厚,见表1.2.1-2*传动机构,见表1.4.1-4结构型式,见表1.4.4-1压力等级,见表1.4.1-2阀门类别:蝶阀/BUTTERFLY VALVE,代号-D1.4.5 疏水阀(STEAM TRAP VALVE)阀芯材质,见表1.4.5-2阀体材质,见表1.4.1-6连接型式,见表1.4.1-5结构型式,见表1.4.5-1压力等级,见表1.4.1-2阀门类别:疏水阀/STEAM TRAP VALVE,代号-S1.4.6 过滤器(STRAINER)阀体材质,见表1.2.1-3连接型式,见表1.4.1-5接管壁厚,见表1.2.1-2*结构型式,见表1.4.6-1压力等级,见表1.3.1-2阀门类别:过滤器(STRAINER),代号-T阀芯材质一般为304表1.4.6-1,结构型式1.4.7视镜(SIGHT GLASS)阀体材质,见表1.2.1-3连接型式,见表1.4.1-5接管壁厚,见表1.2.1-2*结构型式,见表1.4.7-1压力等级,见表1.3.1-2阀门类别:视镜(SIGHT GLASS),代号-G1.4.8仪表测压阀(Y)接管材质,见表1.4.8-3阀芯材质,见表1.4.1阀体材质,见表1.2.1-3近主管接管长度,见表1.4.8-2接管壁厚,见表1.2.1-2压力等级,见表1.3.1-2主阀类型,见表1.4.8-1阀门类别:仪表测压阀,代号-Y。
阀门型号编制方法、阀门编号说明阀门型号通常应表示阀门类型、驱动方式、连接形式、结构特点、公称压力、密封面材料、阀体材料等要素。
阀门型号的标准化对阀门的设计、选用、经销,提供了方便。
当今阀门的类型和材料种类越来越多,阀门型号的编制也愈来愈复杂。
我国虽然有阀门型号编制的统一标准,但逐渐不能适应阀门工业发展的需要。
目前,阀门制造厂一般采用统一的编号方法;不能采用统一编号方法的,各生产厂可按自己的情况制订出编号方法。
当阀门还具有其他功能作用或带有其他特异结构时,在阀门类型代号前再加注一个汉语拼音字母,按下表的规定。
二单元:传动方式安全阀、减压阀、疏水阀、手轮直接连接阀杆操作结构形式的阀门,本代号省略,不表示;对于气动或液动机构操作的阀门:常开式用6K、7K表示;常闭式用6B、7B表示;防爆电动装置的阀门用9B表示。
三单元:连接型式四单元:结构型式阀门结构形式用阿拉伯数字表示,按下表规定。
闸阀结构形式代号截止阀、节流阀和柱塞阀结构形式代号球阀结构形式代号蝶阀结构形式代号隔膜阀结构形式代号旋塞阀结构形式代号止回阀结构形式代号安全阀结构形式代号减压阀结构形式代号蒸汽疏水阀结构形式代号排污阀结构形式代号五单元:密封副材料六单元:公称压力数值用阿拉伯数字直接表示,它是MPa的10倍举例:Z543H-16C 伞齿轮传动法兰连接平板闸阀,公称压力 1.6MPa,阀体材料为碳钢阀门的命名阀门的名称按传动方式、连接形式、结构形式、衬里材料和类型命名。
但下面内容在命名中均予省略:(1) 连接形式中:“法兰”。
(2) 结构形式中:a:闸阀的“明杆”、“弹性”、“刚性”和“单闸板”;b:截止阀和节流阀的“直通式”;c:球阀的“浮动”和“直通式”;d:蝶阀的“垂直板式”;e:隔膜阀的“屋脊式”;f:旋塞阀的“填料”和“直通式”;g:止回阀的“直通式”和“单瓣式”;h:安全阀的“不封闭”。
(3) 阀座密封面材料中的材料名称。
美标阀门型号编制方法,美标阀门型号大全美标阀门主要有API和ASME标准,ASTM,ASTM是材料标准;按美国标准设计,制造,生产、检测的阀门叫做美标阀门。
美标阀门一般都是采用英寸表示,例:Flanged Globe Valve150#RF,GLOBE VAvle球形阀,150#RF为压力等级150磅约合PN2.5MPa凸面法兰,前面的FLange表示为法兰式即为法兰连接,例如8"150#表示8寸150磅即DN200PN2.5MPa法兰对应美标是flange8“CL150#RF如果是DN80则是3"。
美标阀门型号编制大全:注*:只有“连接型式”中为BW时才有此项①美标阀门类别代号:代号类别及应用标准代号类别Z闸阀/GATE VALVE H止回阀/CHECK VALVE(API600/API602/API603)(API600M/API602M./API603M/API594)截止阀/GLOBE VALVEJN针型阀/NEEDLE GLOBE VALVE(API602M) (API600M/API602M/API603M)Y仪表测压阀(API602M)注:每个阀门采用什么标准由“结构型式”确定。
②美标阀门压力等级代号:代压力等级应用垫片应用螺栓/螺母号CL(磅(最低要求)(最低要求)PN(公制)制)1 1.0石棉垫片35#/25#;35CrMoA/35#1a1.0石棉垫片35#/25#;35CrMoA/35#2 2.0150石棉垫片,缠绕垫片35#/25#;35CrMoA/35#2a1.6石棉垫片,缠绕垫片35#/25#;35CrMoA/35#3 5.0300缠绕垫片35CrMoA/35#;25Cr2MoVA/35CrMo;0Cr18Ni9/0Cr18Ni93a2.5缠绕垫片35CrMoA/35#;25Cr2MoVA/35CrMo;0Cr18Ni9/0Cr18Ni94 6.8400缠绕垫片35CrMoA/35#;25Cr2MoVA/35CrMo;0Cr18Ni9/0Cr18Ni94a4.0缠绕垫片35CrMoA/35#;25Cr2MoVA/35CrMo;(MF)0Cr18Ni9/0Cr18Ni9510.0600缠绕垫片,八角形金属垫片35CrMoA/35#;25Cr2MoVA/35CrMo;/OCTAGON TYPERING0Cr18Ni9/0Cr18Ni95a6.3600缠绕垫片,35CrMoA/35#;25Cr2MoVA/35CrMo;(MF)0Cr18Ni9/0Cr18Ni96800缠绕垫片35CrMoA/35#;25Cr2MoVA/35CrMo;0Cr18Ni9/0Cr18Ni9715.0900八角形金属垫片/OCTAGON TYPE ASTM A194B7/A1942H;ASTM A194RING(或缺省)B16/A1944;ASTM A453660A/A1948C825.01500八角形金属垫片/OCTAGON TYPE ASTM A194B7/A1942H;ASTM A194RING(或缺省)B16/A1944;ASTM A453660A/A1948C942.02500八角形金属垫片/OCTAGON TYPE ASTM A194B7/A1942H;ASTM A194RING(或缺省)B16/A1944;ASTM A453660A/A1948CA CL150-CL800BC注:¬每个阀门选用何种材料的垫片和螺栓、螺母由“阀体材料”确定。
美标阀门型号编制方法,美标阀门型号大全美标阀门主要有API和ASME标准,ASTM,ASTM是材料标准;按美国标准设计,制造,生产、检测的阀门叫做美标阀门。
美标阀门一般都是采用英寸表示,例:Flanged Globe Valve150#RF,GLOBE VAvle球形阀,150#RF为压力等级150磅约合PN2.5MPa凸面法兰,前面的FLange表示为法兰式即为法兰连接,例如8"150#表示8寸150磅即DN200PN2.5MPa法兰对应美标是flange8“CL150#RF如果是DN80则是3"。
美标阀门型号编制大全:注*:只有“连接型式”中为BW时才有此项①美标阀门类别代号:代号类别及应用标准代号类别Z闸阀/GATE VALVE H止回阀/CHECK VALVE(API600/API602/API603)(API600M/API602M./API603M/API594)截止阀/GLOBE VALVEJN针型阀/NEEDLE GLOBE VALVE(API602M) (API600M/API602M/API603M)Y仪表测压阀(API602M)注:每个阀门采用什么标准由“结构型式”确定。
②美标阀门压力等级代号:代压力等级应用垫片应用螺栓/螺母号CL(磅(最低要求)(最低要求)PN(公制)制)1 1.0石棉垫片35#/25#;35CrMoA/35#1a1.0石棉垫片35#/25#;35CrMoA/35#2 2.0150石棉垫片,缠绕垫片35#/25#;35CrMoA/35#2a1.6石棉垫片,缠绕垫片35#/25#;35CrMoA/35#3 5.0300缠绕垫片35CrMoA/35#;25Cr2MoVA/35CrMo;0Cr18Ni9/0Cr18Ni93a2.5缠绕垫片35CrMoA/35#;25Cr2MoVA/35CrMo;0Cr18Ni9/0Cr18Ni94 6.8400缠绕垫片35CrMoA/35#;25Cr2MoVA/35CrMo;0Cr18Ni9/0Cr18Ni94a4.0缠绕垫片35CrMoA/35#;25Cr2MoVA/35CrMo;(MF)0Cr18Ni9/0Cr18Ni9510.0600缠绕垫片,八角形金属垫片35CrMoA/35#;25Cr2MoVA/35CrMo;/OCTAGON TYPERING0Cr18Ni9/0Cr18Ni95a6.3600缠绕垫片,35CrMoA/35#;25Cr2MoVA/35CrMo;(MF)0Cr18Ni9/0Cr18Ni96800缠绕垫片35CrMoA/35#;25Cr2MoVA/35CrMo;0Cr18Ni9/0Cr18Ni9715.0900八角形金属垫片/OCTAGON TYPE ASTM A194B7/A1942H;ASTM A194RING(或缺省)B16/A1944;ASTM A453660A/A1948C825.01500八角形金属垫片/OCTAGON TYPE ASTM A194B7/A1942H;ASTM A194RING(或缺省)B16/A1944;ASTM A453660A/A1948C942.02500八角形金属垫片/OCTAGON TYPE ASTM A194B7/A1942H;ASTM A194RING(或缺省)B16/A1944;ASTM A453660A/A1948CA CL150-CL800BC注:¬每个阀门选用何种材料的垫片和螺栓、螺母由“阀体材料”确定。
对CL900.1500.2500三个等级的阀门,一般采用压力密封阀盖,此时“阀盖垫片”和“阀盖螺栓”项缺省。
®等级1a、2a、3a、4a、5a适用于JB标准阀门。
③美标阀门结构型式代号:代号结构型式结构型式解释应用标准结构长度标准C BB-BG-OS&Y螺栓连接阀盖,螺栓连接压盖,明杆支架式API602/API602MASMEB16.10(BOLTED BONNET,BOLTED GLAND,OS&Y)D BB-BG-OS&Y螺栓连接阀盖,螺栓连接压盖,明杆支架式API603/API603MASMEB16.10(BOLTED BONNET,BOLTED GLAND,OS&Y)E BB-BG-OS&Y-N螺栓连接阀盖,螺栓连接压盖,明杆支架式,API602MASMEB16.10针型结构(BOLTEDBONNET,BOLTED GLAND,OS&Y,NEDDLE TYPE)G BC-PISTON-LIFT螺栓连接阀盖,升降式API602MASMEB16.10(BOLTED BONNE,PISTON-LIFT)H BC-PISTON-LIFT螺栓连接阀盖,升降式API603MASMEB16.10螺栓连接阀盖,螺栓连接压盖,明杆支架式,B BB-BG-OS&Y-W波纹管密封结构(BOLTEDBONNET,BOLTED API600M南京流体工程机GLAND,OS&Y,BELLOWS SEALTYPE)械厂标准螺栓连接阀盖,螺栓连接压盖,明杆支架式,低温L BB-BG-OS&Y-L密封结构(BOLTEDBONNET,BOLTEDGLAND ASME B16.34ASMEB16.10,OS&Y,CRYOGENIC SERVICE SRRUCTURE)1BC-SWING螺栓连接阀盖,旋启式API600MASMEB16.10(BOLTED BONNET,SWING)2PS-PISTON-LIFT压力密封阀盖,升降式API600MASMEB16.10(PRESSURE SEALBONNET,PISTON-LIFT)3WAFER TYPE对夹式止回阀API594API594(WAFER CHECK VALVE)4TILTING-DISC TILTING-DISC型止回阀API600MASMEB16.10(TILTING-DISC TYPE CHECKVALVE)5BB-BG-OS&Y-F螺栓连接阀盖,螺栓连接压盖,明杆支架式,配特殊填料API600/API600MASMEB16.10(BOLTED BONNET,BOLTED GLAND,OS&Y,WITH SPECCIAL PACKING)6BB-BG-OS&Y螺栓连接阀盖,螺栓连接压盖,明杆支架式API600/API600MASMEB16.10(BOLTED BONNET,BOLTED GLAND,OS&Y)7BB-BG-OS&Y-H螺栓连接阀盖,螺栓连接压盖,明杆支架式,带吹扫孔API600/API600MASMEB16.10(BOLTED BONNET,BOLTED GLAND,OS&Y,WITHBLOMING HOLE)8PS-BG-OS&Y压力密封阀盖,螺栓连接压盖,明杆支架式API600/API600MASMEB16.10(PRESSURE SEAL BONNET,BOLTED GLAND,OS&Y)9PS-COVERSWING 压力密封阀盖,旋启式API600/API600MASMEB16.10 (PRESSURE SEAL BONNET,SWING)M BB-BG-M-SEAL动密封闸阀API600MASME16.10④美标阀门传动机构代号:代号传动型式$手动A电动/ELECTRIC MOTOR OPERATEDB气动/AIR MOTOR OPERATEDC伞齿轮驱动/BEVEL GEAR OPERATEDD链条传动/REMOTE OPERATED WITH CHAINE延长杆传动/OPERATED WITH EXTENDED STEMF远距离铰链联接杆传动(简称:远距离手动)/REMOTE OPERATED WITH JOINT& LEVERH蜗轮蜗杆传动/⑤美标阀门连接型式代号:代号连接型式连接型式解释S SW承插焊/SOCKET WELDEDT NPT60°锥管螺纹/NATIONAL TAPER PIPE THREADG Rc55°锥管螺纹/55°TAPER PIPE THREADR RF凸台面法兰连接/RAISED FACEJ RJ环槽面法兰连接/RING JOINTW BW对焊连接/BUTT-WELDEDP PIPE阀门两端各带一段150mm长的管子/EACH ENDWITH A150mm SHORTPIPEF MF(F)凹凸面连接(凹面)/MALE-FEMALE FACE(FEMALE)A RF-NPT⑥美标阀门阀体材质代号:代号阀体材质/BODY公称压力阀盖垫片材料/GASKET阀盖螺栓材料BOLT/NET阀杆填料/PACKING1.锻造碳素钢阀体代号:/FORGED CARBON STEEL£CL150特制石棉垫片(£400℃耐油/酸/碱)35#/25#¬DN£40:304金属丝与柔H1ASTM A105CL300,400,800304+柔性石墨缠绕垫片35CrMoA/35#性石墨编织填料CL600软铁,八角型金属垫片35CrMoA/35#DN³50:304金属丝与柔性石CL900-2500(缺省)(缺省)墨编织填料+柔性石墨环£CL150304+聚四氟乙烯缠绕垫片35CrMoA/35#¬DN£40:304金属丝与柔H2ASTMA350-LF2CL300,400,800304+柔性石墨缠绕垫片35CrMoA/35CrMo性石墨编织填料CL600LF2,八角型金属垫片35CrMoA/35CrMoDN³50:304金属丝与柔性石CL900-2500(缺省)(缺省)墨编织填料+柔性石墨环£CL150304+聚四氟乙烯缠绕垫片35CrMoA/35#¬DN£40:304金属丝与柔H3ASTMA350-LF3CL300,400,800304+柔性石墨缠绕垫片35CrMoA/35CrMo性石墨编织填料CL600LF3,八角型金属垫片35CrMoA/35CrMoDN³50:304金属丝与柔性石CL900-2500(缺省)(缺省)墨编织填料+柔性石墨环2.铸造碳素钢阀体代号:/CAST CARBON STEEL£CL150特制石棉垫片(£400℃耐油/酸/碱)35#/25#¬DN£40:304金属丝与柔J1ASTM CL300,400304+柔性石墨缠绕垫片35CrMoA/35#性石墨编织填料A216-WCB CL600软铁,八角型金属垫片35CrMoA/35#DN³50:304金属丝与柔性石CL900-2500(缺省)(缺省)墨编织填料+柔性石墨环£CL150304+聚四氟乙烯缠绕垫片35CrMoA/35#¬DN£40:304金属丝与柔J2ASTM CL300,400304+柔性石墨缠绕垫片35CrMoA/35CrMo性石墨编织填料A352-LCB CL600LF2,八角型金属垫片35CrMoA/35CrMoDN³50:304金属丝与柔性石CL900-2500(缺省)(缺省)墨编织填料+柔性石墨环£CL150304+聚四氟乙烯缠绕垫片35CrMoA/35#¬DN£40:304金属丝与柔J3ASTM CL300,400304+柔性石墨缠绕垫片35CrMoA/35CrMo性石墨编织填料A352-LC3CL600LF3,八角型金属垫片35CrMoA/35CrMoDN³50:304金属丝与柔性石CL900-2500(缺省)(缺省)墨编织填料+柔性石墨环3.锻造合金钢阀体代号:(FORGED ALLOY STEEL)£CL150,800304+柔性石墨缠绕垫片35CrMoA/35#¬DN£40:304金属丝与柔K1ASTMA182-F1CL300,400304+柔性石墨缠绕垫片35CrMoA/35#性石墨编织填料CL6005Cr-0.5Mo,八角型金属垫片35CrMoA/35CrMoDN³50:304金属丝与柔性石CL900-2500(缺省)(缺省)墨编织填料+柔性石墨环£CL150,800304+柔性石墨35CrMoA/35#¬DN£40:304金缠绕垫片属丝与柔K2ASTMA182-F11CL300,400304+柔性石墨缠绕垫片35CrMoA/35CrMo性石墨编织填料CL6005Cr-0.5Mo,八角型金属垫片25Cr2MoVA/35CrMoDN³50:304金属丝与柔性石CL900-2500(缺省)(缺省)墨编织填料+柔性石墨环⑥美标阀门阀体材质代号:/BODY MATERIAL(CONTINUE)代号阀体材质/BODY公称压力阀盖垫片材料/GASKET阀盖螺栓材料BOLT/NET阀杆填料/PACKING £CL150,800304+柔性石墨缠绕垫片35CrMoA/35#¬DN£40:304金属丝与柔K3ASTMA182-F22CL300,400304+柔性石墨缠绕垫片35CrMoA/35CrMo性石墨编织填料CL6005Cr-0.5Mo,八角型金属垫片25Cr2MoVA/35CrMoDN³50:304金属丝与柔性石CL900-2500(缺省)(缺省)墨编织填料+柔性石墨环£CL150,800304+柔性石墨缠绕垫片35CrMoA/35CrMo¬DN£40:304金属丝与柔K4ASTMA182-F5CL300,400304+柔性石墨缠绕垫片25Cr2MoVA/35CrMo性石墨编织填料CL6005Cr-0.5Mo,八角型金属垫片25Cr2MoVA/35CrMoDN³50:304金属丝与柔性石CL900-2500(缺省)(缺省)墨编织填料+柔性石墨环£CL150,800304+柔性石墨缠绕垫片35CrMoA/35CrMo¬DN£40:304金属丝与柔K5ASTMA182-F9CL300,400304+柔性石墨缠绕垫片25Cr2MoVA/35CrMo性石墨编织填料CL6000Cr18Ni9,八角型金属垫片25Cr2MoVA/35CrMoDN³50:304金属丝与柔性石CL900-2500(缺省)(缺省)墨编织填料+柔性石墨环4.铸造合金钢阀体代号:(CAST ALLOY STEEL)£CL150304+柔性石墨缠绕垫片35CrMoA/35#¬DN£40:304金属丝与柔L1ASTM CL300,400304+柔性石墨缠绕垫片35CrMoA/35#性石墨编织填料A217-WC1CL6005Cr-0.5Mo,八角型金属垫片35CrMoA/35CrMoDN³50:304金属丝与柔性石CL900-2500(缺省)(缺省)墨编织填料+柔性石墨环£CL150304+柔性石墨缠绕垫片35CrMoA/35#¬DN£40:304金属丝与柔L2ASTM CL300,400304+柔性石墨缠绕垫片35CrMoA/35CrMo性石墨编织填料A217-WC6CL6005Cr-0.5Mo,八角型金属垫片25Cr2MoVA/35CrMoDN³50:304金属丝与柔性石CL900-2500(缺省)(缺省)墨编织填料+柔性石墨环£CL150304+柔性石墨缠绕垫片35CrMoA/35#¬DN£40:304金属丝与柔L3ASTM CL300,400304+柔性石墨缠绕垫片35CrMoA/35CrMo性石墨编织填料A217-WC9CL6005Cr-0.5Mo,八角型金属垫片25Cr2MoVA/35CrMoDN³50:304金属丝与柔性石CL900-2500(缺省)(缺省)墨编织填料+柔性石墨环£CL150304+柔性石墨缠绕垫片35CrMoA/35CrMo¬DN£40:304金属丝与柔L4ASTM CL300,400304+柔性石墨缠绕垫片25Cr2MoVA/35CrMo性石墨编织填料A217-C5CL6005Cr-0.5Mo,八角25Cr2MoVA/35CrMo DN³50:304金属型金属垫片丝与柔性石CL900-2500(缺省)(缺省)墨编织填料+柔性石墨环£CL150304+柔性石墨缠绕垫片35CrMoA/35CrMo¬DN£40:304金属丝与柔L5ASTM CL300,400304+柔性石墨缠绕垫片25Cr2MoVA/35CrMo性石墨编织填料A217-C12CL6000Cr18Ni9,八角型金属垫片25Cr2MoVA/35CrMoDN³50:304金属丝与柔性石CL900-2500(缺省)(缺省)墨编织填料+柔性石墨环5.锻造不锈钢阀体代号:(FORGED AUST.SS)£CL150,800304+柔性石墨缠绕垫片35CrMoA/35#¬DN£40:304金属丝与柔M1ASTM CL300,400304+柔性石墨缠绕垫片35CrMoA/35CrMo性石墨编织填料A182-F304CL6000Cr18Ni9,八角型金属垫片25Cr2MoVA/35CrMoDN³50:304金属丝与柔性石CL900-2500(缺省)(缺省)墨编织填料+柔性石墨环£CL150,800316+柔性石墨缠35CrMoA/35#¬DN£40:316金绕垫片属丝与柔M2ASTM CL300,400316+柔性石墨缠绕垫片35CrMoA/35CrMo性石墨编织填料A182-F316CL6000Cr17Ni12Mo2,八角型金属垫片25Cr2MoVA/35CrMoDN³50:316金属丝与柔性石CL900-2500(缺省)(缺省)墨编织填料+柔性石墨环£CL150,800321+柔性石墨缠绕垫片0Cr18Ni9/0Cr18Ni9¬DN£40:321金属丝与柔M3ASTM CL300,400321+柔性石墨缠绕垫片0Cr18Ni9/0Cr18Ni9性石墨编织填料A182-F321CL6000Cr18Ni11Ti,八角型金属垫片0Cr18Ni9/0Cr18Ni9DN³50:321金属丝与柔性石CL900-2500(缺省)(缺省)墨编织填料+柔性石墨环£CL150,800321+柔性石墨缠绕垫片0Cr18Ni9/0Cr18Ni9¬DN£40:321金属丝与柔M4ASTM CL300,400321+柔性石墨缠绕垫片0Cr18Ni9/0Cr18Ni9性石墨编织填料A182-F347CL6000Cr18Ni11Ti,八角型金属垫片0Cr18Ni9/0Cr18Ni9DN³50:321金属丝与柔性石CL900-2500(缺省)(缺省)墨编织填料+柔垫片。