CSR8670开发板使用说明书
- 格式:doc
- 大小:1.18 MB
- 文档页数:6
DFU 使用1)产生DFU keys:dfukeygenerate.exe -o keys或dfukeygenerate.exe -o keys -r random.txt生成keys.private.key 和keys.public.key 两个文件。
2)loader和firmware签名:a)dfukeyinsert.exe -v -o loader_signed -lC:\ADK_CSR867x.WIN4.3.1.5\firmware\assisted\unified\gordon\loader_unsigned.xdv -ks keys.public.key生成loader_signed.xdv 和loader_signed.xpv文件b)dfusign.exe -v -o stack_signed -sC:\ADK_CSR867x.WIN4.3.1.5\firmware\assisted\unified\gordon\stack_unsigned.xpv -ks keys.private.key生成stack_signed.xdv 和stack_signed.xpv文件3)编译project使用xIDE编译生成vm.app和image.fs文件4)PSkey和application签名c)dfukeyinsert.exe -v -o image_signed -ps C:\Users\A80711\Desktop\image.psr -kakeys.public.key其中image.psr:使用pstool工具dump出来的CSR8670中已经设置的pskey设置(包括system和user)生成image_signed.psr 文件d)dfusign.exe -v -o image_signed -h C:\Users\A80711\Desktop\image.fs -kakeys.private.key其中image.fs是xIDE编译生成的文件。
CSR8645,CSR8670--让无线音频达到有线效果CSR8645,CSR8670 这两款SoC都能够利用CSR音频处理和蓝牙无线连接技术与家庭娱乐系统之间以最高立体声音频质量进行无线传输,这两款SoC能够支持电视,及其它可连接的家庭应用,以及智能手机、平板电脑、PC以及很多其它消费产品。
CSR 的aptX™高保真音频技术能够通过蓝牙连接为无线扬声器或耳机提供出色的立体声音效,同时CSR的清晰语音捕捉(CVC®)技术能够为高质量的扬声器提供声学回声及噪音消除功能。
CSR音频与消费业务部产品市场经理Paul Wilson表示:“CSR8645和CSR8670为我们的客户提供了灵活的音频系统芯片解决方案,可以用来开发更多高度差异化的产品,并更快地投入市场,从而提高自身竞争力。
通过这两款SoC,我们为无线音频质量确立了新标准,提供了革命性的消费音频平台,因为其不仅能够支持传统音频应用,而且开创了全新的消费应用和外形参数。
CSR8645和CSR8670已于9月2-7日在德国柏林举行的IFA2011全球贸易博览会上进行展出。
有线替代方案CSR8645和CSR8670能够帮助OEM厂商开发可作为有线设备的增强型电池供电型无线音频产品,也可通过直接插入无蓝牙连接功能的音频设备实现有线连接。
有线音频功能还可以使设备在电量低时继续使用,或者在无线连接被禁用或不方便使用时使用。
CSR8645和CSR8670音频产品可以通过模拟连接方式获得音频输入,例如标准的3.5毫米音频接口和USB连接方式,后者的另一优势是在听音乐的同时可以进行充电。
为主流产品设计的高品质aptX蓝牙音频CSR8645是第一款以ROM方式实现aptX技术的CSR音频平台解决方案,标志着CSR实现了将aptX高品质音频技术应用于大众市场的承诺。
CSR8645旨在提供出众的音效,并结合多种核心的、市场领先的功能——例如具有多种预设参数的,全面可配置、可调EQ——集中在一个灵活的、高度可调整的、基于ROM的解决方案中。
BAF002-CSR8670 usb source功能验证
文档版本:v0.0.1
本文主要讲解在ADK_CSR867x.WIN4.3.1.5下,验证一下sub source的功能。
最终是将烧录好source程序的板子通过USB连接到PC,让PC识别到一个USB声卡,然后用市面上普通的蓝牙耳机去连接CSR8670板子,并通过PC播放音乐,用QQ语音通话测试等。
连接好板子,打开BlueFlash:
按照提示擦除整个FLASH。
打开xIDE,然后打开source工程:
在工程属性中设置Hardware Variant:
默认程序好像是配置成了USB source,所以其他应该不用改啥了。
如果是wired source,好像还要在工程属性中修改一些配置。
所以,直接run程序即可:
打开pstool,merge以下两个文件:
设置蓝牙地址:
设置名称:
最好再设置一下trim:
完毕后,重新给板子上电,这个时候会在设备管理器中看到以下设备:
这个时候,将市面上的任意蓝牙耳机处于配对状态,靠近CSR8670板子,不一会儿耳机就会自动和CSR8670配对上了。
这个时候尝试用PC播放音乐,是可以正常工作的。
补充说明一下,ADK4.2下,新烧录的程序会自动进入配对状态,一旦配对过,则需要长按PIO11让芯片再一次进入配对状态。
ZYNQ7000开发平台用户手册AX7Z035B开发板2 / 56芯驿电子科技(上海)有限公司文档版本控制目录文档版本控制 (2)一、开发板简介 (6)二、AC7Z035B核心板 (9)(一)简介 (9)(二)ZYNQ芯片 (10)(三)DDR3 DRAM (13)(四)QSPI Flash (19)(五)eMMC Flash (20)(六)时钟配置 (21)(七)LED灯 (24)(八)复位电路 (25)(九)电源 (25)(十)结构图 (27)(十一)连接器管脚定义 (28)三、扩展板 (37)(一)简介 (37)(二)USB转串口 (37)(三)千兆以太网接口 (38)(四)USB2.0 Host接口 (41)(五)HDMI输出接口 (42)(六)HDMI输入接口 (44)(七)光纤接口 (46)(八)PCIe插槽 (48)(九)SD卡槽 (49)(十)40针扩展口 (50)(十一)LED灯 (51)(十二)复位按键和用户按键 (52)(十三)JTAG调试口 (53)(十四)拨码开关配置 (54)3 / 564 / 56芯驿电子科技(上海)有限公司(十五) 电源 .............................................................................................................................. 54 (十六) 风扇 .............................................................................................................................. 55 (十七) 结构尺寸图 (56)5 / 56芯驿电子科技(上海)有限公司 基于XILINX ZYNQ7000开发平台的开发板(型号:AX7Z035B )2019款正式发布了正式发布了,为了让您对此开发平台可以快速了解,我们编写了此用户手册。
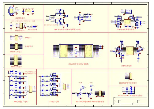
CSR8670开发板使用说明书一、开发板资源介绍开发板是针对蓝牙免提,蓝牙音响应用设计的一款多媒体蓝牙开发套件。
开发板采用英国CSR 公司CSR8670 蓝牙芯片,可以用来开发单声道蓝牙耳机,立体声蓝牙耳机,蓝牙车载免提,蓝牙音频适配器,蓝牙虚拟串口(SPP), 蓝牙人机交互接口(HID),蓝牙文件传输(FTP)等。
开发板带有USB,UART,I2C,PCM,音频输入、输出等接口,并引出PIO 和AIO 接口,方便用户扩展,进行二次开发。
I开发板支持程序在线调试以及参数修改。
1、硬件资源:◆标配CSR8670 蓝牙芯片,置kalimba DSP ,支持蓝牙协议V4.0+EDR◆集成16Mb FLASH◆ 7个按键(1个复位键,1个开机键,5个用户按键)◆ 16个PIO 接口(其中PIO6、PIO7作为I2C)◆ 2个AIO 接口◆ 3个LED 指示灯◆ 1个USB 接口◆ 音频输出接口◆ 音频输入接口◆ 板载麦克风◆ RS232 接口◆ SPI 调试接口◆ IIC 接口(PIO 复用)◆ 64Kbit E2PROM【注意】:板载的部分资源会因为芯片所采用的芯片的不同而未被使用到,具体请参考原理图。
Line IN Line Out 串口蜂鸣器 S4S3 S2- S1- S0 复位 开机 MIC下载接口 MIC/Line IN输入切换USB扩展接口二、硬件连接和使用1、请参照上图,将下载线通过10PIN的排线和开发板连接,将MINI-USB线连接下载线并接到电脑,此时板子左上方的红色LED灯会亮,说明开发板已经正常上电。
【注意】:1. 本开发板将VREN 开机信号单独连接到一个按键作为开机用,所以在使用bluelab或pstool连接开发板时,请务必按下改开机键不放,否则将会导致软件无法读取芯片的现象,bluelab 会提示 "Unable to query BlueCore over SPI" 错误。
BAF001-在ADK4.2下如何烧录CSR8670的第一个程序文档版本:v0.0.1本文主要讲解在最新的ADK4.2下,如何给CSR8670烧录第一个程序,实现一个蓝牙耳机(headset)的功能。
本文不涉及软件的编写,只是对ADK中的程序进行编译并烧录。
ADK版本为4.2,与之前以及后续版本可能会存在差异。
最终的结果是能在手机上搜到蓝牙设备:连接建立后并通话后,能看到音源被切换到了蓝牙:如果没有正常切换到蓝牙,也可以点击“音频”按钮,然后选择蓝牙设备:本文假设您已经正确安装ADK4.2,且CSR8670硬件也与计算机正常连接(通过SPI转接板)。
接下去来开始我们的“旅程”。
首先,通过开始菜单打开ADK下的BlueFlash工具:然后选择与PC相连的SPI设备,点击“Stop Processor”,然后再点击“Flash Erase”:随后,我们点击“Erase full chip”,这一步是为了模拟我们是全新的芯片。
在弹出的对话框中点击“是”:在等待成功提示出来后,选择“Choose file”:然后在以下位置找到loader_unsigned.xpv:选择完毕后点击“download”:重复以上步骤,download star_unsigned.xpv文件:完毕后,关闭BlueFlash,打开PSTool工具:在弹出的对话框中选择对应SPI接口并确定:然后选择Merge功能:在以下位置找到sink_system_csr8670.psr文件:选择“打开”后程序会自动Merge该文件到芯片中,完毕后我们设置蓝牙地址:这里建议测试地址设置成0002 5b 00ff01.需要点击下面的“set”才能成功,后面的每一步设置都需要点击“set”,后面不再重复说明。
然后设置蓝牙名称:设置CVC license key:这里的license key必须设置,否则,连上手机后,打电话会没有声音,本例子中设置为3465 A979 BC24 C86D 01FF即可。
_äìÉ`çêÉ∆=`poUSTM=_d^Preliminary InformationPerformance SpecificationIssue 1To accelerate the product development process, CSR are offering early access to this preliminary design data. This advance information has not been through CSR’s internal qualification sign-off procedure.CSR has yet to complete its testing of this design and offers no guarantee with respect to the performance. The design data may change without notice.CSRChurchill HouseCambridge Business ParkCowley RoadCambridge CB4 0WZUnited KingdomRegistered in England 3665875Tel.: +44 (0)1223 692000Fax.: +44 (0)1223 692001CS-203853-SPP1Preliminary Information© Cambridge Silicon Radio 2011Document StatusThe status of this document is Preliminary. To accelerate the product development process, CSR is offering earlyaccess to information.CSR offers no guarantee with respect to the performance of CSR8670 BGA. All detailed specifications may bechanged by CSR without notice.`poUSTM=_d^Performance SpecificationDocument HistoryRevision Date Change Reason125 JAN 11Original publication of document.If you have any comments about this document, email comments@ givingthe number, title and section with your feedback.`poUSTM=_d^Performance SpecificationTrademarks, Patents and LicencesUnless otherwise stated, words and logos marked with ™ or ® are trademarks registered or owned by CSR plc or its affiliates. Bluetooth ® and the Bluetooth logos are trademarks owned by Bluetooth SIG, Inc. and licensed to CSR.Other products, services and names used in this document may have been trademarked by their respective owners.The publication of this information does not imply that any licence is granted under any patent or other rights owned by CSR plc and its affiliates.CSR reserves the right to make technical changes to its products as part of its development programme.While every care has been taken to ensure the accuracy of the contents of this document, CSR cannot accept responsibility for any errors.CSR’s products are not authorised for use in life-support or safety-critical applications.No statements or representations in this document are to be construed as advertising, marketing, or offering for sale in the United States imported covered products subject to the Cease and Desist Order issued by the U.S.International Trade Commission in its Investigation No. 337-TA-602. Such products include SiRFstarIII™ chips that operate with SiRF software that supports SiRFInstantFix™, and/or SiRFLoc ® servers, or contains SyncFreeNav functionality.Refer to for compliance and conformance to standards information.Trademarks, Patents and Licences`poUSTM=_d^ Performance SpecificationContentsDocument Status (2)1Introduction (7)2Radio Characteristics: Basic Data Rate (8)2.1Transmitter Performance (8)2.1.1Temperature 20°C (8)2.1.2Temperature -30°C (10)2.1.3Temperature 85°C (11)2.2Receiver Performance (12)2.2.1Temperature 20°C (12)2.2.2Temperature -30°C (13)2.2.3Temperature 85°C (13)3Radio Characteristics: Enhanced Data Rate (14)3.1Transmitter Performance (14)3.1.1Temperature 20°C (14)3.1.2Temperature -30°C (16)3.1.3Temperature 85°C (17)3.2Receiver Performance (18)3.2.1Temperature 20°C (18)3.2.2Temperature -30°C (19)3.2.3Temperature 85°C (19)4Typical Radio Performance: Basic Data Rate (20)4.1Transmitter Performance (20)4.2Receiver Performance (29)5Typical Radio Performance: Enhanced Data Rate (30)5.1Transmitter Performance (30)5.2Receiver Performance (38)6Document References (40)Terms and Definitions ............................................................................................................................................ 41List of FiguresFigure 4.1Maximum Transmit Power vs Temperature (20 DH5 Packets) (20)Figure 4.2Firmware Controlled Transmit Power vs Temperature (20 DH5 Packets) (21)Figure 4.3Transmit Power Variation and Mean vs Channel (20 DH5 Packets) (21)Figure 4.4-20dB Bandwidth vs Temperature (DH5 Packets) (22)Figure 4.5Adjacent Channel Transmit Power Variation and Mean vs Channel (DH1 Packets) at -30°C (22)Figure 4.6Adjacent Channel Transmit Power Variation and Mean vs Channel (DH1 Packets) at 20°C (23)Figure 4.7Adjacent Channel Transmit Power Variation and Mean vs Channel (DH1 Packets) at 85°C ......... 23Figure 4.8Frequency Deviation Δf 1avg vs Temperature (10 DH5 Packets) ..................................................... 24Figure 4.9Frequency Deviation Δf 2max vs Temperature (10 DH5 Packets) ..................................................... 24Figure 4.10Modulation Ratio (Δf 2avg /Δf 1avg ) vs Temperature (20 DH5 Packets) .. (25)Figure 4.11ICFT vs Temperature (25)Figure 4.12Carrier Frequency Drift for 10 DH1 Packets vs Temperature (26)Figure 4.13Carrier Frequency Drift for 10 DH3 Packets vs Temperature (26)Figure 4.14Carrier Frequency Drift for 10 DH5 Packets vs Temperature (27)Figure 4.15Carrier Frequency Drift Rate vs Temperature (10 Packets, All Packet types) (27)Figure 4.16Spectrum (Loopback DH1 Packets with TPN9 Payload) (28)Figure 4.17DH5 Burst Power vs Time (28)Figure 4.18Receive Sensitivity vs Temperature (595 DH5 Packets, Dirty Tx. ON, Hopping OFF) (29)Figure 4.19Receive Sensitivity Variation and Mean vs Channel ....................................................................... 29`poUSTM=_d^ Performance SpecificationFigure 5.1π/4DQPSK Relative Transmit Power vs Temperature (10 2-DH5 Packets) (30)Figure 5.28DPSK Relative Transmit Power vs Temperature (10 3-DH5 Packets) (30)Figure 5.3π/4DQPSK Absolute Block Frequency Error, ωo vs Temperature (200 2-DH5 Blocks) (31)Figure 5.4π/4DQPSK Absolute Initial Frequency Error, ωi vs Temperature (200 2-DH5 Blocks) (31)Figure 5.5π/4DQPSK Absolute Total Frequency Error, (ωo+ωi) vs Temperature (200 2-DH5 Blocks) (32)Figure 5.68DPSK Absolute Block Frequency Error, ωo vs Temperature (200 3-DH5 Blocks) (32)Figure 5.78DPSK Absolute Initial Frequency Error, ωi vs Temperature (200 3-DH5 Blocks) (33)Figure 5.88DPSK Absolute Total Frequency Error, (ωo+ωi) vs Temperature (200 3-DH5 Blocks) (33)Figure 5.9π/4DQPSK RMS DEVM vs Temperature (200 2-DH5 Blocks) (34)Figure 5.10π/4DQPSK Peak DEVM vs Temperature (200 2-DH5 Blocks) (34)Figure 5.118DPSK RMS DEVM vs Temperature (200 2-DH5 Blocks) (35)Figure 5.128DPSK Peak DEVM vs Temperature (200 3-DH5 Blocks) (35)Figure 5.13Adjacent Channel Transmit Power Variation and Mean vs Channel (2-DH5 Packets) at 20°C (36)Figure 5.14Adjacent Channel Transmit Power Variation and Mean vs Channel (3-DH5 Packets) at 20°C (36)Figure 5.15Adjacent Channel Transmit Power Variation and Mean vs Channel (2-DH5 Packets) at -30°C (37)Figure 5.16Adjacent Channel Transmit Power Variation and Mean vs Channel (3-DH5 Packets) at -30°C (37)Figure 5.17π/4DQPSK Receive Sensitivity Variation vs Channel (2-DH5 Loopback, 16Mbits, Dirty Tx. ON, Hopping OFF) (38)Figure 5.18π/4DQPSK Receive Sensitivity vs Temperature (2-DH5 Loopback, 16Mbits, Dirty Tx. ON, Hopping OFF) (38)Figure 5.198DPSK Receive Sensitivity Variation vs Channel (3-DH5 Loopback, 16Mbits, Dirty Tx. ON, Hopping OFF) (39)Figure 5.208DPSK Receive Sensitivity vs Temperature (3-DH5 Loopback, 16Mbits, Dirty Tx. ON, HoppingOFF) ................................................................................................................................................ 39`poUSTM=_d^ Performance Specification1IntroductionThis document describes the preliminary performance specification for initial engineering samples of theBlueCore® CSR8670 BGA IC. Read this in conjunction with the CSR8670 BGA Data Sheet.This document includes:■RF characterisation for basic rate and EDR■RF typical performance graphs for basic rate and EDRImportant Note:The CSR8670 BGA is designed to meet the Bluetooth v3.0 specification when used in a suitable circuit between-30°C and 85°C. The transmitter output is designed to be unconditionally stable over a guaranteed temperature range.`poUSTM=_d^Performance Specification2Radio Characteristics: Basic Data RateImportant Note:Results shown are referenced to the output of the CSR8670 BGA.2.1Transmitter Performance2.1.1Temperature 20°C RF Characteristics, VDD = 1.5V Min Typ Max BluetoothSpecification UnitMaximum RF transmit power (a) (b)(c)59--6 to 4(d)dBm RF power variation over temperature rangewith compensation enabled (e)-±0.75--dB RF power variation over temperature rangewith compensation disabled (e)-±1.5--dB 20dB bandwidth for modulated carrier -9201000≤1000kHzACP (f) (g) F = F 0 ± 2MHz --25-20≤-20dBmF = F 0 ± 3MHz --32-28≤-40dBmF = F 0 ± > 3MHz -<-65-40≤-40dBmΔf 1avg maximum modulation 140165175140 < f 1avg < 175kHz Δf 2max minimum modulation 115135-≥115kHz Δf 2avg /Δf 1avg 0.80.9-≥0.80-ICFT (h)-751275±75kHz Drift rate -620≤20kHz/50μs Drift (single slot packet)-1225≤25kHz Drift (five slot packet)-1540≤40kHz 2nd harmonic content --TBD (i)-≤-30dBm 3rd harmonic content --TBD (i)-≤-30dBm(a)Results are referenced to the output of the CSR8670 BGA.(b)The firmware maintains the transmit power within Bluetooth v3.0 specification limits.(c)Measurements are made using appropriate PS Key settings.(d)Class 2 RF transmit power range, Bluetooth v3.0 specification.(e)Parameters depend on matching circuit used, and behaviour over temperature. These parameters may be beyond CSR's direct control.(f)Measured at F 0 = 2441MHz.(g)CSR8670 BGA guaranteed to meet ACP performance in Bluetooth v3.0 specification.(h)Ignores any frequency error in the reference.(i)Filter will attenuate the harmonics.`poUSTM=_d^ Performance SpecificationEmissions,VDD = 1.5V Frequency (GHz)Min Typ Max Cellular Band UnitEmitted power in cellular bandsmeasured at the output of theCSR8670 BGA.Output power ≤9dBm 0.746 - 0.764(a)--TBD -CDMA 2000dBm / Hz 0.869 - 0.894(b)--TBD -GSM 8500.869 - 0.894(a)--TBD -CDMA 8500.925 - 0.960(b)--TBD -GSM 9001.570 - 1.580(c)--TBD -GPS1.805 - 1.880(b)--TBD -GSM 1800 / DCS 18001.930 - 1.990(b)--TBD -GSM 19001.930 - 1.990(a)--TBD -CDMA 19002.110 - 2.170(a)--TBD -CDMA 20002.110 - 2.170(d)--TBD -W-CDMA 2100(a)Maximum of average burst power in 1.2MHz bandwidth is normalised to 1Hz. Hopping on.(b)Maximum of average burst power in 200kHz bandwidth is normalised to 1Hz. Hopping on.(c)Maximum of average burst power in 1MHz bandwidth is normalised to 1Hz. Hopping on.(d)Maximum of average burst power in 5MHz bandwidth is normalised to 1Hz. Hopping on.`poUSTM=_d^ Performance Specification2.1.2Temperature -30°C RF Characteristics, VDD = 1.5V Min Typ MaxBluetooth Specification UnitMaximum RF transmit power (a) (b)610--6 to 4(c)dBm 20dB bandwidth for modulated carrier -9201000≤1000kHzACP (d)F = F 0 ± 2MHz --23-20≤-20dBmF = F 0 ± 3MHz --30-27≤-40dBmΔf 1avg maximum modulation 140165175140 < f 1avg < 175kHz Δf 2max minimum modulation 115140-≥115kHz Δf 2avg /Δf 1avg 0.80.9-≥0.80-ICFT -751075±75kHz Drift rate -620≤20kHz/50μs Drift (single slot packet)-1125≤25kHz Drift (five slot packet)-1240≤40kHz(a)Results are referenced to the output of the CSR8670 BGA.(b)The firmware maintains the transmit power within Bluetooth v3.0 specification limits.(c)Class 2 RF transmit power range, Bluetooth v3.0 specification.(d)Measured at F 0 = 2441MHz.`poUSTM=_d^ Performance Specification2.1.3Temperature 85°C RF Characteristics, VDD = 1.5V Min Typ MaxBluetooth Specification UnitMaximum RF transmit power (a) (b)48--6 to 4(c)dBm 20dB bandwidth for modulated carrier -9201000≤1000kHzACP (d)F = F 0 ± 2MHz --30-20≤-20dBmF = F 0 ± 3MHz --35-33≤-40dBmΔf 1avg maximum modulation 140165175140 < f 1avg < 175kHz Δf 2max minimum modulation 115130-≥115kHz Δf 2avg /Δf 1avg 0.80.9-≥0.80-ICFT -751575±75kHz Drift rate -620≤20kHz/50μs Drift (single slot packet)-1125≤25kHz Drift (five slot packet)-1240≤40kHz(a)Results are referenced to the output of the CSR8670 BGA.(b)The firmware maintains the transmit power within Bluetooth v3.0 specification limits.(c)Class 2 RF transmit power range, Bluetooth v3.0 specification.(d)Measured at F 0 = 2441MHz.`poUSTM=_d^ Performance Specification2.2Receiver Performance2.2.1Temperature 20°C RF Characteristics (a),VDD = 1.5V Frequency (GHz)Min Typ Max BluetoothSpecification UnitSensitivity at 0.1% BER for allbasic rate packet types2.402--90-86≤-70dBm2.441--90-862.48--90-86Maximum received signal at 0.1% BER -20>-10-≥-20dBm Continuous power required to block Bluetooth reception(for input power of -67dBm with 0.1% BER) measured at the output of the CSR8670BGA 0.030 - 2.000-10>TBD --10dBm 2.000 - 2.400-27-TBD --272.500 -3.000-27-TBD --273.000 - 12.75-10>TBD --10C/I co-channel (b) (c) (d)-TBD 11≤11dBAdjacent channel selectivityC/I (b) (c) (d) F = F 0 + 1MHz --TBD 0≤0dBF = F 0 - 1MHz --TBD 0≤0dBF = F 0 + 2MHz --TBD -30≤-30dBF = F 0 - 2MHz --TBD -20≤-20dBF = F 0 + 3MHz --TBD -40≤-40dBF = F 0 - 5MHz --TBD -40≤-40dBF = F Image --TBD -9≤-9dBMaximum level of intermodulation interferers (e)-39-TBD -≥-39dBm Spurious output level (f)--TBD --dBm/Hz (a)Results are referenced to the output of the CSR8670 BGA.(b)CSR8670 BGA is guaranteed to meet the C/I performance as specified by the Bluetooth v3.0 specification.(c)Measured at F 0 = 2441MHz.(d)F Image = F 0 - 3MHz. However, depending on crystal frequency and channel number, the image may switch to the opposite side of the carrier.When this occurs, F Image = F 0 + 3MHz and the offsets in the table equations associated with C/I are also reversed.(e)Measured at f 1 - f 2 = 5MHz. Measurement is performed in accordance with Bluetooth RF test RCV/CA/05/c, i.e. wanted signal at -64dBm.(f)Measured at the output of the CSR8670 BGA. Integrated in 100kHz bandwidth and normalised to 1Hz. Actual figure is typically -TBDdBm/Hz except for peaks of -TBDdBm at 1600MHz, -TBDdBm in-band at 2.4GHz and -TBDdBm at 3.2GHz.`poUSTM=_d^ Performance Specification2.2.2Temperature -30°CRF Characteristics, VDD = 1.5V Frequency(GHz)Min Typ MaxBluetoothSpecificationUnitSensitivity at 0.1% BER for all basic rate packet types 2.402--92-88≤-70dBm 2.441--92-882.48--92-88Maximum received signal at 0.1% BER-20>-10-≥-20dBm 2.2.3Temperature 85°CRF Characteristics, VDD = 1.5V Frequency(GHz)Min Typ MaxBluetoothSpecificationUnitSensitivity at 0.1% BER for all basic rate packet types 2.402--88-84≤-70dBm 2.441--88-842.48--88-84Maximum received signal at 0.1% BER-20>-10-≥-20dBm `poUSTM=_d^ Performance Specification3Radio Characteristics: Enhanced Data RateNote:Results shown are referenced to the output of the CSR8670 BGA. Measurement methods are in accordance with the Bluetooth v3.0 RF Test specification.3.1Transmitter Performance3.1.1Temperature 20°C Radio Characteristics, VDD = 1.5VMin Typ Max Bluetooth Specification UnitRelative transmit power -4-11-4 to 1dBπ/4 DQPSK max carrier frequencystability | ωo |- 1.510≤10 for all blocks kHz| ωi |-575≤75 for all packets kHz| ωo + ωi |-575≤75 for all blocks kHz8DPSK max carrier frequencystability | ωo |- 1.510≤10 for all blocks kHz| ωi |-575≤75 for all packets kHz| ωo + ωi |-575≤75 for all blocks kHzπ/4 DQPSK modulationaccuracy (a)RMS DEVM -720≤20%99% DEVM -TBD 30≤30%Peak DEVM -2035≤35%8DPSK modulation accuracy (a)RMS DEVM -713≤13%99% DEVM -TBD 20≤20%Peak DEVM -1725≤25%`poUSTM=_d^ Performance SpecificationRadio Characteristics, VDD = 1.5V MinTyp Max BluetoothSpecification UnitIn-band spurious emissions (b)F > F 0 + 3MHz -<-60-40≤-40dBmF < F 0 - 3MHz -<-60-40≤-40dBmF = F 0 - 3MHz --28-25≤-40dBmF = F 0 - 2MHz --22-20≤-20dBmF = F 0 - 1MHz --28-26≤-26dBF = F 0 + 1MHz --28-26≤-26dBF = F 0 + 2MHz --26-20≤-20dBmF = F 0 + 3MHz --39-36≤-40dBmEDR differential phase encoding 99NoErrors -≥99%(a)Modulation accuracy utilises DEVM with tracking of the carrier frequency.(b)Bluetooth specification values are for 8DPSK.`poUSTM=_d^ Performance Specification3.1.2Temperature -30°C Radio Characteristics, VDD = 1.5V MinTyp Max BluetoothSpecification UnitRelative transmit power -4-11-4 to 1dBπ/4 DQPSK max carrier frequencystability | ωo |- 1.510≤10 for all blocks kHz| ωi |-575≤75 for all packets kHz| ωo + ωi |-575≤75 for all blocks kHz8DPSK max carrier frequencystability | ωo |- 1.510≤10 for all blocks kHz| ωi |-575≤75 for all packets kHz| ωo + ωi |-575≤75 for all blocks kHzπ/4 DQPSK modulationaccuracy (a)RMS DEVM -720≤20%99% DEVM -TBD 30≤30%Peak DEVM -1735≤35%8DPSK modulation accuracy (a)RMS DEVM -713≤13%99% DEVM -TBD 20≤20%Peak DEVM -1625≤25%In-band spurious emissions (b)F > F 0 + 3MHz -<-60-40≤-40dBmF < F 0 - 3MHz -<-60-40≤-40dBmF = F 0 - 3MHz --27-24≤-40dBmF = F 0 - 2MHz --23-20≤-20dBmF = F 0 - 1MHz --31-26≤-26dBF = F 0 + 1MHz --31-26≤-26dBF = F 0 + 2MHz --28-20≤-20dBmF = F 0 + 3MHz --39-40≤-40dBmEDR differential phase encoding 99NoErrors -≥99%(a)Modulation accuracy utilises DEVM with tracking of the carrier frequency.(b)Bluetooth specification values are for 8DPSK.`poUSTM=_d^ Performance Specification3.1.3Temperature 85°C Radio Characteristics, VDD = 1.5V MinTyp Max BluetoothSpecification UnitRelative transmit power -4-11-4 to 1dBπ/4 DQPSK max carrier frequencystability | ωo |- 1.510≤10 for all blocks kHz| ωi |-1575≤75 for all packets kHz| ωo + ωi |-1575≤75 for all blocks kHz8DPSK max carrier frequencystability | ωo |- 1.510≤10 for all blocks kHz| ωi |-1575≤75 for all packets kHz| ωo + ωi |-1575≤75 for all blocks kHzπ/4 DQPSK modulationaccuracy (a)RMS DEVM -720≤20%99% DEVM -TBD 30≤30%Peak DEVM -1735≤35%8DPSK modulation accuracy (a)RMS DEVM -713≤13%99% DEVM -TBD 20≤20%Peak DEVM -1625≤25%In-band spurious emissions (b)F > F 0 + 3MHz -<-60-40≤-40dBmF < F 0 - 3MHz -<-60-40≤-40dBmF = F 0 - 3MHz --35-32≤-40dBmF = F 0 - 2MHz --26-20≤-20dBmF = F 0 - 1MHz --TBD -26≤-26dBF = F 0 + 1MHz --TBD -26≤-26dBF = F 0 + 2MHz --30-20≤-20dBmF = F 0 + 3MHz --43-40≤-40dBmEDR differential phase encoding 99NoErrors -≥99%(a)Modulation accuracy utilises DEVM with tracking of the carrier frequency.(b)Bluetooth specification values are for 8DPSK.`poUSTM=_d^ Performance Specification3.2Receiver Performance3.2.1Temperature 20°C Radio Characteristics, VDD = 1.5V Modulation Min TypMax Bluetooth Specification UnitSensitivity at 0.01% BER (a)Ch 0π/4 DQPSK --92-70≤-70dBmCh 39π/4 DQPSK --93-70Ch 78π/4 DQPSK --93-70Ch 08DPSK --84-70≤-70dBmCh 398DPSK --84-70Ch 788DPSK --84-70Maximum received signal at 0.1%BER π/4 DQPSK -20>-8-≥-20dBm 8DPSK -20>-10-≥-20dBmC/I co-channel at 0.1% BER (b) (c)π/4 DQPSK --TBD 13≤13dB8DPSK --TBD 21≤21dBAdjacentchannel selectivity C/I (b)(c) F = F 0 + 1MHzπ/4 DQPSK --TBD 0≤0dB8DPSK --TBD 5≤5dBF = F 0 - 1MHzπ/4 DQPSK --TBD 0≤0dB8DPSK --TBD 5≤5dBF = F 0 + 2MHzπ/4 DQPSK --TBD -30≤-30dB8DPSK --TBD -25≤-25dBF = F 0 - 2MHzπ/4 DQPSK --TBD -20≤-20dB 8DPSK --TBD -13≤-13dBF = F 0 + 3MHzπ/4 DQPSK --TBD -40≤-40dB8DPSK --TBD -33≤-33dBF = F 0 - 5MHzπ/4 DQPSK --TBD -40≤-40dB8DPSK --TBD -33≤-33dBF = F Imageπ/4 DQPSK --TBD -7≤-7dB8DPSK --TBD 0≤0dB(a)Dirty transmitter is used.(b)CSR8670 BGA is guaranteed to meet the C/I performance specified by the Bluetooth v3.0 RF Test Specification.(c)Measured at F 0 = 2441MHz, F Image = F 0 - 3MHz.`poUSTM=_d^ Performance Specification3.2.2Temperature -30°C Radio Characteristics, VDD = 1.5V Modulation Min Typ Max BluetoothSpecification UnitSensitivity at 0.01% BER (a)Ch 0π/4 DQPSK --93-70≤-70dBmCh 39π/4 DQPSK --94-70Ch 78π/4 DQPSK --94-70Ch 08DPSK --85-70≤-70dBmCh 398DPSK --85-70Ch 788DPSK --85-70Maximum received signal at 0.1%BER (a)π/4 DQPSK -20>-8-≥-20dBm 8DPSK -20>-10-≥-20dBm(a)Dirty transmitter is used.Note:CSR does not guarantee the 8DPSK sensitivity performance below -20ºC. A temporary state of -65dBm is observed.3.2.3Temperature 85°C Radio Characteristics, VDD = 1.5VModulation Min Typ Max BluetoothSpecification UnitSensitivity at 0.01% BER (a)Ch 0π/4 DQPSK --90-70≤-70dBmCh 39π/4 DQPSK --92-70Ch 78π/4 DQPSK --92-70Ch 08DPSK --80-70≤-70dBmCh 398DPSK --83-70Ch 788DPSK --83-70Maximum received signal at 0.1%BER (a)π/4 DQPSK -20>-8-≥-20dBm 8DPSK -20>-10-≥-20dBm(a)Dirty transmitter is used.`poUSTM=_d^ Performance Specification4Typical Radio Performance: Basic Data RateImportant Note:Results were obtained using CSR's evaluation circuit.4.1Transmitter PerformanceFigure 4.1: Maximum Transmit Power vs Temperature (20 DH5 Packets)Note:Output power temperature compensation was disabled. Performance measured at single-ended port of the CSR8670 BGA.Typical Radio Performance: Basic Data Rate`poUSTM=_d^ Performance SpecificationFigure 4.2: Firmware Controlled Transmit Power vs Temperature (20 DH5 Packets) Note:Output power temperature compensation was enabled.Figure 4.3: Transmit Power Variation and Mean vs Channel (20 DH5 Packets)`poUSTM=_d^ Performance SpecificationFigure 4.4: -20dB Bandwidth vs Temperature (DH5 Packets)Figure 4.5: Adjacent Channel Transmit Power Variation and Mean vs Channel (DH1 Packets) at -30°C `poUSTM=_d^ Performance SpecificationFigure 4.6: Adjacent Channel Transmit Power Variation and Mean vs Channel (DH1 Packets) at 20°CFigure 4.7: Adjacent Channel Transmit Power Variation and Mean vs Channel (DH1 Packets) at 85°C`poUSTM=_d^ Performance SpecificationFigure 4.8: Frequency Deviation Δf1avg vs Temperature (10 DH5 Packets)Figure 4.9: Frequency Deviation Δf2max vs Temperature (10 DH5 Packets)`poUSTM=_d^ Performance SpecificationFigure 4.10: Modulation Ratio (Δf2avg/Δf1avg) vs Temperature (20 DH5 Packets)Figure 4.11: ICFT vs Temperature `poUSTM=_d^ Performance SpecificationFigure 4.12: Carrier Frequency Drift for 10 DH1 Packets vs TemperatureFigure 4.13: Carrier Frequency Drift for 10 DH3 Packets vs Temperature`poUSTM=_d^ Performance SpecificationFigure 4.14: Carrier Frequency Drift for 10 DH5 Packets vs TemperatureFigure 4.15: Carrier Frequency Drift Rate vs Temperature (10 Packets, All Packet types)`poUSTM=_d^ Performance SpecificationFigure 4.16: Spectrum (Loopback DH1 Packets with TPN9 Payload)Figure 4.17: DH5 Burst Power vs Time`poUSTM=_d^ Performance Specification4.2Receiver PerformanceFigure 4.18: Receive Sensitivity vs Temperature (595 DH5 Packets, Dirty Tx. ON, Hopping OFF)Figure 4.19: Receive Sensitivity Variation and Mean vs Channel `poUSTM=_d^ Performance Specification5Typical Radio Performance: Enhanced Data Rate5.1Transmitter PerformanceFigure 5.1: π/4DQPSK Relative Transmit Power vs Temperature (10 2-DH5 Packets)Figure 5.2: 8DPSK Relative Transmit Power vs Temperature (10 3-DH5 Packets)Typical Radio Performance: Enhanced Data Rate`poUSTM=_d^ Performance SpecificationFigure 5.3: π/4DQPSK Absolute Block Frequency Error, ωovs Temperature (200 2-DH5 Blocks)Figure 5.4: π/4DQPSK Absolute Initial Frequency Error, ωi vs Temperature (200 2-DH5 Blocks)`poUSTM=_d^ Performance SpecificationFigure 5.5: π/4DQPSK Absolute Total Frequency Error, (ωo+ωi) vs Temperature (200 2-DH5 Blocks)Figure 5.6: 8DPSK Absolute Block Frequency Error, ωo vs Temperature (200 3-DH5 Blocks)`poUSTM=_d^ Performance SpecificationFigure 5.7: 8DPSK Absolute Initial Frequency Error, ωi vs Temperature (200 3-DH5 Blocks)Figure 5.8: 8DPSK Absolute Total Frequency Error, (ωo+ωi) vs Temperature (200 3-DH5 Blocks)`poUSTM=_d^ Performance SpecificationFigure 5.9: π/4DQPSK RMS DEVM vs Temperature (200 2-DH5 Blocks)Figure 5.10: π/4DQPSK Peak DEVM vs Temperature (200 2-DH5 Blocks)`poUSTM=_d^ Performance SpecificationFigure 5.11: 8DPSK RMS DEVM vs Temperature (200 2-DH5 Blocks)Figure 5.12: 8DPSK Peak DEVM vs Temperature (200 3-DH5 Blocks)`poUSTM=_d^ Performance SpecificationFigure 5.13: Adjacent Channel Transmit Power Variation and Mean vs Channel (2-DH5 Packets) at 20°CFigure 5.14: Adjacent Channel Transmit Power Variation and Mean vs Channel (3-DH5 Packets) at 20°C `poUSTM=_d^ Performance SpecificationFigure 5.15: Adjacent Channel Transmit Power Variation and Mean vs Channel (2-DH5 Packets) at -30°CFigure 5.16: Adjacent Channel Transmit Power Variation and Mean vs Channel (3-DH5 Packets) at -30°C `poUSTM=_d^ Performance Specification5.2Receiver PerformanceFigure 5.17: π/4DQPSK Receive Sensitivity Variation vs Channel (2-DH5 Loopback, 16Mbits, Dirty Tx. ON, HoppingOFF)Figure 5.18: π/4DQPSK Receive Sensitivity vs Temperature (2-DH5 Loopback, 16Mbits, Dirty Tx. ON, Hopping OFF)`poUSTM=_d^ Performance SpecificationFigure 5.19: 8DPSK Receive Sensitivity Variation vs Channel (3-DH5 Loopback, 16Mbits, Dirty Tx. ON, HoppingOFF)Figure 5.20: 8DPSK Receive Sensitivity vs Temperature (3-DH5 Loopback, 16Mbits, Dirty Tx. ON, Hopping OFF)`poUSTM=_d^ Performance Specification6Document ReferencesDocumentReference, Date CSR8670 BGA Data SheetCS-127997-DSBluetooth Specification Version 3.0 + HSVersion 3.0 + HS [Vol 0 to Vol 5], 21 April 2009Test Suite Structure (TSS) and Test Purposes (TP)System Specification 1.2/2.0/2.0 + EDR/ 2.1/2.1 + EDR/3.0/3.0 + HSRF.TS/3.0.H.1, 06 August 2009Document References`poUSTM=_d^ Performance SpecificationTerms and DefinitionsTerm Definition8DPSK8-phase Differential Phase Shift Keyingπ/4 DQPSKπ/4 rotated Differential Quaternary Phase Shift KeyingACP Adjacent Channel PowerBER Bit Error RateBlueCore®Group term for CSR’s range of Bluetooth wireless technology ICsBluetooth®Set of technologies providing audio and data transfer over short-range radio connectionsC/I Carrier over InterfererCDMA Code Division Multiple AccessCSR Cambridge Silicon RadiodBm Decibels relative to 1mWDCS Digital Communications SystemDEVM Differential Error Vector MagnitudeEDR Enhanced Data RateGPS Global Positioning SystemGSM Global System for Mobile communicationsIC Integrated CircuitICFT Initial Carrier Frequency ToleranceQFN Quad-Flat No-leadRF Radio FrequencyW-CDMA Wideband Code Division Multiple AccessTerms and DefinitionsCS-203853-SPP1Preliminary Information© Cambridge Silicon Radio 2011This Material is Subject to CSR's Non-Disclosure AgreementPage 41 of 41`poUSTM=_d^Performance Specification。
CSR8645,CSR8670--让无线音频达到有线效果CSR8645,CSR8670 这两款SoC都能够利用CSR音频处理和蓝牙无线连接技术与家庭娱乐系统之间以最高立体声音频质量进行无线传输,这两款SoC能够支持电视,及其它可连接的家庭应用,以及智能手机、平板电脑、PC以及很多其它消费产品。
CSR 的aptX™高保真音频技术能够通过蓝牙连接为无线扬声器或耳机提供出色的立体声音效,同时CSR的清晰语音捕捉(CVC®)技术能够为高质量的扬声器提供声学回声及噪音消除功能。
CSR音频与消费业务部产品市场经理Paul Wilson表示:“CSR8645和CSR8670为我们的客户提供了灵活的音频系统芯片解决方案,可以用来开发更多高度差异化的产品,并更快地投入市场,从而提高自身竞争力。
通过这两款SoC,我们为无线音频质量确立了新标准,提供了革命性的消费音频平台,因为其不仅能够支持传统音频应用,而且开创了全新的消费应用和外形参数。
CSR8645和CSR8670已于9月2-7日在德国柏林举行的IFA2011全球贸易博览会上进行展出。
有线替代方案CSR8645和CSR8670能够帮助OEM厂商开发可作为有线设备的增强型电池供电型无线音频产品,也可通过直接插入无蓝牙连接功能的音频设备实现有线连接。
有线音频功能还可以使设备在电量低时继续使用,或者在无线连接被禁用或不方便使用时使用。
CSR8645和CSR8670音频产品可以通过模拟连接方式获得音频输入,例如标准的3.5毫米音频接口和USB连接方式,后者的另一优势是在听音乐的同时可以进行充电。
为主流产品设计的高品质aptX蓝牙音频CSR8645是第一款以ROM方式实现aptX技术的CSR音频平台解决方案,标志着CSR实现了将aptX高品质音频技术应用于大众市场的承诺。
CSR8645旨在提供出众的音效,并结合多种核心的、市场领先的功能——例如具有多种预设参数的,全面可配置、可调EQ——集中在一个灵活的、高度可调整的、基于ROM的解决方案中。
1.关于按键的配置:需要注意的是,必然要依照编号的位置去配置相应的参数,移动位置按键恍如不起作用,能够加载官方的配置,然后对应编号配置相应位置的参数。
图中的按键仅是映射,不是真正的IO。
需要在INPUT/OUTput中配置,映射IO口。
配置音频部份的按键1.上下曲、快进、快退、播放、暂停功能的配置Stop:按此按键后,音乐歌曲复位到开头0:00处next GROUP 应该是播放列表的意思。
音频方面的,仅仅涉及到Streaming A2DP, 上下曲,快进,快退,播放/暂停多一个选项connected(不然无法播放音乐)。
按键部份名词说明:2.配对模式3.(声音拨号)4.回拨最后一个号码5.6.接听7.拒接8.挂断9. 蓝牙与设备通话切换10. 回连11. 回连12.13.14.15.16.17.18.19.20.21.22.音量-23.音量-24.音量+25.音量+26.27.28.29.30.31.32.33.34.清除配对设备35.固件升级模式44. 播放45. 上一曲46.下一曲47.快进50.51.快退52.53.54.55.56.57.SLC connected能够明白得为HFP connected,而A2DP connected确实是A2DP connected。
一样情形下,配对后蓝牙连接,HFP和A2DP都会连接,但也会发生意外(安卓也可人工操作),两种协议只连接一个。
苹果无法显示到底哪个协议连接,可是Android有显示,音频(HFP)和媒体音频(A2DP)。
开关机篇1.开关机:关机的配置应该除POWEINGON之外全数选择。
按键的时刻设置LONG 是长按,不释放有效LONG REL是长按后要释放。
在调试音量遇见一个问题:只有和官方的INPUT一致才有作用,不能改换其它的INPUT口配置。
(可能和配置的rom有关系,从头加载官方的8645的rom没问题)音量更改成LONG 上下曲更改成SHORT.即可复合在一个按键上。
CSR-USB-SPI用户使用手册一、【产品介绍】1. 产品简介USB TO SPI通用蓝牙下载器是一款针对英国CSR 公司BlueCore 系列蓝牙 产品开发的专用烧录、调试器。
利用本产品可以实现对蓝牙目标板进行程序烧录、参数设置、修改,以及程序在线调试等功能。
2. 产品图片3. 接口介绍USB TO SPI通用蓝牙下载器采用USB连接线与电脑连接,IDC10插座与目标板连接,带有2 个LED灯(1 个电源指示灯,1个工作指示灯)。
IDC10插座包含4根SPI信号线(MOSI、MISO、CLK、CSB)和电源线(3.3V、GND). NC为悬空。
如下图所示,3. 产品八大功能特点1、 采用英国CSR原装技术,保证产品的可靠性和稳定性2、 每条下载线都拥有唯一的ID号,支持一台电脑多个下载线同时工作3、 采用USB2.0接口,速度是其他并口下载线的3-5倍4、 IDC10插座与目标板连接,2个LED(1个红色电源指示灯(●),1个蓝色运行指示灯(●)。
5、 支持CSR全系列调试工具,包括:BlueFlash/PSTOOL/BlueTest3/BlueLab6、 在Bluelab环境下支持程序下载调试(ISP),支持断点调试,单步调试等,也可通过BlueFlash烧写程序等。
7、 完美支持CSR所有系列蓝牙芯片:-BC2系列:BC215159A、BC213143A、BC213159、BC212015等-BC3系列:BC31A223、BC358239A、BC352239等-BC4系列:BC413159A06、BC417143B、BC419143A等-BC5系列:BC57F687、BC57E687、BC57H687C、BC57K687等-BC6系列:BC6110、BC6130、BC6145、BC6030、BC6031、BC6888等-BC7系列:BC7820、BC7830等-BC8系列:CSR8311、CSR8510、CSR8605、CSR8610、CSR8620、CSR8640、CSR8645、CSR8670、CSR8810、CSR8811等-BLE系列:CSR1000、CSR1001、CSR1010、CSR1011等8、支持所有Windows操作系统:- Windows 98SE- Windows ME- Windows 2000 SP4- Windows XP SP2 and above (32 & 64 bit)- Windows Server 2003 (32 & 64 bit)- Windows Server 2008 / 2008 R2 (32 & 64 bit)- Windows Vista (32 & 64 bit)- Windows 7 (32 & 64 bit)- Windows 8 (32 & 64 bit)二、【使用方法】1. 硬件连接使用杜邦线将蓝牙模块的VCC(3.3V)、GND、SPI_CSB、SPI_MOSI、SPI_MISO、SPI_CLK引脚分别与下载线的3.3V(10)、GND(9)、CSB(7)、MOSI(1)、MISO(3)、CLK(5) 连接。
CSR8670开发板
使
用
说
明
书
一、开发板资源介绍
开发板是针对蓝牙免提,蓝牙音响应用设计的一款多媒体蓝牙开发套件。
开发板采用英国CSR 公司CSR8670 蓝牙芯片,可以用来开发单声道蓝牙耳机,立体声蓝牙耳机,蓝牙车载免提,蓝牙音频适配器,蓝牙虚拟串口(SPP), 蓝牙人机交互接口(HID),蓝牙文件传输(FTP)等。
开发板带有USB,UART,I2C,PCM,音频输入、输出等接口,并引出PIO 和AIO 接口,方便用户扩展,进行二次开发。
I开发板支持程序在线调试以及参数修改。
1、硬件资源:
◆标配CSR8670 蓝牙芯片,内置kalimba DSP ,支持蓝牙协议V4.0+EDR
◆集成16Mb FLASH
◆7个按键(1个复位键,1个开机键,5个用户按键)
◆16个PIO 接口(其中PIO6、PIO7作为I2C)
◆2个AIO 接口
◆3个LED 指示灯
◆ 1个USB 接口 ◆ 音频输出接口 ◆ 音频输入接口 ◆ 板载麦克风 ◆ RS232 接口 ◆ SPI 调试接口 ◆ IIC 接口(PIO 复用) ◆ 64Kbit E2PROM
【注意】:板载的部分资源会因为芯片所采用的芯片的不同而未被使用到,具体请参考原理图。
二、硬件连接和使用
1、请参照上图,将下载线通过10PIN的排线和开发板连接,将MINI-USB线连接下载线并接到电脑,此时板子左上方的红色LED灯会亮,说明开发板已经正常上电。
【注意】:
1. 本开发板将VREN 开机信号单独连接到一个按键作为开机用,所以在使用bluelab或pstool连接开发板时,请务必按下改开机键不放,否则将会导致软件无法读取芯片的现象,bluelab 会提示"Unable to query BlueCore over SPI" 错误。
2. 使用bluelab下载调试程序时,请务先设置【Debug】菜单下的【Tansport】是否设置为USB,否则bluelab 将会提示"Unable to query BlueCore over SPI" 错误
二、资料目录介绍
随开发板提供给大家的资料包含以下目录,各个文件夹的内容,请见以下详细介绍,需要说明的是,我们的开发资料会不定期的更新,大家可每隔一段时间到我们提供的网盘链接获取最新的资料。
【Bluetooth协议规范】:有关蓝牙规范的相关文档。
【CSR内部培训资料】:有关CSR培训的相关文档,这写文档有很多的参考价值,是初学者入门的好资料。
【SDK】:这个是官方提供SDK,版本是ADK3.0,此版本是目前最新的版本,也是比较稳定的版本。
【测试固件】:本文件夹下提供了编译好的固件,拿到开发板后可以使用blueflash工具(需先安装bluesuite工具包)烧录该测试固件对开发板进行测试。
【例程源码】:本文件夹包含官方提供的例程,这些例程在安装SDK工具包后在安装目录下会有。
【软件工具】:这个文件夹包含开发用到的软件工具:
BlueSuite x.x.x:这个是csr提供的一个软件工具包,安装该工具包后,在安装目录下可以找到blueflash、pstool、e2cmd、nvscmd等工具,CSR86xx ROM版本的芯片主要用到pstool 工具,用于修改配置蓝牙名称、蓝牙地址等信息。
IVT_2.0_EDR.rar:这个是很有名一个PC端蓝牙工具软件,配合蓝牙适配器使用。
UEdit9.rar :很好用的一个十六进制查看工具
【文档教程】:该文件夹包含相关的工具使用教程和软件开发教程,建议大家先看《BlueLab xIDE用户指南.pdf》和《BlueCore应用实例.pdf》,这两篇文档是很好学习教程,大家务必认真阅读。
【文档资料】:此文件夹包含官方的一些文档手册,如芯片的数据手册等。
【原理图】:此文件夹包含开发板原理图。