新型高速低功耗动态比较器
- 格式:pdf
- 大小:749.95 KB
- 文档页数:5
lm339技术参数LM339是一种四路比较器,具有高速、低功耗和稳定性好等特点,被广泛应用于模拟信号处理、电压检测和开关控制等领域。
下面将从工作电压、输入电压范围、输出电流和响应时间等方面介绍LM339的技术参数。
首先是工作电压。
LM339的工作电压范围为2V至36V,可以在广泛的电源电压下正常工作。
这使得LM339可以适用于各种不同的电源设计和应用场景。
同时,LM339的低工作电流也使得它可以在低功耗的系统中使用。
其次是输入电压范围。
LM339的输入电压范围是从负电源电压到正电源电压,这使得LM339可以在双电源系统中灵活应用。
此外,LM339还具有高共模抑制比和低输入偏置电流,能够准确地检测和比较输入信号。
再次是输出电流。
LM339的输出电流能力较强,可以提供高达16mA的输出电流。
这意味着LM339可以驱动一定的负载电流,满足各种应用的需求。
最后是响应时间。
LM339的响应时间非常短,通常在1us以下。
这使得它能够快速响应输入信号的变化,并在短时间内输出准确的比较结果。
这对于需要高速响应的应用场景非常重要。
除了以上几个重要的技术参数外,LM339还具有其他一些特点。
例如,它具有内部电压参考源,可以简化电路设计和调整阈值电平。
此外,LM339还具有较高的输入阻抗和低的输出阻抗,能够有效地减少信号失真和干扰。
在实际应用中,LM339可以用于电压比较、开关控制、电压检测和信号处理等方面。
例如,在电源管理中,可以使用LM339来实现电池电压的监测和低电压保护;在电机控制中,可以使用LM339来检测电机的转速和方向;在传感器信号处理中,可以使用LM339来比较和处理传感器输出的模拟信号。
总结起来,LM339作为一种四路比较器,具有工作电压范围广、输入电压范围大、输出电流能力强和响应时间短等特点。
它的优良性能使得它在各种应用中得到了广泛的应用。
无论是在电源管理、电机控制还是传感器信号处理等领域,LM339都可以发挥重要的作用。
低功耗比较器应用便携式电子设备大多采用3 芯或4 芯插孔,它可以作为立体声耳机插孔,带麦克风输入和压簧开关的单声道耳机插孔,也可以作为带有麦克风/压簧开关组合的立体声耳机插孔。
利用MAX9060 系列超小尺寸、微功耗比较器,通过不同的配置方式对外部附件进行检测,不仅把功耗控制在可以忽略的等级,还为产品提供了一种小巧、简单、具有极高性价比的检测方案。
目前,绝大多数电子设备(手机、PDA、笔记本电脑、手持式媒体播放器、游戏机等产品)通常需要连接外部附件。
因此,这些设备需要专用的逻辑电路,用于自动检测附件的连接并识别其类型,从而使内部控制电路进行相应的调整。
增加电路实现自动检测/选择功能会提高系统功耗,这就带来了问题。
作为设计人员,应该尽可能降低功耗,确保系统以最小的空间满足绿色环保的设计目标。
为达到这一目的,超小尺寸、微功耗比较器,例如MAX9060 系列,成为当前市场的最佳选择。
这些比较器是帮助设计人员控制功耗的关键所在。
硬件电路检测插孔的连接我们首先简单回顾自动检测插孔的基本原理。
以典型的耳机插孔电路(图1)为例。
如图所示,在检测引脚连接一个上拉电阻,这样即可产生一个信号,表示耳机或其它外部装置是否插入插孔。
典型连接中,如果有某个外部装置插入,检测引脚将断开。
没有附件插入插孔时,输出信号被拉高;有附件插入插孔时,信号被拉低。
该检测信号连接到一个微控制器端口,它能够在扬声器(无耳机时)和耳机扬声器(有耳机时)之间自动切换音频信号。
在微控制器输入之前,可以通过一个简单的晶体管对检测信号进行缓冲。
该晶体管还可提供必要的电平转换,以便与控制器连接。
在手机、PDA 等空间受限应用中,需要选择封装尺寸不大于几个毫米的晶体管。
也可以利用低成本、低功耗的超小尺寸比较器提供缓冲和电平转换功能。
例如MAX9060 系列,采用。
高速低功耗双尾比较器的设计任志德;郭春生【摘要】In order to optimize the speed and power of comparator,a new double tail comparator has been proposed based on an existing one.We increase the speed of the comparator by additional positive feedback path of cross-cou⁃pling. But the number of branches of the power to the ground the number of devices in the circuit are reduced to save power consumption.Simulation results show that the maximum operating frequency can be processed from the original 1.7 GHz to 2.5 GHz. The power consumption can be saved significantly with the increasing operating fre⁃quency.When the operating frequency is at 1.7 GHz,the consumption can save on 41.45%,and power delay product can increase 62.33%. The proposed two-tailed comparator is more suitable for high-speed,low-power analog-to-digi⁃tal conversion circuit.%针对比较器速度和功耗两大指标的优化,对一款新提出的双尾比较器进行了改善和提高。
M A X912/M A X913————单/双路,超高速,低功耗,精密的TTL比较器1.总体描述MAX913(单)和MAX912(双)高速,低功耗比较器是一个拥有独特设计就是在其线性区域是它的比较是可以防止振荡。
没有要求最低输入转换率。
它是由差分输入和互补的TTL输出。
快速传播延迟(10ns的典型值),具有极低的电源电流和宽共模输入范围,包括负电流使MAX912/MAX913达到的低功耗理想效果,高速,单电源+5V(或±5V)的应用,例如有V/F转换器和开关稳压器。
MAX912/MAX913保持着稳定的线性区域输出。
此功能消除了常见的在输出不稳定时产生高速驱动时具有的比较滞销输入信号。
该MAX912/MAX913可以单一+5V电源供电或±5V的分别供应。
该MAX913是一个改进的LT1016的替代品。
在输入一小能量时它提供了更宽的输入电压范围和等效速度。
在MAX912双比较具有同等性能的MAX913并且包括独立的锁存控制功能。
2.应用过零检测器以太网线接收器开关稳压器高速采样电路高速触发器扩展范围的V/F转换器快速脉冲宽度/高度的判别3.特点超快速(为10ns)单+5V或±5V的双电源供电输入范围扩展至负电源以下低功耗:6毫安(+5V)的每次比较无最小输入信号摆率的要求无电源电流扣球稳定的线性区可投入任一电源低失调电压:0.8mV4.引脚配置顶视图:5.绝对最大额定值:正电源电压 (7V)负电源电压..............................................-7V差分输入电压.......................................±15V输入电压....................................-0.3V至15V锁存引脚电压...................................等于耗材连续输出电流.....................................±20mA连续功耗(TA=70℃)8引脚塑料DIP(减少9.09mW/妹高于70°)......727mW 8引脚SO(减少5.88mW/每高于70°).................471mW 8引脚CERDIP(减少8.00mW/每高于70°).........640mW 16引脚塑料DIP(减少10.53mW/高于70°).......842mW 16引脚窄的SO(减免8.70mW/高于70°)..........696mW16引脚CERDIP(减免10.00mW/高于70°)..........800mW工作温度范围:MAX91C......................................................0℃至70℃MAX91E....................................................-40℃至85℃MAX91MJ.................................................-55℃至125℃储存温度范围........................................-65°C至150°C焊接温度(10秒).........................................................300℃注:超越“绝对最大额定值“,即可能造成永久性损坏设备。
动态比较器工作原理动态比较器是一种常用的电子元器件,它在电子设备中起到比较两个电压或信号的作用。
本文将详细介绍动态比较器的工作原理和应用。
一、工作原理动态比较器主要由比较器和锁存器组成。
比较器是核心部件,它接收两个输入信号,并产生一个输出信号,表示两个输入信号的大小关系。
锁存器则用来保存比较器输出信号的状态,以便后续的处理。
动态比较器的工作原理可以分为以下几个步骤:1. 初始化:首先将锁存器的输出置为初始状态,一般为低电平。
2. 输入比较:比较器接收两个输入信号,并判断它们的大小关系。
比较器通常采用差动放大器的结构,通过比较输入信号与参考电压的大小来确定输出信号的状态。
3. 输出锁存:比较器的输出信号经过锁存器保存,以便后续处理。
锁存器一般采用触发器的结构,将比较器的输出信号保存在触发器中。
4. 后续处理:根据锁存器的输出信号,可以进行各种后续处理,如触发其他逻辑电路、控制器或驱动器的工作。
二、应用领域动态比较器广泛应用于各种电子设备中,特别是在模拟信号处理和数字信号处理领域。
1. 模拟信号处理:在模拟信号处理中,动态比较器可以用来判断两个模拟信号的大小关系。
比如在音频设备中,可以使用动态比较器来实现音量控制、自动增益控制等功能。
2. 数字信号处理:在数字信号处理中,动态比较器可以用来判断两个数字信号的大小关系。
比如在通信系统中,可以使用动态比较器来实现信号解调、信号检测等功能。
3. 传感器信号处理:在传感器信号处理中,动态比较器可以用来判断传感器输出信号的大小关系。
比如在温度传感器中,可以使用动态比较器来判断当前温度是否超过设定阈值,以触发相应的报警或控制信号。
4. 微处理器控制:在微处理器控制中,动态比较器可以用来判断微处理器输出信号与外部输入信号的大小关系。
比如在电机控制系统中,可以使用动态比较器来判断电机转速是否达到设定值,以控制电机的启停或调速。
三、优缺点分析动态比较器具有以下优点:1. 快速响应:动态比较器采用高速比较器和锁存器,可以实现快速的信号处理和响应。
全差分高速低功耗比较器设计的开题报告尊敬的评委:我是某某学校计算机科学与技术专业的研究生,我的研究方向是模拟电路设计。
今天,我来和大家分享我的研究课题——全差分高速低功耗比较器的设计。
一、研究背景和意义比较器是模拟电路中最基本的功能器件之一,它的主要作用是比较两个电压的大小,并输出其差异。
全差分高速低功耗比较器是现代芯片设计、信号处理和通信系统中不可或缺的重要组件之一,其主要应用场景包括相位锁定环路(PLL)、专用集成电路(DSP)、片上存储器、数据采集系统等。
然而,目前市面上的传统比较器存在着一些问题:若采用不可逆饱和比较器,功耗较大,故一直研究和探索能够减少功耗的比较器设计;而若采用传统共模反馈比较器,若电路布局和设计不佳,会出现功耗高,速度慢,抖动较大等问题。
因此,研究高速低功耗比较器设计变得尤为重要。
全差分高速低功耗比较器通过增大比较器的增益,缩小比较器极性,通过更加复杂的差分结构,使得比较器在几个纳秒的时间内完成电压比较,并能够完成低功耗运行。
二、研究内容本设计的核心是设计一种高度集成的全差分高速低功耗比较器,以满足现代电路设计对低功耗、高速、抗噪能力等多方面的要求,具体的研究内容如下:1.设计和实现一个的全差分两级比较器;2.针对传统的折叠输出结构存在的负载能量反馈的问题,在比较器输出添加一个控制器用于输出来控制负载能量的信号;3. 提出一种可调节的电流源,以控制操作放大器的增益;4. 布局和布线优化5. 提出一种基于比较器峰值检测算法的抖动去除方法;6. 结合实验数据,对比较器的性能进行测试和分析。
三、技术路线技术路线如下:1.调研和学习相关领域的文献2.确定方案和概念设计3.基于Simvision进行仿真、优化和验证设计效果4.基于模拟器进行方案验证和性能测试5.实验后数据处理和性能比较四、预期研究结果通过本次研究,我们将通过仿真、优化和实测,获得以下预期研究结果:1.设计一种完整的全差分双极比较器,能够实现高精度电压比较,并在短时间内快速完成比较。
高速比较器MAX912简介
1 器件用途及特点
MAX912 是由MAXIM 公司生产的双组高速低功耗、高精度电压比较器。
该器件速度快(典型值为10ns) , 功耗低(单个比较器工作电流为6mA) ,每个比较器均有独立的锁存使能功能。
它与其他高速比较器的不同之处在于, 当接收缓慢移动信号时, MXA912 仍能保持稳定, 器件均能接受差动输入信号并具有互补性的TTL 兼容输出, 可广泛应用于V/ F 变换、高速采样等电路中,以下为该器件的典型应用:
(1) 以太网线接收器
(2) 扩展V/F转换器
(3) 高速脉冲幅度/宽度鉴别器
(4) 高速采样电路
(5) 高速触发
(6) 开关型稳压器
(7) 过零检测器
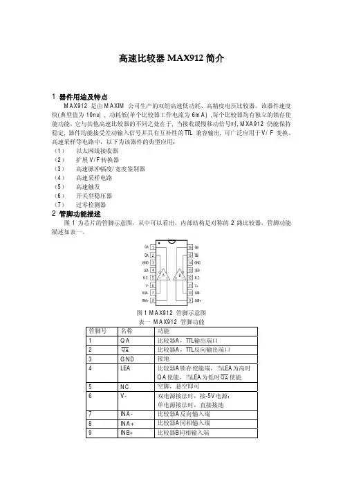
2 管脚功能描述
图1为芯片的管脚示意图,从中可以看出,内部结构是对称的2路比较器,管脚功能描述如表一。
图1 MAX912 管脚示意图
3 图2为利用MAX912设计的一个带有外部滞回电压的比较器,比较器的
同相阈值为: (1) TH+ = V V +212R/(R +R )反向阈值为:
(2)
TH- = V V -21
2R/(R +R )
图2 外部滞回电压比较器
4 使用注意事项
MAX912可以工作在单电源、双电源模式,同时它是一款高速的器件,因此设计PCB 电路板的时候需要注意以下几点: (1) PCB 电路板要大面积接地
(2) 注意旁路器件(旁路电容)的带宽,保证信号的完整性通过 (3) 尽量不要用插座,避免产生寄生电感和电容。