00工程质量关键工序作业指引
- 格式:pdf
- 大小:209.03 KB
- 文档页数:4
工程项目关键工序质量保证措施范本工程项目的关键工序是整个项目中最为核心和重要的部分,对于工程质量的保证起到至关重要的作用。
为了保证关键工序的质量,需要采取一系列的措施。
下面是一份关键工序质量保证措施的范本,可以根据具体的项目情况进行调整和完善。
一、前期准备1.明确工作目标:在开展关键工序之前,将工作目标明确传达给相关人员,包括工程师、技术人员和施工人员等,并确保大家对工作目标的理解一致。
2.制定详细的工作计划:根据关键工序的要求和工作目标,制定详细的工作计划,包括任务分解、工作内容、工期安排等,并将计划向相关人员进行沟通和确认。
3.组织培训和技术交流:根据关键工序的要求,组织相关人员进行培训和技术交流,提高他们的专业知识和技能水平,确保能够胜任所负责的工作。
二、施工过程管理1.严格按照设计要求和施工规范进行施工:对于关键工序的施工,必须严格按照设计要求和施工规范进行,确保每一个环节都符合标准,避免出现错误和瑕疵。
2.做好施工记录和实测数据的收集:在施工过程中,及时记录施工工艺和参数,以及实测数据,对关键参数进行监测和评估,及时发现和纠正问题。
3.严格质量检查和验收制度:在关键工序的每个阶段进行质量检查和验收,确保每个环节都符合要求。
对于不符合要求的情况,及时采取纠正措施,并保留相关记录。
三、质量风险管理1.制定风险评估和应对计划:对于关键工序的施工过程中可能出现的风险,进行全面评估,并制定相应的应对计划,提前做好准备。
2.加强安全生产管理:关键工序往往伴随着一些安全隐患,因此需要加强安全生产管理,确保施工人员的安全,并预防事故的发生。
3.定期组织质量改进会议:定期组织质量改进会议,对关键工序的质量进行评估和改进,及时总结经验和教训,提高工程质量。
四、技术支持与保障1.确保技术人员的参与和支持:为了保证关键工序的顺利进行,需要确保技术人员能够及时参与和支持,提供必要的技术指导和解决方案。
3.加强与供应商和承包商的合作:与供应商和承包商建立良好的合作关系,确保供应材料和施工团队的质量,提高施工效率和质量水平。
富业花苑土建工程木、胶合板模板工程施工作业指导书广东省第一建筑工程有限公司2009年8月26 日1. 施工准备1. 材料(1)模板:规格、种类必须符合设计要求。
(2)木枋:规格、种类必须符合设计要求。
(3)支架系统:木支架或各种定型桁架、支柱、托具、卡具、螺栓、钢门式架、交叉撑、钢管等。
2. 作业条件(1)模板设计:根据施工的不同部位,做好模板设计,根据图纸和工程实际优选模板体系做出细致可靠的节点设计,编制出模板施工方案。
(2)模板备料:模板数量应按模板设计方案结合施工流水段的划分,进行综合考虑,合理确定模板的配置数量。
(3)模板涂刷脱模剂,并按规格堆放。
(4)根据图纸要求,放好轴线和模板边线,定好水平控制标高。
(5)墙、柱钢筋绑扎完毕,水电管及预埋件已安装,绑好钢筋保护层垫块,并办完隐蔽验收手续。
(6)根据模板方案,图纸要求和工艺标准,向班组进行安全、技术交底。
2. 施工工艺1. 工艺流程模板设计→模板加工→模板安装→模板验收→浇筑混凝土→拆模。
柱模板工艺流程:弹柱位置线→抹找平层、焊定位筋→安装柱模→安装柱箍→安拉杆或斜撑进行校正加固→验收。
墙模板工艺流程:弹线→抹找平层、焊定位筋→安装门窗洞口→安一侧模板→插入螺栓及套管→安另一侧模板→校正加固→验收。
搂板模板工艺流程:弹线→搭立杆→调整标高→安装梁底模(与墙或柱接触面的处理) →安装侧模→安装大小龙骨→铺板(与墙接触面的处理) →校正标高→加立杆的水平杆→验收。
2. 模板制作(1)一般要求模板在裁切时,应直顺,尺寸准确,误差控制在1~2mm;裁切后模板的小侧边用漆封边。
作业队根据方案编制好配模图后,按图编号逐块制作模板,每块模板严格按加工图尺寸下料。
木方与模板接触面先用压刨刨平刨直,然后用手刨刨平,同时用2m靠尺检查平直度。
模板下料时先用钢卷尺量好尺寸,弹好墨线后,用手锯下料,模板四条侧边全部用手刨刨平,用2m靠尺检查平直度;将模板平铺在操作平台上,从一侧向另一侧弹好纵横龙骨边线;从一侧向另一侧钉木龙骨,钉木龙骨过程中,在模板拼缝处粘贴密封胶条,密封胶条不得凸出模板内侧面;穿吊钩与上口lOOmm×lOOmm木方上钉子按@150间距,其余木枋上钉子按@200间距;龙骨与面板钉装完毕后,从一侧至另一侧弹出螺栓孔十字线,用电钻钻出螺栓孔。
关键工序作业指导书二十、关键工序作业指导书(一)钻孔桩施工1、适用范围适用于重庆轨道交通十号线十标段钻孔桩施工。
2、作业准备2.1内业技术准备作业指导书编制完成后,应在开工前组织技术人员认真学习实施性施工组织设计,阅读、审核施工图纸,澄清有关技术问题,熟悉规范和技术标准。
制定施工质量安全保证措施,提出应急预案。
对施工人员进行技术、安全交底,对参加施工人员进行上岗前技术、安全培训,考核合格后持证上岗。
2.2外业技术准备(1)施工场地布置在开工前,必须平整场地,保证场内道路通畅,划定施工机械、车辆通行线路及停放位置,修筑好施工便道。
(2)施工测量放样在围护桩施工前进行进行施工测量放样、复核,增设相应的施工控制测量点位,并进行现场测量交底,保证现场管理人员人人了解围护桩位置、桩长等。
3、施工技术要求3.1施工技术参数根据本车站的地质、水文情况,围护结构采用钻孔桩+锚束方案和锚杆肋柱挡墙方案。
车站围护结构采用直径800mm、1200mm钻孔桩,桩间距为2500mm,桩顶设一道冠梁,竖向每隔2500mm设一道锚束。
3.2施工技术标准钻孔桩钻孔允许偏差表3.2-1 序号项目允许偏差(mm)1 孔径不小于设计孔径2 孔深不小于设计孔深,并进入设计土层3 孔位中心偏心≤504 倾斜度≤0.5%5 浇筑混凝土前桩底沉渣厚度≤100钻孔桩钢筋骨架允许偏差和检查方法表3.2-2序号项目允许偏差(mm)检验方法1 钢筋骨架在冠梁底以下长度±100尺量检查2 钢筋骨架直径±103 主钢筋间距±10尺量检查不少于5处4 加强筋间距±205 箍筋间距或螺旋筋间距±206 钢筋骨架垂直度骨架长度1% 吊线尺量检查4、施工程序与工艺流程4.1 施工工艺图4.1-1 施工工艺流程图4.2 施工方法车站围护桩基施工主要以旋挖钻机成孔施工为主。
场地平整施工放样挖设泥浆池、沉淀池制备护壁稳定液埋设护筒 钻机就位 注入护壁液钻孔至设计孔深 吊放钢筋笼 下导管、清孔钢筋笼准备灌注水下混凝土孔深、孔型检查 孔桩完成浆液比重检测4.2.1钻孔采用旋挖钻机成孔的优点:移位方便、钻孔速度快,成孔垂直度高、钻机噪音低、环境污染小。
工程施工关键工序和特殊工序质量控制
工程施工关键工序和特殊工序质量控制
1、根据集团公司《作业指导书》制度,对本标段的关键工序和特殊工序必须编制详细的作业指导书,制定工艺的实施细则。
2、作业指导书编制前,根据设计文件以及施工特点,确定关键工序和特殊工序的项目,作业指导书由工程部部长负责组织编制,作业指导书编制完成后,经总工程师审核,指挥长
(副指挥长)批准后以正式文件的形式颁布实施,并抄报集团公司工程部技术科备案。
3、项目部负责落实作业指导书在施工现场的贯彻执行,在关键工序和特殊工序施工前,项目部总工程师组织对现场施工管理人员和作业人员进行技术交底或培训,技术交底或培训必须有相关记录,并存档备查。
4、在施工过程中,项目部领工员检查落实作业指导书执行情况,如有违规现象,应及时制止,并对有关人员进行批评教育,劝说无效的,应坚决将其清退出场,不得继续进行施工。
5、项目部质检工程师严格按作业指导书对关键工序和特殊工序进行监督和检查,严格执行隐蔽工程检查制度,并加强对工序的监测工作,进行信息反馈,消除不稳定因素。
6、涉及对工程质量有重大影响的关键环节施工时,尤其是外协劳务队伍承担的施工,项目部必须派技术人员及责任心强的
领工员对施工全过程旁站监督,确保工序关键环节施工始终处于受控状态。
关键工序作业指导书
一.目的
发文部门:XXX
制定:XXX
审核:XXX
核准:XXX
编号:GHZZ-PZP04-2016
日期:2016-07-15
版本:A/0
规范关键工序产品检验流程,对中控环节产品质量实施控制,保证工序产品质量的一致性。
二.使用范围
公司规定关键工序为机加工工序(含包装检验)。
三.检验依据和检验工具
1、检验依据:图纸和相关技术标准、客户要求、公司要求。
图纸未标注公差范围而标注公差等级的按照标注GB/T1804---2000执行。
2、检验工具:游标卡尺,内、外径千分尺,高度尺,深度尺,百分表,三坐标,检验台等。
四.检验规程及断定准则
1、将图号与实物核实,认真阅读图纸及相干技术要求。
2、表面检验:检验表面有压坑、碰伤、暗痕、凸起、塌陷、缺料、冷隔、水纹、毛刺等缺陷的判为不及格。
3、尺寸检验:按图纸,客户要求、公司要求及相干技术尺度标注的公役范围举行检验,在公役范围内的断定及格,超出公役范围的断定不及格。
每种规格工序产品每次检验测量不得少于三次,同批次、图号的产品要求公役范围控制的一致性。
五.检验频度
1、首检。
(包括开机首检、修模首检、转产首检、生产参数变更首检、资料变更首检)
2、巡检。
(1次/2H)
六.相干记录
1、《巡检记录表》。
施工关键工序及重要部位的质量控制措施关键工序是指施工难度大、质量易波动的工序,是控制工程质量和工期的关键环节。
本工程主要针对测量、开挖爆破、喷锚支护、混凝土浇筑等关键工序制定详细的质量控制措施,以确保工程施工达到合格。
一、工程测量质量控制措施1、随着测量技术的发展,我项目部准备在本项工程的施工测量中,采取先进的测量控制手段,尽量淘汰数据采集由人工观测、记录和计算的陈旧方法,将此转化为智能化自动采集数据的方法,提高观测效率、观测质量,取消用人工记录、观测和计算方式,全部数据直接与计算机相互处理及交换,最大限度地减轻作业人员的劳动强度、消除人工参与带来的错误和误差,以确保所获得的观测成果和记录成果的准确性和可靠性。
2、利用仪器设备的先进性,将基本导线和施工导线合二为基本导线,开挖放样直接在基本导线点上完成,还可利用双自由导线控制点两点,快速算出自由测站点后交的三维坐标,这样缩短了测控时间,同时确保了工程质量。
3、一切测量设备必须检验合格才干利用,控制测量采用激光经纬仪和红外测距仪作导线控制网,施工测量首要采用全站仪,局部工程部位采用水准仪配精纬仪进行。
测量作业由富有经历的专业人员进行测量放线、复测。
4、混凝土立模采用等级控制点测设轮廊点,或由测设的建筑物纵横轴线点(或测站点)测设。
二、土石开挖质量控制措施1、管理措施(1)严格按照招标技术规范、设计图纸、通知和监理工程师的指示进行施工。
(2)对参与施工的有关人员,进行培训,合格后必须持证上岗。
(3)在施工过程中,必须依照设计进行施工,不得擅自更改计划和具体有关参数。
(4)依照不同被保护对象的具体特性,采纳严密的安全防护措施,确保被保护对象的安全万无一失。
2、技术措施(1)开挖前认真做好方案设计,并先在需要预裂或光爆的地方或经监理单位批准的类同地方进行试验,以选择和确定合理的爆破参数,获得比较满意的爆破面和形成光滑的最终开挖断面,使在最小开挖线外的超挖量最小,并达到最小的爆破应力和合格的预裂裂缝。
工程质量管理作业指引编制日期审核日期批准日期修订记录1.概况2.工作程序2.1制定质量管理目标及质量管理计划2.1.1总部直管项目部/城市公司工程技术中心依据项目工程质量目标,在施工蓝图下发到项目部后一个月内编制项目质量管理计划,总部直管项目报总部直管项目分管高管审批;城市公司项目报城市公司总经理审批,并报总部工程管理部备案。
2.2施工前准备2.2.1监理规划及监理细则1)监理规划应在签订委托监理合同、收到甲方有关文件后一个月内,由总监理工程师组织完成该工程项目的监理规划编制工作,经监理公司技术负责人审核批准后,在第一次工地会议前报送审核审批,总部直管项目报总部直管项目部、工程管理部审核,直管项目分管高管审批;城市公司项目报城市公司工程技术中心、城市公司总经理审批,并报总部工程管理部备案。
2)监理规划的内容应有针对性,做到控制目标明确、措施有效、工作程序合理、工作制度健全、职责分工清楚,对监理实践有指导作用;3)监理规划应有时效性,在项目实施过程中,应根据情况的变化作必要的调整、修改,经原审批程序批准后,再次报送总部直管项目部/城市公司工程技术中心;4)监理单位在监理规划确认后进行完成监理细则:①所有工程项目均需编制《监理实施细则》,并在应在相应工程施工开始前编制完成;②监理实施细则应符合《项目质量管理计划》、《监理规划》、《施工技术方案》,结合专业特点进行编制,做到详细、具体、具有可操作性;③监理实施细则需根据实际情况的变化进行修改、补充和完善;④监理实施细则由专业监理工程师编制,并经总监理工程师批准,总部直管项目部/城市公司工程技术中心需对《监理实施细则》进行审核、存档。
2.2.2施工图交底及会审1)项目工程开工前,总部直管项目部/城市公司工程技术中心组织施工单位、监理单位、设计单位、和甲方相关部门参加施工图纸会审,形成《设计交底记录单》(施工图);经会审修改过的图纸正式下发给施工单位。
图纸会审需由设计单位和项目设计负责人向与会者说明拟建工程的设计依据、意图和功能要求,并对特殊结构、新材料、新工艺和新技术进行详细说明。
编制:日期:审核:日期:批准:日期:**建筑集团有限公司二零二一年二月目录楼地面工程关键工序作业指导书 (1)一、工序 (1)二、规范要求 (1)1水泥砂浆(水磨石)楼地面施工 (1)1.1水泥砂浆工艺要点 (1)1.2水磨石工艺要点 (2)2块材楼地面施工 (3)2.1卫生间 (3)2.2卫生间、厨房、阳台地漏设置 (6)2.3卫生洁具安装 (6)3石材地面 (8)4砖地面 (9)5坡道 (10)5.1石材坡道 (10)5.2水泥砂浆坡道 (11)5.3其他推荐做法 (13)6楼梯间 (14)6.1水泥砂浆楼梯踏步 (15)6.2石材(块材)楼梯 (17)6.3楼梯挡水、滴水施工 (18)6.4楼梯扶手注意事项: (19)7设备间地面施工 (19)7.1电梯基础与地面 (19)7.2设备用房地面 (20)7.3管井地面 (22)前言工程质量在建筑施工中占有重要地位,随着社会发展及全民质量意识的增强,质量已成为社会关注的焦点。
部分地产公司根据此国家规范和客户要求推出了各项控制措施,对在建工程各道工序进行实时监控指导,有效的提升工程质量管理水平,值得我们借鉴。
在质量管理过程中,我们发现许多项目部在涉及工程使用功能和重要观感部位的关键工序施工时,因为施工顺序的不合理、对工序质量的特性认识不足,造成返工、材料人工浪费、影响施工进度。
同时许多管理人员对形成质量问题的要素构成和原因分析并不透彻,从而找不到质量管理的着力点,反映出来就是管理绩效低下,工程质量品质不高。
因为各部位工序施工具有“连续性”、“衔接性”的特点,所以质量问题也具有“隐蔽性”和“成长性”。
管理人员在施工过程中重视产品质量,不重视工序质量;重视施工过程检查,不重视施工前组织工作,其结果必然会形成随着施工活动的开始,大量隐藏的问题就逐步暴露、产生的状况,管理人员不得不将许多时间、精力花在整改中,影响正常的管理工作。
基于以上现象,为确保工程施工质量,进一步推动项目部“以点带面、样板引路”的管理方法,对施工过程中涉及使用功能、重要观感质量部位的节点进行分析,从施工顺序、方法、检查重点等角度剖析工序施工,从而达到对工程质量进行预控的目的,期待项目部在施工过程中进一步理顺工序,通过对工序的精细分解和施工的精细组织,提高施工工艺水平,结合目前各项目部实际施工情况,现对基础、主体、砌体、墙面、地面、屋面等分项工程项目的施工工艺进行细化补充,对过程控制要点进行了重点阐述,实施作业指导,为“每建必优,精细管理”注入新的内涵。
主要分项工程及关键工序质量保证技术措施在项目的施工过程中,为了确保工程质量,需要采取一系列的质量保证技术措施。
下面将针对主要分项工程和关键工序进行详细介绍。
一、土建工程1.主体工程施工(1)地基处理:采用适当的地基处理方法,如回填加固、灌注桩、加固板桩等,以提高地基的承载力和稳定性。
(2)模板工程:采用高质量的模板材料,如优质木材或高强度钢材,严格按照设计要求进行拼装和加固,确保模板的平整度和稳定性。
(3)混凝土浇筑:采用高品质的混凝土配料和施工工艺,严格控制浇筑过程中的混凝土浇注速度、振捣时间和振捣频率,以确保混凝土的密实性和耐久性。
(4)砌筑工程:严格按照设计要求进行砌筑施工,控制砌筑砂浆的配制比例和使用量,保证砌体的强度和稳定性。
(5)防水工程:采用优质的防水材料,技术人员进行质量监督,确保施工过程的密封性和耐久性。
2.安装工程(1)设备安装:严格按照设计要求进行设备安装,由专业技术人员进行监督和验收,确保设备的安装质量和性能。
(2)管道安装:采用高品质的管材和管件,严格控制管道安装过程中的连接质量和尺寸精度,确保管道的密封性和稳定性。
(3)电气安装:按照电气设备的安装规范和标准,进行电缆敷设、电缆接头处理和接线等工作,确保电气系统的安全可靠性。
二、装饰工程1.水电工程(1)电线电缆敷设:采用符合国家标准的电线电缆进行敷设,严格控制线路走向和连接质量,确保电气系统的稳定性和安全性。
(2)给排水工程:按照国家标准进行管道敷设和连接,严格测试和验收给排水系统的防水和排水功能。
2.基础面层工程(1)地面找平:使用优质的找平材料,施工过程中严格控制材料的配比和施工工艺,确保地面的平整度和耐久性。
(2)瓷砖贴附:采用高品质的瓷砖胶水和瓷砖,严格按照设计要求进行瓷砖贴附工作,确保瓷砖的粘贴牢固和美观度。
(3)壁纸施工:选择合适的壁纸材料,进行壁纸的打底处理和施工,确保壁纸的平整度和粘贴性。
以上是一些主要分项工程和关键工序质量保证技术措施的简要介绍。
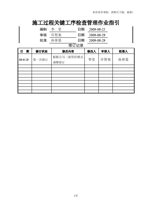
施工过程关键工序检查管理作业指引编制李莹日期2009-06-25审核许智来日期2009-06-29批准孙誉晏日期2009-06-291. 准备工作1.1基础施工前,工程技术部负责根据项目具体情况组织项目部、监理单位讨论,编制形成《项目工程质量检查验收标准》、《项目施工过程关键工序检查要点》,经城市公司相关部门评审定稿后,上报城市公司主管高层、城市公司总经理审批,审批通过后下发项目部执行,并报总部技术部备案。
1.2工程技术部根据《施工总进度计划》及《项目施工过程关键工序检查要点》的要求制订专项培训计划,在分项工程开始前一个月组织项目工程管理人员进行相关验收规范的培训,培训记录报城市公司计划主管部门、总部技术部备案留查。
2. 关键工序的分级原则关键工序检查要点按照重要程度,分为一级、二级和三级,按照不同的级别确定检查的力度、频次及抽检的百分比,具体分级原则如下:2.1一级:非常重要该工序的质量对工程质量的影响很大、或影响公司产品标准和客户使用功能的。
一级工序要求监理100%检查,制作现场施工样板的项目要求项目部100%复查、其它部位项目部复查20%;2.2二级:重要该工序为质量隐患较多的工序且工序的质量对工程总体质量有一定影响。
二级工序要求监理100%检查,项目部复查10%;2.3三级:常规项目易发生质量通病的关键工序,常规项目要求监理100%检查,项目部监督、抽查监理工作,结合现场定期联检检查监理《关键工序检查记录单》的执行。
2.4本分级原则为我公司内部管理要求,对于工序级别约定的检查力度、频次及抽检比例如低于现行国家验收规范要求的,应按国家规范要求执行。
3. 组织《关键工序检查要点》的交底《项目过程关键工序检查要点》确定下发后,由项目部组织由监理单位、总承包商、分包商参加的交底会,并形成书面交底记录各方签字认可后归档并报工程技术部备案、留查。
4. 关键工序的检查、验收及记录4.1施工单位自检施工单位在施工过程中,在施工至关键工序时应先进行严格的自验,自验合格后报监理单位验收。
建筑施工关键工序作业指导书建筑施工关键工序作业指导书一、任务概述本次工程的关键工序是建筑物的混凝土浇筑,任务主要包括以下几个方面:1. 确定浇筑的时间和工期,以确保混凝土的质量和施工进度;2. 准备混合材料,包括水泥、砂、石子、水等;3. 将混合材料按比例混合,并控制混合好的混凝土的水泥和水分比例;4. 倒入、铺平和抹平混凝土,以达到规范的表面和厚度;5. 加强混凝土结构的建造,包括加固筋等。
二、任务分配为确保施工进度和质量,需要建立有效的协作机制。
可以按照以下分工分配任务:1. 项目总经理:确定浇筑时间和工期,并分配人员和材料;2. 工程师:负责监督施工过程,检查各项参数的准确性,并确保混合材料按比例混合;3. 工人:负责将混合好的混凝土倒入、铺平和抹平,严格按照规范执行施工质量和数量要求;4. 安全人员:负责检查施工现场和设备是否安全,并采取预防措施来保护工人和财产。
三、具体操作过程1. 准备工具和材料混凝土浇筑需要的工具和材料包括:水平仪、搅拌机或手工搅拌器、铲子、扫帚、泥刀、浇注桶、水桶等。
材料包括:水泥、砂、石子、水等。
2. 合理分配材料比例根据混凝土所需的厚度和强度等要求,将不同比例的水泥、砂、石子和水混合在一起。
在混合过程中需要控制水泥和水的比例,以确保混凝土的强度和稳定性。
3. 浇筑混凝土按照建筑设计所规定的深度和坡度将混凝土倒入到指定的区域。
需要确保混凝土中空气的流动不会影响混凝土的稳定性。
4. 抹平混凝土巧妙的做法是、先用滑枪在混凝土表面进行打铁操作,然后逐渐抹平整个混凝土表面。
如有必要,可以使用扫帚和泥刀来改进表面的细节。
5. 检查并维护混凝土结构在混凝土刚刚浇筑时,工人需要对混凝土进行维护,包括系统化的浇水和高压蒸汽等方式,以确保混凝土结构的建造。
同时,工程师还应该对混凝土结构进行检查,确保其满足建筑设计要求。
四、安全措施混凝土浇筑工作是危险性较高的工作,需要采取一定的安全措施,以保护工人和建筑材料。
关键工序、特殊过程通用作业指导书(熔化极气体保护焊部分)1 主要内容与适用范围1.1 焊接工序是产品制造过程中必须严格控制的特殊工序,本规程规定了一般零件的焊接工序须遵照执行的通用工艺规程。
检验人员应按图纸、工艺和本规程进行工序质量监督和验收焊接结构件。
图纸、工艺中有与本规范不一样的要求,应按图纸、工艺执行;工艺技术人员根据生产现场做出具体技术要求的,应临时按工艺技术人员要求执行。
1.2 该规程本部分适用于MAG 焊(CO2、富氩混合气等非惰性气体保护焊)。
1.3 本规程适用于湖南万征机械科技有限公司制作产品焊接工艺要求。
2 材料2.1 钢材举例2.1.1 低碳钢含碳量小于0.25%,其他合金元素的含量也较少的钢有:08、20、Q235、Q255,其焊接性能良好。
2.1.2 中碳钢含碳量在0.25%~0.6%之间的碳钢有:35、45,对于板厚小于30mm 的中碳钢其焊接性尚可。
2.1.3 低合金钢在碳钢的基础上加有少量合金元素(Mn、Mo、Ni、V 等)的钢,有16Mn、45Mn、HARD0X400,其焊接性较好。
2.1.4 不锈钢在碳钢基础上加有一定量的合金元素(Cr、Ni、Ti 等)的钢,有0Cr18Ni9,其焊接性较好。
2.2 焊接用焊材低、中碳钢、低合金钢(如2.1.1、2.1.2、2.1.3 所列)间焊接均用:焊丝ER50-6,φ1.2;不锈钢(如2.1.4 所列)间焊接用:焊丝H00Cr21Ni10。
2.3 钢材、焊材必须有产品质量证明书,进厂时按JG/T5112 检验。
3 熔化极气体保护焊工艺规范焊工在焊接施工前,应熟悉相应的图纸及相关的技术资料、文件,按要求准备好焊接材料、选好焊接设备、调好焊接工艺参数。
3.1 焊前准备3.1.1 在组装前,应清除焊件相互接触面及焊缝两边的污物(如:铁锈、油污、氧化皮、油漆等),并须去除潮湿(可采用火焰烘烤,烘烤过程最高温度不得超过75℃);具体清理范围:对接焊:接头两边每侧20-30mm;角焊:焊角高+20mm3.1.2 坡口制备应尽量以机械加工的方法进行。
关键工序、特殊过程施工作业管理制度第一条关键工序、特殊过程是指涉及工程的结构安全、使用功能、质量可靠性有重要影响的施工过程。
第二条关键工序、特殊过程的识别在工程开工一个月内,由项目经理或项目总工程师组织各专业工程师等主要项目管理人员,对工程中存在的关键工序、特殊过程进行识别,形成项目部的《项目部关键工序、特殊过程识别清单》,并根据工程实际情况进行动态调整,同时将各清单项分解到责任人。
第三条项目总工程师组织各专业工程师,对识别出来的关键工序、特殊过程开展质量策划,编制相应的施工方案。
第四条关键工序、特殊过程施工所使用的材料、设备、构配件必须符合设计图纸及相关规范要求。
第五条关键工序、特殊过程施工必须坚持样板先行制度,大面积施工前必须做出实物样板。
第六条项目部必须按照关键工序、特殊过程的施工方案,以及实物样板确认的材料、工艺、质量标准,编制技术交底或作业指导书,结合实物样板对作业人员实施有针对性的岗位技能培训,并留存培训记录及照片。
第七条关键工序、特殊过程施工作业前,项目部需根据作业时间、作业部位、岗位分工等,由项目经理指定具备相应的资质、经验等条件的责任人,对关键工序、特殊过程施工作业过程实施旁站。
由项目总工程师或专业技术负责人对其进行培训,明确旁站过程中需关注的重点、相应的质量标准以及发生偏差时的处置方案等,并留存培训记录及照片。
第八条关键工序、特殊过程施工作业前,需由确定的旁站人员核查施工准备情况,包括是否有正式图纸、是否有技术交底、作业班组是否经过样板培训、材料构配件是否检验合格、施工环境是否满足作业要求、上道工序是否经过验收等施工准备情况。
第九条关键工序、特殊过程施工作业过程,旁站责任人需全过程旁站监督,留下施工旁站过程影像资料,观察作业人员是否按技术交底和作业指导书规定的施工方法、施工工艺作业,每道工序的质量是否符合规定的标准。
作业结束后由旁站责任人填写旁站记录,并按照规定签字确认。
第十条当作业人员施工过程出现行为偏差时,旁站人员应及时予以纠正,作业人员拒不接受时,应责令中止作业,并立即向项目经理或项目总工程师报告,防止质量偏差的扩大。
1.1.1 关键工序及关键质量控制点各子系统工程均列出“关键工序”、“关键质量控制点”,并报工程监理确认,在工程实施中及时跟踪检验,对影响工程质量的进行严格控制。
1.2 施工质量保证措施我公司获得ISO9000:2000质量管理体系认证,拥有完整《质量手册》和质量管理要求与措施。
本工程的质量目标,按照国家施工规范执行,保证工程达到国家合格验收标准,为达到上述的目标,具体的工程质量确保措施如下:1.2.1 施工图的设计评审查施工图是保证工程顺利如期完成和保证工程质量的重要因素,我们建议由业主组织,我方和相关设计单位先对智能化系统图纸深化设计并和其它相关专业进行设计审查和协调。
参加人员:设计单位和施工单位各有关专业技术人员、项目经理、现场项目负责人、主要施工安装人员、设计单位甲方代表、监理单位。
评审内容:图纸技术文件完整性,设计选型器材是否合理,性价比是否最优,是否便于施工,是否能保证工程质量,能否保证施工安全,自身的装备及技术能力是否适合设计要求。
会审结论:确定是否修改设计或制定修改方案,办理设计变更手续。
审查施工图纸应有详细记录,发现问题及建议解决办法。
1.2.2 技术交底参加工程的施工安装人员及管理人员,应在施工前对该工程的技术要求,施工方法进行技术交底。
各专业技术人员对分部、分项工程向参加施工管理的人员进行技术交底。
技术交底的内容应包括:✓工程概况、工程特点、施工特点、进度计划的原则安排;✓施工程序及工序穿插的安排;✓主要施工方法及技术要求;✓执行的技术规范、标准;✓保证质量的主要措施;主要的安全措施及要求。
1.2.3 工程质量自检和互检为保证自检、互检的有效工作,应做好以下基础工作:做好技术交底工作,使施工安装人员明确设计,施工技术要求和质量标准;组织有关人员学习有关验收规范和质量检验评定标准;对施工安装人员进行检查量测方法等有关基础知识培训;对施工安装人员进行质量意识、质量要求的教育。
自检和互检应做到的质量保证:施工安装人员应根据质量检验计划,按时按确定项目内容进行检查;自检和互检是施工过程中的质量记录之一,施工安装人员应认真填写相应的自检记录,记录人和项目经理应分别在记录上签字;专业检查人员应定期复核自检互检记录。
关键工序的施工工艺及质量控制措施资料一、前言在建筑工程中,施工工艺和质量控制措施是至关重要的。
因此,针对关键工序,需要特别重视施工工艺和质量控制措施的落实,以确保施工质量和工期的顺利进行。
本文将重点介绍关键工序的施工工艺及质量控制措施。
二、混凝土梁的施工工艺及质量控制措施2.1 施工工艺混凝土梁是建筑物中非常重要的承载构件,其施工应严格按照如下工艺要求:1.预埋件的设置要符合施工图纸和设计要求,并保证预埋件在混凝土中的位置精准。
2.梁模板的制作应严格按照质量标准,保证模板的平整、光滑度和尺寸精度。
3.混凝土配合比应按照设计要求进行搅拌、浇筑,特别要注意搅拌时间、浇筑速度和振捣次数。
4.合理设置缝隙和伸缩缝,并按照施工图纸规定进行浇筑。
2.2 质量控制措施关键质量控制措施如下:1.对于混凝土的配合比应按照质量验收标准进行抽检,保证配合比符合规定要求。
2.对于梁模板,要进行质量验收,保证模板表面平整、光滑度高,无损伤和变形。
3.对于施工现场,应设置专人对梁模板的加固、支撑、拆卸、移位等工作过程进行监督和检查。
三、建筑物外立面幕墙的施工工艺及质量控制措施3.1 施工工艺幕墙是建筑的重要装饰材料,需要按照如下工艺要求进行施工:1.幕墙各个构件应按照施工图纸和设计要求进行制作,并进行配合比实验。
2.在幕墙安装位置处设置固定架、吊装绳等支撑设施。
3.进行玻璃幕墙的施工时,应特别注意玻璃的安装质量和切割精度。
3.2 质量控制措施关键质量控制措施如下:1.对幕墙的材料进行质量验收,特别是对于铝材和玻璃等材料进行抽检,保证材料质量符合要求。
2.对幕墙的构件,如固定架、吊装绳等,进行质量验收,确保其质量完好、无损伤、变形等现象。
3.在施工过程中,应设专职人员对幕墙的安装质量进行监测和检查。
四、橡胶防水层的施工工艺及质量控制措施4.1 施工工艺橡胶防水层的施工有以下要求:1.橡胶防水材料的配合比应按照要求进行搅拌、贴附、铺设。
关键工序作业指引
编制:运营管理中心工程部日期:2018年6月
审核:姚可王晓明朱建华日期:2018年6月
批准:陈昱含日期:2018年6月
版本修订记录
序号修订日期修订内容修订人版本备注
1
1.目的
通过在工程实施过程中设置强制性的关键工序,加强过程检查与控制,确保样板执行,保证工程质量。
2.适用范围
适用于集团下属在建项目(含工程由中南置地管理的合作项目)。
3.术语及定义
关键工序:指在项目施工过程中,将重要的施工工序(节点),设置为强制停止检查控制点。
4.职责与权限
4.1.运营管理中心工程管理部:
4.1.1.负责编制、修改《工程质量关键工序作业指引》;
4.1.2.监督检查各项目工程部质量关键工序的执行情况。
4.2.战区工程管理部:
4.2.1.监督项目工程部关键工序制度的执行情况。
4.3.项目工程部:
4.3.1.负责编制制订《关键工序清单》,并上报战区工程管理部备案;
4.3.2.负责组织并参加项目所有关键工序的验收。
4.4.监理单位:
4.4.1.参加项目所有关键工序的验收以及相关的督促整改工作;
4.5.施工单位
4.5.1.负责编制工程关键工序的相关工程技术要求以及保证措施,并作为施工方案内容。
4.5.2.负责填写《工程关键工序检查记录表》并上报项目工程部,提出验收申请。
4.5.3.负责根据相关检查验收意见,进行整改,并提出复验申请。
5.流程图
战区工程管理部编制停止点检查清单
施工单位自检合格后,填写《关键工序月、周计划中体现停报验申请表》以及《关键工序检查记录止
检查点工作情况表》并上报项目工程部
施工单位整改
否
是
是否通过验
收
项目工程部组织相关单位及部门人员进行
工程关键工序的检查验收
同意进行下
道工序施工
填写完善检查
记录表/存档备查
6.工作程序:
6.1.管理要求
6.1.1.工程质量关键工序分类与设立规定如下:序号关键工序(土建)检查项目
1基础底板钢筋
基坑安全、桩的连接、防水层做法、钢筋品种规格和质量、钢筋形状和连接构造、间距和绑扎质量、保护层厚度、现场清理和排水、止水带止水钢板等节点构造、大体积混凝土浇筑方案和浇筑线路、温控措施。
2土方回填基层处理、防水材料质量、施工质量及节点做法、防水保护层、基槽清理和排水、回填土质、分层厚度、压实情况
3主体结构检查首标层、每十层标准层及屋面层
模板尺寸和平整度、钢筋的品牌、规格、尺寸、间距、连接构造、绑扎质量、保护层、插筋、预埋件、模板垃圾清理
4屋面瓦工程材料质量、基层、干湿结合和钉挂结合工艺(无天沟的为整个坡屋面;有天沟的为天沟下方瓦屋面)、屋面和立面的连接构造、天沟的防水质量
5门窗工程材料质量、加工质量和尺寸偏差、上下一线、后塞法工艺、防水处理、固定件和连接方式、塞缝和发泡的密实度、收口和密封
6外保温工程材料质量、防火等级、基层处理、粘贴方式和粘贴率、锚固件数量、平整度、抗裂胶浆施工方式(道数)、抗裂层厚度
7淋水和闭水试验淋水试验供水情况、管材、喷淋孔大小和间距、安装角度、喷淋管长度和覆盖情况、淋水闭水时间、漏点的整改方案
8景观堆坡造型叠图管理、路基处理、种植土质量、厚度、坡比幅度、对首层用户采光的影响、排水
序号关键工序(精装修)检查项目
1水电管(包含净水管道、煤
气管道)施工
水电管施工,煤气管道施工,水管试压,防水层施工及验收
2卫生间、阳台墙地砖铺贴,
地面防水施工
厨房、阳台、卫生间地面防水层盛水试验及验收
3吊顶及地龙骨等施工厨房、卫生间、走廊吊顶龙骨施工及隐蔽验收,室内地龙骨防腐处理及施工,通电试验,浴缸安装及墙砖收头处理(留检修口)和浴缸成品保护、浴缸盛水验收,卫生间(厨房)盛水试验及验收
4安装毛地板、阳台栏杆及扶
手
毛地板防腐处理及铺设
5竖向木结构封板、分户门、
橱柜、空调及栏板等安装
橱柜淋浴房安装及成品保护
6公用部位地砖/大理石镶贴室内卫生洁具、小五金安装及成品保护7分户查验、整改施工单位整改合格后物业复查
8空气检测、竣工验收、物业
移交
移交物业
6.1.2.工程质量关键工序的检查方式、频次、检查内容要求详见附件一、二。
6.1.3.上述各类工程质量关键工序以及相应管理要求需列入招标文件。
6.1.4.项目工程部可根据项目工程自身特点及管控要求编制
《关键工序清单》,设立的关键工序数量及检查频率不得少于附件1、2中所要求的关键工序数量及检查频次。
6.1.5.在项目的月、周工作计划中,应将涉及的关键工序作为专项列入计划中。
6.1.6.项目工程部负责组织检查,项目工程经理为第一责任人。
检查结论限于通过、不通过两种。
不通过
的,指明需整改内容,要求施工单位整改。
施工单位整改后重新上报项目工程部复查直至通过。
6.1.7.《工程关键工序检查记录表》(附件2)需经各方会签,并存档备查。
6.1.8.关键工序的检查验收不能取代隐蔽工程验收,在有重复的检查项时,可以合并一次检查,但应分别填
写《关键工序检查记录表》与《隐蔽验收记录》。
6.1.9.前一工程关键工序未通过,工程实施不得进入下一阶段。
7.附件
7.1.附件一:《关键工序清单》
7.2.附件二:《关键工序检查记录表》
7.3.附件三:《关键工序报验申请表》
8.支持性文件及关联文件无
9.附则
9.1.本作业指引由集团运营管理中心工程管理部负责解释,由集团签发之日起执行。