美标阀门的结构型式表介绍
- 格式:doc
- 大小:326.01 KB
- 文档页数:10
美标阀门型号编制方法,美标阀门型号大全美标阀门主要有API和ASME标准,ASTM,ASTM是材料标准;按美国标准设计,制造,生产、检测的阀门叫做美标阀门。
美标阀门一般都是采用英寸表示,例:Flanged Globe Valve150#RF,GLOBE VAvle球形阀,150#RF为压力等级150磅约合PN2.5MPa凸面法兰,前面的FLange表示为法兰式即为法兰连接,例如8"150#表示8寸150磅即DN200PN2.5MPa法兰对应美标是flange8“CL150#RF如果是DN80则是3"。
美标阀门型号编制大全:注*:只有“连接型式”中为BW时才有此项①美标阀门类别代号:代号类别及应用标准代号类别Z闸阀/GATE VALVE H止回阀/CHECK VALVE(API600/API602/API603)(API600M/API602M./API603M/API594)截止阀/GLOBE VALVEJN针型阀/NEEDLE GLOBE VALVE(API602M) (API600M/API602M/API603M)Y仪表测压阀(API602M)注:每个阀门采用什么标准由“结构型式”确定。
②美标阀门压力等级代号:代压力等级应用垫片应用螺栓/螺母号CL(磅(最低要求)(最低要求)PN(公制)制)1 1.0石棉垫片35#/25#;35CrMoA/35#1a1.0石棉垫片35#/25#;35CrMoA/35#2 2.0150石棉垫片,缠绕垫片35#/25#;35CrMoA/35#2a1.6石棉垫片,缠绕垫片35#/25#;35CrMoA/35#3 5.0300缠绕垫片35CrMoA/35#;25Cr2MoVA/35CrMo;0Cr18Ni9/0Cr18Ni93a2.5缠绕垫片35CrMoA/35#;25Cr2MoVA/35CrMo;0Cr18Ni9/0Cr18Ni94 6.8400缠绕垫片35CrMoA/35#;25Cr2MoVA/35CrMo;0Cr18Ni9/0Cr18Ni94a4.0缠绕垫片35CrMoA/35#;25Cr2MoVA/35CrMo;(MF)0Cr18Ni9/0Cr18Ni9510.0600缠绕垫片,八角形金属垫片35CrMoA/35#;25Cr2MoVA/35CrMo;/OCTAGON TYPERING0Cr18Ni9/0Cr18Ni95a6.3600缠绕垫片,35CrMoA/35#;25Cr2MoVA/35CrMo;(MF)0Cr18Ni9/0Cr18Ni96800缠绕垫片35CrMoA/35#;25Cr2MoVA/35CrMo;0Cr18Ni9/0Cr18Ni9715.0900八角形金属垫片/OCTAGON TYPE ASTM A194B7/A1942H;ASTM A194RING(或缺省)B16/A1944;ASTM A453660A/A1948C825.01500八角形金属垫片/OCTAGON TYPE ASTM A194B7/A1942H;ASTM A194RING(或缺省)B16/A1944;ASTM A453660A/A1948C942.02500八角形金属垫片/OCTAGON TYPE ASTM A194B7/A1942H;ASTM A194RING(或缺省)B16/A1944;ASTM A453660A/A1948CA CL150-CL800BC注:¬每个阀门选用何种材料的垫片和螺栓、螺母由“阀体材料”确定。
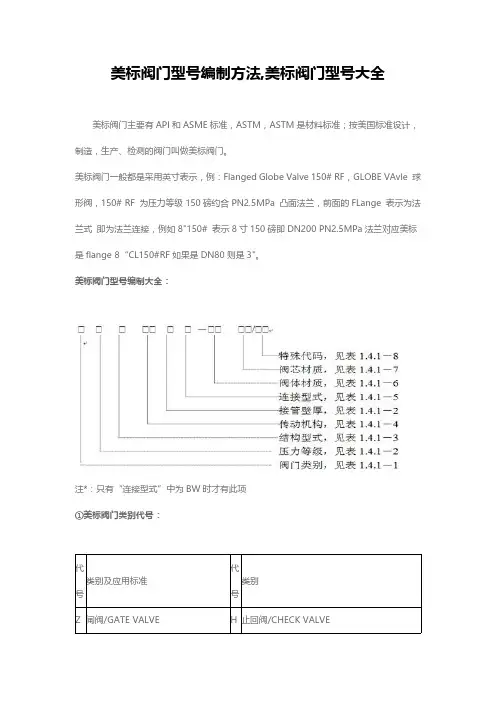
1.4阀门及小型设备代号解释1.4.1闸阀(GATE VALVE)、截止阀(GLOBE VALVE)止回阀(CHECK VALVE)、针型阀(NEEDLE GLOBE VALVE) - / 特殊代码(3位)见表1.4.1-8阀芯材质,见表1.4.1-7阀体材质,见表1.4.1-6连接型式,见表1.4.1-5接管壁厚,见表1.2.1-2*传动机构,见表1.4.1-4结构型式,见表1.4.1-3压力等级,见表1.4.1-2阀门类别,见表1.4.1-1 注*:只有“连接型式”中为BW时才有此项注:每个阀门采用什么标准由“结构型式”确定。
对CL900.1500.2500三个等级的阀门,一般采用压力密封阀盖,此时“阀盖垫片”和“阀盖螺栓”项缺省。
等级1a、2a、3a、4a、5a适用于JB标准阀门。
注: 如果阀门的结构型式为“2”、“8”和“9”,即阀盖为压力密封阀盖,则该表中的“阀盖垫片材料”和“阀盖螺栓材料”栏缺省。
如果阀门的结构型式为“5”,则该表中的“阀杆填料”栏缺省。
表1.4.1-8,特殊代码1.4.2球阀(BALL VALVE)特殊代码(3位)见表1.4.1-8阀芯材质,见表1.4.2-2阀体材质,见表1.4.1-6连接型式,见表1.4.1-5接管壁厚,见表1.2.1-2*传动机构,见表1.4.1-4结构型式,见表1.4.2-1压力等级,见表1.4.1-2阀门类别:球阀/BALL VALVE,代号-Q1.4.3 旋塞阀(PLUG VALVE)阀芯材质,见表1.4.3-2阀体材质,见表1.4.1-6连接型式,见表1.4.1-5接管壁厚,见表1.2.1-2*传动机构,见表1.4.1-4结构型式,见表1.4.3-1压力等级,见表1.4.1-2阀门类别:旋塞阀/PLUG VALVE,代号-P1.4.4 蝶阀(BUTTERFLY VALVE)阀芯材质,见表1.4.4-2阀体材质,见表1.4.1-6连接型式,见表1.4.1-5接管壁厚,见表1.2.1-2*传动机构,见表1.4.1-4结构型式,见表1.4.4-1压力等级,见表1.4.1-2阀门类别:蝶阀/BUTTERFLY VALVE,代号-D1.4.5 疏水阀(STEAM TRAP VALVE)阀芯材质,见表1.4.5-2阀体材质,见表1.4.1-6连接型式,见表1.4.1-5结构型式,见表1.4.5-1压力等级,见表1.4.1-2阀门类别:疏水阀/STEAM TRAP VALVE,代号-S1.4.6 过滤器(STRAINER)阀体材质,见表1.2.1-3连接型式,见表1.4.1-5接管壁厚,见表1.2.1-2*结构型式,见表1.4.6-1压力等级,见表1.3.1-2阀门类别:过滤器(STRAINER),代号-T阀芯材质一般为3041.4.7视镜(SIGHT GLASS)阀体材质,见表1.2.1-3连接型式,见表1.4.1-5接管壁厚,见表1.2.1-2*结构型式,见表1.4.7-1压力等级,见表1.3.1-2阀门类别:视镜(SIGHT GLASS),代号-G1.4.8仪表测压阀(Y)接管材质,见表1.4.8-3阀芯材质,见表1.4.1阀体材质,见表1.2.1-3近主管接管长度,见表1.4.8-2接管壁厚,见表1.2.1-2压力等级,见表1.3.1-2主阀类型,见表1.4.8-1阀门类别:仪表测压阀,代号-Y。
实用文档1.4阀门及小型设备代号解释1.4.1闸阀(GATE VALVE)、截止阀(GLOBE VALVE)止回阀(CHECK VALVE)、针型阀(NEEDLE GLOBE VALVE) - / 特殊代码(3位)见表1.4.1-8阀芯材质,见表1.4.1-7阀体材质,见表1.4.1-6连接型式,见表1.4.1-5接管壁厚,见表1.2.1-2*传动机构,见表1.4.1-4结构型式,见表1.4.1-3压力等级,见表1.4.1-2阀门类别,见表1.4.1-1 注*:只有“连接型式”中为BW时才有此项↑对CL900.1500.2500三个等级的阀门,一般采用压力密封阀盖,此时“阀盖垫片”和“阀盖螺栓”项缺省。
→等级1a、2a、3a、4a、5a适用于JB标准阀门。
注:←如果阀门的结构型式为“2”、“8”和“9”,即阀盖为压力密封阀盖,则该表中的“阀盖垫片材料”和“阀盖螺栓材料”栏缺省。
↑如果阀门的结构型式为“5”,则该表中的“阀杆填料”栏缺省。
表1.4.1-8,特殊代码1.4.2球阀(BALL VALVE)特殊代码(3位)见表1.4.1-8阀芯材质,见表1.4.2-2阀体材质,见表1.4.1-6连接型式,见表1.4.1-5接管壁厚,见表1.2.1-2*传动机构,见表1.4.1-4结构型式,见表1.4.2-1压力等级,见表1.4.1-2阀门类别:球阀/BALL VALVE,代号-Q1.4.3 旋塞阀(PLUG VALVE)阀芯材质,见表1.4.3-2阀体材质,见表1.4.1-6连接型式,见表1.4.1-5接管壁厚,见表1.2.1-2*传动机构,见表1.4.1-4结构型式,见表1.4.3-1压力等级,见表1.4.1-2阀门类别:旋塞阀/PLUG VALVE,代号-P1.4.4 蝶阀(BUTTERFLY VALVE)阀芯材质,见表1.4.4-2阀体材质,见表1.4.1-6连接型式,见表1.4.1-5接管壁厚,见表1.2.1-2*传动机构,见表1.4.1-4结构型式,见表1.4.4-1压力等级,见表1.4.1-2阀门类别:蝶阀/BUTTERFLY VALVE,代号-D1.4.5 疏水阀(STEAM TRAP VALVE)阀芯材质,见表1.4.5-2阀体材质,见表1.4.1-6连接型式,见表1.4.1-5结构型式,见表1.4.5-1压力等级,见表1.4.1-2阀门类别:疏水阀/STEAM TRAP VALVE,代号-S1.4.6 过滤器(STRAINER)阀体材质,见表1.2.1-3连接型式,见表1.4.1-5接管壁厚,见表1.2.1-2*结构型式,见表1.4.6-1压力等级,见表1.3.1-2阀门类别:过滤器(STRAINER),代号-T 阀芯材质一般为3041.4.7视镜(SIGHT GLASS)阀体材质,见表1.2.1-3连接型式,见表1.4.1-5接管壁厚,见表1.2.1-2*结构型式,见表1.4.7-1压力等级,见表1.3.1-2阀门类别:视镜(SIGHT GLASS),代号-G 注*:只有“连接型式”中为BW时才有此项1.4.8仪表测压阀(Y)接管材质,见表1.4.8-3阀芯材质,见表1.4.1阀体材质,见表1.2.1-3近主管接管长度,见表1.4.8-2接管壁厚,见表1.2.1-2压力等级,见表1.3.1-2主阀类型,见表1.4.8-1阀门类别:仪表测压阀,代号-Y。
【最新整理,下载后即可编辑】1.4阀门及小型设备代号解释1.4.1闸阀(GATE VALVE)、截止阀(GLOBE VALVE)止回阀(CHECK VALVE)、针型阀(NEEDLE GLOBE VALVE) - / 特殊代码(3位)见表1.4.1-8阀芯材质,见表1.4.1-7阀体材质,见表1.4.1-6连接型式,见表1.4.1-5接管壁厚,见表1.2.1-2*传动机构,见表1.4.1-4结构型式,见表1.4.1-3压力等级,见表1.4.1-2阀门类别,见表1.4.1-1 注*:只有“连接型式”中为BW时才有此项表1.4.1-1,阀门类别表1.4.1-2, 压力等级注: 每个阀门选用何种材料的垫片和螺栓、螺母由“阀体材料”确定。
对CL900.1500.2500三个等级的阀门,一般采用压力密封阀盖,此时“阀盖垫片”和“阀盖螺栓”项缺省。
等级1a、2a、3a、4a、5a适用于JB标准阀门。
表1.4.1-3,结构型式表1.4.1-4,传动机构表1.4.1-6,阀体材质/BODY MATERIAL表1.4.1-6,阀体材质(续)/BODY MATERIAL(CONTINUE)表1.4.1-6,阀体材质(续)/BODY MATERIAL(CONTIUE)注: 如果阀门的结构型式为“2”、“8”和“9”,即阀盖为压力密封阀盖,则该表中的“阀盖垫片材料”和“阀盖螺栓材料”栏缺省。
如果阀门的结构型式为“5”,则该表中的“阀杆填料”栏缺省。
表1.4.1-7,阀芯材质表1.4.1-8,特殊代码1.4.2球阀(BALL VALVE ) - / -------特殊代码(3位)见表1.4.1-8阀芯材质,见表1.4.2-2 阀体材质,见表1.4.1-6 连接型式,见表1.4.1-5 接管壁厚,见表1.2.1-2* 传动机构,见表1.4.1-4 结构型式,见表1.4.2-1 压力等级,见表1.4.1-2 阀门类别:球阀/BALL VALVE ,代号-Q注*:只有“连接型式”中为BW 时才有此项表1.4.2-1,结构型式表1.4.2-2,阀芯材质表1.4.2-2,阀芯材质(续)1.4.3 旋塞阀(PLUG VALVE) - 阀芯材质,见表1.4.3-2 阀体材质,见表1.4.1-6 连接型式,见表1.4.1-5 接管壁厚,见表1.2.1-2* 传动机构,见表1.4.1-4 结构型式,见表1.4.3-1 压力等级,见表1.4.1-2 阀门类别:旋塞阀/PLUG VALVE ,代号-P注*:只有“连接型式”中为BW 时才有此项表1.4.3-1,结构型式表1.4.3-2,阀芯材质1.4.4 蝶阀(BUTTERFLY VALVE) - 阀芯材质,见表1.4.4-2 阀体材质,见表1.4.1-6 连接型式,见表1.4.1-5接管壁厚,见表1.2.1-2*传动机构,见表1.4.1-4结构型式,见表1.4.4-1压力等级,见表1.4.1-2阀门类别:蝶阀/BUTTERFLY VALVE,代号-D注*:只有“连接型式”中为BW时才有此项表1.4.4-1,结构型式表1.4.4-2,阀芯材质1.4.5 疏水阀(STEAM TRAP VALVE)- 阀芯材质,见表1.4.5-2阀体材质,见表1.4.1-6连接型式,见表1.4.1-5结构型式,见表1.4.5-1 压力等级,见表1.4.1-2 阀门类别:疏水阀/STEAM TRAP VALVE ,代号-S表1.4.5-1,结构型式 表1.4.5-2,阀芯材质1.4.6 过滤器(STRAINER)- 阀体材质,见表1.2.1-3连接型式,见表1.4.1-5接管壁厚,见表1.2.1-2*结构型式,见表1.4.6-1压力等级,见表1.3.1-2阀门类别:过滤器(STRAINER),代号-T注*:只有“连接型式”中为BW时才有此项阀芯材质一般为304。
1.美标阀门和国标阀门的区别介绍国标阀门公称直径的单位为mm,美标阀门公称直径的单位为in(英寸),还有就是对法兰的要求。
按照美国标准设计,制造,生产、检测的阀门,美国标准很多成为世界标准,国标很多都剽窃美国标准,阀门这块ASTM 材料标准;ASME 压力设计制造标准;API 阀门制造,设计,生产,检测标准,主要应用与石油化工行业;MSS 通用阀门的系列标准;ANSI 美国国标;ISO 国际标准。
大的项目都采用美标。
采购时强调美标阀门,买国产阀门怕跟美标不匹配,所以采购时强调是美标阀门,管你国产还是美国产,无所谓,重要的是标准和质量。
美标安全阀门的主要参数公称通径:NPS(in) 1/2" - 12"压力级:CLASS 150 - 600适用介质及温度:液体,气体≤300℃硝酸类,醋酸类气体≤200℃蒸气≤550℃安全阀是为了防止压力设备和容器或易引起压力升高或容器内部压力超过限度而发生爆裂的安全装置。
安全阀是压力容器、锅炉、压力管道等压力系统使用广泛的一种安全装置,保证压力系统安全运行。
当容器压力超过设计规定时,安全阀自动开启,排出气体降低器内的过高压,防止容器或管线破坏。
而当容器内的压力降至正常操作压力时,即自动关闭避免因容器超压排出全部气体,从而造成浪费和生产中断。
安全阀主要由阀座、阀瓣(阀芯)和加载机构三部分组成。
阀座有的和阀体是一个整体,有的是和阀体组装在一起的,它与设备连通。
阀瓣常连带有阀杆,它紧扣在阀座上。
阀瓣上面是加载机构,载荷的大小可以调节。
当设备内的压力在一定的工作压力范围之内时,内部介质作用于阀瓣上面的力小于加载机构加在阀上面的力,两者之差构成阀瓣与阀座之间的密封力,使阀瓣紧压着阀座,设备的介质无法排出。
当设备内的压力超过规定的工作压力并达到安全阀的开启压力时,内部介质作用于闹瓣上面的力大于加载机构施加在它上面的力,于是阀瓣离开阀座,安全阀开启,设备内的介质即通过阀座排出、如果安全阀的排量大于设备的安全泄放量,设备内压力即逐渐下降,而且通过短时间的排气后,压力即降回至正常工作压力。
阀门及小型设备代号解释1.4.1闸阀(GATE VALVE)、截止阀(GLOBE VALVE)止回阀(CHECK VALVE)、针型阀(NEEDLE GLOBE VALVE)???????-????/??特殊代码(3位)见表1.4.1-8阀芯材质,见表1.4.1-7阀体材质,见表1.4.1-6连接型式,见表1.4.1-5接管壁厚,见表1.2.1-2*传动机构,见表1.4.1-4结构型式,见表1.4.1-3压力等级,见表1.4.1-2阀门类别,见表1.4.1-1 注*:只有“连接型式”中为BW时才有此项注:每个阀门采用什么标准由“结构型式”确定。
?对三个等级的阀门,一般采用压力密封阀盖,此时“阀盖垫片”和“阀盖螺栓”项缺省。
?等级1a、2a、3a、4a、5a适用于JB标准阀门。
注:?如果阀门的结构型式为“2”、“8”和“9”,即阀盖为压力密封阀盖,则该表中的“阀盖垫片材料”和“阀盖螺栓材料”栏缺省。
?如果阀门的结构型式为“5”,则该表中的“阀杆填料”栏缺省。
表1.4.1-8,特殊代码3位)见表1.4.1-8阀芯材质,见表1.4.2-2阀体材质,见表1.4.1-6连接型式,见表1.4.1-5接管壁厚,见表1.2.1-2*传动机构,见表1.4.1-4结构型式,见表1.4.2-1压力等级,见表1.4.1-2阀门类别:球阀/BALL VALVE,代号-Q1.4.3 旋塞阀(PLUG VALVE)阀芯材质,见表1.4.3-2阀体材质,见表1.4.1-6连接型式,见表1.4.1-5接管壁厚,见表1.2.1-2*传动机构,见表1.4.1-4结构型式,见表1.4.3-1压力等级,见表1.4.1-2阀门类别:旋塞阀/PLUG VALVE,代号-P1.4.4 蝶阀(BUTTERFLY VALVE)阀芯材质,见表1.4.4-2阀体材质,见表1.4.1-6连接型式,见表1.4.1-5接管壁厚,见表1.2.1-2*传动机构,见表1.4.1-4结构型式,见表1.4.4-1压力等级,见表1.4.1-2阀门类别:蝶阀/BUTTERFLY VALVE,代号-D1.4.5 疏水阀(STEAM TRAP VALVE)阀芯材质,见表1.4.5-2阀体材质,见表1.4.1-6连接型式,见表1.4.1-5结构型式,见表1.4.5-1压力等级,见表1.4.1-2阀门类别:疏水阀/STEAM TRAP VALVE,代号-S1.4.6 过滤器(STRAINER)阀体材质,见表1.2.1-3连接型式,见表1.4.1-5接管壁厚,见表1.2.1-2*结构型式,见表1.4.6-1压力等级,见表1.3.1-2阀门类别:过滤器(STRAINER),代号-T阀芯材质一般为3041.4.7视镜(SIGHT GLASS)阀体材质,见表1.2.1-3连接型式,见表1.4.1-5接管壁厚,见表1.2.1-2*结构型式,见表1.4.7-1压力等级,见表1.3.1-2阀门类别:视镜(SIGHT GLASS),代号-G1.4.8仪表测压阀(Y)接管材质,见表1.4.8-3阀芯材质,见表1.4.1阀体材质,见表1.2.1-3近主管接管长度,见表1.4.8-2接管壁厚,见表1.2.1-2压力等级,见表1.3.1-2主阀类型,见表1.4.8-1阀门类别:仪表测压阀,代号-Y。
美标阀门型号说明1.4阀门及小型设备代号解释GATE VALVE)、截止阀(GLOBE VALVE) 1.4.1闸阀(止回阀(CHECK VALVE)、针型阀(NEEDLE GLOBE VALVE), /特殊代码(3位)见表1.4.1-8阀芯材质,见表1.4.1,7阀体材质,见表1.4.1,6连接型式,见表1.4.1,5接管壁厚,见表1.2.1,2*传动机构,见表1.4.1,4结构型式,见表1.4.1,3压力等级,见表1.4.1,2阀门类别,见表1.4.1,1注*:只有“连接型式”中为BW时才有此项表1.4.1,1,阀门类别代号类别及应用标准代号类别止回阀/CHECK VALVE 闸阀/GATE VALVE (API600/API602/API603) Z H (API600M/API602M./API603M/API594)截止阀/GLOBE VALVE 针型阀/NEEDLE GLOBE VALVE (API602M) J N (API600M/API602M/API603M)仪表测压阀(API602M) Y注:每个阀门采用什么标准由“结构型式”确定。
表1.4.1,2, 压力等级代号压力等级应用垫片应用螺栓/螺母PN(公制) CL(磅制) (最低要求) (最低要求)石棉垫片 1 1.0 35#/25#;35CrMoA/35#石棉垫片 1a 1.0 35#/25#;35CrMoA/35#石棉垫片,缠绕垫片 2 2.0 150 35#/25#;35CrMoA/35#石棉垫片,缠绕垫片 2a 1.6 35#/25#;35CrMoA/35#缠绕垫片 3 5.0 300 35CrMoA/35#;25Cr2MoVA/35CrMo;0Cr18Ni9/0Cr18Ni9缠绕垫片 3a 2.5 35CrMoA/35#;25Cr2MoVA/35CrMo;0Cr18Ni9/0Cr18Ni9缠绕垫片 4 6.8 400 35CrMoA/35#;25Cr2MoVA/35CrMo;0Cr18Ni9/0Cr18Ni9缠绕垫片 4a 4.0 35CrMoA/35#;25Cr2MoVA/35CrMo;(MF) 0Cr18Ni9/0Cr18Ni9缠绕垫片,八角形金属垫片 5 10.0 600 35CrMoA/35#;25Cr2MoVA/35CrMo;/OCTAGON TYPE RING 0Cr18Ni9/0Cr18Ni9缠绕垫片, 5a 6.3 600 35CrMoA/35#;25Cr2MoVA/35CrMo;(MF) 0Cr18Ni9/0Cr18Ni9缠绕垫片 6 800 35CrMoA/35#;25Cr2MoVA/35CrMo;0Cr18Ni9/0Cr18Ni9ASTM A194 B7/A194 2H;ASTM A194 八角形金属垫片/OCTAGON TYPE 7 15.0 900B16/A194 4;ASTM A453 660A/A194 8C RING(或缺省)ASTM A194 B7/A194 2H;ASTM A194 八角形金属垫片/OCTAGON TYPE 8 25.0 1500B16/A194 4;ASTM A453 660A/A194 8C RING(或缺省)ASTM A194 B7/A194 2H;ASTM A194 八角形金属垫片/OCTAGON TYPE 9 42.0 2500B16/A194 4;ASTM A453 660A/A194 8C RING(或缺省)CL150-CL A 800 B管道等级表编制说明C注: 每个阀门选用何种材料的垫片和螺栓、螺母由“阀体材料”确定。
阀门及小型设备代号解释1.4.1闸阀(GATE VALVE)、截止阀(GLOBE VALVE)止回阀(CHECK VALVE)、针型阀(NEEDLE GLOBE VALVE)???????-????/??特殊代码(3位)见表1.4.1-8阀芯材质,见表1.4.1-7阀体材质,见表1.4.1-6连接型式,见表1.4.1-5接管壁厚,见表1.2.1-2*传动机构,见表1.4.1-4结构型式,见表1.4.1-3压力等级,见表1.4.1-2阀门类别,见表1.4.1-1 注*:只有“连接型式”中为BW时才有此项注:每个阀门采用什么标准由“结构型式”确定。
?对三个等级的阀门,一般采用压力密封阀盖,此时“阀盖垫片”和“阀盖螺栓”项缺省。
?等级1a、2a、3a、4a、5a适用于JB标准阀门。
注:?如果阀门的结构型式为“2”、“8”和“9”,即阀盖为压力密封阀盖,则该表中的“阀盖垫片材料”和“阀盖螺栓材料”栏缺省。
?如果阀门的结构型式为“5”,则该表中的“阀杆填料”栏缺省。
表1.4.1-8,特殊代码3位)见表1.4.1-8阀芯材质,见表1.4.2-2阀体材质,见表1.4.1-6连接型式,见表1.4.1-5接管壁厚,见表1.2.1-2*传动机构,见表1.4.1-4结构型式,见表1.4.2-1压力等级,见表1.4.1-2阀门类别:球阀/BALL VALVE,代号-Q1.4.3 旋塞阀(PLUG VALVE)阀芯材质,见表1.4.3-2阀体材质,见表1.4.1-6连接型式,见表1.4.1-5接管壁厚,见表1.2.1-2*传动机构,见表1.4.1-4结构型式,见表1.4.3-1压力等级,见表1.4.1-2阀门类别:旋塞阀/PLUG VALVE,代号-P1.4.4 蝶阀(BUTTERFLY VALVE)阀芯材质,见表1.4.4-2阀体材质,见表1.4.1-6连接型式,见表1.4.1-5接管壁厚,见表1.2.1-2*传动机构,见表1.4.1-4结构型式,见表1.4.4-1压力等级,见表1.4.1-2阀门类别:蝶阀/BUTTERFLY VALVE,代号-D1.4.5 疏水阀(STEAM TRAP VALVE)阀芯材质,见表1.4.5-2阀体材质,见表1.4.1-6连接型式,见表1.4.1-5结构型式,见表1.4.5-1压力等级,见表1.4.1-2阀门类别:疏水阀/STEAM TRAP VALVE,代号-S1.4.6 过滤器(STRAINER)阀体材质,见表1.2.1-3连接型式,见表1.4.1-5接管壁厚,见表1.2.1-2*结构型式,见表1.4.6-1压力等级,见表1.3.1-2阀门类别:过滤器(STRAINER),代号-T阀芯材质一般为3041.4.7视镜(SIGHT GLASS)阀体材质,见表1.2.1-3连接型式,见表1.4.1-5接管壁厚,见表1.2.1-2*结构型式,见表1.4.7-1压力等级,见表1.3.1-2阀门类别:视镜(SIGHT GLASS),代号-G1.4.8仪表测压阀(Y)接管材质,见表1.4.8-3阀芯材质,见表1.4.1阀体材质,见表1.2.1-3近主管接管长度,见表1.4.8-2接管壁厚,见表1.2.1-2压力等级,见表1.3.1-2主阀类型,见表1.4.8-1阀门类别:仪表测压阀,代号-Y。
1.4阀门及小型设备代号解释1.4.1闸阀(GATE VALVE)、截止阀(GLOBE VALVE)止回阀(CHECK VALVE)、针型阀(NEEDLE GLOBE VALVE) - / 特殊代码(3位)见表1.4.1-8阀芯材质,见表1.4.1-7阀体材质,见表1.4.1-6连接型式,见表1.4.1-5接管壁厚,见表1.2.1-2*传动机构,见表1.4.1-4结构型式,见表1.4.1-3压力等级,见表1.4.1-2阀门类别,见表1.4.1-1 注*:只有“连接型式”中为BW时才有此项注:每个阀门采用什么标准由“结构型式”确定。
注: 每个阀门选用何种材料的垫片和螺栓、螺母由“阀体材料”确定。
对CL900.1500.2500三个等级的阀门,一般采用压力密封阀盖,此时“阀盖垫片”和“阀盖螺栓”项缺省。
等级1a、2a、3a、4a、5a适用于JB标准阀门。
注: 如果阀门的结构型式为“2”、“8”和“9”,即阀盖为压力密封阀盖,则该表中的“阀盖垫片材料”和“阀盖螺栓材料”栏缺省。
如果阀门的结构型式为“5”,则该表中的“阀杆填料”栏缺省。
表1.4.1-8,特殊代码1.4.2球阀(BALL VALVE)特殊代码(3位)见表1.4.1-8阀芯材质,见表1.4.2-2阀体材质,见表1.4.1-6连接型式,见表1.4.1-5接管壁厚,见表1.2.1-2*传动机构,见表1.4.1-4结构型式,见表1.4.2-1压力等级,见表1.4.1-2阀门类别:球阀/BALL VALVE,代号-Q1.4.3 旋塞阀(PLUG VALVE)阀芯材质,见表1.4.3-2阀体材质,见表1.4.1-6连接型式,见表1.4.1-5接管壁厚,见表1.2.1-2*传动机构,见表1.4.1-4结构型式,见表1.4.3-1压力等级,见表1.4.1-2阀门类别:旋塞阀/PLUG VALVE,代号-P1.4.4 蝶阀(BUTTERFLY VALVE)阀芯材质,见表1.4.4-2阀体材质,见表1.4.1-6连接型式,见表1.4.1-5接管壁厚,见表1.2.1-2*传动机构,见表1.4.1-4结构型式,见表1.4.4-1压力等级,见表1.4.1-2阀门类别:蝶阀/BUTTERFLY VALVE,代号-D1.4.5 疏水阀(STEAM TRAP VALVE)阀芯材质,见表1.4.5-2阀体材质,见表1.4.1-6连接型式,见表1.4.1-5结构型式,见表1.4.5-1压力等级,见表1.4.1-2阀门类别:疏水阀/STEAM TRAP VALVE,代号-S1.4.6 过滤器(STRAINER)阀体材质,见表1.2.1-3连接型式,见表1.4.1-5接管壁厚,见表1.2.1-2*结构型式,见表1.4.6-1压力等级,见表1.3.1-2阀门类别:过滤器(STRAINER),代号-T阀芯材质一般为304。
美国阀门知识(美标阀门)Valve Knowledge一、阀门结构种类、材质、认证Valve Design, Materials, and Approvals阀门结构种类Valve Design Choices1. 多回转阀门1. Multi-Turna) 闸阀a) Gateb) 截止阀/角-截止阀b) Globe/Angle-Globe2. 90o回转阀门2. Quarter-Turna) 球阀a) Ballb) 蝶阀-弹性阀座b) Butterfly-resilient seated3. 止回阀(阻止倒流)3. Check (backflow prevention)a) 旋启式a) Swingb) 升降式b) Liftc) 弹簧驱动式c) Spring-actuated4. 连接端口4. End connections材质Materials1. 青铜(压力150 psi下温度可达287oC;温度65oC下压力可达600 psi),通径范围:DN8至DN801. Bronze (up to 550°F at 150 psi/up to 600 psi at 150°F) 1/4"-3"2. 铸铁(压力250 psi下温度可达232oC;温度37oC下压力可达500 psi),通径范围:DN50至DN6002. Cast Iron (up to 450°F at 250 psi/up to 500 psi at 100°F) 2"-24"3. 球墨铸铁(压力125 psi下温度可达343oC;温度37oC下压力可达600 psi),通径范围:DN50至DN3003. Ductile Iron (up to 650°F at 125 psi/up to 600 psi at 100°F) 2"-12"4. 不锈钢(压力125 psi下温度可达343oC;温度37oC下压力可高达2000 psi),通径范围:DN8至DN3004. Stainless Steel (up to 650°F at 125 psi/up to 2000 psi at 100°F) 1/4"-12"认证Approvals1. 美国阀门和管件制造商标准化协会(MSS)1. Manufacturers Standardization Society (MSS)2. 消防安全认证(UL®和FM)2. Fire protection (UL® and FM)3. 州立标准和地方标准3. State and local codes.二、阀门选型、功能,及管道系统的主要因素Function and service considerations选型Selection在建筑物管道系统中,阀门起着控制流体的作用。
1.4阀门及小型设备代号解释
1.4.1闸阀(GATEVALVE)、截止阀(GLOBEVALVE)
止回阀(CHECKVALVE)、针型阀(NEEDLEGLOBEVALVE)???????-????/??
特殊代码(3位)见表1.4.1-8 阀芯材质,见表1.4.1-7
阀体材质,见表1.4.1-6
连接型式,见表1.4.1-5
1.2.1-2*
仅供个人学习参考
仅供个人学习参考
仅供个人学习参考
仅供个人学习参考
仅供个人学习参考
注: 如果阀门的结构型式为“2”、“8”和“9”,即阀盖为压力密封阀盖,则该表中的“阀盖垫片材料”和“阀盖螺栓材料”栏缺省。
如果阀门的结构型式为“5”,则该表中的“阀杆填料”栏缺省。
表1.4.1-7,阀芯材质
仅供个人学习参考
仅供个人学习参考
1.4.2球阀(BALLVALVE )
1.4.1-8
仅供个人学习参考
????-????
仅供个人学习参考
阀芯材质,见表1.4.5-
2 阀体材质,见表1.4.1-6 连接型式,见表1.4.1-5 结构型式,见表1.4.5-1 压力等级,见表1.4.1-2
阀门类别:疏水阀/STEAMTRAPVALVE ,代号-S 注*:当网眼的目数变化时,仅改变其目数即可。
一般为30目。
仅供个人学习参考
仅供个人学习参考。
美标不锈钢球阀(BALL VALVE)表1.4.2-1,美标不锈钢球阀结构型式代号结构型式结构型式解释应用标准结构长度标准拴联阀体,全通径,对分式,固定球1 BB-F-2P-NB BOLTED BODY,FULL PORT,SPLIT BODY, API608 API608NON-MOVING BALL拴联阀体,全通径,对分式,浮动球2 BB-F-2P-MB BOLTED BODY,FULL PORT,SPLIT BODY, API608 API608MOVING BALL拴联阀体,全通径,三块式,固定球3 BB-F-3P-NB BOLTED BODY,FULL PORT,THREEPIECESAPI608 API608BODY,NON-MOVING BALL拴联阀体,全通径,三块式,浮动球4 BB-F-3P-MB BOLTED BODY,FULL PORT,THREEPIECESAPI608 API608BODY,MOVING BALL拴联阀体,全通径,顶装式,固定球5 BB-F-TE-NB BOLTED BONNET,FULL PORT,TOPENTRY,API608 API608NON-MOVING BALL拴联阀体,全通径,顶装式,浮动球6 BB-F-TE-MB BOLTED BONNET,FULL PORT,TOPENTRY,API608 API608,MOVING BALL拴联阀体,全通径,顶装式,整体斜面,弹簧复位。
7 BB-F-TE-YHQ BOLTED BONNET,FULL PORT,TOPENTRY, API608* 浙江省玉环化工,SLOPE SEAT,PRESS WITH SPRING 仪表配件厂厂标8 (自定义)(自定义)API608* API608*9VEE-BALL TYPE(自定义)API608*API608*Q BB-F-TE-OT 撑开式球面API608* API608* H BB-F-3P-MB氢压机氢压机球阀API608* API608*表1.4.2-2,美标不锈钢球阀阀芯材质代号阀座密封面/SEAT SURFACE 球体密封面/BALL SURFACE 阀杆/STEM5 0 PTFE 13%Cr 13%Cr5 1 PTFE Hard 13%Cr 13%Cr5 2 STELLITE STELLITE 13%Cr5 3 PTFE 316 3165 4 STELLITE STELLITE 3165 5 PTFE 316L 316L表1.4.2-2,美标不锈钢球阀阀芯材质(续)代号阀座密封面/SEAT SURFACE 球体密封面/BALL SURFACE 阀杆/STEM5 6 STELLITE STELLITE 316L5 7 PTFE 304 3045 8 STELLITE STELLITE 3045 9 13%Cr 13%Cr 13%Cr6 0 Hard Hard 13%Cr6 1 PTFE MONEL MONEL62 STELLITE 17-4PH 17-4PH。
1.阀门名称序号缩略语英文中文1 ACV automatic control valve 自动控制阀2 AOIV automatic operate inlet valve 自动操作进给阀3 AOPV air-operated plastic valve 气动塑料阀4 AOV automatic operate valve 自动阀5 AV angle valve 角阀6 BAV ball valve 球阀7 BCV ball check valve 球止回阀8 BDV blow dowm valve 放泄阀9 BPV back pressure valve 背压阀10 BUV butterfly valve 蝶阀11 BV breather valve 呼吸阀12 BWV back-water valve 回水阀13 CHV check valve 止回阀14 CV control valve 调节阀15 DSBV double-seated ball valve 双座球阀16 DV diaphragm valve 隔膜阀17 ESV emergency shut valve 紧急切断阀18 FCV flow control valve 流量调节阀19 FSO fuel shut off valve 燃油断油阀20 FTV foot valve 底阀21 FV flush valve 冲洗阀22 GLV globe valve 截止阀23 GTV gate valve 闸阀24 GV gate valve 闸阀25 HCV hose connection valve 软管连接阀26 HPV high pressure valve 高压阀27 HRV hydraulic relief valve 液压安全阀28 MAV motor actuated valve 电动阀29 MGV electromagnetic valve 电磁阀30 NRV non-return valve 逆止阀(同止回阀)1. 阀门名称(续)2.美标阀门和国标阀门的区别介绍国标阀门公称直径的单位为mm,美标阀门公称直径的单位为in(英寸),还有就是对法兰的要求。
1.4阀门及小型设备代号解释1.4.1闸阀(GATE VALVE)、截止阀(GLOBE VALVE)止回阀(CHECK VALVE)、针型阀(NEEDLE GLOBE VALVE)-/特殊代码(3位)见表1.4.1-8阀芯材质,见表1.4.1-7阀体材质,见表1.4.1-6连接型式,见表1.4.1-5接管壁厚,见表1.2.1-2*传动机构,见表1.4.1-4结构型式,见表1.4.1-3压力等级,见表1.4.1-2阀门类别,见表1.4.1-1注*:只有“连接型式”中为BW时才有此项表1.4.1-1,阀门类别代号类别及应用标准代号类别Z闸阀/GATE VALVE(API600/API602/API603)H止回阀/CHECK VALVE(API600M/API602M./API603M/API594)N针型阀/NEEDLE GLOBE VALVE(API602M)J截止阀/GLOBE VALVE(API600M/API602M/API603M)Y仪表测压阀(API602M)注:每个阀门采用什么标准由“结构型式”确定。
表1.4.1-2,压力等级代号压力等级应用垫片应用螺栓/螺母PN(公制)CL(磅制)(最低要求)(最低要求)1 1.0石棉垫片35#/25#;35CrMoA/35#1a 1.0石棉垫片35#/25#;35CrMoA/35#2 2.0150石棉垫片,缠绕垫片35#/25#;35CrMoA/35#2a 1.6石棉垫片,缠绕垫片35#/25#;35CrMoA/35#3 5.0300缠绕垫片35CrMoA/35#;25Cr2MoVA/35CrMo;0Cr18Ni9/0Cr18Ni93a 2.5缠绕垫片35CrMoA/35#;25Cr2MoVA/35CrMo;0Cr18Ni9/0Cr18Ni94 6.8400缠绕垫片35CrMoA/35#;25Cr2MoVA/35CrMo;0Cr18Ni9/0Cr18Ni94a 4.0缠绕垫片35CrMoA/35#;25Cr2MoVA/35CrMo;(MF)0Cr18Ni9/0Cr18Ni9 510.0600缠绕垫片,八角形金属垫片35CrMoA/35#;25Cr2MoVA/35CrMo;/OCTAGON TYPE RING0Cr18Ni9/0Cr18Ni95a 6.3600缠绕垫片,35CrMoA/35#;25Cr2MoVA/35CrMo;(MF)0Cr18Ni9/0Cr18Ni9 6800缠绕垫片35CrMoA/35#;25Cr2MoVA/35CrMo;0Cr18Ni9/0Cr18Ni9 715.0900八角形金属垫片/OCTAGON TYPE ASTM A194B7/A1942H;ASTM A194RING(或缺省)B16/A1944;ASTM A453660A/A1948C 825.01500八角形金属垫片/OCTAGON TYPE ASTM A194B7/A1942H;ASTM A194RING(或缺省)B16/A1944;ASTM A453660A/A1948C 942.02500八角形金属垫片/OCTAGON TYPE ASTM A194B7/A1942H;ASTM A194RING(或缺省)B16/A1944;ASTM A453660A/A1948CA CL150-CL800B注:每个阀门选用何种材料的垫片和螺栓、螺母由“阀体材料”确定。
美标阀门型号说明等级表编制说明1.4阀门及小型设备代号解释1.4.1闸阀(GATE VALVE)、截止阀(GLOBE VALVE)止回阀(CHECK VALVE)、针型阀(NEEDLE GLOBE VALVE) - / 特殊代码(3位)见表1.4.1-8阀芯材质,见表1.4.1-7阀体材质,见表1.4.1-6连接型式,见表1.4.1-5接管壁厚,见表1.2.1-2*传动机构,见表1.4.1-4结构型式,见表1.4.1-3压力等级,见表1.4.1-2阀门类别,见表1.4.1-1 注*:只有“连接型式”中为BW时才有此项注:每个阀门采用什么标准由“结构型式”确定。
对CL900.1500.2500三个等级的阀门,一般采用压力密封阀盖,此时“阀盖垫片”和“阀盖螺栓”项缺省。
等级1a、2a、3a、4a、5a适用于JB标准阀门。
注: 如果阀门的结构型式为“2”、“8”和“9”,即阀盖为压力密封阀盖,则该表中的“阀盖垫片材料”和“阀盖螺栓材料”栏缺省。
如果阀门的结构型式为“5”,则该表中的“阀杆填料”栏缺省。
表1.4.1-8,特殊代码1.4.2球阀(BALL VALVE)特殊代码(3位)见表1.4.1-8阀芯材质,见表1.4.2-2阀体材质,见表1.4.1-6连接型式,见表1.4.1-5接管壁厚,见表1.2.1-2*传动机构,见表1.4.1-4结构型式,见表1.4.2-1压力等级,见表1.4.1-2阀门类别:球阀/BALL VALVE,代号-Q1.4.3 旋塞阀(PLUG VALVE)阀芯材质,见表1.4.3-2阀体材质,见表1.4.1-6连接型式,见表1.4.1-5接管壁厚,见表1.2.1-2*传动机构,见表1.4.1-4结构型式,见表1.4.3-1压力等级,见表1.4.1-2阀门类别:旋塞阀/PLUG VALVE,代号-P1.4.4 蝶阀(BUTTERFLY VALVE)阀芯材质,见表1.4.4-2阀体材质,见表1.4.1-6连接型式,见表1.4.1-5接管壁厚,见表1.2.1-2*传动机构,见表1.4.1-4结构型式,见表1.4.4-1压力等级,见表1.4.1-2阀门类别:蝶阀/BUTTERFLY VALVE,代号-D1.4.5 疏水阀(STEAM TRAP VALVE)阀芯材质,见表1.4.5-2阀体材质,见表1.4.1-6连接型式,见表1.4.1-5结构型式,见表1.4.5-1压力等级,见表1.4.1-2阀门类别:疏水阀/STEAM TRAP VALVE,代号-S1.4.6 过滤器(STRAINER)阀体材质,见表1.2.1-3连接型式,见表1.4.1-5接管壁厚,见表1.2.1-2*结构型式,见表1.4.6-1压力等级,见表1.3.1-2阀门类别:过滤器(STRAINER),代号-T阀芯材质一般为304表1.4.6-1,结构型式1.4.7视镜(SIGHT GLASS)阀体材质,见表1.2.1-3连接型式,见表1.4.1-5接管壁厚,见表1.2.1-2*结构型式,见表1.4.7-1压力等级,见表1.3.1-2阀门类别:视镜(SIGHT GLASS),代号-G1.4.8仪表测压阀(Y)接管材质,见表1.4.8-3阀芯材质,见表1.4.1阀体材质,见表1.2.1-3近主管接管长度,见表1.4.8-2接管壁厚,见表1.2.1-2压力等级,见表1.3.1-2主阀类型,见表1.4.8-1阀门类别:仪表测压阀,代号-Y。
1.美标阀门和国标阀门的区别介绍国标阀门公称直径的单位为mm,美标阀门公称直径的单位为in(英寸),还有就是对法兰的要求。
按照美国标准设计,制造,生产、检测的阀门,美国标准很多成为世界标准,国标很多都剽窃美国标准,阀门这块ASTM 材料标准;ASME 压力设计制造标准;API 阀门制造,设计,生产,检测标准,主要应用与石油化工行业;MSS 通用阀门的系列标准;ANSI 美国国标;ISO 国际标准。
大的项目都采用美标。
采购时强调美标阀门,买国产阀门怕跟美标不匹配,所以采购时强调是美标阀门,管你国产还是美国产,无所谓,重要的是标准和质量。
美标安全阀门的主要参数公称通径:NPS(in) 1/2" - 12"压力级:CLASS 150 - 600适用介质及温度:液体,气体≤300℃硝酸类,醋酸类气体≤200℃蒸气≤550℃安全阀是为了防止压力设备和容器或易引起压力升高或容器内部压力超过限度而发生爆裂的安全装置。
安全阀是压力容器、锅炉、压力管道等压力系统使用广泛的一种安全装置,保证压力系统安全运行。
当容器压力超过设计规定时,安全阀自动开启,排出气体降低器内的过高压,防止容器或管线破坏。
而当容器内的压力降至正常操作压力时,即自动关闭避免因容器超压排出全部气体,从而造成浪费和生产中断。
安全阀主要由阀座、阀瓣(阀芯)和加载机构三部分组成。
阀座有的和阀体是一个整体,有的是和阀体组装在一起的,它与设备连通。
阀瓣常连带有阀杆,它紧扣在阀座上。
阀瓣上面是加载机构,载荷的大小可以调节。
当设备内的压力在一定的工作压力范围之内时,内部介质作用于阀瓣上面的力小于加载机构加在阀上面的力,两者之差构成阀瓣与阀座之间的密封力,使阀瓣紧压着阀座,设备的介质无法排出。
当设备内的压力超过规定的工作压力并达到安全阀的开启压力时,内部介质作用于闹瓣上面的力大于加载机构施加在它上面的力,于是阀瓣离开阀座,安全阀开启,设备内的介质即通过阀座排出、如果安全阀的排量大于设备的安全泄放量,设备内压力即逐渐下降,而且通过短时间的排气后,压力即降回至正常工作压力。
此时内压作用于阀瓣上面的力又小于加载机构施加在它上面的力,阀瓣又紧压着阀座,介质停止排出,设备保持正常的工作压力继续运行。
所以,安全阀是通过阀瓣上介质作用力与加载机构作用力的消长,自行关闭或开启以达到防止设备超压的目的。
美标安全阀门的主要性能规范公称压力PN 150 300 600壳体强度Ps(MPa) 3.0 7.5 15整定压力Pk(Mpa) 0.1~2 1.6~5 8~15密封压力Pm 90%Pk回座压力Pn ≥90%Pk排放压力Pp ≤1.1 Pk开启高度H(mm) ≥ 1/4 d0适用温度 C ≤300℃P、R ≤200℃适用介质 C 气体、液体P、R 甲铵美标安全阀门的喉部直径代号代号直径代号直径D 10 L 50E 13 M 55F 16 N 60G 20.5 P 72H 26 Q 96J 33 R 115K 40 T 148美标安全阀门的主要尺寸YFWA42C150,YFWA42C150P,YFWA42C150R美标安全阀主要尺寸公称通径DN(in) 尺寸d0 D D1 D2 b t Z-Φd DN' D' D1' D2' b' t' Z-Φd'L L1 H1/2"×3/4" D 89 60.5 35 12 18 4-15 20 98 70 43 14 1.6 4-15 90 90 260 3/4"×1" D 98 70 43 14 24 4-15 25 108 79.5 51 15 1.6 4-15 96 92 260 1"×1 1/2 " D 108 79.5 51 15 22 4-15 40 127 98.5 73 18 1.6 4-15 115 105 280 1"×2" D 108 79.5 51 15 22 4-15 50 152 120.5 92 18 1.6 4-19 115 105 280 1 1/2 "×2" G 127 98.5 73 18 24 4-15 50 152 120.5 92 18 1.6 4-19 121 124 310 1 1/2 "×2 1/2 " G 127 98.5 73 18 24 4-15 65 178 139.5 105 20 1.6 4-19 121 124 310 1 1/2 "×3" G 127 98.5 73 18 24 4-15 80 190 152.5 127 22 1.6 4-19 124 130 3102"×2 1/2 " H 152 120.5 92 18 24 4-19 65 178 139.5 105 20 1.6 4-19 124 130 3502"×3" J 152 120.5 92 18 24 4-19 80 190 152.5 127 22 1.6 4-19 124 130 3502 1/2 "×4" J 178 139.5 105 20 27 4-19 100 229 190.5 157 24 1.6 8-19 143 137 4303"×4" L 190 152.5 127 22 32 4-19 100 229 190.5 157 24 1.6 8-19 162 156 4904"×6" N 229 190.5 157 24 36 8-19 150 279 241.5 216 26 1.6 8-22 229 181 6106"×8" P 279 241.5 216 26 36 8-22 200 343 298.5 270 29 1.6 8-22 241 240 8408"×10" R 343 298.5 270 29 39 8-22 250 406 362 324 31 1.6 12-25 279 276 99012"×14" T 483 432 381 32 42 12-25 350 533 476 413 35 1.6 12-28 370 360 1040 YFA44C300,YFA44C300R美标安全阀主要尺寸公称通径(DN)in 尺寸d0 D D1 D2 b t Z-Φd DN' D'D1'D2' b' t'Z-Φd'L L1 H1/2"×3/4" D 95 66.5 35 15 6 4-15 20 98 70 43 14 1.6 4-15 90 90 260 3/4"×1" D 117 82.5 43 16 10 4-19 25 108 79.5 51 15 1.6 4-15 96 92 260 1"× 1 1/2 " D 124 90 51 18 7 4-19 40 127 98.5 73 18 1.6 4-15 115 105 280 1"×2" D 124 90 51 18 6 4-19 50 152 120.5 92 18 1.6 4-19 115 105 201 1/2 "× 2" F 156 114.5 73 20 6 4-22 50 152 120.5 92 18 1.6 4-19 121 124 3101 1/2 "×2 1/2 " F 156 114.5 73 20 9 4-22 65 178 139.5 105 20 1.6 4-19 121 124 3101 1/2 "×3" F 156 114.5 73 20 6 4-22 80 190 152.5 127 22 1.6 4-19 124 130 3102"×2 1/2 " H 165 127 92 22 6 8-19 65 178 139.5 105 20 1.6 4-19 124 130 350 2"×3" H 165 127 92 22 6 8-19 80 190 152.5 127 22 1.6 4-19 124 130 3502 1/2 "×4" J 190 149.5 105 24 7 8-22 100 229 190.5 157 24 1.6 8-19 143 137 4303"×4" L 210 168 127 28 10 8-22 100 229 190.5 157 24 1.6 8-19 162 156 490 4"×6" N 254 200 157 32 12 8-22 150 279 241.5 216 26 1.6 8-22 229 181 610 6"×8" P 318 270 216 38 10 12-22 200 343 298.5 270 29 1.6 8-22 241 240 840 8"×10" R 381 330 270 42 10 12-25 250 406 362 324 31 1.6 12-25 279 276 990 10"×12" T 445 387.5 324 46 10 16-28 350 533 476 413 35 1.6 12-28 350 330 104注:出口法兰为150LbYFA44C600美标安全阀主要尺寸公称通径 (DN)in 尺寸(mm) do DD1D2 b t Z-Φd DN ' D ' D1' D2' b ' t ' Z-Φd ' LL1 H3/4"×1" D 117 82.5 43 16 10 4-19 25 108 79.5 51 15 1.6 4-15 96 92 280 1"×2" D 124 9051 19 6 4-19 50152 120.5 92 18 1.6 4-19 115 105 300 1 1/2 "×2"F 156 114.5 73 22 10 4-22 50152 120.5 9218 1.6 4-19152 124 300 1 1/2 "×2 1/2" F 156 114.5 73 22 9 4-22 65 178 139.5 105 20 1.6 4-19 152 124 330 1 1/2" ×3 F 156 114.5 73 22 6 4-22 80 190 152.5 127 22 1.6 4-19 152 124 330 2"×2 1/2" H 165 127 92 26 6 8-19 65 178 139.5 105 20 1.6 4-19 162 154 330 2"×3" H 165 12792 26 6 8-19 80190 152.5 127 22 1.6 4-19162 154 360 2 1/2" ×4" K 190 149.5 105 29 7 8-22 100 229 190.5 157 247 1.6 8-19 143 165 360 3"×4" K 210 168127 32 10 8-22 100 229 190.5 157 24 1.6 8-19162 155 440 4"×6" N 273 215.9 157 38 12 8-25 150 279 241.5 216 26 1.6 8-22 210 200 610 6"×8"P 356 292216 46 10 12-28 200 343 298.5 270 29 1.6 8-22241 240 625故障一是安全阀漏气。