风机盘管安装
- 格式:docx
- 大小:67.23 KB
- 文档页数:5
风机盘管安装规范风机盘管是一种常用的暖通设备,用于空调系统的供暖和制冷。
正确的安装风机盘管对于确保设备的性能和使用寿命至关重要。
下面是风机盘管安装的一些规范和注意事项。
1. 安装位置选择风机盘管应安装在通风和排水良好的室内区域。
安装位置应远离易燃和易爆物品,并且不应受到阳光直射。
同时,应该保证空间足够,方便安装、维修和保养。
2. 安装底座在安装风机盘管之前,应安装合适的底座,以提供充足的支撑和稳定性。
底座应具备防震和防滑功能,并且需要平整、水平。
3. 电气接线在进行电气接线时,应根据设备提供的电气图纸和规范进行。
电源线应采用符合国家标准的电缆,并铺设在电缆沟中,以保证整洁和安全。
4. 管道连接管道连接应采用符合国家标准的接头和密封材料。
应检查连接口是否完好,确保没有漏气和泄露。
同时,应进行必要的压力测试,以验证管道系统的稳定性和安全性。
5. 风机安装风机的安装位置应符合设备的设计要求,并且具备较大的空间来确保空气流通。
在安装风机盘管时,应正确连接进风和出风口,并确保风机的运转方向正确。
同时,还需要保证风机与周围环境的距离足够,避免噪音和震动影响使用。
6. 排水设计风机盘管在制冷过程中会产生冷凝水,因此需要设计合适的排水系统。
排水管道应选择符合国家标准的材料,并进行必要的坡度。
排水口应设在易于检修和清洁的位置,并采用适当的防臭措施。
7. 隔震与降噪为了减少风机运转时的震动和噪音,应在风机和周围结构之间采取隔震措施。
隔震材料应具备一定的承载能力和耐久性,并能有效地抑制震动和噪音的传播。
8. 安全措施在进行风机盘管的安装过程中,应遵守相关的安全规范和操作规程。
安装人员需要佩戴符合要求的个人防护装备,并确保设备周围没有任何危险因素。
以上是风机盘管安装的一些规范和注意事项。
正确的安装可以确保设备的性能和使用寿命,并且提升用户的使用体验。
因此,在进行风机盘管安装之前,应仔细阅读设备的安装手册,并根据相关的规范进行操作。
风机盘管安装规范风机盘管安装规范随着中央空调系统的普及应用,风机盘管在空调系统中扮演着重要的角色。
风机盘管可以通过空气循环和对流来调节室内温度和湿度,使室内环境更加舒适。
风机盘管的安装不仅需要保证其正常运行,还需要注意安全和整体效果。
下面是风机盘管安装的一些规范和注意事项:1. 安装位置选择风机盘管的安装位置应尽量靠近空调温控区域,这样可以提高温控的灵敏度和精确度。
同时,安装位置应远离墙角和障碍物,有足够的空间供风机盘管的正常工作和维护。
2. 安装高度风机盘管的安装高度应根据房间的实际需要来确定。
一般情况下,风机盘管底部距离地面的高度应为2.2米到2.6米之间。
如果安装位置是在通道或走廊等人员频繁活动的地方,应适当提高安装高度,以防人员碰撞。
3. 吊装和支撑风机盘管的吊装和支撑应牢固可靠。
吊装时要注意选择适当的起吊点和吊具,并严格控制风机盘管的下垂量,以避免影响风机盘管的正常运行。
支撑方式可以选择角钢或者吊杆连接,需要确保支撑稳定不松动。
4. 管道布置风机盘管的进出水管道布置应合理有序。
进水口应位于底部,出水口应位于顶部,以保证水流的顺畅流动。
进出水管道尽量采用直线布置,避免使用弯头,以减少水阻和压力损失。
5. 电气连接风机盘管的电气连接应按照相关的规范进行。
电源线和控制线应与风机盘管的金属外壳有良好的接地连接,以确保安全。
电缆敷设应整齐有序,远离强电线路,避免相互干扰。
6. 维护空间风机盘管的安装位置应留有足够的空间进行维护和清洁。
安装位置周围应保持通风良好,不得有其他障碍物。
同时,安装位置应便于清洁人员对风机盘管进行清洗和维护,保证其正常运行。
7. 使用注意事项安装完成后,使用过程中需要注意以下事项:a. 风机盘管的工作环境应保持整洁,防止进入灰尘、杂物和异物。
b. 定期清洁风机盘管的内部和外部,保持散热良好。
c. 定期检查风机盘管的电气连接和水管连接是否松动,如有问题及时处理。
d. 定期检查风机盘管的工作状态和性能,如有异常及时进行维护和修理。
风机盘管的安装步骤及工艺要求一、风机盘管的安装步骤:1. 确定安装位置:首先需要确定风机盘管的安装位置,一般应选择在通风良好、易于维修和清洁的地方。
2. 安装支架:根据风机盘管的尺寸和重量,选择适当的支架进行安装。
支架的安装位置应与风机盘管的安装位置相匹配,并且支架必须牢固可靠。
3. 安装管道:根据设计要求,安装与风机盘管相连接的冷热水管道和风管。
在安装过程中,要注意管道的密封性和稳定性,确保水和风的流通畅通。
4. 安装电气线缆:根据设计要求,连接风机盘管的电源线和控制线。
确保接线牢固可靠,避免电气故障和安全隐患。
5. 安装风机盘管:将风机盘管放置在支架上,并根据设计要求,固定风机盘管与支架的连接。
在安装过程中,要注意风机盘管的水平度和垂直度,确保安装的稳定性。
6. 连接管道和线缆:将冷热水管道和风管与风机盘管进行连接,并确保连接处的密封性。
同时,将电气线缆与风机盘管的接线盒连接,确保线缆的牢固性和安全性。
7. 调试和检查:完成安装后,进行风机盘管的调试和检查工作。
包括检查管道和线缆的连接是否牢固,检查风机盘管的启停和运行是否正常,以及检查风机盘管的温度和风速是否符合设计要求。
8. 完善安装记录:在安装完成后,及时完善安装记录,包括风机盘管的型号、规格、安装位置、管道和线缆的连接方式等,以便今后的维护和管理。
二、风机盘管的工艺要求:1. 安装平整:风机盘管的安装位置应平整,不得有明显的倾斜或变形。
安装支架和管道的平整度也要符合要求。
2. 安装牢固:风机盘管的支架和连接件应牢固可靠,能够承受风机盘管的重量和振动。
管道和线缆的固定也要牢固,避免松动或脱落。
3. 连接密封:管道和线缆的连接处应密封良好,确保不漏水和不漏风。
特别是冷热水管道的连接,要防止漏水导致系统失效。
4. 电气安全:风机盘管的电气线缆应符合安全标准,接线要正确可靠。
电气设备和线缆要与水管隔离,避免发生短路和触电事故。
5. 运行平稳:风机盘管的启停和运行应平稳无噪音,风速和温度要稳定可调。
一、风机盘管1 施工流程开箱检查及试验→卧式吊装风机盘管安装→风机盘管连接→风机的安装2 施工操作2.1 开箱检查及试验盘管安装前逐台检查电机壳体及表面交换器,不得有损伤、锈蚀、缺件等,之后对盘管做单机通电及水压试验,通电试验时,机械部分不得磨擦,电气部分不得漏电,整机不得抖动不稳,水压试验时,试验压力为系统工作压力的1.5倍,定压观察2~3分钟,不漏、稳压为合格。
2.2 卧式吊装风机盘管安装由单独支、吊架固定,并便于拆卸和维修,支、吊架吊杆与盘管相连处采用双螺母紧固,吊装后保持水平,保证冷凝水畅通流到指定位置,暗装卧式内机盘管下部的吊顶留有活动检查口。
风管、回风箱及风口与风机盘管机组连接处严密、牢固。
2.3 风机盘管连接为了减小系统振动和防止有刚性连接引起的泄露,风机盘管供、回水管与风机盘管采用弹性软管连接。
风机盘管的凝结水管与盘管滴水盘出水口的连接采用20cm长透明塑料软管连接,且保证凝结水管的坡度严格和设计要求相一致,使凝结水通畅排放到指定位置。
2.4 风机的安装(1)风口、出风口的位置等要与设计相符;叶轮旋转方向应符合设备技术文件的规定。
检查外观和外露部分各加工面及转子有无碰伤、变形或锈蚀等情况;手动盘动叶轮有无卡滞现象。
(2)搬运和吊装过程中绳索要固定在承力吊环上,不得捆缚在转子和外壳或轴承盖的吊环上。
绳索与外壳接触时要垫一软物,保证不能损伤机件表面和其他等处。
(3)减小风机的压头损失,提高风机效率,在现场条件允许的情况下,安装时保证风机的出口至弯管的距离为风机出口长边的1.5~2.5倍,如现场条件不允许,在弯管内设导流叶片予以弥补。
(4)通风机的地脚螺栓固定时,地脚螺栓处加垫圈和防松螺母,防止风机运行时振动将螺母振脱。
(5)通风机与风管连接处均设150-250mm长的软接头,接缝处做到严密和牢固,并且不允许软接头变径。
管道风机安装时采用减振支吊架。
(6)风幕机的安装:风幕机安装之前用手盘动叶轮检查有无和外壳相碰的现象;热媒为水或蒸汽的热风幕机,安装前依据规范规定做水压试验。
空调风机盘管安装合同6篇篇1空调风机盘管安装合同甲方:(委托方)乙方:(承包方)依据《中华人民共和国合同法》的相关规定,甲乙双方在平等自愿、公开透明的基础上,就空调风机盘管的安装事宜达成如下协议:一、项目内容:1.1 甲方委托乙方,对甲方提供的空调风机盘管进行安装、调试、运行监测等服务。
1.2 安装地点:甲方所在地。
1.3 安装时间:乙方承诺在双方协商确定的时间内完成安装工作。
二、服务内容:2.1 安装:乙方将按照甲方的要求,对空调风机盘管进行安装,确保安装质量。
2.2 调试:安装完成后,乙方将对空调风机盘管进行调试,确保其正常运行。
2.3 监测:乙方将对安装完成后的空调风机盘管进行运行监测,确保其稳定运行。
三、费用标准:3.1 安装费用:乙方向甲方提供的安装服务,费用为(具体金额),包括人工费、材料费等。
3.2 调试费用:乙方提供的调试服务费用为(具体金额)。
3.3 监测费用:乙方提供的监测服务费用为(具体金额)。
四、维护保修:4.1 乙方提供的服务享有维护保修期,为安装完成后的(具体天数)内。
4.2 在维护保修期内,如出现质量问题,乙方将负责维修或更换,并承担相关费用。
五、突发事件处理:5.1 在安装过程中,如遇到不可抗力因素导致工程不能如期进行,双方应共同商议处理方案,并重新确定安装时间。
5.2 如因双方原因造成工程延期,延期期间的费用由责任方承担。
六、其他事宜:6.1 本合同一式两份,甲乙双方各执一份,具有同等法律效力。
6.2 本合同自双方签字盖章之日起生效,有效期至服务结束。
甲方(盖章):乙方(盖章):签字:签字:日期:日期:以上为本次空调风机盘管安装合同的具体内容,希最甲乙双方能够严格遵守合同规定,共同维护合同的有效性,确保工程顺利进行并取得良好的效果。
篇2空调风机盘管安装合同甲方:(安装公司名称)地址:(公司地址)联系方式:(联系方式)乙方:(需安装空调风机盘管的单位或个人)地址:(乙方地址)联系方式:(乙方联系方式)鉴于甲方具有空调风机盘管安装的经验和技术能力,乙方委托甲方进行空调风机盘管安装工作,甲乙双方经友好协商,达成如下协议:一、项目情况1.1 项目名称:空调风机盘管安装。
风机盘管安装要求
1、设备安装前应检查铭牌是否与图纸安装位置设备的规格型号一致。
2、检查被安装设备的合格证及安装使用说明书是否齐全。
3、检查被安装设备的进出水管口是否密封完好。
4、安装前用系统工作压力的1.5倍做压力试验,检查风机盘管是否耐压。
5、安装前接上临时电源,观察风扇运转时是否与外壳相碰,是否噪声过大,变速是否可靠有效。
6、暗装吊顶式风机盘管应保持水平,并不扭曲,以防冷凝水溢出。
7、风机盘管进出水口与系统相连接处应用L=300mm金属软管连接,以切断刚性震动的传递。
8、盘管试压合格后,应将余水全部排出,并用压缩空气吹干,并将进出水管口密封待用。
9、暗装吊顶式风机盘管应设独立的支吊架,大于12号的风机盘管应用弹簧吊钩减振,以切断因设备自身运转所产生的振动传到建筑物上(减振安装方法见风施-20)。
10、盘管与阀门及零件相连接时,必须有两个管工及两把扳手同时操作,以防用力过大扭弯风机盘管铜质外接管口。
11、风机盘管进出水管口与相连接之系统管接口必须保持平行,不得形成连接角度,使其自由轻松连接(无应力连接)。
12、暗装风机盘管及天花内阀门的侧下方天花应做不小于500×500的活动检修门。
13、安装好的风机盘管应用塑料薄膜包扎好,以防建筑污染。
风机盘管安装规范·风机盘管安装规范-风机盘管网讯风机盘管是空调系统的末端装置,其不断的再循环所在房间的空气,使空气通过冷水(热水)盘管后被冷却(加热),以保持室内温度的恒定。
风机盘管对使用空调的舒适度有重大影响,所以风机盘管的安装不容小觑,今天小编总结了风机盘管安装规范要求,希望... ·风机盘管安装规范-如何让风机盘管舒适100网讯风机盘管是水系统中央空调的末端设备,对于它的安装舒适100网有一系列的明确规范,“前期材料是否符合标准”、“安装位置是否合理”、“安装节点的详细工艺”这些问题看似无伤大雅,但如何全面做好这些细节,却远没有想象中容易,本文舒适... ·风机盘管安装风机盘管是中央空调理想的末端产品,风机盘管广泛应用于宾馆、办公楼、医院、商住、科研机构。
风机将室内空气或室外混合空气通过表冷器进行冷却或加热后送入室内,使室内气温降低或升高,以满足人们的舒适性要求。
风机盘管的安装... ·风机盘管安装示意图风机盘管安装示意图(卧式暗装风机盘管)资料来源:。
拓展阅读:风机盘管分类风机盘管接线示意图风机盘管对运行工况的要求风机盘管振动过大如何解决?风机盘管噪音如何解决?... ·风机盘管安装工程图-什么是风机管盘美观紧凑;采用符合防火规范的保温材料整体连接于水盘,结构精致。
排水管及线路安装简便左右接管及回风方式可随时变换,管线安装能与现场情况合理配合。
风机盘管效率高、能耗低先进的胀管工艺,保证了换热器铜管和铝箔的紧密接触,传热性能好;风机与换热器... ·风机盘管的安装风机盘管是将室内空气或室外混合空气通过表冷器进行冷却或加热后送入室内,使室内气温降低或升高,以满足人们的舒适性要求,那么风机盘管的安装要注意哪些问题呢? 风机盘管的安装方法与诱导器基本相同,安装过程中应注意下列事项... ·风机盘管安装步骤-风机盘管如何安装舒适100网讯中央空调是现代家庭进行温度调节的首选设备,它安装隐蔽美观、送风柔和舒适,因此获得了很多用户的喜爱。
风机盘管安装方法
风机盘管是一种常见的空调设备,一般安装在室内,能够为室内提供舒适的温度和空气质量。
以下是风机盘管的安装方法:
1. 安装位置选择:风机盘管应该安装在房间中央或者离人较近
的位置,以便能够将空气均匀地分配到每个角落。
同时,应该避免在阳光直射的地方或者靠近墙角等位置安装,以免影响空气流通。
2. 安装支架:安装风机盘管的支架应该能够承受其重量和震动,同时要保证支架的稳定性。
一般采用钢材或者混凝土支架,安装时需要按照设计要求进行固定。
3. 接线安装:风机盘管的电线需要接到室内的电源上,一般需
要专业电工进行接线安装。
接线时应该注意将电线接头做好防水处理,避免水汽进入电器内部。
4. 管路安装:管路安装包括送风管和回风管两部分,需要根据
设计要求进行安装。
管路连接时应该注意密封性,避免空气泄漏。
同时应该保证管路的斜度,在排水口处设置排水阀门。
5. 空气过滤器安装:空气过滤器是风机盘管的重要组成部分,
能够过滤空气中的灰尘和细菌等有害物质。
安装时应该选择适合的过滤器型号,并按照说明进行安装和更换。
6. 系统调试:安装完毕后,需要进行系统调试,包括空气流量
调整、温度设定、噪音检测等。
同时应该进行设备的漏电保护和安全检测。
以上是风机盘管的安装方法,需要严格按照设计要求和安装规范
进行施工,以保证设备的正常运行和使用寿命。
【tips】本文由李雪梅老师精心收编,值得借鉴。
此处文字可以修改。
风机盘管的正确安装位置风机盘管是空调系统的末端装置,其不断的再循环所在房间的空气,使空气通过冷水(热水)盘管后被冷却(加热),以保持室内温度的恒定。
风机盘管对使用空调的舒适度有重大影响,所以风机盘管的安装λ置不容小觑,现在绿探暖通专家为大家分享一下风机盘管的正确安装λ置,希望对大家有所帮助。
风机盘管—什ô是风机盘管风机盘管是中央空调理想的末端产品,风机盘管广泛应用于宾馆、办公¥、医院、商住、科研机构。
为满足不同场合的设计选用,风机盘管种类有:卧式暗装(带回风箱)风机盘管、卧式明装风机盘管、立式暗装风机盘管、立式明装风机盘管、卡式二出风风机盘管、卡式四出风风机盘管及壁挂式风机盘管等多种。
风机盘管机组主要由低噪声电机、盘管等组成。
风机盘管是空调系统的末端装置,其工作原理是机组内不断的再循环所在房间的空气,使空气通过冷水(热水)盘管后被冷却(加热),以保持房间温度的恒定。
风机盘管—风机盘管的正确安装λ置1、风机盘管通常安装在空调房间的吊顶内,吊顶应留有活动检查口,以便于机组能整体拆卸和维修。
风机盘管由独立的支、吊架固定,并应便于拆卸和维修。
风机盘管的吊架是使用普通吊架还是减振吊架均由设计而定。
2、风机盘管与送风口、回风口或风管连接时应为柔性软管连接,常用的是帆布软管或铝箔软管,软管长度150~250。
3、风机盘管是否带有回风箱,回风口是否设置过滤装置均由设计而定。
当设计风机盘管不带回风箱时,回风口直接安装在吊顶上,吊顶空间成为一个回风腔;当设计风机盘管带回风箱时,安装在吊顶上的回风口通过风管与回风箱相连接。
4、一般的风机盘管有这ô几种:。
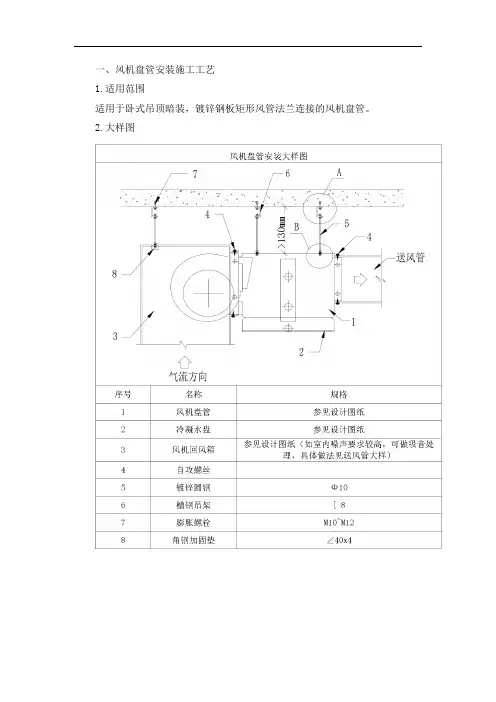
一、风机盘管安装施工工艺1.适用范围适用于卧式吊顶暗装,镀锌钢板矩形风管法兰连接的风机盘管。
2.大样图3.规格表4.采购要求(1)风机盘管采购时应核对好设计型号,风量要求,噪音要求。
(2)核对好风机盘管安装位置,明装还是暗装。
区分不同位置风盘采购型号。
(3)注意风盘末端回风箱设置尺寸及接驳方式。
(4)设备风机及盘管段必须方便拆卸。
5.工艺要求(1)风机盘管在安装前应检查每台电机壳体及表面交换器有无损伤、锈蚀等缺陷。
(2)风机盘管安装前应先手动后通电试验检查,机械部分不得摩擦,电气部分不得漏电。
(3)风机盘管应逐台进行水压试验,试验强度应为工作压力的1.5 倍,定压后观察2~3min 不渗不漏。
(4)卧式吊装风机盘管吊架安装平整牢固,位置正确。
吊杆不应自由摆动,吊杆与托盘相联应用双螺母紧固找平正。
(5)风管、回风箱及风口与风机盘管连接处采用镀锌钢板硬性连接,增强耐用性及防火性。
(6)风机盘管连接管上的送回风风口暂时不开口,待吊顶图及装修图完善后,再定位开口,以免造成一些不必要的施工困难。
(7)冷热媒水管与风机盘管连接直采用钢管或紫铜管,接管应平直。
凝结水管宜软性连接,软管长度不大于300mm 材质宜用透明胶管,并用喉箍紧固严禁渗漏,坡度应正确、凝结水应畅通地流到指定位置,水盘应无积水现象。
(8)风机盘管同冷热媒管连接,应在管道系统冲洗排污后再连接,以防堵塞热交换器。
(9)客房用风机盘管,(风机盘管到风口段长度应不宜小于1800mm,以便达到吸音效果)送风管、回风管内加装一层内衬吸音玻璃棉,减少噪声。
(10)如有精装修要求部位的暗装风机盘管,一定要与装饰单位确定好风机盘管的水阀、风机检修口位置后才进行后续吊装。
风机检修口可与吊顶风机门铰式回风口公用,也可以在风机盘管回风箱上增设风管检修口,再在吊顶上设置公园检修口配合使用;设置尺寸需要满足以下功能:风盘风机设备整体更换尺寸要求;风机盘管水阀,凝水盘,软管便于更换、操作;电动阀接线,调整便利。
1.6 风机盘管安装作业指导书1.6 风机盘管安装作业指导书一、引言风机盘管是空调系统中必不可少的重要设备,它能够实现空气的循环和调节。
为了确保风机盘管的正常使用并避免不必要的安全事故,本文档旨在提供详细的风机盘管安装作业指导。
二、安装前准备1.确认风机盘管的型号规格和数量。
2.确保安装现场无障碍,清理好安装区域。
3.根据设计图纸确定风机盘管安装位置。
三、材料准备1.风机盘管主机及相关配件2.安装所需的螺丝、螺母和其他固定工具3.安装过程中可能需要使用的维修设备和材料四、安装步骤1.将风机盘管主机移动至安装位置,并做好固定。
2.按照设计图纸的要求,安装并连接风管。
3.安装电源线,并根据规范要求进行接线。
4.连接水源并进行漏水测试。
5.连接排水管道,确保排水通畅。
6.接通电源并进行设备功能检测。
7.调试风机盘管,确保正常运行。
五、安装验收1.验收风机盘管的固定和连接部位。
2.运行风机盘管,观察是否存在异常噪音和振动。
3.测试风机盘管的制冷和制热效果。
4.检查风机盘管是否存在漏水现象。
5.检查电源线和接线是否稳固安全。
六、附件本文档涉及的附件包括:1.设计图纸2.安装过程中使用的工具清单3.安装现场照片七、法律名词及注释1.风机盘管:一种用于空调系统中的设备,能够实现空气循环和调节的作用。
2.安装:将设备或设施放置适当的位置并进行固定和连接的过程。
注意:本文档仅供参考使用,具体操作应根据实际情况进行调整和执行。
以上内容涵盖了风机盘管安装作业的主要步骤,但不保证完全无误。
如有问题请及时咨询专业人员。
风机盘管的正确安装工艺流程下载温馨提示:该文档是我店铺精心编制而成,希望大家下载以后,能够帮助大家解决实际的问题。
文档下载后可定制随意修改,请根据实际需要进行相应的调整和使用,谢谢!并且,本店铺为大家提供各种各样类型的实用资料,如教育随笔、日记赏析、句子摘抄、古诗大全、经典美文、话题作文、工作总结、词语解析、文案摘录、其他资料等等,如想了解不同资料格式和写法,敬请关注!Download tips: This document is carefully compiled by theeditor. I hope that after you download them,they can help yousolve practical problems. The document can be customized andmodified after downloading,please adjust and use it according toactual needs, thank you!In addition, our shop provides you with various types ofpractical materials,such as educational essays, diaryappreciation,sentence excerpts,ancient poems,classic articles,topic composition,work summary,word parsing,copy excerpts,other materials and so on,want to know different data formats andwriting methods,please pay attention!风机盘管的正确安装工艺流程如下:一、安装前准备1. 检查风机盘管的外观是否完好,无损坏。
风机盘管回风口安装规范要求
根据国标GB50234-2002规范风机盘管送、回风口安装技术要求如下:
1.风管、回风箱及风口与风机盘管机组连接应严密、牢固,不准许
吊顶回风。
2.风机盘管与管道相连接时宜采用软接管,柔性短管的安装,应
松紧适度,无明显扭曲,其耐压值应大于等于1.5倍力。
3.风口及散流器采用内固定法:从风口侧面用自攻螺钉将其固
定在骨架上,对安装在站台板下风道上的风口应加设角钢支架。
4.可伸缩性金属或非金属软风管的长度不宜超过2m,并不应
有死弯或塌凹。
5.风机盘管送风口与回风口最小距离大于1.5m,根据回风口尺
寸回风口风速不得小于2.3m/s。
一、风机盘管如何选型风机盘管有两个主要参数:制冷(热)量和送风量,因此选择的方法有两种:一、根据房间循环风量选:房间面积、层高(吊顶后)和房间换气次数三者的乘积即为房间的循环风量。
利用循环风量对应风机盘管高、中速风量,即可确定风机盘管型号。
二、根据房间所需的冷负荷选择:根据单位面积负荷和房间面积,可得到房间所需的冷负荷值,利用房间冷负荷对应风机盘管的制冷量即可确定风机盘管型号。
二、风机盘管的选型注意事项1、冷量冷量不足是目前用户投诉最多的一个问题。
造成这种问题的原因主要是很多企业没有自己的测试手段,样本上的参数也是从其它厂家抄袭,自己生产的盘管热工性能又较差(主要是由翅片形式、胀管质量、生产工艺等造成)。
因此建议在进行项目考察时应注意该厂家的测试设施与手段,很难想象一个没有自己测试装置的厂家能产生出好产品来。
2、风量如何考虑盘管的风量是一个问题。
国内市场上多数厂家的盘管都只有一种三排管,也有厂家提供二排管的盘管。
实际上,对于大多数民用建筑空调系统而言选择二排管的盘管更为有利(对高湿度场合例外)。
这是因为二排管的产品在同样冷量下风量较大,这将增大空调房间的换气次数,有利于提高空调精度及舒适性。
同样冷量下,采用小温差、大风量送风,会取得比大温差、小风量送风更佳的空调效果。
3、外余压目前国家标准规定风机盘管的风量、冷量及噪声等参数的测试均是在机外静压为O的条件下进行。
而实际使用中盘管出风口前往往要接一小段风管及出风百叶,有的工程中还设有回风箱,因此在实际使用中会发现盘管的实际风量要小于其名义风量,这样的后果就是房间风量减小,送风温差增大,空调的舒适性下降。
有的设计人员为避免这种情况就在选型时按盘管的中档风量选取,以避免风量不足,但却增大工程的初投资。
因而建议在国内测试标准尚未改变的情况下,盘管选型时应该优先选择有余压(一般应为10-15Pa)的机组。
4、噪音这是目前国内产品与国外产品差距较大的一个地方,也是目前盘管因质量问题而被投诉的一个要点。
风机盘管更换施工方案一、施工前准备风机盘管更换是一项需要专业人员进行操作的工作,为保证施工顺利进行,首先需要做好以下准备工作:1.安全措施:施工前要确保工作区域没有任何危险物品,施工人员需佩戴好安全帽、手套等个人防护用品。
2.工具准备:准备必要的工具,如扳手、电钻、螺丝刀等,确保施工过程中能够顺利使用。
3.物料准备:准备需要更换的风机盘管以及相关的配件,确保更换工作可以顺利进行。
二、施工步骤1.关闭电源:在开始更换风机盘管之前,首先要切断电源,确保操作的安全性。
2.拆卸旧的风机盘管:–拆卸盘管外壳:使用电钻和螺丝刀将盘管外壳上的螺丝拆卸,并将外壳取下。
–断开电源线:将旧的风机盘管与电源线断开连接,注意标记好电源线的接线位置,以便后续安装时连接正确。
–拆卸旧盘管:使用扳手等工具将旧的风机盘管从固定位置拆卸下来。
3.安装新风机盘管:–安装新风机盘管底座:根据新盘管的尺寸和固定要求,选择合适的位置,使用螺丝将底座固定在墙壁或其他支撑结构上。
–连接电源线:根据之前标记的接线位置,将电源线与新风机盘管正确连接。
–安装新盘管:将新的风机盘管放置在已安装好的底座上,并使用扳手等工具将其固定,确保连接牢固。
4.做好接口连接:–接口处处理:根据实际情况,将风机盘管与其他管道、电缆等进行连接,确保接口处密封性好。
–密封处理:使用密封胶等材料,对接口处进行密封处理,以防止漏风、漏水等情况发生。
5.清理工作区域:–清理残留物:将施工过程中产生的废弃物、旧的风机盘管等进行清理,保持工作区域的整洁。
–清理施工痕迹:清洁牆壁、底座等施工留下的痕迹,让整个风机盘管更换工作现场干净整洁。
三、验收与测试1.连接电源:将新风机盘管连接到电源,确保电源正常通电。
2.运行测试:开启风机盘管的电源,通过观察和听声等方式检查其运行状况是否正常,确保运行平稳、无异常噪音。
3.进行调整:根据实际需求,对风机盘管的调节参数进行调整,确保其能够满足相应的送风、排风要求。
合同编号:_______甲方(以下简称“业主”):____________乙方(以下简称“承包商”):____________根据《中华人民共和国合同法》及相关法律法规的规定,甲乙双方在平等、自愿、公平、诚实信用的原则基础上,就甲方风机盘管的维修安装事宜,达成如下合同:一、工程概况1.1 工程名称:________风机盘管维修安装工程1.2 工程地点:________1.3 工程内容:乙方负责甲方风机盘管的维修安装工作,包括检查、清洁、更换损坏部件、调试和验收等。
二、合同金额2.1 本合同的合同金额为人民币(大写):____元整(小写):_____元。
2.2 乙方在合同签订后____个工作日内向甲方提交维修安装费用明细清单,甲方对费用明细清单无异议后,乙方向甲方开具正规发票。
三、合同履行3.1 乙方应按照甲方提供的风机盘管技术参数和维修安装要求,提供合格的维修安装服务。
3.2 乙方应在本合同签订后____个工作日内完成维修安装工作,并提交验收。
3.3 甲方应按照合同约定支付乙方维修安装费用。
3.4 甲方应提供乙方进行维修安装工作的必要条件,包括现场施工、设备拆卸、设备运输等。
四、质量保证4.1 乙方保证维修安装后的风机盘管符合产品说明书和技术参数要求,能够正常运行。
4.2 乙方承诺自维修安装完成后____个月内,因维修安装原因导致的风机盘管故障,乙方免费提供维修或更换服务。
五、合同的变更和解除5.1 任何一方提出变更或解除合同,均应提前____天通知对方,并经双方协商一致。
5.2 因不可抗力导致合同无法履行,双方可协商变更或解除合同。
六、违约责任6.1 乙方未按照约定时间完成维修安装工作的,应按照逾期天数向甲方支付违约金,违约金计算方式为:合同金额的万分之五。
6.2 乙方维修安装的风机盘管不符合技术参数要求或不能正常运行的,乙方应负责免费维修或更换。
6.3 甲方未按照约定时间支付维修安装费用的,应按照逾期天数向乙方支付违约金,违约金计算方式为:维修安装费用的万分之五。
.风机盘管安装施工工艺标准依据标准《建筑工程施工质量验收统一标准》GB50300-2001《通风与空调工程施工质量验收规范》GB50243-20022.施工准备2.1材料要求及主要机具:2.1.1所采用的风机盘管、诱导器、设备应具有出厂合格证明书或质量鉴定文件。
2.1.2风机盘管、诱导器设备的结构型式、安装型式、出口方向、进水位置应符合设计安装要求。
2.1.3设备安装所使用的主料和辅助材料规格、型号应符合设计规定,并具有出厂合格证。
2.1.4电锤、手电钻、活扳手、套筒扳手、钢锯、管钳子、手锤、台虎钳、丝锥、套丝板、水平尺、线坠、手压泵、压力案子、汽焊工具等。
2.2作业条件:2.2.1风机盘管、诱导器和主、副材料已运抵现场,安装所需工具已准备齐全,且有安装前检测用的场地、水源、电源。
2.2.2建筑结构工程施工完毕,屋顶做完防水层,室内墙面、地面抹完。
2.2.3安装位置尺寸符合设计要求,空调系统干管安装完毕,接往风机盘管的支管预留管口位置标高符合要求。
3.操作工艺3.1工艺流程:预检→施工准备→电机检查试转→表冷器水压检验→吊架制安→风机盘管安装发愤器安装→连接配管→检验3.2风机盘管在安装前应检查每台电机壳体及表面交换器有无损伤、锈蚀等缺陷。
3.3.电机盘管和诱导器应每台进行通电试验检查,机械部分不得摩擦,电气部分不得漏电。
3.4风机盘管和诱导器应逐台进行水压试验,试验强度应为工作压力的1.5倍,定压后观察2~3min不渗不漏。
3.5卧式吊装风机盘管和诱导器,吊架安装平整牢固,位置正确。
吊杆不应自由摆动,吊杆与托盘相联应用双螺母坚固找平正。
3.6诱导器安装前必须逐台进行质量检查,检查项目如下:3.6.1各联接部分不能松动、变形和产生破裂等情况;喷嘴不能脱落、堵塞。
3.6.2静压箱封头处缝隙密封材料,不能有裂痕和脱落;一次风调节阀必须灵活可靠,并调到全开位置。
3.7诱导器经检查合格后按设计要求的型号就位安装,并检查喷嘴型号是否正确。
风机盘管安装
公司内部档案编码:[OPPTR-OPPT28-OPPTL98-OPPNN08]
审核人
交底人
接受交底
人
技术交底记录
表 C2-1
编 号
工程名称
交底日期 2020-10-19
施工单位
分项工程名称
交底提要
交底内容:
4—7 风机盘管及诱导器安装工艺标准
(407—1998)
?
1 范围
本工艺标准适用于卧式、立式、立柱式的风机盘管和诱导器的标准产品安装工程。
2 施工准备
材料要求及主要机具:
所采用的风机盘管、诱导器、设备应具有出厂合格证明书或质量鉴定文件。
风机盘管、诱导器设备的结构型式、安装型式、出口方向、进水位置应符合设计安装要求。
设备安装所使用的主料和辅助材料规格、型号应符合设计规定,并具有出厂合格证。
电锤、手电钻、活扳手、套筒扳手、钢锯、管钳子、手锤、台虎钳、丝锥、套丝板、水平尺、线坠、手压泵、压力案子、汽焊工具等。
作业条件:
风机盘管、诱导器和主、副材料已运抵现场,安装所需工具已准备齐全,且有安装前检测用的场地、水源、电源。
建筑结构工程施工完毕,屋顶做完防水层,室内墙面、地面抹完。
安装位置尺寸符合设计要求,空调系统干管安装完毕,接往风机盘管的支管预留管口位置标高符合要求。
3 操作工艺
工艺流程:
预检→施工准备→电机检查试转→表冷器水压检验
?
审核人
交底人
接受交底
人
技术交底记录
表 C2-1
编 号
工程名称
交底日期 2020-10-19
施工单位
分项工程名称
交底提要
→吊架制安→风机盘管安装发愤器安装→连接配管→检验
?
风机盘管在安装前应检查每台电机壳体及表面交换器有无损伤、锈蚀等缺陷。
. 电机盘管和诱导器应每台进行通电试验检查,机械部分不得摩擦,电气部分不得漏电。
风机盘管和诱导器应逐台进行水压试验,试验强度应为工作压力的倍,定压后观察2~3min 不渗不漏。
卧式吊装风机盘管和诱导器,吊架安装平整牢固,位置正确。
吊杆不应自由摆动,吊杆与托盘相联应用双螺母坚固找平正。
诱导器安装前必须逐台进行质量检查,检查项目如下:
各联接部分不能松动、变形和产生破裂等情况;喷嘴不能脱落、堵塞。
静压箱封头处缝隙密封材料,不能有裂痕和脱落;一次风调节阀必须灵活可靠,并调到全开位置。
诱导器经检查合格后按设计要求的型号就位安装,并检查喷嘴型号是否正确。
暗装卧式诱导器应由支、吊架固定,并便于拆卸和维修。
诱导器与一次风管连接处应严密,防止漏风。
诱导器水管接头方向和回风面朝向应符合设计要求。
立式双面回风诱导器为利于回风,靠墙一面应留50mm 以上空间。
卧式双回风诱导器,要保证靠楼板一面留有足够空间。
冷热媒水管与风机盘管、诱导器连接宜采用钢管或紫铜管,接管应平直。
紧固时应用扳手卡住六方接头,以防损坏铜管。
凝结水管宜软性连接,软管长度不大于300mm 材质宜用透明胶管,并用喉箍紧固严禁渗涌,坡度应正确、凝结水应畅通地流到指定位置,水盘应无积水现象。
风机盘管、诱导器同冷热媒管连接,应在管道系统冲洗排污后再连接,以防堵塞热交换器。
审核人
交底人
接受交底
人
技术交底记录
表 C2-1
编 号
工程名称
交底日期
2020-10-19
施工单位
分项工程
名称 交底提
要
暗装的卧式风机盘管、吊顶应留有活动检查门,便于机动组能整体拆卸和维修。
4 质量标准
保证项目:
风机盘管、诱导器安装必须平稳、牢固。
检验方法:用水平尺和线坠测量。
风机盘管、诱导器与进出水管的连接严禁渗漏,凝结水管的坡度必须符合排水要求,与风口及回风室的连接必须严密。
检验方法:尺量,观察检查和检查试验记录。
基本项目:
风机盘管、诱导器风口连接严密不得漏风。
检验方法:观察检查。
5 成品保护
风机盘管和诱导器运至现场后要采取措施,妥善保管,码放整齐。
应有防雨、防雪措施。
冬期施工时,风机盘管水压试验后必须随即将水排放干净,以防冻坏设备。
风机盘管诱导器安装施工要随运随装,与其它工种交叉作业时要注意成品保护,防止碰坏。
立式暗装风机盘管,安装完后要配合好土建安装保护罩。
屋面喷浆前应采取防护措施,保护已安装好的设备,保证清洁。
6 应注意的质量问题
应注意的质量问题见表4-30。
常见质量问题及防治措施 表4-31 序号
常产生质量问题 防治措施 1
冬季施工易冻坏表面交换器 试水压后必须将水放净以防冻坏。