土的物理力学性质及其指标(精选)
- 格式:ppt
- 大小:1.81 MB
- 文档页数:32
土的三项基本物理指标土是我们日常生活和工程建设中经常接触到的一种物质。
要了解土的性质,就需要关注一些重要的物理指标。
其中,土的三项基本物理指标分别是土的密度、土的含水率和土的孔隙比。
首先来说说土的密度。
土的密度简单来讲,就是单位体积土的质量。
它反映了土的密实程度。
密度越大,说明土颗粒之间排列得越紧密;密度越小,则土颗粒之间的空隙相对较大。
在实际工程中,土的密度对于计算地基承载力、判断填土的压实程度等都具有重要意义。
比如说,在修建道路时,如果填土的密度不够,就容易出现下沉、塌陷等问题。
土的密度又分为天然密度、干密度和饱和密度。
天然密度就是土在天然状态下单位体积的质量。
干密度则是把土中的水分全部去除后,单位体积土的质量。
饱和密度是指土在饱和状态下单位体积的质量。
测定土的密度,常用的方法有环刀法、灌砂法和灌水法等。
环刀法适用于细粒土,操作相对简单。
灌砂法和灌水法适用于测定粗粒土和巨粒土的密度。
接下来谈谈土的含水率。
土的含水率指的是土中水的质量与土粒质量之比,用百分数表示。
含水率的大小直接影响着土的物理力学性质。
比如,含水率高的土,其强度往往较低,压缩性较大。
在工程中,准确测定土的含水率对于判断土的状态(如坚硬、可塑、流塑等)以及计算土的干密度等都非常重要。
常见的测定土含水率的方法有烘干法、酒精燃烧法等。
烘干法是测定含水率的标准方法,但需要较长的时间。
酒精燃烧法速度较快,但精度相对较低,适用于现场快速测定。
最后说说土的孔隙比。
孔隙比是指土中孔隙体积与土粒体积之比。
它反映了土中孔隙的大小和数量。
孔隙比越大,说明土中的孔隙越多,土越疏松;孔隙比越小,土越密实。
孔隙比在评价土的压缩性和渗透性方面有着重要的作用。
压缩性高的土,孔隙比较大;渗透性好的土,孔隙比通常也相对较大。
要确定土的孔隙比,需要先测定土的密度、含水率等指标,然后通过计算得出。
总的来说,土的密度、含水率和孔隙比这三项基本物理指标,是我们认识和研究土的性质的重要依据。
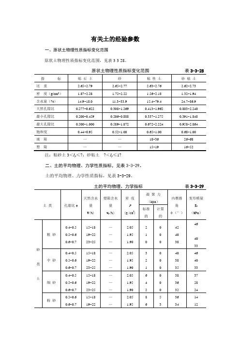
⼟的经验参数(物理指标、压缩、变形模量、剪切强度)有关⼟的经验参数⼀、原状⼟物理性质指标变化范围原状⼟物理性质指标变化范围,见表3-3-28。
注:粘砂⼟3<I p≤7;砂粘⼟7<I p≤17⼆、⼟的平均物理、⼒学性质指标,见表3-3-29。
⼟的平均物理、⼒学性质指标,见表3-3-29。
注:①平均⽐重采取:砂——2.66;粘砂⼟——2.70;砂粘⼟——2.71;粘⼟——2.74;②粗砂和中砂的E 0值适⽤于不均匀系数C u = = 3者,当C u >5时应按表中所列值减少。
C u 为中间值时E 0 值按内插法确定;③对于地基稳定计算,采⽤⼈摩擦⾓φ的计算值低于标准值2°。
1060d d 32三、⼟的压缩模量⼀般范围值⼟的压缩模量⼀般范围值,见表3-3-3-。
注:砂粘⼟7<I p≤7;粘⼟I p>17四、粘性⼟剪强度参考值粘性⼟抗剪强度参考值,见表3-3-31。
注:粘砂⼟3<I p≤7;砂粘⼟7<I p≤7;粘⼟I p>17五、⼟的侧压⼒系数(ξ)和泊松⽐(u)参考值注:粘⼟I p>17;粉质粘⼟10<I p≤17;I p≤10五、变形模量于压缩模量的关系变形模量E0是指⼟体在⽆侧限条件下应⼒与应变之⽐,其中的应变包含弹性应变和塑性应变两部分。
因此,变形模量较弹性模量E⼩,通常在⼟与基础的共同作⽤分析中⽤变形模量E。
变形模量⼀般是通过现场载荷试验确定,⼀些地⽅通过静⼒触探、标贯试验与变形模量建⽴了经验公式。
压缩模量Es是在侧限条件下应⼒与应变的⽐值,是通过室内试验获取的参数。
两者的关系:对于软⼟E0近似等于Es;较硬⼟层,E0=βEs,β=2~8,⼟愈坚硬,倍数愈⼤。
有关土的经验参数一、原状土物理性质指标变化范围原状土物理性质指标变化范围,见表3-3-28。
注:粘砂土3<I p≤7;砂粘土7<I p≤17二、土的平均物理、力学性质指标,见表3-3-29。
土的平均物理、力学性质指标,见表3-3-29。
注:①平均比重采取:砂——2.66;粘砂土——2.70;砂粘土——2.71;粘土——2.74;②粗砂和中砂的E 0值适用于不均匀系数C u = = 3者,当C u >5时应按表中所列值减少 。
C u为中间值时E 0 值按内插法确定;③对于地基稳定计算,采用人摩擦角φ的计算值低于标准值2°。
1060d d 32三、土的压缩模量一般范围值土的压缩模量一般范围值,见表3-3-3-。
注:砂粘土7<I p≤7;粘土I p>17四、粘性土剪强度参考值粘性土抗剪强度参考值,见表3-3-31。
注:粘砂土3<I p≤7;砂粘土7<I p≤7;粘土I p>17五、土的侧压力系数(ξ)和泊松比(u)参考值注:粘土I p>17;粉质粘土10<I p≤17;I p≤10五、变形模量于压缩模量的关系变形模量E0是指土体在无侧限条件下应力与应变之比,其中的应变包含弹性应变和塑性应变两部分。
因此,变形模量较弹性模量E小,通常在土与基础的共同作用分析中用变形模量E。
变形模量一般是通过现场载荷试验确定,一些地方通过静力触探、标贯试验与变形模量建立了经验公式。
压缩模量Es是在侧限条件下应力与应变的比值,是通过室内试验获取的参数。
两者的关系:对于软土E0近似等于Es;较硬土层,E0=βEs,β=2~8,土愈坚硬,倍数愈大。
实验一土的物理性质指标实验一、密度实验:土的密度是指土的单位体积质量。
(一)实验目的测定土的密度,以了解土的疏密和干湿状态,供换算土的其他物理性质指标和工程设计和操纵施工质量之用。
(二)实验方式经常使用的测试方式有环刀法、蜡封法、灌砂法等。
环刀法操作简便而准确,在室内和野外普遍应用。
对易碎裂或含有粗颗粒、难以切削的土样可用蜡封法——取一块试样称其质量后浸入融化的石蜡中,使试样表面包上一层蜡膜,别离称蜡加土在空气中及水中的质量,已知蜡的比重,通过计算即可求得土的密度。
对难取原状试样的砂土、砂砾土和砾质土在现场可用灌砂法或灌水法求土的密度。
(三)仪器及工具1.环刀:内径6.18厘米,高2厘米,体积为60立方厘米。
2.天平:感量0.1克。
3.其它工具:钢丝锯、刮土刀、玻璃片、凡士林油等。
(四)实验步骤(环刀法)1.将环刀内壁涂一薄层凡士林油,并将其刃口向下放在土样上;2.切土时用钢丝锯(硬土用刮土刀),沿环刀外壁将土样削成略大于环刀外径的土柱,然后将环刀垂直下压,边压边削,直至试样凸出环刀为止;3.用钢丝锯将环刀两头余土削去,再用刮土刀刮平两头,将试样两头余土留作含水率实验用;4.擦净环刀外壁,称环刀和试样合质量,准确至0.1克;5.按下式计算土的湿度和干密度:(五)操作注意事项用环刀切取试样,应尽可能避免扰动,为幸免环刀下压时挤压周围土样,要边压边削,直至土样伸出环刀,然后用刮土刀一次校平,严禁用刮土刀在土面上来回抹平,如遇石子等其它杂物空洞要尽可能躲开,如无法躲开视情形酌情补土。
二、含水率实验土的含水率是指土在温度100~105摄氏度下烘至恒重时失去水分的质量与达到恒重后干土质量的比值,以百分数表示。
(一)实验目的测定土的含水率,以了解土的含水情形并提供计算土的干密度、土的孔隙比、饱和度及土的其它物理力学指标的大体参数。
(二)实验方式室内实验的标准方式为烘干法。
在野外如无烘箱设备或要求快速测定含水量时,能够依据土的性质和工程情形别离采纳以下方式:1.酒精燃烧法:取3~5克试样,用无水酒精浸湿燃烧至恒重,求其含水量。
土的三项基本物理性质指标土的物理力学基本指标知识点主要分为:质量密度;孔隙比;孔隙率;含水量;饱和度;界限含水量;液限;塑限;塑性指数;液性指数;渗透系数;内摩擦角与黏(内)聚力等。
土的物理力学基本指标土的三相(固体颗粒、水和气)组成特性,构成了其许多物理力学特性。
相同成分和结构的土中,土的三相之间具备相同的比例。
土的三相共同组成的重量和体积之间的比例关系相同,则土的重量性质(重、轻情况)、不含水性(含水程度)和孔隙性(规整程度)等基本物理性质各不相同,并随着各种条件的变化而发生改变。
比如对同一成分和结构的土,地下水位的增高或减少,都将发生改变土中水的含量;经过压实,其孔隙体积将增大。
这些情况都可以通过适当指标的具体内容数字充分反映出。
土的物理力学基本指标主要有: ①质量密度;②孔隙比;③孔隙率;④含水量;⑤饱和度;⑥界限含水量:黏性土由一种物理状态向另一种物理状态转变的界限状态所对应的含水量;⑦液限:土由流动状态转入可塑状态的界限含水量,是土的塑性上限,称为液性界限,简称液限;⑧塑限:土由可塑状态转为半固体状态时的界限含水量为塑性下限,称为塑性界限,简称塑限;⑨塑性指数:土的液限与塑限之差值;⑩液性指数:土的天然含水量与塑限差值与塑性指数之比值;⑾渗透系数:土被水透过称为土的渗透性,水在土孔隙中流动则为渗流。
在一定水力梯度下,渗流速度反映土的渗透性强弱,渗透系数是渗流速度与水力梯度成正比的比例系数;⑿内摩擦角与黏(内)聚力:土的抗剪强度由滑动面上土的黏聚力(阻挡剪切)和土的内摩阻力两部分组成,摩阻力又与法向应力成正比,其中内摩擦角反映了土的摩阻性质。
因而内摩擦角与黏聚力是土抗剪强度的两个力学指标。
土的物理力学性质及其指标1. 体积重是指土壤单位体积的质量,通常用单位是千克/立方米(kg/m^3)或兆帕(MPa)表示。
体积重是土壤力学性质的重要参数,它直接影响土体的承载能力和稳定性。
体积重的大小与土壤颗粒密度、含水量和孔隙度有关。
2.孔隙比是指土壤中孔隙体积与总体积的比值,即孔隙度。
孔隙比能够反映土壤孔隙结构和孔隙连通性,对土壤的透水性、保水性和通气性等性质有重要影响。
孔隙比的大小与土壤颗粒颗粒的形态、大小和堆积密度等因素有关。
3.毛细吸力是指土壤孔隙中水分上升或下降所受到的作用力。
毛细吸力与土壤含水量、孔隙度、土壤颗粒大小和水表面张力等因素有关。
毛细吸力对土壤水分运移和供水能力有着重要影响,也是评价土壤保水能力和透水性的重要指标。
4.剪切强度是指土壤在剪切应力作用下的抗剪能力。
剪切强度是土体抗剪破坏的重要参数,直接影响土壤的稳定性和承载力。
土壤的剪切强度与土壤颗粒间的内聚力、黏聚力和有效应力等有关。
此外,还有一些与土壤物理力学性质相关的指标,如孔隙水压力、压缩系数、孔隙率等。
5.孔隙水压力是指土壤孔隙中水分所受到的压力。
它与土壤含水量、孔隙度和毛细吸力等因素有关。
孔隙水压力对土壤水分状态和土壤力学性质具有重要影响。
6.压缩系数是指土壤在外力作用下体积变化与应力之间的关系。
压缩系数反映土壤的压缩性质,与土壤的固结和液化等问题密切相关。
7.孔隙率是指土壤孔隙体积与总体积的比值,即孔隙系数。
孔隙率能够反映土壤孔隙结构和蓄水性能,也是评价土壤质地和透水性的一项重要指标。
这些物理力学性质和指标是描述土体力学性质和水分运移特性的重要参数,对土壤科学研究、土壤工程设计和农田管理等具有重要的理论和实际意义。
1、塑性指数 plasticity index塑性指数是液限和塑限之差称为塑性指数,用不带百分号的小数表示,符号为IP。
概述塑性是表征细粒土物理性能一个重要特征,一般用塑性指数来表示;液限与塑限的差值称为塑性指数IP,即IP=WL-WP。
过去的研究表明,细粒土的许多力学特性和变形参数均与塑性指数有密切的关系。
特征塑性指数可塑性是粘性土区别于砂土的重要特征。
可塑性的大小用土处在塑性状态的含水量变化范围来衡量,粘性土由一种状态过渡到另一种状态的分界含水量叫作界限含水量,也称为阿太堡界限,有缩限含水量、塑限含水量、液(流)限含水量、粘限含水量、浮限含水量五种,在建筑工程中常用前三种含水量。
固态与半固态间的界限含水量称为缩限含水量,简称缩限,用ω表示。
半固态与可塑状态间的含水量称为塑限含水量,简称塑限,用ωp表示。
可塑状态与流动状态间的含水量称为液(流)限含水量,简称液限,用ωl表示。
含水量用百分数表示。
天然含水量大于液限时土体处于流动状态;天然含水量小于缩限时,土体处于固态;天然含水量大于缩限小于塑限时,土体处于半固态;天然含水量大于塑限小于液限时,土体处于可塑状态。
塑性指数习惯上用不带%的数值表示。
塑性指数是粘土的最基本、最重要的物理指标之一,它综合地反映了粘土的物质组成,广泛应用于土的分类和评价。
因素由于塑性指数在一定程度上综合反映了影响粘性土特征的各种重要因素。
塑性指数愈大,表明土的颗粒愈细,比表面积愈大,土的粘粒或亲水矿物(如蒙脱石)含量愈高,土处在可塑状态的含水量变化范围就愈大。
也就是说塑性指数能综合地反映土的矿物成分和颗粒大小的影响。
因此,在工程上常按塑性指数对黏性土进行分类。
粉土为塑性指数小于等于10且粒径大于0.075的颗粒含量不超过总质量50%的土;黏性土为塑性指数大于10且粒径大于0.075的颗粒含量不超过总质量50%的土,其中:Ip>17 黏土Ip>10 粉质黏土Ip<10或Ip=10 粉土2、液性指数liquid index对黏性土来说,有一个指标叫液性指数,是判断土的软硬状态,表示天然含水率与界限含水率相对关系的指标。
有关土的经验参数一、原状土物理性质指标变化范围原状土物理性质指标变化范围,见表3-3-28。
原状土物理性质指标变化范围表3-3-28注:粘砂土3<I p≤7;砂粘土 7<I p≤17二、土的平均物理、力学性质指标,见表3-3-29。
土的平均物理、力学性质指标,见表3-3-29。
土的平均物理、力学指标表3-3-29注:①平均比重采取:砂——;粘砂土——;砂粘土——;粘土——;②粗砂和中砂的E 0值适用于不均匀系数C u = = 3者,当C u >5时应按表中所列值减少 。
C u为中间值时E 0 值按内插法确定;③对于地基稳定计算,采用人摩擦角φ的计算值低于标准值2°。
三、土的压缩模量一般范围值土的压缩模量一般范围值,见表3-3-3-。
土的压缩模量一般范围值 表3-3-30注:砂粘土7<I p ≤7;粘土I p >17四、粘性土剪强度参考值1060d d 32粘性土抗剪强度参考值,见表3-3-31。
注:粘砂土3<I p≤7;砂粘土7<I p≤7;粘土I p>17五、土的侧压力系数(ξ)和泊松比(u)参考值土的侧压力系数ξ和泊松比u参考值表3-3-32注:粘土I p>17;粉质粘土10<I p≤17;I p≤10五、变形模量于压缩模量的关系变形模量E0是指土体在无侧限条件下应力与应变之比,其中的应变包含弹性应变和塑性应变两部分。
因此,变形模量较弹性模量E小,通常在土与基础的共同作用分析中用变形模量E。
变形模量一般是通过现场载荷试验确定,一些地方通过静力触探、标贯试验与变形模量建立了经验公式。
压缩模量Es是在侧限条件下应力与应变的比值,是通过室内试验获取的参数。
两者的关系:对于软土E0近似等于Es;较硬土层,E0=βEs,β=2~8,土愈坚硬,倍数愈大。
土质学与土力学 2土的物理水理和力学性质《土质学与土力学》第二章 土的物理性质、水理性质和力学性质第一节 土的物理性质土是土粒(固体相),水(液体相)和空气(气体相)三者所组成的;土的物理性质就是研究三相的质量与体积间的相互比例关系以及固、液两相相互作用表现出来的性质。
土的物理性质指标,可分为两类:一类是必须通过试验测定的,如含水量,密度和土粒比重;另一类是可以根据试验测定的指标换算的;如孔隙比,孔隙率和饱和度等。
一、土的基本物理性质土的三相图(见教材P62图) (一)土粒密度(particle density)土粒密度是指固体颗粒的质量m s 与其体积Vs 之比;即土粒的单位体积质量:sss V m =ρ g/cm 3 土粒密度仅与组成土粒的矿物密度有关,而与土的孔隙大小和含水多少无关。
实际上是土中各种矿物密度的加权平均值。
砂土的土粒密度一般为:2.65 g/cm 3左右 粉质砂土的土粒密度一般为:2.68g/cm 3粉质粘土的土粒密度一般为:2.68~2.72g/cm 3 粘土的土粒密度一般为:2.7-~2.75g/cm 3 土粒密度是实测指标。
(二)土的密度(soil density)土的密度是指土的总质量m 与总体积V 之比,也即为土的单位体积的质量。
其中:V=Vs+Vv; m=m s +m w 按孔隙中充水程度不同,有天然密度,干密度,饱和密度之分。
1.天然密度(湿密度)(density)天然状态下土的密度称天然密度,以下式表示:vs ws V V m m V m ++==ρ g/cm3 土的密度取决于土粒的密度,孔隙体积的大小和孔隙中水的质量多少,它综合反映了土的物质组成和结构特征。
砂土一般是1.4 g/cm3粉质砂土及粉质粘土1.4 g/cm3 粘土为1.4 g/cm3泥炭沼泽土:1.4 g/cm3土的密度可在室内及野外现场直接测定。
室内一般采用“环刀法”测定,称得环刀内土样质量,求得环刀容积;两者之比值。
土的物理力学性质土的物理力学性质,通常在土力学中加以研究。
土力学是利用力学知识和土工试验技术来研究土的强度、变形及其规律的一门学科。
要了解土的物理力学性质,首先得了解和掌握土的特点,然后才能应用土力学的基本知识去正确地解决水土保持工程建筑中的土工问题。
土的特性表现在下述两方面:1.土的复杂性2.土的易变性在土体中,土的固相构成土的骨架。
骨架土粒的矿物成分、含水量、颗粒大小和结构,影响着土的性质。
上述土的三个组成部分的性质,它们之间量的比例关系,以及它们之间的相互作用,决定了土的物理力学性质。
工程上就是用某些物理量来说明土的物理性质和物理状态。
这些定量的数值,就叫土的物理性质指标。
物理性质指标与土的复杂的工程特性,如渗透性、压缩性和强度等,有着紧密联系,所以研究土的物理性质指标,是解决土工问题的最基本的课题。
⎪⎪⎪⎪⎪⎪⎪⎪⎪⎪⎪⎪⎪⎪⎩⎪⎪⎪⎪⎪⎪⎪⎪⎪⎪⎪⎪⎪⎪⎨⎧⎪⎪⎪⎪⎪⎪⎩⎪⎪⎪⎪⎪⎪⎨⎧⎩⎨⎧⎪⎪⎪⎩⎪⎪⎪⎨⎧⎩⎨⎧⎪⎩⎪⎨⎧⎪⎪⎪⎪⎪⎪⎩⎪⎪⎪⎪⎪⎪⎨⎧⎩⎨⎧⎪⎪⎪⎪⎪⎩⎪⎪⎪⎪⎪⎨⎧⎪⎪⎩⎪⎪⎨⎧砂土的密实度湿化膨胀与收缩湿化粘性土的膨胀、收缩与液性指数塑性指数度关系粘性土的稠度界限与强缩限塑限液限粘性土的稠度界限粘性土的稠度土的物理状态指标土的饱和度土的孔隙率和孔隙比计算推导指标土的含水量土粒比重浮容重饱和土容重湿土容重干土容重土的容重实验测定指标土的物理性质指标土的物理力学性质指标用试验方法测得的土的容重、土粒比重和含水量后,即可计算其他基本指标。
为了方便,常用下三相图(图1-1)来简化三相在数量上的关系。
该图是假想将土体内的固相、液相和气相分别集中在一起,然后计算各相间的体积与重量关系。
图中符号意义是:V s -土粒体积;V w -土中水体积;V a -土中空气体积;V v -土中孔隙体积,V v =V w + V a V -土的总体积,V =V v +V w + V a ;G s -土粒重量;G w -土中水重量;G a -土中空气重量,G a ≈0;G v -土中水、空气重量,G v =G w + G a ≈ G w ;G -土的总重量,G =G v +G w + G a 。