土的物理力学性质及其指标
- 格式:ppt
- 大小:293.00 KB
- 文档页数:16
土的三项基本物理指标土是我们日常生活和工程建设中经常接触到的一种物质。
要了解土的性质,就需要关注一些重要的物理指标。
其中,土的三项基本物理指标分别是土的密度、土的含水率和土的孔隙比。
首先来说说土的密度。
土的密度简单来讲,就是单位体积土的质量。
它反映了土的密实程度。
密度越大,说明土颗粒之间排列得越紧密;密度越小,则土颗粒之间的空隙相对较大。
在实际工程中,土的密度对于计算地基承载力、判断填土的压实程度等都具有重要意义。
比如说,在修建道路时,如果填土的密度不够,就容易出现下沉、塌陷等问题。
土的密度又分为天然密度、干密度和饱和密度。
天然密度就是土在天然状态下单位体积的质量。
干密度则是把土中的水分全部去除后,单位体积土的质量。
饱和密度是指土在饱和状态下单位体积的质量。
测定土的密度,常用的方法有环刀法、灌砂法和灌水法等。
环刀法适用于细粒土,操作相对简单。
灌砂法和灌水法适用于测定粗粒土和巨粒土的密度。
接下来谈谈土的含水率。
土的含水率指的是土中水的质量与土粒质量之比,用百分数表示。
含水率的大小直接影响着土的物理力学性质。
比如,含水率高的土,其强度往往较低,压缩性较大。
在工程中,准确测定土的含水率对于判断土的状态(如坚硬、可塑、流塑等)以及计算土的干密度等都非常重要。
常见的测定土含水率的方法有烘干法、酒精燃烧法等。
烘干法是测定含水率的标准方法,但需要较长的时间。
酒精燃烧法速度较快,但精度相对较低,适用于现场快速测定。
最后说说土的孔隙比。
孔隙比是指土中孔隙体积与土粒体积之比。
它反映了土中孔隙的大小和数量。
孔隙比越大,说明土中的孔隙越多,土越疏松;孔隙比越小,土越密实。
孔隙比在评价土的压缩性和渗透性方面有着重要的作用。
压缩性高的土,孔隙比较大;渗透性好的土,孔隙比通常也相对较大。
要确定土的孔隙比,需要先测定土的密度、含水率等指标,然后通过计算得出。
总的来说,土的密度、含水率和孔隙比这三项基本物理指标,是我们认识和研究土的性质的重要依据。
⼟的经验参数(物理指标、压缩、变形模量、剪切强度)有关⼟的经验参数⼀、原状⼟物理性质指标变化范围原状⼟物理性质指标变化范围,见表3-3-28。
注:粘砂⼟3<I p≤7;砂粘⼟7<I p≤17⼆、⼟的平均物理、⼒学性质指标,见表3-3-29。
⼟的平均物理、⼒学性质指标,见表3-3-29。
注:①平均⽐重采取:砂——2.66;粘砂⼟——2.70;砂粘⼟——2.71;粘⼟——2.74;②粗砂和中砂的E 0值适⽤于不均匀系数C u = = 3者,当C u >5时应按表中所列值减少。
C u 为中间值时E 0 值按内插法确定;③对于地基稳定计算,采⽤⼈摩擦⾓φ的计算值低于标准值2°。
1060d d 32三、⼟的压缩模量⼀般范围值⼟的压缩模量⼀般范围值,见表3-3-3-。
注:砂粘⼟7<I p≤7;粘⼟I p>17四、粘性⼟剪强度参考值粘性⼟抗剪强度参考值,见表3-3-31。
注:粘砂⼟3<I p≤7;砂粘⼟7<I p≤7;粘⼟I p>17五、⼟的侧压⼒系数(ξ)和泊松⽐(u)参考值注:粘⼟I p>17;粉质粘⼟10<I p≤17;I p≤10五、变形模量于压缩模量的关系变形模量E0是指⼟体在⽆侧限条件下应⼒与应变之⽐,其中的应变包含弹性应变和塑性应变两部分。
因此,变形模量较弹性模量E⼩,通常在⼟与基础的共同作⽤分析中⽤变形模量E。
变形模量⼀般是通过现场载荷试验确定,⼀些地⽅通过静⼒触探、标贯试验与变形模量建⽴了经验公式。
压缩模量Es是在侧限条件下应⼒与应变的⽐值,是通过室内试验获取的参数。
两者的关系:对于软⼟E0近似等于Es;较硬⼟层,E0=βEs,β=2~8,⼟愈坚硬,倍数愈⼤。
土的三项基本物理性质指标土的物理力学基本指标知识点主要分为:质量密度;孔隙比;孔隙率;含水量;饱和度;界限含水量;液限;塑限;塑性指数;液性指数;渗透系数;内摩擦角与黏(内)聚力等。
土的物理力学基本指标土的三相(固体颗粒、水和气)组成特性,构成了其许多物理力学特性。
相同成分和结构的土中,土的三相之间具备相同的比例。
土的三相共同组成的重量和体积之间的比例关系相同,则土的重量性质(重、轻情况)、不含水性(含水程度)和孔隙性(规整程度)等基本物理性质各不相同,并随着各种条件的变化而发生改变。
比如对同一成分和结构的土,地下水位的增高或减少,都将发生改变土中水的含量;经过压实,其孔隙体积将增大。
这些情况都可以通过适当指标的具体内容数字充分反映出。
土的物理力学基本指标主要有: ①质量密度;②孔隙比;③孔隙率;④含水量;⑤饱和度;⑥界限含水量:黏性土由一种物理状态向另一种物理状态转变的界限状态所对应的含水量;⑦液限:土由流动状态转入可塑状态的界限含水量,是土的塑性上限,称为液性界限,简称液限;⑧塑限:土由可塑状态转为半固体状态时的界限含水量为塑性下限,称为塑性界限,简称塑限;⑨塑性指数:土的液限与塑限之差值;⑩液性指数:土的天然含水量与塑限差值与塑性指数之比值;⑾渗透系数:土被水透过称为土的渗透性,水在土孔隙中流动则为渗流。
在一定水力梯度下,渗流速度反映土的渗透性强弱,渗透系数是渗流速度与水力梯度成正比的比例系数;⑿内摩擦角与黏(内)聚力:土的抗剪强度由滑动面上土的黏聚力(阻挡剪切)和土的内摩阻力两部分组成,摩阻力又与法向应力成正比,其中内摩擦角反映了土的摩阻性质。
因而内摩擦角与黏聚力是土抗剪强度的两个力学指标。
土的物理力学性质及其指标1. 体积重是指土壤单位体积的质量,通常用单位是千克/立方米(kg/m^3)或兆帕(MPa)表示。
体积重是土壤力学性质的重要参数,它直接影响土体的承载能力和稳定性。
体积重的大小与土壤颗粒密度、含水量和孔隙度有关。
2.孔隙比是指土壤中孔隙体积与总体积的比值,即孔隙度。
孔隙比能够反映土壤孔隙结构和孔隙连通性,对土壤的透水性、保水性和通气性等性质有重要影响。
孔隙比的大小与土壤颗粒颗粒的形态、大小和堆积密度等因素有关。
3.毛细吸力是指土壤孔隙中水分上升或下降所受到的作用力。
毛细吸力与土壤含水量、孔隙度、土壤颗粒大小和水表面张力等因素有关。
毛细吸力对土壤水分运移和供水能力有着重要影响,也是评价土壤保水能力和透水性的重要指标。
4.剪切强度是指土壤在剪切应力作用下的抗剪能力。
剪切强度是土体抗剪破坏的重要参数,直接影响土壤的稳定性和承载力。
土壤的剪切强度与土壤颗粒间的内聚力、黏聚力和有效应力等有关。
此外,还有一些与土壤物理力学性质相关的指标,如孔隙水压力、压缩系数、孔隙率等。
5.孔隙水压力是指土壤孔隙中水分所受到的压力。
它与土壤含水量、孔隙度和毛细吸力等因素有关。
孔隙水压力对土壤水分状态和土壤力学性质具有重要影响。
6.压缩系数是指土壤在外力作用下体积变化与应力之间的关系。
压缩系数反映土壤的压缩性质,与土壤的固结和液化等问题密切相关。
7.孔隙率是指土壤孔隙体积与总体积的比值,即孔隙系数。
孔隙率能够反映土壤孔隙结构和蓄水性能,也是评价土壤质地和透水性的一项重要指标。
这些物理力学性质和指标是描述土体力学性质和水分运移特性的重要参数,对土壤科学研究、土壤工程设计和农田管理等具有重要的理论和实际意义。
各土层物理力学性能指标土层物理力学性能指标是描述土层在受力下的物理学性能的参数,主要包括强度指标、变形指标和渗流指标。
以下将详细介绍各土层物理力学性能指标。
一、强度指标:1.抗压强度:表示土体抵抗垂直压缩力的能力。
一般分为极限抗压强度和终端抗压强度两种。
极限抗压强度是土体在快速加载下失效破坏的抗压强度,终端抗压强度是土体在无限时间加载下失效破坏的抗压强度。
2.抗剪强度:表示土体抵抗剪切力的能力。
常用的指标有剪切强度、内摩擦角和剪胀特性。
剪切强度是土体在剪切加载下失效破坏的抗剪强度;内摩擦角是土体抗剪切力的一个重要参数,描述土体内部颗粒间的摩擦阻力;剪胀特性是土体在剪切加载下发生的体积变化。
3.抗拉强度:表示土体抵抗拉力的能力。
土体的抗拉强度较弱,一般可忽略。
二、变形指标:1.压缩性:土体在承受一定应力后发生的压缩变形。
常见的指标有压缩模量和压缩指数。
压缩模量是描述土体吸水压缩性质的指标;压缩指数是描述土体吸水压缩特性的指标。
2.鼓包性:土体在受到一定的水平应力作用下发生的体积膨胀。
常见的指标有鼓包应力和鼓包系数。
鼓包应力是描述土体水平膨胀特性的指标;鼓包系数是描述土体鼓包性质的指标。
3.剪切变形:土体在受到剪切应力作用下的变形行为。
常用的指标有剪切模量和剪切变形密度。
剪切模量是描述土体剪切变形特性的指标;剪切变形密度是描述土体变形程度的指标。
三、渗流指标:1.渗透性:土体内部孔隙中水分运动的能力。
常用指标有渗透系数和渗透率。
渗透系数是描述土体渗透性的指标;渗透率是描述土体渗透性的指标。
2.孔隙度:表示土体中有效孔隙体积与全体积之比。
孔隙度是描述土体渗透性和储水性的重要参数。
3.渗透容限:土体在承受应力下发生的渗透变形。
渗透容限是描述土体渗透性变形特性的指标。
以上是各土层物理力学性能指标的详细介绍。
不同土层具有不同的力学性能指标,了解和研究土层的物理力学性能指标对于工程设计和建设具有重要意义。
各土层物理力学性能指标土层物理力学性能指标是描述土体固体物理性质的指标,可以用来评价土体的稳定性、抗冲刷性、渗透性等,常用指标包括体积重、单位重、孔隙比、含水率、饱和度、压缩性和剪切性能等。
1.体积重:体积重是指单位体积土体所受重力的大小。
体积重与土壤颗粒的密度有关,一般通过测定单位体积土样的质量和体积来计算。
体积重的大小直接关系到土壤的承载力和稳定性。
2.单位重:单位重是指单位体积土体的质量。
它是体积重的倒数,单位是kN/m3、单位重通常用来计算土体的水力学性质、液化性、动力响应等。
3.孔隙比:孔隙比是指土体中孔隙体积与总体积之比,是衡量土质疏松程度和渗透性的重要指标。
孔隙比越大,土体的渗透性越好。
4.含水率:含水率是指土体中含有的自由水的质量与干土质量之比。
含水率的大小直接影响土体的拟静力稳定性、渗透性、压缩性等。
5.饱和度:饱和度是指研究对象中孔隙中所含水的体积与总体积之比。
饱和度直接影响土体的渗透性、固结性、剪切强度等。
6.压缩性:压缩性是指土体在所受应力作用下体积发生变化的能力。
土壤的压缩性与孔隙分布和组成、饱和度、孔隙比等因素密切相关。
7.剪切性能:剪切性能是指土壤在受到剪切应力作用下的变形能力。
剪切性能是评价土体的抗剪强度和变形特性的重要指标。
除了上述指标外,还有其他一些指标也常用于描述土层的物理力学性能。
例如:-泊松比:泊松比是指材料在受到拉伸或压缩时沿着应变方向的变化与垂直方向的变化之比。
泊松比是评价土体的压缩性和弹性度量的重要指标。
-弹性模量:弹性模量是指材料在受力后恢复原状的能力。
弹性模量是衡量土壤抗剪切性能和变形能力的重要参数。
-液塑限度:液塑限度是指土壤从固态过渡到半固态和可塑态的水分含量范围。
液塑限度对土壤的可塑性和压缩性具有重要作用。
这些土层物理力学性能指标可以根据实际需要在实验室中进行土壤试验,以了解土体的性质,为土方工程、地基处理、地质工程设计等提供依据。
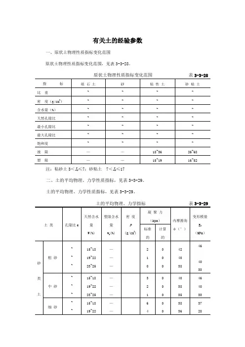
有关土的经验参数一、原状土物理性质指标变化范围原状土物理性质指标变化范围,见表3-3-28。
原状土物理性质指标变化范围表3-3-28注:粘砂土3<I p≤7;砂粘土 7<I p≤17二、土的平均物理、力学性质指标,见表3-3-29。
土的平均物理、力学性质指标,见表3-3-29。
土的平均物理、力学指标表3-3-29注:①平均比重采取:砂——;粘砂土——;砂粘土——;粘土——;②粗砂和中砂的E 0值适用于不均匀系数C u = = 3者,当C u >5时应按表中所列值减少 。
C u为中间值时E 0 值按内插法确定;③对于地基稳定计算,采用人摩擦角φ的计算值低于标准值2°。
三、土的压缩模量一般范围值土的压缩模量一般范围值,见表3-3-3-。
土的压缩模量一般范围值 表3-3-30注:砂粘土7<I p ≤7;粘土I p >17四、粘性土剪强度参考值1060d d 32粘性土抗剪强度参考值,见表3-3-31。
注:粘砂土3<I p≤7;砂粘土7<I p≤7;粘土I p>17五、土的侧压力系数(ξ)和泊松比(u)参考值土的侧压力系数ξ和泊松比u参考值表3-3-32注:粘土I p>17;粉质粘土10<I p≤17;I p≤10五、变形模量于压缩模量的关系变形模量E0是指土体在无侧限条件下应力与应变之比,其中的应变包含弹性应变和塑性应变两部分。
因此,变形模量较弹性模量E小,通常在土与基础的共同作用分析中用变形模量E。
变形模量一般是通过现场载荷试验确定,一些地方通过静力触探、标贯试验与变形模量建立了经验公式。
压缩模量Es是在侧限条件下应力与应变的比值,是通过室内试验获取的参数。
两者的关系:对于软土E0近似等于Es;较硬土层,E0=βEs,β=2~8,土愈坚硬,倍数愈大。
土的经验参数(物理指标、压缩、变形模量、剪切强度)-CAL-FENGHAI-(2020YEAR-YICAI)_JINGBIAN有关土的经验参数一、原状土物理性质指标变化范围原状土物理性质指标变化范围,见表3-3-28。
注:粘砂土3<I p≤7;砂粘土 7<I p≤17二、土的平均物理、力学性质指标,见表3-3-29。
土的平均物理、力学性质指标,见表3-3-29。
注:①平均比重采取:砂——2.66;粘砂土——2.70;砂粘土——2.71;粘土——2.74;②粗砂和中砂的E 0值适用于不均匀系数C u = = 3者,当C u >5时应按表中所列值减少 。
C u为中间值时E 0 值按内插法确定;③对于地基稳定计算,采用人摩擦角φ的计算值低于标准值2°。
1060d d 32三、土的压缩模量一般范围值土的压缩模量一般范围值,见表3-3-3-。
注:砂粘土7<I p≤7;粘土I p>17四、粘性土剪强度参考值粘性土抗剪强度参考值,见表3-3-31。
注:粘砂土3<I p≤7;砂粘土7<I p≤7;粘土I p>17五、土的侧压力系数(ξ)和泊松比(u)参考值注:粘土I p>17;粉质粘土10<I p≤17;I p≤10五、变形模量于压缩模量的关系变形模量E0是指土体在无侧限条件下应力与应变之比,其中的应变包含弹性应变和塑性应变两部分。
因此,变形模量较弹性模量E小,通常在土与基础的共同作用分析中用变形模量E。
变形模量一般是通过现场载荷试验确定,一些地方通过静力触探、标贯试验与变形模量建立了经验公式。
压缩模量Es是在侧限条件下应力与应变的比值,是通过室内试验获取的参数。
两者的关系:对于软土E0近似等于Es;较硬土层,E0=βEs,β=2~8,土愈坚硬,倍数愈大。
土的物理力学性质土的物理力学性质,通常在土力学中加以研究。
土力学是利用力学知识和土工试验技术来研究土的强度、变形及其规律的一门学科。
要了解土的物理力学性质,首先得了解和掌握土的特点,然后才能应用土力学的基本知识去正确地解决水土保持工程建筑中的土工问题。
土的特性表现在下述两方面:1.土的复杂性2.土的易变性在土体中,土的固相构成土的骨架。
骨架土粒的矿物成分、含水量、颗粒大小和结构,影响着土的性质。
上述土的三个组成部分的性质,它们之间量的比例关系,以及它们之间的相互作用,决定了土的物理力学性质。
工程上就是用某些物理量来说明土的物理性质和物理状态。
这些定量的数值,就叫土的物理性质指标。
物理性质指标与土的复杂的工程特性,如渗透性、压缩性和强度等,有着紧密联系,所以研究土的物理性质指标,是解决土工问题的最基本的课题。
⎪⎪⎪⎪⎪⎪⎪⎪⎪⎪⎪⎪⎪⎪⎩⎪⎪⎪⎪⎪⎪⎪⎪⎪⎪⎪⎪⎪⎪⎨⎧⎪⎪⎪⎪⎪⎪⎩⎪⎪⎪⎪⎪⎪⎨⎧⎩⎨⎧⎪⎪⎪⎩⎪⎪⎪⎨⎧⎩⎨⎧⎪⎩⎪⎨⎧⎪⎪⎪⎪⎪⎪⎩⎪⎪⎪⎪⎪⎪⎨⎧⎩⎨⎧⎪⎪⎪⎪⎪⎩⎪⎪⎪⎪⎪⎨⎧⎪⎪⎩⎪⎪⎨⎧砂土的密实度湿化膨胀与收缩湿化粘性土的膨胀、收缩与液性指数塑性指数度关系粘性土的稠度界限与强缩限塑限液限粘性土的稠度界限粘性土的稠度土的物理状态指标土的饱和度土的孔隙率和孔隙比计算推导指标土的含水量土粒比重浮容重饱和土容重湿土容重干土容重土的容重实验测定指标土的物理性质指标土的物理力学性质指标用试验方法测得的土的容重、土粒比重和含水量后,即可计算其他基本指标。
为了方便,常用下三相图(图1-1)来简化三相在数量上的关系。
该图是假想将土体内的固相、液相和气相分别集中在一起,然后计算各相间的体积与重量关系。
图中符号意义是:V s -土粒体积;V w -土中水体积;V a -土中空气体积;V v -土中孔隙体积,V v =V w + V a V -土的总体积,V =V v +V w + V a ;G s -土粒重量;G w -土中水重量;G a -土中空气重量,G a ≈0;G v -土中水、空气重量,G v =G w + G a ≈ G w ;G -土的总重量,G =G v +G w + G a 。