130T生物质锅炉运行规程讲解内容
- 格式:ppt
- 大小:1.19 MB
- 文档页数:134
宁波明耀环保热电有限公司企业标准锅炉运行标准——锅炉运行规程编制:审核:批准:2004年编制试行宁波明耀环保热电有限公司发布说明1、本规程根据《锅炉监督制度》、《火力发电厂水汽质量标准》、《火力发电厂水汽试验方法》、《锅炉设备型号编制方法》、《火力发电厂锅炉设计技术规定》、等有关标准,制造技术资料和现场具体情况制定。
2、本规程中锅炉主、辅设备规范,主要技术性能及参数限额根据厂家提供的说明书编写。
3、本规程所述主辅设备的内容与现场所用主辅设备的制造厂说明书或上级规定、标准抵触时,以后者为准。
4、下列人员应熟悉且必须严格执行本规程:4.1锅炉运行全体人员、值长4.2发电运行部门、检修部门、技术职能部门、安全职能部门领导及有关技术人员4.3总工程师、生产厂长5、本规程自下发之日起试行。
《锅炉运行规程》目录试行本第一章锅炉设备……………………………………………………………………第一节设备概况及特性…………………………………………………………第二节锅炉主要参数…………………………………………………………第二章锅炉启动前的检查和试验第一节启动前的检查…………………………………………………………第二节漏风试验……………………………………………………………………第三节布风板阻力特性及一次风门调节特性试验………………………………第四节料层阻力特性试验……………………………………………………第五节布风均匀性试验…………………………………………………………第六节水压试验………………………………………………………………………第七节冲洗过热器……………………………………………………………………第八节转动机械试运行………………………………………………………………第三章锅炉的启动…………………………………………………………第一节启动前的准备……………………………………………………第二节锅炉启动…………………………………………………第三节锅炉并列……………………………………………………第四章锅炉压火及热态启动…………………………………………………第一节锅炉压火……………………………………………………………第二节锅炉热态启动……………………………………………………………第五章锅炉运行监视和调整…………………………………………………第一节锅炉运行调整的任务………………………………………………第二节锅炉水位的调整……………………………………………………第三节锅炉负荷、汽压及汽温的调整……………………………………第四节锅炉燃烧的调整………………………………………………………第五节锅炉排污……………………………………………………………………第六节排渣、放灰与打焦………………………………………………………第七节转动机械运行………………………………………………………………第八节自动装置的运行…………………………………………………………第九节锅炉设备的运行维护……………………………………………………第六章锅炉停运与保养……………………………………………………………第一节锅炉的停运…………………………………………………………………第二节停炉后保养与防冻…………………………………………………………第七章锅炉运行的异常和事故处理……………………………………………第一节事故处理的总原则及注意事项………………………………………第二节故障停炉……………………………………………………………………第三节锅炉水位的异常……………………………………………………………第四节汽水共腾……………………………………………………………………第五节锅炉及管道的水冲击……………………………………………………第六节锅炉承压部件的损坏………………………………………………………第七节锅炉燃烧异常……………………………………………………………第八节电气系统的故障…………………………………………………………第九节附属设备的故障…………………………………………………………第十节MFT动作…………………………………………………………………第十一节给煤机的故障。
九江线材有限公司焦化总厂发电厂Ⅱ期2×25MW发电锅炉运行规程2010-11-5目录第一章锅炉和机组设备概述 (5)第一节锅炉简介 (5)第二节设备简要特性 (5)第二章启动前的调试 (7)第一节水压试验 (7)第二节转动机械试运转 (9)第四节阀门、档板的远方操作试验 (11)第五节保护联锁试验 (11)第三章锅炉机组启动前检查 (12)第一节锅炉本体及烟道内部的检查 (13)第二节锅炉机组阀门及管道附件的检查 (13)第三节锅炉辅机的检查 (15)第四节锅炉上水 (15)第一节锅炉点火 (15)第二节锅炉升压 (18)1、锅炉升压时间如下: (18)第三节锅炉的并列 (19)第四节锅炉安全阀的校定 (20)第五节运行调整的主要任务 (21)第六节锅炉运行参数调整 (21)第七节锅炉辅机的监视 (23)第八节锅炉的排污 (25)第九节锅炉运行定期工作 (26)第五章锅炉机组的停运 (26)第一节正常停炉 (27)第二节紧急停炉 (28)第四节停炉后的冷却 (29)第五节停炉后的保养 (30)第六节停炉后的防寒 (31)第六章锅炉常见故障处理 (32)第一节锅炉缺水 (32)第二节锅炉满水 (33)第三节锅炉灭火 (35)第四节汽水共腾 (36)第五节汽包就地水位计损坏 (37)第六节水冷壁管损坏 (37)第七节省煤器损坏 (38)第八节过热器损坏 (39)第十节蒸汽及给水管道损坏 (41)第十一节厂用电中断 (41)第十二节负荷骤减 (43)第十三节风机故障 (44)第十四节煤气管道着火与爆炸 (45)第十五节尾部烟道燃烧 (45)第十七节管道水冲击 (47)第十八节风机掉闸 (48)第十九节运行岗位职责 (49)修编:审批:前言为了提高我厂的锅炉运行的操作水平,使工作逐步走向正规化,系统化,我们编写了本规程。
这本规程参照电力部《锅炉运行规程》机组设备说明书,同时注意到我厂初级工多,力求密切联系实际情况,使操作步骤力求简洁明确。
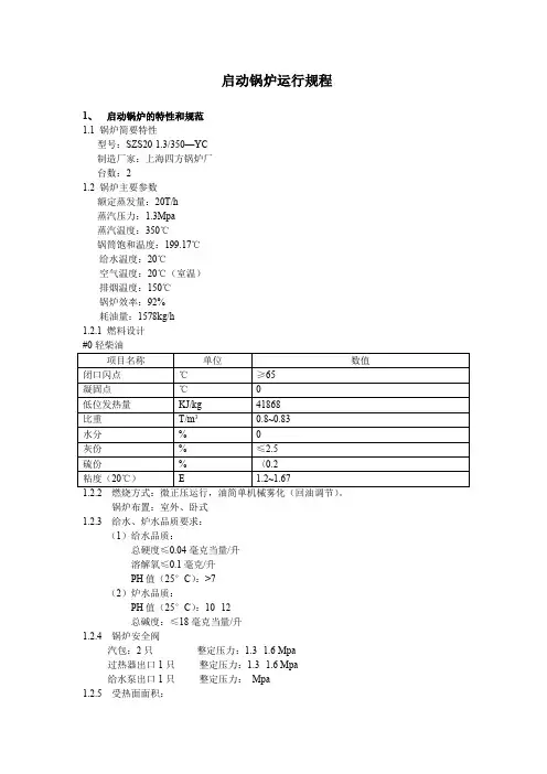
启动锅炉运行规程1、启动锅炉的特性和规范1.1 锅炉简要特性型号:SZS20-1.3/350—YC制造厂家:上海四方锅炉厂台数:21.2 锅炉主要参数额定蒸发量:20T/h蒸汽压力:1.3Mpa蒸汽温度:350℃锅筒饱和温度:199.17℃给水温度:20℃空气温度:20℃(室温)排烟温度:150℃锅炉效率:92%耗油量:1578kg/h1.2.1 燃料设计锅炉布置:室外、卧式1.2.3 给水、炉水品质要求:(1)给水品质:总硬度≤0.04毫克当量/升溶解氧≤0.1毫克/升PH值(25°C):>7(2)炉水品质:PH值(25°C):10--12总碱度:≤18毫克当量/升1.2.4 锅炉安全阀汽包:2只整定压力:1.3--1.6 Mpa过热器出口1只整定压力:1.3--1.6 Mpa给水泵出口1只整定压力:Mpa1.2.5 受热面面积:炉膛:36.08m²对流管束:220m²过热器:37.9m²省煤器:435m²1.2.6 吹灰:吹灰部位:对流管束、省煤器吹灰压力1.3Mpa,温度350℃。
1.3 辅助设备(1)油枪个数1个高能点火:HESI 1只喷油量:1578kg/h(2)排污扩容器:两炉共一台P=1.47Mpa(3)送风机型号:9-26/No100 离心通风机左0°流量:25158m³/h扬程:5560Pa送风机电动机型号:Y280S-4功率:75KW电压:380V电流:139.7A转速:1480rpm绝缘等级:B级绝缘接线方法:Δ消声器型号:F7B通流量:25000 m³/h(4)给水泵型号:DG25-30×7流量:25m³/h扬程:2.1Mpa给水泵电机型号:Y200L1-2功率:30kw电压:380V电流:56.9A转速:2950rpm绝缘等级:B级绝缘接线方法:Δ(5)循环水箱V=4 m3个数1个2、锅炉的启动2.1 启动前的检查与准备锅炉安装和检修完毕后,应派值班员进行点火前的检查和准备工作。
130t/h锅炉运行操作规程(试行)2004年7月目录第一篇锅炉机组运行 (4)第一章循环流化床锅炉的基本特性 (4)第一节运行规范 (4)一、锅炉概述 (4)二、锅炉概况主要经济指标和有关数据 (4)第二节锅炉结构 (5)一.汽包 (5)二.水冷系统 (5)三.过热器 (6)四.省煤器 (6)五.空气预热器 (6)六.燃烧系统 (7)七.炉墙 (7)八.锅炉范围内的管道布置 (7)九.管路所配安全附件 (7)十.关于锅炉的脱硫 (8)第三节锅炉辅机 (8)一.引风机 (8)二.一次风机 (8)三.二次风机 (8)四.罗茨风机 (8)五.滚筒冷渣机 (8)六.扩容器 (9)七.疏水箱 (9)八.给煤机 (9)九.疏水泵 (10)十.螺杆供油泵 (10)十一.离心油泵 (10)十二.离心油泵 (10)十二.油罐 (11)第二章锅炉启动前的准备、检查和试验 (11)第一节启动前的准备 (11)第二节启动前的检查 (11)一.司炉应检查 (11)二.副司炉应检查 (12)三.助手应检查 (13)四.各岗位现场应符合下列要求 (13)第三节启动前的试验 (14)一.锅炉上水 (14)二.水压试验 (14)三.冲洗过热器 (14)四.转动机械试验 (15)五.漏风试验 (16)六.锅炉冷态试验 (16)第三章锅炉的烘、煮炉及管道吹扫 (17)第一节烘炉 (17)第二节煮炉 (18)第三节主蒸汽管道吹扫 (18)第四章锅炉机组的启动 (19)第一节锅炉点火与升压 (19)一.点火 (19)二.锅炉的升压操作 (20)三.启动要求及注意事项 (20)四.过热器及主蒸汽管道吹扫 (21)五.校验安全阀 (21)第二节锅炉并列 (21)第五章锅炉运行中的监视与调整 (22)第一节运行调整的任务与目的 (22)第二节锅炉水位调节 (22)第三节汽温汽压的调节 (22)第四节燃烧的调整 (23)第五节锅炉排污 (24)第六节锅炉除灰、除渣 (24)第六章锅炉机组的停止 (25)第一节正常停炉 (25)第二节停炉后的冷却 (25)第三节锅炉的防腐和防冻 (25)第四节压火停炉 (26)第五节压火停炉后的再启动 (27)第六节锅炉停炉后检查项目及措施 (27)第二篇事故处理 (28)第一章故障停炉 (28)第二章锅炉水位异常 (29)第一节锅炉满水 (29)第二节锅炉缺水 (30)第三节锅炉水位不明 (30)第四节全部水位计损坏及处理 (31)第五节汽水共腾 (31)第三章锅炉承压部件的损坏 (32)第一节水冷壁管的损坏 (32)第二节省煤器的损坏 (32)第三节过热器管的损坏 (33)第四节蒸汽及给水管道的水冲击 (33)第五节蒸汽及给水管道损坏 (34)第四章汽温汽压异常 (35)第一节汽温异常 (35)一、汽温升高 (35)二、汽温降低 (35)三、汽机对汽温异常的处理规定 (36)第二节汽压异常 (36)一、汽压升高 (36)二、汽压降低 (36)三、汽机对进汽压高、低异常的处理规定 (37)第五章锅炉燃烧异常 (37)第一节烟道内可然物再燃烧 (37)一、可然物再燃烧的现象 (37)二、可燃物再燃烧的原因 (37)三、可燃物再燃烧的处理 (37)第二节燃烧室结焦 (38)一、燃烧室结焦现象 (38)二、燃烧室超温及结焦分两种情况 (38)第三节给煤机断煤 (39)第四节锅炉灭火 (39)第五节运行中缺氧燃烧 (40)第六节返料中止 (40)第七节放渣管堵塞 (41)第八节炉墙的损坏 (41)第九节风机故障 (41)第六章电气系统故障 (42)第一节负荷骤减 (42)第二节厂用电中断 (42)第三篇锅炉车间管理制度 (43)第一章总则 (43)第二章岗位职责 (44)第一节班长的职责和职权 (44)第二节司炉的职责和职权 (45)第三节副司炉职责 (45)第四节电除尘器值班员职责 (46)第三章交接班制度 (46)第一节交接班条件 (46)第二节交班 (46)第三节接班 (47)第四章巡回检查制度 (47)第一篇锅炉机组运行第一章循环流化床锅炉的基本特性第一节运行规范一、锅炉概述本锅炉是一种高效低污染的新型锅炉,该炉采用了循环流化床燃烧方式,其煤种的适应性好,可以燃用烟煤、无烟煤,也可以燃用褐煤等较底热值的燃料。
130t/h循环流化床锅炉运行规程(试行)前言本规程根据以下资料编写:1、济南锅炉厂YG-130/3.82-M6型循环流化床锅炉《设计说明书》和《使用说明书》。
2、《电业安全工作规程》(热力机械部分)。
3、济南明水热电有限公司YG-75/3.82-M1型循环流化床《锅炉运行规程》。
本规程的编写过程中,综合吸取了许多厂家130t/h 循环流化床锅炉的运行经验结合本公司75t/h循环流化床锅炉的运行实际情况和新建130t/h循环流化床锅炉的特点,力求使本规程规范、实用,具有可操作性。
4、锅炉运行管理制度同#6、7、8炉,本规程不再编制。
本规程为使用版本,待锅炉正常运行后,执行的过程中有补充改进建议,请反馈给生产部,按规定予以重新修订,使本规程得到不断的完善。
2005年10月1日目录第一篇设备技术规范第一章锅炉机组的简要特性第二章锅炉技术规范第二篇锅炉机组的启动第一章锅炉机组启动前的检查与准备第二章锅炉点火、升压及并炉第三篇锅炉运行调节第一章锅炉运行参数的控制与调整第二章锅炉运行中的监视及调整第三章锅炉的排污第四篇锅炉压火和停炉第一章锅炉压火第二章锅炉的正常停运第五篇锅炉机组的故障处理第一章总则第二章事故分析及处理第一篇设备技术规范第一章锅炉机组简要特性一、锅炉简介1、锅炉概况:(1)型号:YG130/3.82—M6(2)制造厂家:济南锅炉集团有限公司(3)制造日期:2005年7月(4)安装日期:2005年7月-10月(5)投产日期:2005年11月(6)安装单位:山东省建设第三安装有限公司2、设备概述:本锅炉是一种自然循环水管锅炉,采用由燃烧室、炉膛、水冷旋风分离器、返料器组成的循环燃烧系统,炉膛为膜式水冷壁结构,过热器分高、低II级过热器,中间设I级喷水减温器,尾部设两级省煤器和一、二次风预热器。
设备简介:(1)锅筒锅筒内径为1500mm,壁厚为46mm筒体全长10566 mm,筒身由20g钢板卷焊而成,封头是用同种钢板冲压而成。
130t/h循环流化床锅炉运行规程第一篇锅炉机组运行规程第一章锅炉设备和燃烧特性第一节锅炉设备特性1、概况循环流化床锅炉是一种高效低污染的新型锅炉。
采用循环流化燃烧方式,对煤种的适应范围广,可以燃用各类烟煤、无烟煤及低热值燃料,当燃用高硫燃料时,通过向炉内添加石灰石,能显著降低SO2和NOx的生成。
本锅炉为次高压绝热高温分离单汽包单炉膛∏型布置自然循环辐射式水管锅炉,在锅炉14m层布置有三台皮带电子称量式给煤机,将煤送入落煤管,并进入炉膛下部,炉膛四周为膜式水冷壁,烟气由炉膛经炉膛出口进入外置式旋风分离器,分离出的物料由返料器进入炉膛形成循环回路,为提高燃烧效率,除在布风板下部采用一次风外,还在燃烧室前后布置了二次风,返料机构设置布风板、返料风,以达到循环燃烧。
因本锅炉主要为供热锅炉有时达不到额定负荷,造成排烟温度低空气预热器腐蚀严重。
所以又在空域器前加了一个旁路风道。
第二章锅炉的验收及启动前准备工作第一节对锅炉的检查1、新建或者检修后的锅炉,锅炉工段长应组织运行班长、司炉及有关人员按本规程的有关规定对设备进行检查。
2、检查燃烧室及烟道内部,应符合下列条件。
1)炉墙、各二次风嘴完整、严密、无损坏现象;2)看火门、检查门及人孔门完整,能严密关闭;3)水冷壁管、过热器管、省煤器及空气预热器的外形正常,内部清洁,各部的防磨护板不变形,密封间隙合适;4)布风板上风帽无脱落磨损、烧坏、风帽小孔无堵塞,放渣口无变形;5)各测量仪表及控制装置的一次元件位置正确、完整、严密、畅通;6)防爆门完整、严密、防爆门上及周围无杂物,动作灵活可靠;7)挡板完整严密,传动装置完好,开启灵活,位置指示正确;8)无焦渣及杂物,脚手架已拆除。
3、检查放渣,放灰装置,应符合下列条件:1)放渣口无变形;2)放渣口能严密关闭;3)放灰口能严密关闭;4)放灰管固定牢固,放灰口无变形;5)放渣、放灰管无损坏,,保温完整。
4、检查除尘器1)检查门及人孔门完整,能严密无漏风;2)静电除尘器接线完好,3)布袋除尘器滤袋无破损.4)各提升阀、旁路阀开关灵活且能关闭严密。
1.运行管理制度1.1总则(1)运行值班人员在行政上受车间主任和副主任及班长的领导,值班期间受班长和值长的领导。
(2)值班人员必须按车间规定的值班表进行值班,任何人不得擅自更改或自选替班,若有事休班应提前一天持请假条向班长请假,班长和值长签署意见后交回车间分管运行的主任,决定准假与否及替班事宜。
(3)值班时,全值的最高负责人是值长,锅炉运行负责人是运行班长,机组负责人是司炉,各级值班人员必须服从命令,听从指挥,对上级的命令指示,应迅速的执行。
执行后应及时向发令人汇报。
如命令指示有足以危及人身和设备安全时应拒绝执行,说明理由,并向上级报告,如发令人坚持命令不变,执行人可按发令人的命令执行,由此发生的后果由法令人负责。
(4)各岗位的工作人员必须树立“安全第一”的思想,认真负责地工作,自觉遵守劳动纪律,坚守工作岗位,不迟到,不早退,有事必须离开工作岗位时,班长应征得值长的同意,其他人员应征得班长的同意,并且由人兼代工作或派专人顶替,严禁空岗。
(5)对自己管辖的设备负全部责任,对设备要正确使用,精心维护,做到勤分析,勤检查,保证设备安全经济运行,发现设备缺陷或异常现象,要及时处理和汇报,如当班处理有困难,应汇报值长和车间通知检修处理。
(6)结合季节特点和设备状况做好事故预想和防范措施,以提高事故处理的能力。
在阴雨天和雷雨季节防范措施应做细。
对重大操作应写操作票,并设有防范措施和设专人监护。
(7)未被任命的独立工作的培训人员的实习操作,必须有值班员监护。
如发生误操作,监护人员负主要责任。
新学员上岗,须经公司的有关培训和教育以及(安规)考试合格后方可分班组再进一步培训,经过专职岗位培训并考试合格后,方可由车间主任任命一定的工作,杜绝无证和不经培训就上岗的现页脚内容0象。
(8)值班人员离岗一月后再回岗,不许立即上岗应跟班熟悉2-3天,并经运行规程和安全规程考试合格后,方可重新担任原工作岗位。
(9)搞好现场保卫工作,对运行现场的闲杂人员,值班人员应劝其退出现场,对不听劝阻者,可报告保卫部门。
1.运行管理制度1.1总则(1)运行值班人员在行政上受车间主任和副主任及班长的领导,值班期间受班长和值长的领导。
(2)值班人员必须按车间规定的值班表进行值班,任何人不得擅自更改或自选替班,若有事休班应提前一天持请假条向班长请假,班长和值长签署意见后交回车间分管运行的主任,决定准假与否及替班事宜。
(3)值班时,全值的最高负责人是值长,锅炉运行负责人是运行班长,机组负责人是司炉,各级值班人员必须服从命令,听从指挥,对上级的命令指示,应迅速的执行。
执行后应及时向发令人汇报。
如命令指示有足以危及人身和设备安全时应拒绝执行,说明理由,并向上级报告,如发令人坚持命令不变,执行人可按发令人的命令执行,由此发生的后果由法令人负责。
(4)各岗位的工作人员必须树立“安全第一”的思想,认真负责地工作,自觉遵守劳动纪律,坚守工作岗位,不迟到,不早退,有事必须离开工作岗位时,班长应征得值长的同意,其他人员应征得班长的同意,并且由人兼代工作或派专人顶替,严禁空岗。
(5)对自己管辖的设备负全部责任,对设备要正确使用,精心维护,做到勤分析,勤检查,保证设备安全经济运行,发现设备缺陷或异常现象,要及时处理和汇报,如当班处理有困难,应汇报值长和车间通知检修处理。
(6)结合季节特点和设备状况做好事故预想和防范措施,以提高事故处理的能力。
在阴雨天和雷雨季节防范措施应做细。
对重大操作应写操作票,并设有防范措施和设专人监护。
(7)未被任命的独立工作的培训人员的实习操作,必须有值班员监护。
如发生误操作,监护人员负主要责任。
新学员上岗,须经公司的有关培训和教育以及(安规)考试合格后方可分班组再进一步培训,经过专职岗位培训并考试合格后,方可由车间主任任命一定的工作,杜绝无证和不经培训就上岗的现象。
(8)值班人员离岗一月后再回岗,不许立即上岗应跟班熟悉2-3天,并经运行规程和安全规程考试合格后,方可重新担任原工作岗位。
(9)搞好现场保卫工作,对运行现场的闲杂人员,值班人员应劝其退出现场,对不听劝阻者,可报告保卫部门。
第一节锅炉设备规范及燃料特性按节能环保及用户要求,本工程亦采用了循环流化床锅炉,由哈尔滨锅炉厂有限责任公司根据国内现行标准、材料,按用户提供的燃料进行设计和制造。
1.锅炉主要设计参数1)电厂自然条件厂区土质中软场地土厂区土质类别Ⅱ类地震烈度 7度2)燃料及石灰石特性燃料设计煤种:烟煤成份分析:煤的颗粒度:d max≤10㎜,d50≤1㎜锅炉采用床下点火,点火用油为(O#轻柴油)恩氏粘度(20℃) E1.2~1.67 运动粘度 V3.0~8.0m³/s硫≤0.2% 水份痕迹机械杂质无凝固点≤10℃闭口闪点不低于65℃低位发热值 41800KJ/kg石灰石成份分析:石灰石的颗粒度: 0-1㎜,d50=0.1~0.2㎜3)给水品质给水品质应符合GB12145-1999《火力发电机组及蒸汽动力设备水汽质量标准》中的规定2.锅炉技术规范额定蒸发量 130t/h定蒸汽压力 5.3Mpa(表压)额定蒸汽温度 450℃给水温度 105 ℃设计效率 87.4%空气预热器进口温度 20℃一次热风温度 153℃二次热风温度 156℃排烟温度 150℃锅炉正常连续排污率 2%补给水制备方式一级除盐加混床系统锅炉运行条件锅炉运行方式采取母管制运行,锅炉不投油最低稳燃负荷为30%额定负荷,在40%~100%额定负荷范围内能达到额定蒸汽参数。
3.锅炉主要计算数据(设计煤种)第二节、锅炉设备启动前的准备工作与检查、试验一、锅炉启动前的准备工作与检查1.与有关人员联系,做好下列准备工作:汽机值班人员:给水管上水。
热工值班人员:将各仪表及操作装置置于工作状态,并负责更换点火用热电偶。
燃料值班人员:原煤斗上煤。
化学值班人员:化验给水品质。
电气值班人员:电气设备送电。
准备好足够的点火炉料:引火烟煤粒度10mm,炉渣粒度8 mm以下,要求可燃物含量(5%),料层厚度约 500mm。
检查点火油枪及供油系统是否正常,点火用轻柴油不少于10t。
130吨锅炉运行规程1、运行管理制度1、1总则(1)运行值班人员在行政上受车间主任和副主任及班长的领导,值班期间受班长和值长的领导。
(2)值班人员必须按车间规定的值班表进行值班,任何人不得擅自更改或自选替班,若有事休班应提前一天持请假条向班长请假,班长和值长签署意见后交回车间分管运行的主任,决定准假与否及替班事宜。
(3)值班时,全值的最高负责人是值长,锅炉运行负责人是运行班长,机组负责人是司炉,各级值班人员必须服从命令,听从指挥,对上级的命令指示,应迅速的执行。
执行后应及时向发令人汇报。
如命令指示有足以危及人身和设备安全时应拒绝执行,说明理由,并向上级报告,如发令人坚持命令不变,执行人可按发令人的命令执行,由此发生的后果由法令人负责。
(4)各岗位的工作人员必须树立“安全第一”的思想,认真负责地工作,自觉遵守劳动纪律,坚守工作岗位,不迟到,不早退,有事必须离开工作岗位时,班长应征得值长的同意,其他人员应征得班长的同意,并且由人兼代工作或派专人顶替,严禁空岗。
(5)对自己管辖的设备负全部责任,对设备要正确使用,精心维护,做到勤分析,勤检查,保证设备安全经济运行,发现设备缺陷或异常现象,要及时处理和汇报,如当班处理有困难,应汇报值长和车间通知检修处理。
(6)结合季节特点和设备状况做好事故预想和防范措施,以提高事故处理的能力。
在阴雨天和雷雨季节防范措施应做细。
对重大操作应写操作票,并设有防范措施和设专人监护。
(7)未被任命的独立工作的培训人员的实习操作,必须有值班员监护。
如发生误操作,监护人员负主要责任。
新学员上岗,须经公司的有关培训和教育以及(安规)考试合格后方可分班组再进一步培训,经过专职岗位培训并考试合格后,方可由车间主任任命一定的工作,杜绝无证和不经培训就上岗的现象。
(8)值班人员离岗一月后再回岗,不许立即上岗应跟班熟悉2-3天,并经运行规程和安全规程考试合格后,方可重新担任原工作岗位。
(9)搞好现场保卫工作,对运行现场的闲杂人员,值班人员应劝其退出现场,对不听劝阻者,可报告保卫部门。
第一章设备技术规范及燃料特性第一节锅炉概况1.1.1 锅炉规范:1.1.1.1 主要参数:额定蒸发量 130t/h 最大连续蒸发量135t/h额定蒸汽温度 485℃±510额定蒸汽压力5.3MPa给水温度150℃冷风温度20℃1.1.1.2 锅炉给水、炉水和蒸汽品质:给水品质:硬度≤3微克/升氧≤15微克/升铁≤50微克/升铜≤10微克/升油≤1毫克/升 PH =8.8~9.2(25℃)炉水品质:磷酸根 5~15毫克/升 PH = 9~11 (25℃)含盐量≤100微克/升二氧化硅≤5毫克/升蒸汽品质:钠≤15微克/升二氧化硅≤20微克/升1.1.2 锅炉概况本锅炉为单锅筒、自然循环、集中下降管、膜式水冷壁循环流化床锅炉,室内布置。
锅炉由一个膜式水冷壁炉膛;两个汽冷式旋风分离器和一个尾部竖井烟道组成。
其中尾部竖井烟道上部由包墙包覆,下部由护板烟道组成。
在炉膛内无任何附加受热面。
在尾部竖井上部包墙内布置有高、低温过热器;下部布置有省煤器和空气预热器。
在低温过热器和高温过热器之间布置有一级喷水减温器以控制过热器出口蒸汽温度。
锅炉构架为全钢结构,按七级烈度设计,炉膛部分为悬吊式,尾部省煤器和空气预热器为搁置式。
锅炉炉膛部分采用敷管炉墙,并配有外护板。
锅炉本体结构还包括炉前三个煤溜槽和两个石灰石接口。
采用炉前称重给煤机给煤,点火采用轻柴油风室床下燃烧器。
锅炉烟气净化排放采用电除尘器。
第二节汽水系统给水经给水操作台,由锅炉左侧进入省煤器进口集箱,逆流向上经过三个水平布置的省煤器管组,加热后通过三根的省煤器连接管进入锅筒。
锅筒内径为1500mm,筒身直段长8.4m,内部装有分离设备(38只旋风分离器两排平行布置,12只波形板汽水分离器),以及加药管和排污管。
锅筒内的水通过两根集中下降管和下水连接管与前后、两侧水冷壁下联箱连接。
给水向上流经炉膛水冷壁被加热成为汽水混合物。
炉膛由四组膜式水冷壁组成为的燃烧室。
柳林县森泽煤铝热电厂锅炉运行规程(试运)编写:审核:批准:2011-09前言为确保我厂XD-130/9.81-M14型循环流化床锅炉顺利启动和正常运行,使运行人员操作及故障处理有一定的依据,特编写此规程。
编写的依据是:制造厂家资料、设计院资料、同类型锅炉及《电力工业技术管理法规》和有关电厂的先进运行经验,得到柳林县森泽煤铝公司领导、全体人员的大力支持。
由于资料有限,编写水平有限,难免有不妥之处,望各级领导及运行人员提出宝贵意见,以便及时予以修改。
本规程适用于总工、专工、值长及锅炉各岗位人员。
2011-09目录总则第一章设备及燃料的简要特性第一节锅炉概述第二节设备规范及技术参数第二章锅炉机组检修后的检查与试验第一节检修后的检查第二节水压试验第三节冲洗过热器第四节转动机械试运行第五节连锁试验第六节漏风试验第七节冷态试验第三章锅炉机组的启动第一节启动前的检查与试验第二节启动前的准备第三节锅炉点火第四节锅炉升压第五节锅炉并列第四章锅炉运行的监视与调整第一节锅炉运行调整的任务第二节锅炉水位调整第三节汽温与汽压的调整第四节锅炉燃烧的调整第五节锅炉排污第六节转动机械的运行检查第五章锅炉机组的停运第一节停炉前的准备第二节停炉的顺序第三节停炉后的冷却第四节锅炉压火热启动第五节停炉的防腐第六节停炉后的防寒第六章锅炉机组故障处理第一节故障停炉第二节锅炉水位异常第三节负荷变化的处理第四节承压部件损坏第五节燃烧异常第六节电气故障第七章热网系统的运行与维护第一节热网系统的投入第二节热网系统运行中的维护总则一、运行人员必须坚守岗位,树立“常备不懈”的安全思想,保证锅炉机组安全经济运行,了解和掌握锅炉运行情况,加强监视和检查,为可靠的供热提供保证。
二、运行人员必须自觉遵守劳动纪律,强化“判断无误”的能力,及时发现锅炉出现的异常情况,按事故处理规程迅速果断地进行正确处理。
三、当发生事故时,应保持“稳而不乱”的状态,按照有条不紊的程序,在值长、班长的指挥下进行或单独进行处理,单独进行处理后,应及时向班长、值长汇报,并做好原始记录。
130T锅炉运行规程1.1启动准备1.1.1点火前的准备工作1.1.1.2联系电气值班人员做好有关电气设备的送电工作。
1.1.1.2联系热工人员投入DCS操作系统。
1.1.1.3联系化学值班人员准备足够合格的除盐水。
1.1.1.4联系汽机值班人员做好锅炉进水的各项准备工作。
1.1.1.5进行锅炉各联锁保护的静态试验必须合格。
1.1.2锅炉上水8.1.2.1启动给水泵,开启给水旁路DN80管向锅炉进水。
水质符合GB/T12145-99标准;上水应缓慢平稳;水位计投入工作、正常。
水量约75m3。
开启省煤器再循环阀、炉顶全部空气阀;关闭主汽阀及其旁路阀、过热器集箱的所有疏水阀、加药阀、紧急放水阀、连续排污阀、定排总阀、省煤器放水阀、反冲洗阀、主给水阀。
1.1.2.2送进锅炉的水应经过除氧,进水温度控制在50~80℃。
上水温度与锅筒壁温相差不大于50℃。
1.1.2.3进水时间的控制,从锅炉内无水至汽包正常水位下75mm,约2小时。
当给水温度接近锅筒壁温时,可加快上水速度。
当进水温度与汽包壁温相差较大时,应适当延长进水时间。
1.1.2.4当水位进到汽包水位计-100mm(正常水位下75mm)时,关闭给水阀停止进水。
监视汽包水位有否变化,若水位下降,应查明是否定期排污阀、省煤器放水阀有泄漏现象。
如水位上升,则应检查给水系统阀门是否有内漏,如有严重缺陷,应在点火前消除。
1.1.2.5如炉内原已有水,必须经过取样化验,水质不合格应全部放掉,再进合格的水。
1.1.2.6锅炉停止进水后,关闭省煤器再循环阀。
1.1.2.7进水前、后应记录承压部件各膨胀指示器的指示值,分析其膨胀是否正常,若膨胀有异常,应即时汇报。
1.1.3氮气置换空气的操作——转炉煤气管道。
1.1.3.1联系煤气防护站,准备足够的氮气,并确认转炉煤气已送到母管电动蝶阀前。
1.1.3.2检查确认转炉煤气母管电动蝶阀、电动盲板阀、快切阀和母管所有放散阀已关闭。
130t/h循环流化床锅炉运行规程前言本规程根据各设备制造厂家产品使用、维护说明书及现场使用有关规定和国家电力公司的有关标准,结合一台24.5MW抽凝汽轮发电机组和一台24.5MW背压汽轮发电机组设备和系统的运行实践编写而成。
下列人员应掌握、熟悉本规程的相关内容:总工程师、技术总监、生产部经理、生产部经理助理、生产部各主管、值长、班长、控制员、巡检工程师。
本规程自颁布之日起执行。
如果大家在学习和执行的过程中有补充改进建议,请反馈给生产部,使本规程得到不断的完善。
20xx年3月附加说明:批准:审定:审核:初审:编写:1 锅炉设备系统简介1.1锅炉设备规范及特性1.1.1 锅炉型号为UG—130/9.8—M6型高温高压、单汽包横置式、单炉膛、自然循环、全钢架π型布置循环流化床锅炉。
与国产C24.5/8.83/0.98和QF—24.5—2型发电机;B24.5/8.83/0.98和QF—24.5—2型发电机配套。
制造厂家:xxx锅炉股份有限公司。
制造日期:20xx年8月。
1.1.2主要工作参数额定蒸汽温度540℃额定蒸汽压力(表压)9.81Mpa额定蒸发量130t/h最大连续蒸发量(B—MCR)150t/h给水温度215℃锅炉排烟温度141℃锅炉计算热效率90.6%燃料消耗量22.2t/h石灰石消耗量0.93t/h空气预热器进风温度20℃一次热风温度185℃二次热风温度190℃一、二次风量比60:40排污率≤2%循环倍率25~30锅炉飞灰份额70%脱硫效率(钙硫摩尔比为2.5时)≥85%1.2燃料特性1.2.1煤的入炉粒度要求:粒度范围0~10mm,50%切割粒径d50=2mm。
1.2.2点火及助燃用油锅炉点火用油:0#轻柴油1.3石灰石特性石灰石纯度分析石灰石的入炉粒度要求:粒度范围0~1mm,50%切割粒径d50=0.3mm,详见附图。
1.4汽水品质1.5.1 给水品质水源:xx江水硬度:≦2.0μmol/lPH值:9.0~9.5锅炉正常排污率:≤2%1.5.2蒸汽品质钠:≤10ug/l二氧化硅:≤20ug/l导电度(25℃):≤0.3Us/cm 1.5锅炉计算汇总表1.6炉膛水冷壁炉膛断面尺寸为7330mm×4370mm,炉膛四周由管子和扁钢焊成全密封膜式水冷壁。
130吨开工锅炉运行操作规程型号:SZL25-1.25-AII、AIII第一章总则一、电力是先行,在电力生产中,每个值班人员是所管辖设备安全、经济运行的负责人。
为此一定要认真学习,提高工作的责任感和业务水平,达到“三熟三能”(熟悉设备系统和基本原理、熟悉操作和事故处理、熟悉本岗位的规章制度,能分析运行情况、能及时发现和排除故障、能掌握一般维护技能。
二、电力生产设备是连续不断的运转,为此必须严格执行交接班和各种规程制度,防止交待或了解不清、职责不明而造成设备的异常运行。
三、电力生产“安全第一、预防为主”。
每个值班人员必须尽职尽责,做到“四勤四稳”(勤检查、勤分析、勤调整、勤联系,燃烧稳、汽压稳、汽温稳、水位稳),不做与工作无关的事,不看与工作无关的书刊,不准睡觉、打闹,不准擅自离开工作岗位,确保安全生产。
四、认真执行“两票三制”(工作票、操作票,交接班制度、设备巡回检查制度、设备定期试验轮换制度),做好事故预想,按时对设备进行巡回检查,做好设备定期试验、倒换和维护工作,对出现的问题应认真分析,正确处理并做好记录。
五、在值长的统一领导下进行值班,对领导的命令和指示应认真执行,但对威胁到人身和设备安全的错误命令应拒绝执行并说明理由。
六、认真执行“清洁卫生制度”保持现场整洁,实现文明生产。
七、在值班中对于不熟悉的人或工作无关的人进入现场,对于参观无人带领的人员要劝其退出现场。
八、对一切违犯规程制度、劳动纪律以及对工作不负责任而造成责任事故者,要分别情况追究责任,视情节轻重给予处分,情节严重者要追究法律责任。
第二章交接班制度第一节前言为加强岗位责任制,保证设备不间断的安全经济运行,杜绝在交接班时对设备的状况交待或了解不清,交接过程职责不明等原因而造成设备异常运行,特制定本制度。
本制度各值班员均应遵循,各岗位可附加具体规定。
第二节交接班条件一、值班人员必须按照轮值表进行值班,只有在特殊情况下才允许更换值班人员或变更交接班顺序,但须经领导批准。