热镀锌钢管套丝技术交底
- 格式:docx
- 大小:29.99 KB
- 文档页数:5
Xx工程施工技术交底记录6 卷尺 把 27 记号笔 支 108 机械黄油 桶 109 防锈漆 桶 5 10 银粉漆 桶 5 11 液压弯管机 台 2 12 红外线放线仪台 1 13 脚手架 个 2 14 电锤 把 2 15 电钻 把 2 16 螺丝刀 把 10 17 绝缘胶布 卷 50 18 三级配电箱台 1 19滚筒把5二、施工工艺1、施工工艺流程图2、操作工艺 a 、预制加工本次工程用热镀锌钢管间的连接均采用丝接,具体方法为:利用热镀锌管束将钢管进行连接,不得进行焊接。
1.钢管煨弯:钢管弯曲部分使用液压煨弯器进行预制,钢管弯曲半径,明敷设不得小于该管直径的6倍,暗敷设不得小于该管直径的10倍。
具体方法见《热镀锌施工准预制加确定固定点位钢管敷设、连接地线跨接防锈处理 成品、半成品保护证无毛刺,要求一管一孔,不得开长孔。
严禁用电焊、气焊开孔,并应刷防锈漆。
管口进入接线盒后,管口应用螺母锁紧,露出锁紧螺母的丝扣为2-4 扣。
两根以上管进入盒、箱要长短一致,间距均匀、排列整齐。
钢管或普利卡管与接线盒连接大样图:6.热镀锌钢管与接线盒连接示意图如上图所示,要求钢管横平竖直,连接牢固,管口套橡胶护口,以防管口割伤电线,造成短路。
多根钢管排列示意图如下:7.明配钢管应排列整齐,固定点的距离应均匀,间距符合规定要求。
8、管卡间最大距离符合下表要求:敷设方式导管种类导管直径(mm)15~2025~3232~4050~6565以上管卡间最大距离(m)支架或沿墙明敷壁厚≥2mm刚性刚导管5 2.0 2.0 2.5 3.5壁厚≤2mm刚性刚导管1.0 1.52.0 ——刚性绝缘导管 1.0 1.5 1.5 2.0 2.09、钢管进入接线盒及配电箱时,管口露出盒(箱)应小于5mm。
明配管应锁螺母固定,露出锁紧螺母的丝口为2~4扣。
10、钢管与设备连接时,应将钢管敷设至设备内,当不能直接进入时,应在钢管出口处加保护软管段设备;在建筑物的顶棚内,必须采用金属管布线,吊顶内金属软管长度不应大于0.8米。
施表F.0.2 共页第页编号工程名称XXXX奥林匹克体育中心-体育场交底日期2012年月日施工单位分项工程名称电气配管暗敷交底摘要套丝连接施工工艺标准页数共页,第页管子套丝采用套丝机将管子用台虎钳钳紧牢固,再把绞板套在管端,均匀用力,随套随浇冷却液,成型后丝扣不乱,不过长,管径20mm及以下时,分二板套成,管径在25mm及以上时,分三板套成。
(3)测定盒、箱位置:根据施工图纸要求确定盒、箱轴线的位置,以土建弹出的水平线为基准,严格按照设计标高,确定盒箱具体位置,线坠找平、找正。
(注意:开关高度不包括开关面板与盒边的高度差,因此开关插座接线盒的底边标高应比所接器具的标高高约10mm。
在有地板的房间内,以上开关、灯具等的安装高度要随地板高度相应上抬高)(4)由于本工程部分地方的预埋管数量较多,需要综合排管,依据“大管在下,小管在上”的原则布管,还要充分考虑现浇板的厚度。
(5)穿梁镀锌钢管接头尽量远离梁筋处,以方便手扳套丝机作业,如无法避免,需先将管穿梁后,根据要求尺寸切断,将管拉出底筋,套丝后再将管穿回原位置。
管子在在穿进穿出梁筋时注意不要损坏丝口。
3.管路连接(1)采用套丝连接,两管口分别插入直管接头中间,套管两端与管子丝接。
管口挫光滑平整,以保证以后穿线工作顺利进行。
管路跨直接用环形管卡固定4mm2铜导线做接地跨接,为保证可靠连接压接部位要求采用双股线。
施表F.0.2 共页第页编号工程名称XXXX奥林匹克体育中心-体育场交底日期2012年月日施工单位分项工程名称电气配管暗敷交底摘要套丝连接施工工艺标准页数共页,第页(2)管路宜沿最近的线路敷设并减少弯曲;埋入墙或混凝土的管子离表面净距不应小于15mm,消防管路不得小于30mm。
管路超过下列长度,加装接线盒,以便于穿线。
无弯时,每隔30m加一接线盒;有一个弯时,每隔20m加一接线盒;有二个弯时,每隔15m加一接线盒;有三个弯时,每隔8m 加一接线盒。
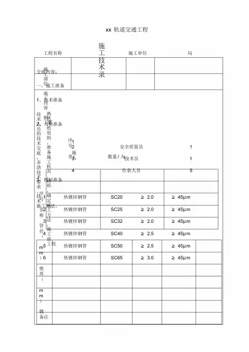
xx 轨道交通工程施工技术录工程名称施工单位 局施工部位 施工内容 钢工艺 交底内容: 一、施工准备 1、技术准备 熟悉图纸资料,准备施工机具、材料,确定施工方法,施工前工程技术人员的技术交底,弄清技术要求、技术施工方法。
2、人员准备 序号 责 数量 / 人 1 施人 1 2 安全质量员 1 3技术员1 4 作业人员53、材料准备 序号 名称 管径( m m) 壁厚( m m ) 镀备注1 热镀锌钢管 SC20 ≥ 2.0 ≥ 45μm2 热镀锌钢管 SC25 ≥ 2.0 ≥ 45μm3 热镀锌钢管 SC32 ≥ 2.0 ≥ 45μm4 热镀锌钢管 SC40 ≥ 2.5 ≥ 45μm 5热镀锌钢管 SC50 ≥ 2.5 ≥ 45μm 6热镀锌钢管 SC65≥ 3.0≥ 45μm7锌钢管 SC80 ≥ 3.0 ≥ 45μm 8锌钢管SC100≥ 3.0≥ 45μm 4、工器具准备 序号 名称数量 备注1 套丝机 台 12 角磨机 台 23 切割机台14把 5 5 油漆刷子把 10 6 卷尺 把 2 7 记号笔 支 10 8 机械黄油 桶 10 9 防锈漆 桶 5 10 银粉漆桶5二、施工工艺 1、工艺流程钢板牙选择套丝 成品保护2、操作工艺 1、钢管确定 套丝前,检查钢管是否符合标准,钢管是否完整、整、无翘脚、毛刺等; 确认钢管径,以便后续选的板牙; 用铅笔在钢管上画出套丝长度,套丝2、板牙选择根据管子的管径选择合适的板牙组。
(每组板牙上有两组数字,一组是板牙的规格,每支是一样的如:3/4,另一组是安装的顺序号如:1、2、3、4)。
3、套丝a、把板牙头从滑架上取下(掀起),松开手柄螺母,转动曲线盘,使曲线盘到刻度最大的位置。
b、将选好的板牙组按对应顺序号逐个装入板牙槽内,其锁紧缺口就会与曲线盘吻合,然后扳动曲线盘,使曲线盘上的刻度指示线与所需加工件的刻度尺对齐,拧紧手柄螺母,该板牙就正确定位,将板牙头扳起备用。
热镀锌钢管施工技术交底记录一、工程概述本次施工涉及的热镀锌钢管主要用于_____(具体项目名称)的_____(具体用途,如给排水系统、消防系统等)。
为确保施工质量和安全,特进行本次技术交底。
二、施工准备1、材料准备(1)热镀锌钢管:规格、型号应符合设计要求,管壁内外镀锌均匀,无锈蚀、无飞刺。
(2)管件:型号、规格应符合设计要求,丝扣清晰、规整,无偏扣、乱扣、丝扣不全或角度不准等现象。
(3)阀门:规格、型号应符合设计要求,铸造规矩,无毛刺、无裂纹,开关灵活严密,丝扣无损伤,直度和角度正确,强度符合要求,手轮无损伤。
(4)其他材料:型钢、圆钢、管卡子、螺栓、螺母、油麻、垫圈、电气焊条等,应符合设计要求。
2、主要机具(1)机具:套丝机、砂轮锯、台钻、电锤、手电钻、电焊机、电动试压泵等。
(2)工具:套丝板、管钳、压力钳、手锯、手锤、活扳手、链钳、煨弯器、手压泵、捻凿、大锤、断管器等。
(3)量具:水平尺、钢卷尺、线坠、卡尺、小线等。
3、作业条件(1)地下管道铺设必须在房心土回填夯实或挖到管底标高,沿管线铺设位置清理干净,管道穿墙处已留管洞或安装套管,其洞口尺寸和套管规格符合要求,坐标、标高正确。
(2)暗装管道应在地沟未盖沟盖或吊顶未封闭前进行安装,其型钢支架均应安装完毕并符合要求。
(3)明装托、吊干管安装必须在安装层的结构顶板完成后进行。
沿管线安装位置的模板及杂物清理干净,托吊卡件均已安装牢固,位置正确。
(4)立管安装应在主体结构完成后进行。
高层建筑在主体结构达到安装条件后,适当插入进行。
每层均应有明确的标高线,暗装竖井管道,应把竖井内的模板及杂物清除干净,并有防坠落措施。
(5)支管安装应在墙体砌筑完毕,墙面未装修前进行(包括暗装支管)。
三、施工工艺流程(1)认真熟悉图纸,根据施工方案决定的施工方法和技术交底的具体措施做好准备工作。
参看有关专业设备图和装修建筑图,核对各种管道的坐标、标高是否有交叉,管道排列所用空间是否合理。
一、交底对象本次交底对象为参与钢筋套丝施工的所有人员,包括施工人员、监理人员、管理人员等。
二、交底目的为确保钢筋套丝施工过程中的安全,预防事故发生,提高施工质量,特进行本次安全技术交底。
三、交底内容1. 施工现场安全规定(1)进入施工现场必须正确佩戴安全帽,系好下颚带,穿好工作服,严禁酒后上岗。
(2)施工人员必须熟悉施工现场的布局和施工流程,了解本岗位的安全职责。
(3)施工现场应设置明显的警示标志,禁止无关人员进入危险区域。
2. 钢筋套丝施工安全要求(1)钢筋套丝前,应检查钢筋的规格、长度、质量是否符合要求。
(2)钢筋套丝设备应保持完好,操作人员应熟悉设备的操作规程。
(3)钢筋套丝过程中,应保持工作场所整洁,严禁堆放杂物。
(4)钢筋套丝操作人员应佩戴防护手套,防止机械伤害。
(5)钢筋套丝过程中,应随时注意观察设备运行情况,发现异常立即停止操作,并报告相关人员。
3. 钢筋套丝设备安全操作(1)操作人员必须经过专业培训,取得相关资格证书后方可上岗。
(2)设备启动前,应检查设备各部件是否完好,传动装置是否灵活。
(3)设备运行过程中,严禁触摸转动部件,防止机械伤害。
(4)设备停机时,应关闭电源,切断水源,确保设备安全。
4. 钢筋套丝现场安全注意事项(1)钢筋套丝过程中,严禁在高空作业,如需高空作业,必须搭设脚手架,并佩戴安全带。
(2)搬运钢筋时,应使用专用工具,严禁用手直接搬运。
(3)钢筋堆放应整齐,严禁堆放过高,防止倾倒。
(4)施工过程中,应保持施工现场通风良好,确保施工人员身体健康。
5. 应急处理(1)发生机械伤害时,应立即切断电源,停止操作,并及时报告相关人员。
(2)发生触电事故时,应立即切断电源,并采取急救措施。
(3)发生火灾时,应立即使用灭火器进行灭火,并迅速撤离现场。
四、交底时间本次安全技术交底时间为:____年____月____日。
五、交底人本次安全技术交底人为:____。
六、验收本次安全技术交底结束后,施工人员、监理人员、管理人员应共同验收,确认无误后签字确认。
Xx工程施工技术交底记录二施工工艺1、施工工艺流程图2、操作工艺a、预制加工本次工程用热镀锌钢管间的连接均采用丝接,具体方法为:利用热镀锌管束将钢管进行连接,不得进行焊接。
1.钢管煨弯:钢管弯曲部分使用液压煨弯器进行预制,钢管弯曲半径,明敷设不得小于该管直径的6倍,暗敷设不得小于该管直径的10倍。
具体方法见《热镀锌钢管弯管技术交底》。
证无毛刺,要求一管一孔,不得开长孔。
严禁用电焊、气焊开孔,并应刷防锈漆。
管 口进入接线盒后,管口应用螺母锁紧,露出锁紧螺母的丝扣为2-4扣。
两根以上管 进入盒、箱要长短一致,间距均匀、排列整齐。
钢管或普利卡管与接线盒连接大样图:6 .热镀锌钢管与接线盒连接示意图如上图所示,要求钢管横平竖直,连接牢 固,管口套橡胶护口,以防管口割伤电线,造成短路。
多根钢管排列示意图如下:♦Wk 线卡接地线lTT-rl接线盒鞍型管卡与地面固定修补前用透明胶带 铤绕,防止的浆进大盒细锢华舞缔瞪E 用钉仔将 fr 子钉A 墙内।固定锢管」 一”]|一 : 「- - - 一 11接头处用绝缴交布辐统7.明配钢管应排列整齐,固定点的距离应均匀,间距符合规定要求。
8、管卡间最大距离符合下表要求:9、钢管进入接线盒及配电箱时,管口露出盒(箱)应小于5mm。
明配管应锁螺母固定,露出锁紧螺母的丝口为2〜4扣。
10、钢管与设备连接时,应将钢管敷设至设备内,当不能直接进入时,应在钢管出口处加保护软管段设备;在建筑物的顶棚内,必须采用金属管布线,吊顶内金属软管长度不应大于0.8米。
吊顶内分线盒至器具间的连接采用金属软管,应急照明器具采用有防火要求的金属软管。
应急回路均涂防火涂料,厚度不小于1mm。
11、钢管敷设完毕后,应穿2mm2钢丝带线,方便今后穿布线。
d、跨接地线电线管路中间加装接线盒,应符合《国标电气装置安装工程及验收规范》(GB50258-96, 2.17)的规定。
在TN-S系统中,金属电线管和金属盒(箱)必须与保护地线(PE线)有可靠的电气联接。
电气镀锌钢管套丝连接技术交底记录一、前言为了保证电气设备的正常运行和安全使用,电气镀锌钢管的安装和连接必须符合相关技术标准和规范。
为此,特进行电气镀锌钢管套丝连接技术的交底,以确保施工人员对其理解和掌握。
二、施工准备1.工具准备:a)长度尺b)双头螺丝刀c)内六角扳手d)调整扳手e)塔尺f)锤子g)手电钻h)排气泵2.材料准备:a)电气镀锌钢管b)管道连接件c)螺纹密封胶d)螺纹密封胶布e)螺纹胶带f)导线g)弯头接线盒三、工作流程1.清理施工区域:a)检查施工区域是否存在杂物和尘土,及时清理。
b)确保工作台面整洁,工具和材料摆放整齐。
2.钢管切割:a)使用长度尺和塔尺测量钢管的长度,根据实际需要进行切割。
b)使用手电钻配备的合适锯片对钢管进行切割。
3.弯头安装:a)根据实际需要,选择合适的弯头连接件。
b)将弯头安装在钢管上,确保连接紧密。
c)使用内六角扳手轻轻拧紧弯头连接件。
4.螺纹密封胶处理:a)在连接件的螺纹表面上涂抹一层螺纹密封胶,以增加连接的密封性。
b)使用螺纹密封胶布将螺纹表面包裹好,确保密封胶充分附着并有效防止漏水。
5.套丝连接:a)将连接件插入到钢管的一端,确保螺纹部分完全进入管道内。
b)使用调整扳手逆时针旋转连接件,直到紧固牢固。
c)使用双头螺丝刀对连接件和弯头进行最后的调整紧固,以确保没有松动。
6.安装导线:a)使用钳子剥开导线的绝缘层。
b)将导线插入连接件中的导线孔中。
c)使用螺丝刀逆时针旋转连接件,确保导线连接紧固。
d)使用钳子对导线进行固定,以确保不会松动。
7.弯头接线盒安装:a)根据实际需要,选择合适的弯头接线盒。
b)将弯头接线盒连接在钢管末端,确保连接牢固。
四、安全注意事项1.在进行钢管切割和连接过程中,务必戴好安全帽和手套,以防止意外伤害。
2.确保工作区域通风良好,避免长时间曝露在管道内有害气体中。
3.在进行套丝连接时,使用合适的工具并遵循正确的操作方法,以防止工具损坏或操作不当引起事故。
镀锌管的技术交底一、镀锌管简介镀锌管,全称为镀锌钢管,是在钢管表面镀上一层锌,以增加钢管的耐腐蚀性能,延长使用寿命。
镀锌管在建筑、消防、水暖等领域有着广泛的应用。
二、镀锌管的分类1、热镀锌管热镀锌管是使熔融金属与铁基体反应而产生合金层,从而使基体和镀层二者相结合。
热镀锌是先将钢管进行酸洗,为了去除钢管表面的氧化铁,酸洗后,通过氯化铵或氯化锌水溶液或氯化铵和氯化锌混合水溶液槽中进行清洗,然后送入热浸镀槽中。
热镀锌具有镀层均匀,附着力强,使用寿命长等优点。
2、冷镀锌管冷镀锌管就是电镀锌,镀锌量很少,只有 10-50g/m2,其本身的耐腐蚀性比热镀锌管相差很多。
正规的镀锌管生产厂家,为了保证质量,大多不采用电镀锌(冷镀)。
只有那些规模小、设备陈旧的小企业采用电镀锌,当然他们的价格也相对便宜一些。
三、镀锌管的规格型号镀锌管的规格型号通常以公称直径(DN)来表示,常见的规格有:DN15、DN20、DN25、DN32、DN40、DN50、DN65、DN80、DN100 等。
同时,镀锌管的壁厚也有不同的标准,根据使用场景和压力要求进行选择。
四、镀锌管的性能特点1、耐腐蚀性镀锌层可以有效地防止钢管被氧化和腐蚀,在一般的环境中能够使用较长时间。
2、强度高镀锌管具有较高的强度,能够承受一定的压力和重量。
3、连接方便可以采用螺纹连接、法兰连接等多种方式,施工安装较为简便。
4、价格适中相对于不锈钢管等其他管材,镀锌管的价格较为经济实惠。
五、镀锌管的施工准备1、材料准备根据设计要求,准备好所需规格和数量的镀锌管及相应的管件、阀门等。
确保材料质量合格,有产品合格证和检验报告。
2、工具准备准备好套丝机、切割机、电焊机、扳手、管钳等施工工具,并确保工具性能良好。
3、施工条件施工场地应具备通水、通电条件,施工区域应清理干净,无障碍物。
六、镀锌管的施工工艺1、测量放线根据设计图纸,确定管道的走向和位置,并用墨线在墙、地面上弹出管道中心线。
镀锌钢管丝接施工技术交底1、为确保本工程施工质量达到优良标准,施工班组在施工前必须树立“质量第一”思想,重视施工质量,认真熟悉图纸,了解施工规范,精心施工,增强“创建品牌工程,让顾客满意”的质量目标意识。
2、根据上级管理部门联合发布的关于禁止使用冷镀锌钢管的通知精神,本工程采用的镀锌钢管均为热镀锌钢管,在材料进入现场时,一定要仔细验看产品合格证、质保书,如有不符,坚决抵制,必须要选用合格准用的产品(材料)。
3、班组在施工前必须要熟悉图纸,按照设计要求,先画出管道走向透视详图,确定分段预制的管段方案。
根据建筑的实际尺寸,仔细量出每一分段管道的长度,逐段将管子和管件连接成管段。
4、在预制管段的过程中要注意:一根管段如同时有几个管件装在同一直线方向或各个不同方向时,预制后必须要仔细观察几个管件的中心线是否正确,认真校正、调直后方可安装。
5、钢管丝接后丝纹必须清楚,不得有毛刺或乱丝现象,断丝或缺口的丝纹不得大于丝牙扣数的10%o6、钢管套丝的丝纹要有一定的坡度,以随手能旋进2〜3牙为准。
丝扣连接的管件应按旋紧方向一次拧紧,不得倒回。
拧紧后的丝纹根部应有适当的外露丝尾,一般应出2〜3牙为宜,并清除干净剩余得填充物(白柒麻丝或生丝带),外露丝牙应及时涂刷防锈漆。
7、钢管安装应横平竖直,立管段每米垂直允许偏差应小于2mm,全长为5m以上允许的偏差应小于IOmm;横管中横方向弯曲度,当管经在IOOmm以下时海米允许偏差应小于0.5mm,当管经在IOomm 以上时,每米允许偏差应小于Imm。
.8、当管经在32mm及以下时,其管壁离墙净距应保持在20〜25mm,当管径大于32mm时,其管壁离墙净距应保持在25〜30mm。
在安装管道的同时,各类管道支架固定电应随管道及时设置,并牢固将管道固定在墙面上。
9、在排列各类管道安装位置时,特别要考虑到给水管的车装维修方便,给水立管不得设置在排水立管后面,支管经过排水管时,要避开排水管承插口。
一、交底目的为确保钢筋工在套丝作业过程中的安全,防止事故发生,特制定本安全技术交底。
二、交底内容1. 作业人员要求(1)进入施工现场的作业人员必须具备相应的操作技能和安全意识,熟悉套丝作业的操作规程和安全注意事项。
(2)作业人员应经过专业培训,取得相关操作资格证书。
2. 安全防护用品(1)作业人员必须正确佩戴安全帽、防护眼镜、手套、防尘口罩等个人防护用品。
(2)在高处作业时,必须系好安全带,并正确使用安全绳。
3. 作业现场安全措施(1)作业现场应保持整洁,通道畅通,严禁堆放杂物。
(2)施工现场应设置警示标志,明确安全通道和禁止区域。
4. 机械设备安全操作(1)操作套丝机前,必须检查设备是否完好,有无异常情况。
(2)操作套丝机时,严禁将手或其他部位伸入设备内部。
(3)设备运转过程中,严禁进行清理、加油等操作。
5. 作业过程安全注意事项(1)套丝前,应检查钢筋的尺寸、形状是否符合要求,如有问题应及时处理。
(2)套丝过程中,应保持操作平稳,严禁用力过猛。
(3)操作过程中,如发现钢筋断裂、套丝机异常等情况,应立即停止操作,排除故障。
(4)作业完成后,应及时清理现场,整理工具,确保作业区域整洁。
6. 遇险情况处理(1)发生火灾时,应立即切断电源,使用灭火器进行灭火。
(2)发生触电事故时,应立即切断电源,将伤员移至安全地带,并拨打急救电话。
(3)发生其他意外事故时,应立即上报领导,并采取相应措施进行救治。
三、交底时间年月日四、交底单位施工单位:_______监理单位:_______五、注意事项1. 本交底内容为钢筋工套丝作业的安全技术要求,作业人员应认真学习并严格遵守。
2. 作业过程中,如发现安全隐患,应立即停止作业,上报领导,并采取措施整改。
3. 本交底内容为模板,实际作业中应根据现场情况调整,确保安全。
4. 作业人员应定期参加安全教育培训,提高安全意识,掌握安全技能。
5. 作业过程中,如遇特殊情况,应及时调整作业方案,确保安全。
xx轨道交通工程施工技术交底记录工程名称施工单位局施工部位施工内容钢管套丝工艺交底内容:一、施工准备1、技术准备熟悉图纸资料,准备施工机具、材料,确定施工方法,施工前要认真听取工程技术人员的技术交底,弄清技术要求、技术标准和施工方法。
2、人员准备序号岗位职责数量/人1施工负责人12安全质量员13技术员14作业人员53、材料准备序号名称管径( mm)壁厚( mm)镀锌涂层厚度备注1热镀锌钢管SC20≥ 2.0≥45μ m2热镀锌钢管SC25≥ 2.0≥45μ m3热镀锌钢管SC32≥ 2.0≥45μ m4热镀锌钢管SC40≥ 2.5≥45μ m5热镀锌钢管SC50≥ 2.5≥45μ m6热镀锌钢管SC65≥ 3.0≥45μ m7 热镀锌钢管SC80 ≥ 3.0 ≥45μ m8 热镀锌钢管SC100 ≥ 3.0 ≥45μ m4、工器具准备序号名称单位数量备注1套丝机台12角磨机台23切割机台14锉刀把55油漆刷子把106卷尺把27记号笔支108机械黄油桶109防锈漆桶510银粉漆桶5二、施工工艺1、工艺流程钢管确定板牙选择套丝成品保护2、操作工艺1、钢管确定套丝前,检查钢管是否符合标准,钢管是否完整、无凹陷、破损,管口是否平整、无翘脚、毛刺等;确认钢管管径,以便后续选择合适的板牙;用铅笔在钢管上画出套丝长度,套丝长度露出管箍2~3 扣最佳。
2、板牙选择根据管子的管径选择合适的板牙组。
(每组板牙上有两组数字,一组是板牙的规格,每支是一样的如:3/4 ,另一组是安装的顺序号如:1、2、3、4)。
3、套丝a、把板牙头从滑架上取下(掀起),松开手柄螺母,转动曲线盘,使曲线盘到刻度最大的位置。
b、将选好的板牙组按对应顺序号逐个装入板牙槽内,其锁紧缺口就会与曲线盘吻合,然后扳动曲线盘,使曲线盘上的刻度指示线与所需加工件的刻度尺对齐,拧紧手柄螺母,该板牙就正确定位,将板牙头扳起备用。
c、将变距盘旋到所需规格的位置上。
xx轨道交通工程施工技术交底记录
7 热镀锌钢管SC80 ≥3.0 ≥45μm
8 热镀锌钢管SC100 ≥3.0 ≥45μm
4、工器具准备
序号名称单位数量备注
1 套丝机台 1
2 角磨机台 2
3 切割机台 1
4 锉刀把 5
5 油漆刷子把10
6 卷尺把 2
7 记号笔支10
8 机械黄油桶10
9 防锈漆桶 5
10 银粉漆桶 5
二、施工工艺
1、工艺流程
钢管确定板牙选择套丝成品保护
2、操作工艺
1、钢管确定
套丝前,检查钢管是否符合标准,钢管是否完整、无凹陷、破损,管口是否平整、无翘脚、毛刺等;
确认钢管管径,以便后续选择合适的板牙;
用铅笔在钢管上画出套丝长度,套丝长度露出管箍2~3扣最佳。
2、板牙选择。