建筑节能检查表2018
- 格式:doc
- 大小:266.00 KB
- 文档页数:18
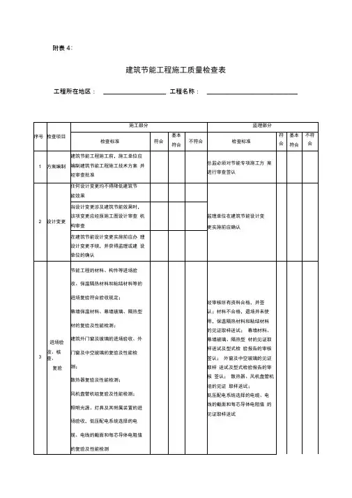
[ 建筑] 建筑节能施工质量检查表建筑节能工程施工质量检查表工程所在地区 : 工程名称 :施工部分监理部分序号检查项目基本符基本不符检查标准符合不符合检查标准符合合符合合建筑节能工程施工前,施工单位应总监必须对节能专项施工方编制建筑节能工程施工技术方案 1 方案编制案进行审查签认并经审查批准任何设计变更均不得降低建筑节能效果当设计变更涉及建筑节能效果时,该项变更应经原施工图设计审查监理单位在建筑节能设计变 2 设计变更机构审查更实施前应确认在建筑节能设计变更实施前应办理设计变更手续,并获得监理或建设单位的确认节能工程的材料、构件等进场验收、保温隔热材料和粘结材料等的经审核所有资料合格,并签进场复验符合验收规定 ;认 ; 材料不合格,退场并未使幕墙保温材料、幕墙玻璃、隔热型用,保温隔热材料和粘结材料的见证取样送试 ; 材的复验及性能检测 ; 幕墙材料、幕墙玻璃、隔热型建筑外门窗及玻璃的进场验收、外材的见证取样送试及型式检进场验验报告的审核签认 ; 门窗及中空玻璃的复验及性能检3 收、核查、外窗及中空玻璃的见证取样测 ; 复验送试及型式检验报告的审核签认 ; 散热器复验及性能检测 ; 散热器、风机盘管机组的见证风机盘管机组复验及性能检测 ; 取样送试 ; 低压配电系统选择的电缆、电照明光源、灯具及其附属装置的进线的截面和每芯导体电阻值场验收,低压配电系统选择的电的见证取样送试缆、电线的截面和每芯导体电阻值的复验及性能检测1、保温隔热材料的厚度2、保温板材与基层及各构造层之间的粘结或连接及与基墙层的粘结强度拉拔试验体墙 3 、保温浆料与基层及各层之施体间的粘结必须牢固,不应脱按照设计文件及规范验收合工节 4 层、空鼓和开裂格,并签认 ; 施工中存在问题,能有整改通知未验收 4 、保温层采用后置锚固件应工进行锚固力现场拉拔试验程预制保温板浇筑混凝土墙体保温板、保温浆料作保温层、保温砌块砌筑、预制保温墙板、隔汽层的设置及做法符合设计及验收规定。
附件1建筑节能工作情况专项检查表100附件2绿色建筑工作情况专项检查表附件3目标责任状完成情况检查表__________________ 市(盖章)填写人 _____________ 得分_______________________例:(一)目标:全市新建民用建筑节能强制性标准设计阶段执行率达100%,城区施工阶段达100%,县(市)城区施工阶段达到98%以上。
(20分)完成情况:全市新建民用建筑节能强制性标准设计阶段执行率达()%,城区施工阶段达()%,县(市)城区施工阶段达到()%以上。
得分 _________(二)目标:2014年10月15日后立项的政府投资公益性公共建筑、2万平方米以上大型公共建筑全面执行绿色建筑标准;2014年1月1日后立项的保障性住房全面执行绿色建筑标准;城区范围内25% (按面积)以上新建建筑执行绿色建筑标准,且执行绿色建筑标准的项目中达到二、三星级评价标准的比例不小于30% (按面积);所辖县创建1个以上获得绿色建筑评价标识的居住小区。
完成情况:2014年10月15日后立项的政府投资公益性公共建筑、2万平方米以上大型公共建筑()%执行绿色建筑标准;2014年1月1日后立项的保障性住房()%执行绿色建筑标准;城区范围内()%的新建建筑执行绿色建筑标准,且执行绿色建筑标准的项目中达到二、三星级评价标准的比例达()% ;()个所辖县创建()个获得绿色建筑评价标识的居住小区。
得分 _________(三)目标:全市完成既有居住建筑节能改造56万平米以上。
(16分)完成情况:全市完成既有居住建筑节能改造()万平米。
得分___________(四)目标:全市完成公共建筑能耗监测系统建设98栋以上,上报能耗基本信息和能耗统计信息数据1000栋以上,并提交年度数据分析报告。
(16分)完成情况:全市完成公共建筑能耗监测系统建设()栋,上报能耗基本信息和能耗统计信息数据()栋。
得分—(五)目标:完成可再生能源建筑应用示范验收。
附件1全市建筑节能与勘察设计工作综合检查表(检查情况汇总表)主管部门(盖章):附件2全市建筑节能与勘察设计工作综合检查表(检查项目汇总表)附件3全市建筑节能与勘察设计工作综合检查表(建筑节能检查表)附表3-1建设行政主管部门检查用表部门名称: _________________________检查组成员签名:检查日期:评分说明1、 检查范围:主要针对各市和县(市、区)建设行政主管部门。
2、 本评分表主要围绕日常推进建筑节能主要方面工作进行评 分,具体包括政策法规、技术标准、行政监管及宣传培训四个方面, 同时考虑各地在推进建筑节能方面工作方法、侧重的不同,另设了抽查结果将作为对推进建筑节能工作的实际效果的评估计入,满分 为70分。
以上各部分总和为200分。
建筑节能创新举措的分值。
本次专项检查将对具体工程进行抽查,3、项目抽查的得分是所有单个项目的平均得分。
附表3-2受检工程基本情况表工程所在地:-----------检查组成员签字:检查日期:附表3-3居住建筑节能设计质量检查用表工程所在地_____________ 项目名称 __________________________________检查组成员签字:检查日期:附表3-4公共建筑节能设计质量检查用表项目所让地___________ 项目名称__________________________________检查组成员签字:检查日期:附表4全市建筑节能与勘察设计工作综合检查表(勘察单位检查用表)受检查工程所在县(区): ____________强制性标准执行情况附表5全市建筑节能与勘察设计工作综合检查表(设计单位检查用表)被检查工程所在市、县(市、区):___________________检查组成员签字: 检查日期:附表6全峭燃踏融畛检查表检查组成员签字:检查日期:附表7全市建帼脚畛检查表检查组成员签字: 检查日期:附件8全市建做麝"查表检查组成员签字:检查日期:。