三现五原则手法讲解
- 格式:ppt
- 大小:2.32 MB
- 文档页数:40
“五原则表”通常指的是“三现五原则”中的五个步骤,这是一种解决问题的方法,主要用于改善和解决问题。
这五个步骤包括:
1.把握现状与事实:这是解决问题的第一步,需要全面了解问题的现状,收集相关的事实和数据。
2.查明真正的原因:在了解现状的基础上,进一步分析问题的原因,找出问题的根源。
3.实施适当的对策:根据问题的原因,制定并实施适当的解决方案。
4.确认对策的效果:在实施解决方案后,需要对效果进行评估,确认问题是否得到解决。
5.反馈问题的源头:最后,需要将问题的解决方案和效果反馈到问题的源头,以防止问题再次发生。
以上五个步骤构成了一个完整的问题解决流程,可以帮助我们有效地解决各种问题。
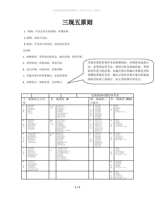
三现五原则
1.现场:不良品发生的原地,环境因素。
2.现物:实际不良品。
3.现状:不良发生的状况,包括实际状况 五原则
1.把握现状:零件的品质状态,确认结果,要因分析。
2.查明原因:再现试验,原因分析。
3.适当对策:对策内容,效果预测。
45.回馈更正:体制改善,反应修正。
如何做有效的分析与报告
问题解决之五大原则
1.1 发生状况:现场、现物、现状、日期、数量、LOT NO。
1.2 把握现状:基准值与实测的差异,再现试验,要因分析。
现在生产品质状况。
发生对象与相关原材料、中间制品。
1.3 原因的查明:分析主要要因。
再现性原因的确认。
1.4 适当的额对策:暂时或者永久性的对策内容,日期、LOT NO.在库品处理,已出库品处理。
1.5 确认对策的效果:比较对策前后都额差异。
1.6 回馈。
三现五原则-现场管理
三现五原则
1、三现:现场、现物、现实
2、五原则:A发生状况(现象、申诉内容、发生次数),把握事实(对零部件确认结果、原因分析、现正生产该部件品质状况);B查明原因(发生途径、问题再现试验,5个WHY的分析)C适当的对策(对策内容、效果预测)D确认效果(确认对策的实绩效果)E对源头的反馈(要落实到体系、组织标准化的内容)
现场-----解决问题要到问题发生的场所去
把现场看作问题发生的根源、管理水平提升的基石。
与其费尽心思追求制度的“完美”,不如踏踏实实搞好现场,才有“水到渠成”的效果。
现物-----对发生问题的对象进行确认
认为现场的问题往往有形有据,哪里发生了问题,对什么造成影响,都应加以明确。
“涓涓细流,汇聚成河”
不注意小事、细节,永远难以找出问题根源
现实-----依据事实和数据找出问题的根源
抛弃完全凭经验和感觉,工作中注重数据和事实。
比如发生了不良品,不是去讨论谁的责任,而是了解“不良品的数量、比率、什么样?在哪里发生?怎样发生?”事实胜于雄辩,事实胜于猜测,就是现实的意识。
品质管理三现五原则品质管理,这可是个大学问!就像烹饪一道美味佳肴,得有精心的准备和严格的把控。
咱先来说说“三现”。
啥是“三现”?就是现场、现物、现状。
这就好比你去看病,医生总不能光听你描述就下诊断吧?他得亲自到现场,看看你的症状,摸摸你的脉象,这才叫了解现况。
搞品质管理也是一样,不能光坐在办公室里看报告,得走到实际的生产现场,亲眼看看产品,亲自感受生产的状况。
你想想,如果一个管理者只听别人说,不去现场,那能行吗?就像你要买一双鞋,只听别人说好看,自己不亲自试试,能买到合脚的吗?再说“现物”,就是实实在在的物品。
产品出了问题,光在那空想可不行,得把有问题的产品拿在手里,仔细瞧瞧,找找毛病到底出在哪。
这就像警察破案,得找到关键的物证,才能顺藤摸瓜找到真相。
“现状”就更好理解啦,就是当下的实际情况。
比如机器的运行状态、工人的操作流程,只有清楚了解这些,才能发现问题,解决问题。
接下来咱们聊聊“五原则”。
这“五原则”就像是五个武功秘籍,掌握好了,品质管理就能游刃有余。
第一个原则是“把握现状”。
这就像打仗之前要先摸清敌人的底细,知道问题到底是啥,有多严重。
不能稀里糊涂就开始行动,那不是瞎折腾嘛!第二个原则是“原因分析”。
出了问题就得找原因,不能头疼医头,脚疼医脚。
就像车子抛锚了,你得找出是发动机的问题,还是轮胎的问题,总不能随便修修就了事。
第三个原则是“对策树立”。
找到原因了,就得想办法解决。
这对策得有针对性,可不能乱出主意。
比如说房子漏雨了,你不能说在屋里打把伞就算解决问题了吧?第四个原则是“效果确认”。
对策实施了,得看看有没有效果。
这就像吃药治病,得复查看看病好了没。
要是没效果,那得赶紧调整对策。
第五个原则是“源流反馈”。
解决了一个问题,还得想想怎么防止类似的问题再次发生。
就像补了一个洞,得想想怎么不让别的地方再出现洞。
总之,品质管理的“三现五原则”就像是一套组合拳,只有把它们运用好了,才能打出漂亮的成绩。