博世共轨EDC16系统整车线束制作说明
- 格式:pdf
- 大小:2.30 MB
- 文档页数:6
前言本文是为安装和使用1013、2012、2013电控发动机用户编写的有关电子柴油机控制(EDC)系统的简要描述。
1.系统总览EDC16电控系统是一个新型的全电子控制柴油机燃油喷射系统,它不再采用机械调速器(没有齿杆装置)。
与传统的机械喷射系统不同的是:EDC16系统采用扭矩控制策略,可以自由地控制发动机输出扭矩(喷油量)和喷油开始时间(喷油定时)两个参数。
因此,该系统能够满足国家第三阶段(欧3)及后续的排放法规的要求。
EDC16可大体地划分为两个部分:燃油系统:输油泵、电控单体泵、高压油管、喷油器;电控系统:电控单元(ECU)、传感器、开关,以及线束。
2.电控系统功能2.1发动机功能2.1.1起动对于一台发动机,为确保起动的可靠性和起动烟度排放要求,喷油定时和起动扭矩必须根据以下方式设定:喷油定时=f(转速,喷油量,冷却液温度)起动扭矩=f(转速,冷却液温度,起动时间)起动控制功能一直处于激活状态直到发动机转速超过起动结束转速,进入到怠速控制,只有到这个时候,驾驶员才能对发动机进行操作。
起动停止转速由冷却液温度和大气压力决定。
2.1.2低怠速当发动机进入到怠速控制阶段,怠速控制器起作用,控制发动机的运转。
怠速控制器是一个纯PID控制器,由该控制器保持怠速转速为一个常数。
怠速转速与冷却液温度相关,例如:在发动机温度低时的怠速转速比温度高时的转速要高。
此外,如果油门踏板出现故障,怠速转速将提高,以保持一个驾驶者可将车辆开到维修站的最低转速。
2.1.3驾驶性控制方式扭矩控制当采用扭矩控制时,来自油门踏板的值被解释为:根据当时发动机的转速,驾驶者对车轮输出扭矩的期望值。
期望扭矩=f(油门踏板位置值,发动机转速)该控制方式类似于两极式的机械调速器。
速度控制当速度控制起作用时,来自油门踏板的值被解释为:驾驶者对转速的期望值,并且运行于某一设定的调速率下。
转速的期望值=f(油门踏板的值)该控制方式类似于全程式的机械调速器。
SOFIM高压共轨柴油机电控系统介绍1、前言为了降低柴油发动机颗粒的排放,需要提高燃油的喷射能力。
其它柴油机系统,仅仅在每个气缸喷射时才由机械泵产生高压燃油。
而在共轨系统,一个专用的高压油泵使公共油管(注:俗称“共轨”)内的燃油一直保持很高的压力,而不取决于发动机的相位。
在电磁喷油器的的入口处,是已经过电控中心计算的高压燃油。
当电磁喷油器的电磁阀在电控中心的作用下开启时,在“共轨”中已处于高压的燃油被喷入相应的气缸中。
BOSCH公司为SOFIM共轨发动机柴油喷射系统设计的是一种被称为“EDC16”的电控系统(注:EDC是Engine Diesel Control的缩写)。
该系统普遍适用于SOFIM-8140.43B/S/S3/N四种共轨发动机,可以在1350bar的高压情况下稳定运行,其精确的控制使发动机的性能得到了优化,并有效地控制了排放和油耗。
所以,EDC16系统的设计意味着更低的噪音、更小的油耗、更少的有害排放物。
图一、共轨燃油系统简图电控中心EDC16具有控制和诊断功能,能对系统中其它零部件实行闭环控制,并对系统执行许多精密的诊断。
表1是对电控中心控制功能的描述,表2是对其诊断功能的描述。
表1——电控中心EDC16的控制功能控制对象 控制功能描述电子加密启动控制 电控中心与电子加密启动装置的控制单元对话以获得启动信息。
电动燃油泵控制 打开启动开关在前进档时,电控中心向电动燃油泵供电;如果发动机在9秒钟内不能启动,则电控中心取消向电动燃油泵供电。
预热启动控制 当发动机水温传感器或燃油温度传感器之一显示温度低于0°C时,电控中心向预热装置供电。
识别相位控制 电控中心通过凸轮轴相位传感器和飞轮转速传感器的信号来识别相位,并向相应气缸的电磁喷射器供电。
燃油喷射控制 根据从各个传感器采集到的发动机的负荷信息,电控中心控制燃油压力调节电磁阀、改变电磁喷油器的预喷方式和主喷方式。
喷射压力的闭环控制 电控中心根据从各个传感器采集到的发动机的负荷信息,控制燃油压力调节电磁阀以获得最佳的燃油压力。
博世共轨系统简介为满足国三排放标准,国内多数卡车及柴油机企业将技术路线定为高压共轨,目前高压共轨技术主要被博世、德尔福、电装等公司掌握,其中博世的高压共轨系统占有绝大部分市场份额。
技术升级随之而来的是车辆使用等方面的变化,为了更好地普及国三电控共轨系统的知识,让大家更好的用好车,我们在博世共轨系统的官网上找到了一些共轨系统的基础知识,现在整理出来,与大家一起分享。
●柴油共轨系统组成柴油共轨喷射系统由液力系统和电子控制系统构成。
其中液力系统又分低压液力系统和高压液力系统。
共轨系统示意图液力系统低压液力系统:—油箱—输油泵—燃油滤清器—低压油管高压液力系统:—高压泵—高压油轨—喷油器—高压油管电子控制系统(Electronic Diesel Control,简称EDC)—传感器—电控单元(Electronic Control Unit,简称ECU)—执行器,包括带电磁阀的喷油器、压力控制阀、预热塞控制单元、增压压力调节器、废气循环调节器、节流阀等—线束●共轨系统的四大核心部件其中,喷油器、高压泵、高压油轨、电控单元为柴油共轨系统四大核心的部件。
喷油器是将燃油雾化并分布在发动机燃烧室的部件。
共轨喷油器的喷油时刻和持续时间均经电控单元精确计算后给出信号,再由电磁阀控制。
2.高压泵高压泵的作用是将燃油由低压状态通过柱塞将其压缩成高压状态,以满足系统和发动机对燃油喷射压力和喷油量的要求。
高压油轨的作用是存贮燃油,同时抑制由于高压泵供油和喷油器喷油产生的压力波动,确保系统压力稳定。
高压油轨为各缸共同所有,其为共轨系统的标志。
4.电控单元电控单元就像发动机的大脑,它收集发动机的运行工况参数,结合已存储的特性图谱进行计算处理,并把信号传递给执行器,实现发动机的运行控制、故障诊断等功能。
博世共轨系统产品商用车共有两种:CRSN2-16和CRSN3-18。
●CRSN2-16:运用最广泛,最大压力1600巴基于博世全球化平台研发,为中国市场特别优化,是目前博世在中国运用最广泛的平台,可同时满足国三、国四以及国五等多种排放标准要求。
博世共轨整车功能使用手册广西玉柴机器股份有限公司工程研究院电控系统研发部2014-04目录1巡航控制功能 (3)2PTO功能 (5)3怠速微调 (7)4最高车速限制 (8)5辅助起动功能 (9)6辅助停机和强制怠速功能 (9)7电子智能省油功能 (10)8远程油门功能 (12)9排气制动和缸内制动功能 (13)10起动机控制 (15)11格栅预热控制 (16)12空调继电器控制 (18)13电子风扇控制 (19)14水报警功能 (21)15机油压力温度CAN显示 (21)161档限扭矩功能 (22)17发动机最高转速限制 (23)18发动机转速输出特性 (23)19电子油门特性 (23)20诊断请求功能 (24)21一些报文的使用说明 (26)21.1FlEco(燃油经济性)报文 (26)21.2FrmMng_FlConsum(累计燃油消耗量)报文 (27)21.3EBC1(电子刹车控制)报文 (28)21.4TSC1-AE/DE/PE/VE(扭矩/转速控制)报文 (28)1巡航控制功能1.1功能定义巡航控制的基本功能是使车辆实现按照需求的车速自动稳定行驶。
ECU接收来自车速传感器和各种开关的信号,根据需求车速与实际车速的背离情况,按照既定的控制策略实时计算出驱动车辆稳定行驶所需的驱动扭矩,以达到车辆自动稳定行驶的目的。
1.2系统组成系统硬件组成包括巡航控制开关组(巡航恢复开关、巡航停止开关、巡航调整开关+、巡航调整开关-)车速传感器刹车开关(主刹车开关、冗余刹车开关)离合器开关1.3巡航控制流程示意Array1.4巡航控制使能与退出条件1.4.1巡航控制功能的使能条件车速在标定合适范围内;档位高于设定的档位;发动机转速在标定的合适范围内;刹车、离合开关信号无故障;巡航控制开关组无故障。
1.4.2巡航控制功能的退出条件踩下刹车;按下巡航停止开关;踩下离合器;车速传感器发生故障,或者车速超过标定的合适范围;发动机转速超出标定的合适范围;启用排气制动功能。
介绍特点实物图片系统结构图系统组成喷油器CRI1-16高压泵CB08-16CB18-16CP1H-16高压油轨HFR-16LWR-16电控单元EDC17喷油器CRI2-14高压泵CB18CP1H高压油轨HFR-16LWR-16电控单元EDC16EDC17喷油器CRI 2-16高压泵CB18CP1H高压油轨HFR-16LWR-16电控单元EDC16EDC17喷油器CRI2-18高压泵CP1H-18高压油轨HFR-18电控单元EDC17基于博世全球化平台研发,为中国市场特别优化。
适用于乘用车和轻型商用车。
该平台有多种组合方案,可直接在CRS2-16基础上升级,简化开发与匹配周期。
博世最新一代全球化平台EDC17电控单元,可实现更多的功能。
专为乘用车和轻型商用车量身定制的共轨系统全球化平台,并为中国市场特别优化可在CRS2-16基础上升级低油耗,高可靠自我诊断实现高效快速解决故障系统压力高达1800巴可满足国五或更高的排放标准基于博世全球化平台研发,为中国市场特别优化。
适用于乘用车和轻型商用车。
该平台有多种组合方案,可直接在CRS2-14基础上升级,简化开发与匹配周期。
博世最新一代全球化平台EDC17电控单元,可实现更多的功能。
专为乘用车和轻型商用车量身定制的共轨系统全球化平台,为中国市场特别优化可直接在CRS2-14基础上升级低油耗,高可靠自我诊断实现高效快速解决故障系统压力可达1600巴可满足国四排放标准基于博世全球化平台研发,技术成熟,可靠耐用,为中国市场特别优化。
适用于乘用车和轻型商用车。
该平台有多种组合方案,以满足不同用户和使用工况的需求。
专为乘用车和轻型商用车量身定制的共轨系统全球化平台,为中国市场特别优化低油耗,高可靠自我诊断实现高效快速解决故障系统压力可达1400/1450巴可满足国三排放标准专为乘用车和轻型商用车量身定制的共轨系统专为中国市场研发,本土化生产经济型方案低油耗,高可靠自我诊断实现高效快速解决故障系统压力高达1600巴可满足国四排放标准博世根据中国用户的驾驶习惯使用工况,专门针对中国市场开发。
BOSCH电控共轨系统介绍● BOSCH电控共轨系统介绍1.BOSCH电控高压共轨系统构成2.BOSCH电控高压共轨结构示意图BOSCH电控高压共轨安装示意图3.BOSCH电控高压共轨系统工作原理在共轨式蓄压器喷射系统中,压力的产生和燃油的喷射是完全脱开的。
喷射压力的产生跟发动机转速和喷油量毫不相干。
燃油以一定的压力储存在高压蓄压器(即所谓的“共轨”)内,时刻准备着进行喷射。
喷油量由驾车人确定,喷射起点、喷射持续时间和喷射压力由ECU(电子控制单元)计算出来。
然后,ECU触发电磁阀,使每一个气缸的喷油器(喷油单元)相应地进行喷射。
传感器组成如下图:ECU(电子控制单元)ECU是电控发动机的控制中心,通过接收各传感器传送来的发动机运行信息,加以运算处理后控制各执行器动作。
ECU还包含着一个监测模块。
ECU和监测模块相互监测,如果发现故障,它们中的任何一个都可以独立于另一个而切断喷油。
其中喷油器线束,传感器线束发动机出厂时已经做好,整车厂需要根据整车功能的需要来做整车线束CPN2.2(+)高压油泵齿轮泵ZP5共轨管存储高压,抑止因油泵供油和喷油而产生的波动。
燃油粗滤器带油水分离器,分离燃油中的水分。
曲轴转速传感器1、永磁铁2、传感器壳体3、发动机外盖4、软铁芯5、线圈6、传感线圈原理:电磁感应功能:1、曲轴(发动机)转速;2、曲轴上止点位置。
凸轮轴转速传感器原理:霍尔效应相位确定:凸轮轴上安装着一个用铁磁性材料制成的齿,它随着凸轮轴旋转。
当这个齿经过凸轮轴传感器的半导体膜片的时候,它的磁场就会使半导体膜片中的电子以垂直于流过膜片的电流的方向发生偏转。
产生一个短促的电压信号(霍尔电压),这个电压信号告诉ECU,某1缸已经进入了压缩阶段。
水温传感器原理:高灵敏度NTC(负温度系数热敏电阻)电阻阻值随温度下降而增大。
轨压传感器1、电子接头2、评估电路3、带传感装置的皮膜4、高压接头5、固定螺纹原理:传感器皮膜上的传感器元件将高压管道内的压力变化转化成电压信号输送到ECU。
文/山东 刘华潍柴WP.10-336柴油机Bosch共轨系统油路图解(上)图1 WP10.336柴油机电控燃油喷射系统组成示意图2008年7月1日,我国车用柴油机开始执行国Ⅲ排放标准,传统柴油机必须加装电控系统,才有望达到排放标准的要求。
目前,车用柴油机大部分安装了电控高压共轨系统,其中,采用Bosch共轨系统所占比例很大。
下文将以潍柴W P 10.336(排量10L 、功率336PS)柴油机为例,对Bosch在中国运用最广泛的平台—CRSN2-16共轨系统的油路进行详细图解。
CRSN2-16系统适用于中重型商用车,系统最高压力可达160MPa,可满足国Ⅲ、国Ⅳ等排放标准。
该系统采用了CRIN2-16型喷油器,可选装三种高压油泵:CPN2-16双缸直列式高压泵,机油润滑,集成齿轮输油泵,CP3.3N-16/18三缸径向柱塞高压泵,集成齿轮输油泵以及CB28-18直列式高压泵;可以选用HFRN-16/18热锻共轨或者LWRN-16激光焊接轨;可以选用EDC7—适用于中重型商用车,可直接发动机安装,EDC16—适用于乘用车和轻中型商用车,底盘安装以及EDC1—7博世最新一代全球化平台,可集成DCU的全部功能。
潍柴WP10.336柴油机电控燃油喷射系统(见图1)。
潍柴WP10.336柴油机的燃油管路(见图2),可以分为低压油路和高压油路两部分。
一、低压油路低压油路又可分为进油油路及回油油路。
进油油路:输油泵将柴油从油箱中抽出经过柴油粗滤器(带油水分离器)过滤后,再次经过燃油细滤器过滤,此时油路分成两部分,一部分经过进油计量阀计量后送至高压油泵柱塞腔,另一部分送至回油阀,回油阀与进油计量阀并联,以保证进油计量阀的输入端压力恒定。
该发动机的电控单元直接安装在缸体上(见图3),基于ECU散热考虑,ECU下方安装了一个焊接座,利用经过燃油粗滤器的燃油流过该焊接座的空腔,然后流入输油泵,通过流动的燃油,给ECU散热。
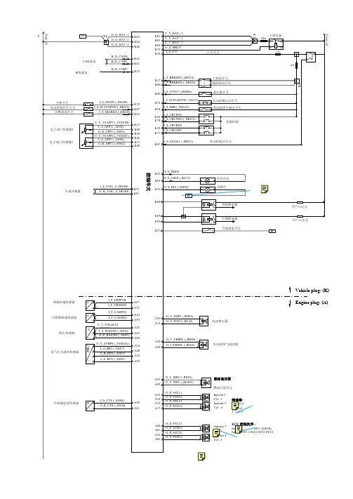
BOSCH整车功能与针脚定义BOSCH是一家德国的跨国工程和科技公司,致力于开发和生产各种汽车零部件和汽车解决方案。
在整车功能和针脚定义方面,BOSCH公司提供了广泛的解决方案,以满足汽车制造商和汽车市场的需求。
以下是关于BOSCH整车功能和针脚定义的详细说明:整车功能:1.车身控制系统:BOSCH的车身控制系统包括了各种传感器和控制单元,用于监测和控制车辆的姿态、稳定性和安全性。
这些功能包括电子稳定程序、倒车辅助、自动驾驶和自适应巡航控制等。
2.发动机管理系统:BOSCH发动机管理系统用于监测和控制发动机的运行状态,以提高燃油效率和减少尾气排放。
该系统包括了各种传感器、控制单元和执行器,用于控制点火、燃油喷射、排气和废气处理系统等。
3.刹车和制动系统:BOSCH的刹车和制动系统包括了各种传感器、液压系统和执行器,用于监测和控制车辆的制动力和稳定性。
这些系统可以提供防抱死刹车、电子制动力分配和牵引力控制等功能,提高驾驶安全性和稳定性。
4.导航和信息娱乐系统:BOSCH的导航和信息娱乐系统包括了车载导航、多媒体音频和视频播放、蓝牙连接和语音识别等功能。
这些系统提供了车辆位置和导航信息、娱乐和通信功能,提高驾驶体验和乘客娱乐性。
5.安全气囊和安全带系统:BOSCH的安全气囊和安全带系统用于保护车辆乘客在碰撞事故中的安全。
这些系统包括了碰撞传感器、控制单元和气囊/安全带预张紧器等,可以实时检测碰撞并触发气囊和/或安全带张紧,保护乘客免受严重伤害。
针脚定义:1.电源和接地针脚:这些针脚用于连接电子模块和车辆的电源和接地点,以为模块提供所需的电源电压和接地。
2.数据通信针脚:这些针脚用于连接电子模块和其他控制模块或传感器,以实现数据的传输和共享。
常见的数据通信接口包括CAN总线、LIN总线、SPI和UART等。
3.控制输入和输出针脚:这些针脚用于连接电子模块和控制开关、按钮或指示灯等,接收和发送控制信号。
电控原理电控与预热系统主要包括ECU、预热控制器、电热塞、水温传感器、转速传感器、相位传感器、空气流量计、线束等。
高压共轨电控柴油机与传统柴油机有很大区别,高压共轨电控柴油机的工作完全由ECU控制。
ECU根据当前发动机的转速、水温、进气量及油门位置(即加驾驶员的要求)等情况来确定发动机工作时的喷油时刻、喷油频率、喷油压力、喷油量等,使得供油系统具有一个理想的喷油特性,使发动机在各种工况下都能获得最佳浓度的混合气,获得理想的燃油经济性。
注意:未经BOSCH公司培训与授权,电喷系统零部件不得自行修理。
在发动机维修过程中发现电喷系统零部件故障,只能做换件处理。
预热系统保障柴油机的低温起动性能。
预热系统在发动机冷态起动前,通过电热塞加热压缩空气,提高了发动机的起动性。
当钥匙打到“ON”时,预热过程开始,此时预热灯点亮。
当预热灯熄灭时,电热塞已达到足够的温度,此时,应在15s的时间内将钥匙迅速打到“start”,发动机起动。
注意:(1)当预热灯熄灭时,15s内如果没有将钥匙打到“start”,则需将钥匙打到“off”,重新预热。
(2)当钥匙打到“ON”时,ECU报错,应将钥匙打到“off”,检查各传感器插件连接是否正常。
1、ECU控制单元发动机电控单元ECU的功用是:按规定的顺序采样所有传感器的信号,根据ECU内部的控制程序和存储的实验数据,通过数学计算和逻辑判断确定输出数据。
ECU将计算或确定的结果转换成执行器可以接收的信号,这些信号被分别送到对应的执行器。
ECU还有自动诊断系统故障的功能。
ECU 内部及ECU外部的部件一旦发现故障,仪表板的故障指示灯亮,进行报警。
ECU根据传感器收集到的驾驶员的需求(电子油门踏板的位置),以及发动机和车辆当前的工况,在ECU内计算出驾驶员需要的喷油量、喷油时刻、喷油频率和喷油压力,并发出指令使轨压控制在需要值的范围内,让喷油器按计算结果喷油。
ECU典型功能介绍:(1)轨压控制功能:轨压的控制是闭环控制。
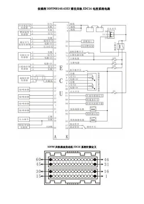
玉柴博世共轨EDC16系统整车线束制作说明
一、整车线束技术要求:
1、所有导线连接均应采用连接器连接,禁止焊接;采用专用工具正确操作,保证导线与Pin的牢固、可靠连接。
所有防水塞和盲堵要安装到位,否则整车线束的防水性能无法保障。
2、整车线束的布置应结合整车的结构进行合理的优化,如根据对象的不同进行分类,避免信号线与强电流导线并行靠近布置。
3、线束应远离排气管等高温部件,以及起动机和发电机等强电磁部件。
4、线束应用卡簧或绊订固定,以免松动磨坏,相邻的两个固定点间距不超过500mm。
5、线束不可拉得过紧,尤其在拐弯处更要注意,在绕过锐角或穿过金属孔时,应用橡皮或套管保护.否则容易磨坏线束而发生短路、搭铁,并有烧毁整个线束,酿成火灾的危险。
6、导线的线径要求参见“整车线路原理图”,整车线束中车速信号及CAN通信导线必须要求双绞。
7、整车线束制作和安装应满足QC/T 29106-2004《汽车用低压电线束技术条件》的相关要求。
8、车辆电源正负极及搭铁的连接必须合理布置,避免ECU和车身间形成电位差而损坏ECU,建议按照博世公司的要求安装,如下图:
二、整车线束接插件列表
1) 车辆信号接插件
车辆信号接插器
FC700-3900541 3-1534904-4
车辆信号端子I
车辆信号端子II 车辆信号端子Ⅲ FC700-3900543 FC700-3900544
FC700- 1-968857-1 1241608-1 968221-1
名称 玉柴图号 供应商图号
数量 车辆信号接插件 FC700-3900540 1 车辆信号接插器 FC700-3900541
3-1534904-4 1 车辆信号端子I
FC700-3900543 1-968857-1 6 车辆信号端子II
FC700-3900544 1241608-1 2 车辆信号端子Ⅲ FC700- 968221-1 35 车辆信号防水塞I
FC700-3900542 J00150027 6 中盲棍
FC700- 1394872-1 4 小盲棍 FC700- 1394871-1 70
车辆信号防水塞I
中盲棍 小盲棍 FC700-3900542
FC700- FC700- J00150027 1394872-1 1394871-1
2) 电子油门接插件
名称 玉柴图号 供应商图号
数量 电子油门接插件 G6000-3900570 1 电子油门接插器 G6000-3900571 174262-2
1 电子油门接线端子 G6000-390057
2 171662-1
6 电子油门防水塞 G6000-3900573 J00150011
6 电子油门接插座 G6000-3900574
174263-7 1
3) 车辆诊断接插件
名称 玉柴图号
供应商图号 数量
车辆诊断接插件 G6000-3900560 1
诊断接插器 G6000-3900561 282088-1 1
诊断防水塞 G6000-3900562 JSD05060 4
诊断接线端子
G6000-3900563 282110-1 4
G6000-3900574 174263-7
G6000-3900571
174262-2 G6000-3900573J0015 0011G6000-3900572171662-1 诊断接口接插件(车辆端)
4) 对接口接插件(使用和车辆诊断接插件相同的插件)
名称 玉柴图号 供应商图号 数量
车辆诊断接插件 G6000-3900560 1
诊断接插器 G6000-3900561 282088-1 1
诊断防水塞 G6000-3900562 JSD05060 4
诊断接线端子
G6000-3900563 282110-1 4
对接口接插件。