架空线路基础1
- 格式:ppt
- 大小:1.53 MB
- 文档页数:32
架空线路的基本结构及组成架空输电线路的主要部件有: 导线和避雷线(架空地线)、杆塔、绝缘子、金具、杆塔基础、拉线和接地装置等。
如图所示。
图架空输电线路一、导线和避雷线导线是用来传导电流、输送电能的元件。
输电线路一般都采用架空裸导线,每相一根,220kV及以上线路由于输送容量大,同时为了减少电晕损失和电晕干扰而采用相分裂导线,即每相采用两根及以上的导线。
采用分裂导线能输送较大的电能,而且电能损耗少,有较好的防振性能。
(一)架空导线的排列方式导线在杆塔上的排列方式:对单回线路可采用上字形、三角形或水平排列,对双回路线路可采用伞形、倒伞形、干字形或六角形排列,见图4—1。
图4-1 导线在杆塔上排列方式示意图导线在运行中经常受各种自然条件的考验,必须具有导电性能好、机械强度高、质量轻、价格低、耐腐蚀性强等特性。
由于我国铝的资源比铜丰富,加之铝和铜的价格差别较大,故几乎都采用钢芯铝线。
避雷线一般不与杆塔绝缘而是直接架设在杆塔顶部,并通过杆塔或接地引下线与接地装置连接。
避雷线的作用是减少雷击导线的机会,提高耐雷水平,减少雷击跳闸次数,保证线路安全送电。
(二)导、地线分类导、地线一般可按所用原材料或构造方式来分类。
1、按原材料分类裸导线一般可以分为铜线、铝线、钢芯铝线、镀锌钢绞线等。
铜是导电性能很好的金属,能抗腐蚀,但比重大,价格高,且机械强度不能满足大档距的强度要求,现在的架空输电线路一般都不采用。
铝的导电率比铜的低,质量轻,价格低,在电阻值相等的条件下,铝线的质量只有铜线的一半左右,但缺点是机械强度较低,运行中表面形成氧化铝薄膜后,导电性能降低,抗腐蚀性差,故在高压配电线路用得较多,输电线路一般不用铝绞线;钢的机械强度虽高,但导电性能差,抗腐蚀性也差,易生锈,一般都只用作地线或拉线,不用作导线。
钢的机械强度高,铝的导电性能好,导线的内部有几股是钢线,以承受拉力;外部为多股铝线,以传导电流。
由于交流电的集肤效应,电流主要在导体外层通过,这就充分利用了铝的导电能力和钢的机械强度,取长补短,互相配合。
架空输电线路[110kV架空输电线路初步设计]110kV架空输电线路初步设计目录前言第一章原始资料介绍 1 第二章设计说明书 2 第一节路径的选择 2 第二节导线及避雷线部分 2 第三节导体的应力及弧垂 4 第四节杆塔的选择7 第五节杆塔基础设计11 第六节绝缘子及金具的选择13 第七节防雷防振及接地保护装置的选择16 第三章计算任务书18 第一节导线截面选择及校验计算部分18 第二节导线的应力及弧垂计算20 第三节导线的防振设计27 第四节杆塔头部尺寸校验29 第四章结束语31 参考资料31 附录一弧垂应力曲线图32 附录二杆塔一览图33 附录三杆塔基础34 附录四绝缘配合35 第一章原始资料介绍一、设计情况由于国民经济的高速发展,现有城市电网难以满足工业用电及人民群众生活用电的需求,需新建一110kV架空线路,该输电线路采用单回输电方式,线路总长5km,输送功率20MW,功率因数0.8,最大利用小时数为6000小时。
该地区用电量年增长率为18%。
该地区处于平原,该输电线路经过的地势较平坦,相对高度较小,沿线耕地较少,多为居民区、工厂、道路等,沿线树木较少,土质含沙量大,地下水位较浅。
二、设计气象条件表1-1 线路经过地区的自然条气象条件类别气温(ºC)风速(m/s) 覆冰厚度(mm) 最高气温+40 0 0 最低气温-20 0 0 最大风速-5 30 0 覆冰情况-5 10 10 年平均气温+15 0 0 外过电压+15 10 0 内过电压+15 15 0 安装情况-10 10 0 冰的比重0.9g/cm3 第二章设计说明书第一节路径的选择该线路从110kV(A站)构架出线至110kV (B站)进线构架线路全长5km,全线经过的地区地势较平坦,相对高度较小,沿线耕地较少,多为居民区,工厂,河流,道路等,沿线树木较少。
沿途有公路到达,交通运输方便,有利于施工、运行、维护。
经工作人员对本地地形反复考察绘制出的路径图如下所示。
第一章架空输电线路基本知识1、输电线路的任务是输送电能,并联络各发电厂、变电站使之并列运行,实现电力系统联网。
2、输电线路的分类:输电线路按电压等级分为高压、超高压、特高压线路;按架设方式分为架空线路和电缆线路;按输送电流的性质分为交流线路和直流线路;按杆塔上的回路数目分为单回路、双回路和多回路线路;按相导线之间的距离分为常规型和紧凑型线路。
3、架空输电线路的组成:架空输电线路主要有导线、地线、绝缘子(串)、线路金具、杆塔和拉线、基础以及接地装置等部分组成。
4、架空线结构及规格:输电线路用架空线基本都由多股圆线同心绞合而成;在现行国家标准中,导线用型号、规格号、绞合结构及本标准号表示。
型号第一个字母均用J,表示同心绞合;例如JG1A-40-19表示19根A级镀层普通强度镀锌钢线绞制成的镀锌钢绞线,相当于40mm²硬铝线的导电性;JL/G1B-500-45/7表示由45根硬铝线和7根B级镀层普通强度镀锌钢线绞制成的钢芯铝绞线,硬铝线的截面积为500mm².5、导线的接截面选择:导线的截面选择应从其电气性能和经济性能两个方面考虑,保证安全经济地输送电能。
一般先按经济电流密度初选导线截面,再按允许电压损失、发热、电晕等条件校验。
大跨越的导线截面宜按允许载流量选择,并应通过技术经济比较确定。
6、地线架设及选择:输电线路是否架设地线,应根据线路电压等级、负荷性质和系统运行方式,并结合当地已有线路的运行经验、地区雷电活动的强弱、地形地貌特点及土壤电阻率高低等来决定。
110kv输电线路宜全线架设地线,在平均雷暴日不超过15日或运行经验证明雷电活动轻微的地区可不架设地线。
无地线的输电线路宜在变电站或发电厂的进线段架设1~2km的地线。
在平均雷暴日超过15日的地区的哦220~330kv输电线路应沿全线架设地线,山区宜采用双地线。
500kv输电线路应沿全线架设双地线。
7、导线的排列方式:单回路的导线常呈三角形、上字形和水平排列,双回路有伞形、倒伞形、六角形和双三角形排列,在特殊地段还有垂直排列、斜三角形排列等。
架空线路架空线路是指将输电线路悬挂在支撑杆或者塔上,以空气作为绝缘介质的电力输送系统。
它被广泛应用于电力传输和分配,是电力系统的重要组成部分。
本文将会介绍架空线路的基本构造、分类、优缺点以及相关的维护管理。
基本构造架空线路主要由导线、绝缘子、支撑杆(或塔)和附件等组件构成。
1.导线:架空线路上的导线通常采用铝合金或者铜导线,它们具有良好的导电性能和强度。
导线的截面积决定了其输送功率的能力,常见的导线类型包括单节线、多节线以及光纤导线。
2.绝缘子:绝缘子用于在支撑杆(或塔)和导线之间提供绝缘保护,防止导线与支撑杆(或塔)相接触而发生短路事故。
常见的绝缘子材料包括陶瓷、玻璃纤维以及复合材料等。
3.支撑杆(或塔):支撑杆(或塔)用于悬挂导线,并提供足够的支撑和稳定性。
支撑杆(或塔)通常由钢材或混凝土制成,根据线路的电压等级和长度不同,支撑杆(或塔)的高度和型式也会有所区别。
分类根据电压等级和用途的不同,架空线路可以分为多种类型。
1.低压架空线路:低压架空线路用于城市和农村电网的配电系统,主要输送较低电压(如220V或380V)的电能。
这种线路的导线通常较细,支撑杆(或塔)高度较低。
2.中压架空线路:中压架空线路用于城市和乡镇的配电系统,主要输送介于3kV到35kV之间的电压。
这种线路的导线通常采用较粗的铝合金导线,支撑杆(或塔)高度较高。
3.高压架空线路:高压架空线路主要用于输电系统,将发电厂产生的电能输送至变电站。
根据不同的电压等级,高压线路可以分为110kV、220kV、330kV等级,甚至更高。
这种线路通常采用较粗的导线和高大的钢制支撑塔。
优缺点架空线路相比于地下电缆系统,具有如下优缺点。
优点:1.造价低廉:架空线路的建设成本相对较低,不需开挖地下通道,节省了土地和材料的费用。
2.可靠性高:架空线路不容易受到地震、洪水等自然灾害的影响,具有较高的可靠性。
3.维护方便:架空线路易于巡检和检修,出现故障时可以较快地定位并解决。
云南电网有限责任公司10kV及以下配电线路标准设计V4.0 第二部分 10kV架空线路部分第一卷总论云南电网有限责任公司编2017年07月1目录1 概述 (1)1.1概况 (1)1.2 图集目录 (2)1.3标准设计目录索引 (3)2 设计原则 (15)2.1大档距杆塔电气主要设计原则 (15)2.2小档距杆塔电气主要设计原则 (21)2.3 杆塔基础形式 (29)2.4 杆型使用说明 (29)2.5 开关设备 (30)3 模块划分和模块说明 (36)4 图纸编号规则和目录 (38)4.1 10kV架空线路混凝土杆部分命名原则 (38)4.2 10kV架空线路焊接角钢塔部分命名原则 (39)4.3 10kV架空线路螺栓角钢塔部分命名原则 (40)4.4 10kV架空线路机电组装图命名原则 (40)4.5 10kV架空线路安健环部分命名原则 (41)4.6 10kV开关设备部分命名原则 (41)1概述1.1概况本标准为云南电网有限责任公司10kV及以下配电线路标准设计V4.0成果中的10kV架空线路部分。
本标准主要内容涉及10kV单回路、双回路、四回路架空线路小档距和10kV单回路大档距设计,共包含五个部分,即:混凝土杆部分、角钢塔部分、机电组装图部分、安健环部分和标准材料部分。
(1)混凝土杆部分:包括大档距和小档距混凝土杆及相关铁件加工图、拉线组装图等。
小档距为单回路和双回路,采用单杆架设;大档距为单回路,采用双杆和三联杆架设。
(2)角钢塔部分:包括焊接塔和螺栓塔。
(3)机电组装图部分:包含金具组装图、接地装置图和柱上开关安装图。
(4)安健环部分:包含10kV架空线路安健环设施部分。
(5)标准材料部分:包含混凝土杆部分和角钢塔部分各种杆塔型式以及杆塔的拉线、接地材料。
以上模块中,如实际使用中,超出使用范围的,请设计单位自行校核。
11.2 图集目录21.3标准设计目录索引345678910111213142设计原则2.1 大档距杆塔电气主要设计原则2.1.1气象条件(1)基本风速按照新颁布的《66kV及以下架空电力线路设计规范》,结合云南省的实际情况,并综合考虑经济性、安全性和通用性,10kV架空线路标准设计基本风速采用离地10m高,30年一遇10min平均最大风速,取25m/s。
架空输电线路基础设计技术规程架空输电线路是电力系统的重要组成部分,是负责向农村、城市和其他用户供电的重要途径。
架空输电线路的基础设计工作是决定架空输电线路的安全性、经济性和环境友好性的基础。
因此,制定架空输电线路基础设计技术规程,对提高架空输电线路设计水平,保障架空输电线路安全运行具有十分重要的意义。
架空输电线路基础设计主要包括工程准备、基础设计、验收审查等几个方面。
架空输电线路的工程准备工作主要包括:筹划工程基本情况、确定线路架设范围和规划路线、收集现状资料、编制工程前期报告等。
基础设计主要涉及架空线路路线设计、施工方案设计、杆塔型式设计、基础构件及辅助设施设计、安装及施工设备设计、防静电设计等内容。
设计环节完成后,需要进行专家验收。
验收主要涉及架空线路防护电力设备和线路的安全、经济、环保、美观等方面的要求,可以通过实地调研、计算机分析和现场检查等方式进行。
架空输电线路基础设计技术规程旨在保证架空线路建设质量、加强管理制度,提高建设和设计水平,提高线路全社会效益。
规程的内容主要涉及架空线路的基本要求、线路路线的规划设计、杆塔的型式选择、线路的安全保护及防腐措施、线路施工设计和施工质量控制、智能化新技术的应用、绿色建设的原则和要求等内容。
首先,架空线路基本要求主要涉及工程投资、架空线路路线图纸、杆塔型式设计、线路施工方案、施工质量控制等方面。
其次,架空线路路线的规划设计应根据可行性研究、经济性分析、环境影响研究等情况确定路线总长度、划分段长及上下行程方向;杆塔型式设计应根据架空线路的路线特征、类型和电压等来确定杆塔的类型、位置、梁塔架的参数、支撑跨度和固定杆塔的方式等。
线路施工方案应满足施工过程中的技术要求并保证施工的安全。
施工质量控制方面,应结合实际情况,制定严格的施工质量控制计划,并对施工质量考核、检验和改正措施进行深入思考,确保施工质量满足规定要求。
此外,规程还要求充分考虑智能化新技术的应用,以提高工程的经济性和效率。
66kV及以下架空电力线路设计规范6.0.9海拔高度为1000m以下的地区,35kV和66kV架空电力线路带电部分与杆塔构件、拉线、脚钉的最小间隙,应符合表6.0.9的规定。
表6.0.9 带电部分与杆塔构件、拉线、脚钉的最小间隙6.0.10海拔高度为1000m及以上的地区,海拔高度每增高lOOm,内部过电压和运行电压的最小间隙应按本规范表6.0.9所列数值增加1%。
6.0.13带电作业杆塔的最小间隙应符合下列要求:1 在海拔高度1000m以下的地区,带电部分与接地部分的最小间隙应符合表6.0.13的规定:表6.0.13 带电作业杆塔带电部分与接地部分的最小间隙(m)2对操作人员需要停留工作的部位应增加0.3m~0.5m。
7.0.766KV与10KV同杆塔共架的线路,不同电压等级导线间的垂直距离不应小于3.5m;35KV与10KV 同杆塔共架的线路,不同电压等级导线间的垂直距离不应小于2m。
8.1.3各类杆塔均应按以下三种风向计算塔身、横担、导线和地线的风荷载:1 风向与线路方向相垂直,转角塔应按转角等分线方向;2 风向与线路方向的夹角成60°或45°;3 风向与线路方向相同。
8.1.9各类杆塔的运行工况应计算下列工况的荷载:1 最大风速、无冰、未断线;2 覆冰、相应风速、未断线;3 最低气温、无风、无冰、未断线。
9.0.1杆塔结构构件及连接的承载力、强度、稳定计算和基础强度计算,应采用荷载设计值;变形、抗裂、裂缝、地基和基础稳定计算,均应采用荷载标准值。
11.0.2基础应根据杆位或塔位的地质资料进行设计。
现场浇制钢筋混凝土基础的混凝土强度等级不应低于C20。
11.0.12基础上拔稳定计算的土重上拔稳定系数γR1、基础自重上拔稳定系数γR2和倾覆计算的倾覆稳定系数γS,应按表11.0.12采用。
表11.0.12 上拔稳定系数和倾覆稳定系数12.0.6导线与地面、建筑物、树木、铁路、道路、河流、管道、索道及各种架空线路间的距离,应按下列原则确定:1 应根据最高气温情况或覆冰情况求得的最大弧垂和最大风速情况或覆冰情况求得的最大风偏进行计算;2 计算上述距离应计入导线架线后塑性伸长的影响和设计、施工的误差,但不应计入由于电流、太阳辐射、覆冰不均匀等引起的弧垂增大;3 当架空电力线路与标准轨距铁路、高速公路和一级公路交叉,且架空电力线路的档距超过200m 时,最大弧垂应按导线温度为+70℃计算。
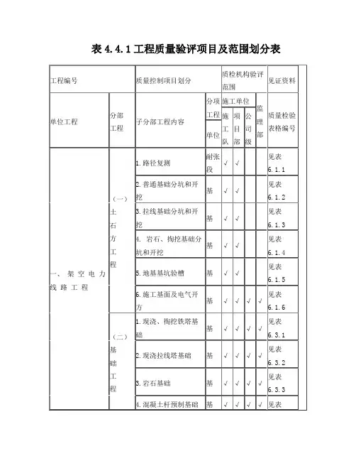
表4.4.1工程质量验评项目及范围划分表
表6.1.1线路路径复测质量要求及检查方法(线表)
表6.1.2 普通基础坑分坑和开挖质量要求及检查方法(线表)
表6.1.3 拉线基础坑分坑和开挖质量要求及检查方法(线表)
表6.1.4岩石、掏挖基础坑分坑和开挖质量等级评定标准及检查方法(线表)
表6.1.5地基基坑(槽)的质量等级评定标准及检查方法(线表)
表6.1.6 施工基面及电气开方质量等级评定标准及检查方法(线表)
表6.3.1 现浇混凝土铁塔(含承台)基础质量检验等级评定及检查方法
表6.3.2 现浇拉线(含锚杆)基础质量检验等级评定标准及检查方法
表6.3.3 岩石、掏挖基础质量检验等级评定标准及检查方法
表6.3.4 混凝土杆预制基础质量检验等级评定标准及检查方法
表6.3.5 角钢插入式基础质量检验等级评定标准及检查方法
表6.3.6 灌注桩基础质量等级评定标准及检查方法。
(整理)10KV及以下架空配电线路1.10KV及以下架空配电线路安装⼯艺要求⼀、电杆基坑及基础埋设1、基坑施⼯前的定位符合下列规定:⑴、直线杆顺线⽅向位移,10KV及以下架空电⼒线路不应超过设计档距的3%,直线杆横线路⽅向位移不超过50mm。
⑵、转⾓杆、分⽀的横线路、顺线路⽅向的位移均不应超过50mm。
2、电杆基础坑深应符合设计规定。
电杆基础坑深度允许偏差应为+100mm、-50mm。
同基基础坑在允许偏差范围内按最深⼀坑操平。
3、双杆基坑应符合下列规定:⑴、根开的中⼼偏差不应超过±30mm。
⑵、两杆坑深宜⼀致。
4、基坑回填⼟应符合下列规定:⑴、⼟块应打碎。
⑵、10KV及以下架空电⼒线路基坑每回填30mm应历夯⼀次。
⑶、松软⼟值的基坑,回填⼟时应增加夯实次数或采取加固措施。
⑷、回填⼟后的电杆基础宜设防沉⼟层。
⼟层上部⾯积不宜⼩于坑⼝⾯积;培地⾼度应超出地⾯300mm。
⼆、电杆组与绝缘⼦安装1、单电杆⽴好后应正直,位置偏差应符合下列规定:⑴、直线杆的横向位移不应⼤于50mm。
⑵、10KV及以下架空电⼒线路杆梢的位移不应⼤于杆梢直径的1/2。
⑶、转⾓杆的横向位移不应⼤于50mm。
⑷、转⾓杆应向外⾓预偏紧线后不应向内⾓倾斜,向外⾓的倾斜,其杆梢位移不应⼤于杆梢直径。
2、终端杆⽴好后,应向拉线侧预偏。
期预偏值不应⼤于杆梢直径。
紧线后不应向受⼒倾斜。
3、以螺栓连接的构件应符合下列规定:⑴、螺栓应与构件⾯垂直,螺头平⾯预构件间不应有间隙。
⑵、螺栓紧好后,螺杆丝扣露处的长度,单螺母不应少于两个螺距;双螺母可预螺母相平。
⑶、当必须加垫圈时,每端垫圈不应超过2个。
4、螺栓的穿⼊⽅向应符合下列规定:⑴、对⽴体结构:⽔平⽅向由内向外垂直⽅向由下向上。
⑵、对平⾯结构:顺线路⽅向,双⾯构件内由向外,单⾯克件由送电侧穿⼊或按统⼀⽅向,横线路⽅向,两侧由内向外,中间由左向右(⾯向受电侧)或按统⼀⽅向;垂直⽅向,由下向上。
第一部分架空光缆线路工程施工规范根据本工程的特点,结合不同的施工工序,拟定不同的质量控制点。
分公司应按照这些控制点实施逐点控制,依据设计和相关规范要求的指标和标准对质量进行逐点检查和验收,以达到工程质量符合工程总体验收标准之目的。
1、杆路1)路由复测施工单位应对所施工的工程进行复测丈量,以设计单位提供的施工图设计为依据,确定杆路路由的具体位置、准确长度以及每根电杆的杆位,确定线路穿越障碍物的具体位置和相应保护措施,复测中继段距离时,应根据地形起伏,核算包括接头重叠长度、各种必要的预留长度在内的敷设总长度,并确定接头的具体位置。
监理工程师采用见证或巡视的方法,检查复测所取得的数据是否与施工图纸相一致,以及复测单位所采取的纠偏技术措施,出现设计文件和施工图纸与实际要求不一致或其他必须变更设计才可以满足施工要求时,施工单位需现场通知监理单位并通过设计变更后才能进行下一工序的施工。
2)立杆(1)电杆洞深不同土质,水泥电杆的洞深亦不相同,施工时一定按规范要求,不得随意增减深度,防止造成安全和质量事故。
监理按(一)表1规定的技术数据和偏差应小于-50mm的要求检查洞深。
(一)表1水泥电杆洞深杆长(m)土质备注普通土硬土水田、湿地石质 1.本表用于中、轻负荷区通信线路。
重负荷区的杆洞深度应按本表规定值另加10-20cm。
2.12m以上的特种电杆的洞深应按设计文件规定实施。
6.0 1.2 1.0 1.3 0.86.5 1.2 1.0 1.3 0.87.0 1.3 1.2 1.4 1.07.5 1.3 1.2 1.4 1.08.0 1.5 1.4 1.6 1.28.5 1.5 1.4 1.6 1.29.0 1.6 1.5 1.7 1.410.0 1.7 1.6 1.8 1.611.0 1.8 1.8 1.9 1.812.0 2.1 2.0 2.2 2.0(2)杆距电杆间的距离按设计规定,允许±5m偏差,但不得随意加大设计杆距。